Zum Hauptinhalt springen Zur Suche springen Zur Hauptnavigation springen
Menü
efr
erf
rrrf
Schnell lieferbar
14 Tage Rückgaberecht
Schneller DPD Versand

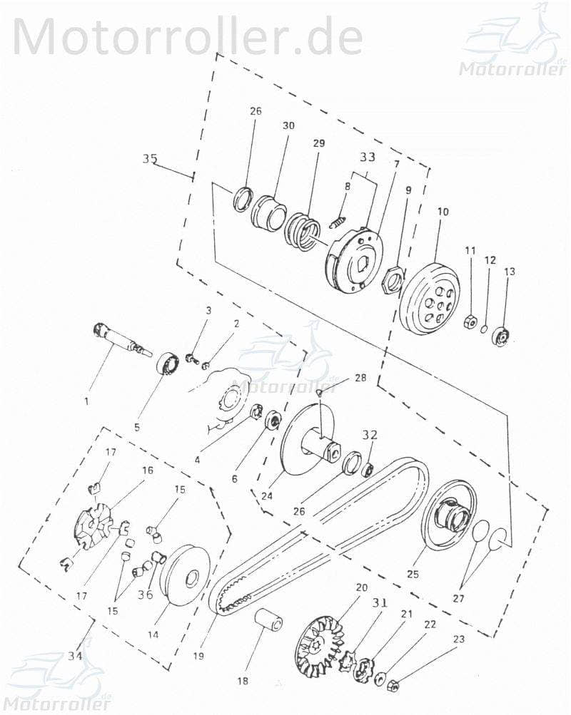
zu Artikel: Variomatik vorne komplett

Variomatik

Variomatik vorne komplett

Technik-Info

Der Artikel: Variomatik

Variomkatiktrakt, Variomatik-Trakt, Automatik Getriebe, Variomatik-Kupplung, Automatikgetriebe, CVT-Getriebe, Getriebe, Stufenlos-Getriebe, Variator, Variatorgetriebe, Variator-Getriebe, Variomatikkupplung, Wandlergetriebe, Wandlereinheit, Automatikkupplung, Variomatik, Automatik, Fliehkraftkupplung, Fliehkraft-Kupplung, Fliehkraft-Variomatik-Kupplung, Nockenscheibe, Reglerplatte, Variomatik Set, Wandler-Einheit

Die Variomatik ist das sufenlose Standard-Getriebe des Motorrollers. Sie bildet meist eine bauliche Einheit mit der Fliehkraftkupplung. Die Kraftübertragung erfolgt durch einen Antriebsriemen, der einem natürlichen Verscheiß unterworfen ist und daher regelmäßig gewechselt werden muss. Da die Lohnkosten hierbei der größere Kostenfaktor sind empfehlen wir die Antriebsriemen der Marken Bado oder Gates. Diese haben die höchste Laufleistung.

Dieser Artikel passt bei vielen Modellen, unter anderem für:

Adly AT 50 2, Bitte vergleichen Sie mit ihren Fahrzeugpapieren, gerne können Sie uns eine Email-Anfrage senden, Adly Scoody 50

Quer über den Globus hat dieser Hersteller einen guten Namen bezüglich Qualität.

Kostenloser Versand   Bei Ersatzteilen für jeden zusätzlichen Artikel mit den gleichen Versandkriterien, den Sie von uns kaufen.

Unsere Ersatzteile für ihren Motorroller bzw. Scooter oder auch Roller können Sie bequem online in unserem Shop kaufen. Egal ob sie Ihren Roller im Kaufhaus oder im Baumarkt gekauft haben, für alle gängigen China-, Taiwan-, oder Europa-Roller finden Sie bei uns passende Bauteile, insbesondere für die Motoren 50 cc, 125 cc, 250 ccm, 2takt, 4takt und für größere Leistungen. Speziell für die Motorentypen 153FMI, 156FMI ,139FMB ,152QMI, 157QMI ,150QMG ,1E40QMB, 1E40QMA ,164FML , GY6 ,125-4T6M ,139QMB, 139QMA, JSD139QMB ,157QMJ, 158MJ in kurzen und langen Versionen in den Normen Euro1, Euro2, Euro3 sowie die neuen Euro 4 Einspritzer-Motoren finden Sie qualitativ erstklassige Ersatzteile. Gerne können Sie auch per Email nach Ersatzteilen anfragen. Bei Bestellwerten über 100 Euro können Sie auch unseren Ratenkauf- bzw. Finanzierungs-Service nutzen. Beim Kauf von Fahrzeugen können wir Ihnen auch ein Leasing-Angebot unterbreiten, das bietet sich insbesondere für Firmen an, die Betriebsfahrzeuge anschaffen, oder ihren Mitarbeitern ein Fahrzeug zur Verfügung stellen. Wir freuen uns auf Ihre Anfrage.

instand setzen oder ersetzen?

Gleichgültig, ob jemand einen Motorroller, 3-Rad Roller oder Elektroroller beziehungsweise E-Roller fährt, er stellt sich wahrscheinlich oftmals die Frage, ob sie ein defektes Element auswechseln oder instand setzen lassen sollen. Woran man auch denken sollte: Ein Ersatzelement ist nicht nur schnell getauscht, sondern macht das Zweirad auch bedeutend funktionssicherer als eine Reparatur. Oftmals kann man einen nicht auf Anhieb selber entdecken und ein qualifizierter Fachmann muss feststellen, wo der Hase im Pfeffer liegt. Auf der anderen Seite haben Sie auch die Möglichkeit, sich für eines der einbaufertigen Ersatzteil-Kits zu entscheiden, die wir für viele diverse Modelle anbieten. .

Qualitativ hochwertige Roller-Ersatzteile

Die Ersatzteile, welche wir im Programm haben, entsprechen in Bezug auf die Qualität zu 100 Prozent dem Weltmarktniveau. Wir können lediglich aus dem Grund so günstig sein, weil wir unsere Teile in ausreichend großen Einheiten einkaufen. Für den Fall, dass Ihr Roller einmal neues Teil benötigt, wenden Sie sich voll Vertrauen an uns. Sie erhalten bei uns ausnahmslos beste Qualität zu einem erschwinglichen Preis.

Sie suchen für einen Sundiro oder Eppella Roller ein Einbauteil? Keine Panik, wir haben sie lieferbar.

Natürlich liefern wir auch die Originalteile für Ihren fahrbaren Untersatz, wenngleich unsere Nachbauten einen qualitativen Vergleich mit dem Erstausrüster-Produkt nicht scheuen müssen, jedoch in der Regel wesentlich kostengünstiger sind. Mit unseren Produkten können Sie die Reparatur an Ihrem motorisierten Zweirad selbst bewerkstelligen beziehungsweise auch in einer Werkstatt ausführen lassen. Vermutlich gibt es keine bessere Alternative, in Verbindung mit der Reparatur Ihres Zweirads, um Ihren Geldbeutel zu schonen.

Es ist denkbar simpel, mithilfe der Produktbilder das richtige Element aufzufinden

Damit Sie auch tatsächlich den dringend benötigten Artikel erhalten, finden Sie auf unserer Seite eine Menge von entsprechendem Bildmaterial, durch das Sie Ihr defektes Austauschteil mit dem verfügbaren Ersatz vergleichen können. Achten Sie bitte insbesondere auf die Übereinstimmung der alten Komponente mit dem abgebildeten Artikel; vor allem was die aufgeführten Abmessungen und technischen Spezifikationen angeht.

Ihre Vorteile:

Kurzfristige LieferzeitenRoller-AnkaufUnser Lager umfasst Einbauelemente und Zubehör für etwa 250 Marken und 8500 ModellePräzisionsfertigung nach DIN-NormSie bekommen von uns immer die Erstausrüsterqualität - auch bei preiswerten NachbautenAbsolute Fahrsicherheit des Rollers, vor allem bei den BremsenDurch unsere "Geld zurück" - Garantie kaufen Sie ohne RisikoUnsere sämtlichen Erzeugnisse sind gebrauchstauglich, betriebssicher sowie preiswertWir holen und bringen Ihren MotorrollerSie bezahlen bei Bestellung mehrerer Komponenten mit denselben Versandfaktoren nur einmal den Versand

Roller, Straßenbuggys, Fun Fahrzeuge und Quads kauft man am besten bei uns als Fachhändler. Aus welchem Grund sind wir der optimale Partner für Sie? Weil wir das Know-how und die Meister-Qualifikation besitzen, die für dieses Geschäftsfeld auf jeden Fall erforderlich sind. Für unser Familienunternehmen ist das Geschäft rund um die Roller der ganze Lebensinhalt.

Kaufen ist Vertrauenssache, demnach ist es wesentlich, sich den Laden zuvor genau anzugucken. Alles ist in unserem Unternehmen uneingeschränkt transparent! Gerne können Sie uns im Ladengeschäft aufsuchen, um sich über uns selbst zu informieren.Den Nachweis unserer hervorragenden Leistungen sehen Sie dann direkt vor Ort.

Wenn Ihnen die Anfahrtsstrecke zu uns zu weit ist, können Sie sich auch durch die verschiedenen Ebay Bewertungen und des Trustedshops-Siegels kundig machen. Unsere Verkaufsseite Motorroller.de wird zum Beispiel von Trustshops als "sehr gut" bewertet. Das betrifft sowohl unseren Internetshop als auch unsere Geschäftspraktiken. Über diese Bewertung sind wir nicht ganz zu Unrecht sehr Stolz. Auch bei Ebay liegen wir mit dem Faktor 99,9 % hervorragend im Rennen. Was zeigen all diese Ergebnisse ganz offensichtlich? Dass wir in allen Belangen stets geben!!

Bitte denken Sie daran, dass wir keine Roboter sondern auch nur Menschen sind, denen unter Umständen bei denen unter Umständen etwas schief gehen kann. Wenn also etwas nicht völlig zu Ihrer Zufriedenheit geklappt hat, bitten wir Sie, uns die Chance zu geben, die Angelegenheit in Ordnung zu bringen.

Unser Fachgeschäft hat für Sie geöffnet: jeden Tag von 8:00 - 18:00 Uhr, am Samstag von 9:00 - 13:00 Uhr.

Wir sind seit Jahrzehnten für unsere Kunden da

Es liegt uns eine Menge an der Zufriedenstellung unserer Kunden. Vor über 50 Jahren begannen wir mit dem Bau von Maschinen, während den Handel mit Zweirädern gegenwärtig auch schon seit mehr als 25 Jahren erfolgreich ausgebaut werden konnte. Zwischenzeitlich haben wir uns außer dem Verkauf von Rollern, auf "Must-to-have" für Tuning, Ersatzbauteile und Fahrzeugzubehör ausgerichtet.

Wir können kurzfristig etwa 500.000 Einbauteile liefern

Wer auf der Suche nach einem preisgünstigen Zweirad oder der richtigen Komponente für seinen fahrbaren Untersatz ist, der findet bei uns unter Motorroller.de bestimmt das geeignete Element. Es gibt zurzeit passendes Zubehör, Artikel und Teile für ca. 250 Fabrikate und 8500 Typen in unserem Auslieferungslager, die auf Ihre Bestellung warten. Darunter sind zum Beispiel Produzenten wie Yamaha, Kreidler, Jonway oder Adly zu finden. Es sind mehr als 500.000 Produkte von unterschiedlichen unterschiedlicher Anbieter, die wir in unseren Hochregalen auf einer Lagerfläche von über 1.000 m² im Programm haben. Unser Zubehörbereich bietet demzufolge alles, was man als Rollerfahrer braucht.

Das beginnt bei den Windschildern über das Top Case und den Schutzhelmen, und geht bis hin zu Nierengürteln, Handschuhen und Regensets.Auch für alle Tuningfans bieten wir ausgewählte Artikel an, wie z.B. Auspuffanlagen, Zylinder, Kolben und andere Dinge Kolben, Zylinder, Auspuffanlagen und andere Dinge.

Was passiert nach der Produktion?

Keine Lieferung verlässt unser Haus, ehe sie nicht auf makellose Qualität kontrolliert worden ist. Dies bedeutet, sämtliche Fahrzeuge, welche das Herstellerwerk verlassen haben und bei uns angeliefert werden, checken wir nochmals gründlich auf eventuelle Mängel oder Transportschäden, ehe sie in die Hände unserer Kunden übergeben werden. Vor der Übergabe wird zunächst jeden Roller ausgepackt und auf unserem Zweirad-Prüfstand einem Testlauf unterzogen. Bei dem gelieferten Motorroller wird nach der Lieferung zum Kunden letztlich nochmals ein Funktionstest gemacht. Dadurch ist eine korrekte Nutzung des Gefährts wirklich garantiert.

Umweltschutz

Uns liegt besonders viel an einem effektiven Umweltschutz. Zum einen sind unsere Fahrzeuge prinzipiell mit sparsamen Verbrennungsmotoren ausgestattet. Um die Umwelt zusätzlich zu schonen und eine fachgerechte Abfallentsorgung zu garantieren, nehmen wir das Verpackungsmaterial wieder mit, das bei der Anlieferung unserer Roller anfällt.

Roller-Ankauf

Nach dem Kauf eines neuen Motorrollers aus unserem Fahrzeugangebot möchten Sie sich von Ihrem alten Modell trennen? Seien Sie deswegen unbesorgt! Wir kaufen Ihren gebrauchten Roller an.

Wir haben es nicht geschafft, sämtliche Zweifel auszuräumen?

Geben Sie uns doch die Gelegenheit, unsere fachlichen Qualitäten unter Beweis zu stellen. Im Gegensatz zu den billigen Verkaufsshops, die schnell wieder weg sind, können wir eine langjährige Firmentradition vorweisen. Nur hinsichtlich neuer Ideen und zeitgemäßer Innovationen lässt sich eine gut fundierte Geschäftsgrundlage schaffen. Darum steht in unserem stetig expandierenden Betrieb Fleiß und fortwährendes Lernen durchweg an erster Stelle. Sie können sich persönlich von unserem hervorragenden Kundenservice überzeugen, sofern Sie uns an unserem Unternehmensstandort in Lindenfels-Eulsbach besuchen.

Unsere Firma ist ganz einfach zu finden

Lindenfels liegt rund 60 km im Süden von Frankfurt am Main und 40 km nordöstlich von Mannheim im Odenwald (Regierungsbezirk Darmstadt). Es besteht auch eine gute Verkehrsanbindung per Bahn.

Hinweise zu: Variomatik

Baugruppe: Motor

Position: vorn

Ersatzteil: Variomatik

Artikelposition in Explosionszeichnung: 34

Motorroller bequem online kaufen – von der Bestellung bis zur Lieferung


Mobiler Home Service – Bundesweit Inspektionen und Reparaturen


Motorroller.de – Über uns – Ihr Support vom Profi seit 1993

Ihr Finanzierungsplan**
Monate Rate mtl. Gesamt
6039,67 €2.380,49 €
12157,59 €1.891,14 €

Einfach im Bestellvorgang die Expokredit-Finanzierung als Zahlungsweise auswählen ...

  • Adly Her Chee AT 50 2
  • Adly Her Chee Scoody 50
  • Adly Her Chee Scoody 50 2
Produktgalerie überspringen

Kunden haben sich ebenfalls angesehen

Rabatt
Zylinderkopf komplett Zylinderdeckel PGO C50710120001
Zylinderkopf komplett Zylinderdeckel PGO C50710120001

zu Artikel: Zylinderkopf komplettDer Zylinderkopf Zylinderkopf komplett Technik-InfoZylinderkopf Zylinderdeckel, Zylinder-Kopf, Kopf, Zylinder-Deckel, Zylinderkopf, Zylinder-Head, Zylinder-Heads Der Zylinderkopf schließt den Verbrennungsraum eines Verbrennungsmotors aus der Sicht des Kolbens nach oben ab. Er ist hoher Hitze und Drücken ausgesetzt. Meist sind es Guss-Zylinder, aber in der heutigen Zeit werden auch Zylinder aus hochwertigen Aluminiumlegierungen verwendet, die ebenso eine lange Lebensdauer gewährleisten. Unsere Zylinder sind in Erstausrüster-Qualität. Dieser Artikel passt bei vielen Modellen, unter anderem für: PGO G-Max, , PGO Burgrider 150, PGO G-Max 150 Dieser Hersteller ist seit vielen Jahren erfolgreich auf dem internationalen Markt. Er hat sich durch Zuverlässigkeit seiner Produkte einen Namen gemacht. Geprüfte beste Erstausrüsterqualität sehr gute Verarbeitung Lagerware günstiger Preis Direktimport sofort versandbereit Unsere Ersatzteile für ihren Motorroller bzw. Roller oder auch Scooter können Sie bequem online in unserem Shop kaufen. Egal ob sie Ihren Roller im Baumarkt oder im Kaufhaus gekauft haben, für alle gängigen China-, Europa-, oder Taiwan-Roller finden Sie bei uns passende Bauteile, insbesondere für die Motoren 50 cc, 125 cc, 250 ccm, 2takt, 4takt und für größere Leistungen. Speziell für die Motorentypen 125-4T6M ,139QMB, 139QMA, JSD139QMB , GY6 ,139FMB ,153FMI, 156FMI ,157QMJ, 158MJ ,1E40QMB, 1E40QMA ,152QMI, 157QMI ,150QMG ,164FML in kurzen und langen Versionen in den Normen Euro1, Euro2, Euro3 sowie die neuen Euro 4 Einspritzer-Motoren finden Sie qualitativ erstklassige Ersatzteile. Gerne können Sie auch per Email nach Ersatzteilen anfragen. Bei Bestellwerten über 100 Euro können Sie auch unseren Ratenkauf- bzw. Finanzierungs-Service nutzen. Beim Kauf von Fahrzeugen können wir Ihnen auch ein Leasing-Angebot unterbreiten, das bietet sich insbesondere für Firmen an, die Betriebsfahrzeuge anschaffen, oder ihren Mitarbeitern ein Fahrzeug zur Verfügung stellen. Ihre Anfrage nehmen wir gerne entgegen Tauschen oder instand setzen?Diese Frage wird von Rollerfahrern oftmals gestellt, gleichgültig, ob sie einen Elektroroller beziehungsweise E-Roller, 3-Rad Roller oder Motorroller haben, wenn etwas am Zweirad fehlerhaft geworden ist. Ein weiterer Gesichtspunkt ist, dass ein neues Bauteil nicht lediglich preiswerter ist als eine Instandsetzung, sondern danach auch eine beträchtlich höhere Funktionssicherheit bietet. Zumeist kann bloß eine kompetente Werkstatt den Fehler auf Anhieb eruieren. Auf der anderen Seite hat man auch die Option, sich für eines der einbaufertigen Ersatzteil-Kits zu entscheiden, welche wir in zahlreichen unterschiedlichen Ausführungen anbieten. .Für Ihren fahrbaren Untersatz - hochwertige QualitätDie Qualität all unserer Komponenten hat Weltmarktniveau. Wir können allein deswegen so günstig sein, weil wir bei unseren Lieferanten alle Bauteile in genügend großen Stückmengen einkaufen. Diese beiden Punkte, nämlich einerseits die gute Qualität und auf der anderen Seite der attraktive Preis heben uns überwiegend von anderen Mitbewerbern ab. Einige Rollermarken wie Sundiro und Eppella werden schon lange nicht mehr hergestellt. Gleichwohl führen wir hierfür noch die Zubehörteile.Wir haben logischerweise auch die Originalteile vieler Rollerhersteller im Angebot, obschon unsere Nachbauten mit den Originalen qualitativ ohne weiteres mithalten können und dennoch vom Preis her größtenteils um einiges preisgünstiger sind. Mit unseren Ersatzteilen können Sie die Instandsetzung Ihres fahrbaren Untersatzes selber durchführen bzw. auch in einer Werkstatt durchführen lassen. Sie werden vermutlich keine andere Alternative finden, um zu günstigen Kosten Ihren fahrbaren Untersatz reparieren zu können.Es ist denkbar leicht, unter Zuhilfenahme der Produktbilder das gewünschte Bauteil aufzufindenAuf unserer Webseite gibt es reichlich Bildmaterial, welches Sie dabei unterstützt, Ihr defektes Teil ganz einfach mit dem verfügbaren Ersatz zu vergleichen. Hierdurch können Falsch- oder Fehllieferungen hinsichtlich inkorrekter Bestellungen schon im Voraus verhindert werden. Es ist hier relevant, dass das Element, welches Sie tauschen wollen, nicht bloß visuell, sondern auch in den Spezifikationen und Maßen mit Ihrer Bestellung zusammenpasst. Ihre Vorteile:Auch bei günstigen Nachbauten bekommen Sie von uns ohne Ausnahme die ErstausrüsterqualitätSie zahlen beim Ordern mehrerer Komponenten mit denselben Versandbedingungen nur einmal VersandkostenDIN-Norm gerechte und ISO-zertifizierte PräzisionsfertigungRoller-AnkaufEinbauelemente und Zubehör für rund 250 Marken und 8500 Typen auf LagerAbsolute Fahrsicherheit des Zweirads, speziell bei BremsanlagenHol- und BringserviceDank unserer "Geld zurück" - Garantie kaufen Sie ohne RisikoUnsere sämtlichen Produkte sind gebrauchstauglich, betriebssicher sowie kostengünstigKurze LieferzeitenEgal, ob Sie einen Motorroller, einen Quad, Buggy oder ein Fun-Fahrzeug kaufen wollen. Wir sind dafür der Fachhändler Ihres Vertrauens. Aus welchen Gründen wäre es für Sie von Nutzen, wenn Sie uns für Sie tätig werden lassen? Weil wir das entsprechende Know-how und die Meister-Qualifikation besitzen, die man für dieses Geschäftsfeld unter allen Umständen benötigt. Als familiär geführtes Unternehmen betreiben wir nicht lediglich das Geschäft in Verbindung mit den Motorrollern, wir leben unser Geschäft förmlich. Es ist wichtig, sich das Fachgeschäft deswegen zuvor genau anzusehen, ehe man sich für einen Kauf entscheidet. Alles ist bei uns uneingeschränkt nachvollziehbar! Wieso kommen Sie nicht mal bei uns vorbei, um sich selber ein Bild zu machen?Die Vertrauensbestätigung erhalten Sie dann im Prinzip schwarz auf weiß vor Ort.Interessenten, denen die Entfernung zu uns zu weit ist, können sich gerne mittels der verschiedenen Ebay Bewertungen und des Trustedshops-Siegels über uns informieren. Unsere Internetseite Motorroller.de wird beispielsweise von Trustshops als "sehr gut" bewertet. Das betrifft sowohl unseren Shop als auch unsere Geschäftspraxis. Über diese Beurteilung sind wir nicht ganz zu Unrecht sehr Stolz. Der Bewertungsfaktor von circa 99,9 Prozent bei Ebay in den Käuferrezensionen kann sich gleichfalls sehen lassen. Was zeigen all diese Resultate ganz eindeutig? Dass wir uns in allen Belangen stets mächtig ins Zeug legen! Bedenken Sie aber: Wir sind auch bloß Menschen, die zuweilen Fehler machen. Sofern also etwas nicht zu Ihrer Zufriedenheit funktioniert hat, bitten wir Sie, uns die Chance zu geben, die Angelegenheit in Ordnung zu bringen.Unsere gut geschulten Mitarbeiter sind täglich von 8:00 - 18:00 Uhr und samstags von 9:00 - 13:00 für Sie da.Wir sind seit Jahrzehnten für unsere Kunden daWir tun eine Menge, damit unsere Kunden zufrieden sind. Vor über fünf Jahrzehnten nahmen die geschäftlichen Aktivitäten unseres Unternehmens im Bereich Maschinenbau ihren Anfang, während der Fahrzeughandel inzwischen auch schon seit mehr als 25 Jahren erfolgreich ausgebaut werden konnte. Gegenwärtig haben wir uns neben der Vermarktung von Rollern, auf Fahrzeugzubehör, Einbauteile und das "Nice-to-have" zum Motor frisieren fokussiert.Unser Artikelsortiment schließt ca. 500.000 Zubehörteile einWer auf der Suche nach einem günstigen Fahrzeug oder der richtigen Komponente für seinen fahrbaren Untersatz ist, der findet bei uns unter Motorroller.de bestimmt das entsprechende Element. Es existieren mittlerweile passendes Zubehör, Artikel und Teile für rund 250 Hersteller und 8500 Typen in unserem Versandlager, die nur auf Ihre Bestellung warten. Darunter sind beispielsweise Lieferanten wie Adly, Yamaha, Kreidler oder Jonway zu finden. Auf einer Lagerfläche von über 1.000 m² haben wir in unseren Hochregalen zirka 500.000 Produkte zahlreicher Anbieter im Sortiment. Alles was Sie als Rollerfahrer benötigen, finden Sie in unserer Zubehörabteilung. Das beginnt bei den Handschuhen, Nierengürteln und Regensets, und geht bis hin zu den Windschildern über die Schutzhelme und das Top Case.In unserem Tuningbereich halten wir für alle sportlichen Fahrer ebenfalls einige ausgewählte Artikel bereit. Hierzu zählen zum Beispiel Kolben, Auspuffanlagen, Zylinder und dergleichen Dinge.Was passiert nach erfolgter Produktion?Kein Produkt verlässt unser Unternehmen, ehe es nicht auf einwandfreie Qualität kontrolliert worden ist. Dies bedeutet, ehe ein Roller ausgeliefert respektive vom Kunden abgeholt wird, testen wir ihn letztlich nochmals gründlich auf etwaige Mängel bzw. Transportschäden. Vor dem Versand wird zuerst jeden Motorroller ausgepackt und auf unserem Zweirad-Prüfstand einem Testlauf unterzogen. Bei dem gelieferten Fahrzeug wird nach der Anlieferung beim Kunden am Ende erneut ein Funktionstest durchgeführt. Dadurch ist eine einwandfreie Nutzung des Gefährts de facto garantiert.Schutz unserer UmweltDer Schutz unserer Umwelt liegt uns besonders am Herzen. Unsere motorisierten Zweiräder besitzen einerseits allesamt einen sparsamen Motor. Die Transportverpackung, die bei der Auslieferung Motorroller anfällt, nehmen wir ohne Frage wieder mit, um sie einer fachgemäßen Müllentsorgung zuzuführen - auch das gehört für uns zu einer sauberen Umwelt.Roller-AnkaufSie haben einen neuen Motorroller bei uns gekauft und wollen Ihren ausgedienten fahrbaren Untersatz loswerden? Zerbrechen Sie sich darüber nicht den Kopf! Wir kaufen Ihren alten Roller an.Haben Sie immer noch Bedenken?Für den Fall, dass wir von Ihnen die Möglichkeit dazu bekommen, können wir Ihnen unsere Leistungen auch beweisen. Wir gehören nicht zu den billigen Verkaufsshops, die wie Eintagsfliegen heute kommen und nach kurzer Zeit wieder unauffindbar sind. In unserem stetig wachsenden Unternehmen steht ständiges Lernen sowie die Anpassung an neue Technologien in der Rangordnung ganz oben, weil wir davon überzeugt sind, dass sich lediglich durch neue Ideen und zeitgemäße Innovationen das Know-how für eine solide geschäftliche Ausgangsbasis bilden lässt. Sie können sich selber von unserem herausragenden Service überzeugen, falls Sie uns an unserem Betriebsstandort in Lindenfels-Eulsbach besuchen.Wie finden Sie unser Unternehmen?Zirka 60 km im Süden von Frankfurt/Main liegt Lindenfels im Regierungsbezirk Darmstadt. Sofern Sie mit dem PKW anreisen, erreichen Sie den Ort per Autobahn entweder von Norden über Frankfurt/Main (A6) oder von Süden über Mannheim (A8). Logischerweise kann man auf Grund der guten Verkehrsanbindung auch ganz bequem per Bahn anreisen.Unsere TopmarkenUnsere TopmarkenHinweise zu: Ersatzzylinderkopf

Verkaufspreis:
Nicht verfügbar
176,76 € Regulärer Preis: 203,27 €
Rabatt
Blechschraube ST4.2x13mm Kreuzschraube Scooter GB-T845.II Motorroller.de Kreuzschlitzschraube Blech-Schraube Treibschraube Moped Ersatzteil Service
Blechschraube ST4.2x13mm Kreuzschraube Scooter GB-T845.II Motorroller.de Kreuzschlitzschraube Blech-Schraube Treibschraube Moped Ersatzteil Service

zu Artikel: Blechschraube ST4.2x13mm GB/T845.II Blechschraube ST4.2x13mmTechnik-InfoBlechschraubeBlech-Schraube, Treib-Schraube, Kreuz-Schraube, Kreuzschraube, Schraube, Treibschraube, Blechschraube, KreuzschlitzschraubeHier handelt es sich um ein Standard-Ersatzteil in erstklassiger Qualität. Die Teile werden einer ständigen Qualitätssicherung unterzogen, zu Ihrer und unserer Zufriedenheit.Dieser Artikel passt bei vielen Modellen, unter anderem für: bundesweiter Versand, Bitte vergleichen Sie mit ihren Fahrzeugpapieren, AGM DF 50QT-6, bundesweiter Home-Service, gerne können Sie uns eine Email-Anfrage senden, motorroller.de ihr Roller-ExperteKostenloser Versand   Bei Ersatzteilen für jeden zusätzlichen Artikel mit den gleichen Versandkriterien, den Sie von uns kaufen.Unsere Ersatzteile für ihren Motorroller bzw. Scooter oder auch Roller können Sie bequem online in unserem Shop kaufen. Egal ob sie Ihren Roller im Kaufhaus oder im Baumarkt gekauft haben, für alle gängigen China-, Taiwan-, oder Europa-Roller finden Sie bei uns passende Bauteile, insbesondere für die Motoren 50 cc, 125 cc, 250 ccm, 4-Takt, 2-Takt und für größere Leistungen. Speziell für die Motorentypen 139QMB, 139QMA, JSD139QMB ,139FMB , GY6 ,152QMI, 157QMI ,1E40QMB, 1E40QMA ,153FMI, 156FMI ,157QMJ, 158MJ ,125-4T6M ,164FML ,150QMG in kurzen und langen Versionen in den Normen Euro1, Euro2, Euro3 sowie die neuen Euro 4 Einspritzer-Motoren finden Sie hochqualitative Ersatzteile. Gerne können Sie auch per Email nach Ersatzteilen anfragen. Bei Bestellwerten über 100 Euro können Sie auch unseren Finanzierungs- bzw. Ratenkauf-Service nutzen. Beim Kauf von Fahrzeugen können wir Ihnen auch ein Leasing-Angebot unterbreiten, das bietet sich insbesondere für Firmen an, die Betriebsfahrzeuge anschaffen, oder ihren Mitarbeitern ein Fahrzeug zur Verfügung stellen. Bitte fragen Sie an.

Verkaufspreis:
Nicht verfügbar
1,99 € Regulärer Preis: 2,29 €
Rabatt
Kreidler Florett RMC-E 50 Tankanzeige Füllanzeige Kraftstofftank 87393 Benzinstandgeber Kraftstoffstandgeber Tankschwimmer Tankgeber
Kreidler Florett RMC-E 50 Tankanzeige Füllanzeige Kraftstofftank 87393 Benzinstandgeber Kraftstoffstandgeber Tankschwimmer Tankgeber

zu Artikel: Kraftstoffanzeigeeinheit 87393 KraftstoffanzeigeeinheitTechnik-InfoKraftstoffanzeigeeinheitBenzinstandsanzeige, Kraftstoffanzeige, Tankanzeige, Benzinstandanzeige, Spritanzeige, Benzinstand-Anzeige, Kraftstoff-Anzeige, Tank-Anzeige, Sprit-Anzeige, Tankuhr, Benzinanzeige, Benzintankanzeige, Füllanzeige, Füllstandgeber, KraftstoffanzeigeeinheitDieser Artikel passt bei vielen Modellen, unter anderem für: Rex Silverstreet , Rex RS 250 QM50T 10A-BGeprüfte beste Erstausrüsterqualität sehr gute Verarbeitung günstiger Preis Direktimport Kauf 100% ohne Risiko vom TopsellerUnsere Ersatzteile für ihren Roller bzw. Scooter oder auch Motorroller können Sie bequem online in unserem Shop kaufen. Egal ob sie Ihren Roller im Kaufhaus oder im Baumarkt gekauft haben, für alle gängigen China-, Europa-, oder Taiwan-Roller finden Sie bei uns passende Bauteile, insbesondere für die Motoren 50 cc, 125 cc, 250 ccm, 4takt, 2takt und für größere Leistungen. Speziell für die Motorentypen 157QMJ, 158MJ ,153FMI, 156FMI ,1E40QMB, 1E40QMA ,164FML ,152QMI, 157QMI ,125-4T6M ,139QMB, 139QMA, JSD139QMB , GY6 ,139FMB ,150QMG in kurzen und langen Versionen in den Normen Euro1, Euro2, Euro3 sowie die neuen Euro 4 Einspritzer-Motoren finden Sie Ersatzteile von hoher Qualität. Gerne können Sie auch per Email nach Ersatzteilen anfragen. Bei Bestellwerten über 100 Euro können Sie auch unseren Ratenkauf- bzw. Finanzierungs-Service nutzen. Beim Kauf von Fahrzeugen können wir Ihnen auch ein Leasing-Angebot unterbreiten, das bietet sich insbesondere für Firmen an, die Betriebsfahrzeuge anschaffen, oder ihren Mitarbeitern ein Fahrzeug zur Verfügung stellen. Wir freuen uns auf Ihre Anfrage.

Verkaufspreis:
Verfügbar
15,31 € Regulärer Preis: 17,61 €
Rabatt
Adly Lenkerschalter links GK 125 Lenkerarmatur 125ccm 4Takt Motorroller.de 125ccm-4Takt Buggy Ersatzteil Service Inpektion Direktimport
Adly Lenkerschalter links GK 125 Lenkerarmatur 125ccm 4Takt Motorroller.de 125ccm-4Takt Buggy Ersatzteil Service Inpektion Direktimport

zu Artikel: Lenkerschalter links Lenkerarmatur 35200-168-00A Lenkerschalter linksTechnik-InfoLenkerschalterSchalter, Lenkerarmatur, LenkerschalterDieser Artikel passt bei vielen Modellen, unter anderem für: bundesweiter Home-Service, motorroller.de ihr Roller-Experte, Adly GK 125, gerne können Sie uns eine Email-Anfrage senden, Bitte vergleichen Sie mit ihren Fahrzeugpapieren, bundesweiter VersandQuer über den Globus hat dieser Hersteller einen guten Namen bezüglich Qualität. Kostenloser Versand   Bei Ersatzteilen für jeden zusätzlichen Artikel mit den gleichen Versandkriterien, den Sie von uns kaufen.Unsere Ersatzteile für ihren Motorroller bzw. Roller oder auch Scooter können Sie bequem online in unserem Shop kaufen. Egal ob sie Ihren Roller im Kaufhaus oder im Baumarkt gekauft haben, für alle gängigen Taiwan-, Europa-, oder China-Roller finden Sie bei uns passende Bauteile, insbesondere für die Motoren 50 cc, 125 cc, 250 ccm, 4-Takt, 2-Takt und für größere Leistungen. Speziell für die Motorentypen 139FMB ,153FMI, 156FMI ,157QMJ, 158MJ ,125-4T6M ,152QMI, 157QMI ,150QMG ,164FML ,139QMB, 139QMA, JSD139QMB , GY6 ,1E40QMB, 1E40QMA in kurzen und langen Versionen in den Normen Euro1, Euro2, Euro3 sowie die neuen Euro 4 Einspritzer-Motoren finden Sie Ersatzteile von hoher Qualität. Gerne können Sie auch per Email nach Ersatzteilen anfragen. Bei Bestellwerten über 100 Euro können Sie auch unseren Finanzierungs- bzw. Ratenkauf-Service nutzen. Beim Kauf von Fahrzeugen können wir Ihnen auch ein Leasing-Angebot unterbreiten, das bietet sich insbesondere für Firmen an, die Betriebsfahrzeuge anschaffen, oder ihren Mitarbeitern ein Fahrzeug zur Verfügung stellen. Bitte fragen Sie an.

Verkaufspreis:
Kurzfristig lieferbar
53,43 € Regulärer Preis: 61,44 €
Rabatt
AGM Firejet 50 Variomatikhülse 1E40QMB 25 km/h 50ccm 2Takt 31230601-02-B-25 Motorroller.de Variobuchse Variohülse Reglerhülse Roller Ersatzteil
AGM Firejet 50 Variomatikhülse 1E40QMB 25 km/h 50ccm 2Takt 31230601-02-B-25 Motorroller.de Variobuchse Variohülse Reglerhülse Roller Ersatzteil

zu Artikel: Variomatik Buchse / Reglerhülse mit.10mm Anschl. 21x16x38mm 2-Takt 50 ccm 1E40QMB Technik-InfoVariohülseVariomatikhülse, Buchse Variomatik, Variomatikhuelse, Führungshülse, Fuehrungshuelse, Reglerhülse, Reglerhuelse, Variohülse, Variohuelse, Variomatikbuchse, Variomatik-Buchse, Variomatik-Hülse, Variomatik-Huelse, Führungs-Hülse, Fuehrungs-Huelse, Regler-Hülse, Regler-Huelse, Distanzbuchse, Distanz-Buchse, Distanzhülse, Distanz-Hülse, Führungsbuchse, Führungs-Buchse, Lagerbuchse, Fuehrungsbuchse, Buchse Kostenloser Versand   Bei Ersatzteilen für jeden zusätzlichen Artikel mit den gleichen Versandkriterien, den Sie von uns kaufen.Unsere Ersatzteile für ihren Motorroller bzw. Scooter oder auch Roller können Sie bequem online in unserem Shop kaufen. Egal ob sie Ihren Roller im Kaufhaus oder im Baumarkt gekauft haben, für alle gängigen China-, Europa-, oder Taiwan-Roller finden Sie bei uns passende Bauteile, insbesondere für die Motoren 50 cc, 125 cc, 250 ccm, 4takt, 2takt und für größere Leistungen. Speziell für die Motorentypen 150QMG ,139FMB ,139QMB, 139QMA, JSD139QMB ,153FMI, 156FMI ,1E40QMB, 1E40QMA , GY6 ,152QMI, 157QMI ,125-4T6M ,164FML ,157QMJ, 158MJ in kurzen und langen Versionen in den Normen Euro1, Euro2, Euro3 sowie die neuen Euro 4 Einspritzer-Motoren finden Sie qualitativ erstklassige Ersatzteile. Gerne können Sie auch per Email nach Ersatzteilen anfragen. Bei Bestellwerten über 100 Euro können Sie auch unseren Ratenkauf- bzw. Finanzierungs-Service nutzen. Beim Kauf von Fahrzeugen können wir Ihnen auch ein Leasing-Angebot unterbreiten, das bietet sich insbesondere für Firmen an, die Betriebsfahrzeuge anschaffen, oder ihren Mitarbeitern ein Fahrzeug zur Verfügung stellen. Bitte fragen Sie an.

Verkaufspreis:
Verfügbar
8,99 € Regulärer Preis: 10,34 €
Rabatt
Führung Lenker Motorroller 125ccm 4Takt Rex 125 87711
Führung Lenker Motorroller 125ccm 4Takt Rex 125 87711

zu Artikel: Führung 87711 Technik-InfoFührungBewegungsfuehrung, Fuehrung, Führung, Bewegungsführung, Gleitführung Die Marke Rex ist eine der meistverkauften in Deutschland. Durch ständige Qualitätskontrollen vorort beim Hersteller ist ein hoher Standard gewährleistet.Kostenloser Versand   Bei Ersatzteilen für jeden zusätzlichen Artikel mit den gleichen Versandkriterien, den Sie von uns kaufen.Für ihren Roller bzw. Motorroller oder auch Scooter können Sie die Ersatzteile bequem online in unserem Shop kaufen. Egal wo sie Ihren Roller gekauft haben, Sie finden die passenden Ersatzteile in unserem Shop. Besonders für alle gängigen Europa-, China-, oder Taiwan-Roller haben wir passende Bauteile, vor allem für die Motoren 50 cc, 125 cc, 250 ccm, 2takt, 4takt und für größere Leistungen. Die Motorentypen 139QMB, 139QMA, 1E40QMB, 152QMI, 157QMI, GY6, 125-4T6M, 139FMB, 153FMI, 156FMI, 157QMJ, 158MJ, 164FML, 1E40QMA, JSD139QMB, 150QMG in kurzen und langen Versionen in den Normen Euro1, Euro2, Euro3 sowie die neuen Euro 4 Einspritzer-Motoren sind meist in diesen Modellen verbaut, und bei uns finden Sie qualitativ hochwertige Ersatzteile. Wenn Sie mal was nicht finden können Sie auch per Email nach Ersatzteilen anfragen. Ab Bestellwerten über 100 Euro bieten wir Ihnen unseren Finanzierungs- bzw. Ratenkauf-Service an. Beim Kauf von Fahrzeugen besteht die Möglichkeit der Finanzierung oder des Leasings. Speziell für Firmen, die Betriebsfahrzeuge anschaffen, oder ihren Mitarbeitern ein Fahrzeug zur Verfügung stellen, ist die eine interessante Alternative.

Verkaufspreis:
Nicht verfügbar
3,89 € Regulärer Preis: 4,47 €