Zum Hauptinhalt springen Zur Suche springen Zur Hauptnavigation springen
Menü
efr
erf
rrrf
Schnell lieferbar
14 Tage Rückgaberecht
Schneller DPD Versand

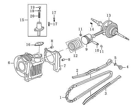
zu Artikel: Steuerkettenschiene unten 4T 86126

Steuerkettenschiene unten 4T

Technik-Info

Steuerkettenschiene

auch zu finden unter: Steuerkettenspannerschiene, Steuerkettenschiene, Führungsschiene, Fuehrungsschiene, Schiene, Kettenführung, Kettenfuehrung, Steuerkettenführung, Steuerkettenfuehrung, Steuerketten-Schiene, Führungs-Schiene, Fuehrungs-Schiene, Ketten-Führung, Ketten-Fuehrung, Steuer-Kettenführung, Steuer-Kettenfuehrung, Steuerkettenspannschiene

Die Steuerkettenschiene sorgt für einen ruhigen Lauf der Steuerkette. Sonst könnte die Steuerkette durch die Motorvibration aufschwingen und von den Kettenrädern rutschen. Gleichzeitig vermindert sie dadurch auch den Verschleiß der Steuerkette.

Dieser Artikel passt bei vielen Modellen, unter anderem für:

Kreidler Galactica 2.0 50 DD City Kreidler Hiker 2.0 50 DD Kreidler Hiker 50 DD Kreidler Jigger 50 City Kreidler MONACO 50 Race / Urban Kreidler MONZA 50 Race / Urban (Fin: WS1 od. L8Y) Kreidler RS 500 Rex Capriolo 50 4T Rex Imola 50 Rex Imola 50 Race/Urban Rex Milano 50 Rex Monaco 50 Rex Monaco 50 Race Urban Rex Monza 50 Fin: L5Y Rex RS 400 Rex RS 450 Rex RS 450 OFF-LIMIT/TRIBAL-Scooter/CAPRIOLO 50 QM50QT-6A Rex RS 460 Rex RS 460 BOSTON 8 Rex RS 460 Mofaroller 4-T Rex RS 500 Rex RS 500 QM50QT 6A-AQINGQI Rex RS 600 QM50QT-2 Rex RS 700 QM50QT-10A Rex RS 750 Rex RS 900 QM50T 10A-A Rex RS Classic 50

Die Marke Rex ist eine der meistverkauften in Deutschland. Durch ständige Qualitätskontrollen vorort beim Hersteller ist ein hoher Standard gewährleistet.

Geprüfte Erstausrüsterqualität sehr gute Verarbeitung günstiger Preis Direktimport Kauf 100% ohne Risiko vom Topseller

Unsere Ersatzteile für ihren Scooter bzw. Motorroller oder auch Roller können Sie bequem online in unserem Shop kaufen. Egal ob sie Ihren Roller im Baumarkt oder im Kaufhaus gekauft haben, für alle gängigen Taiwan-, Europa-, oder China-Roller finden Sie bei uns passende Bauteile, insbesondere für die Motoren 50 cc, 125 cc, 250 ccm, 2takt, 4takt und für größere Leistungen. Speziell für die Motorentypen 164FML ,157QMJ, 158MJ ,139FMB ,152QMI, 157QMI ,150QMG ,1E40QMB, 1E40QMA ,139QMB, 139QMA, JSD139QMB , GY6 ,125-4T6M ,153FMI, 156FMI in kurzen und langen Versionen in den Normen Euro1, Euro2, Euro3 sowie die neuen Euro 4 Einspritzer-Motoren finden Sie Ersatzteile von hoher Güte. Gerne können Sie auch per Email nach Ersatzteilen anfragen. Bei Bestellwerten über 100 Euro können Sie auch unseren Finanzierungs- bzw. Ratenkauf-Service nutzen. Beim Kauf von Fahrzeugen können wir Ihnen auch ein Leasing-Angebot unterbreiten, das bietet sich insbesondere für Firmen an, die Betriebsfahrzeuge anschaffen, oder ihren Mitarbeitern ein Fahrzeug zur Verfügung stellen. Ihre Anfrage nehmen wir gerne entgegen

Artikelposition in Explosionszeichnung: 3

Baugruppe: Motor

Position: unten

Ersatzteil: Kettenspanner

Motorroller bequem online kaufen – von der Bestellung bis zur Lieferung


Mobiler Home Service – Bundesweit Inspektionen und Reparaturen


Motorroller.de – Über uns – Ihr Support vom Profi seit 1993

Ihr Finanzierungsplan**
Monate Rate mtl. Gesamt
6039,67 €2.380,49 €
12157,59 €1.891,14 €

Einfach im Bestellvorgang die Expokredit-Finanzierung als Zahlungsweise auswählen ...

  • Jinan Qingqi Capriolo 50
  • Jinan Qingqi Rex RS 450
  • Jinan Qingqi REX RS 600 QM50QT-2
  • Jinan Qingqi REX RS 700 QM50QT-10A
  • Jinan Qingqi REX RS 900 QM50T 10A(A)
  • Jinan Qingqi RS 450
  • Jinan Qingqi RS 700
  • Jinan Qingqi RS 900
  • Jinan Qingqi RS 900 QM50T 10A
  • Jonway 139QMB
  • Jonway Boston 8 Mofaroller
  • Jonway Imola 50 Race/Urban
  • Jonway Jigger 50 City
  • Jonway Milano 50
  • Jonway Monza 50 Race Urban
  • Jonway REX Monaco 50 Race/Urban
  • Jonway Rex RS 460
  • JONWAY Rex RS 500
  • Jonway Rex RS Classic
  • Jonway RS 400
  • Jonway RS 750
  • Jonway RS Classic
  • Jonway Unser Norden Mofaroller
  • Jonway Unser Norden Mokickroller
  • Kreidler Flory 50 50 km/h Roller
  • Kreidler Galactica 2.0 50 DD City
  • Kreidler Hiker 2.0 50 DD
  • Kreidler Jigger 50 City
  • Kreidler MONACO 50 Race / Urban
  • Kreidler MONZA 50 Race / Urban (Fin: WS1 od. L8Y)
  • Kreidler RS 500
  • Rex Capriolo 50 4T
  • Rex Imola 50
  • Rex Imola 50 Race/Urban
  • Rex Milano 50
  • Rex Monaco 50
  • Rex Monaco 50 Race Urban
  • Rex Monza 50 Fin: L5Y
  • Rex Off Limit
  • Rex RS 400
  • Rex RS 425 Mofaroller 4-T
  • Rex RS 450
  • Rex RS 450
  • Rex RS 450 QM50QT-6A CAPRIOLO 50
  • Rex RS 460
  • Rex RS 460 BOSTON 8
  • Rex RS 460 BOSTON 8
  • Rex RS 460 Mofaroller 4-T
  • Rex RS 500
  • Rex RS 500 QM50QT 6A-AQINGQI
  • Rex RS 600 QM50QT-2
  • Rex RS 700 QM50QT-10A
  • Rex RS 750
  • Rex RS 900 QM50T 10A-A
  • Rex RS Classic 50
Produktgalerie überspringen

Kunden haben sich ebenfalls angesehen

Rabatt
Adly Dichtring Bremssattel GK 125 Dichtung Buggy 125ccm 4Takt Motorroller.de Bremssatteldichtung Abdichtung 152QMI Ersatzteil Service Inpektion
Adly Dichtring Bremssattel GK 125 Dichtung Buggy 125ccm 4Takt Motorroller.de Bremssatteldichtung Abdichtung 152QMI Ersatzteil Service Inpektion

zu Artikel: Dichtring Bremssattel 45042-168-000Dichtring BremssattelTechnik-InfoDichtring Bremssattelauch zu finden unter: Dichtring Bremssattel, Dichtung Bremssattel, Abdichtung Bremssattel, BremssatteldichtungDichtringe, O-Ringe oder Null-Ringe sind ringförmige Dichtungselemente. Der Name leitet sich vom O-förmigen Querschnitt ab. Alle unsere Dichtringe sind in Erstausrüster-Qualität.Dieser Artikel passt bei vielen Modellen, unter anderem für:Adly Her Chee GK 125 Kostenloser Versand   Bei Ersatzteilen für jeden zusätzlichen Artikel mit den gleichen Versandkriterien, den Sie von uns kaufen.

Verkaufspreis:
Verfügbar
4,95 € Regulärer Preis: 5,69 €
Rabatt
Bolzen Rex RS700 Stehbolzen Gewindebolzen Zapfen 50ccm 4Takt Motorroller.de Gewindestift Arretierbolzen Stiftschraube Gewinde-Stift Gewinde-Bolzen
Bolzen Rex RS700 Stehbolzen Gewindebolzen Zapfen 50ccm 4Takt Motorroller.de Gewindestift Arretierbolzen Stiftschraube Gewinde-Stift Gewinde-Bolzen

zu Artikel: Bolzen 87367 Technik-InfoBolzenBolzen, Gewindestift, Gewindebolzen, Stehbolzen, Stiftschraube, Arretierbolzen, Zapfen, Stift-Schraube, Gewinde-Bolzen, Steh-Bolzen, Gewinde-Stift Bolzen sind Standard-Bauteile, an denen oder mit denen andere Fahrzeug- oder Maschinenbauteile befestigt werden. Auch hier ist darauf zu achten, dass die Dimension und die Stahl-Beschaffenheit für die jeweilige Aufgabe / Funktion entsprechend ausgelegt ist. Wir liefern immer die passenden Bolzen in Erstausrüster-Qualität.Die Marke Rex ist eine der meistverkauften in Deutschland. Durch ständige Qualitätskontrollen vorort beim Hersteller ist ein hoher Standard gewährleistet.Kostenloser Versand   Bei Ersatzteilen für jeden zusätzlichen Artikel mit den gleichen Versandkriterien, den Sie von uns kaufen.Unsere Ersatzteile für ihren Motorroller bzw. Scooter oder auch Roller können Sie bequem online in unserem Shop kaufen. Egal ob sie Ihren Roller im Kaufhaus oder im Baumarkt gekauft haben, für alle gängigen Europa-, Taiwan-, oder China-Roller finden Sie bei uns passende Bauteile, insbesondere für die Motoren 50 cc, 125 cc, 250 ccm, 2takt, 4takt und für größere Leistungen. Speziell für die Motorentypen GY6 ,125-4T6M ,139QMB, 139QMA, JSD139QMB ,153FMI, 156FMI ,139FMB ,152QMI, 157QMI ,150QMG ,1E40QMB, 1E40QMA ,157QMJ, 158MJ ,164FML in kurzen und langen Versionen in den Normen Euro1, Euro2, Euro3 sowie die neuen Euro 4 Einspritzer-Motoren finden Sie Ersatzteile von bewährter Qualität. Gerne können Sie auch per Email nach Ersatzteilen anfragen. Bei Bestellwerten über 100 Euro können Sie auch unseren Ratenkauf- bzw. Finanzierungs-Service nutzen. Beim Kauf von Fahrzeugen können wir Ihnen auch ein Leasing-Angebot unterbreiten, das bietet sich insbesondere für Firmen an, die Betriebsfahrzeuge anschaffen, oder ihren Mitarbeitern ein Fahrzeug zur Verfügung stellen. Ihre Anfrage nehmen wir gerne entgegen

Verkaufspreis:
Nicht verfügbar
2,59 € Regulärer Preis: 2,98 €
Rabatt
Kolben 39mm 4T 50cc und Kurbelwelle Motorroller 86106
Kolben 39mm 4T 50cc und Kurbelwelle Motorroller 86106

zu Artikel: Kolben 39mm 4Takt 50ccm 86106Kolben mit Ventiltaschen D39mm Bolzendurchmesser 13mmTechnik-InfoKolben mit Ventiltaschenauch zu finden unter:Kolben mit Ventiltaschen, KolbenKolben für Hubkolbenmotoren werden heute überwiegend aus Aluminiumgusslegierungen gefertigt. Durch die hohe Beanspruchung an Druck und Temperatur ist es wichtig, dass der Kolben aus einer hochwertigen Legierung hergestellt wird, dies ist bei uns der Fall. Unsere Kolben sind in Erstausrüster-Qualität.Dieser Artikel passt bei vielen Modellen, unter anderem für:Kreidler Galactica 2.0 50 DD City Kreidler Hiker 2.0 50 DD Kreidler Hiker 50 DD Kreidler Jigger 50 City Kreidler MONACO 50 Race / Urban Kreidler MONZA 50 Race / Urban (Fin: WS1 od. L8Y) Kreidler RS 500 Rex Capriolo 50 4T Rex Imola 50 Rex Imola 50 Race/Urban Rex Milano 50 Rex Monaco 50 Rex Monaco 50 Race Urban Rex Monza 50 Fin: L5Y Rex RS 400 Rex RS 450 Rex RS 450 OFF-LIMIT/TRIBAL-Scooter/CAPRIOLO 50 QM50QT-6A Rex RS 460 Rex RS 460 BOSTON 8 Rex RS 460 Mofaroller 4-T Rex RS 500 Rex RS 500 QM50QT 6A-AQINGQI Rex RS 600 QM50QT-2 Rex RS 700 QM50QT-10A Rex RS 750 Rex RS 900 QM50T 10A-A Rex RS Classic 50Die Marke Rex ist eine der meistverkauften in Deutschland. Durch ständige Qualitätskontrollen vorort beim Hersteller ist ein hoher Standard gewährleistet.Geprüfte Erstausrüsterqualität beste Verarbeitung Best. Ware günstiger Preis Direktimport Kauf 100% ohne Risiko vom TopsellerUnsere Ersatzteile für ihren Roller bzw. Motorroller oder auch Scooter können Sie bequem online in unserem Shop kaufen. Egal ob sie Ihren Roller im Baumarkt oder im Kaufhaus gekauft haben, für alle gängigen China-, Europa-, oder Taiwan-Roller finden Sie bei uns passende Bauteile, insbesondere für die Motoren 50 cc, 125 cc, 250 ccm, 2takt, 4takt und für größere Leistungen. Speziell für die Motorentypen 164FML , GY6 ,139FMB ,150QMG ,153FMI, 156FMI ,1E40QMB, 1E40QMA ,139QMB, 139QMA, JSD139QMB ,152QMI, 157QMI ,125-4T6M ,157QMJ, 158MJ in kurzen und langen Versionen in den Normen Euro1, Euro2, Euro3 sowie die neuen Euro 4 Einspritzer-Motoren finden Sie hochqualitative Ersatzteile. Gerne können Sie auch per Email nach Ersatzteilen anfragen. Bei Bestellwerten über 100 Euro können Sie auch unseren Finanzierungs- bzw. Ratenkauf-Service nutzen. Beim Kauf von Fahrzeugen können wir Ihnen auch ein Leasing-Angebot unterbreiten, das bietet sich insbesondere für Firmen an, die Betriebsfahrzeuge anschaffen, oder ihren Mitarbeitern ein Fahrzeug zur Verfügung stellen. Bitte fragen Sie an.

Verkaufspreis:
Verfügbar
25,09 € Regulärer Preis: 28,85 €
Rabatt
Kreidler Martinique 125 DD Freie Antriebsscheibe 704949 Motorroller.de Reglerplatte Reglergehäuse Variomatik Varioscheibe
Kreidler Martinique 125 DD Freie Antriebsscheibe 704949 Motorroller.de Reglerplatte Reglergehäuse Variomatik Varioscheibe

zu Artikel: Freie Antriebsscheibe 704949 Freie AntriebsscheibeTechnik-InfoFreie AntriebsscheibeAntriebsscheibe, Spezial Freie Antriebsscheibe, Freie Antriebsscheibe Geprüfte Erstausrüsterqualität beste Verarbeitung Best. Ware günstiger Preis Direktimport Kauf 100% ohne Risiko vom TopsellerUnsere Ersatzteile für ihren Motorroller bzw. Roller oder auch Scooter können Sie bequem online in unserem Shop kaufen. Egal ob sie Ihren Roller im Kaufhaus oder im Baumarkt gekauft haben, für alle gängigen Europa-, Taiwan-, oder China-Roller finden Sie bei uns passende Bauteile, insbesondere für die Motoren 50 cc, 125 cc, 250 ccm, 2takt, 4takt und für größere Leistungen. Speziell für die Motorentypen 164FML ,153FMI, 156FMI ,139FMB ,152QMI, 157QMI ,150QMG ,1E40QMB, 1E40QMA ,157QMJ, 158MJ , GY6 ,125-4T6M ,139QMB, 139QMA, JSD139QMB in kurzen und langen Versionen in den Normen Euro1, Euro2, Euro3 sowie die neuen Euro 4 Einspritzer-Motoren finden Sie hochqualitative Ersatzteile. Gerne können Sie auch per Email nach Ersatzteilen anfragen. Bei Bestellwerten über 100 Euro können Sie auch unseren Finanzierungs- bzw. Ratenkauf-Service nutzen. Beim Kauf von Fahrzeugen können wir Ihnen auch ein Leasing-Angebot unterbreiten, das bietet sich insbesondere für Firmen an, die Betriebsfahrzeuge anschaffen, oder ihren Mitarbeitern ein Fahrzeug zur Verfügung stellen. Ihre Anfrage nehmen wir gerne entgegen

Verkaufspreis:
Verfügbar
49,90 € Regulärer Preis: 57,39 €
Rabatt
Rex Quad 50 Quadreifen AT 175/75-8 20N ATV 50ccm 2Takt 97524 Motorroller.de ab FG 516 19x7-8 ATV-Reifen Offroadreifen BuggyReifen Geländebereifung UTV
Rex Quad 50 Quadreifen AT 175/75-8 20N ATV 50ccm 2Takt 97524 Motorroller.de ab FG 516 19x7-8 ATV-Reifen Offroadreifen BuggyReifen Geländebereifung UTV

zu Artikel: Reifen AT19x7x8 20NReifenTechnik-InfoDer Artikel: ReifenMantel, Rollerreifen, Reifen, Allwetterreifen, Reifen Decke, Motorroller Reifen, Winterreifen, Sommerreifen, Sommer-Reifen, Winter-Reifen, Motorroller Winterreifen, Reifen Sommer Der Kontakt zu Mutter Erde wird über die Reifen erhalten. Für Zweiräder gibt es verschiedenen gesetzliche Mindestprofiltiefen. Bei Motorrädern ist die Mindestprofiltiefe 1,6 mm, bei leichtkrafträdern und Kleinkrafträdern (alles was nur ein kleines Mofakennzeichen braucht) ist es 1 mm.Die Marke Rex ist eine der meistverkauften in Deutschland. Durch ständige Qualitätskontrollen vorort beim Hersteller ist ein hoher Standard gewährleistet.Kostenloser Versand   Bei Ersatzteilen für jeden zusätzlichen Artikel mit den gleichen Versandkriterien, den Sie von uns kaufen.Unsere Ersatzteile für ihren Roller bzw. Motorroller oder auch Scooter können Sie bequem online in unserem Shop kaufen. Egal ob sie Ihren Roller im Kaufhaus oder im Baumarkt gekauft haben, für alle gängigen Taiwan-, China-, oder Europa-Roller finden Sie bei uns passende Bauteile, insbesondere für die Motoren 50 cc, 125 cc, 250 ccm, 4takt, 2takt und für größere Leistungen. Speziell für die Motorentypen 164FML ,139FMB ,152QMI, 157QMI ,150QMG ,1E40QMB, 1E40QMA ,139QMB, 139QMA, JSD139QMB , GY6 ,125-4T6M ,153FMI, 156FMI ,157QMJ, 158MJ in kurzen und langen Versionen in den Normen Euro1, Euro2, Euro3 sowie die neuen Euro 4 Einspritzer-Motoren finden Sie qualitativ hochwertige Ersatzteile. Gerne können Sie auch per Email nach Ersatzteilen anfragen. Bei Bestellwerten über 100 Euro können Sie auch unseren Ratenkauf- bzw. Finanzierungs-Service nutzen. Beim Kauf von Fahrzeugen können wir Ihnen auch ein Leasing-Angebot unterbreiten, das bietet sich insbesondere für Firmen an, die Betriebsfahrzeuge anschaffen, oder ihren Mitarbeitern ein Fahrzeug zur Verfügung stellen. Bitte fragen Sie an. Das defekte Teil auswechseln oder reparieren lassen?Gleichgültig, ob jemand einen Elektroroller beziehungsweise E-Roller, 3-Rad Roller oder Motorroller fährt, er stellt sich vermutlich häufig die Frage, ob sie ein defektes Teil austauschen oder reparieren lassen sollen. Überdies bietet ein Ersatzbauteil eine beträchtlich größere Ausfallsicherheit als eine Instandsetzung des Zweirads. Oft kann nur eine kompetente Werkstatt den Fehler auf Anhieb feststellen. Alternativ hat man auch die Option, sich für eines der fertigen Kits zu entscheiden, die wir in vielen unterschiedlichen Ausführungen im Sortiment haben. .Qualität ist unsere DeviseDie Qualität unserer Ersatzteile braucht auf dem Weltmarkt keine Mitbewerber zu scheuen. Wieso sind wir trotz hoher Qualität so günstig? Das liegt nicht allein an unserer Preiskalkulation, sondern vornehmlich daran, dass wir unsere Ersatzteile in großen Einheiten beziehen. Sämtliche lieferbaren Teile für Ihren Motorroller können Sie bei über unseren Onlineshop sowohl in guter Qualität als auch zu einem Preis bestellen, bei dem keine Wünsche offen bleiben.Einige Rollermarken wie Sundiro und Eppella werden schon lange nicht mehr hergestellt. Gleichwohl führen wir hierfür noch die Zubehörteile.Sie bekommen bei uns logischerweise auch die Originalteile vom Fahrzeughersteller. Sofern Sie andererseits Geld sparen möchten [und wer möchte das nicht], sollten Sie auf unsere Nachbauten zurückgreifen, welche im Übrigen einen qualitativen Vergleich zum Erstausrüster- Produkt nicht scheuen müssen, wenngleich sie generell beträchtlich billiger sind. Mit unseren Produkten können Sie die Reparatur an Ihrem fahrbaren Untersatz selber durchführen respektive auch von einem Fachmann machen lassen. Ohne Zweifel finden Sie keine bessere Alternative, in Verbindung mit der Reparatur Ihres motorisierten Zweirads, um Ihren Geldbeutel zu schonen.Mittels der Produktbilder ist das Bestellen des richtigen Zubehörs ein KinderspielIn unserem Online-Shop gibt es zahlreiches Bildmaterial, welches Sie dabei unterstützt, Ihr altes Austauschteil auf einfache Weise mit dem verfügbaren Ersatz zu vergleichen. Dadurch können Fehllieferungen zufolge inkorrekter Bestellungen bereits im Vorfeld ausgeschlossen werden. Dabei genügt nicht nur eine augenscheinliche Ähnlichkeit. Es müssen unter anderem sowohl die deklarierten Abmessungen als auch die deklarierten technischen Angaben zusammenpassen.Was Sie davon haben:Präzisionsfertigung nach DIN-NormKauf ohne Risiko dank "Geld zurück" - GarantieWir kaufen Ihren MotorrollerKurzfristige LieferzeitenSie zahlen nur einmal den Versand bei Bestellung mehrerer Komponenten mit denselben VersandvoraussetzungenEinbauelemente und Artikel für etwa 250 Marken und 8500 Typen auf LagerUnsere sämtlichen Erzeugnisse sind zuverlässig, kostengünstig sowie betriebssicherAbhol- und BringserviceAuch bei kostengünstigen Nachbauten bekommen Sie von uns ausschließlich die Erstausrüster-Qualitäthundertprozentige Verkehrssicherheit des Motorrollers, speziell bei den BremsenGanz gleich, ob Sie einen Motorroller, einen Straßenbuggy, ein Fun-Fahrzeug oder einen Quad erwerben wollen. Wir sind hierfür das Fachgeschäft Ihres Vertrauens. Warum sollten Sie sich an uns wenden? Weil wir uns in diesem Geschäftsbereich bereits seit Jahrzehnten etabliert haben und Sie folglich von unserem Erfahrungsreichtum profitieren können. Wir betreiben nicht nur unser Geschäft rund um die Roller, wir leben es richtiggehend.Weil Kaufen Vertrauenssache ist, sollte man sich deswegen das bevorzugte Fachgeschäft zuvor genau ansehen, bei dem man vorhat ein motorisiertes Zweirad zu erwerben. Bei uns ist alles rund um unser Unternehmen nachvollziehbar! Gerne können Sie uns im Ladengeschäft aufsuchen, um sich über uns eigenhändig ein Bild zu machen.Die Vertrauensbestätigung bekommen Sie dann gewissermaßen schwarz auf weiß vor Ort.Wenn Ihnen die Anfahrt zu uns zu weit ist, können Sie sich auch mittels des Trustedshops-Siegels und die verschiedenen Ebay Bewertungen schlau machen. Die Beurteilungen von Trustedshops sind generell nicht nur ungemein aussagekräftig, sondern auch hundertprozentig wertneutral. Sowohl der Online-Shop auf unserer Firmenwebseite Motorroller.de als auch unsere Geschäftspraxis wurden von dieser Institution bisher durchgängig mit "sehr gut" eingestuft. Auch bei Ebay liegen wir mit dem Faktor 99,9 % überdurchschnittlich im Rennen. All diese Ergebnisse lassen mit Sicherheit nur einen einzigen Schluss zu: Wir legen uns auf allen Gebieten immer mächtig ins Zeug!Denken Sie aber bitte daran, dass dort wo gearbeitet wird, auch mal Fehler passieren. Wir möchten Sie deswegen bitten, uns definitiv eine Möglichkeit zur Verbesserung zu geben, falls mal etwas schief gelaufen ist.Unser Fachgeschäft hat für Sie geöffnet: täglich von 8:00 - 18:00 Uhr, samstags von 9:00 - 13:00 Uhr.Seit vielen Jahren im Dienst unserer KundenBei uns ist der Kunde noch König. Mehr als 25 Jahre sind wir ausgesprochen Erfolg versprechend im Fahrzeuggeschäft tätig, wobei wir uns hingegen schon vor über fünfzig Jahren auf dem Gebiet des Maschinenbaus erfolgreich etabliert haben. Inzwischen haben wir uns außer dem Verkauf von Motorrollern, auf Ersatzteile, Fahrzeugzubehör und das "Must have" zur Steigerung der Motorleistung ausgerichtet.Unsere Produktauswahl umfasst circa 500.000 TeileWenn Sie zu Ihrem Roller ein Ersatzteil suchen, werden Sie auf unserer Internetseite unter Motorroller.de auf jeden Fall das entsprechende Element finden. Wir haben Einbauelemente, passendes Zubehör und Artikel für ungefähr 250 Fabrikate und 8500 Typen für Sie auf Lager. Zu unseren Lieferanten zählen beispielsweise so namhafte Hersteller wie Adly, Yamaha, Kreidler oder Jonway. Summa summarum haben wir auf einer Fläche von über 1.000 Quadratmeter mehr als 500.000 Produkte von zahlreichen Herstellern in unseren Hochregalen im Sortiment. Unsere Zubehörabteilung bietet demnach alles, was Sie als Rollerfahrer für Ihren fahrbaren Untersatz brauchen.Das beginnt bei den Handschuhen, Nierengürteln und Regensets, und geht bis hin zu den Windschildern über die Sturzhelme und das Top Case.Auch für alle Tuningfans bieten wir ausgewählte Produkte an, wie z.B. Auspuffanlagen, Zylinder, Kolben und andere Dinge Auspuffanlagen, Zylinder, Kolben und andere Dinge.Was geschieht im Anschluss an die Produktion?Regelmäßige Qualitätskontrollen sind das Steckenpferd unseres Unternehmens. Das heißt, sämtliche Motorroller, die das Herstellerwerk verlassen haben, werden von uns nochmals gründlich auf etwaige Fehler respektive Transportschäden untersucht, bevor wir sie in die Hände unserer Kunden übergeben. Das erste Mal geschieht dies vor dem Versand, indem wir jedes Fahrzeug auspacken und auf unserem computergesteuerten Zweirad-Prüfstand einem Testlauf beziehungsweise einer Übergabeinspektion unterziehen. Ehe der Kunde den Roller übernimmt, erfolgt noch ein abschließender Funktionscheck. Somit ist de facto garantiert, dass der neue Besitzer mit seiner Anschaffung 100-prozentig zufrieden ist.UmweltschutzWir bemühen uns sehr um den Schutz unserer Umwelt. Das sagen wir nicht bloß, weil unsere Motorroller grundsätzlich mit wirtschaftlichen Verbrennungsmotoren bestückt sind. Die Transportverpackung nehmen wir klarerweise wieder mit, um sie einer fachgerechten Müll-Entsorgung zuzuführen - auch das ist für uns ein Beitrag zu einer sauberen Umwelt.Wir nehmen Ihren ausgedienten Motorroller in ZahlungIhr alter Motorroller tut es nicht mehr richtig und Sie haben vor, bei uns ein neues Gefährt zu kaufen. Aber was tun mit dem Oldie? Seien Sie deswegen unbesorgt! Lassen Sie uns das übernehmen, indem wir Ihren gebrauchten Roller ankaufen.Wir konnten noch nicht alle Bedenken aus dem Weg räumen?Für den Fall, dass wir von Ihnen die Möglichkeit dazu erhalten, können wir Ihnen unsere fachlichen Qualitäten auch beweisen. Man darf uns nicht mit den vielen billigen Internet-Shops, die heute ihre Produkte anbieten und morgen bereits wieder weg sind, auf eine Stufe stellen. Die stabile Grundlage für ein erfolgreiches Unternehmen besteht darin, dass nur zufolge zeitgemäßer Innovationen und neuer Ideen ein nachhaltiges Wachstum gesichert werden kann. In Folge dessen stehen Fleiß und fortwährendes Lernen in unserem stetig wachsenden Betrieb fortwährend in der Rangordnung ganz oben. Sie können sich selber von unserem hervorragenden Kundenservice überzeugen, falls Sie uns an unserem Betriebsstandort in Lindenfels-Eulsbach besuchen.Wie kommen Sie auf einfache Weise zu uns nach Lindenfels?Lindenfels liegt im Regierungsbezirk Darmstadt, und zwar 40 km nordöstlich von Mannheim bzw. etwa 60 km im Süden von Frankfurt am Main. Sie fahren am besten von Norden her über die A6, während Sie aus südlicher Richtung die A8 nehmen. Logischerweise kann man anhand der guten Verkehrsanbindung auch sehr bequem per Bahn hinfahren.Unsere TopmarkenUnsere Topmarken

Verkaufspreis:
Nicht verfügbar
59,89 € Regulärer Preis: 68,87 €
Rabatt
Rückspiegel rechts rot Lenker Motorroller Rex 700904
Rückspiegel rechts rot Lenker Motorroller Rex 700904

zu Artikel: Rückspiegel rechts rot 700904 Technik-InfoRückspiegelRückspiegel, Rueckspiegel links / rechts, Spiegel links / rechts, Rückspiegel links / rechts, Rueckspiegel, Seitenspiegel links / rechts, Spiegel, Rück-Spiegel, Rueck-Spiegel, Spiegelsatz, Rückspiegelsatz, Rueckspiegelsatz, Spiegel-Set, Spiegelpaar Unsere Rückspiegel (rechts wie links oder paarweise) erhalten Sie in Originalform mit E-Prüfzeichen.Die Marke Rex ist eine der meistverkauften in Deutschland. Durch ständige Qualitätskontrollen vorort beim Hersteller ist ein hoher Standard gewährleistet.Kostenloser Versand   Bei Ersatzteilen für jeden zusätzlichen Artikel mit den gleichen Versandkriterien, den Sie von uns kaufen. Sie können unsere Ersatzteile für ihren Roller bzw. Motorroller oder auch Scooter bequem online in unserem Shop kaufen. Egal ob Kaufhaus-Roller oder im Baumarkt-Roller, für alle gängigen Europa-, China-, oder Taiwan-Roller finden Sie bei uns passende Bauteile. Speziell für die Motoren 50 cc, 125 cc, 250 ccm, 2takt, 4takt und für größere Leistungen. Speziell für die Motorentypen 139QMB, 139QMA, 1E40QMB, 152QMI, 157QMI, GY6, 125-4T6M, 139FMB, 153FMI, 156FMI, 157QMJ, 158MJ, 164FML, 1E40QMA, JSD139QMB, 150QMG in kurzen und langen Versionen in den Normen Euro1, Euro2, Euro3 sowie die neuen Euro 4 Einspritzer-Motoren finden Sie qualitativ hochwertige Ersatzteile. Gerne können Sie auch per Email nach Ersatzteilen anfragen. Ab Bestellwerten über 100 Euro bieten wir Ihnen unseren Finanzierungs- bzw. Ratenkauf-Service an. Beim Kauf von Fahrzeugen besteht die Möglichkeit der Finanzierung oder des Leasings. Speziell für Firmen, die Betriebsfahrzeuge anschaffen, oder ihren Mitarbeitern ein Fahrzeug zur Verfügung stellen, ist die eine interessante Alternative.

Verkaufspreis:
Nicht verfügbar
16,89 € Regulärer Preis: 19,42 €