Zum Hauptinhalt springen Zur Suche springen Zur Hauptnavigation springen
Menü
efr
erf
rrrf
Schnell lieferbar
14 Tage Rückgaberecht
Schneller DPD Versand

zu Artikel: Schlosssatz komplett

Der Schlosssatz

Schlosssatz komplett

Technik-Info

Schlosssatz

Zuendschlosssatz, Schlosssatz, Schlössersatz, Zündschlosssatz, Schlossgarnitur, Schloessersatz, Zündschloss, Zuendschloss, Schlossset, Tankdeckel, Tankverschluss, Zündschloss-Satz, Zuendschloss-Satz, Schloss-Garnitur, Schlösser-Satz, Schloesser-Satz, Schloss-Satz, Zünd-Schloss, Zuend-Schloss, Schloss-Set, Tank-Deckel, Tank-Verschluss, Zündschlosskit, Zuendschlosskit, Schlosskit, Schlosssatz

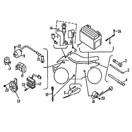
Schlosssatz , auch Schlössersatz, oder Zündschloss genannt besteht komplett in Erstausrüster-Qualität. Die preiswerte Alternative, wenn Schlüssel verlorengegangen/abgebrochen, oder Zünd-/Sitzbankschloss defekt sind. Egal was zutrifft, ein neuer Schlosssatz ist oft günstiger als eine Reparatur. Alle Gründe sprechen für einen neuen Schlosssatz, da die Originalteile oft sehr viel teurer sind um nur das defekte Einzelschloss auszutauschen. Das führt dann oft auch zu vielen verschiedenen Schlüsseln und bringt nur unnötige Komplikationen mit sich. Unsere Schlossätze entsprechen einem Schließsystem für alle im Fahrzeug befindlichen Schlösser, mit zwei neuen Schlüsseln. In der Regel kann das Schlosssystem ohne Anpassungsarbeiten ausgetauscht werden. Vor der Bestellung bitte Ihr altes System mit dem abgebildeten, angebotenen neuen Schlosssatzsystem vergleichen. Lieferumfang wie abgebildet. Änderungen auf Herstellerseite vorbehalten.

Dieser Artikel passt bei vielen Modellen, unter anderem für:

Bitte vergleichen Sie mit ihren Fahrzeugpapieren, Kreidler Mustang 250, Kreidler Mustang 170, Kreidler Mustang 200

Die Marke Rex ist eine der meistverkauften in Deutschland. Durch ständige Qualitätskontrollen vorort beim Hersteller ist ein hoher Standard gewährleistet.

Kostenloser Versand   Bei Ersatzteilen für jeden zusätzlichen Artikel mit den gleichen Versandkriterien, den Sie von uns kaufen.

Unsere Ersatzteile für ihren Roller bzw. Scooter oder auch Motorroller können Sie bequem online in unserem Shop kaufen. Egal ob sie Ihren Roller im Baumarkt oder im Kaufhaus gekauft haben, für alle gängigen Europa-, China-, oder Taiwan-Roller finden Sie bei uns passende Bauteile, insbesondere für die Motoren 50 cc, 125 cc, 250 ccm, 4takt, 2takt und für größere Leistungen. Speziell für die Motorentypen 152QMI, 157QMI ,150QMG ,1E40QMB, 1E40QMA ,139QMB, 139QMA, JSD139QMB , GY6 ,125-4T6M ,153FMI, 156FMI ,157QMJ, 158MJ ,139FMB ,164FML in kurzen und langen Versionen in den Normen Euro1, Euro2, Euro3 sowie die neuen Euro 4 Einspritzer-Motoren finden Sie Ersatzteile von hoher Qualität. Gerne können Sie auch per Email nach Ersatzteilen anfragen. Bei Bestellwerten über 100 Euro können Sie auch unseren Ratenkauf- bzw. Finanzierungs-Service nutzen. Beim Kauf von Fahrzeugen können wir Ihnen auch ein Leasing-Angebot unterbreiten, das bietet sich insbesondere für Firmen an, die Betriebsfahrzeuge anschaffen, oder ihren Mitarbeitern ein Fahrzeug zur Verfügung stellen. Wir freuen uns auf Ihre Anfrage.

Das defekte Bauteil besser gleich auswechseln oder reparieren lassen?

Diese Frage wird von Rollerfahrern immer wieder gestellt, gleichgültig, ob sie einen Motorroller, Dreirad-Roller oder Elektroroller bzw. E-Roller haben, sobald etwas an ihrem Zweirad fehlerhaft geworden ist. Ein neues Bauteil, das verhältnismäßig schnell ersetzt werden kann, ist nicht lediglich preisgünstiger, sondern bietet obendrein eine bedeutend größere Funktionssicherheit als bei einer Reparatur des Motorrollers. Bisweilen kann lediglich eine kompetente Fachwerkstatt den Defekt auf Anhieb entdecken. In dem Fall wäre es vernünftiger, über unserer Website eines der fertigen Ersatzteil-Kits zu ordern, welche wir in vielen unterschiedlichen Ausführungen in unserem Sortiment haben. .

Für Ihr Zweirad - erstklassige Qualitätsteile

Die Ersatzteile, die wir auf Lager haben, entsprechen in Bezug auf die Qualität zu 100 % dem Weltmarktniveau. Wir können nur deswegen so günstig sein, weil wir bei unseren Lieferanten sämtliche Teile in genügend großen Mengen einkaufen. Für den Fall, dass Ihr Zweirad einmal eine neue Komponente braucht, wenden Sie sich vertrauensvoll an uns. Sie erhalten bei uns stets beste Qualität zu einem günstigen Preis.

Einige Rollermarken wie Eppella und Sundiro werden schon seit langem nicht mehr hergestellt. Dennoch führen wir hierfür noch die Ersatzteile.

Wir haben logischerweise auch die Originalteile zahlreicher Rollertypen auf Lager, obwohl unsere Nachbauten mit den Originalen qualitativ auf alle Fälle mithalten können und trotzdem vom Preis her in der Regel um einiges billiger sind. Sie werden zweifelsohne keine bessere Alternative finden, um zu erschwinglichen Kosten Ihren Roller reparieren zu können.

Mithilfe der Abbildungen ist die Bestellung des gewünschten Zubehörs ein Kinderspiel

Auf unserer Internetseite finden Sie zahlreiches Bildmaterial, welches Sie dabei unterstützt, Ihr defektes Austauschteil ganz einfach mit dem verfügbaren Ersatz zu vergleichen. Hierdurch können Fehllieferungen wegen inkorrekter Bestellungen schon im Vorfeld verhindert werden. Es ist in diesem Fall relevant, dass die Komponente, welche Sie tauschen möchten, nicht bloß augenscheinlich, sondern auch in den Spezifikationen und Maßen mit Ihrer Bestellung zusammenpasst.

Ihre Vorteile:

Unser Lager umfasst Einbauteile und Zubehör für ca. 250 Marken und 8500 ModelleAbhol- und BringserviceKurze LieferzeitenSie zahlen beim Ordern mehrerer Teile mit identischen Versandkriterien nur einmal den VersandAlle unsere Produkte sind gebrauchstauglich, preisgünstig und langlebigSie erhalten von uns stets die Erstausrüster-Qualität - auch bei günstigen NachbautenISO-zertifizierte Präzisionsfertigung nach DIN-Norm100-prozentige Verkehrssicherheit des Rollers, besonders bei den BremsenKauf ohne Risiko dank "Geld zurück" - GarantieWir kaufen Ihr Zweirad

Egal, ob Sie einen Roller, einen Straßenbuggy, ein Fun-Fahrzeug oder einen Quad erwerben möchten. Wir sind dafür der Fachhändler Ihres Vertrauens. Wozu sollten Sie sich an uns wenden? Weil wir uns in diesem Geschäftsbereich schon seit Jahrzehnten etabliert haben und Sie demnach von unserer gewonnenen Erfahrung profitieren können. Im Unterschied zu einigen unserer Mitbewerber geben wir uns wirklich noch echte Mühe, unsere Kunden zufrieden zu stellen. Nicht lediglich beim Verkauf, sondern auch danach. Hierbei legen wir großen Wert auf einen möglichst perfekten Fahrzeugservice. Für unser Familienunternehmen ist das Geschäft rund um die Roller der gesamte Lebensinhalt.

Es ist notwendig, sich das Fachgeschäft demzufolge vorher genau anzusehen, bevor man sich für einen Kauf entscheidet. Bei uns ist alles uneingeschränkt transparent! Aus welchem Grund besuchen Sie uns nicht mal in unserem Ladengeschäft, um sich persönlich zu informieren?Den Beweis unserer guten Leistungen können Sie dann unmittelbar vor Ort herausfinden.

Potentielle Käufer, denen der Weg zu uns zu weit ist, können sich gerne durch das Trustedshops-Siegels und die zahlreichen Ebay Bewertungen über uns informieren. Sowohl unsere Geschäftspraxis als auch unser Online-Shop werden z.B. mit dem Trustedshops Gütesiegel "sehr gut" bewertet. Der Wert von rund 99, 9 Prozent bei Ebay in den Käuferbewertungen kann sich ebenso sehen lassen. Was demonstrieren all diese Resultate ganz offensichtlich? Dass wir in allen Belangen stets geben!!

Bitte denken Sie daran, dass wir keine Maschinen sondern auch nur Menschen sind, denen unter Umständen denen bisweilen etwas misslingen kann. Seien Sie aus dem Grund nicht gleich verärgert, wenn mal etwas schief läuft, sondern geben Sie uns die Möglichkeit, unseren Fehler wieder gut zu machen.

Unser gut geschultes Mitarbeiterteam steht Ihnen täglich zwischen 8:00 und 18:00 Uhr sowie samstags von 8:00 bis 13:00 Uhr zur Verfügung.

Über uns

Wir haben uns die Zufriedenheit unserer Kundschaft auf die Fahne geschrieben. Unsere Geschäftstätigkeit begann bereits vor über 50 Jahren mit dem Bau von Maschinen. Das Fahrzeuggeschäft mit motorisierten Zweirädern dagegen, betreiben wir inzwischen auch schon seit mehr als 25 Jahren äußerst erfolgreich. Unser Fokus ist gegenwärtig auf den Vertrieb von Ersatzteilen, Fahrzeugzubehör und das "Must have" zur Steigerung der Motorleistung für die meist gefahrenen Roller ausgerichtet.

Wir können zeitnah rund 500.000 Teile liefern

Wenn Sie zu Ihrem Motorroller ein Ersatzteil suchen, werden Sie auf unserer Webseite unter Motorroller.de mit Sicherheit fündig. In unserem Versandlager befinden sich für ca. 8500 Modelle und 250 Hersteller diverse Produkte als Zubehör, Einbauelemente und Artikel. Zum Beispiel arbeiten wir schon jahrelang mit Herstellern wie Jonway, Kreidler, Yamaha oder Adly zusammen. Es sind mehr als 500.000 Produkte von verschiedenen zahlreicher Anbieter, welche wir in unseren Hochregalen auf einer Lagerfläche von über 1.000 m² im Angebot haben. Unsere Zubehörabteilung bietet folglich alles, was Sie als Rollerfahrer für Ihr motorisiertes Zweirad benötigen.

Das beginnt bei den Nierengürteln, Handschuhen und Regensets, und geht bis hin zu den Sturzhelmen über das Top Case und den Windschildern.Auch für alle Tuningfans bieten wir ausgesuchte Produkte an, wie z.B. Kolben, Auspuffanlagen, Zylinder und dergleichen Dinge Kolben, Zylinder, Auspuffanlagen und dergleichen Dinge.

Direkt nach der Produktion

Keine Ware verlässt unser Haus, ehe sie nicht auf tadellose Qualität geprüft worden ist. Mit anderen Worten, sämtliche Fahrzeuge, die den Hersteller verlassen haben, werden von uns nochmals ausführlich auf eventuelle Mängel oder Transportschäden untersucht, ehe sie in die Hände unserer Kunden übergeben werden. Wenn die Roller bei uns ankommen, wird jedes einzelne Zweirad ausgepackt und zuallererst einer Sichtprüfung beziehungsweise einem Testlauf auf unserem computergesteuerten Prüfstand unterzogen. Ehe der Käufer den Motorroller übernimmt, erfolgt noch ein letzter Funktionscheck. Dadurch ist de facto gewährleistet, dass der Kunde mit seinem Kauf hundertprozentig zufrieden ist.

Umweltschutz

Wir bemühen uns sehr um den Umweltschutz. Einerseits sind unsere Zweiräder prinzipiell mit sparsamen Verbrennungsmotoren ausgestattet. Bei der Anlieferung unserer Roller fällt ausnahmslos Verpackungsmaterial an. Dieses nehmen wir logischerweise wieder zu einer professionellen Müll-Entsorgung wieder mit.

Roller-Ankauf

Sie planen, sich bei uns einen neuen Roller anzuschaffen und suchen für Ihren ausgedienten fahrbaren Untersatz einen neuen Besitzer? Seien Sie deswegen unbesorgt! Wir nehmen Ihren gebrauchten Motorroller gerne in Zahlung.

Wir konnten Ihre Skepsis trotz allem nicht beseitigen?

Dann geben Sie uns doch die Gelegenheit, Sie von der Qualität unserer Leistungen zu überzeugen. Wir sind kein billiger Internetshop, der heute seine Artikel anbietet und morgen bereits wieder von der Bildfläche verschwunden ist. Die solide Ausgangsbasis für einen erfolgreichen Betrieb besteht darin, dass nur anhand neuer Ideen und fortschrittlicher Innovationen ein nachhaltiges Wachstum gewährleistet werden kann. In Folge dessen stehen Fleiß und ständiges Lernen in unserem stetig expandierenden Unternehmen fortwährend in der Rangordnung ganz oben. Falls für Sie einmal die Möglichkeit besteht, einen Abstecher nach Lindenfels-Eulsbach zu machen, haben Sie die Gelegenheit, sich selbst in unserem Unternehmen von unserem vorzüglichen Service zu überzeugen.

So sind wir zu finden

Zirka 60 km im Süden von Frankfurt/Main findet man Lindenfels im Regierungsbezirk Darmstadt. Sofern Sie mit dem PKW anreisen, erreichen Sie den Ort per Autobahn von Norden über Frankfurt/Main (A6) beziehungsweise von Süden über Stuttgart, Karlsruhe und Mannheim (A8). Eine Anreise mit der Bahn ist klarerweise ebenso möglich.

Hinweise zu: Schlosssatz

Keine technischen Daten verfügbar.

Motorroller bequem online kaufen – von der Bestellung bis zur Lieferung


Mobiler Home Service – Bundesweit Inspektionen und Reparaturen


Motorroller.de – Über uns – Ihr Support vom Profi seit 1993

Ihr Finanzierungsplan**
Monate Rate mtl. Gesamt
6039,67 €2.380,49 €
12157,59 €1.891,14 €

Einfach im Bestellvorgang die Expokredit-Finanzierung als Zahlungsweise auswählen ...

  • Kreidler Mustang 170
  • Kreidler Mustang 200
  • Kreidler Mustang 250
  • Rex Quad 150
  • Rex Quad 150ccm (1-Zyl.)
  • Rex Quad 250ccm (2-Zyl.)
Produktgalerie überspringen

Kunden haben sich ebenfalls angesehen

Zündspule KC KCF Zündkabel 30413-165-000

Durchschnittliche Bewertung von 0 von 5 Sternen

Zündspule KC KCF Zündkabel 30413-165-000

zu Artikel: Zündspule KC KCFZündspüleZündspule KC KCFTechnik-InfoZündspuleZündmodul, Zündung, Kerzen-Stecker, Zünd-Modul, Zünd-Spule, Zünd-Kabel, Zuendspule, Zuendmodul, Zuendkabel, Zuendung, Zuend-Modul, Zuend-Spule, Zuend-Kabel, Zündspule, Zündkabel, KerzensteckerErsatzzündspule in Erstausrüster-Qualität zum Superpreis, die bei den meisten Rollern verwendet wird und sehr leicht ausgetauscht werden kann. Einfach gegen die Originalspule austauschen, fertig ist die Sache.Dieser Artikel passt bei vielen Modellen, unter anderem für: Bitte vergleichen Sie mit ihren Fahrzeugpapieren, bundesweiter Home-Service, motorroller.de ihr Roller-Experte, gerne können Sie uns eine Email-Anfrage sendenQuer über den Globus hat dieser Hersteller einen guten Namen bezüglich Qualität. Kostenloser Versand   Bei Ersatzteilen für jeden zusätzlichen Artikel mit den gleichen Versandkriterien, den Sie von uns kaufen.Unsere Ersatzteile für ihren Scooter bzw. Motorroller oder auch Roller können Sie bequem online in unserem Shop kaufen. Egal ob sie Ihren Roller im Baumarkt oder im Kaufhaus gekauft haben, für alle gängigen Taiwan-, Europa-, oder China-Roller finden Sie bei uns passende Bauteile, insbesondere für die Motoren 50 cc, 125 cc, 250 ccm, 4takt, 2takt und für größere Leistungen. Speziell für die Motorentypen 164FML ,157QMJ, 158MJ ,1E40QMB, 1E40QMA ,152QMI, 157QMI ,150QMG ,125-4T6M ,139QMB, 139QMA, JSD139QMB , GY6 ,139FMB ,153FMI, 156FMI in kurzen und langen Versionen in den Normen Euro1, Euro2, Euro3 sowie die neuen Euro 4 Einspritzer-Motoren finden Sie Ersatzteile von erstklassiger Qualität. Gerne können Sie auch per Email nach Ersatzteilen anfragen. Bei Bestellwerten über 100 Euro können Sie auch unseren Finanzierungs- bzw. Ratenkauf-Service nutzen. Beim Kauf von Fahrzeugen können wir Ihnen auch ein Leasing-Angebot unterbreiten, das bietet sich insbesondere für Firmen an, die Betriebsfahrzeuge anschaffen, oder ihren Mitarbeitern ein Fahrzeug zur Verfügung stellen. Bitte fragen Sie an. Reparieren oder tauschen - was ist die kostengünstigere Option?Diese Frage wird von Rollerbesitzern regelmäßig gestellt, gleichgültig, ob sie einen Motorroller, Elektroroller beziehungsweise E-Roller oder 3-Rad Roller ihr Eigen nennen, falls etwas an ihrem Zweirad kaputt geworden ist. Zudem bietet ein Ersatzelement eine deutlich größere Ausfallsicherheit als eine Reparatur des Zweirads. Häufig kann man die Ursache einer Funktionsstörung nicht sogleich selbst ermitteln und eine qualifizierte Werkstatt muss eruieren, wieso der Roller nicht richtig läuft. In dem Fall wäre es sinnvoller, über unserer Webseite eines der einbaufertigen Ersatzteil-Kits zu bestellen, welche wir in zahlreichen unterschiedlichen Ausführungen im Produktangebot haben. .Elemente von hoher QualitätDie Bauteile, welche wir im Sortiment haben, entsprechen in Bezug auf die Qualität zu 100 Prozent dem Weltmarktniveau. Wie kommt es, dass wir so günstig sein können? Die Antwort: Weil wir schon beim Einkauf auf entsprechend große Produktmengen wert legen. Bei uns kriegen Sie somit sämtliche lieferbaren Bauteile für Ihren Roller nicht bloß in guter Qualität, sondern auch zu einem erschwinglichen Preis.Auch für Motorroller, Quads und Buggys, die nicht mehr gefertigt werden, haben wir in der Regel die Bauteile auf Lager. So beispielsweise für die Marken Eppella und Sundiro.Wer möchte, erhält bei uns ohne Frage auch das Originalteil für seinen fahrbaren Untersatz. Die meisten greifen allerdings zufolge der guten Preise und der Erstausrüster-Qualität auf unsere Nachbauten zurück. Ganz gleich, ob Sie die Instandsetzung Ihres motorisierten Zweirads selber bewerkstelligen wollen oder besser in einer Fachwerkstätte durchführen lassen möchten, zweifelsohne liegen Sie mit unseren Teilen vollkommen richtig. Ohne Zweifel finden Sie keine andere Alternative, in Verbindung mit der Reparatur Ihres Zweirads, um einiges an Geld zu sparen.Es ist denkbar leicht, mit Hilfe der Bilder das richtige Ersatzteil zu bestellenAuf unserer Website existiert reichlich Bildmaterial, das Sie dabei unterstützt, Ihr altes Element auf einfache Weise mit dem lieferbaren Ersatz zu vergleichen. Damit können Falschlieferungen aufgrund fehlerhafter Bestellungen schon im Voraus verhindert werden. Entscheidend ist hier, dass Ihre Bestellung nicht nur augenscheinlich, sondern auch in den Spezifikationen und Abmessungen mit dem schadhaften Austauschteil übereinstimmt.Was Sie davon haben:hundertprozentige Verkehrssicherheit des Zweirads, besonders bei BremsanlagenUnsere sämtlichen Produkte sind preisgünstig, gebrauchstauglich und langlebigUnser Lager umfasst Komponenten und Zubehör für rund 250 Marken und 8500 ModelleISO-zertifizierte Präzisionsfertigung nach DIN-NormKurze LieferzeitenHol- und BringserviceWir kaufen Ihr FahrzeugSie bezahlen beim Ordern mehrerer Ersatzteile mit denselben Versandkriterien nur einmal den VersandKauf ohne Risiko dank "Geld zurück" - GarantieSie erhalten von uns ohne Ausnahme die Erstausrüster-Qualität - auch bei kostengünstigen NachbautenEs spielt keine Rolle, ob Sie einen Motorroller, ein Fun Fahrzeug, einen Buggy oder ein Quad kaufen möchten. Wir sind dafür das Fachgeschäft Ihres Vertrauens. Aus welchem Grund sollten Sie sich an uns wenden? Weil wir das Know-how und die Meister-Qualifikation besitzen, die für dieses Geschäftsfeld auf jeden Fall erforderlich sind. Wir als familiär geführter Betrieb leben das Geschäft in Verbindung mit Motorrollern regelrecht.Da Kaufen Vertrauenssache ist, sollte man sich in Folge dessen das ausgewählte Fachgeschäft im Vorfeld genau angucken, bei dem man vorhat ein Zweirad zu kaufen. Unsere Geschäftspraktiken sind für den Kunden absolut nachvollziehbar! Gerne können Sie uns im Ladengeschäft aufsuchen, um sich über uns eigenhändig ein Bild zu machen.Den Nachweis unserer vorzüglichen Leistungen sehen Sie dann direkt vor Ort.Ist Ihnen der Weg zu uns zu weit? Dann informieren Sie sich doch durch das Trustedshops-Siegels und die zahlreichen Ebay Bewertungen. Sowohl unsere Geschäftspraxis als auch unser Onlineshop werden zum Beispiel mit dem Trustedshops Gütesiegel "sehr gut" eingestuft. Der Bewertungsfaktor von zirka 99,9 Prozent bei Ebay in den Kundenrezensionen kann sich ebenfalls sehen lassen. Zeigen diese Resultate nicht klar und deutlich, dass unsere Kundschaft bestens bei uns aufgehoben ist?Bitte denken Sie daran: Wir sind auch bloß Menschen, die bisweilen etwas falsch machen. Wir wollen Sie aus dem Grund bitten, uns auf jeden Fall eine Chance zur Verbesserung zu geben, wenn mal etwas nicht ganz geklappt hat.Unsere fachkundigen Mitarbeiter sind täglich von 8:00 - 18:00 Uhr und samstags von 9:00 - 13:00 für Sie da.Über unsDie Zufriedenstellung unserer Kundschaft liegt uns besonders am Herzen. Vor über fünf Jahrzehnten hatte unsere geschäftliche Tätigkeit im Bereich Maschinenbau ihren Anfang, während sich das Geschäft mit motorisierten Zweirädern heute auch schon seit mehr als 25 Jahren erfolgreich etablieren konnte. Unser Fokus ist mittlerweile auf den Vertrieb von Zubehör, das "Must have" zur Steigerung der Leistung und Einbauteile für die meisten Motorroller ausgerichtet.Wir haben in etwa 500.000 Einbauteile auf LagerWenn Sie zu Ihrem Roller eine Komponente suchen, werden Sie auf unserer Website unter Motorroller.de ohne Zweifel fündig. Es existieren mittlerweile Artikel, passendes Zubehör und Teile für zirka 250 Hersteller und 8500 Ausführungen in unserem Lager, die nur auf Ihre Bestellung warten. Zu unseren Lieferanten zählen beispielsweise so namhafte Anbieter wie Adly, Yamaha, Kreidler oder Jonway. Auf einer Lagerfläche von über 1.000 m² haben wir in unseren Hochregalen ungefähr 500.000 Produkte unterschiedlicher Anbieter sofort lieferbar. Sie finden in unserer Zubehörabteilung alles, was Sie für Ihren Motorroller brauchen.Das beginnt bei den Regensets, Nierengürteln und Handschuhen, und geht bis hin zu den Windschildern über das Top Case und den Schutzhelmen.Selbst Tuningfans kommen bei uns nicht zu kurz. Sie finden in unserer Tuningabteilung alles was das Herz begehrt, wie z.B. Kolben, Auspuffanlagen, Zylinder und dergleichen Dinge.Unmittelbar nach der ProduktionKeine Ware verlässt unser Haus, bevor sie nicht auf einwandfreie Qualität geprüft worden ist. Mit anderen Worten, bevor ein Motorroller ausgeliefert bzw. vom Kunden abgeholt wird, überprüfen wir ihn letztlich nochmals auf Herz und Nieren. Wir packen erstmal jedes Fahrzeug nach der Ankunft in unserem Haus aus und unterziehen es auf unserem Zweirad-Prüfstand einem Testlauf. Ehe der Käufer den Roller in Empfang nimmt, erfolgt noch ein letzter Funktionstest. So ist wirklich gesichert, dass der Kunde mit seiner Anschaffung 100-prozentig zufrieden ist.UmweltschutzDer Umweltschutz liegt uns sehr am Herzen. Einerseits sind unsere Motorroller in der Regel mit Sprit sparenden Motoren ausgestattet. Um die Umwelt zusätzlich zu schonen und eine fachgemäße Müll-Entsorgung zu garantieren, nehmen wir die Transportverpackung wieder mit, die bei der Auslieferung unserer Fahrzeuge anfällt.Wir kaufen Ihren RollerIhr ausgedienter Roller ist in die Jahre gekommen und Sie haben vor, bei uns ein neues Gefährt zu kaufen. Was aber tun mit dem Oldie? Machen Sie sich darüber keinen Kopf! Lassen Sie uns das übernehmen, indem wir Ihren alten Motorroller ankaufen.Wir konnten noch nicht Ihre Skepsis beseitigen?Für den Fall, dass wir von Ihnen die Gelegenheit dazu erhalten, können wir unsere fachliche Kompetenz auch unter Beweis stellen. Wir sind kein billiger Onlineshop, welcher heute seine Produkte anbietet und morgen bereits wieder weg ist. Allein mittels neuer Ideen und fortschrittlicher Innovationen lässt sich eine gut fundierte geschäftliche Ausgangsbasis schaffen. Darum steht in unserem stetig expandierenden Betrieb Anpassung an neue Technologien und ständiges Lernen durchweg an erster Stelle. Überzeugen Sie sich persönlich von unserem außergewöhnlichen Kundenservice und besuchen Sie uns doch einmal in unserem Unternehmen in Lindenfels-Eulsbach.Wie finden Sie unser Unternehmen?Rund 60 km im Süden von Frankfurt/Main liegt Lindenfels im Regierungsbezirk Darmstadt. Falls Sie mit dem eigenen Fahrzeug anreisen, erreichen Sie den Ort per Autobahn entweder von Norden über Frankfurt am Main (A6) oder von Süden über Stuttgart, Karlsruhe und Mannheim (A8). Eine Anreise per Bahn ist logischerweise genauso möglich.Unsere TopmarkenUnsere TopmarkenHinweise zu: Zündspule

Regulärer Preis:
Verfügbar
18,84 €
Kolbenring Satz Kompressionsring 11636-CBT-00

Durchschnittliche Bewertung von 0 von 5 Sternen

Kolbenring Satz Kompressionsring 11636-CBT-00

zu Artikel: Kolbenring Satz 11636-CBT-00 Kolbenring SatzTechnik-InfoKolbenringauch zu finden unter: Kolbenring, Kompressionsring, Verdichtungsring, Kompressions-Ring, Verdichtungs-Ring, Kolben-RingKolbenringe haben die Aufgaben Abdichtung der Kompression, Ableitung der Verbrennungswärme, Dosierung des Schmieröls (Stärke des Ölfilms). Kolben mit 3 Kolbenringen haben durch die bessere Dosierung des Ölfilms gegenüber Kolben mit 2 Kolbenringen einen geringeren Ölverbrauch.Geprüfte Erstausrüsterqualität beste Verarbeitung Best. Ware günstiger Preis Direktimport Kauf 100% ohne Risiko vom TopsellerUnsere Ersatzteile für ihren Motorroller bzw. Scooter oder auch Roller können Sie bequem online in unserem Shop kaufen. Egal ob sie Ihren Roller im Kaufhaus oder im Baumarkt gekauft haben, für alle gängigen Europa-, China-, oder Taiwan-Roller finden Sie bei uns passende Bauteile, insbesondere für die Motoren 50 cc, 125 cc, 250 ccm, 2-Takt, 4-Takt und für größere Leistungen. Speziell für die Motorentypen 150QMG ,152QMI, 157QMI ,139FMB ,157QMJ, 158MJ , GY6 ,1E40QMB, 1E40QMA ,164FML ,153FMI, 156FMI ,125-4T6M ,139QMB, 139QMA, JSD139QMB in kurzen und langen Versionen in den Normen Euro1, Euro2, Euro3 sowie die neuen Euro 4 Einspritzer-Motoren finden Sie hochqualitative Ersatzteile. Gerne können Sie auch per Email nach Ersatzteilen anfragen. Bei Bestellwerten über 100 Euro können Sie auch unseren Ratenkauf- bzw. Finanzierungs-Service nutzen. Beim Kauf von Fahrzeugen können wir Ihnen auch ein Leasing-Angebot unterbreiten, das bietet sich insbesondere für Firmen an, die Betriebsfahrzeuge anschaffen, oder ihren Mitarbeitern ein Fahrzeug zur Verfügung stellen. Ihre Anfrage nehmen wir gerne entgegen

Regulärer Preis:
Nicht verfügbar
68,06 €
Zündschloss Lenker-Schloss 62501-SK9-00

Durchschnittliche Bewertung von 0 von 5 Sternen

Zündschloss Lenker-Schloss 62501-SK9-00

Regulärer Preis:
Nicht verfügbar
37,72 €
Rabatt
Kreidler DICE CR 125i NPJ Blinker LED hinten links Blinklicht Blinkleuchte 781403 Signalleuchte Blinkleuchten Blinkerleuchte

Durchschnittliche Bewertung von 0 von 5 Sternen

Kreidler DICE CR 125i NPJ Blinker LED hinten links Blinklicht Blinkleuchte 781403 Signalleuchte Blinkleuchten Blinkerleuchte

zu Artikel: Blinker LED vorne links / NPJ 781401Technik-InfoBlinkerauch zu finden unter: Blinker, Signalleuchte, Blinklicht, Blinkleuchte, Fahrtrichtungsanzeiger, Blinkleuchten, Blinkerleuchte, Winker, Signal-Licht, Blinker hinten rechts, Blink-Leuchte, Signallicht, Richtungs-Anzeige, Blinker vorn links, Blinker vorn rechtsKostenloser Versand Bei Ersatzteilen für jeden zusätzlichen Artikel mit den gleichen Versandkriterien, den Sie von uns kaufen.

Verkaufspreis:
Verfügbar
34,90 € Regulärer Preis: 40,14 €
Rabatt
CDI Zündbox Rex Quad 150 CDI-Einheit Blackbox ATV 4Takt 95472 Motorroller.de Steuergerät Zündeinheit 250ccm-4Takt Offroad Ersatzteil Service Inpektion

Durchschnittliche Bewertung von 0 von 5 Sternen

CDI Zündbox Rex Quad 150 CDI-Einheit Blackbox ATV 4Takt 95472 Motorroller.de Steuergerät Zündeinheit 250ccm-4Takt Offroad Ersatzteil Service Inpektion

zu Artikel: CDI EinheitDie CDI Zündbox Technik-InfoCDI Zündbox CDI-Einheit, CDI, CDI Zündbox, Zündelektronik, Zuendelektronik, CDI Einheit, Zündeinheit, Zuendeinheit, Steuergerät, Steuergeraet, Zündbox, Zuendbox, Zündzentrale, Zuendzentrale, Elektr4onik-Blackbox, E-Blackbox, Blackbox, Zündsteuerung, Zünd-Steuerung, Zuend-Steurung, Zuendsteuerung, CDI Zündeinheit, auch Zündelektronik, CDI-Einheit, Zündeinheit, Steuergerät oder Zündbox genannt, ist wie original im Werkszustand am Fahrzeug verbaut. Vor der Bestellung ist der Reifendurchmesser zu klären (10, 12, 13 Zoll). Bei verschiedenen Reifendurchmessern gibt es unterschiedliche Drehzahlen, bitte wählen Sie den richtigen Artikel aus. Günstiges Ersatzteil bei Defekten an der Zündanlage. Die CDI kann nicht für Umrüstungszwecke verwendet werden, ein Gutachten ist nicht in diesem Lieferumfang enthalten. Die Marke Rex ist eine der meistverkauften in Deutschland. Durch ständige Qualitätskontrollen vorort beim Hersteller ist ein hoher Standard gewährleistet. Kostenloser Versand   Bei Ersatzteilen für jeden zusätzlichen Artikel mit den gleichen Versandkriterien, den Sie von uns kaufen. Unsere Ersatzteile für ihren Roller bzw. Scooter oder auch Motorroller können Sie bequem online in unserem Shop kaufen. Egal ob sie Ihren Roller im Baumarkt oder im Kaufhaus gekauft haben, für alle gängigen China-, Europa-, oder Taiwan-Roller finden Sie bei uns passende Bauteile, insbesondere für die Motoren 50 cc, 125 cc, 250 ccm, 2takt, 4takt und für größere Leistungen. Speziell für die Motorentypen 164FML ,139FMB ,152QMI, 157QMI ,150QMG ,1E40QMB, 1E40QMA ,157QMJ, 158MJ , GY6 ,125-4T6M ,139QMB, 139QMA, JSD139QMB ,153FMI, 156FMI in kurzen und langen Versionen in den Normen Euro1, Euro2, Euro3 sowie die neuen Euro 4 Einspritzer-Motoren finden Sie Ersatzteile von bewährter Qualität. Gerne können Sie auch per Email nach Ersatzteilen anfragen. Bei Bestellwerten über 100 Euro können Sie auch unseren Finanzierungs- bzw. Ratenkauf-Service nutzen. Beim Kauf von Fahrzeugen können wir Ihnen auch ein Leasing-Angebot unterbreiten, das bietet sich insbesondere für Firmen an, die Betriebsfahrzeuge anschaffen, oder ihren Mitarbeitern ein Fahrzeug zur Verfügung stellen. Bitte fragen Sie an. Reparieren oder ersetzen?Diese Frage stellt sich immer dann, wenn etwas am Roller kaputt gegangen ist, ganz egal, ob sich um einen Motorroller, Elektroroller beziehungsweise E-Roller oder Dreirad-Roller handelt. Ein Ersatzelement, welches verhältnismäßig schnell getauscht werden kann, ist nicht nur preisgünstiger, sondern bietet auch eine deutlich höhere Ausfallsicherheit als nach einer Instandsetzung. Oft kann man einen nicht auf Anhieb selbst entdecken und eine kompetente Werkstatt muss feststellen, wo der Hase im Pfeffer liegt. Bestellen Sie doch am besten sofort eines unserer fertigen Kits, welche wir in vielen unterschiedlichen Ausführungen im Programm haben. .Hochklassige Teile für Ihr ZweiradGroßen Wert legen wir auf qualitativ hochwertige Produkte zu einem erschwinglichen Preis. Unsere Komponenten sind deshalb so günstig, weil wir schon beim Einkauf auf entsprechend große Produktmengen wert legen. Sämtliche verfügbaren Ersatzteile für Ihr motorisiertes Zweirad kriegen Sie bei uns sowohl in guter Qualität als auch für einen Preis, der mit Sicherheit Ihre Laune verbessert. Einige Rollermarken wie Eppella und Sundiro werden schon seit langem nicht mehr produziert. Gleichwohl führen wir hierfür noch die Bauteile.Wer darauf Wert legt, bekommt bei uns logischerweise auch das Originalteil für sein Zweirad. Die meisten Kunden greifen indes aufgrund der guten Preise und der Erstausrüster-Qualität auf unsere Nachbauten zurück. Sie können mit unseren Bauteilen die Reparatur von Ihrem Motorroller entweder selber durchführen oder in einer Fachwerkstätte durchführen lassen. Es gibt mit Sicherheit keine bessere Alternative, durch die Sie zu günstigen Preisen und in vorzüglicher Qualität Ihren Motorroller wieder flott bekommen können.Abbildungen erleichtern das Auffinden der benötigten KomponentenDank anschaulichem Bildmaterial können Sie Ihr defektes Bauteil auf einfache Weise mit dem verfügbaren Ersatz vergleichen, damit Sie auch de facto das gewünschte Produkt bekommen. Relevant dabei ist, dass Ihre Bestellung nicht nur visuell, sondern auch in den technischen Spezifikationen und Dimensionen mit dem defekten Teil übereinstimmt. Ihre Vorteile:Alle unsere Ersatzteile sind preiswert, betriebssicher sowie zuverlässig"Geld zurück" - Garantie, deswegen Kauf ohne RisikoTeile und Artikel für ungefähr 250 Marken und 8500 Modelle auf LagerSie erhalten von uns stets die Erstausrüsterqualität - auch bei preisgünstigen NachbautenAbhol- und BringserviceDIN-Norm gerechte und ISO-zertifizierte PräzisionsfertigungSie zahlen bei Bestellung mehrerer Einbauelemente mit identischen Versandkriterien nur einmal den Versandhundertprozentige Fahrsicherheit des Motorrollers, insbesondere bei den BremsenKurze LieferzeitenRoller-Ankauf zu fairen PreisenGanz egal, ob Sie einen Roller, ein Fun Fahrzeug, einen Buggy oder ein Quad kaufen wollen. Wir sind für solche Fälle der Fachhändler Ihres Vertrauens. Weshalb sind wir der entsprechende Partner für Sie? Da wir uns durch unsere jahrzehntelange Erfahrung das nötige Know-how für dieses Geschäftsfeld angeeignet haben, können wir Ihnen den bestmöglichen Service bieten. Im Unterschied zu einigen unserer Mitbewerber geben wir uns tatsächlich noch echte Mühe, den Käufer zufrieden zu stellen. Nicht bloß beim Verkauf, sondern auch danach. Hierbei legen wir großen Wert auf einen möglichst kompletten Fahrzeugservice. Für unseren Familien betrieb ist das Geschäft rund um die Roller der ganze Lebensinhalt. Es ist nicht in jedem Fall sinnvoll, sein motorisiertes Zweirad beim nächsten x-beliebigen Händler zu kaufen. Daher ist es notwendig, sich seinen Lieferanten vorab genau anzugucken. in unserem Unternehmen ist alles 100-prozentig nachvollziehbar! Gerne können Sie uns im Ladengeschäft aufsuchen, um sich über uns selbst ein Bild zu machen.Sie sehen dann den Beweis unserer guten Leistungen auf gewisse Weise mit eigenen Augen.Eventuell ist Ihnen die Anfahrtsstrecke zu uns zu weit. Dann gibt es auch die Option, mittels der verschiedenen Ebay Bewertungen und des Trustedshops-Siegels Erkundigungen über uns einzuholen. Zum Beispiel wird sowohl unsere Geschäftspraxis als auch unser Online-Shop mit dem Trustedshops Gütesiegel "sehr gut" beurteilt, was uns nicht zu Unrecht mit Stolz erfüllt. Was unsere Kundenrezensionen genauso auf einem Niveau, das sich durchaus sehen lassen kann. All diese Resultate lassen ohne Frage nur einen einzigen Schluss zu: Wir legen uns auf allen Gebieten immer mächtig ins Zeug! Aber auch, wenn wir uns noch so bemühen - wir sind keine Maschinen, sondern Menschen, die bisweilen mal einen Fehler machen. Wir wollen Sie von daher bitten, uns auf jeden Fall eine Möglichkeit zur Verbesserung zu geben, falls mal etwas schief gelaufen ist.Unser Expertenteam ist täglich von 8:00 - 18:00 Uhr und samstags von 9:00 - 13:00 für Sie da.Unsere UnternehmensphilosophieWir haben uns die Zufriedenheit unserer Kunden auf die Fahne geschrieben. Den Handel mit Zweirädern betreiben wir äußerst Erfolg versprechend bereits seit über 25 Jahren, wollen dabei jedoch erwähnen, dass wir schon mehr als 5 Jahrzehnte auf eine Erfolgsgeschichte auf dem Gebiet des Maschinenbaus zurückblicken können. Zwischenzeitlich haben wir uns auf Einbauteile, das "Nice-to-have" zur Steigerung der Motorleistung und Fahrzeugzubehör für die häufigsten Roller ausgerichtet.Wir haben in etwa 500.000 Zubehörteile im ProgrammWenn Sie zu Ihrem Roller ein Einbauteil suchen, werden Sie auf unserer Webseite unter Motorroller.de gewiss das entsprechende Element finden. In unserem Lager befinden sich für rund 250 Marken und 8500 Modelle unterschiedliche Produkte als Zubehör, Einbaukomponenten und Artikel. Z.B. arbeiten wir bereits jahrelang mit Lieferanten wie Kreidler, Adly, Yamaha oder Jonway zusammen. Wir haben insgesamt zirka 500.000 Produkte von zahlreichen Produzenten im Sortiment, welche auf einer Fläche von über 1.000 m² in unseren Hochregalen auf Lager liegen. Hier finden Sie in jedem Fall das gewünschte Rollerzubehör von A bis Z. Das beginnt bei den Schutzhelmen über das Top Case und den Windschildern, und geht bis hin zu Nierengürteln, Handschuhen und Regensets.In unserer Tuningabteilung halten wir für alle, die es gerne sportlich mögen ebenfalls einige ausgesuchte Artikel bereit. Hierzu zählen zum Beispiel Zylinder, Auspuffanlagen, Kolben und weitere Dinge.Was geschieht nach der Produktion?Sämtliche Lieferungen verlassen unser Haus erst nach einer strengen Kontrolle der Qualität. Mit anderen Worten bedeutet das, dass alle Fahrzeuge, die vom Herstellerwerk bei uns eintreffen, nochmals in unserem Betrieb einer eingehenden Überprüfung auf etwaige Mängel respektive Transportschäden unterzogen werden. Erst dann liefern wir sie an unsere Kunden aus. Sobald die Roller bei uns im Haus ankommen, wird jedes einzelne Zweirad ausgepackt und als erstes einer visuellen Prüfung beziehungsweise einem Testlauf auf unserem Prüfstand unterzogen. Bei dem gelieferten Motorroller wird dann nach der Lieferung zum Kunden letztlich neuerlich ein Funktionstest ausgeführt. Dadurch ist eine tadellose Nutzung des Gefährts de facto gewährleistet.Wir legen Wert auf eine saubere UmweltDer Schutz unserer Umwelt liegt uns besonders am Herzen. Zur Erhaltung der Luftreinheit haben unsere Fahrzeuge zumeist Motoren, welche außerordentlich sparsam sind. Ohne Frage nehmen wir im Sinne des Umweltschutzes die Transportverpackung wieder mit, welche bei der Anlieferung unserer Roller anfällt und führen sie einer professionellen Abfallentsorgung zu.Wir nehmen Ihren Motorroller in ZahlungSie möchten sich bei uns einen neuen Motorroller kaufen und sich gleichzeitig von Ihrem alten Gefährt trennen? Keine Sorge! Lassen Sie das unser Problem sein, indem wir Ihren gebrauchten Roller ankaufen.Wir haben es nicht geschafft, Ihre Skepsis zu beseitigen??Geben Sie uns doch die Chance, unsere Leistungen unter Beweis stellen zu dürfen. Man sollte uns nicht mit den vielen billigen Web-Shops, gleich stellen, die heute kommen und morgen schon wieder weg sind. Es ist uns bekannt, dass sich bloß dank neuer Ideen und fortschrittlicher Innovationen die Grundlage für eine effektive Geschäftstätigkeit legen lässt. Für den Fall, dass für Sie mal die Möglichkeit besteht, einen Abstecher nach Lindenfels-Eulsbach zu machen, können Sie die Gelegenheit nutzen, sich selbst in unserem Betrieb von unserem vortrefflichen Kundenservice zu überzeugen.So finden Sie unsFür den Fall, dass Sie über die Autobahn mit dem eigenen PKW kommen, führt die Strecke nach Lindenfels entweder über Frankfurt/Main (A6) oder über Mannheim (A8). Der Ort befindet sich im Regierungsbezirk Darmstadt. Ohne Frage kann man auch sehr bequem per Bahn anreisen.Unsere TopmarkenUnsere TopmarkenHinweise zu: CDI 45kmh

Verkaufspreis:
Nicht verfügbar
113,86 € Regulärer Preis: 130,94 €
Kickstartermitnehmer 4Takt 50ccm 139QM-1012

Durchschnittliche Bewertung von 0 von 5 Sternen

Kickstartermitnehmer 4Takt 50ccm 139QM-1012

Kickstartermitnehmer 4Takt 50ccmTechnik-InfoKickstartermitnehmerauch zu finden unter: Gebläserad, Geblaeserad, Lüfterrad, Luefterrad, Ventilatorrad, Flügelrad, Fluegelrad, Luftrad, Belüftungsrad, Belueftungsrad, Gebläse-Rad, Geblaese-Rad, Lüfter-Rad, Luefter-Rad, Ventilator-Rad, Flügel-Rad, Fluegel-Rad, Luft-Rad, Belüftungs-Rad, Belueftungs-RadDas Kunststofflüfterrad oder auch Ventilatorrad, Gebläserad, Flügelrad, Lüfterrad genannt, passt für die Variomatik von Roller-Motoren und ist ein wesentliches Bauteil. Keilriemenschäden entstehen durch zu große Hitze im Antriebsbereich. Aus diesem Grund muss das Variomatiklüfterrad bereits bei kleinsten Beschädigungen getauscht werden, sonst gibt es große Schäden.Dieser Artikel passt bei vielen Modellen, unter anderem für:AGM GMX 450 JSD50QT-13 AGM GMX 450 One JSD50QT-13 AGM GMX 450 Sport JSD50QT-13 AGM GMX 450 ZX50QT-7A AGM GMX 50 AGM GMX 50 One JSD50QT-13 AGM GMX 50 Sport JSD50QT-13 AGM GMX 550 AGM GMX 550 ZX50QT-7B Baotian BT49QT 12A1 Rebel Baotian BT49QT 12G Baotian BT49QT 20A2 Baotian BT49QT 2C Falcon Baotian BT49QT 3 Baotian BT49QT 6A1 Baotian BT49QT 6A4 Baotian BT49QT 6B1 Baotian BT49QT 6B4 Baotian BT49QT 9 Sprint 50 Baotian BT49QT 9F1 Eagle Baotian BT49QT 9R1 Baotian BT49QT 9R3 Baotian BT49QT 9S1 Baotian BT49QT 9S3 Baotian BT49QT-10 Baotian BT49QT-12 Go 50 L84TCAPC Baotian BT49QT-12 Go 50 LX6TCAPC Baotian BT49QT-12C1 Rebel 50 Baotian BT49QT-12C1 Warrior 50 Baotian BT49QT-12C2 Baotian BT49QT-12D1 Hero 50 Baotian BT49QT-12E Baotian BT49QT-12E1 Rocky 50 Baotian BT49QT-12E3 Baotian BT49QT-12E3 Rocky 50 Baotian BT49QT-12F1 Baotian BT49QT-12F1 Tanco 50 Baotian BT49QT-12G1 Baotian BT49QT-12G1 4T Baotian BT49QT-12G2 Baotian BT49QT-12J Baotian BT49QT-12K Baotian BT49QT-12P1 Tiger 50 Baotian BT49QT-2 Baotian BT49QT-2 Big Panther 50 Baotian BT49QT-20A Baotian BT49QT-20A2 Land flyer Baotian BT49QT-20B Baotian BT49QT-20B2 Tiger 50 Baotian BT49QT-20B3 Land Fire 50 Baotian BT49QT-21B1 Classico Victoria 50 Baotian BT49QT-28 Baotian BT49QT-28A (ZICCO) Baotian BT49QT-2A Baotian BT49QT-3 Baotian BT49QT-6A1 Baotian BT49QT-6B4 Baotian BT49QT-7 Baotian BT49QT-7A1 SMART RIDER 50 Baotian BT49QT-7A3 Baotian BT49QT-7B1 Baotian BT49QT-7B3 Baotian BT49QT-7D Baotian BT49QT-9 Baotian BT49QT-9A1 Baotian BT49QT-9D1 Baotian BT49QT-9D3 Baotian BT49QT-9F3 Eagle 50 Baotian BT49QT-9M Baotian BT49QT-9N Baotian BT49QT-9N 4T Baotian BT49QT-9N1 Baotian BT49QT-9N3 Baotian BT49QT-9N3 4T Baotian BT49QT-9O3 Baotian BT49QT-9O3 4T Baotian BT49QT-9P1 Baotian BT49QT-9R Baotian BT49QT-9S3 Super Moto City 50 Baotian BT49QT-9T1 Baotian BT50QT-11 Retro 50 Baotian BT50QT-9 Eco Bike 50 Baotian Carino 50 Baotian SPEEDY 50 BT49QT-9R1 Eppella ECM GMX 50 Ering Big Panther 50 Ering Dynamic 50 Ering Dynamic 50 25 km/h Ering Hero 50 Ering Red Wing 50 L84TCAP Ering Red Wing 50 LX6TCAP Ering Retro 50 Zweisitzer Ering Rocky 50 Ering Smart Rider 50 Ering Speedy 50 BT50QT-3N Ering Speedy 50 BT50QT-9N Ering Sprint 50 Ering Warrior Rebel 50 Jinan Qingqi Capriolo 50 Jinan Qingqi Flory 50 Jinan Qingqi Leopard Jinan Qingqi QM50QT-2M Jinan Qingqi QM50QT-6F Jinan Qingqi QM50QT-6S Jinan Qingqi QM50T-10A Jinan Qingqi QM50T-10E Jinan Qingqi QM50T-10V Jinan Qingqi Rex RS 450 OFF-LIMIT/TRIBAL-Scooter/CAPRIOLO 50 QM50QT-6A Jinan Qingqi REX RS 600 QM50QT-2 Jinan Qingqi REX RS 700 QM50QT-10A Jinan Qingqi REX RS 900 QM50T 10A (A) Jinan Qingqi RS 425 Jinan Qingqi RS 450 Jinan Qingqi RS 700 Jinan Qingqi RS 900 Jinan Qingqi RS 900 QM50T 10A Jinan Qingqi Speedy 50 Jinan Qingqi V CLIC Jonway 139QMB Jonway Beta 50 Jonway Boston 8 Mofaroller Jonway Imola 50 Race/Urban Jonway Jigger 50 City Jonway Lambda YY50QT 21 50 Jonway Milano 50 Jonway Monza 50 Race Urban Jonway REX Monaco 50 Race/Urban Jonway Rex RS 460 JONWAY Rex RS 500 Jonway Rex RS Classic Jonway RS 400 Jonway RS 750 Jonway RS Classic Jonway RT 50 Jonway Unser Norden Mofaroller Jonway Unser Norden Mokickroller Jonway YY50QT 6 Kreidler Flory 50 Kreidler Flory 50 45 km/h Roller Kreidler Galactica 2.0 50 DD City Kreidler Hiker 2.0 50 DD Kreidler Hiker 50 DD Kreidler Jigger 50 City Kreidler MONACO 50 Race / Urban Kreidler MONZA 50 Race / Urban (Fin: WS1 od. L8Y) Kreidler RMC-E 50 Kreidler RMC-E 50 Florett Roller Kreidler RS 500 Rex Capriolo 50 4T Rex Imola 50 Rex Imola 50 Race/Urban Rex Milano 50 Rex Monaco 50 Rex Monaco 50 Race Urban Rex Monza 50 Fin: L5Y Rex Off Limit Rex RS 400 Rex RS 425 Mofaroller 4-T Rex RS 450 Rex RS 450 OFF-LIMIT/TRIBAL-Scooter/CAPRIOLO 50 QM50QT-6A Rex RS 460 Rex RS 460 BOSTON 8 Rex RS 460 Mofaroller 4-T Rex RS 500 Rex RS 500 QM50QT 6A-AQINGQI Rex RS 600 QM50QT-2 Rex RS 700 QM50QT-10A Rex RS 750 Rex RS 900 QM50T 10A-A Rex RS Classic 50 Rex SPEEDY FLASH SMC STM Kreidler 50 Flory SMC STM Qingqi 50 SMC STM RS 450Geprüfte Erstausrüsterqualität sehr gute Verarbeitung günstiger Preis Direktimport Kauf 100% ohne Risiko vom TopsellerUnsere Ersatzteile für ihren Motorroller bzw. Roller oder auch Scooter können Sie bequem online in unserem Shop kaufen. Egal ob sie Ihren Roller im Baumarkt oder im Kaufhaus gekauft haben, für alle gängigen China-, Europa-, oder Taiwan-Roller finden Sie bei uns passende Bauteile, insbesondere für die Motoren 50 cc, 125 cc, 250 ccm, 4takt, 2takt und für größere Leistungen. Speziell für die Motorentypen 139QMB, 139QMA, JSD139QMB ,152QMI, 157QMI ,139FMB ,153FMI, 156FMI ,157QMJ, 158MJ ,1E40QMB, 1E40QMA ,164FML ,150QMG ,125-4T6M , GY6 in kurzen und langen Versionen in den Normen Euro1, Euro2, Euro3 sowie die neuen Euro 4 Einspritzer-Motoren finden Sie Ersatzteile von erstklassiger Qualität. Gerne können Sie auch per Email nach Ersatzteilen anfragen. Bei Bestellwerten über 100 Euro können Sie auch unseren Ratenkauf- bzw. Finanzierungs-Service nutzen. Beim Kauf von Fahrzeugen können wir Ihnen auch ein Leasing-Angebot unterbreiten, das bietet sich insbesondere für Firmen an, die Betriebsfahrzeuge anschaffen, oder ihren Mitarbeitern ein Fahrzeug zur Verfügung stellen. Bitte fragen Sie an.

Regulärer Preis:
Verfügbar
5,95 €