Zum Hauptinhalt springen Zur Suche springen Zur Hauptnavigation springen
Menü
efr
erf
rrrf
Schnell lieferbar
14 Tage Rückgaberecht
Schneller DPD Versand

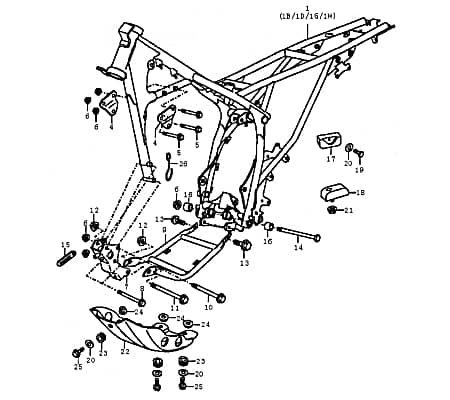
zu Artikel: Rahmenunterzug 89390

Technik-Info

Rahmenunterzug

Rahmenunterzug, Rahmenunterzug FIG.C1-9 Modell SUPERMOTO / ENDURO 125

Kostenloser Versand   Bei Ersatzteilen für jeden zusätzlichen Artikel mit den gleichen Versandkriterien, den Sie von uns kaufen.

Unsere Ersatzteile für ihren Scooter bzw. Roller oder auch Motorroller können Sie bequem online in unserem Shop kaufen. Egal ob sie Ihren Roller im Kaufhaus oder im Baumarkt gekauft haben, für alle gängigen China-, Europa-, oder Taiwan-Roller finden Sie bei uns passende Bauteile, insbesondere für die Motoren 50 cc, 125 cc, 250 ccm, 4-Takt, 2-Takt und für größere Leistungen. Speziell für die Motorentypen 1E40QMB, 1E40QMA ,150QMG ,153FMI, 156FMI ,139FMB , GY6 ,152QMI, 157QMI ,164FML ,139QMB, 139QMA, JSD139QMB ,157QMJ, 158MJ ,125-4T6M in kurzen und langen Versionen in den Normen Euro1, Euro2, Euro3 sowie die neuen Euro 4 Einspritzer-Motoren finden Sie hochqualitative Ersatzteile. Gerne können Sie auch per Email nach Ersatzteilen anfragen. Bei Bestellwerten über 100 Euro können Sie auch unseren Ratenkauf- bzw. Finanzierungs-Service nutzen. Beim Kauf von Fahrzeugen können wir Ihnen auch ein Leasing-Angebot unterbreiten, das bietet sich insbesondere für Firmen an, die Betriebsfahrzeuge anschaffen, oder ihren Mitarbeitern ein Fahrzeug zur Verfügung stellen. Wir freuen uns auf Ihre Anfrage.

Baugruppe: Rahmen

Ersatzteil: Rahmenteile

Artikelposition in Explosionszeichnung: 9

Motorroller bequem online kaufen – von der Bestellung bis zur Lieferung


Mobiler Home Service – Bundesweit Inspektionen und Reparaturen


Motorroller.de – Über uns – Ihr Support vom Profi seit 1993

Ihr Finanzierungsplan**
Monate Rate mtl. Gesamt
6039,67 €2.380,49 €
12157,59 €1.891,14 €

Einfach im Bestellvorgang die Expokredit-Finanzierung als Zahlungsweise auswählen ...

  • Kreidler DICE GS 125i
  • Kreidler DICE SM 125i
  • Kreidler Enduro 125 DD
  • Kreidler Supermoto 125 DD
  • Rex Enduro 125 DD
  • Rex Supermoto 125 DD
Produktgalerie überspringen

Kunden haben sich ebenfalls angesehen

Rabatt
Scheinwerfer Rex Monaco 50 Frontscheinwerfer 50ccm 4Takt Motorroller.de Hauptscheinwerfer Front-Scheinwerfer Vorderlicht Frontlicht Frontleuchte
Scheinwerfer Rex Monaco 50 Frontscheinwerfer 50ccm 4Takt Motorroller.de Hauptscheinwerfer Front-Scheinwerfer Vorderlicht Frontlicht Frontleuchte

zu Artikel: Frontscheinwerfer komplettScheinwerferTechnik-InfoFrontscheinwerferFront-Scheinwerfer, Haupt-Scheinwerfer, Front-Leuchte, Hauptstrahler, Strahler, Frontlicht, Frontscheinwerfer-Set, Frontscheinwerfer-Satz, Frontscheinwerfer-Kit, Frontscheinwerfer-Komplex, Frontscheinwerfer-Gefüge, Frontscheinwerfer-Anlage, Frontscheinwerfer-Bereich, Frontscheinwerfer-System, Frontscheinwerfer-Aggregat, Frontscheinwerfer-Apparat, Frontscheinwerferset, Frontscheinwerfersatz, Frontscheinwerferkit, Frontscheinwerferkomplex, Frontscheinwerfergefüge, Frontscheinwerferanlage, Frontscheinwerferbereich, Frontscheinwerfersystem, Frontscheinwerferaggregat, Frontscheinwerferapparat, Hauptscheinwerfer, Scheinwerfer, Frontleuchte, Frontscheinwerfer, Vorderlicht Birne, Glassockellampe, Standlichtbirne, Innenleuchte, Leuchtmittel, Tachobirne, Glühbirne, auch Leuchte genannt. Die Sockel der Birnen variieren bei den verschiedenen Modellen. Vergleicht bitte den Sockel ihrer alten Birne um bei der Bestellung auf Nummer sicher zu gehen! Halogenbirnen: bieten sehr helles Licht durch Halogenglaskolben was sich sehr gut auf das Sehen und Gesehen werden auswirkt. Die Lichtleistung wird um 34-45% erhöht. Das Umschalten zwischen Abblend- und Fernlicht geht schneller als bei einer herkömmlichen Lampe.Die Marke Rex ist eine der meistverkauften in Deutschland. Durch ständige Qualitätskontrollen vorort beim Hersteller ist ein hoher Standard gewährleistet.Kostenloser Versand   Bei Ersatzteilen für jeden zusätzlichen Artikel mit den gleichen Versandkriterien, den Sie von uns kaufen.Unsere Ersatzteile für ihren Scooter bzw. Roller oder auch Motorroller können Sie bequem online in unserem Shop kaufen. Egal ob sie Ihren Roller im Kaufhaus oder im Baumarkt gekauft haben, für alle gängigen Europa-, Taiwan-, oder China-Roller finden Sie bei uns passende Bauteile, insbesondere für die Motoren 50 cc, 125 cc, 250 ccm, 2takt, 4takt und für größere Leistungen. Speziell für die Motorentypen 164FML ,139FMB , GY6 ,152QMI, 157QMI ,1E40QMB, 1E40QMA ,139QMB, 139QMA, JSD139QMB ,157QMJ, 158MJ ,125-4T6M ,150QMG ,153FMI, 156FMI in kurzen und langen Versionen in den Normen Euro1, Euro2, Euro3 sowie die neuen Euro 4 Einspritzer-Motoren finden Sie Ersatzteile von bewährter Qualität. Gerne können Sie auch per Email nach Ersatzteilen anfragen. Bei Bestellwerten über 100 Euro können Sie auch unseren Finanzierungs- bzw. Ratenkauf-Service nutzen. Beim Kauf von Fahrzeugen können wir Ihnen auch ein Leasing-Angebot unterbreiten, das bietet sich insbesondere für Firmen an, die Betriebsfahrzeuge anschaffen, oder ihren Mitarbeitern ein Fahrzeug zur Verfügung stellen. Bitte fragen Sie an. Ein defektes Teil besser gleich ersetzen oder instand setzen lassen?Wird mal irgendetwas am Roller schadhaft, dann hat man im Prinzip zwei Optionen: instand setzen oder Austauschen. Da ist es unerheblich, ob es sich dabei um einen gleichgültig, ob sich um einen 3-Rad Roller, Motorroller, oder Elektroroller bzw. E-Roller handelt. Ein weiterer Aspekt ist, dass ein neues Bauteil nicht bloß preisgünstiger ist als eine Reparatur, sondern hinterher auch eine deutlich höhere Funktionssicherheit bietet. Ein versteckter Schaden kann zumeist nur von einer qualifizierten Fachwerkstatt geortet werden. Dann wäre es vernünftiger, über unseren Online-Shop eines der fertigen Ersatzteil-Kits zu bestellen, die wir in zahlreichen unterschiedlichen Ausführungen in unserem Angebot haben. .Wir liefern nur QualitätserzeugnisseDie Qualität all unserer Produkte entspricht dem Weltmarktniveau. Wir können nur aus dem Grund so günstig sein, weil wir unsere Komponenten in genügend großen Mengen einkaufen. Sämtliche verfügbaren Teile für Ihren Roller kriegen Sie bei uns sowohl in guter Qualität als auch für einen Preis, der Ihnen ein Lächeln ins Gesicht zaubert.Sie suchen für einen Eppella oder Sundiro Roller ein Bauteil? Keine Panik, wir haben sie lieferbar.Wir haben natürlich auch die Originalteile einer Vielzahl Rollerproduzenten auf Lager, wenngleich unsere Nachbauten mit den Originalen qualitativ ohne weiteres mithalten können und trotzdem vom Preis her im Prinzip um einiges billiger sind. Sie können mit unseren Bauteilen die Reparatur von Ihrem motorisierten Zweirad entweder selbst bewerkstelligen oder von einem Fachmann machen lassen. Sie werden zweifelsohne keine bessere Alternative finden, um zu erschwinglichen Kosten Ihr motorisiertes Zweirad instand setzen zu können.Anhand der Abbildungen ist die Bestellung der richtigen Komponenten ein KinderspielAufgrund von anschaulichem Bildmaterial können Sie Ihr defektes Bauteil auf einfache Weise mit dem lieferbaren Ersatz vergleichen, damit Sie auch wirklich das dringend benötigte Produkt erhalten. Hierbei reicht nicht lediglich eine augenscheinliche Übereinstimmung. Es müssen zudem sowohl die aufgeführten technischen Spezifikationen als auch die Maße übereinstimmen.Wie Sie davon profitieren:Kauf ohne Risiko durch "Geld zurück" - GarantieAlle unsere Ersatzteile sind preiswert, zuverlässig sowie betriebssicherSie bekommen von uns ausnahmslos die Erstausrüsterqualität - auch bei günstigen NachbautenISO-zertifizierte Präzisionsfertigung nach DIN-NormWir holen und bringen Ihren MotorrollerSie bezahlen beim Ordern mehrerer Einbauelemente mit denselben Versandkriterien nur einmal den VersandUnsere Lieferungen erfolgen fast immer kurzfristigUnser Lager umfasst Teile und Zubehör für rund 250 Marken und 8500 ModelleRoller-Ankauf zu fairen PreisenAbsolute Verkehrssicherheit des Rollers, besonders bei BremsanlagenGanz gleich, ob Sie einen Roller, ein Fun Fahrzeug, einen Quad oder Buggy erwerben wollen. Wir sind hierfür das Fachgeschäft Ihres Vertrauens. Aus welchem Grund wäre es für Sie von Vorteil, wenn Sie uns für Sie tätig werden lassen? Weil wir uns in diesem Geschäftsfeld bereits seit Jahrzehnten etabliert haben und Sie deswegen von unserer gewonnenen Erfahrung profitieren können. Als familiär geführter Betrieb betreiben wir nicht ausschließlich das Geschäft rund um die Motorroller, wir leben das Geschäft buchstäblich.Kaufen ist Vertrauenssache, infolgedessen ist es wesentlich, sich seinen Lieferanten vorher genau anzusehen. Bei uns ist alles absolut transparent! Wieso besuchen Sie uns nicht mal in unserem Ladengeschäft, um sich persönlich zu informieren?Den Vertrauensnachweis erhalten Sie dann gleichsam schwarz auf weiß vor Ort.Ist Ihnen der Weg zu uns zu weit? Dann informieren Sie sich doch mittels des Trustedshops-Siegels und die diversen Ebay Bewertungen. Auf unserer Webseite Motorroller.de wird sowohl unser Verkaufsshop als auch unsere Geschäftspraxis von Trustedshops mit der Note "sehr gut" bewertet. Auch bei Ebay liegen wir mit dem Prozentsatz 99,9 % ausgezeichnet im Rennen. Was veranschaulichen all diese Ergebnisse ganz eindeutig? Dass wir uns auf allen Gebieten stets mächtig ins Zeug legen!Bitte denken Sie daran, dass wir keine Maschinen sondern auch nur Menschen sind, denen gelegentlich bei denen gelegentlich etwas schief gehen kann. Seien Sie demzufolge nicht gleich verärgert, falls mal etwas schief läuft, sondern geben Sie uns die Gelegenheit, unseren Fehler wieder gut zu machen.Unser Fachgeschäft hat für Sie geöffnet: jeden Tag von 8:00 - 18:00 Uhr, samstags von 9:00 - 13:00 Uhr.Unsere UnternehmenspolitikEs liegt uns sehr viel an der Zufriedenstellung unserer Kunden. Das Fahrzeuggeschäft betreiben wir mit Erfolg schon seit über 25 Jahren, wollen hierbei hingegen nicht unerwähnt lassen, dass wir bereits mehr als fünf Jahrzehnte auf eine Erfolgsgeschichte im Bereich Maschinenbau verweisen können. Mittlerweile haben wir uns auf Ersatzkomponenten, Zubehör und das "Must have" zur Steigerung der Motorleistung für die häufigsten Roller festgelegt.Unsere Artikelpalette umfasst rund 500.000 ZubehörteileWer auf der Suche nach einem günstigen Roller oder Einbauteil für seinen fahrbaren Untersatz ist, der findet bei uns unter Motorroller.de bestimmt das geeignete Element. In unserem Lager befinden sich für circa 8500 Modelle und 250 Marken diverse Artikel, passendes Zubehör und Einbaukomponenten. Darunter sind z.B. Lieferanten wie Yamaha, Jonway, Kreidler oder Adly zu finden. Es sind rund 500.000 Produkte von verschiedenen zahlreicher Anbieter, welche wir in unserem Hochregallager auf einer Fläche von über 1.000 m² im Angebot haben. Alles was Sie als Rollerfahrer brauchen, finden Sie in unserer Zubehörabteilung.Das beginnt bei den Nierengürteln, Regensets und Handschuhen, und geht bis hin zum Top Case über die Schutzhelme und den Windschildern.Damit die Tuningfans ebenfalls auf ihre Rechnung kommen, haben wir für sie ausgesuchte Produkte wie Zylinder, Kolben, Auspuffanlagen und weitere Dinge im Programm.Was passiert nach der Produktion?Alle Lieferungen verlassen unser Haus erst nach einer strengen Qualitätsprüfung. Das heißt, sämtliche Roller, die das Herstellerwerk verlassen haben und bei uns angeliefert werden, überprüften wir nochmals ausführlich auf etwaige Fehler bzw. Transportschäden, ehe sie in die Hände unserer Kunden übergeben werden. Sobald die Motorroller bei uns im Haus eintreffen, wird jedes einzelne Zweirad ausgepackt und als erstes einer visuellen Prüfung respektive einem Testlauf auf unserem Prüfstand unterzogen. Unmittelbar nach der Anlieferung beim Käufer wird dann das Fahrzeug letztlich nochmals auf einwandfreie Funktion getestet, sodass wirklich gesichert ist, dass der Kunde ein 100-prozentig einwandfreies Gefährt erhält.Umweltschutz wir bei uns groß geschriebenUns liegt sehr viel an einem wirkungsvollen Schutz unserer Umwelt. Unsere Zweiräder haben auf der einen Seite durchweg einen effizienten Verbrennungsmotor. Um unsere Umwelt überdies zu entlasten und eine fachgerechte Müll-Entsorgung zu gewährleisten, nehmen wir das Verpackungsmaterial wieder mit, das bei der Auslieferung unserer Motorroller anfällt.Ihren ausgedienten Roller nehmen wir gerne in ZahlungIhr alter Roller tut es nicht mehr richtig und Sie planen, bei uns ein neues Zweirad zu bestellen. Aber was tun mit dem alten Fahrzeug? Machen Sie sich darüber keine Gedanken! Lassen Sie das unser Problem sein, denn wir nehmen Ihren gebrauchten Motorroller in Zahlung.Wir konnten noch nicht Ihre Skepsis aus dem Weg räumen?Dann geben Sie uns bitte die Chance, Sie von unseren Leistungen zu überzeugen. Wir sind kein billiger Online-Shop, welcher heute kommt und morgen schon wieder von der Bildfläche verschwunden ist. Die gut fundierte Ausgangsbasis für ein erfolgreiches Unternehmen besteht darin, dass bloß mittels neuer Ideen und fortschrittlicher Innovationen ein nachhaltiges Wachstum gesichert werden kann. Infolgedessen stehen Anpassung an neue Technologien sowie fortwährendes Lernen in unserem stetig expandierenden Betrieb fortwährend an der ersten Stelle. Für den Fall, dass für Sie mal die Möglichkeit besteht, einen Abstecher nach Lindenfels-Eulsbach machen zu können, haben Sie die Gelegenheit, sich persönlich in unserem Betrieb von unserem ausgezeichneten Service zu überzeugen.So finden Sie unsCa. 60 km südlich von Frankfurt am Main findet man Lindenfels im Regierungsbezirk Darmstadt. Falls Sie mit dem PKW anreisen, erreichen Sie den Ort per Autobahn entweder von Norden über Frankfurt am Main (A6) oder von Süden über Stuttgart, Karlsruhe und Mannheim (A8). Alternativ ist es natürlich auch möglich, mit der Bahn anzureisen.Unsere TopmarkenUnsere TopmarkenHinweise zu: Scheinwerfer

Verkaufspreis:
Nicht verfügbar
80,99 € Regulärer Preis: 93,14 €
Rabatt
Ventilschaftabdichtung 5.5x11x8.2 09289Q050805 Premium Ventilschaftdichtung
Ventilschaftabdichtung 5.5x11x8.2 09289Q050805 Premium Ventilschaftdichtung

zu Artikel: Ventilschaftdichtung Ventilschaftabdichtung 09289Q050805 Technik-InfoVentilschaftdichtungDichtung-Ventilschaft, Abdichtung-Ventilschaft, Dichtscheibe-Ventilschaft, Ventilschaftdichtung, Ventilschaftabdichtung Einer der großen chinesischen Hersteller von Motorrollern, der seit Jahren erfolgreich den Weltmarkt beliefert.Kostenloser Versand   Bei Ersatzteilen für jeden zusätzlichen Artikel mit den gleichen Versandkriterien, den Sie von uns kaufen.Sie können unsere Ersatzteile für ihren Roller bzw. Motorroller oder auch Scooter bequem online in unserem Shop kaufen. Egal ob Kaufhaus-Roller oder im Baumarkt-Roller, für alle gängigen Europa-, China-, oder Taiwan-Roller finden Sie bei uns passende Bauteile. Speziell für die Motoren 50 cc, 125 cc, 250 ccm, 2takt, 4takt und für größere Leistungen. Speziell für die Motorentypen 139QMB, 139QMA, 1E40QMB, 152QMI, 157QMI, GY6, 125-4T6M, 139FMB, 153FMI, 156FMI, 157QMJ, 158MJ, 164FML, 1E40QMA, JSD139QMB, 150QMG in kurzen und langen Versionen in den Normen Euro1, Euro2, Euro3 sowie die neuen Euro 4 Einspritzer-Motoren finden Sie qualitativ hochwertige Ersatzteile. Emailanfragen nach speziellen Ersatzteilen beantworten wir Ihnen gerne. Wenn sie für mehr als 100 Euro bestellen, können wir Ihnen auch Finanzierungs- bzw. Ratenkauf anbieten. Beim Kauf von Fahrzeugen haben Sie auch die Möglichkeit zu finanzieren oder zu leasen. Letzteres bietet sich besonders für Firmen an, die Betriebsfahrzeuge anschaffen, oder ihren Mitarbeitern ein Fahrzeug zur Verfügung stellen. Bitte fragen Sie an. Premium Ventilschaftdichtung für zuverlässige Abdichtung im Ventilbereich.Die Ventilschaftdichtung ist ein hochwertiges Premium Ersatzteil und sorgt als Premium Ventilschaftdichtung für optimale Abdichtung und lange Lebensdauer.

Verkaufspreis:
Verfügbar
9,80 € Regulärer Preis: 11,27 €
Baotian Hero 50 Generator 50ccm 4Takt Lichtmaschine Motorroller.de Stator 50cc 4T Ankerplatte Anker-Platte Stromerzeuger Strom-Generator
Baotian Hero 50 Generator 50ccm 4Takt Lichtmaschine Motorroller.de Stator 50cc 4T Ankerplatte Anker-Platte Stromerzeuger Strom-Generator

zu Artikel: Lichtmaschine mit außenliegendem pick up komplett mit Polrad (4 Kabel 1x2,2x1-Pol.) 8 Spulen 88mm und 2 Isolierten Spulen AC6 Regler 4 polig 139QMA 139QMB 4Takt 50ccmLichtmaschine Generator mit außenliegendem pick up komplett mit Polrad (4 Kabel 1x2,2x1-Pol.)8 Spulen 88mm und 2 Isolierten Spulen AC6 Regler 4 polig 139QMA/ JSD139QMB Lichtmaschine komplett,einzeln Version 1 50ccm GY-6 China 4Takt  Lichtmaschine Komplett mit Kabelanschluss/Stecker und Pickup Sensor. Die Lichtmaschinen gibt es in 2 verschiedenen Versionen. Merkmale sind die isolierten Spulen. Die Version 1 verfügt über zwei isolierte Spulen und die Version 2 über eine isolierte Spule in der Wicklung. . Die Belegung des Hauptsteckers kann mit zwei oder Drei Pins erfolgt sein. Hier sehen Sie die abgebildet Version 1. Lichtmaschine einzeln Version 1 50ccm GY-6 China 4Takt. Technik-Info Generator auch zu finden unter: Zündplatte, Zuend-Platte, Zuendplatte, Lichtmaschineneinheit, Lichtmaschine, Licht-Maschine, Ankerplatte, Zünd-Platte, Stromgenerator, Anker-Platte, Generator, Stator, Strom-Generator Lichtmaschine - Ersatzteil für RollerKaufen Sie bei uns eine komplette Lichtmaschine für Ihren Roller. Die Lieferung besteht aus Stator, einem außen liegenden Pick Up, sodass ein Drehzahlbegrenzer angeschlossen werden kann und einem Kabelsatz. Nutzen Sie diesen hochwertigen Komplettsatz Lichtmaschine für die günstige Reparatur Ihres Motorrollers, ohne auf teure original Ersatzteile zurückgreifen zu müssen, die meist keine bessere Qualität bieten! Lichtmaschine reparieren billig und in Erstausrüster Qualität. Kostengünstige Reparatur der LichtmaschineWenn Sie einen Defekt an der Lichtmaschine feststellen, kann dies auf viele Ursachen zurückzuführen sein. Wer kein teures Spezialwerkzeug zur Hand hat, kann nicht sicher sein, ob es sich um einen defekten Regler, eine durchgebrannte CDI-Zündeinheit, zu wenig Batterieladung oder einfach Zündungsprobleme handelt. Da viele dieser Schäden nicht repariert werden können, empfehlen wir Ihnen den Austausch der kompletten Roller Lichtmaschine. Dieser Artikel wurde hergestellt für Fahrzeuge der Marke:Jonway und AGM Kostenloser Versand Bei Ersatzteilen für jeden zusätzlichen Artikel mit den gleichen Versandkriterien, den Sie von uns kaufen. Unsere Ersatzteile für ihren Roller bzw. Motorroller oder auch Scooter können Sie bequem online in unserem Shop kaufen. Egal ob sie Ihren Roller im Baumarkt oder im Kaufhaus gekauft haben, für alle gängigen Taiwan-, China-, oder Europa-Roller finden Sie bei uns passende Bauteile, insbesondere für die Motoren 50 cc, 125 cc, 250 ccm, 2-Takt, 4-Takt und für größere Leistungen. Speziell für die Motorentypen 164FML ,157QMJ, 158MJ ,GY6 ,1E40QMB, 1E40QMA ,139QMB, 139QMA, JSD139QMB ,153FMI, 156FMI ,125-4T6M ,152QMI, 157QMI ,150QMG ,139FMB in kurzen und langen Versionen in den Normen Euro1, Euro2, Euro3 sowie die neuen Euro 4 Einspritzer-Motoren finden Sie Ersatzteile von hoher Güte. Gerne können Sie auch per Email nach Ersatzteilen anfragen. Bei Bestellwerten über 100 Euro können Sie auch unseren Ratenkauf- bzw. Finanzierungs-Service nutzen. Beim Kauf von Fahrzeugen können wir Ihnen auch ein Leasing-Angebot unterbreiten, das bietet sich insbesondere für Firmen an, die Betriebsfahrzeuge anschaffen, oder ihren Mitarbeitern ein Fahrzeug zur Verfügung stellen. Ihre Anfrage nehmen wir gerne entgegen Ein schadhaftes Teil reparieren lassen oder tauschen?Ganz egal, ob jemand einen Elektroroller bzw. E-Roller, 3-Rad Roller oder Motorroller fährt, er stellt sich vermutlich oftmals die Frage, ob sie ein kaputtes Element tauschen oder instand setzen lassen sollen. Darüber hinaus bietet ein Ersatzteil eine deutlich größere Ausfallsicherheit als eine Reparatur des Zweirads. Häufig kann man den Grund für eine Funktionsstörung nicht sogleich selber ermitteln und ein qualifizierter Fachmann muss herausfinden, weshalb der Roller Probleme macht. In dem Fall wäre es vernünftiger, bei uns eines der einbaufertigen Komplett-Kits zu ordern, welche wir für zahlreiche unterschiedliche Komponenten anbieten. .Bauteile von bester QualitätDie Qualität all unserer Ersatzteile hat Weltmarktniveau. Wir können allein aus dem Grund so günstig sein, weil wir unsere Teile in genügend großen Einheiten einkaufen. Sämtliche verfügbaren Ersatzteile für Ihr motorisiertes Zweirad kriegen Sie bei uns sowohl in guter Qualität als auch zu einem Preis, der mit Sicherheit Ihre Laune verbessert. Wir führen sogar für die häufigsten Roller, Quads und Buggys die Zubehörteile, die gar nicht mehr produziert werden. Beispielsweise haben wir alle Komponenten für die Marken Sundiro und Eppella nach wie vor lieferbar.Wer möchte, erhält bei uns selbstverständlich auch das Originalteil für sein Zweirad. Die meisten Kunden fassen indes zufolge der guten Preise und der Erstausrüster-Qualität unsere Nachbauten ins Auge. Ganz gleich, ob Sie die Reparatur an Ihrem Motorroller selbst durchführen wollen oder lieber in einer Werkstatt durchführen lassen möchten, ohne Frage liegen Sie mit unseren Produkten hundertprozentig richtig. Es gibt vermutlich keine andere Alternative, durch die Sie zu günstigen Preisen und in vorzüglicher Qualität Ihren Motorroller reparieren können.Mit Hilfe der Abbildungen ist die Bestellung des gewünschten Zubehörs ein KinderspielIn Verbindung mit den Erläuterungen finden Sie in unserem Online Shop auch entsprechendes Bildmaterial. So können Sie auf schnellstem Weg Ihr altes Austauschteil mit dem erhältlichen Ersatz vergleichen und gehen somit sicher, dass Sie später auch wirklich den passenden Artikel erhalten. Achten Sie bitte speziell auf die Übereinstimmung der schadhaften Komponente mit dem abgebildeten Produkt; besonders was die deklarierten Abmessungen und technischen Angaben betrifft. 10 Vorteile von denen Sie profitieren:Unser Lager umfasst Ersatzteile und Zubehör für zirka 250 Marken und 8500 TypenAbsolute Fahrsicherheit des Zweirads, besonders bei BremsanlagenKurzfristige LieferzeitenDurch unsere "Geld zurück" - Garantie kaufen Sie ohne RisikoHol- und BringservicePräzisionsfertigung nach DIN-NormSie bezahlen nur einmal Versandkosten beim Ordern mehrerer Einbauteile mit identischen VersandvoraussetzungenWir kaufen Ihr FahrzeugAlle unsere Einbauelemente sind langlebig, zuverlässig und preiswürdigAuch bei günstigen Nachbauten erhalten Sie von uns immer die Erstausrüster-QualitätMotorroller, Fun Fahrzeuge, Quads und Straßenbuggys kauft man am besten bei uns als Fachhändler. Wieso wäre es für Sie von Vorteil, wenn Sie uns für Sie tätig werden lassen? Weil wir für dieses Geschäftsfeld die Meister-Qualifikation und das entsprechende Know-how besitzen, was dazu unter allen Umständen benötigt wird. Wir betreiben nicht ausschließlich unser Geschäft rund um die Roller, wir leben es buchstäblich. Es ist unverzichtbar, sich das Fachgeschäft deswegen vorher genau anzusehen, ehe man sich zu einem Kauf entschließt. Bei uns ist alles für die Kundschaft 100-prozentig transparent! Kommen Sie doch einfach mal in unserem Ladengeschäft vorbei und machen Sie sich selbst ein Bild von uns.Den Nachweis unserer Qualität können Sie dann unmittelbar vor Ort herausfinden.Möglicherweise ist Ihnen der Weg zu uns zu weit. Dann haben Sie auch die Option, durch das Trustedshops-Siegels und die zahlreichen Ebay Bewertungen Informationen über uns einzuholen. Sowohl unser Shop als auch unsere Geschäftspraxis werden zum Beispiel mit dem Trustedshops Gütesiegel "sehr gut" eingestuft. Auch bei Ebay liegen wir mit dem Bewertungsfaktor 99,9 % sehr gut im Rennen. All diese Resultate lassen nur einen einzigen Schluss zu: Wir legen uns auf allen Gebieten immer mächtig ins Zeug! Denken Sie aber bitte daran, dass wir keine Roboter sondern auch nur Menschen sind, denen mitunter etwas daneben gehen kann. Seien Sie darum nicht gleich aufgebracht, falls mal etwas nicht hundertprozentig funktioniert hat, sondern geben Sie uns die Gelegenheit, unseren Fehler wieder gut zu machen.Unser gut geschultes Team steht Ihnen täglich zwischen 8:00 und 18:00 Uhr sowie am Samstag von 8:00 bis 13:00 Uhr zur Verfügung.Über unsBei uns ist der Kunde noch König. Den Handel mit Zweirädern betreiben wir schon über 25 Jahre sehr erfolgreich, möchten hierbei hingegen erwähnen, dass wir bereits mehr als fünf Jahrzehnte auf eine Erfolg versprechende Geschäftstätigkeit auf dem Gebiet des Maschinenbaus zurückschauen können. Zwischenzeitlich haben wir uns auf Einbauteile, Zubehör und das "Nice-to-have" zum Erhöhen der Leistung für die meist gefahrenen Roller ausgerichtet.Unsere Artikelauswahl beinhaltet etwa 500.000 TeileWenn Sie zu Ihrem Roller eine Komponente suchen, werden Sie auf unserer Internet-Seite unter Motorroller.de gewiss fündig. In unserem Lager warten Artikel, Teile und passendes Zubehör für rund 8500 Typen und 250 Fabrikate auf Ihre Bestellung. Z.B. arbeiten wir schon jahrelang mit so namhaften Lieferanten wie Adly, Yamaha, Kreidler oder Jonway zusammen. Wir haben insgesamt mehr als 500.000 Produkte von diversen Anbietern im Sortiment, welche auf einer Fläche von über 1.000 m² in unseren Hochregalen gelagert sind. Hier finden Sie in jedem Fall das gewünschte Rollerzubehör von A bis Z. Das beginnt bei den Nierengürteln, Handschuhen und Regensets, und geht bis hin zum Top Case über die Windschilder und den Sturzhelmen.Damit die Tuningfans gleichermaßen auf ihre Rechnung kommen, haben wir für sie ausgesuchte Artikel wie Kolben, Zylinder, Auspuffanlagen und weitere Dinge im Sortiment.Direkt nach der ProduktionFortlaufende Qualitätskontrollen sind das Hobby unseres Unternehmens. Mit anderen Worten, bevor ein Fahrzeug ausgeliefert bzw. vom Kunden abgeholt wird, checken wir es zum Schluss nochmals eingehend auf etwaige Fehler bzw. Transportschäden. Das erste Mal geschieht das vor dem Versand, indem wir jeden Roller auspacken und auf unserem computergesteuerten Prüfstand einem Probelauf bzw. einer Übergabekontrolle unterziehen. Ein abschließender Funktionscheck erfolgt dann bei der Übergabe an den Käufer. Dadurch ist garantiert, dass der Motorroller sich de facto in einem korrekten Zustand befindet und den Kunden ganz und gar zufriedenstellt.UmweltschutzWas uns besonders am Herzen liegt, ist ein wirkungsvoller Umweltschutz. Zur Bewahrung der Luftreinheit haben unsere Zweiräder allesamt Verbrennungsmotoren, welche ausgesprochen Treibstoff sparend laufen. Bei der Anlieferung unserer Roller bleibt immer das Verpackungsmaterial übrig. Dieses nehmen wir natürlich wieder zu einer fachgerechten Müll-Entsorgung wieder mit.Wir nehmen Ihren Motorroller in ZahlungSie wollen sich bei uns einen neuen Roller zulegen und suchen für Ihr ausgedientes Gefährt einen neuen Besitzer? Kein Problem! Lassen Sie uns das übernehmen, indem wir Ihren gebrauchten Motorroller ankaufen.Sie sind nach wie vor nicht überzeugt?Geben Sie uns doch die Möglichkeit, unsere fachlichen Qualitäten unter Beweis zu stellen. Wir zählen nicht zu den billigen Internetshops, welche heute ihre Ware anbieten und morgen schon wieder von der Bildfläche verschwunden sind. In unserem fortwährend wachsenden Unternehmen steht Fleiß und ständiges Lernen an erster Stelle, weil wir davon überzeugt sind, dass sich ausschließlich durch fortschrittliche Innovationen und neue Ideen das Know-how für eine gut fundierte Geschäftsbasis schaffen lässt. Überzeugen Sie sich selbst von unserem ausgezeichneten Service und besuchen Sie uns doch einmal in unserem Betrieb in Lindenfels-Eulsbach.So finden Sie unsLindenfels liegt rund 60 km südlich von Frankfurt/Main und 40 km nordöstlich von Mannheim im Odenwald (Regierungsbezirk Darmstadt). Natürlich kann man auf Grund der guten Verkehrsanbindung auch ganz bequem per Bahn hinfahren.Unsere TopmarkenUnsere Topmarken

Regulärer Preis:
Verfügbar
109,90 €
Rex Off Limit Abdeckhaube Kappe Abdeckung Roller Motorroller.de 50ccm 4Takt 139QMB JSD50QT-13 50cc 4T 139QMA Deckel Schutz Verkleidung
Rex Off Limit Abdeckhaube Kappe Abdeckung Roller Motorroller.de 50ccm 4Takt 139QMB JSD50QT-13 50cc 4T 139QMA Deckel Schutz Verkleidung

zu Artikel: Deckel Ölsieb ohne O-Ring GEW.30mm SW.17mm 4Takt 50 / 180ccm JSD139QMBAbdeckung Abdeckung Ölsieb ohne O-Ring GEW.30mm SW.17mm 4-Takt 50 / 180 ccm JSD139QMB Technik-InfoDeckel auch zu finden unter: Verkleidung, Abdeckung, Blende, Schutz, Deckel, Haube, Abdeckhaube, Abdeckung Verkleidungsteile für bestimmte (seltene) Modelle sind oft schwer zu bekommen. Darum haben wir bei unseren eigenen Modellen Wert auf zeitlos elegantes Design gelegt, sodass wir auch für ältere Modelle unserer Eigenmarken stetes Ersatz liefern können. Unsere Verkleidungsteile sind aus hochwertigem langlebigen Kunststoff hergestellt Dieser Artikel wurde hergestellt für Fahrzeuge der Marke:Rex Erstausrüsterqualität beste Verarbeitung Lagerware günstiger Preis Direktimport Unsere Ersatzteile für ihren Scooter bzw. Roller oder auch Motorroller können Sie bequem online in unserem Shop kaufen. Egal ob sie Ihren Roller im Baumarkt oder im Kaufhaus gekauft haben, für alle gängigen Europa-, China-, oder Taiwan-Roller finden Sie bei uns passende Bauteile, insbesondere für die Motoren 50 cc, 125 cc, 250 ccm, 2takt, 4takt und für größere Leistungen. Speziell für die Motorentypen 164FML ,139QMB, 139QMA, JSD139QMB ,157QMJ, 158MJ ,139FMB ,150QMG ,153FMI, 156FMI ,1E40QMB, 1E40QMA ,GY6 ,152QMI, 157QMI ,125-4T6M in kurzen und langen Versionen in den Normen Euro1, Euro2, Euro3 sowie die neuen Euro 4 Einspritzer-Motoren finden Sie hochqualitative Ersatzteile. Gerne können Sie auch per Email nach Ersatzteilen anfragen. Bei Bestellwerten über 100 Euro können Sie auch unseren Finanzierungs- bzw. Ratenkauf-Service nutzen. Beim Kauf von Fahrzeugen können wir Ihnen auch ein Leasing-Angebot unterbreiten, das bietet sich insbesondere für Firmen an, die Betriebsfahrzeuge anschaffen, oder ihren Mitarbeitern ein Fahrzeug zur Verfügung stellen. Wir freuen uns auf Ihre Anfrage. Instandsetzen oder ersetzen? Geht mal irgendetwas am Roller kaputt, dann hat man im Prinzip zwei Möglichkeiten: reparieren lassen oder gleich austauschen. Falls jemand solche Überlegungen anstellt, sollte er allerdings daran denken, dass zufolge der verhältnismäßig hohen Lohnkosten, sogar eine kleine Reparatur bereits sehr ins Geld gehen kann. Ein weiterer Aspekt ist, dass ein Ersatzteil nicht bloß kostengünstiger ist als eine Instandsetzung, sondern danach auch eine deutlich größere Funktionssicherheit bietet. Ein verborgener Defekt kann zumeist nur von einem kompetenten Fachmann mithilfe von Spezialwerkszeugen eruiert werden. Anderenfalls hat man auch die Möglichkeit, sich für eines der fertigen Ersatzteil-Kits zu entscheiden, welche wir in zahlreichen diversen Ausführungen im Angebot haben. Wer schon mal mit seinem defekten Roller in die Werkstatt fahren musste, hat möglicherweise für die Instandsetzung eine Menge Geld bezahlt. Hier wäre es erheblich preiswerter gewesen, gleich selbst die gesamte Baugruppe zu wechseln. Qualitativ hochklassige Roller-Ersatzteile und Zubehör Die Qualität unserer Teile braucht keine Konkurrenz auf dem Weltmarkt zu fürchten. Unsere Produkte sind deswegen so attraktiv, weil wir bereits im Einkauf auf entsprechend große Produktmengen achten. Alle lieferbaren Teile für Ihren fahrbaren Untersatz können Sie bei über unseren Shop sowohl in guter Qualität als auch zu einem Preis ordern, der Ihnen ein Lächeln ins Gesicht zaubert. Sie suchen für einen Eppella oder Sundiro Roller ein Einbauteil? Keine Sorge, wir haben sie lieferbar.Wer möchte, erhält bei uns ohne Frage auch das Originalteil für sein motorisiertes Zweirad. Die meisten fassen indes wegen der guten Preise und der Erstausrüster-Qualität unsere Nachbauten ins Auge. Sie können mit unseren Komponenten die Reparatur von Ihrem Zweirad entweder selber bewerkstelligen oder von einem Fachmann durchführen lassen. Hierzu müssen Sie nicht unbedingt teure Originalteile verwenden und können folglich Ihren Geldbeutel schonen. Es gibt sicherlich keine andere Alternative, durch die Sie zu günstigen Preisen und in hervorragender Qualität Ihr Zweirad instand setzen können. Es ist denkbar easy, unter Zuhilfenahme der Abbildungen das gewünschte Austauschteil zu bestellen Damit Sie auch de facto den passenden Artikel bekommen, finden Sie in unserem Shop eine Menge von anschaulichem Bildmaterial, durch das Sie Ihre alte Komponente mit dem lieferbaren Ersatz vergleichen können. Relevant ist dabei, dass Ihre Bestellung sowohl visuell als auch in den Spezifikationen und Dimensionen mit dem schadhaften Bauteil übereinstimmt. Auf welche Weise Sie davon profitieren:Absolute Verkehrssicherheit des Motorrollers, besonders bei den BremsenUnser Lager umfasst Komponenten und Artikel für zirka 250 Marken und 8500 TypenWir kaufen Ihr FahrzeugUnsere sämtlichen Produkte sind kostengünstig, gebrauchstauglich sowie ausfallsicherPräzisionsfertigung nach DIN-NormWir holen und bringen Ihren MotorrollerSie zahlen nur einmal den Versand bei Bestellung mehrerer Ersatzteile mit identischen VersandbedingungenKurze LieferzeitenAuch bei günstigen Nachbauten bekommen Sie von uns ausschließlich die ErstausrüsterqualitätDurch unsere "Geld zurück" - Garantie kaufen Sie ohne RisikoWir sind die erste Adresse, falls es um die Anschaffung von einem Motorroller, Quad, Buggy oder Fun-Fahrzeug geht. Aus welchem Grund sollten Sie sich an uns wenden? Weil wir die Meister-Qualifikation und das Know-how besitzen, die man für diesen Geschäftsbereich unbedingt benötigt. Unsere Leidenschaft ist es, nicht nur zu verkaufen, sondern unsere Kunden auch danach zu betreuen sowie einen optimalen Fahrzeugservice durchzuführen. Wir betreiben nicht ausschließlich unser Geschäft rund um die Motorroller, wir leben es förmlich. Kaufen ist Vertrauenssache, aus dem Grund ist es unverzichtbar, sich seinen Lieferanten zuerst genau anzusehen. Unsere Geschäftspraktiken sind für die Kundschaft absolut transparent! Gerne können Sie uns einen Besuch abstatten, um sich über uns eigenhändig zu informieren.Das was Sie dort beobachten, wird Sie mit Sicherheit überzeugen.Vermutlich ist Ihnen der Weg zu uns zu weit. Dann haben Sie auch die Option, durch das Trustedshops-Siegels und die verschiedenen Ebay Bewertungen Infos über uns einzuholen. Sowohl unsere Geschäftspraxis als auch unser Verkaufs-Shop werden beispielsweise mit dem Trustedshops Gütesiegel "sehr gut" eingestuft. Der Wert von zirka 99,9 Prozent bei Ebay in den Kundenbewertungen kann sich genauso sehen lassen. All diese Ergebnisse lassen nur einen einzigen Schluss zu: Unsere Kunden sind bei uns bestens aufgehoben! Aber auch, wenn wir uns noch so bemühen - wir sind keine Maschinen, sondern Menschen, die manchmal mal etwas falsch machen. Darum bitten wir Sie, sofern mal etwas nicht zu Ihrer Zufriedenheit verlaufen ist, uns auf jeden Fall die Möglichkeit zur Verbesserung zu geben.Zu welchen Zeiten wir Ihnen zu Diensten stehen? Täglich von 8:00 bis 18:00 Uhr und samstags von 8:00 bis 13:00 Uhr. Unser Unternehmen stellt sich vor Wir haben uns die Zufriedenheit unserer Kundschaft auf die Fahne geschrieben. Vor über 5 Jahrzehnten fing unser Unternehmen mit dem Bau von Maschinen an, während sich das Fahrzeuggeschäft heute auch schon seit mehr als 25 Jahren erfolgreich etablieren konnte. Mittlerweile haben wir uns neben der Vermarktung von Motorrollern, auf Ersatzelemente, Fahrzeugzubehör und das "Must have" zur Steigerung der Motorleistung spezialisiert. Unsere Produktauswahl schließt etwa 500.000 tag=203#Einbauteile ein Unter Motorroller.de finden Sie beinahe alle Einbauteile und motorisierte Zweiräder aus Asien und Europa. In unserem Auslieferungslager warten Einbaukomponenten, passendes Zubehör und Artikel für ungefähr 250 Fabrikate und 8500 Modelle auf Ihre Bestellung. Darunter sind zum Beispiel Hersteller wie Adly, Yamaha, Kreidler oder Jonway zu finden. In der Summe haben wir auf einer Fläche von über 1.000 Quadratmeter ca. 500.000 Produkte von verschiedenen Anbietern in unseren Hochregalen lieferbar. Unser Zubehörlager bietet demnach alles, was man als Rollerfahrer braucht. Das beginnt bei den Windschildern über das Top Case und den Sturzhelmen, und geht bis hin zu Regensets, Handschuhen und Nierengürteln.In unserer Tuningabteilung halten wir für alle, die es gerne sportlich mögen ebenfalls einige ausgewählte Produkte bereit. Dazu zählen zum Beispiel Kolben, Zylinder, Auspuffanlagen und weitere Dinge. Direkt nach der Produktion Kein Artikel verlässt unser Haus, bevor er nicht auf makellose Qualität geprüft worden ist. Dies bedeutet, dass sämtliche Roller, die vom Hersteller bei uns ankommen, in unserem Betrieb nochmals einer eingehenden Überprüfung auf eventuelle Fehler beziehungsweise Transportschäden unterzogen werden. Erst dann übergeben wir sie an unsere Kunden. Vor dem Versand wird zunächst jeden Roller ausgepackt und auf unserem computergesteuerten Prüfstand einem Probelauf unterzogen. Ehe der Käufer den Motorroller übernimmt, erfolgt noch ein abschließender Funktionstest. So ist de facto garantiert, dass der Kunde mit seiner Anschaffung zu 100 Prozent zufrieden ist. Schutz unserer Umwelt Uns liegt sehr viel an einem effektiven Umweltschutz. Das sagen wir nicht bloß, weil unsere motorisierten Zweiräder generell mit Verbrennungsmotoren ausgestattet sind, die relativ wenig Sprit verbrauchen. Ohne Frage nehmen wir im Sinne des Umweltschutzes jegliches Verpackungsmaterial wieder mit, das bei der Anlieferung unserer Roller anfällt und führen es einer fachgerechten Müllentsorgung zu. Roller-Ankauf Sie möchten sich bei uns einen neuen Roller kaufen und sich gleichzeitig von Ihrem alten Gefährt trennen? Keine Sorge! Lassen Sie das unser Problem sein, denn wir nehmen Ihren ausgedienten Roller in Zahlung. Wir konnten Ihre Skepsis trotz allem nicht beseitigen? Sofern wir von Ihnen die Chance dazu bekommen, können wir Ihnen unsere Leistungen auch beweisen. Man sollte uns nicht mit den zahlreichen billigen Verkaufsshops, die heute kommen und morgen bereits wieder fort sind, gleich stellen. Es ist uns bekannt, dass sich nur aufgrund zeitgemäßer Innovationen und neuer Ideen die Grundlage für eine Erfolg versprechende geschäftliche Tätigkeit legen lässt. Besuchen Sie uns doch einmal in unserem Unternehmen in Lindenfels-Eulsbach und überzeugen Sie sich selbst von unserem vortrefflichen Kundenservice. Wie kommen Sie am besten zu uns nach Lindenfels? Lindenfels befindet sich im Regierungsbezirk Darmstadt, und zwar 40 km nordöstlich von Mannheim bzw. rund 60 km im Süden von Frankfurt am Main. Sie fahren am besten von Norden her über die A6, während Sie aus südlicher Richtung die A8 nehmen. Optional ist es klarerweise auch möglich, mit der Bahn anzureisen. Unsere TopmarkenUnsere Topmarken

Regulärer Preis:
Verfügbar
12,90 €
Rabatt
Schalthebelwelle 150ccm 4Takt Rex Quad 150 komplett ATV 98451 Motorroller.de Schaltwelle 150ccm-4Takt Chopper 125 Offroad Ersatzteil Service Inpektion
Schalthebelwelle 150ccm 4Takt Rex Quad 150 komplett ATV 98451 Motorroller.de Schaltwelle 150ccm-4Takt Chopper 125 Offroad Ersatzteil Service Inpektion

zu Artikel: Schalthebelwelle 98451 Technik-InfoSchalthebelwelleSchalthebelwelle, Schalthebelwelle komplett, Schaltwelle, Schaltstange Die Marke Rex ist eine der meistverkauften in Deutschland. Durch ständige Qualitätskontrollen vorort beim Hersteller ist ein hoher Standard gewährleistet.Kostenloser Versand   Bei Ersatzteilen für jeden zusätzlichen Artikel mit den gleichen Versandkriterien, den Sie von uns kaufen.Sie können unsere Ersatzteile für ihren Roller bzw. Motorroller oder auch Scooter bequem online in unserem Shop kaufen. Egal ob Kaufhaus-Roller oder im Baumarkt-Roller, für alle gängigen Europa-, China-, oder Taiwan-Roller finden Sie bei uns passende Bauteile. Speziell für die Motoren 50 cc, 125 cc, 250 ccm, 2takt, 4takt und für größere Leistungen. Speziell für die Motorentypen 139QMB, 139QMA, 1E40QMB, 152QMI, 157QMI, GY6, 125-4T6M, 139FMB, 153FMI, 156FMI, 157QMJ, 158MJ, 164FML, 1E40QMA, JSD139QMB, 150QMG in kurzen und langen Versionen in den Normen Euro1, Euro2, Euro3 sowie die neuen Euro 4 Einspritzer-Motoren finden Sie qualitativ hochwertige Ersatzteile. Emailanfragen nach speziellen Ersatzteilen beantworten wir Ihnen gerne. Wenn sie für mehr als 100 Euro bestellen, können wir Ihnen auch Finanzierungs- bzw. Ratenkauf anbieten. Beim Kauf von Fahrzeugen haben Sie auch die Möglichkeit zu finanzieren oder zu leasen. Letzteres bietet sich besonders für Firmen an, die Betriebsfahrzeuge anschaffen, oder ihren Mitarbeitern ein Fahrzeug zur Verfügung stellen. Bitte fragen Sie an.

Verkaufspreis:
Nicht verfügbar
25,29 € Regulärer Preis: 29,08 €
Rabatt
Chunlan Chopper Rolle 10,2x9,5mm 125ccm 4Takt 244FM.10.03-03 Motorroller.de Umlenkrolle f. Bremszug Bremszugrolle Motorrad Moped Ersatzteil Service
Chunlan Chopper Rolle 10,2x9,5mm 125ccm 4Takt 244FM.10.03-03 Motorroller.de Umlenkrolle f. Bremszug Bremszugrolle Motorrad Moped Ersatzteil Service

Rolle 10,2X9,5 für Baugruppe Starterkupplung

Verkaufspreis:
Nicht verfügbar
9,20 € Regulärer Preis: 10,58 €