Zum Hauptinhalt springen Zur Suche springen Zur Hauptnavigation springen
Menü

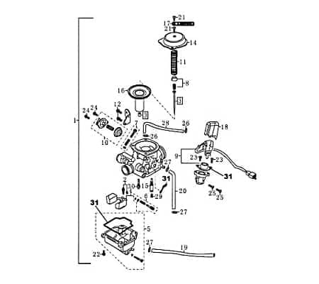
Motorroller Gasschieber für Roller Quad ATV Buggy Motorroller.de

Rückruf vereinbaren
Die von Ihnen übermittelten Informationen werden gemäß unserer Datenschutzerklärung ausschließlich für die Abwicklung Ihrer Kontaktanfrage gespeichert.
Rückruf erfolgreich angefordert.
Formular konnte nicht verarbeitet werden.