Zum Hauptinhalt springen Zur Suche springen Zur Hauptnavigation springen
Menü
efr
erf
rrrf
Schnell lieferbar
14 Tage Rückgaberecht
Schneller DPD Versand

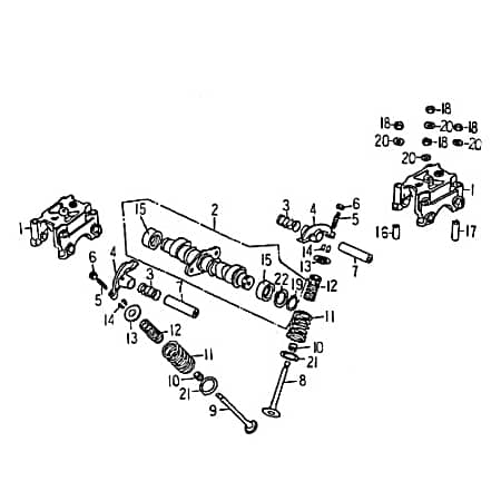
zu Artikel: Kontermutter 90620

Technik-Info

Kontermutter

Mutter, Kontermutter, Flanschmutter, Sechskantmutter

Die Marke Rex ist eine der meistverkauften in Deutschland. Durch ständige Qualitätskontrollen vorort beim Hersteller ist ein hoher Standard gewährleistet.

Kostenloser Versand   Bei Ersatzteilen für jeden zusätzlichen Artikel mit den gleichen Versandkriterien, den Sie von uns kaufen.

Unsere Ersatzteile für ihren Scooter bzw. Roller oder auch Motorroller können Sie bequem online in unserem Shop kaufen. Egal ob sie Ihren Roller im Baumarkt oder im Kaufhaus gekauft haben, für alle gängigen Taiwan-, China-, oder Europa-Roller finden Sie bei uns passende Bauteile, insbesondere für die Motoren 50 cc, 125 cc, 250 ccm, 2-Takt, 4-Takt und für größere Leistungen. Speziell für die Motorentypen 139FMB ,153FMI, 156FMI ,125-4T6M , GY6 ,152QMI, 157QMI ,164FML ,139QMB, 139QMA, JSD139QMB ,157QMJ, 158MJ ,1E40QMB, 1E40QMA ,150QMG in kurzen und langen Versionen in den Normen Euro1, Euro2, Euro3 sowie die neuen Euro 4 Einspritzer-Motoren finden Sie Ersatzteile von hoher Qualität. Gerne können Sie auch per Email nach Ersatzteilen anfragen. Bei Bestellwerten über 100 Euro können Sie auch unseren Ratenkauf- bzw. Finanzierungs-Service nutzen. Beim Kauf von Fahrzeugen können wir Ihnen auch ein Leasing-Angebot unterbreiten, das bietet sich insbesondere für Firmen an, die Betriebsfahrzeuge anschaffen, oder ihren Mitarbeitern ein Fahrzeug zur Verfügung stellen. Bitte fragen Sie an.

Baugruppe: Motor

Artikelposition in Explosionszeichnung: 6

Ersatzteil: Nockenwelle & Ventile

Motorroller bequem online kaufen – von der Bestellung bis zur Lieferung


Mobiler Home Service – Bundesweit Inspektionen und Reparaturen


Motorroller.de – Über uns – Ihr Support vom Profi seit 1993

Ihr Finanzierungsplan**
Monate Rate mtl. Gesamt
6039,67 €2.380,49 €
12157,59 €1.891,14 €

Einfach im Bestellvorgang die Expokredit-Finanzierung als Zahlungsweise auswählen ...

  • Barossa Cheetah 250
  • Kreidler Mustang 250
  • Rex Quad 150
  • Rex Quad 250
  • SMC STM Quad 250
Produktgalerie überspringen

Kunden haben sich ebenfalls angesehen

Rabatt
Dichtring 8,5x18x2 741198 Dichtungsring O-Ring Dichtung
Dichtring 8,5x18x2 741198 Dichtungsring O-Ring Dichtung

zu Artikel: Dichtring 8,5x18x2 741198 Technik-Info Dichtring OR-Dichtung, Dichtring, Gummi-Ring, Dicht-Ring, Motorölablassdichtung, Steuerkettenspanner, Dichtung, Dichtung Gummi, Gummidichtung, Gummidichtring, Ring, Ringstück, O-Ring, Oring, Gummiring Kostenloser Versand   Bei Ersatzteilen für jeden zusätzlichen Artikel mit den gleichen Versandkriterien, den Sie von uns kaufen. Unsere Ersatzteile für ihren Motorroller bzw. Scooter oder auch Roller können Sie bequem online in unserem Shop kaufen. Egal ob sie Ihren Roller im Kaufhaus oder im Baumarkt gekauft haben, für alle gängigen China-, Europa-, oder Taiwan-Roller finden Sie bei uns passende Bauteile, insbesondere für die Motoren 50 cc, 125 cc, 250 ccm, 4takt, 2takt und für größere Leistungen. Speziell für die Motorentypen 164FML ,153FMI, 156FMI ,125-4T6M ,139QMB, 139QMA, JSD139QMB ,152QMI, 157QMI ,139FMB ,157QMJ, 158MJ , GY6 ,1E40QMB, 1E40QMA ,150QMG in kurzen und langen Versionen in den Normen Euro1, Euro2, Euro3 sowie die neuen Euro 4 Einspritzer-Motoren finden Sie Ersatzteile von bewährter Qualität. Gerne können Sie auch per Email nach Ersatzteilen anfragen. Bei Bestellwerten über 100 Euro können Sie auch unseren Ratenkauf- bzw. Finanzierungs-Service nutzen. Beim Kauf von Fahrzeugen können wir Ihnen auch ein Leasing-Angebot unterbreiten, das bietet sich insbesondere für Firmen an, die Betriebsfahrzeuge anschaffen, oder ihren Mitarbeitern ein Fahrzeug zur Verfügung stellen. Ihre Anfrage nehmen wir gerne entgegen

Verkaufspreis:
Verfügbar
1,83 € Regulärer Preis: 2,10 €
Rabatt
Rex Supermoto 125 DD Distanzbuchse Hülse 125ccm 4Takt 730842 Motorroller.de Bremspadalhebel Distanzhülse Distanzring Distanz-Hülse Passhülse Motorrad
Rex Supermoto 125 DD Distanzbuchse Hülse 125ccm 4Takt 730842 Motorroller.de Bremspadalhebel Distanzhülse Distanzring Distanz-Hülse Passhülse Motorrad

zu Artikel: Abstandsbuchse Bremspadalhebel 730842 Technik-Info Abstandsbuchse Distanzhuelse, Passhuelse, Distanzbuchse, Passhülse, Distanzhülse, Buchse, Passbuchse, Abstandsbuchse, Hülse, Huelse, Abstands-Hülse, Abstands-Huelse, Abstands-Buchse, Abstandshülse, Abstandshuelse, Distanz-Buchse, Distanz-Hülse, Distanz-Huelse, Distanzring, Distanz Ring Die Abstandsbuchse gewährt einen (Mindest-) Abstand zwischen zwei Bauteilen. Die Marke Rex ist eine der meistverkauften in Deutschland. Durch ständige Qualitätskontrollen vorort beim Hersteller ist ein hoher Standard gewährleistet. Kostenloser Versand   Bei Ersatzteilen für jeden zusätzlichen Artikel mit den gleichen Versandkriterien, den Sie von uns kaufen. Unsere Ersatzteile für ihren Motorroller bzw. Roller oder auch Scooter können Sie bequem online in unserem Shop kaufen. Egal ob sie Ihren Roller im Kaufhaus oder im Baumarkt gekauft haben, für alle gängigen Taiwan-, China-, oder Europa-Roller finden Sie bei uns passende Bauteile, insbesondere für die Motoren 50 cc, 125 cc, 250 ccm, 4-Takt, 2-Takt und für größere Leistungen. Speziell für die Motorentypen 139QMB, 139QMA, JSD139QMB , GY6 ,152QMI, 157QMI ,1E40QMB, 1E40QMA ,153FMI, 156FMI ,157QMJ, 158MJ ,125-4T6M ,164FML ,150QMG ,139FMB in kurzen und langen Versionen in den Normen Euro1, Euro2, Euro3 sowie die neuen Euro 4 Einspritzer-Motoren finden Sie Ersatzteile von hoher Güte. Gerne können Sie auch per Email nach Ersatzteilen anfragen. Bei Bestellwerten über 100 Euro können Sie auch unseren Ratenkauf- bzw. Finanzierungs-Service nutzen. Beim Kauf von Fahrzeugen können wir Ihnen auch ein Leasing-Angebot unterbreiten, das bietet sich insbesondere für Firmen an, die Betriebsfahrzeuge anschaffen, oder ihren Mitarbeitern ein Fahrzeug zur Verfügung stellen. Wir freuen uns auf Ihre Anfrage.

Verkaufspreis:
Nicht verfügbar
3,39 € Regulärer Preis: 3,90 €
Rabatt
AEON Halterung Overland 180 Befestigung Quad ATV 180ccm 4Takt Motorroller.de Arretierung Haltebügel Halteblech Befestigungshalter Halte-Blech UTV
AEON Halterung Overland 180 Befestigung Quad ATV 180ccm 4Takt Motorroller.de Arretierung Haltebügel Halteblech Befestigungshalter Halte-Blech UTV

zu Artikel: Halterung 53310-181-00A HalterungTechnik-InfoHalterungHalteblech, Haltebügel, Haltebuegel, Befestigung, Halter, Halterung, Halte-Blech, Halte-Bügel, Halte-Buegel, Befestigungshalter, Befestigung Kettenrad hinten, ArretierungOb Halter für Kabel und Schläuche, für Ständer, Auspuff auch Befestigungsbrücken für Gepäckträger sind bei uns Standard-Ersatzteile in erstklassiger Qualität. Die Teile werden einer ständigen Qualitätssicherung unterzogen, zu Ihrer und unserer Zufriedenheit.Dieser Artikel passt bei vielen Modellen, unter anderem für: Aeon Overland 125 ab BJ.03-04, Bitte vergleichen Sie mit ihren Fahrzeugpapieren, Aeon Cobra 180 RSII BJ.07/2003-2005Langjährige Erfahrung und stets einwandfreie Qualität haben diesen Hersteller ausgezeichnet.Kostenloser Versand   Bei Ersatzteilen für jeden zusätzlichen Artikel mit den gleichen Versandkriterien, den Sie von uns kaufen.Unsere Ersatzteile für ihren Scooter bzw. Motorroller oder auch Roller können Sie bequem online in unserem Shop kaufen. Egal ob sie Ihren Roller im Baumarkt oder im Kaufhaus gekauft haben, für alle gängigen Taiwan-, China-, oder Europa-Roller finden Sie bei uns passende Bauteile, insbesondere für die Motoren 50 cc, 125 cc, 250 ccm, 4takt, 2takt und für größere Leistungen. Speziell für die Motorentypen 139FMB ,153FMI, 156FMI ,157QMJ, 158MJ ,164FML ,139QMB, 139QMA, JSD139QMB ,150QMG ,1E40QMB, 1E40QMA , GY6 ,152QMI, 157QMI ,125-4T6M in kurzen und langen Versionen in den Normen Euro1, Euro2, Euro3 sowie die neuen Euro 4 Einspritzer-Motoren finden Sie Ersatzteile von hoher Qualität. Gerne können Sie auch per Email nach Ersatzteilen anfragen. Bei Bestellwerten über 100 Euro können Sie auch unseren Finanzierungs- bzw. Ratenkauf-Service nutzen. Beim Kauf von Fahrzeugen können wir Ihnen auch ein Leasing-Angebot unterbreiten, das bietet sich insbesondere für Firmen an, die Betriebsfahrzeuge anschaffen, oder ihren Mitarbeitern ein Fahrzeug zur Verfügung stellen. Wir freuen uns auf Ihre Anfrage.

Verkaufspreis:
Verfügbar
17,99 € Regulärer Preis: 20,69 €
Rabatt
Passhülse Motorgehäuse 10x8x16mm 125ccm Rex 50ccm 4Takt Motorroller.de Passbuchse Distanzhülse Distanz-Hülse Distanzbuchse Abstandshülse 50ccm-2Takt
Passhülse Motorgehäuse 10x8x16mm 125ccm Rex 50ccm 4Takt Motorroller.de Passbuchse Distanzhülse Distanz-Hülse Distanzbuchse Abstandshülse 50ccm-2Takt

zu Artikel: Passhülse 10x8x16mm 78503 Passhülse 10x8x16mmTechnik-InfoPasshülseauch zu finden unter: Passhülse, Passhuelse, Arretierungshülse, Arretierungshuelse, Arretierbuchse, Arretierhülse, Arretierhuelse, Distanzbuchse, Distanzhülse, Distanzhuelse, Buchse, Hülse, Huelse, Abstandshülse, Abstandshuelse, Abstandsbuchse, Distanz-Buchse, Distanz-Hülse, Distanz-Huelse, Arretier-Buchse, Arretier-Hülse, Arretier-Huelse, PassbuchseDie Abstandsbuchse gewährt einen (Mindest-) Abstand zwischen zwei Bauteilen.Dieser Artikel passt bei vielen Modellen, unter anderem für:Kreidler F-Kart 170 Kreidler Florett 125E Kreidler Florett 125G Kreidler Galactica 125 Kreidler Hiker 125 Kreidler Hiker 125 DD Kreidler Hiker 2.0 125 DD Kreidler Insignio 125 DD Kreidler Insignio 250 DD Kreidler Martinique 125 Kreidler Martinique DD 125 Kreidler MONACO 125 Kreidler Mustang 170 UTILITY Kreidler Mustang 250 Kreidler REX Monaco 125 Race/Urban Kreidler RMC-E Hiker 125 DD SPORT Kreidler RMC-H Galactica 125 DD Rex 25 Rex 25 Escape Rex 25 Scooter Rex 25 Silverstreet Rex 25 Trophy Rex 25-50 2-T Rex 50 Rex 50 Escape Rex 50 Scooter Rex 50 Scooter/MK 50/CAPRIOLO 50 (2-Takt) Rex 50 Trophy Rex Capriolo 50 4T Rex Imola 125 Rex Imola 125 Race/Urban Rex Milano 125 Rex Monaco 125 Rex Monaco 125 Race Urban Rex Quad 150 Rex Rexy 125 Rex RS 1000 Rex RS 1100 Rex RS 125 Rex RS 125 Capriolo Street Rex RS 125 QM125T 10D Rex RS 125 QM125T 10H Rex RS 450 Rex RS 450 OFF-LIMIT/TRIBAL-Scooter/CAPRIOLO 50 QM50QT-6A Rex SC 125 QM125T 10A-A Rex Silverstreet Rex Speedy 125 QM125T-10A Rex Torino 125Die Marke Rex ist eine der meistverkauften in Deutschland. Durch ständige Qualitätskontrollen vorort beim Hersteller ist ein hoher Standard gewährleistet.Geprüfte Erstausrüsterqualität beste Verarbeitung Best. Ware günstiger Preis da Direktimport Kauf 100% ohne Risiko vom TopsellerUnsere Ersatzteile für ihren Motorroller bzw. Scooter oder auch Roller können Sie bequem online in unserem Shop kaufen. Egal ob sie Ihren Roller im Kaufhaus oder im Baumarkt gekauft haben, für alle gängigen Europa-, China-, oder Taiwan-Roller finden Sie bei uns passende Bauteile, insbesondere für die Motoren 50 cc, 125 cc, 250 ccm, 4takt, 2takt und für größere Leistungen. Speziell für die Motorentypen 139QMB, 139QMA, JSD139QMB ,150QMG ,125-4T6M ,164FML , GY6 ,139FMB ,153FMI, 156FMI ,157QMJ, 158MJ ,1E40QMB, 1E40QMA ,152QMI, 157QMI in kurzen und langen Versionen in den Normen Euro1, Euro2, Euro3 sowie die neuen Euro 4 Einspritzer-Motoren finden Sie Ersatzteile von erstklassiger Qualität. Gerne können Sie auch per Email nach Ersatzteilen anfragen. Bei Bestellwerten über 100 Euro können Sie auch unseren Ratenkauf- bzw. Finanzierungs-Service nutzen. Beim Kauf von Fahrzeugen können wir Ihnen auch ein Leasing-Angebot unterbreiten, das bietet sich insbesondere für Firmen an, die Betriebsfahrzeuge anschaffen, oder ihren Mitarbeitern ein Fahrzeug zur Verfügung stellen. Wir freuen uns auf Ihre Anfrage.

Verkaufspreis:
Nicht verfügbar
2,59 € Regulärer Preis: 2,98 €
Rabatt
Rahmen original Grundgerüst Gestell PGO X042A0040002
Rahmen original Grundgerüst Gestell PGO X042A0040002

zu Artikel: Rahmen X042A0040002 RahmenTechnik-InfoRahmenGrundgerüst, Grundgeruest, Metallrahmen, Fahrzeug-Grundgerüst, Rahmenteil, Fahrzeuggestell, Fahrzeug-Rahmen, Rahmen, Gestell, Fahrgestell, Fahrzeugrahmen Der Rahmen ist das Skelett des Fahrzeugs. Ist dieser z.B. durch einen Unfall verzogen, so kann er oft kaum wieder so exakt gerichtet werden, wie es für eine sichere Straßenlage nötig ist. Die von uns angebotenen Rahmen sich direkt vom Hersteller. So sind die exakten Toleranzen gewährleistet, die für eine sichere Straßenlage nötig sindDieser Hersteller ist seit vielen Jahren erfolgreich auf dem internationalen Markt. Er hat sich durch Zuverlässigkeit seiner Produkte einen Namen gemacht.Kostenloser Versand   Bei Ersatzteilen für jeden zusätzlichen Artikel mit den gleichen Versandkriterien, den Sie von uns kaufen.Sie können unsere Ersatzteile für ihren Roller bzw. Motorroller oder auch Scooter bequem online in unserem Shop kaufen. Egal ob Kaufhaus-Roller oder im Baumarkt-Roller, für alle gängigen Europa-, China-, oder Taiwan-Roller finden Sie bei uns passende Bauteile. Speziell für die Motoren 50 cc, 125 cc, 250 ccm, 2takt, 4takt und für größere Leistungen. Speziell für die Motorentypen 139QMB, 139QMA, 1E40QMB, 152QMI, 157QMI, GY6, 125-4T6M, 139FMB, 153FMI, 156FMI, 157QMJ, 158MJ, 164FML, 1E40QMA, JSD139QMB, 150QMG in kurzen und langen Versionen in den Normen Euro1, Euro2, Euro3 sowie die neuen Euro 4 Einspritzer-Motoren finden Sie qualitativ hochwertige Ersatzteile. Emailanfragen nach speziellen Ersatzteilen beantworten wir Ihnen gerne. Wenn sie für mehr als 100 Euro bestellen, können wir Ihnen auch Finanzierungs- bzw. Ratenkauf anbieten. Beim Kauf von Fahrzeugen haben Sie auch die Möglichkeit zu finanzieren oder zu leasen. Letzteres bietet sich besonders für Firmen an, die Betriebsfahrzeuge anschaffen, oder ihren Mitarbeitern ein Fahrzeug zur Verfügung stellen. Bitte fragen Sie an.

Verkaufspreis:
Kurzfristig lieferbar
265,41 € Regulärer Preis: 305,22 €
Rabatt
Adly Variomatikdeckel links außen JET 50 Roller 50ccm 2Takt Motorroller.de Getriebegehäusedeckel Variodeckel Seitendeckel Getriebedeckel Scooter
Adly Variomatikdeckel links außen JET 50 Roller 50ccm 2Takt Motorroller.de Getriebegehäusedeckel Variodeckel Seitendeckel Getriebedeckel Scooter

zu Artikel: Gehäusedeckel links außen mit Belüftungsloch-VariomatikdeckelGehäusedeckel links außen mit Belüftungsloch-Technik-InfoDer Artikel: VariomatikdeckelMotorgehäuse Deckel, Kurbelgehäuse Deckel, Getriebedeckel, Kupplungsdeckel, Variodeckel, Variomatikdeckel, Motordeckel, Seitendeckel, Gehäusedeckel, Gehaeusedeckel, Deckel, Getriebegehäuse, Variomatikgehäuse, Motorgehäusedeckel, Kurbelgehaeuse Deckel, Motorgehaeusedeckel, Motorgehaeuse DeckelDie Getriebeabdeckung ermöglicht den Zugang zum Getriebe. Wird diese geöffnet, ist es empfehlenswert die Dichtung zu welchen, damit die Dichtigkeit auf jeden Fall gewährleistet ist.Dieser Artikel passt bei vielen Modellen, unter anderem für: Adly (Her Chee) Silver Fox (SF50), Adly (Her Chee) Thunder Bike (TB50), Adly JET 50, Adly Panther 50, REX 25-50 2-Takt (ESCAPE / SILVERSTREET / TROPHY)Quer über den Globus hat dieser Hersteller einen guten Namen bezüglich Qualität. Kostenloser Versand   Bei Ersatzteilen für jeden zusätzlichen Artikel mit den gleichen Versandkriterien, den Sie von uns kaufen.Unsere Ersatzteile für ihren Motorroller bzw. Roller oder auch Scooter können Sie bequem online in unserem Shop kaufen. Egal ob sie Ihren Roller im Kaufhaus oder im Baumarkt gekauft haben, für alle gängigen Europa-, China-, oder Taiwan-Roller finden Sie bei uns passende Bauteile, insbesondere für die Motoren 50 cc, 125 cc, 250 ccm, 4takt, 2takt und für größere Leistungen. Speziell für die Motorentypen 125-4T6M ,152QMI, 157QMI ,150QMG ,1E40QMB, 1E40QMA ,157QMJ, 158MJ , GY6 ,164FML ,139QMB, 139QMA, JSD139QMB ,153FMI, 156FMI ,139FMB in kurzen und langen Versionen in den Normen Euro1, Euro2, Euro3 sowie die neuen Euro 4 Einspritzer-Motoren finden Sie Ersatzteile von hoher Güte. Gerne können Sie auch per Email nach Ersatzteilen anfragen. Bei Bestellwerten über 100 Euro können Sie auch unseren Finanzierungs- bzw. Ratenkauf-Service nutzen. Beim Kauf von Fahrzeugen können wir Ihnen auch ein Leasing-Angebot unterbreiten, das bietet sich insbesondere für Firmen an, die Betriebsfahrzeuge anschaffen, oder ihren Mitarbeitern ein Fahrzeug zur Verfügung stellen. Bitte fragen Sie an. instand setzen oder tauschen?Immer wieder stellen sich Rollerfahrer die Frage, ob sie ein schadhaftes Teil am Fahrzeug austauschen oder besser instand setzen lassen sollen, ganz gleich, ob sich um einen 3-Rad Roller, Motorroller, oder Elektroroller bzw. E-Roller handelt. Ein weiterer Aspekt ist, dass ein Ersatzbauteil nicht lediglich preisgünstiger ist als eine Reparatur, sondern anschließend auch eine bedeutend höhere Funktionssicherheit bietet. Bisweilen kann man einen nicht gleich selbst finden und ein qualifizierter Fachmann muss eruieren, weswegen der Roller nicht richtig läuft. Bestellen Sie doch am besten sofort eines unserer einbaufertigen Komplett-Kits, die wir in zahlreichen unterschiedlichen Ausführungen anbieten. .Qualität ist unser MottoDie Qualität unserer Teile braucht keine Mitbewerber auf dem Weltmarkt zu befürchten. Wieso sind wir trotz hoher Qualität so günstig? Wir kalkulieren nicht allein unsere Preise ausgesprochen moderat, sondern wir kaufen auch in wirtschaftlich sinnvollen Produktmengen ein. Für den Fall, dass Ihr Roller einmal neues Teil benötigt, wenden Sie sich voll Vertrauen an uns. Sie erhalten bei uns stets beste Qualität zu einem günstigen Preis.Einige Rollermarken wie Eppella und Sundiro werden schon seit langem nicht mehr produziert. Gleichwohl führen wir hierfür noch die Zubehörteile.Sie erhalten bei uns klarerweise auch die Originalteile vom Rollerhersteller. Für den Fall, dass Sie jedoch Geld sparen möchten [und wer möchte das nicht], sollten Sie auch unsere Nachbauten in Erwägung ziehen, welche übrigens einen qualitativen Vergleich mit dem Erstausrüster- Produkt nicht zu scheuen brauchen, obgleich sie im Prinzip deutlich kostengünstiger sind. Mit unseren Komponenten können Sie die Instandsetzung Ihres motorisierten Zweirads selbst bewerkstelligen respektive auch in einer Werkstatt machen lassen. Zu solch erschwinglichen Preisen werden Sie mit Sicherheit Ihr motorisiertes Zweirad nicht auf andere Art reparieren können.Es ist denkbar easy, mittels der Produktbilder das benötigte Austauschteil zu ordernBei den Erläuterungen finden Sie auf unserer Homepage auch entsprechendes Bildmaterial. Dadurch können Sie sofort Ihre defekte Komponente mit dem verfügbaren Ersatz vergleichen und gehen auf diese Weise sicher, dass Sie später auch de facto das gewünschte Produkt bekommen. Wesentlich dabei ist, dass Ihre Bestellung nicht nur optisch, sondern auch in den Spezifikationen und Dimensionen mit dem defekten Bauteil übereinstimmt.Zehn Vorteile von denen Sie profitieren:Sie zahlen bei Bestellung mehrerer Komponenten mit identischen Versandfaktoren nur einmal VersandkostenRoller-Ankauf zu fairen PreisenKurze LieferzeitenSie erhalten von uns stets die Erstausrüsterqualität - auch bei günstigen NachbautenUnsere sämtlichen Produkte sind gebrauchstauglich, ausfallsicher und preiswertEinbauelemente und Zubehör für rund 250 Marken und 8500 Typen auf LagerAbsolute Verkehrssicherheit des Zweirads, speziell bei Bremsanlagen"Geld zurück" - Garantie, deswegen Kauf ohne RisikoWir holen und bringen Ihr FahrzeugPräzisionsfertigung nach DIN-NormWir sind der erste Ansprechpartner, für den Fall, dass es um die Anschaffung von einem Roller, Quad, Straßenbuggy oder Fun-Fahrzeug geht. Was für einen Vorteil haben Sie von unserem Service? Weil wir uns in diesem Geschäftsfeld bereits seit Jahrzehnten etabliert haben und Sie dementsprechend von unserem Erfahrungsschatz profitieren können. Für unseren Familien betrieb ist das Geschäft in Verbindung mit den Motorrollern der gesamte Lebensinhalt.Es ist nicht in jedem Fall sinnvoll, seinen Motorroller bei irgendeinem x-beliebigen Händler zu kaufen. Daher ist es wesentlich, sich den bevorzugten Fachhändler im Vorfeld genau anzusehen. Bei uns ist alles rund um unser Geschäft transparent und nachvollziehbar! Kommen Sie doch einfach mal bei uns vorbei und machen Sie sich persönlich ein Bild von uns.Die Vertrauensbestätigung erhalten Sie dann gleichsam schwarz auf weiß vor Ort.Potentielle Käufer, denen die Entfernung zu uns zu weit ist, können sich von zu Hause aus durch die zahlreichen Ebay Bewertungen und des Trustedshops-Siegels über uns informieren. Sowohl unsere Geschäftspraxis als auch unser Verkaufs-Shop werden zum Beispiel mit dem Trustedshops Gütesiegel "sehr gut" eingestuft. Auch bei Ebay liegen wir mit dem Bewertungsfaktor 99,9 % hervorragend im Rennen. Belegen diese Ergebnisse nicht klar und deutlich, dass unsere Kundschaft bestens bei uns aufgehoben ist?Bitte denken Sie daran: Wir sind auch bloß Menschen, die mitunter Fehler machen. Seien Sie darum nicht gleich erzürnt, falls mal etwas nicht hundertprozentig geklappt hat, sondern geben Sie uns die Möglichkeit, unseren Fehler wieder gut zu machen.Unsere fachkundigen Mitarbeiter sind täglich von 8:00 - 18:00 Uhr und samstags von 9:00 - 13:00 für Sie da.Die Fakten unseres UnternehmensBei uns ist der Kunde noch König. Vor über 50 Jahren begann unser Unternehmen mit dem Bau von Maschinen, während der Fahrzeughandel heute auch schon seit mehr als 25 Jahren Erfolg versprechend ausgebaut werden konnte. Unser Schwerpunkt ist mittlerweile auf die Vermarktung von Einbauteilen, "Nice-to-have" zur Steigerung der Motorleistung und Fahrzeugzubehör für die meist gefahrenen Roller ausgerichtet.Unsere Produktpalette umfasst mehr als 500.000 ZubehörteileIn unserem Online Shop finden Sie unter Motorroller.de nahezu alle Einbauteile und Motorroller aus Fernost und Europa. Wir haben Artikel, passendes Zubehör und Einbaukomponenten für ungefähr 250 Hersteller und 8500 Typen auf Lager. Zu unseren Lieferanten zählen zum Beispiel Lieferanten wie Yamaha, Jonway, Kreidler oder Adly. Wir haben insgesamt ca. 500.000 Produkte von diversen Anbietern im Artikelsortiment, die auf einer Lagerfläche von über 1.000 m² in unseren Hochregalen auf Lager liegen. Im Zubehörlager finden Sie alles, was man als Rollerfahrer benötigt.Das beginnt bei den Nierengürteln, Regensets und Handschuhen, und geht bis hin zu den Windschildern über das Top Case und den Sturzhelmen.Auch für alle Tuningfans, welche gerne sportlich fahren, bieten wir ausgewählte Produkte an, wie z.B. Zylinder, Kolben, Auspuffanlagen und dergleichen Dinge Kolben, Auspuffanlagen, Zylinder und weitere Dinge.Was geschieht nach der Produktion?Fortlaufende Prüfung der Qualität ist unsere Leidenschaft. Mit anderen Worten, bevor wir ein Fahrzeug in die Hände des Kunden geben, wird es von uns nochmals auf tadellose Funktion und Mängelfreiheit durchgecheckt. Wir packen zunächst jeden Roller nach der Ankunft in unserem Haus aus und unterziehen es auf unserem Zweirad-Prüfstand einem Testlauf. Unmittelbar nach der Anlieferung beim Käufer wird dann der Motorroller schließlich abermals auf korrekte Funktion getestet, sodass de facto gesichert ist, dass der Kunde ein absolut einwandfreies Gefährt erhält.Umweltschutz wir bei uns groß geschriebenWas uns überaus am Herzen liegt, ist ein effektiver Schutz unserer Umwelt. Das sagen wir nicht lediglich, weil unsere Zweiräder allgemein mit effizienten Verbrennungsmotoren versehen sind. Bei der Anlieferung unserer Roller fällt ausnahmslos Verpackungsmaterial an. Dieses nehmen wir ohne Frage wieder mit und führen es einer professionellen Abfallentsorgung zu.Roller-AnkaufIhr ausgedienter Motorroller ist in die Jahre gekommen und Sie beabsichtigen, bei uns ein neues Zweirad zu erwerben. Was jedoch tun mit dem ausgedienten Fahrzeug? Machen Sie sich darüber keinen Kopf! Wir kaufen Ihren alten Roller an.Wir konnten Ihre Bedenken trotz allem nicht beseitigen?Dann geben Sie uns doch die Möglichkeit, Sie von der Qualität unserer Leistungen zu begeistern. Wir sind kein billiger Internetshop, der heute kommt und morgen schon wieder weg ist. Die gut fundierte Grundlage für einen erfolgreichen Betrieb besteht darin, dass allein zufolge fortschrittlicher Innovationen und neuer Ideen ein nachhaltiges Wachstum gesichert werden kann. Demzufolge stehen Fleiß und ständiges Lernen in unserem stetig wachsenden Unternehmen fortwährend an der ersten Stelle. Besuchen Sie uns doch mal in unserem Unternehmen in Lindenfels-Eulsbach und überzeugen Sie sich persönlich von unserem außergewöhnlichen Service.Wo wir zu Hause sindCirca 60 km im Süden von Frankfurt am Main liegt Lindenfels im Regierungsbezirk Darmstadt. Falls Sie mit dem eigenen Fahrzeug anreisen, erreichen Sie den Ort per Autobahn entweder von Norden über Frankfurt am Main (A6) oder von Süden über Stuttgart, Karlsruhe und Mannheim (A8). Alternativ ist es logischerweise auch möglich, mit der Bahn zu fahren.Unsere TopmarkenUnsere Topmarken

Verkaufspreis:
Verfügbar
109,00 € Regulärer Preis: 125,35 €