Zum Hauptinhalt springen Zur Suche springen Zur Hauptnavigation springen
Menü
efr
erf
rrrf
Schnell lieferbar
14 Tage Rückgaberecht
Schneller DPD Versand

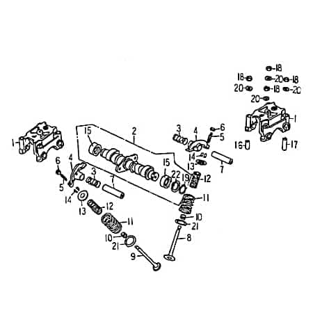
zu Artikel: Kipphebelwelle 90621

Technik-Info

Kipphebelwelle

Standard-Nockenwelle, Qualitäts-Nockenwelle, Nockenwelle, Qualitaets-Nockenwelle, Steuerwelle, Nocken-Welle, Steuer-Welle, Qualitäts-Standard-Steuerwelle, Kipphebelwelle, Ventilsteuerwelle, Welle-Kipphebel, Welle-Ventilsteuerung

Standard Kipphebelwelle in Erstausrüster-Qualität, passend für Motoren wie bereits ab Werk in diesen Motoren verbaut. Top Preis! Erstausrüster-Qualität.

Die Marke Rex ist eine der meistverkauften in Deutschland. Durch ständige Qualitätskontrollen vorort beim Hersteller ist ein hoher Standard gewährleistet.

Kostenloser Versand   Bei Ersatzteilen für jeden zusätzlichen Artikel mit den gleichen Versandkriterien, den Sie von uns kaufen.

Für ihren Roller bzw. Motorroller oder auch Scooter können Sie die Ersatzteile bequem online in unserem Shop kaufen. Egal wo sie Ihren Roller gekauft haben, Sie finden die passenden Ersatzteile in unserem Shop. Besonders für alle gängigen Europa-, China-, oder Taiwan-Roller haben wir passende Bauteile, vor allem für die Motoren 50 cc, 125 cc, 250 ccm, 2takt, 4takt und für größere Leistungen. Die Motorentypen 139QMB, 139QMA, 1E40QMB, 152QMI, 157QMI, GY6, 125-4T6M, 139FMB, 153FMI, 156FMI, 157QMJ, 158MJ, 164FML, 1E40QMA, JSD139QMB, 150QMG in kurzen und langen Versionen in den Normen Euro1, Euro2, Euro3 sowie die neuen Euro 4 Einspritzer-Motoren sind meist in diesen Modellen verbaut, und bei uns finden Sie qualitativ hochwertige Ersatzteile. Wenn Sie mal was nicht finden können Sie auch per Email nach Ersatzteilen anfragen. Ab Bestellwerten über 100 Euro bieten wir Ihnen unseren Finanzierungs- bzw. Ratenkauf-Service an. Beim Kauf von Fahrzeugen besteht die Möglichkeit der Finanzierung oder des Leasings. Speziell für Firmen, die Betriebsfahrzeuge anschaffen, oder ihren Mitarbeitern ein Fahrzeug zur Verfügung stellen, ist die eine interessante Alternative.

Hinweise zu: Nockenwelle

Baugruppe: Motor

Artikelposition in Explosionszeichnung: 7

Ersatzteil: Nockenwelle & Ventile

Motorroller bequem online kaufen – von der Bestellung bis zur Lieferung


Mobiler Home Service – Bundesweit Inspektionen und Reparaturen


Motorroller.de – Über uns – Ihr Support vom Profi seit 1993

Ihr Finanzierungsplan**
Monate Rate mtl. Gesamt
6039,67 €2.380,49 €
12157,59 €1.891,14 €

Einfach im Bestellvorgang die Expokredit-Finanzierung als Zahlungsweise auswählen ...

  • Barossa Cheetah 250
  • Rex Quad 150
  • Rex Quad 250
  • Rex Quad 250ccm (2-Zyl.)
  • SMC STM Quad 250
Produktgalerie überspringen

Kunden haben sich ebenfalls angesehen

Rabatt
Fußraste rechts Fussrasten bis Mod 06 Quad ATV 94115
Fußraste rechts Fussrasten bis Mod 06 Quad ATV 94115

zu Artikel: Fußraste rechts 94115 Technik-InfoFußrasteFussablage, Fussraste, Fußraste, Fußablage, Fußtritt, Fusstritt, Fuß-Raste, Fuss-Raste, Fuß-Ablage, Fuss-Ablage, Fuß-Tritt, Fuss-Tritt, Fußraster, Fussraster Die Marke Rex ist eine der meistverkauften in Deutschland. Durch ständige Qualitätskontrollen vorort beim Hersteller ist ein hoher Standard gewährleistet.Kostenloser Versand   Bei Ersatzteilen für jeden zusätzlichen Artikel mit den gleichen Versandkriterien, den Sie von uns kaufen.Unsere Ersatzteile für ihren Scooter bzw. Roller oder auch Motorroller können Sie bequem online in unserem Shop kaufen. Egal ob sie Ihren Roller im Kaufhaus oder im Baumarkt gekauft haben, für alle gängigen Europa-, China-, oder Taiwan-Roller finden Sie bei uns passende Bauteile, insbesondere für die Motoren 50 cc, 125 cc, 250 ccm, 2takt, 4takt und für größere Leistungen. Speziell für die Motorentypen 153FMI, 156FMI ,1E40QMB, 1E40QMA ,164FML ,157QMJ, 158MJ ,125-4T6M ,139QMB, 139QMA, JSD139QMB ,150QMG ,139FMB , GY6 ,152QMI, 157QMI in kurzen und langen Versionen in den Normen Euro1, Euro2, Euro3 sowie die neuen Euro 4 Einspritzer-Motoren finden Sie Ersatzteile von hoher Güte. Gerne können Sie auch per Email nach Ersatzteilen anfragen. Bei Bestellwerten über 100 Euro können Sie auch unseren Finanzierungs- bzw. Ratenkauf-Service nutzen. Beim Kauf von Fahrzeugen können wir Ihnen auch ein Leasing-Angebot unterbreiten, das bietet sich insbesondere für Firmen an, die Betriebsfahrzeuge anschaffen, oder ihren Mitarbeitern ein Fahrzeug zur Verfügung stellen. Bitte fragen Sie an.

Verkaufspreis:
Nicht verfügbar
27,19 € Regulärer Preis: 31,27 €
Rabatt
Jonway E-Rex Gabelbrücke Radgabel Joch 50ccm elektro 701141 Motorroller.de Telegabel Gabel-Brücke Vorderrad-Gabel Vorderradgabel Lenkgabel Gabeljoch
Jonway E-Rex Gabelbrücke Radgabel Joch 50ccm elektro 701141 Motorroller.de Telegabel Gabel-Brücke Vorderrad-Gabel Vorderradgabel Lenkgabel Gabeljoch

zu Artikel: GabeljochGabelbrückeGabeljochTechnik-InfoGabeljochauch zu finden unter: Gabeljoch, Gabel vorne, Vorderradgabel, Joch, Gabelbrücke, Gabelbruecke, Gabel, Lenkergabel, TelegabelVordere Telegabel, auch Vorderradgabel genannt, ist oft durch einen Unfallschaden defekt. Die häufigste Ursache dafür ist eine verbogene Gabelbrücke, auch Lenkerbrücke, Lenkgabel oder Gabeljoch genannt. Die Lenkanschläge der Lenksäule können ebenfalls abgebrochen sein. Das Fahrzeug ist dadurch nicht mehr verkehrssicher, nur eine komplette neue Gabelbrücke schafft hierbei die Lösung. Der Lenkungslagersatz sollte bei neuer Gabelbrücke immer erneuert werden! Kostenloser Versand   Bei Ersatzteilen für jeden zusätzlichen Artikel mit den gleichen Versandkriterien, den Sie von uns kaufen.Unsere Ersatzteile für ihren Roller bzw. Motorroller oder auch Scooter können Sie bequem online in unserem Shop kaufen. Egal ob sie Ihren Roller im Kaufhaus oder im Baumarkt gekauft haben, für alle gängigen China-, Taiwan-, oder Europa-Roller finden Sie bei uns passende Bauteile, insbesondere für die Motoren 50 cc, 125 cc, 250 ccm, 2takt, 4takt und für größere Leistungen. Speziell für die Motorentypen 1E40QMB, 1E40QMA ,150QMG ,164FML ,139QMB, 139QMA, JSD139QMB , GY6 ,125-4T6M ,153FMI, 156FMI ,157QMJ, 158MJ ,139FMB ,152QMI, 157QMI in kurzen und langen Versionen in den Normen Euro1, Euro2, Euro3 sowie die neuen Euro 4 Einspritzer-Motoren finden Sie hochqualitative Ersatzteile. Gerne können Sie auch per Email nach Ersatzteilen anfragen. Bei Bestellwerten über 100 Euro können Sie auch unseren Ratenkauf- bzw. Finanzierungs-Service nutzen. Beim Kauf von Fahrzeugen können wir Ihnen auch ein Leasing-Angebot unterbreiten, das bietet sich insbesondere für Firmen an, die Betriebsfahrzeuge anschaffen, oder ihren Mitarbeitern ein Fahrzeug zur Verfügung stellen. Ihre Anfrage nehmen wir gerne entgegen Das schadhafte Bauteil besser gleich auswechseln oder instand setzen lassen?Diese Frage wird von Rollerfahrern stets gestellt, gleichgültig, ob sie einen Motorroller, Dreirad-Roller oder Elektroroller beziehungsweise E-Roller haben, für den Fall, dass etwas an ihrem Zweirad defekt geworden ist. Ein Ersatzbauteil, das relativ rasch gewechselt werden kann, ist nicht bloß günstiger, sondern bietet zudem eine beträchtlich höhere Funktionssicherheit als bei einer Reparatur. Oft kann ausschließlich eine kompetente Fachwerkstatt den Schaden auf Anhieb entdecken. Bestellen Sie doch am besten sofort eines unserer fertigen Kits, welche wir in vielen unterschiedlichen Ausführungen in unserem Sortiment haben. .Wir liefern ausschließlich QualitätsprodukteGroßen Wert legen wir auf preiswerte Produkte von hoher Qualität. Wir können nur aus dem Grund so günstig sein, weil wir unsere Bauteile in ausreichend großen Mengen einkaufen. Bei uns kriegen Sie deswegen sämtliche lieferbaren Ersatzteile für Ihren Motorroller nicht nur in bester Qualität, sondern auch für einen erschwinglichen Preis.Wir führen sogar für die häufigsten Roller, Quads und Buggys die Komponenten, welche gar nicht mehr gefertigt werden. Zum Beispiel haben wir alle Ersatzteile für die Marken Eppella und Sundiro nach wie vor lieferbar.Selbstverständlich liefern wir auch die Originalteile für Ihren Roller, obschon unsere Nachbauten einen qualitativen Vergleich mit dem Erstausrüster-Produkt nicht zu scheuen brauchen, jedoch im Allgemeinen wesentlich kostengünstiger sind. Ganz egal, ob Sie die Reparatur an Ihrem fahrbaren Untersatz selber ausführen wollen oder lieber in einer Werkstatt durchführen lassen möchten, auf alle Fälle liegen Sie mit unseren Ersatzteilen hundertprozentig richtig. Es gibt sicherlich keine andere Alternative, durch die Sie zu bezahlbaren Preisen und in hervorragender Qualität Ihren fahrbaren Untersatz reparieren können.Es ist denkbar leicht, unter Zuhilfenahme der Abbildungen das benötigte Bauteil zu ordernIn unserem Shop existiert zahlreiches Bildmaterial, welches Ihnen hilft, Ihr altes Teil ganz einfach mit dem lieferbaren Ersatz zu vergleichen. In Folge dessen können Falsch- oder Fehllieferungen wegen fehlerhafter Bestellungen schon im Vorhinein verhindert werden. Dabei genügt nicht alleinig eine visuelle Ähnlichkeit. Es müssen obendrein sowohl die angegebenen technischen Angaben als auch die Maße passen.Was Sie davon haben:Sie zahlen beim Ordern mehrerer Einbauteile mit identischen Versandbedingungen nur einmal VersandkostenHol- und BringserviceErsatzteile und Artikel für circa 250 Marken und 8500 Typen auf LagerAlle unsere Erzeugnisse sind betriebssicher, gebrauchstauglich und preiswertRoller-AnkaufISO-zertifizierte PräzisionsfertigungSie bekommen von uns ohne Ausnahme die Erstausrüster-Qualität - auch bei preisgünstigen NachbautenKauf ohne Risiko durch "Geld zurück" - Garantiehundertprozentige Fahrsicherheit des Motorrollers, insbesondere bei BremsanlagenUnsere Lieferungen erfolgen zumeist kurzfristigAm besten kaufen Sie Roller, Buggys, Fun Fahrzeuge und Quads bei uns als Fachhändler. Welchen Nutzen haben Sie von unserem Kundenservice? Weil wir für dieses Geschäftsfeld das Know-how und die Meister-Qualifikation besitzen, was dazu unbedingt benötigt wird. Als Familienbetrieb betreiben wir nicht nur das Geschäft in Verbindung mit den Motorrollern, wir leben unser Geschäft förmlich.Kaufen ist Vertrauenssache, demzufolge ist es nötig, sich seinen Lieferanten zuvor genau anzugucken. Bei uns ist alles in Verbindung mit unserem Fachhandel transparent! Kommen Sie doch einfach mal bei uns vorbei und informieren Sie sich selbst über uns.Das was Sie dort sehen, wird Sie auf jeden Fall überzeugen.Vermutlich ist Ihnen der Weg zu uns zu weit. Dann haben Sie auch die Option, durch die unterschiedlichen Ebay Bewertungen und des Trustedshops-Siegels Erkundigungen über uns einzuholen. Sowohl unsere Geschäftspraxis als auch unser Verkaufsshop werden zum Beispiel mit dem Trustedshops Gütesiegel "sehr gut" bewertet. Auch bei Ebay liegen wir mit dem Faktor 99,9 % überdurchschnittlich im Rennen. Was beweisen all diese Ergebnisse ganz offensichtlich? Dass wir in allen Belangen immer geben!!Denken Sie aber bitte daran, dass wir keine Maschinen sondern auch nur Menschen sind, denen mitunter denen unter Umständen etwas misslingen kann. Sofern also etwas nicht vollständig zu Ihrer Zufriedenheit geklappt hat, bitten wir Sie, uns die Gelegenheit zu geben, die Angelegenheit in Ordnung zu bringen.Unser Expertenteam ist täglich von 8:00 - 18:00 Uhr und samstags von 9:00 - 13:00 für Sie da.Unsere FirmenphilosophieBei uns ist der Kunde wirklich noch König. Mehr als 25 Jahre ist unser Unternehmen überaus erfolgreich mit dem Handel von Fahrzeugen aktiv, wobei wir uns andererseits bereits vor über 50 Jahren auf dem Gebiet des Maschinenbaus Erfolg versprechend etabliert haben. Heute haben wir uns zusammen mit der Vermarktung von Rollern, auf Ersatzbauteile, Zubehör und das "Must have" zur Leistungssteigerung festgelegt.Unsere Artikelauswahl schließt rund 500.000 Komponenten einWenn Sie zu Ihrem Roller eine Komponente suchen, werden Sie auf unserer Web-Seite unter Motorroller.de gewiss fündig. Wir haben Teile, passendes Zubehör und Artikel für etwa 250 Fabrikate und 8500 Ausführungen auf Lager. Beispielsweise arbeiten wir bereits jahrelang mit Lieferanten wie Adly, Jonway, Yamaha oder Kreidler zusammen. Wir haben insgesamt mehr als 500.000 Produkte von diversen Herstellern im Warensortiment, welche auf einer Fläche von über 1.000 m² in unseren Hochregalen gelagert sind. Im Zubehörbereich finden Sie alles, was man als Rollerfahrer braucht.Das beginnt bei den Windschildern über die Sturzhelme und das Top Case, und geht bis hin zu Regensets, Nierengürteln und Handschuhen.Auch für die Tuningfans bieten wir ausgewählte Artikel an, wie beispielsweise Auspuffanlagen, Zylinder, Kolben und andere Dinge Kolben, Zylinder, Auspuffanlagen und dergleichen Dinge.Unmittelbar nach der ProduktionFortlaufende Qualitätskontrollen sind das Steckenpferd unseres Hauses. Mit anderen Worten, bevor ein Fahrzeug ausgeliefert bzw. vom Kunden abgeholt wird, checken wir es zum Schluss nochmals auf Herz und Nieren. Nachdem die Roller bei uns angekommen sind, wird jedes einzelne Zweirad ausgepackt und erstmal einer visuellen Prüfung respektive einem Testlauf auf unserem computergesteuerten Prüfstand unterzogen. Ein abschließender Funktionscheck erfolgt dann bei der Übergabe an den Käufer. Dadurch ist gesichert, dass der Motorroller sich de facto in einem korrekten Zustand befindet und den Kunden hundertprozentig zufriedenstellt.Schutz unserer UmweltUns liegt besonders viel an einem wirkungsvollen Umweltschutz. Unsere Zweiräder besitzen zum einen grundsätzlich einen wirtschaftlichen Verbrennungsmotor. Selbstverständlich nehmen wir im Sinne einer sauberen Umwelt jegliches Verpackungsmaterial wieder mit, das bei der Anlieferung unserer Roller anfällt und führen es einer fachgerechten Entsorgung zu.Ihren ausgedienten Roller nehmen wir gerne in ZahlungNach dem Kauf eines neuen Motorrollers aus unserem Fahrzeugangebot möchten Sie sich von Ihrem alten Zweirad trennen? Zerbrechen Sie sich über diese Sache nicht den Kopf! Lassen Sie das unser Problem sein, indem wir Ihren gebrauchten Roller ankaufen.Sie sind immer noch nicht überzeugt?Sofern wir von Ihnen die Möglichkeit dazu bekommen würden, könnten wir unsere fachlichen Qualitäten auch unter Beweis stellen. Wir zählen nicht zu den billigen Verkaufsshops, die heute ihre Produkte anbieten und morgen bereits wieder verschwunden sind. In unserem laufend wachsenden Unternehmen steht Fleiß und ständiges Lernen an erster Stelle, da wir wissen, dass sich lediglich durch neue Ideen und zeitgemäße Innovationen das Know-how für eine solide Geschäftsgrundlage schaffen lässt. Sie können sich selber von unserem vortrefflichen Service überzeugen, für den Fall, dass Sie uns an unserem Betriebsstandort in Lindenfels-Eulsbach besuchen.Wie finden Sie unser Unternehmen?Lindenfels liegt im Regierungsbezirk Darmstadt, und zwar 40 km nordöstlich von Mannheim bzw. zirka 60 km südlich von Frankfurt/Main. Am besten fahren Sie von Norden her über die A6, während Sie aus südlicher Richtung die A8 nehmen. Klarerweise kann man auch sehr bequem mit der Bahn anreisen.Unsere TopmarkenUnsere Topmarken

Verkaufspreis:
Nicht verfügbar
149,90 € Regulärer Preis: 172,39 €
Rabatt
Kaltstarter TK Vergaser 2Takt 50ccm Choke 7.843.066/7
Kaltstarter TK Vergaser 2Takt 50ccm Choke 7.843.066/7

zu Artikel: Kaltstarter TK/Teikei Vergaser 8mm Stift 2Takt 50ccmKaltstarterKaltstarter TK/Teikei Vergaser 8mm Stift 2Takt 50ccmTechnik-InfoDer Artikel: Kaltstarterauch zu finden unter: Kaltstarter, Kaltstarteinrichtung, Kaltstartautomatik, Kaltstartventil, Startautomatik, Kolbenstarter, Chokeventil, E-Choke, Choke, Kaltstart-Einrichtung, Kaltstart-Automatik, Kaltstart-Ventil, Start-Automatik, Kolben-Starter, Choke-VentilE- Choke auch Kaltstartventil, Kaltstarteinrichtung, Kaltstarterautomatik, Startautomatik, Kolbenstarter, Chokeventil, Kaltstarter, E-Choke, Choke genannt, ist in Erstausrüster-Qualität. Der Choke entspricht in Abmessungen und Funktionsweise dem originalen E-Choke und kann somit ohne Probleme ausgetauscht werden. Bitte den auf dem Foto gezeigten Stecker genau mit dem am Fahrzeug verbauten vergleichen. Die Chokes unterscheiden sich im Stecker. Dieser Artikel passt bei vielen Modellen, unter anderem für:Adly Her Chee Air Tec 1 50 AC Adly Her Chee Air Tec 1 50 LC Adly Her Chee ATV 50 RS XXL AC weiß-blau Adly Her Chee ATV 50 RS XXL LC weiß-blau Adly Her Chee ATV 50 RS XXL Supersonic Adly Her Chee ATV SupeRCross 50 XXL AC Adly Her Chee ATV100 Adly Her Chee Blizzard GTA 50 Adly Her Chee Cat 125 Adly Her Chee Cat 50, Mit diesem Ersatzteil-Lieferanten haben wir und unsere Kunden seit Jahrzehnten beste Erfahrungen gemacht.Geprüfte Erstausrüsterqualität sehr gute Verarbeitung günstiger Preis Direktimport Kauf vom GroßvertreiberUnsere Ersatzteile für ihren Motorroller bzw. Scooter oder auch Roller können Sie bequem online in unserem Shop kaufen. Egal ob sie Ihren Roller im Kaufhaus oder im Baumarkt gekauft haben, für alle gängigen Taiwan-, China-, oder Europa-Roller finden Sie bei uns passende Bauteile, insbesondere für die Motoren 50 cc, 125 cc, 250 ccm, 4takt, 2takt und für größere Leistungen. Speziell für die Motorentypen 150QMG ,139FMB ,152QMI, 157QMI ,164FML ,1E40QMB, 1E40QMA ,139QMB, 139QMA, JSD139QMB , GY6 ,125-4T6M ,153FMI, 156FMI ,157QMJ, 158MJ in kurzen und langen Versionen in den Normen Euro1, Euro2, Euro3 sowie die neuen Euro 4 Einspritzer-Motoren finden Sie Ersatzteile von bewährter Qualität. Gerne können Sie auch per Email nach Ersatzteilen anfragen. Bei Bestellwerten über 100 Euro können Sie auch unseren Ratenkauf- bzw. Finanzierungs-Service nutzen. Beim Kauf von Fahrzeugen können wir Ihnen auch ein Leasing-Angebot unterbreiten, das bietet sich insbesondere für Firmen an, die Betriebsfahrzeuge anschaffen, oder ihren Mitarbeitern ein Fahrzeug zur Verfügung stellen. Bitte fragen Sie an. Reparieren oder austauschen?Ganz egal, ob jemand einen Elektroroller respektive E-Roller, Motorroller oder 3-Rad Roller fährt, er stellt sich zweifellos häufig die Frage, ob sie ein kaputtes Teil austauschen oder instand setzen lassen sollen. Überdies bietet ein Ersatzteil eine deutlich höhere Funktionssicherheit als eine Reparatur des Zweirads. Ein verborgener Defekt lässt sich oft nur von einem Fachmann mittels Spezialwerkszeugen orten. Demgegenüber hat man auch die Möglichkeit, sich für eines der einbaufertigen Komplett-Kits zu entscheiden, die wir für zahlreiche diverse Komponenten anbieten. .Qualitativ erstklassige Roller-Ersatzteile und ZubehörGroßen Wert legen wir auf qualitativ hochwertige Produkte zu einem attraktiven Preis. Warum sind wir trotz der hohen Qualität unserer Produkte so günstig? Das liegt nicht allein an unserer Preiskalkulation, sondern vorrangig daran, dass wir unsere Produkte in großen Mengen beziehen. Alle verfügbaren Bauelemente für Ihren Roller kriegen Sie bei uns sowohl in guter Qualität als auch zu einem Preis, der keine Wünsche offen lässt.Einige Rollermarken wie Sundiro und Eppella werden schon seit langem nicht mehr gefertigt. Trotzdem führen wir dafür noch die Einbauteile.Wer möchte, erhält bei uns selbstverständlich auch das Originalteil für seinen fahrbaren Untersatz. Die meisten Kunden fassen nicht zuletzt dank der guten Preise und der Erstausrüster-Qualität unsere Nachbauten ins Auge. Ganz egal, ob Sie die Instandsetzung Ihres motorisierten Zweirads selbst ausführen wollen oder besser in einer Werkstatt machen lassen möchten, ohne Frage liegen Sie mit unseren Bauteilen zu 100 Prozent richtig. Sie werden sicherlich keine andere Alternative finden, um zu bezahlbaren Kosten Ihr motorisiertes Zweirad instand setzen zu können.Eine große Hilfe bei der Bestellung der benötigten Komponente sind die einzelnen ProduktbilderAufgrund von anschaulichem Bildmaterial können Sie Ihr defektes Bauteil ganz einfach mit dem erhältlichen Ersatz vergleichen, damit Sie auch de facto das gewünschte Produkt bekommen. Hierbei ist es wesentlich, dass das Teil, welches Sie austauschen möchten, nicht lediglich augenscheinlich, sondern auch in den Spezifikationen und Abmessungen mit Ihrer Bestellung übereinstimmt.Zehn Vorteile von denen Sie profitieren:Einbauteile und Artikel für rund 250 Marken und 8500 Modelle auf LagerUnsere Lieferungen erfolgen zumeist kurzfristigAlle unsere Komponenten sind ausfallsicher, preiswürdig sowie zuverlässigAuch bei kostengünstigen Nachbauten erhalten Sie von uns ohne Ausnahme die ErstausrüsterqualitätWir holen und bringen Ihr Zweiradhundertprozentige Fahrsicherheit des Zweirads, speziell bei BremsanlagenISO-zertifizierte PräzisionsfertigungSie zahlen nur einmal Versandkosten beim Ordern mehrerer Teile mit identischen LiefervoraussetzungenWir kaufen Ihren RollerKauf ohne Risiko durch "Geld zurück" - GarantieAm besten kaufen Sie Roller, Fun-Fahrzeuge, Quads und Buggys in einem Fachgeschäft wie das unsrige. Aus welchen Gründen wäre es für Sie von Vorteil, wenn Sie uns für Sie tätig werden lassen? Weil wir für dieses Geschäftsfeld das entsprechende Know-how und die Meister-Qualifikation besitzen, was dazu auf jeden Fall nötig ist. Für unseren Familien betrieb ist das Geschäft rund um die Roller der ganze Lebensinhalt.Es ist notwendig, sich das Fachgeschäft dementsprechend vorab genau anzugucken, bevor man sich zu einem Kauf entschließt. in unserem Betrieb ist alles 100-prozentig nachvollziehbar! Sie dürfen gerne zu jeder Zeit bei uns vorbeikommen und sich persönlich ein Bild machen.Die Vertrauensbestätigung erhalten Sie dann vor Ort gewissermaßen schwarz auf weiß.Wenn Ihnen die Anfahrtsstrecke zu uns zu weit ist, können Sie sich auch durch die diversen Ebay Bewertungen und des Trustedshops-Siegels kundig machen. Sowohl unsere Geschäftspraxis als auch unser Shop werden z.B. mit dem Trustedshops Gütesiegel "sehr gut" beurteilt. Auch bei Ebay liegen wir mit dem Prozentsatz 99,9 % hervorragend im Rennen. Diese Resultate demonstrieren eines ganz offensichtlich: Wir legen uns auf allen Gebieten immer mächtig ins Zeug!Denken Sie aber bitte daran, dass wir keine Roboter sondern auch nur Menschen sind, denen gelegentlich denen bisweilen etwas misslingen kann. Deshalb bitten wir Sie, für den Fall, dass mal etwas nicht so gut gelaufen ist, uns auf jeden Fall die Gelegenheit zur Verbesserung zu geben.Zu welchen Zeiten wir Ihnen zu Diensten stehen? Täglich von 8:00 bis 18:00 Uhr und am Samstag von 8:00 bis 13:00 Uhr.Über unsBei uns ist der Kunde wirklich noch König. Vor über fünfzig Jahren hatten die geschäftlichen Aktivitäten unseres Unternehmens im Bereich Maschinenbau ihren Anfang, während sich der Fahrzeughandel zwischenzeitlich auch schon seit mehr als 25 Jahren mit Erfolg etablieren konnte. Heute haben wir uns auf Zubehör, das "Nice-to-have" für Tuning und Ersatzkomponenten für die meist gefahrenen Roller spezialisiert.Wir können kurzfristig ca. 500.000 Komponenten liefernBei uns finden Sie unter Motorroller.de nahezu alle Teile und Motorroller aus Europa und Asien. In unserem Warenlager befinden sich für ca. 250 Fabrikate und 8500 Typen diverse Produkte als Zubehör, Ersatzteile und Artikel. Darunter sind beispielsweise Anbieter wie Adly, Jonway, Yamaha oder Kreidler zu finden. Wir haben alles in allem etwa 500.000 Produkte von zahlreichen Herstellern im Sortiment, welche auf einer Fläche von über 1.000 m² in unseren Regalen auf Lager liegen. Unser Zubehörbereich bietet demnach alles, was man als Rollerfahrer braucht.Das beginnt bei den Windschildern über das Top Case und den Schutzhelmen, und geht bis hin zu Nierengürteln, Handschuhen und Regensets.Auch Tuningfans kommen bei uns auf ihre Rechnung. Sie finden in unserem Tuningbereich alles was das Herz begehrt, wie zum Beispiel Zylinder, Auspuffanlagen, Kolben und weitere Dinge.Was passiert nach erfolgter Produktion?Kein Artikel verlässt unser Unternehmen, bevor er nicht auf tadellose Qualität geprüft worden ist. Dies bedeutet, bevor ein Motorroller ausgeliefert respektive vom Kunden abgeholt wird, testen wir ihn letztlich nochmals auf Herz und Nieren. Nachdem die Fahrzeuge bei uns angeliefert wurden, wird jedes einzelne Zweirad ausgepackt und erstmal einer Sichtprüfung sowie einem Probelauf auf unserem Prüfstand unterzogen. Ehe der Käufer den Roller übernimmt, erfolgt noch ein abschließender Funktionstest. Somit ist de facto gewährleistet, dass der Kunde mit seinem Erwerb 100-prozentig zufrieden ist.UmweltschutzUns liegt sehr viel an einem wirkungsvollen Schutz unserer Umwelt. Unsere Motorroller haben einerseits prinzipiell einen effizienten Verbrennungsmotor. Die Transportverpackung nehmen wir ohne Frage wieder mit, um sie einer fachgerechten Müllentsorgung zuzuführen - auch das ist für uns ein Beitrag zu einer sauberen Umwelt.Wir kaufen Ihren MotorrollerSie haben einen neuen Roller bei uns gekauft und wollen Ihr altes Zweirad loswerden? Zerbrechen Sie sich hierüber nicht den Kopf! Wir kaufen Ihren ausgedienten Motorroller an.Wir konnten Ihre Zweifel trotz allem nicht ausräumen?Dann würden wir uns darüber sehr freuen, wenn Sie uns die Möglichkeit geben, unsere Leistungen unter Beweis zu stellen. Man darf uns nicht mit den billigen Onlineshops verwechseln, die heute kommen und morgen gehen. Es ist uns bekannt, dass sich bloß dank neuer Ideen und zeitgemäßer Innovationen die Basis für eine erfolgreiche geschäftliche Tätigkeit legen lässt. Überzeugen Sie sich selbst von unserem herausragenden Service und besuchen Sie uns in unserem Unternehmen in Lindenfels-Eulsbach.Wie kommen Sie auf einfache Weise zu uns nach Lindenfels?Lindenfels liegt im Regierungsbezirk Darmstadt, und zwar 40 km nordöstlich von Mannheim beziehungsweise circa 60 km südlich von Frankfurt/Main. Am besten fahren Sie von Norden her über die A6, während Sie aus südlicher Richtung die A8 nehmen. Optional ist es klarerweise auch möglich, mit der Bahn zu fahren.Unsere TopmarkenUnsere Topmarken

Verkaufspreis:
Am Lager
79,07 € Regulärer Preis: 90,93 €
Rabatt
PGO Ringmutter oben Star 50 Konusmutter Roller 50ccm 2Takt Motorroller.de Lenkermutter PGO 50ccm-2Takt Scooter Galaxy 50 Ersatzteil Service Inpektion
PGO Ringmutter oben Star 50 Konusmutter Roller 50ccm 2Takt Motorroller.de Lenkermutter PGO 50ccm-2Takt Scooter Galaxy 50 Ersatzteil Service Inpektion

zu Artikel: Ringmutter oben B4000010583 Ringmutter obenTechnik-InfoRingmutterLenkermutter, Konusmutter, Ringmutter, MutterDieser Artikel passt bei vielen Modellen, unter anderem für: PGO Star 50, PGO Star 50 2, PGO Comet 50, PGO Comet 50, PGO Galaxy 50, PGO Galaxy 50, PGO Galaxy 90, PGO Galaxy 90, PGO Star 50 2Dieser Hersteller ist seit vielen Jahren erfolgreich auf dem internationalen Markt. Er hat sich durch Zuverlässigkeit seiner Produkte einen Namen gemacht.Kostenloser Versand   Bei Ersatzteilen für jeden zusätzlichen Artikel mit den gleichen Versandkriterien, den Sie von uns kaufen.Unsere Ersatzteile für ihren Scooter bzw. Motorroller oder auch Roller können Sie bequem online in unserem Shop kaufen. Egal ob sie Ihren Roller im Baumarkt oder im Kaufhaus gekauft haben, für alle gängigen Taiwan-, China-, oder Europa-Roller finden Sie bei uns passende Bauteile, insbesondere für die Motoren 50 cc, 125 cc, 250 ccm, 4takt, 2takt und für größere Leistungen. Speziell für die Motorentypen 152QMI, 157QMI ,157QMJ, 158MJ ,1E40QMB, 1E40QMA ,164FML ,150QMG ,125-4T6M ,139QMB, 139QMA, JSD139QMB , GY6 ,139FMB ,153FMI, 156FMI in kurzen und langen Versionen in den Normen Euro1, Euro2, Euro3 sowie die neuen Euro 4 Einspritzer-Motoren finden Sie hochqualitative Ersatzteile. Gerne können Sie auch per Email nach Ersatzteilen anfragen. Bei Bestellwerten über 100 Euro können Sie auch unseren Finanzierungs- bzw. Ratenkauf-Service nutzen. Beim Kauf von Fahrzeugen können wir Ihnen auch ein Leasing-Angebot unterbreiten, das bietet sich insbesondere für Firmen an, die Betriebsfahrzeuge anschaffen, oder ihren Mitarbeitern ein Fahrzeug zur Verfügung stellen. Wir freuen uns auf Ihre Anfrage.

Verkaufspreis:
Nicht verfügbar
6,48 € Regulärer Preis: 7,45 €
Rabatt
Spiegel links Seitenspiegel Rückspiegel FIG23A-10A-3
Spiegel links Seitenspiegel Rückspiegel FIG23A-10A-3

zu Artikel: Spiegel linksRückspiegel linksSpiegel linksTechnik-InfoDer Artikel: Rückspiegel linksRueckspiegel links, Seitenspiegel links, Spiegel, Rück-Spiegel, Rueck-Spiegel, Spiegel links, Rueckspiegel, Rückspiegel, Rückspiegel linksUnsere Rückspiegel ( rechts wie links oder paarweise) erhalten Sie in Originalform mit E-Prüfzeichen.Dieser Artikel passt bei vielen Modellen, unter anderem für: Jinan Qingqi REX RS 900 QM50T 10A (A), Jinan Qingqi RS 900, Jinan Qingqi RS 900 QM50T 10AEiner der großen chinesischen Hersteller von Motorrollern, der seit Jahren erfolgreich den Weltmarkt beliefert.Geprüfte Erstausrüsterqualität beste Verarbeitung Best. Ware günstiger Preis da Direktimport Kauf 100% ohne Risiko vom TopsellerUnsere Ersatzteile für ihren Roller bzw. Motorroller oder auch Scooter können Sie bequem online in unserem Shop kaufen. Egal ob sie Ihren Roller im Kaufhaus oder im Baumarkt gekauft haben, für alle gängigen Europa-, China-, oder Taiwan-Roller finden Sie bei uns passende Bauteile, insbesondere für die Motoren 50 cc, 125 cc, 250 ccm, 4takt, 2takt und für größere Leistungen. Speziell für die Motorentypen 150QMG ,164FML ,153FMI, 156FMI ,1E40QMB, 1E40QMA ,139QMB, 139QMA, JSD139QMB ,152QMI, 157QMI ,125-4T6M ,157QMJ, 158MJ , GY6 ,139FMB in kurzen und langen Versionen in den Normen Euro1, Euro2, Euro3 sowie die neuen Euro 4 Einspritzer-Motoren finden Sie Ersatzteile von hoher Qualität. Gerne können Sie auch per Email nach Ersatzteilen anfragen. Bei Bestellwerten über 100 Euro können Sie auch unseren Finanzierungs- bzw. Ratenkauf-Service nutzen. Beim Kauf von Fahrzeugen können wir Ihnen auch ein Leasing-Angebot unterbreiten, das bietet sich insbesondere für Firmen an, die Betriebsfahrzeuge anschaffen, oder ihren Mitarbeitern ein Fahrzeug zur Verfügung stellen. Bitte fragen Sie an. Ein Element ist schadhaft - soll es gleich ausgewechselt oder repariert werden?Ganz egal, ob jemand einen Motorroller, Dreirad-Roller oder Elektroroller beziehungsweise E-Roller fährt, er stellt sich zweifellos stets die Frage, ob sie ein fehlerhaftes Bauteil austauschen oder instand setzen lassen sollen. Ein zusätzlicher Gesichtspunkt ist, dass ein neues Element nicht bloß kostengünstiger ist als eine Reparatur, sondern anschließend auch eine bedeutend höhere Funktionssicherheit bietet. Die Ursache einer Funktionsstörung lässt sich oft nur von einem Fachmann mittels Spezialwerkszeugen ermitteln. Ordern Sie doch am besten sofort eines unserer einbaufertigen Ersatzteil-Kits, die wir in vielen diversen Ausführungen anbieten. .Wir liefern ausnahmslos QualitätsprodukteDie Produkte, welche wir auf Lager haben, entsprechen zu 100 Prozent bezüglich der Qualität dem Weltmarktniveau. Weshalb können wir so günstig sein? Die Antwort: Weil wir auf wirtschaftlich sinnvolle Einkaufsmengen der Komponenten achten. Wenn Ihr fahrbarer Untersatz einmal neues Teil benötigt, wenden Sie sich vertrauensvoll an uns. Sie bekommen bei uns ausnahmslos beste Qualität zu einem günstigen Preis.Einige Rollermarken wie Sundiro und Eppella werden schon seit langem nicht mehr gefertigt. Dennoch führen wir dafür noch die Ersatzteile.Sie bekommen bei uns ohne Frage auch die Originalteile vom Fahrzeughersteller. Falls Sie jedoch Geld sparen wollen [und wer möchte das nicht], sollten Sie auch unsere Nachbauten in Erwägung ziehen, welche übrigens einen qualitativen Vergleich mit dem Erstausrüster- Produkt nicht zu scheuen brauchen, obgleich sie normalerweise wesentlich preisgünstiger sind. Sie können mit unseren Bauteilen die Reparatur von Ihrem Zweirad entweder selbst durchführen oder in einer Fachwerkstatt durchführen lassen. Sie werden höchstwahrscheinlich keine bessere Alternative finden, um zu erschwinglichen Kosten Ihr Zweirad instand setzen zu können.Es ist denkbar leicht, mittels der Produktbilder die richtige Komponente zu bestellenIn unserem Online-Shop gibt es reichlich Bildmaterial, das Sie dabei unterstützt, Ihr altes Bauteil auf einfache Weise mit dem verfügbaren Ersatz zu vergleichen. In Folge dessen können Falschlieferungen auf Grund fehlerhafter Bestellungen bereits im Vorfeld ausgeschlossen werden. Achten Sie bitte vor allem auf die Übereinstimmung des schadhaften Teils mit dem abgebildeten Artikel; vor allem was die deklarierten Maße und Spezifikationen anbelangt.Was Sie davon haben:Sie zahlen nur einmal Versandkosten bei Bestellung mehrerer Ersatzteile mit identischen LieferfaktorenAbsolute Fahrsicherheit des Motorrollers, speziell bei den BremsenKauf ohne Risiko durch "Geld zurück" - GarantieISO-zertifizierte PräzisionsfertigungWir kaufen Ihren RollerUnser Lager umfasst Komponenten und Artikel für ca. 250 Marken und 8500 TypenWir holen und bringen Ihr ZweiradAuch bei preiswerten Nachbauten bekommen Sie von uns stets die Erstausrüster-QualitätAlle unsere Erzeugnisse sind preiswürdig, gebrauchstauglich sowie langlebigUnsere Lieferungen erfolgen überwiegend kurzfristigGanz egal, ob Sie einen Roller, ein Fun Fahrzeug, einen Straßenbuggy oder ein Quad erwerben möchten. Wir sind für solche Fälle der Fachhändler Ihres Vertrauens. Warum sollten Sie sich an uns wenden? Weil wir uns in diesem Geschäftsfeld schon seit Jahrzehnten etabliert haben und Sie deshalb von unserem Erfahrungsreichtum profitieren können. Für unser familiär geführtes Unternehmen ist das Geschäft in Verbindung mit den Rollern der ganze Lebensinhalt.Es ist nicht in jedem Fall sinnvoll, sein motorisiertes Zweirad beim nächsten x-beliebigen Händler zu kaufen. Aus dem Grund ist es nötig, sich den ausgewählten Fachhändler vorab genau anzusehen. Unsere Geschäftspraktiken sind für den Kunden zu 100 Prozent nachvollziehbar! Gerne können Sie uns im Ladengeschäft aufsuchen, um sich über uns eigenhändig ein Bild zu machen.Das was Sie dort feststellen, wird Sie auf jeden Fall überzeugen.Eventuell ist Ihnen der Weg zu uns zu weit. Dann gibt es auch die Option, mittels des Trustedshops-Siegels und die unterschiedlichen Ebay Bewertungen Informationen über uns einzuholen. Unsere Webseite Motorroller.de wird zum Beispiel von Trustshops als "sehr gut" beurteilt. Das betrifft sowohl unseren Internet-Shop als auch unsere Geschäftspraxis. Über diese Einstufung sind wir nicht ganz zu Unrecht sehr Stolz. Unsere Käuferrezensionen bei Ebay liegen mit einem Prozentsatz von rund 99,9 % gleichfalls in einem sehr guten Bereich. Was beweisen all diese Ergebnisse ganz eindeutig? Dass wir in allen Belangen immer geben!!Denken Sie aber bitte daran, dass dort wo gearbeitet wird, auch mal Fehler passieren. Sofern also etwas nicht vollauf zu Ihrer Zufriedenheit geklappt hat, bitten wir Sie, uns die Chance zu geben, die Sache in Ordnung zu bringen.Unser gut geschultes Mitarbeiterteam steht Ihnen täglich zwischen 8:00 und 18:00 Uhr sowie samstags von 8:00 bis 13:00 Uhr zur Verfügung.Seit vielen Jahren im Dienst unserer KundenWir haben uns die Zufriedenheit unserer Kunden auf die Fahne geschrieben. Unsere Geschäftstätigkeit fing schon vor über fünf Jahrzehnten mit dem Bau von Maschinen an. Das Geschäft mit motorisierten Zweirädern dagegen, betreiben wir heute auch bereits seit mehr als 25 Jahren mit Erfolg. Mittlerweile haben wir uns neben dem Vertrieb von Motorrollern, auf Zubehör, Ersatzkomponenten und das "Nice-to-have" zur Leistungssteigerung ausgerichtet.Wir können zeitnah mehr als 500.000 Teile liefernUnter Motorroller.de finden Sie nahezu alle Ersatzteile und Zweiräder aus Europa und Asien. Wir haben passendes Zubehör, Einbauelemente und Artikel für circa 8500 Modelle und 250 Marken auf Lager. Adly, Jonway, Yamaha oder Kreidler gehören z.B. zu unseren langjährigen Lieferanten. Alles in allem haben wir auf einer Lagerfläche von über 1.000 m² mehr als 500.000 Produkte von unterschiedlichen Produzenten in unseren Hochregalen lieferbar. Hier finden Sie jedes Zubehör für Ihr Zweirad von A bis Z.Das beginnt bei den Handschuhen, Regensets und Nierengürteln, und geht bis hin zu den Windschildern über das Top Case und den Schutzhelmen.Auch Tuningfans kommen bei uns nicht zu kurz. Zum Tunen ihres Zweirads finden sie in unserer Tuningabteilung alles was das Herz begehrt, wie z.B. Auspuffanlagen, Kolben, Zylinder und dergleichen Dinge.Direkt nach der ProduktionKein Artikel verlässt unser Unternehmen, ehe er nicht auf tadellose Qualität geprüft worden ist. Dies bedeutet, ehe wir einen Roller in die Hände des Kunden übergeben, wird er von uns nochmals auf tadellose Funktion und Mängelfreiheit durchgecheckt. Nachdem die Motorroller bei uns im Haus eingetroffen sind, wird jedes einzelne Zweirad ausgepackt und erstmal einer visuellen Prüfung sowie einem Testlauf auf unserem Prüfstand unterzogen. Sofort nach der Anlieferung beim Kunden wird dann das Fahrzeug letztendlich erneut auf einwandfreie Funktion getestet, sodass de facto gesichert ist, dass der Käufer ein 100-prozentig einwandfreies Gefährt erhält.Umweltschutz wir bei uns groß geschriebenWir bemühen uns sehr um den Umweltschutz. Zur Reinerhaltung der Luft haben unsere Zweiräder generell Motoren, die außerordentlich wirtschaftlich laufen. Um die Umwelt außerdem zu schonen und eine fachgemäße Abfallentsorgung zu gewährleisten, nehmen wir die Transportverpackung wieder mit, welche bei der Anlieferung unserer Motorroller anfällt.Wir kaufen Ihren RollerSie wollen sich bei uns einen neuen Roller anschaffen und suchen für Ihr ausgedientes Gefährt einen neuen Besitzer? Machen Sie sich über diese Sache keine Gedanken! Wir nehmen Ihren gebrauchten Motorroller gerne in Zahlung.Sie sind nach wie vor skeptisch?Dann geben Sie uns bitte die Möglichkeit, Sie von unseren Leistungen zu begeistern. Man darf uns nicht mit den billigen Onlineshops verwechseln, die heute kommen und morgen gehen. Die solide Ausgangsbasis für einen erfolgreichen Betrieb besteht darin, dass allein zufolge neuer Ideen und fortschrittlicher Innovationen ein nachhaltiges Wachstum garantiert werden kann. Deshalb stehen Fleiß und fortwährendes Lernen in unserem stetig wachsenden Unternehmen fortwährend in der Rangordnung ganz oben. Überzeugen Sie sich selber von unserem außergewöhnlichen Kundenservice und besuchen Sie uns in unserem Unternehmen in Lindenfels-Eulsbach.So sind wir zu findenLindenfels liegt im Regierungsbezirk Darmstadt, und zwar 40 km nordöstlich von Mannheim bzw. etwa 60 km südlich von Frankfurt am Main. Sie fahren am besten von Süden her über die A8, während Sie aus nördlicher Richtung die A6 nehmen. Alternativ ist es natürlich auch möglich, mit der Bahn anzureisen.Unsere TopmarkenUnsere Topmarken

Verkaufspreis:
Am Lager
16,89 € Regulärer Preis: 19,42 €
Rabatt
PGO PMX Sport 110 Motorhalter Achse 110ccm 2Takt P1486002000 Motorroller.de Motorträger Motorhalterung Motor-Halter Motor-Halterung Motor-Lager
PGO PMX Sport 110 Motorhalter Achse 110ccm 2Takt P1486002000 Motorroller.de Motorträger Motorhalterung Motor-Halter Motor-Halterung Motor-Lager

zu Artikel: Motorhalter komplett Achse P1486002000 Motorhalter komplettTechnik-InfoMotorhalterMotortraeger, Motorträger, Motorwippe, Motorhalter, Motorschwinge, Achse, Motorachse, Motorhaltevorrichtung, Motor-Halter, Motor-Träger, Motor-Traeger, Motor-Schwinge, Motor-Wippe, Motor-Achse, Motor-Haltevorrichtung, Motorhalterung, Motor-Halterung, Motorlager, Motor-Lager, Motorhalterwelle, Motorhaltewelle, Motorkonsole, Motorkonsole 702601 für 125ccmMotorhalter nehmen hohe Kräfte auf. Hier kommt es sehr darauf an, dass die Fertigung und Bearbeitung auf hochwertigen Maschinen erfolgt. Wir beziehen unsere Teile direkt von den Fahrzeugherstellern in der original-Qualität.Dieser Artikel passt bei vielen Modellen, unter anderem für: gerne können Sie uns eine Email-Anfrage senden, Bitte vergleichen Sie mit ihren Fahrzeugpapieren, PGO PMX Sport 110Dieser Hersteller ist seit vielen Jahren erfolgreich auf dem internationalen Markt. Er hat sich durch Zuverlässigkeit seiner Produkte einen Namen gemacht.Geprüfte beste Erstausrüsterqualität sehr gute Verarbeitung Lagerware günstiger Preis da Direktimport sofort versandbereitUnsere Ersatzteile für ihren Scooter bzw. Roller oder auch Motorroller können Sie bequem online in unserem Shop kaufen. Egal ob sie Ihren Roller im Baumarkt oder im Kaufhaus gekauft haben, für alle gängigen China-, Europa-, oder Taiwan-Roller finden Sie bei uns passende Bauteile, insbesondere für die Motoren 50 cc, 125 cc, 250 ccm, 2-Takt, 4-Takt und für größere Leistungen. Speziell für die Motorentypen 150QMG ,139FMB ,157QMJ, 158MJ , GY6 ,1E40QMB, 1E40QMA ,164FML ,153FMI, 156FMI ,125-4T6M ,139QMB, 139QMA, JSD139QMB ,152QMI, 157QMI in kurzen und langen Versionen in den Normen Euro1, Euro2, Euro3 sowie die neuen Euro 4 Einspritzer-Motoren finden Sie Ersatzteile von bewährter Qualität. Gerne können Sie auch per Email nach Ersatzteilen anfragen. Bei Bestellwerten über 100 Euro können Sie auch unseren Ratenkauf- bzw. Finanzierungs-Service nutzen. Beim Kauf von Fahrzeugen können wir Ihnen auch ein Leasing-Angebot unterbreiten, das bietet sich insbesondere für Firmen an, die Betriebsfahrzeuge anschaffen, oder ihren Mitarbeitern ein Fahrzeug zur Verfügung stellen. Bitte fragen Sie an.

Verkaufspreis:
Am Lager
49,95 € Regulärer Preis: 57,44 €