Zum Hauptinhalt springen Zur Suche springen Zur Hauptnavigation springen
Menü
efr
erf
rrrf
Schnell lieferbar
14 Tage Rückgaberecht
Schneller DPD Versand

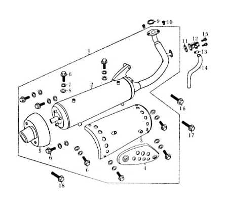
zu Artikel: Kickstarterwellenbuchse 15x20x30

Technik-Info

Kickstarterwellenbuchse

auch zu finden unter: Kickstarterwellenbuchse

Seit vielen Jahren arbeiten wir mit diesem Hersteller erfolgreich und zuverlässig zusammen. Die Teile haben sich in der Praxis stets bewährt.

Kostenloser Versand Bei Ersatzteilen für jeden zusätzlichen Artikel mit den gleichen Versandkriterien, den Sie von uns kaufen.

Unsere Ersatzteile für ihren Roller bzw. Motorroller oder auch Scooter können Sie bequem online in unserem Shop kaufen. Egal ob sie Ihren Roller im Kaufhaus oder im Baumarkt gekauft haben, für alle gängigen Europa-, China-, oder Taiwan-Roller finden Sie bei uns passende Bauteile, insbesondere für die Motoren 50 cc, 125 cc, 250 ccm, 2takt, 4takt und für größere Leistungen. Speziell für die Motorentypen 139QMB, 139QMA, 1E40QMB, 152QMI, 157QMI, GY6, 125-4T6M, 139FMB, 153FMI, 156FMI, 157QMJ, 158MJ, 164FML, 1E40QMA, JSD139QMB, 150QMG in kurzen und langen Versionen in den Normen Euro1, Euro2, Euro3 sowie die neuen Euro 4 Einspritzer-Motoren finden Sie qualitativ hochwertige Ersatzteile. Gerne können Sie auch per Email nach Ersatzteilen anfragen. Bei Bestellwerten über 100 Euro können Sie auch unseren Finanzierungs- bzw. Ratenkauf-Service nutzen. Beim Kauf von Fahrzeugen können wir Ihnen auch ein Leasing-Angebot unterbreiten, das bietet sich insbesondere für Firmen an, die Betriebsfahrzeuge anschaffen, oder ihren Mitarbeitern ein Fahrzeug zur Verfügung stellen. Bitte fragen Sie an.

Artikelposition in Explosionszeichnung: 16

Motorroller bequem online kaufen – von der Bestellung bis zur Lieferung


Mobiler Home Service – Bundesweit Inspektionen und Reparaturen


Motorroller.de – Über uns – Ihr Support vom Profi seit 1993

Ihr Finanzierungsplan**
Monate Rate mtl. Gesamt
6039,67 €2.380,49 €
12157,59 €1.891,14 €

Einfach im Bestellvorgang die Expokredit-Finanzierung als Zahlungsweise auswählen ...

  • ECM Eppella Extra 50 B 25kmh
  • ECM Eppella Extra 50 Off Road 50kmh
  • ECM Eppella Extra 50 Sport 50kmh
  • ECM Eppella Extra 50 T 25kmh
  • ECM Eppella Extra 50 T 50kmh
  • ECM Eppella Kontra B 50 25kmh
  • ECM Eppella Kontra B 50 50kmh
  • ECM Eppella Kontra T 50 25kmh
  • ECM Eppella Kontra T 50 50kmh
  • Eppella ECM Extra 50 B 50km/h
  • Kreidler Flory
  • Kreidler Flory RC50 C-D
  • Kreidler Mustang 50
  • Rex 25
  • Rex 25 Scooter
  • Rex 25-50 2-T
  • Rex 50
  • Rex 50 Scooter
  • Rex 50 Scooter/MK 50/CAPRIOLO 50 (2-Takt)
  • Rex REXY 25-50
  • Rex Rexy 50 50 km/h
  • Rex SPEEDY FLASH
  • SMC STM Flash SPEEDY
  • SMC STM REX Quad 50
  • SMC STM Rexy 50
  • SMC STM Scooter
  • STM SMC Extra 50 B 50kmh
  • STM SMC Extra 50 Off Road 50kmh
  • STM SMC Extra 50 Sport 50kmh
  • STM SMC Extra 50 T 50kmh
  • STM SMC Kontra B 50 50kmh
  • STM SMC Kontra T 50 50kmh
Produktgalerie überspringen

Kunden haben sich ebenfalls angesehen

Rabatt
Rex RS450 Schraube Bundschraube 50ccm 4Takt FIG14A-17 Motorroller.de Maschinenschraube Flanschschraube Flansch-Schraube Maschinen-Schraube Scooter

Durchschnittliche Bewertung von 0 von 5 Sternen

Rex RS450 Schraube Bundschraube 50ccm 4Takt FIG14A-17 Motorroller.de Maschinenschraube Flanschschraube Flansch-Schraube Maschinen-Schraube Scooter

zu Artikel: Schraube M6x16 FIG14A-17 Technik-Info Schraube auch zu finden unter: Flanschschraube, Schraube, Maschinenschraube, Bundschraube, Flansch-Schraube, Maschinen-Schraube, Bund-Schraube Der Spritzschutz - oder auch Innenkotflügel genannt - hilft den Rest der Radumgebung länge sauber zu halten. Einer der großen chinesischen Hersteller von Motorrollern, der seit Jahren erfolgreich den Weltmarkt beliefert. Kostenloser Versand Bei Ersatzteilen für jeden zusätzlichen Artikel mit den gleichen Versandkriterien, den Sie von uns kaufen. Unsere Ersatzteile für ihren Roller bzw. Motorroller oder auch Scooter können Sie bequem online in unserem Shop kaufen. Egal ob sie Ihren Roller im Kaufhaus oder im Baumarkt gekauft haben, für alle gängigen Europa-, China-, oder Taiwan-Roller finden Sie bei uns passende Bauteile, insbesondere für die Motoren 50 cc, 125 cc, 250 ccm, 2takt, 4takt und für größere Leistungen. Speziell für die Motorentypen 139QMB, 139QMA, 1E40QMB, 152QMI, 157QMI, GY6, 125-4T6M, 139FMB, 153FMI, 156FMI, 157QMJ, 158MJ, 164FML, 1E40QMA, JSD139QMB, 150QMG in kurzen und langen Versionen in den Normen Euro1, Euro2, Euro3 sowie die neuen Euro 4 Einspritzer-Motoren finden Sie qualitativ hochwertige Ersatzteile. Gerne können Sie auch per Email nach Ersatzteilen anfragen. Bei Bestellwerten über 100 Euro können Sie auch unseren Finanzierungs- bzw. Ratenkauf-Service nutzen. Beim Kauf von Fahrzeugen können wir Ihnen auch ein Leasing-Angebot unterbreiten, das bietet sich insbesondere für Firmen an, die Betriebsfahrzeuge anschaffen, oder ihren Mitarbeitern ein Fahrzeug zur Verfügung stellen. Bitte fragen Sie an.

Verkaufspreis:
Am Lager
1,81 € Regulärer Preis: 2,08 €
Rabatt
Bremsgeberzylinder kpl. mit Hebel Bremszylinder C5-2

Durchschnittliche Bewertung von 0 von 5 Sternen

Bremsgeberzylinder kpl. mit Hebel Bremszylinder C5-2

zu Artikel: Bremsgeberzylinder komplett mit Hebel FIG C5-2 Technik-Info Bremsgeberzylinder auch zu finden unter: Bremsgeberzylinder Der Hauptbremszylinder bezeichnet in der hydraulischen Bremsanlage den druckerzeugenden Zylinder. Er wird vom Bremspedal oder Bremshebel betätigt. Die Marke Rex ist eine der meistverkauften in Deutschland. Durch ständige Qualitätskontrollen vorort beim Hersteller ist ein hoher Standard gewährleistet. Kostenloser Versand Bei Ersatzteilen für jeden zusätzlichen Artikel mit den gleichen Versandkriterien, den Sie von uns kaufen. Unsere Ersatzteile für ihren Roller bzw. Motorroller oder auch Scooter können Sie bequem online in unserem Shop kaufen. Egal ob sie Ihren Roller im Kaufhaus oder im Baumarkt gekauft haben, für alle gängigen Europa-, China-, oder Taiwan-Roller finden Sie bei uns passende Bauteile, insbesondere für die Motoren 50 cc, 125 cc, 250 ccm, 2takt, 4takt und für größere Leistungen. Speziell für die Motorentypen 139QMB, 139QMA, 1E40QMB, 152QMI, 157QMI, GY6, 125-4T6M, 139FMB, 153FMI, 156FMI, 157QMJ, 158MJ, 164FML, 1E40QMA, JSD139QMB, 150QMG in kurzen und langen Versionen in den Normen Euro1, Euro2, Euro3 sowie die neuen Euro 4 Einspritzer-Motoren finden Sie qualitativ hochwertige Ersatzteile. Gerne können Sie auch per Email nach Ersatzteilen anfragen. Bei Bestellwerten über 100 Euro können Sie auch unseren Finanzierungs- bzw. Ratenkauf-Service nutzen. Beim Kauf von Fahrzeugen können wir Ihnen auch ein Leasing-Angebot unterbreiten, das bietet sich insbesondere für Firmen an, die Betriebsfahrzeuge anschaffen, oder ihren Mitarbeitern ein Fahrzeug zur Verfügung stellen. Bitte fragen Sie an.

Verkaufspreis:
Am Lager
153,01 € Regulärer Preis: 175,96 €
Rabatt
Kreidler Mitnehmer Gebläserad Variomatik 139QMA/QMB GY6 31210501-13

Durchschnittliche Bewertung von 0 von 5 Sternen

Kreidler Mitnehmer Gebläserad Variomatik 139QMA/QMB GY6 31210501-13

Technik-Info Mitnehmer Geblaeserad auch zu finden unter: Mitnehmer Geblaeserad, Mitnehmer Lüfterrad, Mitnehmer Luefterrad, Mitnehmer Ventilatorrad, Mitnehmer Flügelrad, Mitnehmer Fluegelrad, Mitnehmer Luftrad, Mitnehmer Belüftungsrad, Mitnehmer Belueftungsrad, Mitnehmer Gebläse-Rad, Mitnehmer Geblaese-Rad, Mitnehmer Lüfter-Rad, Mitnehmer Luefter-Rad, Mitnehmer Ventilator-Rad, Mitnehmer Flügel-Rad, Mitnehmer Fluegel-Rad, Mitnehmer Luft-Rad, Mitnehmer Belüftungs-Rad, Mitnehmer Belueftungs-Rad Die Ersatzteile dieses Herstellers haben sich seit Jahren im täglichen Einsatz bewährt. Durch beständigen Erfahrungsaustausch wird die Qualität auf ein Maximum angehoben. Kostenloser Versand   Bei Ersatzteilen für jeden zusätzlichen Artikel mit den gleichen Versandkriterien, den Sie von uns kaufen. Sie können unsere Ersatzteile für ihren Roller bzw. Motorroller oder auch Scooter bequem online in unserem Shop kaufen. Egal ob Kaufhaus-Roller oder im Baumarkt-Roller, für alle gängigen Europa-, China-, oder Taiwan-Roller finden Sie bei uns passende Bauteile. Speziell für die Motoren 50 cc, 125 cc, 250 ccm, 2takt, 4takt und für größere Leistungen. Speziell für die Motorentypen 139QMB, 139QMA, 1E40QMB, 152QMI, 157QMI, GY6, 125-4T6M, 139FMB, 153FMI, 156FMI, 157QMJ, 158MJ, 164FML, 1E40QMA, JSD139QMB, 150QMG in kurzen und langen Versionen in den Normen Euro1, Euro2, Euro3 sowie die neuen Euro 4 Einspritzer-Motoren finden Sie qualitativ hochwertige Ersatzteile. Gerne können Sie auch per Email nach Ersatzteilen anfragen. Ab Bestellwerten über 100 Euro bieten wir Ihnen unseren Finanzierungs- bzw. Ratenkauf-Service an. Beim Kauf von Fahrzeugen besteht die Möglichkeit der Finanzierung oder des Leasings. Speziell für Firmen, die Betriebsfahrzeuge anschaffen, oder ihren Mitarbeitern ein Fahrzeug zur Verfügung stellen, ist die eine interessante Alternative.

Verkaufspreis:
Am Lager
5,21 € Regulärer Preis: 5,99 €