Zum Hauptinhalt springen Zur Suche springen Zur Hauptnavigation springen
Menü
efr
erf
rrrf
Schnell lieferbar
14 Tage Rückgaberecht
Schneller DPD Versand

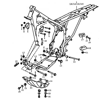
zu Artikel: Kabelführung für Anlasserkabel 89396

Technik-Info

Kabelführung

Halterung - Führung, Kabelfuehrung, Kabelführung, Halterung - Fuehrung, Fuehrung, Halterung

Die Marke Rex ist eine der meistverkauften in Deutschland. Durch ständige Qualitätskontrollen vorort beim Hersteller ist ein hoher Standard gewährleistet.

Kostenloser Versand   Bei Ersatzteilen für jeden zusätzlichen Artikel mit den gleichen Versandkriterien, den Sie von uns kaufen.

Unsere Ersatzteile für ihren Roller bzw. Motorroller oder auch Scooter können Sie bequem online in unserem Shop kaufen. Egal ob sie Ihren Roller im Kaufhaus oder im Baumarkt gekauft haben, für alle gängigen Taiwan-, China-, oder Europa-Roller finden Sie bei uns passende Bauteile, insbesondere für die Motoren 50 cc, 125 cc, 250 ccm, 4-Takt, 2-Takt und für größere Leistungen. Speziell für die Motorentypen GY6 ,157QMJ, 158MJ ,125-4T6M ,164FML ,150QMG ,139FMB ,139QMB, 139QMA, JSD139QMB ,152QMI, 157QMI ,1E40QMB, 1E40QMA ,153FMI, 156FMI in kurzen und langen Versionen in den Normen Euro1, Euro2, Euro3 sowie die neuen Euro 4 Einspritzer-Motoren finden Sie Ersatzteile von hoher Qualität. Gerne können Sie auch per Email nach Ersatzteilen anfragen. Bei Bestellwerten über 100 Euro können Sie auch unseren Finanzierungs- bzw. Ratenkauf-Service nutzen. Beim Kauf von Fahrzeugen können wir Ihnen auch ein Leasing-Angebot unterbreiten, das bietet sich insbesondere für Firmen an, die Betriebsfahrzeuge anschaffen, oder ihren Mitarbeitern ein Fahrzeug zur Verfügung stellen. Wir freuen uns auf Ihre Anfrage.

Baugruppe: Motor

Artikelposition in Explosionszeichnung: 15

Ersatzteil: Anlasser

Motorroller bequem online kaufen – von der Bestellung bis zur Lieferung


Mobiler Home Service – Bundesweit Inspektionen und Reparaturen


Motorroller.de – Über uns – Ihr Support vom Profi seit 1993

Ihr Finanzierungsplan**
Monate Rate mtl. Gesamt
6039,67 €2.380,49 €
12157,59 €1.891,14 €

Einfach im Bestellvorgang die Expokredit-Finanzierung als Zahlungsweise auswählen ...

  • Kreidler SUPERMOTO 125
  • Rex Enduro 125 DD
  • Rex Supermoto 125 DD
  • Rex Supermoto Enduro 125
Produktgalerie überspringen

Kunden haben sich ebenfalls angesehen

Rabatt
Dekor SCOOTER-TRIBAL Sticker 86612
Dekor SCOOTER-TRIBAL Sticker 86612

Dekor SCOOTER-TRIBALTechnik-InfoDekorDeko-Sticker, Deko-Aufkleber, Dekor, Sticker, Deko, Aufkleber Deko-Kits geben dem Fahrzeug ein eleganteres in individuelleres aussehen. Das Abringen ist in der Regel einfach, und somit auch für technisch geschickten Laien kein ProblemDie Marke Rex ist eine der meistverkauften in Deutschland. Durch ständige Qualitätskontrollen vorort beim Hersteller ist ein hoher Standard gewährleistet.Geprüfte Erstausrüsterqualität beste Verarbeitung Best. Ware günstiger Preis da Direktimport Kauf 100% ohne Risiko vom TopsellerUnsere Ersatzteile für ihren Motorroller bzw. Scooter oder auch Roller können Sie bequem online in unserem Shop kaufen. Egal ob sie Ihren Roller im Kaufhaus oder im Baumarkt gekauft haben, für alle gängigen Taiwan-, Europa-, oder China-Roller finden Sie bei uns passende Bauteile, insbesondere für die Motoren 50 cc, 125 cc, 250 ccm, 4takt, 2takt und für größere Leistungen. Speziell für die Motorentypen 139QMB, 139QMA, JSD139QMB ,152QMI, 157QMI ,125-4T6M ,164FML ,157QMJ, 158MJ ,139FMB ,150QMG ,153FMI, 156FMI ,1E40QMB, 1E40QMA , GY8 in kurzen und langen Versionen in den Normen Euro1, Euro2, Euro3 sowie die neuen Euro 4 Einspritzer-Motoren finden Sie hochqualitative Ersatzteile. Gerne können Sie auch per Email nach Ersatzteilen anfragen. Bei Bestellwerten über 100 Euro können Sie auch unseren Ratenkauf- bzw. Finanzierungs-Service nutzen. Beim Kauf von Fahrzeugen können wir Ihnen auch ein Leasing-Angebot unterbreiten, das bietet sich insbesondere für Firmen an, die Betriebsfahrzeuge anschaffen, oder ihren Mitarbeitern ein Fahrzeug zur Verfügung stellen. Wir freuen uns auf Ihre Anfrage.

Verkaufspreis:
Verfügbar
5,49 € Regulärer Preis: 6,31 €
Rabatt
Kabel Anlasser Stromleitung Elektrokabel Elektro-Kabel 742053 Motorroller.de Stromkabel Elektroleitung Strom-Kabel Elektro-Leitung Strom-Leitung Moped
Kabel Anlasser Stromleitung Elektrokabel Elektro-Kabel 742053 Motorroller.de Stromkabel Elektroleitung Strom-Kabel Elektro-Leitung Strom-Leitung Moped

zu Artikel: Kabel, Anlasser 742053Technik-InfoKabelauch zu finden unter: Kabel, Elektrokabel, Stromkabel, Elektroleitung, Stromleitung, Elektro-Kabel, Strom-Kabel, Elektro-Leitung, Strom-LeitungKostenloser Versand Bei Ersatzteilen für jeden zusätzlichen Artikel mit den gleichen Versandkriterien, den Sie von uns kaufen.

Verkaufspreis:
Verfügbar
9,90 € Regulärer Preis: 11,39 €
Rabatt
Bundmutter M6 Rex RS125 QM125T-10D Flanschmutter 79113 Motorroller.de Sechskantmutter Sechskant-Mutter Flansch-Mutter Maschinenmutter Scooter
Bundmutter M6 Rex RS125 QM125T-10D Flanschmutter 79113 Motorroller.de Sechskantmutter Sechskant-Mutter Flansch-Mutter Maschinenmutter Scooter

zu Artikel: Mutter M6 79113 Technik-InfoMutterMutter, Bundmutter, Maschinenmutter, Sechskantmutter, Flanschmutter, Flansch-Mutter, Maschinen-Mutter, Sechskant-Mutter, Bund-Mutter Kostenloser Versand   Bei Ersatzteilen für jeden zusätzlichen Artikel mit den gleichen Versandkriterien, den Sie von uns kaufen.Sie können unsere Ersatzteile für ihren Roller bzw. Motorroller oder auch Scooter bequem online in unserem Shop kaufen. Egal ob Kaufhaus-Roller oder im Baumarkt-Roller, für alle gängigen Europa-, China-, oder Taiwan-Roller finden Sie bei uns passende Bauteile. Speziell für die Motoren 50 cc, 125 cc, 250 ccm, 2takt, 4takt und für größere Leistungen. Speziell für die Motorentypen 139QMB, 139QMA, 1E40QMB, 152QMI, 157QMI, GY6, 125-4T6M, 139FMB, 153FMI, 156FMI, 157QMJ, 158MJ, 164FML, 1E40QMA, JSD139QMB, 150QMG in kurzen und langen Versionen in den Normen Euro1, Euro2, Euro3 sowie die neuen Euro 4 Einspritzer-Motoren finden Sie qualitativ hochwertige Ersatzteile. Emailanfragen nach speziellen Ersatzteilen beantworten wir Ihnen gerne. Wenn sie für mehr als 100 Euro bestellen, können wir Ihnen auch Finanzierungs- bzw. Ratenkauf anbieten. Beim Kauf von Fahrzeugen haben Sie auch die Möglichkeit zu finanzieren oder zu leasen. Letzteres bietet sich besonders für Firmen an, die Betriebsfahrzeuge anschaffen, oder ihren Mitarbeitern ein Fahrzeug zur Verfügung stellen. Bitte fragen Sie an.

Verkaufspreis:
Verfügbar
1,69 € Regulärer Preis: 1,94 €
Rabatt
Bolzen Rex Supermoto 125 DD Stehbolzen Zapfen 125ccm 4Takt Motorroller.de Gewindebolzen Gewindestift Arretierbolzen Stiftschraube Gewinde-Stift Moped
Bolzen Rex Supermoto 125 DD Stehbolzen Zapfen 125ccm 4Takt Motorroller.de Gewindebolzen Gewindestift Arretierbolzen Stiftschraube Gewinde-Stift Moped

zu Artikel: Bolzen 89394 Technik-InfoBolzenGewindestift, Gewindebolzen, Bolzen, Stiftschraube, Stehbolzen, Arretierbolzen, Zapfen, Stift-Schraube, Gewinde-Bolzen, Steh-Bolzen, Gewinde-Stift Bolzen sind Standard-Bauteile, an denen oder mit denen andere Fahrzeug- oder Maschinenbauteile befestigt werden. Auch hier ist darauf zu achten, dass die Dimension und die Stahl-Beschaffenheit für die jeweilige Aufgabe / Funktion entsprechend ausgelegt ist. Wir liefern immer die passenden Bolzen in Erstausrüster-Qualität.Die Marke Rex ist eine der meistverkauften in Deutschland. Durch ständige Qualitätskontrollen vorort beim Hersteller ist ein hoher Standard gewährleistet.Kostenloser Versand   Bei Ersatzteilen für jeden zusätzlichen Artikel mit den gleichen Versandkriterien, den Sie von uns kaufen.Unsere Ersatzteile für ihren Roller bzw. Scooter oder auch Motorroller können Sie bequem online in unserem Shop kaufen. Egal ob sie Ihren Roller im Kaufhaus oder im Baumarkt gekauft haben, für alle gängigen Europa-, Taiwan-, oder China-Roller finden Sie bei uns passende Bauteile, insbesondere für die Motoren 50 cc, 125 cc, 250 ccm, 4-Takt, 2-Takt und für größere Leistungen. Speziell für die Motorentypen 152QMI, 157QMI ,153FMI, 156FMI ,157QMJ, 158MJ ,125-4T6M ,164FML ,150QMG ,139FMB ,139QMB, 139QMA, JSD139QMB , GY6 ,1E40QMB, 1E40QMA in kurzen und langen Versionen in den Normen Euro1, Euro2, Euro3 sowie die neuen Euro 4 Einspritzer-Motoren finden Sie Ersatzteile von erstklassiger Qualität. Gerne können Sie auch per Email nach Ersatzteilen anfragen. Bei Bestellwerten über 100 Euro können Sie auch unseren Ratenkauf- bzw. Finanzierungs-Service nutzen. Beim Kauf von Fahrzeugen können wir Ihnen auch ein Leasing-Angebot unterbreiten, das bietet sich insbesondere für Firmen an, die Betriebsfahrzeuge anschaffen, oder ihren Mitarbeitern ein Fahrzeug zur Verfügung stellen. Wir freuen uns auf Ihre Anfrage.

Verkaufspreis:
Nicht verfügbar
2,99 € Regulärer Preis: 3,44 €
Rabatt
Ansaugstutzen Tongjian Strassenbuggy 150 M150-1001210 Motorroller.de Ansaugkrümmer Eppella ECM TBM Twister Hammerhead Wangye Kasea Buggy Premium Ansaugstutzen
Ansaugstutzen Tongjian Strassenbuggy 150 M150-1001210 Motorroller.de Ansaugkrümmer Eppella ECM TBM Twister Hammerhead Wangye Kasea Buggy Premium Ansaugstutzen

zu Artikel: Ansaugstutzen 150ccm 4Takt Ansaugstutzen Ansaugrohr, Ansaugstutzen, Luftansaugrohr, Ansaugkrümmer, Ansaugkruemmer, Ansaugschlauch, Ausaugleitung, Ansaugstück, Ansaugstueck, Ansaugtrakt, Ansaugeinheit, Ansaugteil, Ansaug-Stutzen, Ansaug-Krümmer, Ansaug-Kruemmer, Ansaug-Rohr, Ansaug-Schlauch, Ansaug-Leitung, Ansaug-Trakt, Ansaug-Einheit, Luftfiltereinlassbogen, Ansauggummi, Verbindungsstück, Verbindungsstueck, Ansaug, Ansaugbogen, Ansaugwinkel, Anschlussbogen, Anschlusswinkel Original Ansaugstutzen, auch als Ansaugkrümmer bezeichnet. Für beinahe alle 110 ccm 2-Takt Motoren passend. Wie alle Bauteile hat auch der Ansaugkrümmer auf Grund seiner ausgezeichneten Qualität eine lange Nutzungsdauer. Einfach das neue Fabrikat gegen das alte Teil tauschen. Wir liefern immer in Erstausrüsterqualität, ganz gleich, ob es sich hierbei um einen günstigen Nachbau oder ein Originalbauteil handelt.Dank eines jahrelangen Einsatzes haben sich die Ersatzelemente dieses Fahrzeugproduzenten vorzüglich bewährt. Man kann alle Bauelemente in unserem Onlineshop kaufen. Dazu kommt, dass durch andauernden Erfahrungsaustausch die Qualität fortgesetzt gesteigert werden konnte. Jedes zusätzliche Teil mit denselben Versandvoraussetzungen, das Sie von uns kaufen, wird von uns kostenfrei geliefert.Bestellen Sie unsere Komponenten für Ihren Motorroller, Elektroroller beziehungsweise E-Roller, 3-Rad-Roller [Dreirad-Roller] oder auch Scooter ohne Probleme über unseren Shop. Sie finden bei uns alle richtigen Ersatzbauteile für Ihr motorisiertes Zweirad, ganz gleich ob Sie Ihr motorisiertes Zweirad im Kaufhaus, Baumarkt oder Fachgeschäft bezogen haben. Gerne können Sie auch per E-Mail nach Bauteilen anfragen. Unser primärer Zahlungsweg ist generell PayPal bzw. beim Kauf über Amazon der Bankeinzug. Bei höheren Bestellwerten [mehr als 100 EUR] können Sie den Kaufpreis auch finanzieren beziehungsweise in Raten zahlen. Oder Sie leasen einfach das Fahrzeug. Für Firmen wäre diese Option sicher nicht uninteressant, insbesondere bei der Anschaffung von Betriebsfahrzeugen oder falls sie eigene Motorroller für die Angestellten kaufen möchten. Wir beraten Sie diesbezüglich gerne umfassend und detailliert - fragen Sie uns einfach. Dieses Teil passt zu folgenden Fahrzeugmodellen bzw. Motoren: Dieser Artikel passt bei vielen Modellen, unter anderem für: TBM Buggy 150, TBM Strassenbuggy 150 II, Eppella ECM Buggy 150, TBM Strassenbuggy 150 III, TBM Strassenbuggy 150 I, Eppella ECM Strassenbuggy 150 II, Eppella ECM Strassenbuggy 150 III, Eppella ECM Strassenbuggy 150 I, Tongjiang Buggy 150, Tongjiang Strassenbuggy 150 I, Tongjiang Strassenbuggy 150 II, Tongjiang Strassenbuggy 150 III, Twister Hammerhead 150, Twister Hammerhead 150 I, Twister Hammerhead 150 II passender Motor: 150ccm-4Takt Auswechseln oder instand setzen? Wird mal irgendetwas am Motorroller schadhaft, dann hat man normalerweise zwei Möglichkeiten: instand setzen oder Austauschen. Da ist es unerheblich, ob es sich dabei um einen gleichgültig, ob sich um einen Dreirad-Roller, Motorroller, oder Elektroroller respektive E-Roller dreht. Falls jemand solche Überlegungen anstellt, sollte er allerdings berücksichtigen, dass angesichts der verhältnismäßig hohen Lohnkosten, sogar eine kleine Reparatur bereits verhältnismäßig teuer werden kann. Ein neues Element, welches relativ problemlos getauscht werden kann, ist nicht nur preisgünstiger, sondern bietet überdies eine erheblich größere Ausfallsicherheit als nach einer Reparatur des Motorrollers. Häufig kann lediglich eine kompetente Fachwerkstatt den Fehler auf Anhieb finden. Ordern Sie doch am besten sofort eines unserer einbaufertigen Komplett-Kits, die wir für viele diverse Modelle anbieten. Wer schon mal seinen defekten Roller in die Werkstatt bringen musste, hat eventuell für die Fehlerbeseitigung viel Geld bezahlt. Hier wäre es bedeutend günstiger gewesen, gleich selber die komplette Baugruppe zu wechseln. Erstklassige Ersatzteile für Ihr Zweirad Die Qualität unserer sämtlichen Produkte hat Weltmarktniveau. Wir können lediglich deswegen so günstig sein, weil wir unsere Komponenten in genügend großen Stückmengen einkaufen. Sämtliche lieferbaren Bauteile für Ihr Zweirad kriegen Sie bei uns sowohl in guter Qualität als auch zu einem Preis, der keine Wünsche offen lässt. Auch für Motorroller, Buggys und Quads, die nicht mehr produziert werden, haben wir im Regelfall die Bauteile verfügbar. So z.B. für die Marken Sundiro und Eppella. Sie bekommen bei uns selbstverständlich auch die Originalteile vom Rollerhersteller. Für den Fall, dass Sie allerdings Geld sparen wollen [und wer möchte das nicht], sollten Sie auf unsere Nachbauten zurückgreifen, die übrigens einen qualitativen Vergleich mit dem Erstausrüster- Produkt nicht scheuen müssen, obgleich sie grundsätzlich bedeutend preisgünstiger sind. Sie können mit unseren Bauteilen die Instandsetzung Ihres Rollers entweder selbst durchführen oder in einer Fachwerkstatt ausführen lassen. Dazu müssen Sie nicht unbedingt auf teure Originalteile zurückgreifen und können deshalb viel Geld sparen. Es gibt ohne Zweifel keine bessere Alternative, durch die Sie zu günstigen Preisen und in guter Qualität Ihren Roller reparieren können. Es ist denkbar einfach, mit Hilfe der Bilder die passende Komponente zu bestellen In unserem Online-Shop existiert reichlich Bildmaterial, welches Sie dabei unterstützt, Ihr defektes Bauteil ganz leicht mit dem lieferbaren Ersatz zu vergleichen. Auf diese Weise können Fehllieferungen infolge inkorrekter Bestellungen bereits vorweg verhindert werden. Hierbei ist es von Bedeutung, dass das Teil, das Sie austauschen wollen, nicht allein visuell, sondern auch in den Spezifikationen und Dimensionen mit Ihrer Bestellung übereinstimmt.   Ihre Vorteile:   Kurzfristige Lieferzeiten Unsere sämtlichen Produkte sind ausfallsicher, kostengünstig sowie zuverlässig Auch bei preiswerten Nachbauten bekommen Sie von uns ausschließlich die Erstausrüster-Qualität Teile und Artikel für etwa 250 Marken und 8500 Typen auf Lager DIN-Norm gerechte und ISO-zertifizierte Präzisionsfertigung Abhol- und Bringservice Roller-Ankauf Sie bezahlen beim Ordern mehrerer Einbauelemente mit denselben Versandfaktoren nur einmal Versandkosten Kauf ohne Risiko dank "Geld zurück" - Garantie Absolute Fahrsicherheit des Rollers, speziell bei den Bremsen   Roller, Buggys, Fun Fahrzeuge und Quads kauft man bevorzugt in einem Fachbetrieb wie den unsrigen. Welchen Nutzen haben Sie von unserem Service? Weil wir für diesen Geschäftsbereich die Meister-Qualifikation und das entsprechende Know-how besitzen, welche dazu definitiv notwendig ist. Nicht lediglich der Verkauf zählt zu unserer Passion, sondern auch die Unterstützung unserer Kunden im Anschluss, die ohne Frage einen perfekten Fahrzeugservice einschließt. Als familiär geführtes Unternehmen betreiben wir nicht nur das Geschäft rund um die Roller, wir leben das Geschäft richtiggehend. Kaufen ist Vertrauenssache, darum ist es wichtig, sich seinen Lieferanten zuvor genau anzusehen. Bei uns ist alles rund um unseren Fachhandel transparent! Kommen Sie doch einfach mal bei uns vorbei und informieren Sie sich selbst über uns.Den Beweis unserer guten Leistungen sehen Sie dann direkt vor Ort. Ist Ihnen die Entfernung zu uns zu weit? Dann informieren Sie sich doch durch das Trustedshops-Siegels und die diversen Ebay Bewertungen. Die Benotungen von Trustedshops sind allgemein nicht nur ungemein aussagekräftig, sondern auch gänzlich wertneutral. Sowohl der Online Shop auf unserer Firmenwebseite Motorroller.de als auch unsere Geschäftspraktiken wurden von dieser Einrichtung bislang durchgängig mit "sehr gut" eingestuft. Der Wert von circa 99, 9 % bei Ebay in den Käuferrezensionen kann sich genauso sehen lassen. Zeigen diese Ergebnisse nicht klar und deutlich, dass unsere Kunden bestens bei uns aufgehoben sind? Bitte denken Sie daran, dass dort wo gearbeitet wird, auch Fehler passieren. Wir wollen Sie darum bitten, uns definitiv eine Gelegenheit zur Verbesserung zu geben, wenn mal etwas nicht ganz geklappt hat. Unser Expertenteam steht Ihnen täglich zwischen 8:00 und 18:00 Uhr sowie am Samstag von 8:00 bis 13:00 Uhr zur Verfügung. Wir möchten uns vorstellen Wir haben uns die Zufriedenheit unserer Kundschaft auf die Fahne geschrieben. Unsere Geschäftstätigkeit fing schon vor über 50 Jahren mit dem Maschinenbau an. Den Handel mit motorisierten Zweirädern wiederum, betreiben wir heute auch bereits seit mehr als 25 Jahren mit Erfolg. Unser Fokus ist mittlerweile auf den Verkauf von Fahrzeugzubehör, das "Must have" zum Tunen und Einbauteile für die häufigsten Roller ausgerichtet. Unsere Produktpalette schließt zirka 500.000 tag=203#Einbauteile ein Wer auf der Suche nach einem preisgünstigen Roller oder Zubehörteil für seinen fahrbaren Untersatz ist, der findet bei uns unter Motorroller.de bestimmt das geeignete Element. Es existieren zurzeit Artikel, Einbauteile und passendes Zubehör für ca. 8500 Modelle und 250 Hersteller in unserem Versandlager, die auf Ihre Bestellung warten. Darunter sind zum Beispiel Anbieter wie Yamaha, Jonway, Kreidler oder Adly zu finden. Insgesamt haben wir auf einer Fläche von über 1.000 Quadratmeter etwa 500.000 Produkte von unterschiedlichen Herstellern in unserem Hochregallager im Programm. Sie finden in unserer Zubehörabteilung alles, was Sie für Ihr Zweirad brauchen. Das beginnt bei den Regensets, Nierengürteln und Handschuhen, und geht bis hin zu den Windschildern über die Sturzhelme und das Top Case.Selbst Tuningfans kommen bei uns nicht zu kurz. Sie finden in unserem Tuningbereich alles was das Herz begehrt, wie zum Beispiel Auspuffanlagen, Zylinder, Kolben und weitere Dinge. Unmittelbar nach der Produktion Kein Artikel verlässt unser Haus, ehe er nicht auf tadellose Qualität geprüft worden ist. Anders ausgedrückt heißt das, dass sämtliche Motorroller, die vom Hersteller bei uns eintreffen, von unserem Fachpersonal nochmals eingehend untersucht werden. Erst dann liefern wir sie an unsere Kunden aus. Das erste Mal geschieht das vor dem Versand, indem wir jeden Roller auspacken und auf unserem computergesteuerten Prüfstand einem Testlauf respektive einer Übergabekontrolle unterziehen. Ehe der Kunde den Motorroller in Empfang nimmt, erfolgt noch ein letzter Funktionscheck. Somit ist de facto gesichert, dass der neue Besitzer mit seiner Anschaffung 100-prozentig zufrieden ist. Schutz unserer Umwelt Wir bemühen uns sehr um den Schutz unserer Umwelt. Einerseits sind unsere Fahrzeuge allesamt mit wirtschaftlichen Verbrennungsmotoren bestückt. Bei der Auslieferung unserer Roller bleibt ausnahmslos die Transportverpackung übrig. Diese nehmen wir ohne Frage wieder mit und führen sie einer fachgerechten Abfallentsorgung zu. Roller-Ankauf Sie möchten sich bei uns einen neuen Roller anschaffen und sich gleichzeitig von Ihrem alten Modell trennen? Kein Problem! Lassen Sie das unsere Sorge sein, denn wir nehmen Ihren gebrauchten Motorroller in Zahlung. Immer noch nicht begeistert? Falls wir von Ihnen die Gelegenheit dazu erhalten, können wir Ihnen unsere Leistungen auch beweisen. Wir gehören nicht zu den billigen Onlineshops, die heute kommen und morgen schon wieder weg sind. Ausschließlich hinsichtlich neuer Ideen und zeitgemäßer Innovationen lässt sich eine stabile Geschäftsgrundlage schaffen. Deshalb steht in unserem stetig wachsenden Unternehmen Fleiß und fortwährendes Lernen immer an erster Stelle. Überzeugen Sie sich selber von unserem hervorragenden Kundenservice und besuchen Sie uns doch mal in unserem Betrieb in Lindenfels-Eulsbach. So finden Sie uns Lindenfels liegt im Regierungsbezirk Darmstadt, und zwar 40 km nordöstlich von Mannheim respektive ungefähr 60 km im Süden von Frankfurt/Main. Sie fahren am besten von Süden her über die A8, während Sie aus nördlicher Richtung die A6 nehmen. Klarerweise kann man hinsichtlich der guten Verkehrsanbindung auch sehr bequem per Bahn anreisen. Unsere Topmarken Unsere TopmarkenPremium Ansaugstutzen für optimale Luftzufuhr und Motorleistung."Der Ansaugstutzen M150-1001210 ist ein hochwertiges Premium Ersatzteil und sorgt für effiziente Luftzufuhr, saubere Verbrennung und zuverlässige Motorleistung."

Verkaufspreis:
Verfügbar
19,90 € Regulärer Preis: 22,89 €
Rex Quad 50 Fußdichtung Zylinderdichtung 50ccm 2Takt Motorroller.de Zylinder-Dichtung ZylinderFußdichtung ATV 50cc 2T Dichtung Zylinderfuß
Rex Quad 50 Fußdichtung Zylinderdichtung 50ccm 2Takt Motorroller.de Zylinder-Dichtung ZylinderFußdichtung ATV 50cc 2T Dichtung Zylinderfuß

zu Artikel: Dichtung Zylinderfuß 2Takt 50ccm 704169 Rex-279228 Fussdichtung 2Takt 50ccm Technik-Info Fussdichtung auch zu finden unter: Dichtung Zylinderfuß, Dichtung Zylinderfuss, Zylinderfussdichtung, Dichtung Zylinder unten, Zylinderfuß-Dichtung, Zylinderfuss-Dichtung, Zylinderdichtung, Zylinder-Dichtung, Fußdichtung, Fussdichtung, Fuß-Dichtung, Fuss-Dichtung, Abdichtung Zylinderfuß, Abdichtung Zylinderfuss, ZylinderfussAbdichtung, Abdichtung Zylinder unten, Zylinderfuß-Abdichtung, Zylinderfuss-Abdichtung, ZylinderAbdichtung, Zylinder-Abdichtung, FußAbdichtung, FussAbdichtung, Fuß-Abdichtung, Fuss-Abdichtung Ob Einzeldichtung oder Dichtsatz, bei uns erhalten Sie stets die Qualitätsstufe wie beim Original-Hersteller. Wenn Sie etwas an der Variomatik arbeiten oder auch nur wenn der Deckel geöffnet wird, sollte die Dichtung immer getauscht werden Dieser Artikel wurde speziell hergestellt für:Rex Quad 50 50ccm 2Takt Geprüfte Erstausrüsterqualität sehr gute Verarbeitung günstiger Preis Direktimport Kauf 100% ohne Risiko vom Topseller Unsere Ersatzteile für ihren Roller bzw. Motorroller oder auch Scooter können Sie bequem online in unserem Shop kaufen. Egal ob sie Ihren Roller im Baumarkt oder im Kaufhaus gekauft haben, für alle gängigen China-, Europa-, oder Taiwan-Roller finden Sie bei uns passende Bauteile, insbesondere für die Motoren 50 cc, 125 cc, 250 ccm, 2takt, 4takt und für größere Leistungen. Speziell für die Motorentypen 164FML ,150QMG ,125-4T6M ,157QMJ, 158MJ ,GY6 ,139FMB ,139QMB, 139QMA, JSD139QMB ,153FMI, 156FMI ,1E40QMB, 1E40QMA ,152QMI, 157QMI in kurzen und langen Versionen in den Normen Euro1, Euro2, Euro3 sowie die neuen Euro 4 Einspritzer-Motoren finden Sie hochqualitative Ersatzteile. Gerne können Sie auch per Email nach Ersatzteilen anfragen. Bei Bestellwerten über 100 Euro können Sie auch unseren Finanzierungs- bzw. Ratenkauf-Service nutzen. Beim Kauf von Fahrzeugen können wir Ihnen auch ein Leasing-Angebot unterbreiten, das bietet sich insbesondere für Firmen an, die Betriebsfahrzeuge anschaffen, oder ihren Mitarbeitern ein Fahrzeug zur Verfügung stellen. Wir freuen uns auf Ihre Anfrage.

Regulärer Preis:
Verfügbar
4,90 €