Zum Hauptinhalt springen Zur Suche springen Zur Hauptnavigation springen
Menü
efr
erf
rrrf
Schnell lieferbar
14 Tage Rückgaberecht
Schneller DPD Versand

zu Artikel: Felgenband ohne Speichen 89863

Technik-Info

Hinterrad

Felge hinten, Hinterradfelge, Hinterrad, Hinterrad-Felge, Hinter-Rad, Rad hinten, Alufelge, Heck-Rad

Kostenloser Versand   Bei Ersatzteilen für jeden zusätzlichen Artikel mit den gleichen Versandkriterien, den Sie von uns kaufen.

Unsere Ersatzteile für ihren Motorroller bzw. Scooter oder auch Roller können Sie bequem online in unserem Shop kaufen. Egal ob sie Ihren Roller im Kaufhaus oder im Baumarkt gekauft haben, für alle gängigen Europa-, China-, oder Taiwan-Roller finden Sie bei uns passende Bauteile, insbesondere für die Motoren 50 cc, 125 cc, 250 ccm, 4takt, 2takt und für größere Leistungen. Speziell für die Motorentypen 152QMI, 157QMI ,1E40QMB, 1E40QMA ,139QMB, 139QMA, JSD139QMB , GY6 ,125-4T6M ,153FMI, 156FMI ,157QMJ, 158MJ ,139FMB ,164FML ,150QMG in kurzen und langen Versionen in den Normen Euro1, Euro2, Euro3 sowie die neuen Euro 4 Einspritzer-Motoren finden Sie Ersatzteile von erstklassiger Qualität. Gerne können Sie auch per Email nach Ersatzteilen anfragen. Bei Bestellwerten über 100 Euro können Sie auch unseren Finanzierungs- bzw. Ratenkauf-Service nutzen. Beim Kauf von Fahrzeugen können wir Ihnen auch ein Leasing-Angebot unterbreiten, das bietet sich insbesondere für Firmen an, die Betriebsfahrzeuge anschaffen, oder ihren Mitarbeitern ein Fahrzeug zur Verfügung stellen. Wir freuen uns auf Ihre Anfrage.

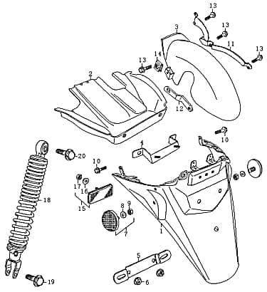
Baugruppe: Rahmen

Artikelposition in Explosionszeichnung: 11

Ersatzteil: Hinterrad

Motorroller bequem online kaufen – von der Bestellung bis zur Lieferung


Mobiler Home Service – Bundesweit Inspektionen und Reparaturen


Motorroller.de – Über uns – Ihr Support vom Profi seit 1993

Ihr Finanzierungsplan**
Monate Rate mtl. Gesamt
6039,67 €2.380,49 €
12157,59 €1.891,14 €

Einfach im Bestellvorgang die Expokredit-Finanzierung als Zahlungsweise auswählen ...

  • Kreidler DICE SM 125
  • Kreidler SUPERMOTO 125
  • Kreidler Supermoto 125DD Disc
  • Rex Supermoto 125 DD
Produktgalerie überspringen

Kunden haben sich ebenfalls angesehen

Rabatt
Kreidler DICE CR/GS/SM 125i Pro Schaltgabel Schaltklaue 89225 Motorroller.de Gangschaltung 125ccm-4Takt Rex Supermoto Enduro 125 DD Moped Ersatzteil

Durchschnittliche Bewertung von 0 von 5 Sternen

Kreidler DICE CR/GS/SM 125i Pro Schaltgabel Schaltklaue 89225 Motorroller.de Gangschaltung 125ccm-4Takt Rex Supermoto Enduro 125 DD Moped Ersatzteil

zu Artikel: Schaltgabel 89225 Technik-InfoSchaltgabelSchalt-Gabel, Gabel Gangschaltung, Schaltgabel, Schaltklaue, Schalt-Klaue Kostenloser Versand   Bei Ersatzteilen für jeden zusätzlichen Artikel mit den gleichen Versandkriterien, den Sie von uns kaufen.Unsere Ersatzteile für ihren Roller bzw. Motorroller oder auch Scooter können Sie bequem online in unserem Shop kaufen. Egal ob sie Ihren Roller im Kaufhaus oder im Baumarkt gekauft haben, für alle gängigen Europa-, China-, oder Taiwan-Roller finden Sie bei uns passende Bauteile, insbesondere für die Motoren 50 cc, 125 cc, 250 ccm, 4takt, 2takt und für größere Leistungen. Speziell für die Motorentypen 152QMI, 157QMI ,164FML ,150QMG ,125-4T6M ,139QMB, 139QMA, JSD139QMB , GY6 ,139FMB ,153FMI, 156FMI ,157QMJ, 158MJ ,1E40QMB, 1E40QMA in kurzen und langen Versionen in den Normen Euro1, Euro2, Euro3 sowie die neuen Euro 4 Einspritzer-Motoren finden Sie Ersatzteile von hoher Qualität. Gerne können Sie auch per Email nach Ersatzteilen anfragen. Bei Bestellwerten über 100 Euro können Sie auch unseren Finanzierungs- bzw. Ratenkauf-Service nutzen. Beim Kauf von Fahrzeugen können wir Ihnen auch ein Leasing-Angebot unterbreiten, das bietet sich insbesondere für Firmen an, die Betriebsfahrzeuge anschaffen, oder ihren Mitarbeitern ein Fahrzeug zur Verfügung stellen. Ihre Anfrage nehmen wir gerne entgegen

Verkaufspreis:
Am Lager
23,71 € Regulärer Preis: 27,27 €
Nicht mehr verfügbar
Stützring 89926 für 125ccm 4Takt

Durchschnittliche Bewertung von 0 von 5 Sternen

Stützring 89926 für 125ccm 4Takt

zu Artikel: Stützring 89926 Technik-InfoStützringStützring, Stuetzring, Stützring 89926 für 125ccm Die Marke Rex ist eine der meistverkauften in Deutschland. Durch ständige Qualitätskontrollen vorort beim Hersteller ist ein hoher Standard gewährleistet.Kostenloser Versand   Bei Ersatzteilen für jeden zusätzlichen Artikel mit den gleichen Versandkriterien, den Sie von uns kaufen.Unsere Ersatzteile für ihren Roller bzw. Scooter oder auch Motorroller können Sie bequem online in unserem Shop kaufen. Egal ob sie Ihren Roller im Kaufhaus oder im Baumarkt gekauft haben, für alle gängigen Europa-, China-, oder Taiwan-Roller finden Sie bei uns passende Bauteile, insbesondere für die Motoren 50 cc, 125 cc, 250 ccm, 4takt, 2takt und für größere Leistungen. Speziell für die Motorentypen 150QMG ,139FMB ,152QMI, 157QMI ,164FML ,1E40QMB, 1E40QMA ,139QMB, 139QMA, JSD139QMB , GY6 ,125-4T6M ,153FMI, 156FMI ,157QMJ, 158MJ in kurzen und langen Versionen in den Normen Euro1, Euro2, Euro3 sowie die neuen Euro 4 Einspritzer-Motoren finden Sie qualitativ erstklassige Ersatzteile. Gerne können Sie auch per Email nach Ersatzteilen anfragen. Bei Bestellwerten über 100 Euro können Sie auch unseren Finanzierungs- bzw. Ratenkauf-Service nutzen. Beim Kauf von Fahrzeugen können wir Ihnen auch ein Leasing-Angebot unterbreiten, das bietet sich insbesondere für Firmen an, die Betriebsfahrzeuge anschaffen, oder ihren Mitarbeitern ein Fahrzeug zur Verfügung stellen. Wir freuen uns auf Ihre Anfrage.

Regulärer Preis:
Nicht verfügbar
3,89 €
Rabatt Nicht mehr verfügbar
Gepäckträger Heckverkleidung Motorrad Kreidler 740139

Durchschnittliche Bewertung von 0 von 5 Sternen

Gepäckträger Heckverkleidung Motorrad Kreidler 740139

zu Artikel: GepäckträgerGepäckträgerTechnik-InfoDer Artikel: GepäckträgerKofferträger, Gepäckträger, Topcasehalterung, Gepaecktraeger, Koffertraeger, Gepäck-Träger, Gepaeck-Traeger, Topcase-Halterung, Koffer-Träger, Koffer-Traeger, Gepäckträger schwarz, Gepaecktraeger schwarz, Gepäckträger hinten schwarz, Gepaecktraeger hinten schwarz Gepäckträger werden aus Rohr gefertigt, als Werkstoff kommt in der Regel Stahl in Frage. Mit dünnwandigen Stahlrohren wird eine hohe Steifigkeit bei geringem Gewicht erreicht. Der Gepäckträger muss eine gewisse Stabilität haben, aber es müssen auch sicher stabile Befestigungspunkte am Roller vorhanden sein, wenn man mit diesem Gepäckträger Ware transportieren will. Meist dient aber der Gepäckträger als Befestigungsplattform für da Topcase, in dem man auch kleine Warenmengen trocken und sicher transportieren kann. Sowohl Topcase wie auch Gepäckträger liefern wir in Erstausrüster-Qualität.Die Marke Rex ist eine der meistverkauften in Deutschland. Durch ständige Qualitätskontrollen vorort beim Hersteller ist ein hoher Standard gewährleistet.Kostenloser Versand   Bei Ersatzteilen für jeden zusätzlichen Artikel mit den gleichen Versandkriterien, den Sie von uns kaufen.Unsere Ersatzteile für ihren Scooter bzw. Roller oder auch Motorroller können Sie bequem online in unserem Shop kaufen. Egal ob sie Ihren Roller im Kaufhaus oder im Baumarkt gekauft haben, für alle gängigen China-, Europa-, oder Taiwan-Roller finden Sie bei uns passende Bauteile, insbesondere für die Motoren 50 cc, 125 cc, 250 ccm, 2takt, 4takt und für größere Leistungen. Speziell für die Motorentypen 1E40QMB, 1E40QMA ,157QMJ, 158MJ , GY6 ,139FMB ,150QMG ,153FMI, 156FMI ,164FML ,139QMB, 139QMA, JSD139QMB ,152QMI, 157QMI ,125-4T6M in kurzen und langen Versionen in den Normen Euro1, Euro2, Euro3 sowie die neuen Euro 4 Einspritzer-Motoren finden Sie Ersatzteile von hoher Qualität. Gerne können Sie auch per Email nach Ersatzteilen anfragen. Bei Bestellwerten über 100 Euro können Sie auch unseren Ratenkauf- bzw. Finanzierungs-Service nutzen. Beim Kauf von Fahrzeugen können wir Ihnen auch ein Leasing-Angebot unterbreiten, das bietet sich insbesondere für Firmen an, die Betriebsfahrzeuge anschaffen, oder ihren Mitarbeitern ein Fahrzeug zur Verfügung stellen. Bitte fragen Sie an. Ein Element ist defekt - soll es besser gleich getauscht oder instand gesetzt werden?Wird mal irgendetwas am Motorroller schadhaft, dann hat man überwiegend die Wahl zwischen Reparieren oder Austauschen. Da ist es unerheblich, ob es sich dabei um einen ganz egal, ob sich um einen Elektroroller respektive E-Roller, Dreirad-Roller oder Motorroller dreht. Ein neues Teil, welches relativ rasch ausgetauscht werden kann, ist nicht bloß günstiger, sondern bietet überdies eine erheblich höhere Funktionssicherheit als bei einer Instandsetzung. Bisweilen kann ausschließlich eine qualifizierte Werkstatt den Mangel auf Anhieb eruieren. Alternativ hat man auch die Option, sich für eines der fertigen Kits zu entscheiden, welche wir für zahlreiche unterschiedliche Bauteile anbieten. .Für Ihren Roller - hochwertige QualitätDie Qualität all unserer Ersatzteile entspricht dem Weltmarktniveau. Wir können lediglich deswegen so günstig sein, weil wir unsere Teile in genügend großen Einheiten einkaufen. Bei uns kriegen Sie deshalb alle lieferbaren Teile für Ihren fahrbaren Untersatz nicht nur in hervorragend Qualität, sondern auch für einen attraktiven Preis.Sie suchen für einen Sundiro oder Eppella Roller ein Einbauteil? Keine Sorge, wir haben sie vorrätig.Wir haben natürlich auch die Originalteile zahlreicher Rollerhersteller auf Lager, obgleich unsere Nachbauten mit den Originalen qualitativ ohne weiteres mithalten können und dennoch vom Preis her im Grunde um einiges kostengünstiger sind. Sie können mit unseren Produkten die Instandsetzung Ihres Zweirads entweder selbst durchführen oder in einer Werkstatt ausführen lassen. Zu solch günstigen Kosten werden Sie wahrscheinlich Ihr Zweirad nicht auf andere Art und Weise reparieren können.Mit Hilfe der Bilder ist das Auffinden des gewünschten Zubehörs ein KinderspielAnhand von entsprechendem Bildmaterial können Sie Ihr altes Austauschteil ganz bequem mit dem verfügbaren Ersatz vergleichen, damit Sie auch wirklich das passende Produkt bekommen. Wichtig hierbei ist, dass Ihre Bestellung nicht nur augenscheinlich, sondern auch in den technischen Spezifikationen und Dimensionen mit der defekten Komponente übereinstimmt.Ihre Vorteile:hundertprozentige Fahrsicherheit des Zweirads, besonders bei BremsanlagenEinbauelemente und Zubehör für ungefähr 250 Marken und 8500 Modelle auf Lager"Geld zurück" - Garantie, deshalb Kauf ohne RisikoAlle unsere Einbauteile sind betriebssicher, preisgünstig sowie gebrauchstauglichRoller-AnkaufWir holen und bringen Ihren MotorrollerSie erhalten von uns stets die Erstausrüster-Qualität - auch bei preisgünstigen NachbautenSie zahlen nur einmal den Versand beim Ordern mehrerer Komponenten mit denselben VersandkriterienDIN-Norm gerechte und ISO-zertifizierte PräzisionsfertigungKurzfristige LieferzeitenWir sind die erste Adresse, wenn es um den Kauf von einem Motorroller, Fun-Fahrzeug, Quad oder Straßenbuggy geht. Welchen Nutzen haben Sie von unserem Kundenservice? Weil wir uns in diesem Geschäftsfeld bereits seit Jahrzehnten etabliert haben und Sie folglich von unserem Erfahrungsreichtum profitieren können. Für unser familiär geführtes Unternehmen ist das Geschäft rund um die Roller der ganze Lebensinhalt.Kaufen ist Vertrauenssache, deswegen ist es erforderlich, sich den Laden vorher genau anzugucken. Bei uns ist alles 100-prozentig transparent! Sie dürfen gerne jederzeit bei uns vorbeikommen und sich selbst ein Bild machen.die Bestätigung unserer hervorragenden Leistungen können Sie dann unmittelbar vor Ort sehen.Kunden, denen die Strecke zu uns zu weit ist, können sich gerne mittels der verschiedenen Ebay Bewertungen und des Trustedshops-Siegels über uns schlau machen. Sowohl unsere Geschäftspraxis als auch unser Verkaufsshop werden zum Beispiel mit dem Trustedshops Gütesiegel "sehr gut" eingestuft. Auch bei Ebay liegen wir mit dem Prozentsatz 99,9 % optimal im Rennen. Was zeigen all diese Ergebnisse ganz eindeutig? Dass wir in allen Belangen stets geben!!Aber auch, wenn wir uns noch so bemühen - wir sind keine Roboter, sondern Menschen, die manchmal mal etwas falsch machen. Seien Sie aus dem Grund nicht gleich ärgerlich, falls mal etwas schief läuft, sondern geben Sie uns die Chance, unseren Fehler wieder gut zu machen.Unser Fachgeschäft hat für Sie geöffnet: täglich von 8:00 - 18:00 Uhr, samstags von 9:00 - 13:00 Uhr.Unsere UnternehmenspolitikBei uns ist der Kunde wirklich noch König. Vor über fünfzig Jahren startete unser Unternehmen mit dem Bau von Maschinen, während das Geschäft mit motorisierten Zweirädern heute auch schon seit mehr als 25 Jahren Erfolg versprechend ausgebaut werden konnte. Unser Schwerpunkt ist mittlerweile auf den Verkauf von "Must-to-have" für Motortuning, Einbauteilen und Fahrzeugzubehör für die meisten Motorroller ausgerichtet.Wir können zeitnah etwa 500.000 Einbauteile liefernWenn Sie zu Ihrem Motorroller eine Komponente suchen, werden Sie auf unserer Webseite unter Motorroller.de ohne Zweifel fündig. In unserem Lager warten Artikel, Teile und passendes Zubehör für ungefähr 8500 Ausführungen und 250 Marken auf Ihre Bestellung. Kreidler, Jonway, Adly Yamaha oder zählen zum Beispiel zu unseren langjährigen Anbietern. In der Summe haben wir auf einer Fläche von über 1.000 m² ca. 500.000 Produkte von unterschiedlichen Anbietern in unseren Hochregalen lieferbar. Unsere Zubehörabteilung bietet somit alles, was man als Rollerfahrer benötigt.Das beginnt bei den Windschildern über die Schutzhelme und das Top Case, und geht bis hin zu Nierengürteln, Handschuhen und Regensets.Auch für die Tuningfans, welche es gerne sportlich mögen, bieten wir ausgesuchte Produkte an, wie beispielsweise Kolben, Auspuffanlagen, Zylinder und weitere Dinge Kolben, Zylinder, Auspuffanlagen und weitere Dinge.Was geschieht nach erfolgter Produktion?Kein Produkt verlässt unser Haus, bevor es nicht auf makellose Qualität kontrolliert worden ist. Dies bedeutet, alle Motorroller, die das Werk des Herstellers verlassen haben, werden von uns nochmals gründlich auf etwaige Fehler bzw. Transportschäden untersucht, bevor wir sie in die Hände unserer Kunden übergeben. Wir packen zuerst jedes Fahrzeug nach der Ankunft in unserem Haus aus und unterziehen es auf unserem Zweirad-Prüfstand einem Testlauf. Direkt nach der Lieferung zum Käufer wird dann der Roller zum Schluss abermals auf perfekte Funktion gecheckt, sodass de facto garantiert ist, dass der Kunde ein 100-prozentig korrektes Gefährt erhält.Umweltschutz wir bei uns groß geschriebenUns liegt besonders viel an einem wirksamen Schutz unserer Umwelt. Unsere motorisierten Zweiräder besitzen einerseits normalerweise einen sparsamen Verbrennungsmotor. Um die Umwelt überdies zu entlasten und eine fachgemäße Abfallentsorgung zu gewährleisten, nehmen wir das Verpackungsmaterial wieder mit, welches bei der Anlieferung unserer Fahrzeuge anfällt.Ihren alten Motorroller nehmen wir gerne in ZahlungIhr ausgedienter Motorroller tut es nicht mehr richtig und Sie haben vor, bei uns ein neues Zweirad zu kaufen. Was jedoch tun mit dem ausgedienten Fahrzeug? Seien Sie deswegen unbesorgt! Lassen Sie das unser Problem sein, denn wir nehmen Ihren gebrauchten Roller in Zahlung.Wir konnten Ihre Bedenken trotz allem nicht aus dem Weg räumen?Geben Sie uns doch die Möglichkeit, unsere fachliche Kompetenz unter Beweis zu stellen. Im Vergleich zu den billigen Online-Shops, welche schnell wieder von der Bildfläche verschwinden, können wir auf eine mehrjährige Firmentradition zurück blicken. Allein aufgrund fortschrittlicher Innovationen und neuer Ideen lässt sich eine stabile geschäftliche Grundlage schaffen. So gesehen steht in unserem stetig expandierenden Unternehmen ständiges Lernen sowie die Anpassung an modernen Technologien durchweg an erster Stelle. Für den Fall, dass für Sie mal die Möglichkeit besteht, einen Abstecher nach Lindenfels-Eulsbach zu machen, haben Sie die Gelegenheit, sich selber von unserem ausgezeichneten Service in unserem Betrieb zu überzeugen.So sind wir zu findenLindenfels befindet sich im Regierungsbezirk Darmstadt, und zwar 40 km nordöstlich von Mannheim beziehungsweise circa 60 km südlich von Frankfurt/Main. Sie fahren am besten von Norden her über die A6, während Sie aus südlicher Richtung die A8 nehmen. Alternativ ist es selbstverständlich auch möglich, mit der Bahn anzureisen.Unsere TopmarkenUnsere TopmarkenHinweise zu: Gepäckträger

Verkaufspreis:
Nicht verfügbar
79,89 € Regulärer Preis: 91,87 €
Rabatt Nicht mehr verfügbar
Kreidler STAR Deluxe 4S 125 Kupplungsantriebsrad 125ccm 4Takt C-4712330 Motorroller.de 125ccm-4Takt Scooter LML Ersatzteil Service Inpektion

Durchschnittliche Bewertung von 0 von 5 Sternen

Kreidler STAR Deluxe 4S 125 Kupplungsantriebsrad 125ccm 4Takt C-4712330 Motorroller.de 125ccm-4Takt Scooter LML Ersatzteil Service Inpektion

zu Artikel: Kupplungsantriebsrad Satz Kupplungsantriebsrad Satz C-4712330 Technik-Info Kupplungsantriebsrad Kupplungsantriebsrad Satz, Kupplungsantriebsrad Die Ersatzteile dieses Herstellers haben sich seit Jahren im täglichen Einsatz bewährt. Durch beständigen Erfahrungsaustausch wird die Qualität auf ein Maximum angehoben. Kostenloser Versand   Bei Ersatzteilen für jeden zusätzlichen Artikel mit den gleichen Versandkriterien, den Sie von uns kaufen. Unsere Ersatzteile für ihren Roller bzw. Motorroller oder auch Scooter können Sie bequem online in unserem Shop kaufen. Egal ob sie Ihren Roller im Baumarkt oder im Kaufhaus gekauft haben, für alle gängigen Europa-, China-, oder Taiwan-Roller finden Sie bei uns passende Bauteile, insbesondere für die Motoren 50 cc, 125 cc, 250 ccm, 4takt, 2takt und für größere Leistungen. Speziell für die Motorentypen 1E40QMB, 1E40QMA ,125-4T6M ,153FMI, 156FMI ,157QMJ, 158MJ ,139FMB ,152QMI, 157QMI ,150QMG ,164FML ,139QMB, 139QMA, JSD139QMB , GY7 in kurzen und langen Versionen in den Normen Euro1, Euro2, Euro3 sowie die neuen Euro 4 Einspritzer-Motoren finden Sie hochqualitative Ersatzteile. Gerne können Sie auch per Email nach Ersatzteilen anfragen. Bei Bestellwerten über 100 Euro können Sie auch unseren Ratenkauf- bzw. Finanzierungs-Service nutzen. Beim Kauf von Fahrzeugen können wir Ihnen auch ein Leasing-Angebot unterbreiten, das bietet sich insbesondere für Firmen an, die Betriebsfahrzeuge anschaffen, oder ihren Mitarbeitern ein Fahrzeug zur Verfügung stellen. Wir freuen uns auf Ihre Anfrage.

Verkaufspreis:
Nicht verfügbar
29,00 € Regulärer Preis: 33,35 €
Rabatt
Chunlan Chopper Freilaufkorb 125ccm 4Takt ABB-P11-NO.-03 Motorroller.de 244FM Motorrad Moped Ersatzteil Service Inpektion Direktimport

Durchschnittliche Bewertung von 0 von 5 Sternen

Chunlan Chopper Freilaufkorb 125ccm 4Takt ABB-P11-NO.-03 Motorroller.de 244FM Motorrad Moped Ersatzteil Service Inpektion Direktimport

zu Artikel: Freilaufkorb komplett ABB P11 NO. 03 Freilaufkorb komplettTechnik-InfoFreilaufkorbFreilaufkorb Geprüfte Erstausrüsterqualität sehr gute Verarbeitung Lagerware günstiger Preis da Direktimport sofort versandbereitUnsere Ersatzteile für ihren Scooter bzw. Motorroller oder auch Roller können Sie bequem online in unserem Shop kaufen. Egal ob sie Ihren Roller im Baumarkt oder im Kaufhaus gekauft haben, für alle gängigen Europa-, China-, oder Taiwan-Roller finden Sie bei uns passende Bauteile, insbesondere für die Motoren 50 cc, 125 cc, 250 ccm, 4takt, 2takt und für größere Leistungen. Speziell für die Motorentypen 153FMI, 156FMI , GY6 ,139FMB ,139QMB, 139QMA, JSD139QMB ,157QMJ, 158MJ ,1E40QMB, 1E40QMA ,152QMI, 157QMI ,150QMG ,125-4T6M ,164FML in kurzen und langen Versionen in den Normen Euro1, Euro2, Euro3 sowie die neuen Euro 4 Einspritzer-Motoren finden Sie Ersatzteile von erstklassiger Qualität. Gerne können Sie auch per Email nach Ersatzteilen anfragen. Bei Bestellwerten über 100 Euro können Sie auch unseren Ratenkauf- bzw. Finanzierungs-Service nutzen. Beim Kauf von Fahrzeugen können wir Ihnen auch ein Leasing-Angebot unterbreiten, das bietet sich insbesondere für Firmen an, die Betriebsfahrzeuge anschaffen, oder ihren Mitarbeitern ein Fahrzeug zur Verfügung stellen. Wir freuen uns auf Ihre Anfrage.

Verkaufspreis:
Am Lager
101,65 € Regulärer Preis: 116,90 €
Rabatt Nicht mehr verfügbar
Rex Capriolo 50 4T Kotflügel Roller 50ccm 4Takt FIG.28-3-2 Motorroller.de Spritzschutz Schutzblech Schutz-Blech Radabdeckung Innenkotflügel Radlauf

Durchschnittliche Bewertung von 0 von 5 Sternen

Rex Capriolo 50 4T Kotflügel Roller 50ccm 4Takt FIG.28-3-2 Motorroller.de Spritzschutz Schutzblech Schutz-Blech Radabdeckung Innenkotflügel Radlauf

zu Artikel: Schutzblech schwarzKotflügelTechnik-InfoSchutzblechRadabdeckung, Spritzschutz, Kotflügel, Schutzblech, Kotfluegel, Radlaufabdeckung, Radlauf, Schutz-Blech, Spritz-Schutz, Rad-Abdeckung, Radlauf-Abdeckung, Radlaufschutz, Radlauf-Schutz, Innenkotflügel, Innenkotfluegel Schutzblech, Kotflügel, Spritzschutz soll Helfen Wasser und schmutz vom Fahrer und Motor und den Bauteilen fern zu halten. Es ist sowohl mechanischen als auch Witterungseinflüssen stark ausgesetzt. Man sagt immer noch Schutzblech, obwohl diese Spritzschutz heute meist aus Kunststoff hergestellt ist. Wir liefern in Erstausrüster-Qualität, was ein Garant für Passgenauigkeit und Langlebigkeit darstellt.Einer der großen chinesischen Hersteller von Motorrollern, der seit Jahren erfolgreich den Weltmarkt beliefert.Kostenloser Versand   Bei Ersatzteilen für jeden zusätzlichen Artikel mit den gleichen Versandkriterien, den Sie von uns kaufen.Unsere Ersatzteile für ihren Roller bzw. Scooter oder auch Motorroller können Sie bequem online in unserem Shop kaufen. Egal ob sie Ihren Roller im Baumarkt oder im Kaufhaus gekauft haben, für alle gängigen Europa-, China-, oder Taiwan-Roller finden Sie bei uns passende Bauteile, insbesondere für die Motoren 50 cc, 125 cc, 250 ccm, 4takt, 2takt und für größere Leistungen. Speziell für die Motorentypen GY6 ,157QMJ, 158MJ ,164FML ,125-4T6M ,139QMB, 139QMA, JSD139QMB ,153FMI, 156FMI ,139FMB ,152QMI, 157QMI ,150QMG ,1E40QMB, 1E40QMA in kurzen und langen Versionen in den Normen Euro1, Euro2, Euro3 sowie die neuen Euro 4 Einspritzer-Motoren finden Sie hochqualitative Ersatzteile. Gerne können Sie auch per Email nach Ersatzteilen anfragen. Bei Bestellwerten über 100 Euro können Sie auch unseren Finanzierungs- bzw. Ratenkauf-Service nutzen. Beim Kauf von Fahrzeugen können wir Ihnen auch ein Leasing-Angebot unterbreiten, das bietet sich insbesondere für Firmen an, die Betriebsfahrzeuge anschaffen, oder ihren Mitarbeitern ein Fahrzeug zur Verfügung stellen. Bitte fragen Sie an. Ersetzen oder reparieren?Diese Frage wird von Rollerbesitzern regelmäßig gestellt, gleichgültig, ob sie einen Elektroroller beziehungsweise E-Roller, Dreirad-Roller oder Motorroller haben, falls etwas am Zweirad fehlerhaft geworden ist. Zusätzlich bietet ein Ersatzelement eine beträchtlich höhere Ausfallsicherheit als eine Instandsetzung des Motorrollers. Oftmals kann bloß eine qualifizierte Fachwerkstatt den Schaden auf Anhieb entdecken. Auf der anderen Seite haben Sie auch die Option, sich für eines der fertigen Ersatzteil-Kits zu entscheiden, welche wir für zahlreiche diverse Bauteile im Programm haben. .Qualitativ hochklassige Roller-ErsatzteileDie Bauteile, die wir im Sortiment haben, entsprechen bezüglich der Qualität zu 100 Prozent dem Weltmarktniveau. Weshalb sind wir trotz hoher Qualität so günstig? Das liegt nicht lediglich an unserer Preisgestaltung, sondern insbesondere daran, dass wir unsere Bauteile in großen Einkaufsmengen beziehen. Diese zwei Punkte, nämlich zum einen die gute Qualität und auf der anderen Seite der bezahlbare Preis heben uns vorwiegend von unseren Mitbewerbern ab.Auch für Motorroller, Buggys und Quads, die nicht mehr gefertigt werden, haben wir im Prinzip die Bauteile vorrätig. So zum Beispiel für die Marken Sundiro und Eppella.Wir haben natürlich auch die Originalteile etlicher Rollerproduzenten im Sortiment, obwohl unsere Nachbauten mit den Originalen qualitativ ohne weiteres mithalten können und trotzdem vom Preis her generell um einiges kostengünstiger sind. Sie können mit unseren Teilen die Instandsetzung Ihres Zweirads entweder selber ausführen oder von einem Fachmann ausführen lassen. Vermutlich finden Sie keine bessere Alternative, in Verbindung mit der Instandsetzung Ihres Motorrollers, um Ihren Geldbeutel zu schonen.Eine gute Hilfe bei der Bestellung der richtigen Ersatzteile sind die jeweiligen BilderIn unserem Online Shop gibt es zahlreiches Bildmaterial, welches Sie dabei unterstützt, Ihr defektes Element ganz bequem mit dem lieferbaren Ersatz zu vergleichen. Damit können Falschlieferungen anhand inkorrekter Bestellungen bereits im Vorfeld ausgeschlossen werden. Achten Sie bitte speziell auf die Übereinstimmung des alten Austauschteils mit dem abgebildeten Produkt; vor allem was die aufgeführten Maße und technischen Angaben angeht.10 Vorteile von denen Sie profitieren:Sie bekommen von uns ausschließlich die Erstausrüsterqualität - auch bei preiswerten NachbautenRoller-AnkaufSie zahlen bei Bestellung mehrerer Komponenten mit identischen Versandfaktoren nur einmal VersandkostenWir holen und bringen Ihren RollerUnsere sämtlichen Einbauteile sind gebrauchstauglich, kostengünstig und ausfallsicherUnser Lager umfasst Einbauelemente und Zubehör für etwa 250 Marken und 8500 ModelleKurze LieferzeitenDank unserer "Geld zurück" - Garantie kaufen Sie ohne Risiko100-prozentige Fahrsicherheit des Zweirads, besonders bei BremsanlagenDIN-Norm gerechte und ISO-zertifizierte PräzisionsfertigungMotorroller, Quads, Fun Fahrzeuge und Straßenbuggys kauft man vorzugsweise in einem Fachbetrieb wie den unsrigen. Aus welchem Grund wäre es für Sie von Vorteil, wenn Sie uns für Sie tätig werden lassen? Weil wir durch unsere jahrzehntelange Erfahrung das entsprechende Know-how für diesen Geschäftsbereich besitzen, können wir Ihnen einen optimalen Kundenservice bieten. Als familiär geführtes Unternehmen betreiben wir nicht lediglich das Geschäft rund um die Motorroller, wir leben unser Geschäft förmlich.Da Kaufen Vertrauenssache ist, sollte man sich folglich das bevorzugte Fachgeschäft im Vorfeld genau ansehen, bei dem man vorhat ein motorisiertes Zweirad zu kaufen. Bei uns ist alles 100-prozentig transparent! Sie dürfen gerne jederzeit bei uns vorbeikommen und sich selber ein Bild machen.die Bestätigung unserer guten Leistungen können Sie dann unmittelbar vor Ort beobachten.Wenn Ihnen der Weg zu uns zu weit ist, können Sie sich auch durch die unterschiedlichen Ebay Bewertungen und des Trustedshops-Siegels informieren. Auf unserer Firmenwebseite Motorroller.de wird sowohl unsere Geschäftspraxis als auch unser Onlineshop von Trustedshops mit der Note "sehr gut" beurteilt. Was unsere Käuferbewertungen ebenfalls auf einem Niveau, das sich definitiv sehen lassen kann. Diese Ergebnisse belegen eines ganz deutlich: Wir legen uns auf allen Gebieten stets mächtig ins Zeug!Bedenken Sie aber, dass wir keine Roboter sondern auch nur Menschen sind, denen gelegentlich denen manchmal etwas misslingen kann. Aus dem Grund bitten wir Sie, sofern mal etwas nicht zu Ihrer Zufriedenheit verlaufen ist, uns auf jeden Fall die Möglichkeit zur Verbesserung zu geben.Unser Fachgeschäft hat für Sie geöffnet: täglich von 8:00 - 18:00 Uhr, samstags von 9:00 - 13:00 Uhr.Wir sind seit Jahrzehnten für unsere Kunden daEs liegt uns eine Menge an der Zufriedenheit unserer Kunden. Vor über fünf Jahrzehnten hatte unsere geschäftliche Tätigkeit im Bereich Maschinenbau ihren Anfang, während der Fahrzeughandel inzwischen auch schon seit mehr als 25 Jahren erfolgreich ausgebaut werden konnte. Gegenwärtig haben wir uns auf Fahrzeugzubehör, Ersatzteile und das "Nice-to-have" zur Steigerung der Motorleistung für die meist gefahrenen Motorroller spezialisiert.Wir haben circa 500.000 Ersatzteile auf LagerBei uns finden Sie unter Motorroller.de fast sämtliche Zubehörteile und Motorroller aus Asien und Europa. Es gibt inzwischen Einbauteile, Artikel und passendes Zubehör für ca. 8500 Typen und 250 Marken in unserem Lager, die lediglich auf Ihre Bestellung warten. Darunter sind zum Beispiel Lieferanten wie Yamaha, Jonway, Kreidler oder Adly zu finden. Wir haben Summa summarum etwa 500.000 Produkte von zahlreichen Produzenten im Programm, die auf einer Lagerfläche von über 1.000 m² in unseren Hochregalen gelagert sind. Sie finden in unserer Zubehörabteilung alles, was Sie für Ihren Roller benötigen.Das beginnt bei den Windschildern über die Sturzhelme und das Top Case, und geht bis hin zu Nierengürteln, Regensets und Handschuhen.In unserer Tuningabteilung halten wir für alle, die es gerne sportlich mögen ebenfalls einige ausgewählte Produkte bereit. Dazu zählen etwa Kolben, Zylinder, Auspuffanlagen und dergleichen Dinge.Direkt nach der ProduktionDurchgehende Qualitätsprüfungen sind das Hobby unseres Hauses. Mit anderen Worten bedeutet das, dass sämtliche Motorroller, die vom Herstellerwerk bei uns eintreffen, in unserem Betrieb nochmals einer eingehenden Überprüfung auf eventuelle Fehler bzw. Transportschäden unterzogen werden. Erst dann liefern wir sie an unsere Kunden aus. Das erste Mal geschieht das vor dem Versand, indem wir jedes Fahrzeug auspacken und auf unserem Zweirad-Prüfstand einem Testlauf beziehungsweise einer Übergabeinspektion unterziehen. Ehe der Kunde den Roller übernimmt, erfolgt noch ein abschließender Funktionscheck. Dadurch ist wirklich sichergestellt, dass der neue Besitzer mit seiner Anschaffung hundertprozentig zufrieden ist.Wir legen Wert auf eine saubere UmweltUns liegt besonders viel an einem wirksamen Schutz unserer Umwelt. Das sagen wir nicht nur, weil unsere Motorroller allesamt mit Verbrennungsmotoren ausgestattet sind, die verhältnismäßig wenig Sprit verbrauchen. Um die Umwelt darüber hinaus zu schonen und eine professionelle Abfallentsorgung zu gewährleisten, nehmen wir die Transportverpackung wieder mit, welche bei der Auslieferung unserer Fahrzeuge anfällt.Wir nehmen Ihren alten Roller in ZahlungSie haben einen neuen Roller bei uns bestellt und wollen Ihren ausgedienten fahrbaren Untersatz loswerden? Zerbrechen Sie sich über diese Sache nicht den Kopf! Lassen Sie das unsere Sorge sein, indem wir Ihren gebrauchten Motorroller ankaufen.Wir haben es nicht geschafft, Ihre Skepsis zu beseitigen??Sofern wir von Ihnen die Möglichkeit dazu erhalten würden, könnten wir die Qualität unserer Leistungen auch unter Beweis stellen. Wir sind kein billiger Internet-Shop, welcher heute kommt und morgen bereits wieder von der Bildfläche verschwunden ist. In unserem stetig wachsenden Unternehmen steht Anpassung an neue Technologien sowie ständiges Lernen an der ersten Stelle, weil wir davon überzeugt sind, dass sich allein durch neue Ideen und zeitgemäße Innovationen das Know-how für eine gut fundierte geschäftliche Ausgangsbasis bilden lässt. Sie können sich persönlich von unserem ausgezeichneten Kundenservice überzeugen, falls Sie uns an unserem Betriebsstandort in Lindenfels-Eulsbach besuchen.Sie finden uns ganz leicht - auch ohne "Navi"Lindenfels liegt ungefähr 60 km im Süden von Frankfurt am Main und 40 km nordöstlich von Mannheim im Odenwald (Regierungsbezirk Darmstadt). Alternativ ist es natürlich auch möglich, mit der Bahn anzureisen.Unsere TopmarkenUnsere Topmarken

Verkaufspreis:
Nicht verfügbar
29,00 € Regulärer Preis: 33,35 €