Zum Hauptinhalt springen Zur Suche springen Zur Hauptnavigation springen
Menü
efr
erf
rrrf
Schnell lieferbar
14 Tage Rückgaberecht
Schneller DPD Versand

zu Artikel: Gaszug komplett bis BJ 97

Gaszug

Gaszug komplett bis BJ 97

Technik-Info

Bowdenzug

Gas-Zug, Bowden-Zug, Bauten-Zug, Gasseilzug, Gas-Seil, Chokezug, Chokekabel, Bowdenzugkabel, Bowdenkabelzüge, Bowdenkabelzuege, Gaszugaufnahme, Gaszugaufnahme FIG, Bowdenzug, Seilzug, Seil-Zug, Gaszug, Bautenzug

Gasbowdenzug, nach dem Erfinder Ingenieur Bowden, aber mittlerweile fälschlich auch , Bauten- oder Gaszug genannt. Im Zweifelsfall , bzw. man sollte immer das Bild mit dem eigenen Bowdenzug vergleichen. Wir empfehlen, den Originalbowdenzug nachzumessen.

Dieser Artikel passt bei vielen Modellen, unter anderem für:

Rex 25 Scooter, Rex 50, Rex 50 Scooter, Rex 50 Scooter/MK 50/CAPRIOLO 50 (2-Takt), Rex Capriolo 50 4T, Rex RS 450, Rex RS 450 OFF-LIMIT/TRIBAL-Scooter/CAPRIOLO 50 QM50QT-6A

Die Marke Rex ist eine der meistverkauften in Deutschland. Durch ständige Qualitätskontrollen vorort beim Hersteller ist ein hoher Standard gewährleistet.

Kostenloser Versand   Bei Ersatzteilen für jeden zusätzlichen Artikel mit den gleichen Versandkriterien, den Sie von uns kaufen.

Unsere Ersatzteile für ihren Scooter bzw. Motorroller oder auch Roller können Sie bequem online in unserem Shop kaufen. Egal ob sie Ihren Roller im Baumarkt oder im Kaufhaus gekauft haben, für alle gängigen China-, Taiwan-, oder Europa-Roller finden Sie bei uns passende Bauteile, insbesondere für die Motoren 50 cc, 125 cc, 250 ccm, 2-Takt, 4-Takt und für größere Leistungen. Speziell für die Motorentypen 139FMB ,1E40QMB, 1E40QMA ,153FMI, 156FMI ,157QMJ, 158MJ ,125-4T6M ,152QMI, 157QMI ,150QMG ,164FML ,139QMB, 139QMA, JSD139QMB , GY8 in kurzen und langen Versionen in den Normen Euro1, Euro2, Euro3 sowie die neuen Euro 4 Einspritzer-Motoren finden Sie qualitativ hochwertige Ersatzteile. Gerne können Sie auch per Email nach Ersatzteilen anfragen. Bei Bestellwerten über 100 Euro können Sie auch unseren Ratenkauf- bzw. Finanzierungs-Service nutzen. Beim Kauf von Fahrzeugen können wir Ihnen auch ein Leasing-Angebot unterbreiten, das bietet sich insbesondere für Firmen an, die Betriebsfahrzeuge anschaffen, oder ihren Mitarbeitern ein Fahrzeug zur Verfügung stellen. Ihre Anfrage nehmen wir gerne entgegen

Ein Bauteil ist defekt - soll es gleich ersetzt oder repariert werden?

Diese Frage wird von Rollerbesitzern immer wieder gestellt, ganz gleich, ob sie einen Elektroroller respektive E-Roller, Dreirad-Roller oder Motorroller besitzen, für den Fall, dass etwas am Fahrzeug schadhaft geworden ist. Was man auch nicht vergessen darf: Ein neues Teil ist nicht nur schnell ausgewechselt, sondern macht das Zweirad auch beträchtlich funktionssicherer als eine Instandsetzung. Zumeist kann nur eine kompetente Werkstatt den Schaden auf Anhieb ermitteln. Eine vernünftige Alternative wäre es in einem solchen Fall, eines unserer einbaufertigen Komplett-Kits, welche wir in zahlreichen unterschiedlichen Ausführungen im Programm haben, zu bestellen. .

Für Ihren fahrbaren Untersatz - erstklassige Qualitätsteile

Die Qualität unserer Produkte braucht auf dem Weltmarkt keine Konkurrenz zu scheuen. Aus welchem Grund können wir so günstig sein? Die Antwort heißt: Weil wir bereits beim Einkauf auf wirtschaftlich vernünftige Produktmengen wert legen. Sämtliche lieferbaren Bauteile für Ihr Zweirad können Sie bei über unseren Online-Shop sowohl in guter Qualität als auch für einen Preis ordern, der Ihnen ein Lächeln ins Gesicht zaubert.

Sie suchen für einen Sundiro oder Eppella Roller ein Einbauteil? Keine Panik, wir haben sie auf Lager.

Wir haben selbstverständlich auch die Originalteile einer Menge Rollertypen im Angebot, wenngleich unsere Nachbauten mit den Originalen qualitativ auf alle Fälle mithalten können und dennoch vom Preis her prinzipiell um einiges billiger sind. Unsere Bauteile ermöglichen es Ihnen, zum einen die Reparatur an Ihrem Roller selbst ausführen oder auf der anderen Seite auch in einer Fachwerkstätte ausführen zu lassen. Zu solch attraktiven Kosten werden Sie wahrscheinlich Ihren Roller nicht auf andere Art reparieren können.

Produktbilder erleichtern die Bestellung der benötigten Komponenten

Auf unserer Seite finden Sie zahlreiches Bildmaterial, welches Sie dabei unterstützt, Ihr altes Bauteil auf einfache Weise mit dem verfügbaren Ersatz zu vergleichen. Auf diese Weise können Fehllieferungen anhand verkehrter Bestellungen bereits im Vorhinein ausgeschlossen werden. Achten Sie bitte insbesondere auf die Übereinstimmung des alten Teils mit dem abgebildeten Artikel; vor allem was die deklarierten Abmessungen und Spezifikationen anbelangt.

Was Sie davon haben:

Unsere sämtlichen Einbauteile sind betriebssicher, zuverlässig und kostengünstigAbsolute Verkehrssicherheit des Zweirads, vor allem bei den BremsenKurze LieferzeitenWir holen und bringen Ihr ZweiradSie bezahlen nur einmal den Versand beim Ordern mehrerer Komponenten mit identischen VersandkriterienEinbauelemente und Artikel für ca. 250 Marken und 8500 Typen auf LagerSie erhalten von uns ohne Ausnahme die Erstausrüster-Qualität - auch bei preiswerten NachbautenDIN-Norm gerechte und ISO-zertifizierte PräzisionsfertigungMit unserer "Geld zurück" - Garantie kaufen Sie ohne RisikoWir kaufen Ihren Roller

Egal, ob Sie einen Motorroller, einen Quad, Buggy oder ein Fun Fahrzeug kaufen wollen. Wir sind dafür der Fachhändler Ihres Vertrauens. Was für einen Nutzen haben Sie von unserem Service? Weil wir für diesen Geschäftsbereich das entsprechende Know-how und die Meister-Qualifikation besitzen, welche dafür unter allen Umständen nötig ist. Als familiär geführtes Unternehmen betreiben wir nicht nur das Geschäft rund um die Roller, wir leben das Geschäft buchstäblich.

Kaufen ist Vertrauenssache, aus dem Grund ist es wesentlich, sich den Laden vorher genau anzusehen. Unsere Geschäftspraktiken sind für den Käufer zu 100 Prozent transparent! Weshalb besuchen Sie uns nicht mal in unserem Ladengeschäft, um sich selber zu informieren?Das was Sie dort beobachten, wird Sie ohne Frage überzeugen.

Vielleicht ist Ihnen die Anfahrtsstrecke zu uns zu weit. Dann haben Sie auch die Option, durch das Trustedshops-Siegels und die verschiedenen Ebay Bewertungen Infos über uns einzuholen. Auf unserer Homepage Motorroller.de wird sowohl unsere Geschäftspraxis als auch unser Online Shop von Trustedshops mit der Note "sehr gut" beurteilt. Auch bei Ebay liegen wir mit dem Wert 99,9 % überdurchschnittlich im Rennen. Bestätigen diese Resultate nicht eindeutig, dass unsere Kunden bestens bei uns aufgehoben sind?

Denken Sie aber bitte daran, dass dort wo gearbeitet wird, auch mal Fehler passieren. Aus dem Grund bitten wir Sie, wenn mal etwas nicht so gut gelaufen ist, uns auf jeden Fall die Möglichkeit zur Verbesserung zu geben.

Unser versiertes Team steht Ihnen täglich zwischen 8:00 und 18:00 Uhr sowie am Samstag von 8:00 bis 13:00 Uhr zur Verfügung.

Seit vielen Jahren im Dienst unserer Kunden

Es liegt uns sehr viel an der Zufriedenstellung unserer Kundschaft. Die Geschäftstätigkeit unseres Unternehmens begann schon vor über 50 Jahren mit dem Bau von Maschinen. Das Fahrzeuggeschäft mit motorisierten Zweirädern dagegen, betreiben wir zwischenzeitlich auch schon seit mehr als 25 Jahren mit Erfolg. Heute haben wir uns auf Zubehör, das "Nice-to-have" für Tuning und Einbauteile für die meisten Roller ausgerichtet.

Unser Sortiment beinhaltet in etwa 500.000 Teile

Bei Motorroller.de finden Sie fast alle Teile und Fahrzeuge aus Fernost und Europa. In unserem Lager befinden sich für ungefähr 8500 Modelle und 250 Fabrikate diverse Ersatzteile, passendes Zubehör und Artikel. Darunter befinden sich beispielsweise Lieferanten wie Kreidler, Adly, Yamaha oder Jonway. Wir haben alles in allem mehr als 500.000 Produkte von zahlreichen Anbietern im Sortiment, die auf einer Fläche von über 1.000 m² in unseren Hochregalen gelagert sind. Alles was Sie als Rollerfahrer brauchen, finden Sie in unserer Zubehörabteilung.

Das beginnt bei den Regensets, Nierengürteln und Handschuhen, und geht bis hin zu den Schutzhelmen über die Windschilder und dem Top Case.In unserem Tuningbereich halten wir für alle sportlichen Fahrer gleichfalls einige ausgewählte Artikel bereit. Hierzu gehören z.B. Zylinder, Auspuffanlagen, Kolben und dergleichen Dinge.

Was geschieht nach der Produktion?

Kein Artikel verlässt unser Haus, bevor er nicht auf makellose Qualität geprüft worden ist. Mit anderen Worten, alle Motorroller, welche die Produktion verlassen haben, werden von uns nochmals ausführlich auf eventuelle Fehler beziehungsweise Transportschäden durchgecheckt, ehe wir sie in die Hände unserer Kunden übergeben. Wir packen als erstes jedes Fahrzeug nach der Ankunft in unserem Haus aus und unterziehen es auf unserem computergesteuerten Prüfstand einem Testlauf. Sofort nach der Lieferung zum Kunden wird dann der Roller letztendlich erneut auf perfekte Funktion gecheckt, sodass de facto sichergestellt ist, dass der Käufer ein 100-prozentig korrektes Gefährt erhält.

Umweltschutz wir bei uns groß geschrieben

Was uns sehr am Herzen liegt, ist ein wirkungsvoller Umweltschutz. Zum einen sind unsere Motorroller normalerweise mit wirtschaftlichen Verbrennungsmotoren ausgestattet. Logischerweise nehmen wir im Sinne des Umweltschutzes das Verpackungsmaterial wieder mit, welches bei der Auslieferung unserer Fahrzeuge anfällt und führen es einer professionellen Entsorgung zu.

Roller-Ankauf

Ihr alter Roller tut es nicht mehr richtig und Sie planen, bei uns ein neues Modell zu bestellen. Was aber tun mit dem alten Fahrzeug? Machen Sie sich darüber keinen Kopf! Wir kaufen Ihren ausgedienten Motorroller an.

Sie sind nach wie vor nicht überzeugt?

Dann würden wir uns darüber sehr freuen, wenn Sie uns die Gelegenheit geben, unsere Leistungen unter Beweis zu stellen. Im Vergleich zu den billigen Online-Shops, welche schnell wieder weg sind, können wir eine langjährige Firmentradition vorweisen. In unserem stetig wachsenden Betrieb steht fortwährendes Lernen und die Anpassung an neue Technologien in der Rangordnung ganz oben, da wir verstanden haben, dass sich nur durch neue Ideen und zeitgemäße Innovationen das Know-how für eine solide Geschäftsbasis bilden lässt. Falls für Sie einmal die Möglichkeit besteht, einen Abstecher nach Lindenfels-Eulsbach machen zu können, können Sie die Gelegenheit nutzen, sich persönlich von unserem hervorragenden Kundenservice in unserem Unternehmen zu überzeugen.

Wie kommen Sie auf einfache Weise zu uns nach Lindenfels?

Lindenfels liegt circa 60 km im Süden von Frankfurt/Main und 40 km nordöstlich von Mannheim im Odenwald (Regierungsbezirk Darmstadt). Logischerweise kann man dank der guten Verkehrsanbindung auch sehr bequem per Bahn hinfahren.

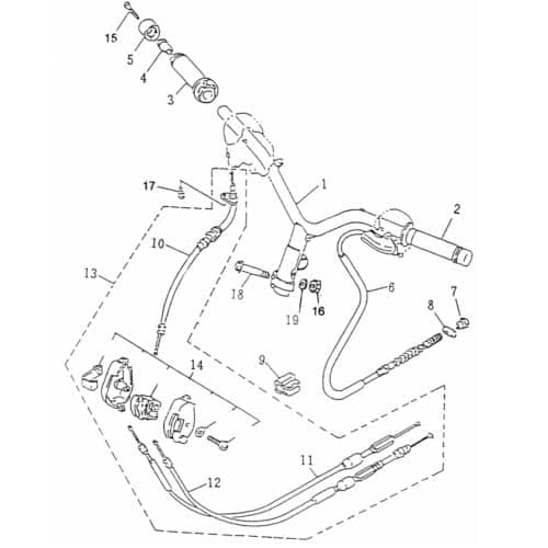
Artikelposition in Explosionszeichnung: 13

Baugruppe: Rahmen

Ersatzteil: Lenker

Motorroller bequem online kaufen – von der Bestellung bis zur Lieferung


Mobiler Home Service – Bundesweit Inspektionen und Reparaturen


Motorroller.de – Über uns – Ihr Support vom Profi seit 1993

Ihr Finanzierungsplan**
Monate Rate mtl. Gesamt
6039,67 €2.380,49 €
12157,59 €1.891,14 €

Einfach im Bestellvorgang die Expokredit-Finanzierung als Zahlungsweise auswählen ...

  • Rex 25
  • Rex 25 Escape
  • Rex 25 Scooter
  • Rex 25 Trophy
  • Rex 50
  • Rex 50 Escape
  • Rex 50 Scooter
  • Rex 50 Scooter/MK 50/CAPRIOLO 50 (2-Takt)
  • Rex 50 Silverstreet
  • Rex 50 Trophy
  • Rex RS 450
Produktgalerie überspringen

Kunden haben sich ebenfalls angesehen

Rabatt
Gaszug komplett Ab Bj 97 50 Km 78051
Gaszug komplett Ab Bj 97 50 Km 78051

zu Artikel: Gaszug komplett Ab Bj 97 (50 Km/H)Für Vergaser 14mm schwarz/schwarz Der Gaszug Technik-Info Gaszug Gas-Zug, Bowden-Zug, Bauten-Zug, Gasseilzug, Gas-Seil, Chokezug, Chokekabel, Bowdenzugkabel, Bowdenkabelzüge, Bowdenkabelzuege, Gaszugaufnahme, Gaszugaufnahme FIG, Bowdenzug, Bautenzug, Seil-Zug, Seilzug, Gaszug Gasbowdenzug, nach dem Erfinder Ingenieur Bowden, aber mittlerweile fälschlich auch , Bauten- oder Gaszug genannt dient der Ansteuerung des Vergasers zur Regulierung der Sprit- und Luftmenge. Im Zweifelsfall sollte man immer das Bild mit dem eigenen Bowdenzug vergleichen. Wir empfehlen, den Originalbowdenzug nachzumessen. Dieser Artikel passt bei vielen Modellen, unter anderem für: Kreidler Vabene 50, Rex 25 Scooter, Rex 50, Rex 50 Scooter, Rex 50 Scooter/MK 50/CAPRIOLO 50 (2-Takt), Rex Capriolo 50 4T, Rex REXY 25-50, Rex Rexy 50, Rex Rexy 50 25 km/h, Rex Rexy 50 50 km/h, Rex RS 450, Rex RS 450 OFF-LIMIT/TRIBAL-Scooter/CAPRIOLO 50 QM50QT-6A Kostenloser Versand Bei Ersatzteilen für jeden zusätzlichen Artikel mit den gleichen Versandkriterien, den Sie von uns kaufen. Unsere Ersatzteile für ihren Scooter bzw. Motorroller oder auch Roller können Sie bequem online in unserem Shop kaufen. Egal ob sie Ihren Roller im Kaufhaus oder im Baumarkt gekauft haben, für alle gängigen China-, Taiwan-, oder Europa-Roller finden Sie bei uns passende Bauteile, insbesondere für die Motoren 50 cc, 125 cc, 250 ccm, 2-Takt, 4-Takt und für größere Leistungen. Speziell für die Motorentypen 139FMB , GY6 ,1E40QMB, 1E40QMA ,153FMI, 156FMI ,157QMJ, 158MJ ,125-4T6M ,152QMI, 157QMI ,150QMG ,164FML ,139QMB, 139QMA, JSD139QMB in kurzen und langen Versionen in den Normen Euro1, Euro2, Euro3 sowie die neuen Euro 4 Einspritzer-Motoren finden Sie Ersatzteile von bewährter Qualität. Gerne können Sie auch per Email nach Ersatzteilen anfragen. Bei Bestellwerten über 100 Euro können Sie auch unseren Ratenkauf- bzw. Finanzierungs-Service nutzen. Beim Kauf von Fahrzeugen können wir Ihnen auch ein Leasing-Angebot unterbreiten, das bietet sich insbesondere für Firmen an, die Betriebsfahrzeuge anschaffen, oder ihren Mitarbeitern ein Fahrzeug zur Verfügung stellen. Ihre Anfrage nehmen wir gerne entgegen Auswechseln oder reparieren - was ist die preisgünstigere Option? Diese Frage stellen sich Rollerbesitzer immer dann, wenn an ihrem Zweirad etwas defekt geworden ist, gleichgültig, ob sich um einen Motorroller, 3-Rad Roller oder Elektroroller bzw. E-Roller dreht. Zudem bietet ein Ersatzelement eine deutlich größere Funktionssicherheit als eine Instandsetzung des Motorrollers. Zumeist kann man einen nicht sofort selber finden und eine qualifizierte Fachwerkstatt muss herausfinden, weswegen der Roller nicht richtig läuft. Eine gute Alternative wäre es dann, eines unserer einbaufertigen Komplett-Kits, die wir in vielen unterschiedlichen Ausführungen im Programm haben, zu bestellen. . Bei uns stimmen Qualität und Preis Die Qualität unserer Bauteile braucht keine Konkurrenz auf dem Weltmarkt zu befürchten. Aus welchem Grund können wir so günstig sein? Die Antwort heißt: Weil wir bereits beim Einkauf auf wirtschaftlich vernünftige Produktmengen achten. Falls Ihr motorisiertes Zweirad einmal eine neue Komponente benötigt, wenden Sie sich vertrauensvoll an uns. Sie bekommen bei uns stets beste Qualität zu einem günstigen Preis. Einige Rollermarken wie Sundiro und Eppella werden schon lange nicht mehr gefertigt. Gleichwohl führen wir dafür noch die Bauteile. Klarerweise liefern wir auch die Originalteile für Ihr Zweirad, obwohl unsere Nachbauten einen qualitativen Vergleich mit dem Erstausrüster-Produkt nicht zu scheuen brauchen, jedoch im Allgemeinen wesentlich kostengünstiger sind. Unsere Teile ermöglichen es Ihnen, zum einen die Instandsetzung Ihres Motorrollers selbst durchführen oder andererseits auch in einer Werkstatt machen zu lassen. Zu solch erschwinglichen Preisen und in Erstausrüster-Qualität werden Sie wahrscheinlich Ihren Motorroller nicht auf andere Art reparieren können. Es ist denkbar easy, mit Hilfe der Abbildungen das gewünschte Ersatzteil zu bestellen Damit Sie auch tatsächlich den passenden Artikel bekommen, gibt es auf unserer Website eine Menge von entsprechendem Bildmaterial, durch das Sie Ihr altes Element mit dem lieferbaren Ersatz vergleichen können. Achten Sie bitte insbesondere auf die Übereinstimmung des alten Austauschteils mit dem abgebildeten Artikel; speziell was die aufgeführten technischen Spezifikationen und Maße anbelangt.   Ihre Vorteile:   Hol- und Bringservice Alle unsere Produkte sind zuverlässig, preiswert sowie betriebssicher Roller-Ankauf 100-prozentige Fahrsicherheit des Zweirads, speziell bei den Bremsen DIN-Norm gerechte und ISO-zertifizierte Präzisionsfertigung Mit unserer "Geld zurück" - Garantie kaufen Sie ohne Risiko Sie erhalten von uns ausnahmslos die Erstausrüster-Qualität - auch bei günstigen Nachbauten Sie bezahlen bei Bestellung mehrerer Teile mit identischen Versandfaktoren nur einmal den Versand Kurzfristige Lieferzeiten Unser Lager umfasst Einbauteile und Artikel für etwa 250 Marken und 8500 Typen   Am besten kaufen Sie Roller, Quads, Fun-Fahrzeuge und Straßenbuggys in einem Fachbetrieb wie den unsrigen. Aus welchem Grund sollten Sie sich an uns wenden? Weil wir die Meister-Qualifikation und das entsprechende Know-how besitzen, welche man für diesen Geschäftsbereich unbedingt benötigt. Wir als familiär geführtes Unternehmen leben das Geschäft in Verbindung mit Motorrollern buchstäblich. Es ist nicht in jedem Fall sinnvoll, seinen Motorroller beim nächsten x-beliebigen Händler zu kaufen. Demzufolge ist es wesentlich, sich den bevorzugten Fachhändler zuerst genau anzugucken. in unserem Betrieb ist alles hundertprozentig nachvollziehbar! Aus welchem Grund kommen Sie nicht mal bei uns vorbei, um sich persönlich ein Bild zu machen?Sie sehen dann die Bestätigung unserer vorzüglichen Leistungen gleichsam mit eigenen Augen. Wenn Ihnen die Anfahrtsstrecke zu uns zu weit ist, können Sie sich auch mittels des Trustedshops-Siegels und die diversen Ebay Bewertungen schlau machen. Unsere Website Motorroller.de wird zum Beispiel von Trustshops als "sehr gut" bewertet. Das betrifft sowohl unseren Internetshop als auch unsere Geschäftspraktiken. Über diese Einstufung sind wir nicht ganz zu Unrecht sehr Stolz. Der Bewertungsfaktor von ca. 99,9 Prozent bei Ebay in den Käuferrezensionen kann sich ebenso sehen lassen. Was demonstrieren all diese Ergebnisse ganz eindeutig? Dass wir uns auf allen Gebieten immer mächtig ins Zeug legen! Denken Sie aber bitte daran: Wir sind auch bloß Menschen, die bisweilen etwas falsch machen. Darum bitten wir Sie, falls mal etwas nicht so gut gelaufen ist, uns auf jeden Fall die Chance zur Verbesserung zu geben. Unser Fachgeschäft hat für Sie geöffnet: jeden Tag von 8:00 - 18:00 Uhr, am Samstag von 9:00 - 13:00 Uhr. Jahrzehnte im Dienst unserer Kunden Wir haben uns die Zufriedenheit unserer Kundschaft auf die Fahne geschrieben. Vor über 50 Jahren fing unser Unternehmen mit dem Bau von Maschinen an, während sich das Geschäft mit motorisierten Zweirädern heute auch schon seit mehr als 25 Jahren mit Erfolg etablieren konnte. Mittlerweile haben wir uns außer der Vermarktung von Motorrollern, auf Einbauteile, Zubehör und das "Must have" zur Steigerung der Motorleistung fokussiert. Unsere Produktpalette beinhaltet über 500.000 Teile Bei Motorroller.de finden Sie nahezu alle Teile und Fahrzeuge aus Europa und Fernost. Es existieren zurzeit Artikel, passendes Zubehör und Ersatzteile für rund 250 Marken und 8500 Typen in unserem Lager, die nur auf Ihre Bestellung warten. Beispielsweise arbeiten wir schon jahrelang mit so namhaften Lieferanten wie Jonway, Yamaha, Kreidler oder Adly zusammen. Insgesamt haben wir auf einer Lagerfläche von über 1.000 Quadratmeter mehr als 500.000 Produkte von diversen Produzenten in unserem Hochregallager im Angebot. In unserer Zubehörabteilung finden Sie alles, was man als Rollerfahrer benötigt. Das beginnt bei den Nierengürteln, Handschuhen und Regensets, und geht bis hin zu den Windschildern über die Schutzhelme und das Top Case.Auch für die Tuningfans, welche es gerne sportlich mögen, bieten wir ausgesuchte Produkte an, wie z.B. Auspuffanlagen, Zylinder, Kolben und weitere Dinge Kolben, Auspuffanlagen, Zylinder und dergleichen Dinge. Unmittelbar nach der Produktion Sämtliche Lieferungen verlassen unser Unternehmen erst im Anschluss an eine strenge Qualitätsprüfung. Das heißt, bevor ein Roller ausgeliefert beziehungsweise vom Kunden abgeholt wird, überprüfen wir ihn zum Schluss nochmals umfassend auf etwaige Mängel bzw. Transportschäden. Sobald die Motorroller bei uns angeliefert werden, wird jedes einzelne Zweirad ausgepackt und als erstes einer visuellen Prüfung bzw. einem Probelauf auf unserem Prüfstand unterzogen. Ein allerletzter Funktionscheck erfolgt dann im Anschluss der Übergabe an den Kunden. Dadurch ist sichergestellt, dass das Fahrzeug sich wirklich in einem einwandfreien Zustand befindet und den Käufer vollkommen zufriedenstellt. Schutz unserer Umwelt Wir tragen zum Schutz unserer Umwelt bei. Unsere motorisierten Zweiräder haben auf der einen Seite grundsätzlich einen wirtschaftlichen Verbrennungsmotor. Die Transportverpackung, die bei der Anlieferung Motorroller anfällt, nehmen wir logischerweise wieder mit, um sie einer fachgerechten Müll-Entsorgung zuzuführen - auch das gehört für uns zum Umweltschutz. Roller-Ankauf Nach dem Erwerb eines neuen Motorrollers aus unserem Zweiradprogramm wollen Sie sich von Ihrem ausgedienten Modell trennen? Machen Sie sich darüber keine Gedanken! Lassen Sie das unser Problem sein, indem wir Ihren gebrauchten Roller ankaufen. Immer noch nicht begeistert? Dann geben Sie uns doch die Möglichkeit, Sie von unseren Leistungen zu überzeugen. Man sollte uns nicht mit den zahlreichen billigen Verkaufsshops, gleich stellen, die heute kommen und morgen schon wieder weg sind. Es ist uns bekannt, dass sich nur aufgrund neuer Ideen und zeitgemäßer Innovationen die Grundlage für eine erfolgreiche Geschäftstätigkeit legen lässt. Wenn für Sie mal die Möglichkeit besteht, einen Abstecher nach Lindenfels-Eulsbach zu machen, haben Sie die Gelegenheit, sich selbst von unserem vorzüglichen Service in unserem Unternehmen zu überzeugen. Unsere Firma ist ganz einfach zu finden Lindenfels liegt rund 60 km im Süden von Frankfurt/Main und 40 km nordöstlich von Mannheim im Odenwald (Regierungsbezirk Darmstadt). Es besteht auch eine gute Verkehrsanbindung mit der Bahn. Unsere Topmarken Unsere Topmarken

Verkaufspreis:
Verfügbar
59,90 € Regulärer Preis: 68,89 €
Rabatt
SMC Extra 50 Off Road Lenkerverkleidung 50ccm 2Takt 55215-PAF-00 Motorroller.de schwarz Frontverkleidung Frontschürze Frontmaske Lenkerabdeckung
SMC Extra 50 Off Road Lenkerverkleidung 50ccm 2Takt 55215-PAF-00 Motorroller.de schwarz Frontverkleidung Frontschürze Frontmaske Lenkerabdeckung

zu Artikel: Untere Lenkerverkleidung schwarzLenkerverkleidungUntere Lenkerverkleidung schwarzTechnik-InfoDer Artikel: LenkerverkleidungFrontschürze, Frontschuerze, Frontteil, Frontabdeckung, Front-Verkleidung, Front-Cover, Front-Schürze, Front-Schuerze, Lenkerabdeckung, Lenker-Abdeckung, Lenker-Verkleidung, Tacho-Verkleidung, Tachoverkleidung, Tachometer-Verkleidung, Tachometerverkleidung, Verkleidungdeckel Lenkerverkleidung klein links grau lackiert Verkleidung, Abdeckung, Deckel, Cover, Frontcover, Frontmaske, Frontverkleidung, LenkerverkleidungVerkleidungsteile für bestimmte (seltene) Modelle sind oft schwer zu bekommen. Darum haben wir bei unseren eigenen Modellen Wert auf zeitlos elegantes Design gelegt, sodass wir auch für ältere Modelle unserer Eigenmarken stetes Ersatz liefern können. Unsere Verkleidungsteile sind aus hochwertigem langlebigen Kunststoff hergestelltDieser Artikel passt bei vielen Modellen, unter anderem für: Access Crap, Eppella ECM Extra 50 B 50km/h, Eppella ECM Extra 50 Off Road 50 km/h, Eppella ECM Extra 50 S 50 km/h, Eppella ECM Extra 50 Sport, Eppella ECM Extra 50 T 50 km/h, Kreidler Flory RC50 C-D, Rex 50 Scooter Seit vielen Jahren arbeiten wir mit diesem Hersteller erfolgreich und zuverlässig zusammen. Die Teile haben sich in der Praxis stets bewährt.Kostenloser Versand   Bei Ersatzteilen für jeden zusätzlichen Artikel mit den gleichen Versandkriterien, den Sie von uns kaufen.Unsere Ersatzteile für ihren Scooter bzw. Motorroller oder auch Roller können Sie bequem online in unserem Shop kaufen. Egal ob sie Ihren Roller im Baumarkt oder im Kaufhaus gekauft haben, für alle gängigen Europa-, Taiwan-, oder China-Roller finden Sie bei uns passende Bauteile, insbesondere für die Motoren 50 cc, 125 cc, 250 ccm, 4-Takt, 2-Takt und für größere Leistungen. Speziell für die Motorentypen 153FMI, 156FMI ,139QMB, 139QMA, JSD139QMB ,150QMG ,139FMB , GY6 ,152QMI, 157QMI ,1E40QMB, 1E40QMA ,164FML ,157QMJ, 158MJ ,125-4T6M in kurzen und langen Versionen in den Normen Euro1, Euro2, Euro3 sowie die neuen Euro 4 Einspritzer-Motoren finden Sie hochqualitative Ersatzteile. Gerne können Sie auch per Email nach Ersatzteilen anfragen. Bei Bestellwerten über 100 Euro können Sie auch unseren Ratenkauf- bzw. Finanzierungs-Service nutzen. Beim Kauf von Fahrzeugen können wir Ihnen auch ein Leasing-Angebot unterbreiten, das bietet sich insbesondere für Firmen an, die Betriebsfahrzeuge anschaffen, oder ihren Mitarbeitern ein Fahrzeug zur Verfügung stellen. Ihre Anfrage nehmen wir gerne entgegen Ein Teil ist kaputt - soll es instand gesetzt oder besser gleich ersetzt werden?Wird mal irgendetwas am Roller schadhaft, dann hat man überwiegend die Wahl zwischen Tauschen oder Reparieren. Woran man auch denken sollte: Ein neues Bauteil ist nicht nur schnell getauscht, sondern macht den Motorroller auch erheblich funktionssicherer als eine Instandsetzung. Zumeist kann ausschließlich eine qualifizierte Fachwerkstatt den Mangel auf Anhieb finden. In diesem Fall wäre es vernünftiger, über unserer Webseite eines der einbaufertigen Ersatzteil-Kits zu bestellen, welche wir für zahlreiche diverse Bauteile anbieten. .Für Ihr Zweirad - erstklassige QualitätsbauteileDie Qualität unserer sämtlichen Komponenten hat Weltmarktniveau. Unsere Bauteile sind deswegen so günstig, da wir schon beim Einkauf auf entsprechend große Produktmengen wert legen. Bei uns kriegen Sie demzufolge alle lieferbaren Ersatzteile für Ihr Zweirad nicht lediglich in bester Qualität, sondern auch zu einem günstigen Preis.Wir führen sogar für die allermeisten Motorroller, Quads und Buggys die Zubehörteile, welche gar nicht mehr produziert werden. Zum Beispiel haben wir alle Einbauteile für die Marken Eppella und Sundiro nach wie vor verfügbar.Sie bekommen bei uns ohne Frage auch die Originalteile vom jeweiligen Rollerhersteller. Wenn Sie andererseits Geld sparen möchten [und wer will das nicht], sollten Sie auch unsere Nachbauten in Erwägung ziehen, welche übrigens einen qualitativen Vergleich zum Erstausrüster- Produkt nicht scheuen müssen, obwohl sie allgemein deutlich kostengünstiger sind. Mit unseren Ersatzteilen können Sie die Reparatur an Ihrem Roller selber durchführen beziehungsweise auch in einer Werkstatt durchführen lassen. Es gibt zweifelsohne keine andere Alternative, durch die Sie zu erschwinglichen Kosten und in hervorragender Qualität Ihren Roller reparieren können.Eine gute Hilfe bei der Bestellung der richtigen Bauteile sind die jeweiligen AbbildungenDamit Sie auch garantiert das dringend benötigte Produkt bekommen, finden Sie auf unserer Seite eine Menge von entsprechendem Bildmaterial, durch das Sie Ihr altes Teil mit dem lieferbaren Ersatz vergleichen können. Hierbei ist es von Bedeutung, dass das Element, das Sie ersetzen wollen, nicht nur augenscheinlich, sondern auch in den Spezifikationen und Dimensionen mit Ihrer Bestellung zusammenpasst.10 Vorteile von denen Sie profitieren:Alle unsere Einbauteile sind zuverlässig, kostengünstig und langlebigKurzfristige LieferzeitenEinbauelemente und Zubehör für ungefähr 250 Marken und 8500 Typen auf LagerRoller-AnkaufISO-zertifizierte Präzisionsfertigung nach DIN-NormSie zahlen nur einmal den Versand beim Ordern mehrerer Komponenten mit denselben Versandkriterienhundertprozentige Verkehrssicherheit des Motorrollers, insbesondere bei den BremsenDurch unsere "Geld zurück" - Garantie kaufen Sie ohne RisikoWir holen und bringen Ihren MotorrollerAuch bei günstigen Nachbauten bekommen Sie von uns ohne Ausnahme die Erstausrüster-QualitätMotorroller, Quads, Straßenbuggys und Fun Fahrzeuge kauft man bevorzugt in einem Fachgeschäft wie das unsrige. Aus welchen Gründen wäre es für Sie von Vorteil, wenn Sie uns für Sie tätig werden lassen? Weil wir uns durch unsere Jahrzehnte lange Erfahrung das notwendige Know-how für diesen Geschäftsbereich angeeignet haben, können wir Ihnen einen optimalen Service bieten. Als Familienunternehmen betreiben wir nicht lediglich das Geschäft rund um die Roller, wir leben das Geschäft richtiggehend.Es ist unverzichtbar, sich das Fachgeschäft in Folge dessen vorher genau anzugucken, bevor man sich zu einem Kauf entschließt. Alles ist in unserem Geschäft zu 100 Prozent nachvollziehbar! Sie dürfen gerne zu jeder Zeit bei uns vorbeikommen und sich selber ein Bild machen.Das was Sie dort feststellen, wird Sie ohne Zweifel überzeugen.Potentielle Kunden, denen der Weg zu uns zu weit ist, können sich von zu Hause aus mittels des Trustedshops-Siegels und die diversen Ebay Bewertungen über uns kundig machen. Sowohl unsere Geschäftspraxis als auch unser Onlineshop werden zum Beispiel mit dem Trustedshops Gütesiegel "sehr gut" bewertet. Auch bei Ebay liegen wir mit dem Prozentsatz 99,9 % sehr gut im Rennen. Was belegen all diese Ergebnisse ganz eindeutig? Dass wir in allen Belangen immer geben!!Aber auch, wenn wir uns noch so bemühen - wir sind keine Maschinen, sondern Menschen, die gelegentlich mal etwas falsch machen. Aus dem Grund bitten wir Sie, falls mal etwas nicht so gut gelaufen ist, uns auf jeden Fall die Chance zur Verbesserung zu geben.Unser Fachgeschäft hat für Sie geöffnet: jeden Tag von 8:00 - 18:00 Uhr, am Samstag von 9:00 - 13:00 Uhr.Ãber unsWir haben uns die Zufriedenheit unserer Kunden auf die Fahne geschrieben. Mehr als 25 Jahre sind wir mit Erfolg mit dem Handel von Zweirädern aktiv, wobei wir uns hingegen schon vor über fünfzig Jahren auf dem Gebiet des Maschinenbaus erfolgreich etabliert haben. Wir haben uns heute überwiegend auf das "Nice-to-have" für Motortuning, Ersatzkomponenten und Fahrzeugzubehör für die meist gefahrenen Roller festgelegt.Unsere Produktauswahl umfasst ca. 500.000 TeileWer auf der Suche nach einem günstigen Fahrzeug oder der richtigen Komponente für seinen fahrbaren Untersatz ist, der findet bei uns unter Motorroller.de bestimmt das entsprechende Element. Es gibt zurzeit Artikel, passendes Zubehör und Teile für ungefähr 250 Marken und 8500 Ausführungen in unserem Warenlager, die lediglich auf Ihre Bestellung warten. Darunter sind beispielsweise Produzenten wie Jonway, Yamaha, Kreidler oder Adly zu finden. Wir haben alles in allem mehr als 500.000 Produkte von diversen Anbietern im Ersatzteil-Programm, welche auf einer Fläche von über 1.000 m² in unseren Hochregalen gelagert sind. Hier finden Sie jedes Rollerzubehör von A bis Z.Das beginnt bei den Handschuhen, Regensets und Nierengürteln, und geht bis hin zum Top Case über die Schutzhelme und den Windschildern.In unserer Tuningabteilung halten wir für alle sportlichen Fahrer ebenfalls einige ausgesuchte Artikel bereit. Hierzu gehören beispielsweise Auspuffanlagen, Kolben, Zylinder und weitere Dinge.Direkt nach der ProduktionKein Artikel verlässt unser Haus, bevor er nicht auf tadellose Qualität geprüft worden ist. Das heißt, dass alle Motorroller, die vom Herstellerwerk bei uns ankommen, in unserem Betrieb nochmals einer eingehenden Ãberprüfung auf eventuelle Mängel beziehungsweise Transportschäden unterzogen werden. Erst dann liefern wir sie an unsere Kunden aus. Das erste Mal geschieht das vor dem Versand, indem wir jeden Motorroller auspacken und auf unserem computergesteuerten Zweirad-Prüfstand einem Probelauf beziehungsweise einer Ãbergabeinspektion unterziehen. Bei dem gelieferten Fahrzeug wird dann nach der Lieferung zum Kunden letztlich noch einmal ein Funktionstest durchgeführt. So ist ein problemloser Betrieb des Gefährts de facto sichergestellt.Umweltschutz wir bei uns groß geschriebenUns liegt besonders viel an einem effektiven Umweltschutz. Das sagen wir nicht nur, weil unsere Zweiräder prinzipiell mit Verbrennungsmotoren versehen sind, die verhältnismäßig wenig Sprit verbrauchen. Jegliches Verpackungsmaterial, welches bei der Auslieferung Motorroller anfällt, nehmen wir selbstverständlich wieder mit, um es einer fachgerechten Müll-Entsorgung zuzuführen - auch das ist für uns ein Beitrag zu einer sauberen Umwelt.Wir kaufen Ihren MotorrollerIhr alter Motorroller tut es nicht mehr richtig und Sie haben vor, bei uns ein neues Modell zu kaufen. Was jedoch tun mit dem Oldie? Das ist absolut kein Thema! Lassen Sie das unsere Sorge sein, denn wir nehmen Ihren ausgedienten Roller in Zahlung.Wir konnten Sie trotz allem nicht überzeugen?Dann würden wir uns darüber sehr freuen, wenn wir von Ihnen die Möglichkeit bekämen, unsere Leistungen unter Beweis stellen zu dürfen. Im Gegensatz zu den billigen Onlineshops, die bereits nach kurzer Zeit wieder weg sind, können wir auf eine mehrjährige Firmentradition zurück blicken. Die gut fundierte Grundlage für einen erfolgreichen Betrieb besteht darin, dass allein zufolge zeitgemäßer Innovationen und neuer Ideen ein nachhaltiges Wachstum garantiert werden kann. Folglich stehen ständiges Lernen sowie die Anpassung an neue Technologien in unserem stetig wachsenden Unternehmen fortwährend an der ersten Stelle. Für den Fall, dass für Sie einmal die Möglichkeit besteht, einen Abstecher nach Lindenfels-Eulsbach zu machen, können Sie die Gelegenheit nutzen, sich selbst in unserem Unternehmen von unserem außergewöhnlichen Kundenservice zu überzeugen.Unsere Firma ist ganz leicht zu findenLindenfels liegt ungefähr 60 km im Süden von Frankfurt/Main und 40 km nordöstlich von Mannheim im Odenwald (Regierungsbezirk Darmstadt). Alternativ ist es selbstverständlich auch möglich, mit der Bahn anzureisen.Unsere TopmarkenUnsere Topmarken

Verkaufspreis:
Kurzfristig lieferbar
29,95 € Regulärer Preis: 34,44 €
Rabatt
SMC Quad 170 O-Ring 2,4x27,4mm ATV 170ccm 4Takt 93210-24274 Motorroller.de Gummidichtung Dichtring Gummiring Oring Gummi-Ring Dicht-Ring Quad 200 UTV
SMC Quad 170 O-Ring 2,4x27,4mm ATV 170ccm 4Takt 93210-24274 Motorroller.de Gummidichtung Dichtring Gummiring Oring Gummi-Ring Dicht-Ring Quad 200 UTV

zu Artikel: O-Ring 2,4x27,4 93210-24274 O-Ring 2,4x27,4Technik-InfoO-RingDichtring, Gummi-Ring, Dicht-Ring, Motorölablassdichtung, Steuerkettenspanner, Dichtung, Dichtung Gummi, Gummidichtung, Gummidichtring, Ring, Ringstück, O-Ring, OR-Dichtung, Oring, GummiringDichtringe, O-Ringe oder Null-Ringe sind ringförmige Dichtungselemente. Der Name leitet sich vom O-förmigen Querschnitt ab. Alle unsere Dichtringe sind in Erstausrüster-Qualität.Dieser Artikel passt bei vielen Modellen, unter anderem für: SMC STM Quad 250, SMC STM Quad 200, Barossa Cheetah 250, Kreidler Mustang 250, SMC STM Quad 170, Kreidler Mustang 170, Kreidler Mustang 200, SMC STM Quad 150, STM SMC Chopper 125, Ering Quad STINGER 170 ohne Rückwärtsgang, Ering Quad STINGER 200, SMC STM REX Quad 150, SMC STM REX Quad 250 , Rex Quad 150Seit vielen Jahren arbeiten wir mit diesem Hersteller erfolgreich und zuverlässig zusammen. Die Teile haben sich in der Praxis stets bewährt.Kostenloser Versand   Bei Ersatzteilen für jeden zusätzlichen Artikel mit den gleichen Versandkriterien, den Sie von uns kaufen.Unsere Ersatzteile für ihren Roller bzw. Motorroller oder auch Scooter können Sie bequem online in unserem Shop kaufen. Egal ob sie Ihren Roller im Baumarkt oder im Kaufhaus gekauft haben, für alle gängigen Europa-, China-, oder Taiwan-Roller finden Sie bei uns passende Bauteile, insbesondere für die Motoren 50 cc, 125 cc, 250 ccm, 2takt, 4takt und für größere Leistungen. Speziell für die Motorentypen 139QMB, 139QMA, JSD139QMB ,150QMG ,153FMI, 156FMI ,1E40QMB, 1E40QMA ,164FML ,152QMI, 157QMI ,125-4T6M ,157QMJ, 158MJ , GY6 ,139FMB in kurzen und langen Versionen in den Normen Euro1, Euro2, Euro3 sowie die neuen Euro 4 Einspritzer-Motoren finden Sie Ersatzteile von hoher Güte. Gerne können Sie auch per Email nach Ersatzteilen anfragen. Bei Bestellwerten über 100 Euro können Sie auch unseren Ratenkauf- bzw. Finanzierungs-Service nutzen. Beim Kauf von Fahrzeugen können wir Ihnen auch ein Leasing-Angebot unterbreiten, das bietet sich insbesondere für Firmen an, die Betriebsfahrzeuge anschaffen, oder ihren Mitarbeitern ein Fahrzeug zur Verfügung stellen. Ihre Anfrage nehmen wir gerne entgegen

Verkaufspreis:
Verfügbar
2,99 € Regulärer Preis: 3,44 €
Rabatt
Retourgang Sensor für 250ccm 4Takt 62590-CBW-00A
Retourgang Sensor für 250ccm 4Takt 62590-CBW-00A

zu Artikel: Retourgang Sensor Technik-InfoSensorauch zu finden unter: Sensor, Fühler, Fuehler, Indikator, Melder, Kühlersensor, Kuehlersensor, Kühlergeber, Kuehlergeber, ThermosensorSensoren sind wichtige Kontroll-Aggregate. Sie warnen bei kritischen Betriebszuständen oder informieren über aktuelle Werte.Kostenloser Versand   Bei Ersatzteilen für jeden zusätzlichen Artikel mit den gleichen Versandkriterien, den Sie von uns kaufen.Unsere Ersatzteile für ihren Roller bzw. Motorroller oder auch Scooter können Sie bequem online in unserem Shop kaufen. Egal ob sie Ihren Roller im Kaufhaus oder im Baumarkt gekauft haben, für alle gängigen Europa-, Taiwan-, oder China-Roller finden Sie bei uns passende Bauteile, insbesondere für die Motoren 50 cc, 125 cc, 250 ccm, 4takt, 2takt und für größere Leistungen. Speziell für die Motorentypen 139QMB, 139QMA, JSD139QMB ,164FML , GY6 ,139FMB ,153FMI, 156FMI ,157QMJ, 158MJ ,1E40QMB, 1E40QMA ,152QMI, 157QMI ,150QMG ,125-4T6M in kurzen und langen Versionen in den Normen Euro1, Euro2, Euro3 sowie die neuen Euro 4 Einspritzer-Motoren finden Sie qualitativ hochwertige Ersatzteile. Gerne können Sie auch per Email nach Ersatzteilen anfragen. Bei Bestellwerten über 100 Euro können Sie auch unseren Finanzierungs- bzw. Ratenkauf-Service nutzen. Beim Kauf von Fahrzeugen können wir Ihnen auch ein Leasing-Angebot unterbreiten, das bietet sich insbesondere für Firmen an, die Betriebsfahrzeuge anschaffen, oder ihren Mitarbeitern ein Fahrzeug zur Verfügung stellen. Wir freuen uns auf Ihre Anfrage.

Verkaufspreis:
Nicht verfügbar
26,19 € Regulärer Preis: 30,12 €
Rabatt
Scheinwerferbirne Halogen 12V 25/25W Sockel BA20d 50ccm 2Takt Motorroller.de Halogenleuchte Halogenglühlampe Scheinwerferlampe Glühbirne Leuchtmittel
Scheinwerferbirne Halogen 12V 25/25W Sockel BA20d 50ccm 2Takt Motorroller.de Halogenleuchte Halogenglühlampe Scheinwerferlampe Glühbirne Leuchtmittel

zu Artikel: Scheinwerferbirne Halogen 12V 25/25W BA20DDie Scheinwerferbirne Halogen Scheinwerferbirne Halogen 12V 25/25W BA20D Technik-InfoScheinwerferbirne Halogen auch zu finden unter: Scheinwerferbirne Halogen, Halogenbirne, Frontscheinwerfer-Birne Halogen, Frontscheinwerferbirne Halogen, Hauptscheinwerferbirne Halogen, Scheinwerferlampe Halogen, Leuchtmittel Halogen, Glühbirne Halogen, Gluehbirne Halogen, Leuchte Halogen, Birne Halogen, Hauptscheinwerfer-Birne Halogen, Scheinwerfer-Birne Halogen, Scheinwerfer-Lampe Halogen Birne, Glassockellampe, Standlichtbirne, Innenleuchte, Leuchtmittel, Tachobirne, Glühbirne, auch Leuchte genannt. Die Sockel der Birnen variieren bei den verschiedenen Modellen. Vergleicht bitte den Sockel ihrer alten Birne um bei der Bestellung auf Nummer sicher zu gehen! Halogenbirnen: bieten sehr helles Licht durch Halogenglaskolben was sich sehr gut auf das Sehen und Gesehen werden auswirkt. Die Lichtleistung wird um 34-45% erhöht. Das Umschalten zwischen Abblend- und Fernlicht geht schneller als bei einer herkömmlichen Lampe. Dieser Artikel passt bei vielen Modellen, unter anderem für:AGM Fighter 50 Kymco Agility 50 EXPLORER ATU RACE GT 50 EXPLORER ATU SPIN GE50 CPI Aragon Kreidler Galactica AGM Firejet 50 Kreidler RMC-E Hiker Rex Stratos Montana CPI Oliver 50 Motowell Magnet Die Ersatzteile dieses Herstellers haben sich seit Jahren im täglichen Einsatz bewährt. Durch beständigen Erfahrungsaustausch wird die Qualität auf ein Maximum angehoben. Erstausrüsterqualität sehr gute Verarbeitung Lagerware günstiger Preis Direktimport sofort versandbereit Unsere Ersatzteile für ihren Motorroller bzw. Roller oder auch Scooter können Sie bequem online in unserem Shop kaufen. Egal ob sie Ihren Roller im Kaufhaus oder im Baumarkt gekauft haben, für alle gängigen China-, Europa-, oder Taiwan-Roller finden Sie bei uns passende Bauteile, insbesondere für die Motoren 50 cc, 125 cc, 250 ccm, 2-Takt, 4-Takt und für größere Leistungen. Speziell für die Motorentypen 157QMJ, 158MJ ,164FML , GY6 ,1E40QMB, 1E40QMA ,139QMB, 139QMA, JSD139QMB ,153FMI, 156FMI ,125-4T6M ,152QMI, 157QMI ,150QMG ,139FMB in kurzen und langen Versionen in den Normen Euro1, Euro2, Euro3 sowie die neuen Euro 4 Einspritzer-Motoren finden Sie qualitativ erstklassige Ersatzteile. Gerne können Sie auch per Email nach Ersatzteilen anfragen. Bei Bestellwerten über 100 Euro können Sie auch unseren Ratenkauf- bzw. Finanzierungs-Service nutzen. Beim Kauf von Fahrzeugen können wir Ihnen auch ein Leasing-Angebot unterbreiten, das bietet sich insbesondere für Firmen an, die Betriebsfahrzeuge anschaffen, oder ihren Mitarbeitern ein Fahrzeug zur Verfügung stellen. Wir freuen uns auf Ihre Anfrage. Reparieren oder austauschen?Diese Frage wird von Rollerfahrern häufig gestellt, ganz egal, ob sie einen Motorroller, 3-Rad Roller oder Elektroroller beziehungsweise E-Roller besitzen, falls etwas an ihrem Fahrzeug schadhaft geworden ist. Überdies bietet ein Ersatzbauteil eine beträchtlich größere Funktionssicherheit als eine Reparatur des Rollers. Ein versteckter Defekt lässt sich oft nur von einem Fachmann mittels Spezialwerkszeugen finden. Bestellen Sie doch am besten sofort eines unserer fertigen Komplett-Kits, die wir in vielen diversen Ausführungen im Sortiment haben. .Bei uns stimmen Qualität und PreisDie Qualität unserer sämtlichen Komponenten hat Weltmarktniveau. Aus welchem Grund sind wir trotz hoher Qualität so günstig? Wir kalkulieren nicht allein unsere Preise ausgesprochen moderat, sondern wir kaufen auch in ökonomisch sinnvollen Produktmengen ein. Bei uns kriegen Sie darum alle lieferbaren Teile für Ihren Roller nicht bloß in guter Qualität, sondern auch für einen attraktiven Preis. Auch für Roller, Quads und Buggys, die nicht mehr hergestellt werden, haben wir normalerweise die Einbauteile vorrätig. So etwa für die Marken Eppella und Sundiro.Wir haben klarerweise auch die Originalteile vieler Rollerhersteller auf Lager, wenngleich unsere Nachbauten mit den Originalen qualitativ ohne weiteres mithalten können und trotzdem vom Preis her in aller Regel um einiges kostengünstiger sind. Sie können mit unseren Ersatzteilen die Reparatur von Ihrem motorisierten Zweirad entweder selbst durchführen oder von einem Fachmann durchführen lassen. Es gibt voraussichtlich keine bessere Alternative, durch die Sie zu günstigen Preisen und in hervorragender Qualität Ihr motorisiertes Zweirad instand setzen können.Bilder erleichtern die Bestellung der gewünschten BauteileNeben den Erläuterungen finden Sie in unserem Onlineshop auch entsprechendes Bildmaterial. Hierdurch können Sie sogleich Ihr defektes Teil mit dem lieferbaren Ersatz vergleichen und gehen somit sicher, dass Sie dann auch de facto den passenden Artikel erhalten. Achten Sie bitte vor allem auf die Übereinstimmung des alten Elements mit dem abgebildeten Artikel; vor allem was die aufgeführten Dimensionen und Spezifikationen betrifft. Was Sie davon haben:Kauf ohne Risiko durch "Geld zurück" - Garantiehundertprozentige Fahrsicherheit des Zweirads, vor allem bei den BremsenDIN-Norm gerechte und ISO-zertifizierte PräzisionsfertigungRoller-Ankauf zu fairen PreisenAuch bei preisgünstigen Nachbauten bekommen Sie von uns ausschließlich die ErstausrüsterqualitätAlle unsere Teile sind kostengünstig, betriebssicher sowie gebrauchstauglichSie zahlen beim Ordern mehrerer Ersatzteile mit denselben Versandfaktoren nur einmal den VersandWir holen und bringen Ihren MotorrollerKurze LieferzeitenUnser Lager umfasst Komponenten und Zubehör für zirka 250 Marken und 8500 TypenWir sind die erste Adresse, falls es um die Anschaffung von einem Motorroller, Buggy, Fun-Fahrzeug oder Quad geht. Wieso sind wir der richtige Partner für Sie? Weil wir uns in diesem Geschäftsbereich bereits seit Jahrzehnten etabliert haben und Sie in Folge dessen von unserem Erfahrungsreichtum profitieren können. Wir als Familienunternehmen leben das Geschäft in Verbindung mit Motorrollern förmlich. Zumal Kaufen auch Vertrauenssache ist, sollte man sich folglich das ausgesuchte Fachgeschäft zuvor genau angucken, bei dem man vorhat ein motorisiertes Zweirad zu erwerben. Unsere Geschäftspraktiken sind für die Kundschaft hundertprozentig nachvollziehbar! Kommen Sie doch einfach mal in unserem Ladengeschäft vorbei und machen Sie sich selbst ein Bild von uns.Den Vertrauensbeweis erhalten Sie dann auf gewisse Weise schwarz auf weiß vor Ort.Wenn Ihnen der Weg zu uns zu weit ist, können Sie sich auch mittels der verschiedenen Ebay Bewertungen und des Trustedshops-Siegels kundig machen. Auf unserer Firmenwebseite Motorroller.de wird sowohl unser Shop als auch unsere Geschäftspraxis von Trustedshops mit der Note "sehr gut" bewertet. Unsere Käuferrezensionen bei Ebay liegen mit einem Bewertungsfaktor von rund 99,9 % gleichermaßen auf einem optimalen Niveau. Belegen diese Ergebnisse nicht eindeutig, dass unsere Kundschaft bestens bei uns aufgehoben ist? Denken Sie aber bitte daran: Wir sind auch nur Menschen, die gelegentlich Fehler machen. Sofern also etwas nicht zu Ihrer Zufriedenheit ausfällt, bitten wir Sie, uns die Möglichkeit zu geben, die Angelegenheit in Ordnung zu bringen.Unser Expertenteam ist täglich von 8:00 - 18:00 Uhr und samstags von 9:00 - 13:00 für Sie da.Unsere UnternehmenspolitikWir tun viel, damit unsere Kunden zufrieden sind. Vor über fünfzig Jahren nahmen unsere geschäftlichen Aktivitäten im Bereich Maschinenbau ihren Anfang, während den Handel mit Fahrzeugen heute auch schon seit mehr als 25 Jahren mit Erfolg ausgebaut werden konnte. Mittlerweile haben wir uns auf das "Must have" für Motortuning, Ersatzbauteile und Fahrzeugzubehör für die meist gefahrenen Motorroller festgelegt.Wir haben in etwa 500.000 Teile im PortfolioUnter Motorroller.de finden Sie fast alle Ersatzteile und Motorroller aus Asien und Europa. In unserem Lager warten Artikel, passendes Zubehör und Einbauelemente für zirka 250 Fabrikate und 8500 Ausführungen auf Ihre Bestellung. Adly, Yamaha, Kreidler oder Jonway gehören z.B. zu unseren langjährigen Lieferanten. Auf einer Lagerfläche von über 1.000 m² haben wir in unserem Hochregallager ungefähr 500.000 Produkte unterschiedlicher Hersteller sofort lieferbar. Alles was Sie als Fahrer eines Motorrollers benötigen, finden Sie in unserer Zubehörabteilung. Das beginnt bei den Handschuhen, Regensets und Nierengürteln, und geht bis hin zum Top Case über die Windschilder und den Schutzhelmen.Auch für alle Tuningfans haben wir die entsprechenden Artikel im Sortiment. Hierzu gehören z.B. Auspuffanlagen, Zylinder, Kolben und weitere Dinge.Direkt nach der ProduktionKontinuierliche Prüfung der Qualität ist unsere Leidenschaft. Das heißt, ehe wir einen Roller in die Hände des Kunden geben, wird er von uns nochmals auf einwandfreie Funktion und Fehlerfreiheit durchgecheckt. Vor der Übergabe wird zuerst jeden Motorroller ausgepackt und auf unserem computergesteuerten Zweirad-Prüfstand einem Testlauf unterzogen. Bevor der Käufer das Fahrzeug übernimmt, erfolgt noch ein abschließender Funktionstest. Somit ist wirklich gewährleistet, dass der Kunde mit seinem Kauf zu hundert Prozent zufrieden ist.Umweltschutz wir bei uns groß geschriebenDer Schutz unserer Umwelt liegt uns besonders am Herzen. Unsere Zweiräder besitzen zum einen in der Regel einen wirtschaftlichen Verbrennungsmotor. Die Transportverpackung nehmen wir logischerweise wieder mit, um sie einer fachgerechten Müll-Entsorgung zuzuführen - auch das gehört für uns zu einer sauberen Umwelt.Wir kaufen Ihren RollerNach dem Kauf eines neuen Rollers aus unserem Zweiradprogramm wollen Sie sich von Ihrem ausgedienten Modell trennen? Zerbrechen Sie sich hierüber nicht den Kopf! Lassen Sie uns das übernehmen, indem wir Ihren gebrauchten Motorroller ankaufen.Sie haben immer noch Zweifel?Sofern wir von Ihnen die Chance dazu erhalten, können wir unsere Leistungen auch unter Beweis stellen. Wir gehören nicht zu den billigen Internet-Shops, die heute ihre Ware anbieten und morgen bereits wieder verschwunden sind. Es ist uns bekannt, dass sich bloß dank neuer Ideen und fortschrittlicher Innovationen die Ausgangsbasis für eine Erfolg versprechende Geschäftstätigkeit legen lässt. Überzeugen Sie sich selbst von unserem außergewöhnlichen Kundenservice und besuchen Sie uns doch einmal in unserem Unternehmen in Lindenfels-Eulsbach.So finden Sie unsLindenfels liegt circa 60 km südlich von Frankfurt am Main und 40 km nordöstlich von Mannheim im Odenwald (Regierungsbezirk Darmstadt). Eine Anreise mit der Bahn ist ohne Frage ebenso möglich.Unsere TopmarkenUnsere Topmarken

Verkaufspreis:
Verfügbar
9,95 € Regulärer Preis: 11,44 €
Rabatt
PGO Innenverkleidung 2 teilig unten dunkelgrau T-Rex 125 C162C0217601 Motorroller.de Innen-Verkleidung Innenabdeckung Innen-Auskleidung T-Rex 150
PGO Innenverkleidung 2 teilig unten dunkelgrau T-Rex 125 C162C0217601 Motorroller.de Innen-Verkleidung Innenabdeckung Innen-Auskleidung T-Rex 150

zu Artikel: Innenverkleidung 2 teilig unten Innen-Verkleidung C162C0217601 Innenverkleidung 2 teilig unten dunkelgrau (76)Technik-InfoInnenverkleidungInnen-Auskleidung, Verkleidung innen, Innen-Verkleidung, Innenabdeckung, InnenverkleidungVerkleidungsteile für bestimmte (seltene) Modelle sind oft schwer zu bekommen. Darum haben wir bei unseren eigenen Modellen Wert auf zeitlos elegantes Design gelegt, sodass wir auch für ältere Modelle unserer Eigenmarken stetes Ersatz liefern können. Unsere Verkleidungsteile sind aus hochwertigem langlebigen Kunststoff hergestelltDieser Artikel passt bei vielen Modellen, unter anderem für: PGO T-Rex 150, Bitte vergleichen Sie mit ihren Fahrzeugpapieren, gerne können Sie uns eine Email-Anfrage senden, PGO T-Rex 125Dieser Hersteller ist seit vielen Jahren erfolgreich auf dem internationalen Markt. Er hat sich durch Zuverlässigkeit seiner Produkte einen Namen gemacht.Kostenloser Versand   Bei Ersatzteilen für jeden zusätzlichen Artikel mit den gleichen Versandkriterien, den Sie von uns kaufen.Unsere Ersatzteile für ihren Motorroller bzw. Roller oder auch Scooter können Sie bequem online in unserem Shop kaufen. Egal ob sie Ihren Roller im Kaufhaus oder im Baumarkt gekauft haben, für alle gängigen China-, Europa-, oder Taiwan-Roller finden Sie bei uns passende Bauteile, insbesondere für die Motoren 50 cc, 125 cc, 250 ccm, 2takt, 4takt und für größere Leistungen. Speziell für die Motorentypen 164FML ,150QMG ,125-4T6M ,139QMB, 139QMA, JSD139QMB , GY6 ,139FMB ,153FMI, 156FMI ,157QMJ, 158MJ ,1E40QMB, 1E40QMA ,152QMI, 157QMI in kurzen und langen Versionen in den Normen Euro1, Euro2, Euro3 sowie die neuen Euro 4 Einspritzer-Motoren finden Sie Ersatzteile von erstklassiger Qualität. Gerne können Sie auch per Email nach Ersatzteilen anfragen. Bei Bestellwerten über 100 Euro können Sie auch unseren Finanzierungs- bzw. Ratenkauf-Service nutzen. Beim Kauf von Fahrzeugen können wir Ihnen auch ein Leasing-Angebot unterbreiten, das bietet sich insbesondere für Firmen an, die Betriebsfahrzeuge anschaffen, oder ihren Mitarbeitern ein Fahrzeug zur Verfügung stellen. Ihre Anfrage nehmen wir gerne entgegen

Verkaufspreis:
Verfügbar
65,31 € Regulärer Preis: 75,11 €