Zum Hauptinhalt springen Zur Suche springen Zur Hauptnavigation springen
Menü
efr
erf
rrrf
Schnell lieferbar
14 Tage Rückgaberecht
Schneller DPD Versand

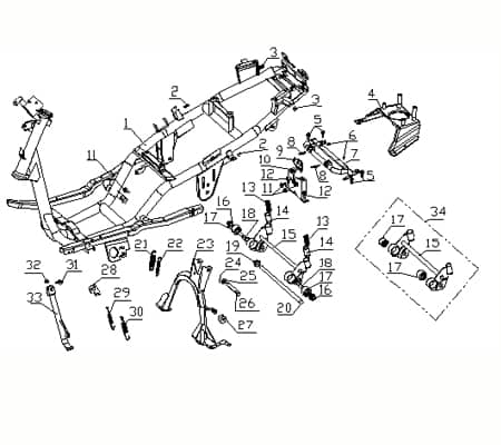
zu Artikel: Feder innen Hauptständer 730253

Technik-Info

Feder

Masseausgleich, Schwingungsdämpfer, Dämpfung, Feder, Abfederung, Ausgleichsfeder

Kostenloser Versand   Bei Ersatzteilen für jeden zusätzlichen Artikel mit den gleichen Versandkriterien, den Sie von uns kaufen.

Unsere Ersatzteile für ihren Scooter bzw. Motorroller oder auch Roller können Sie bequem online in unserem Shop kaufen. Egal ob sie Ihren Roller im Kaufhaus oder im Baumarkt gekauft haben, für alle gängigen Taiwan-, China-, oder Europa-Roller finden Sie bei uns passende Bauteile, insbesondere für die Motoren 50 cc, 125 cc, 250 ccm, 4-Takt, 2-Takt und für größere Leistungen. Speziell für die Motorentypen 139QMB, 139QMA, JSD139QMB ,1E40QMB, 1E40QMA ,153FMI, 156FMI ,157QMJ, 158MJ ,125-4T6M ,152QMI, 157QMI ,150QMG ,139FMB ,164FML , GY6 in kurzen und langen Versionen in den Normen Euro1, Euro2, Euro3 sowie die neuen Euro 4 Einspritzer-Motoren finden Sie Ersatzteile von hoher Qualität. Gerne können Sie auch per Email nach Ersatzteilen anfragen. Bei Bestellwerten über 100 Euro können Sie auch unseren Ratenkauf- bzw. Finanzierungs-Service nutzen. Beim Kauf von Fahrzeugen können wir Ihnen auch ein Leasing-Angebot unterbreiten, das bietet sich insbesondere für Firmen an, die Betriebsfahrzeuge anschaffen, oder ihren Mitarbeitern ein Fahrzeug zur Verfügung stellen. Bitte fragen Sie an.

Hinweise zu: Feder

Baugruppe: Rahmen

Ersatzteil: Hauptständer

Artikelposition in Explosionszeichnung: 22

Motorroller bequem online kaufen – von der Bestellung bis zur Lieferung


Mobiler Home Service – Bundesweit Inspektionen und Reparaturen


Motorroller.de – Über uns – Ihr Support vom Profi seit 1993

Ihr Finanzierungsplan**
Monate Rate mtl. Gesamt
6039,67 €2.380,49 €
12157,59 €1.891,14 €

Einfach im Bestellvorgang die Expokredit-Finanzierung als Zahlungsweise auswählen ...

  • CPI Aragon 50 Club
  • CPI Aragon 50 GP
  • CPI Aragon Club
  • CPI Aragon GP
  • CPI OLIVER 50 CITY Euro 2 12 mm KolbenBolzen
  • CPI Oliver 50 Sport Euro 2 12 mm KolbenBolzen
  • CPI Oliver City
  • Kreidler Vabene 50
  • SMC STM Vabene
Produktgalerie überspringen

Kunden haben sich ebenfalls angesehen

Rabatt
PGO Fußrastenplatte schwarz X-Rider 90 Fußtrittplatte Quad X2468012600 Motorroller.de Fußtrittpaltte ATV X-RIDER 110 UTV Ersatzteil Service Inpektion
PGO Fußrastenplatte schwarz X-Rider 90 Fußtrittplatte Quad X2468012600 Motorroller.de Fußtrittpaltte ATV X-RIDER 110 UTV Ersatzteil Service Inpektion

zu Artikel: Fußrastenplatte links schwarz schwarz (60) X2468012600 Fußrastenplatte links schwarz schwarz (60)Technik-InfoFußrastenplatteFußtrittpaltte, Fußtrittplatte, Fussrastenplatte, FußrastenplatteDieser Artikel passt bei vielen Modellen, unter anderem für: PGO X-Rider 90, Bitte vergleichen Sie mit ihren Fahrzeugpapieren, PGO X-RIDER 110, gerne können Sie uns eine Email-Anfrage senden, motorroller.de ihr Roller-Experte, bundesweiter Home-ServiceDieser Hersteller ist seit vielen Jahren erfolgreich auf dem internationalen Markt. Er hat sich durch Zuverlässigkeit seiner Produkte einen Namen gemacht.Kostenloser Versand   Bei Ersatzteilen für jeden zusätzlichen Artikel mit den gleichen Versandkriterien, den Sie von uns kaufen.Unsere Ersatzteile für ihren Motorroller bzw. Roller oder auch Scooter können Sie bequem online in unserem Shop kaufen. Egal ob sie Ihren Roller im Kaufhaus oder im Baumarkt gekauft haben, für alle gängigen Taiwan-, China-, oder Europa-Roller finden Sie bei uns passende Bauteile, insbesondere für die Motoren 50 cc, 125 cc, 250 ccm, 2-Takt, 4-Takt und für größere Leistungen. Speziell für die Motorentypen 164FML , GY6 ,1E40QMB, 1E40QMA ,139QMB, 139QMA, JSD139QMB ,153FMI, 156FMI ,125-4T6M ,152QMI, 157QMI ,150QMG ,139FMB ,157QMJ, 158MJ in kurzen und langen Versionen in den Normen Euro1, Euro2, Euro3 sowie die neuen Euro 4 Einspritzer-Motoren finden Sie Ersatzteile von hoher Qualität. Gerne können Sie auch per Email nach Ersatzteilen anfragen. Bei Bestellwerten über 100 Euro können Sie auch unseren Finanzierungs- bzw. Ratenkauf-Service nutzen. Beim Kauf von Fahrzeugen können wir Ihnen auch ein Leasing-Angebot unterbreiten, das bietet sich insbesondere für Firmen an, die Betriebsfahrzeuge anschaffen, oder ihren Mitarbeitern ein Fahrzeug zur Verfügung stellen. Ihre Anfrage nehmen wir gerne entgegen

Verkaufspreis:
Verfügbar
44,16 € Regulärer Preis: 50,78 €
Rabatt
SMC Extra 50 T Unterlegscheibe 50ccm 2Takt 97201-071008-B Motorroller.de Distanzhalter U-Scheibe Washer Beilagscheibe Ausgleichsscheibe Mokick Service
SMC Extra 50 T Unterlegscheibe 50ccm 2Takt 97201-071008-B Motorroller.de Distanzhalter U-Scheibe Washer Beilagscheibe Ausgleichsscheibe Mokick Service

zu Artikel: Unterlegscheibe Distanz-Scheibe 97201-071008-B UnterlegscheibeTechnik-InfoUnterlegscheibeUnterlegscheibe, U-Scheibe, Beilagscheibe, Zwischenscheibe, Distanz-Scheibe, Distanzscheibe, Ausgleichsscheibe, Beilegscheibe, Unterlagscheibe, Washer, DistanzhalterUnterlegscheiben werden verwendet, um die Kraft des Schraubenkopfes einer Schraube oder Mutter auf eine größere Fläche zu verteilen. Sie finden aber auch Verwendung als Distanz- oder Abstands-Scheibe.Dieser Artikel passt bei vielen Modellen, unter anderem für: Eppella ECM Kontra T 50 25 km/h, Eppella ECM Extra 50 T 25 km/h, Eppella ECM Extra 50 T 50 km/h, Eppella ECM Kontra T 50 50 km/h, Seit vielen Jahren arbeiten wir mit diesem Hersteller erfolgreich und zuverlässig zusammen. Die Teile haben sich in der Praxis stets bewährt.Erstausrüsterqualität beste Verarbeitung Lagerware günstiger Preis Direktimport sofort versandbereit Kauf vom GroßvertreiberUnsere Ersatzteile für ihren Motorroller bzw. Scooter oder auch Roller können Sie bequem online in unserem Shop kaufen. Egal ob sie Ihren Roller im Kaufhaus oder im Baumarkt gekauft haben, für alle gängigen China-, Taiwan-, oder Europa-Roller finden Sie bei uns passende Bauteile, insbesondere für die Motoren 50 cc, 125 cc, 250 ccm, 2takt, 4takt und für größere Leistungen. Speziell für die Motorentypen 152QMI, 157QMI ,1E40QMB, 1E40QMA ,157QMJ, 158MJ , GY6 ,125-4T6M ,164FML ,153FMI, 156FMI ,139FMB ,139QMB, 139QMA, JSD139QMB ,150QMG in kurzen und langen Versionen in den Normen Euro1, Euro2, Euro3 sowie die neuen Euro 4 Einspritzer-Motoren finden Sie qualitativ erstklassige Ersatzteile. Gerne können Sie auch per Email nach Ersatzteilen anfragen. Bei Bestellwerten über 100 Euro können Sie auch unseren Ratenkauf- bzw. Finanzierungs-Service nutzen. Beim Kauf von Fahrzeugen können wir Ihnen auch ein Leasing-Angebot unterbreiten, das bietet sich insbesondere für Firmen an, die Betriebsfahrzeuge anschaffen, oder ihren Mitarbeitern ein Fahrzeug zur Verfügung stellen. Bitte fragen Sie an.

Verkaufspreis:
Verfügbar
1,69 € Regulärer Preis: 1,94 €
Rabatt
Jinlun Fighter 50 JL50QT 5 Bundschraube 50ccm 4Takt GB-T818-2000-M6X32 Motorroller.de M6x32mm verzinkt Maschinenschraube Flanschschraube Bund-Schraube
Jinlun Fighter 50 JL50QT 5 Bundschraube 50ccm 4Takt GB-T818-2000-M6X32 Motorroller.de M6x32mm verzinkt Maschinenschraube Flanschschraube Bund-Schraube

zu Artikel: Flanschschraube M6 x 32mm verzinkt GB/T818-2000-M6X32 Flanschschraube M6 x 32mm verzinktTechnik-InfoFlanschschraubeMaschinen-Schraube, Maschinenschraube, Bund-Schraube, Flanschschraube, Bundschraube, Schraube, Flansch-SchraubeHier handelt es sich um ein Standard-Ersatzteile in erstklassiger Qualität. Die Teile werden einer ständigen Qualitätssicherung unterzogen, zu Ihrer und unserer Zufriedenheit.Dieser Artikel passt bei vielen Modellen, unter anderem für: Bitte vergleichen Sie mit ihren Fahrzeugpapieren, Jonway Firejet 50, Jinlun Fighter 50Die Ersatzteile dieses Herstellers haben sich seit Jahren im täglichen Einsatz bewährt. Durch beständigen Erfahrungsaustausch wird die Qualität auf ein Maximum angehoben.Erstausrüsterqualität beste Verarbeitung Lagerware günstiger Preis Direktimport sofort versandbereitUnsere Ersatzteile für ihren Roller bzw. Scooter oder auch Motorroller können Sie bequem online in unserem Shop kaufen. Egal ob sie Ihren Roller im Baumarkt oder im Kaufhaus gekauft haben, für alle gängigen China-, Europa-, oder Taiwan-Roller finden Sie bei uns passende Bauteile, insbesondere für die Motoren 50 cc, 125 cc, 250 ccm, 2takt, 4takt und für größere Leistungen. Speziell für die Motorentypen 150QMG ,139FMB ,153FMI, 156FMI ,157QMJ, 158MJ ,1E40QMB, 1E40QMA ,152QMI, 157QMI ,164FML ,125-4T6M ,139QMB, 139QMA, JSD139QMB , GY8 in kurzen und langen Versionen in den Normen Euro1, Euro2, Euro3 sowie die neuen Euro 4 Einspritzer-Motoren finden Sie Ersatzteile von bewährter Qualität. Gerne können Sie auch per Email nach Ersatzteilen anfragen. Bei Bestellwerten über 100 Euro können Sie auch unseren Ratenkauf- bzw. Finanzierungs-Service nutzen. Beim Kauf von Fahrzeugen können wir Ihnen auch ein Leasing-Angebot unterbreiten, das bietet sich insbesondere für Firmen an, die Betriebsfahrzeuge anschaffen, oder ihren Mitarbeitern ein Fahrzeug zur Verfügung stellen. Ihre Anfrage nehmen wir gerne entgegen

Verkaufspreis:
Verfügbar
1,99 € Regulärer Preis: 2,29 €
Rabatt
Adly Lüfterdeckel Fox Plus 50 FP-50 Abdeckhaube 50ccm 2Takt Motorroller.de Kappe Abdeckung Schutz Verkleidung Platte Cover Blende Schutzhaube Scooter
Adly Lüfterdeckel Fox Plus 50 FP-50 Abdeckhaube 50ccm 2Takt Motorroller.de Kappe Abdeckung Schutz Verkleidung Platte Cover Blende Schutzhaube Scooter

zu Artikel: Lüfterdeckel komplett 19670-110-000 Lüfterdeckel komplettTechnik-InfoLüfterdeckelLuefterdeckel, Luefter, Lüfter, LüfterdeckelDieser Artikel passt bei vielen Modellen, unter anderem für: Adly Fox Plus 50, Adly AT 50 PT, ECM Eppella Scoody 50, Bitte vergleichen Sie mit ihren Fahrzeugpapieren, Quer über den Globus hat dieser Hersteller einen guten Namen bezüglich Qualität. Geprüfte beste Erstausrüsterqualität sehr gute Verarbeitung Lagerware günstiger Preis Direktimport sofort versandbereitUnsere Ersatzteile für ihren Motorroller bzw. Roller oder auch Scooter können Sie bequem online in unserem Shop kaufen. Egal ob sie Ihren Roller im Baumarkt oder im Kaufhaus gekauft haben, für alle gängigen Taiwan-, Europa-, oder China-Roller finden Sie bei uns passende Bauteile, insbesondere für die Motoren 50 cc, 125 cc, 250 ccm, 2takt, 4takt und für größere Leistungen. Speziell für die Motorentypen 139QMB, 139QMA, JSD139QMB ,125-4T6M ,164FML ,153FMI, 156FMI ,139FMB ,152QMI, 157QMI ,150QMG ,1E40QMB, 1E40QMA ,157QMJ, 158MJ , GY7 in kurzen und langen Versionen in den Normen Euro1, Euro2, Euro3 sowie die neuen Euro 4 Einspritzer-Motoren finden Sie hochqualitative Ersatzteile. Gerne können Sie auch per Email nach Ersatzteilen anfragen. Bei Bestellwerten über 100 Euro können Sie auch unseren Finanzierungs- bzw. Ratenkauf-Service nutzen. Beim Kauf von Fahrzeugen können wir Ihnen auch ein Leasing-Angebot unterbreiten, das bietet sich insbesondere für Firmen an, die Betriebsfahrzeuge anschaffen, oder ihren Mitarbeitern ein Fahrzeug zur Verfügung stellen. Wir freuen uns auf Ihre Anfrage.

Verkaufspreis:
Verfügbar
19,90 € Regulärer Preis: 22,89 €
Rabatt
Halter Frontverkleidung schwarz (60) P1676100600
Halter Frontverkleidung schwarz (60) P1676100600

zu Artikel: Halter Frontverkleidung schwarz (60) Halter P1676100600 Halter Frontverkleidung schwarz (60)Technik-InfoHalterauch zu finden unter: Halter, Befestigung, Halteblech, Haltebügel, Haltebuegel, Halterung, Halte-Blech, Halte-Bügel, Halte-BuegelOb Halter für Kabel und Schläuche, für Ständer, Auspuff auch Befestigungsbrücken für Gepäckträger sind bei uns Standard-Ersatzteile in erstklassiger Qualität. Die Teile werden einer ständigen Qualitätssicherung unterzogen, zu Ihrer und unserer Zufriedenheit.Dieser Artikel passt bei vielen Modellen, unter anderem für:PGO Big Max 50 PGO Big Max Sport PGO PS 50 Dieser Hersteller ist seit vielen Jahren erfolgreich auf dem internationalen Markt. Er hat sich durch Zuverlässigkeit seiner Produkte einen Namen gemacht.Erstausrüsterqualität sehr gute Verarbeitung Lagerware günstiger Preis Direktimport sofort versandbereitUnsere Ersatzteile für ihren Scooter bzw. Roller oder auch Motorroller können Sie bequem online in unserem Shop kaufen. Egal ob sie Ihren Roller im Kaufhaus oder im Baumarkt gekauft haben, für alle gängigen Taiwan-, China-, oder Europa-Roller finden Sie bei uns passende Bauteile, insbesondere für die Motoren 50 cc, 125 cc, 250 ccm, 4-Takt, 2-Takt und für größere Leistungen. Speziell für die Motorentypen 139QMB, 139QMA, JSD139QMB ,139FMB , GY6 ,152QMI, 157QMI ,1E40QMB, 1E40QMA ,164FML ,157QMJ, 158MJ ,125-4T6M ,150QMG ,153FMI, 156FMI in kurzen und langen Versionen in den Normen Euro1, Euro2, Euro3 sowie die neuen Euro 4 Einspritzer-Motoren finden Sie Ersatzteile von erstklassiger Qualität. Gerne können Sie auch per Email nach Ersatzteilen anfragen. Bei Bestellwerten über 100 Euro können Sie auch unseren Finanzierungs- bzw. Ratenkauf-Service nutzen. Beim Kauf von Fahrzeugen können wir Ihnen auch ein Leasing-Angebot unterbreiten, das bietet sich insbesondere für Firmen an, die Betriebsfahrzeuge anschaffen, oder ihren Mitarbeitern ein Fahrzeug zur Verfügung stellen. Ihre Anfrage nehmen wir gerne entgegen

Verkaufspreis:
Kurzfristig lieferbar
64,25 € Regulärer Preis: 73,89 €
Rabatt
Kreidler STAR Deluxe 4S 125 Zerstäuber 125ccm 4Takt 720101 Motorroller.de 125ccm-4Takt Scooter LML Ersatzteil Service Inpektion Direktimport
Kreidler STAR Deluxe 4S 125 Zerstäuber 125ccm 4Takt 720101 Motorroller.de 125ccm-4Takt Scooter LML Ersatzteil Service Inpektion Direktimport

zu Artikel: Zerstäuber 720101 Technik-Info Zerstäuber Zerstäuber, Zerstäuber 720101 für 125ccm Die Marke Rex ist eine der meistverkauften in Deutschland. Durch ständige Qualitätskontrollen vorort beim Hersteller ist ein hoher Standard gewährleistet. Kostenloser Versand   Bei Ersatzteilen für jeden zusätzlichen Artikel mit den gleichen Versandkriterien, den Sie von uns kaufen. Unsere Ersatzteile für ihren Motorroller bzw. Scooter oder auch Roller können Sie bequem online in unserem Shop kaufen. Egal ob sie Ihren Roller im Kaufhaus oder im Baumarkt gekauft haben, für alle gängigen Europa-, China-, oder Taiwan-Roller finden Sie bei uns passende Bauteile, insbesondere für die Motoren 50 cc, 125 cc, 250 ccm, 4takt, 2takt und für größere Leistungen. Speziell für die Motorentypen 152QMI, 157QMI , GY6 ,125-4T6M ,153FMI, 156FMI ,157QMJ, 158MJ ,139FMB ,164FML ,150QMG ,1E40QMB, 1E40QMA ,139QMB, 139QMA, JSD139QMB in kurzen und langen Versionen in den Normen Euro1, Euro2, Euro3 sowie die neuen Euro 4 Einspritzer-Motoren finden Sie qualitativ hochwertige Ersatzteile. Gerne können Sie auch per Email nach Ersatzteilen anfragen. Bei Bestellwerten über 100 Euro können Sie auch unseren Ratenkauf- bzw. Finanzierungs-Service nutzen. Beim Kauf von Fahrzeugen können wir Ihnen auch ein Leasing-Angebot unterbreiten, das bietet sich insbesondere für Firmen an, die Betriebsfahrzeuge anschaffen, oder ihren Mitarbeitern ein Fahrzeug zur Verfügung stellen. Wir freuen uns auf Ihre Anfrage.

Verkaufspreis:
Nicht verfügbar
19,00 € Regulärer Preis: 21,85 €