Zum Hauptinhalt springen Zur Suche springen Zur Hauptnavigation springen
Menü
efr
erf
rrrf
Schnell lieferbar
14 Tage Rückgaberecht
Schneller DPD Versand

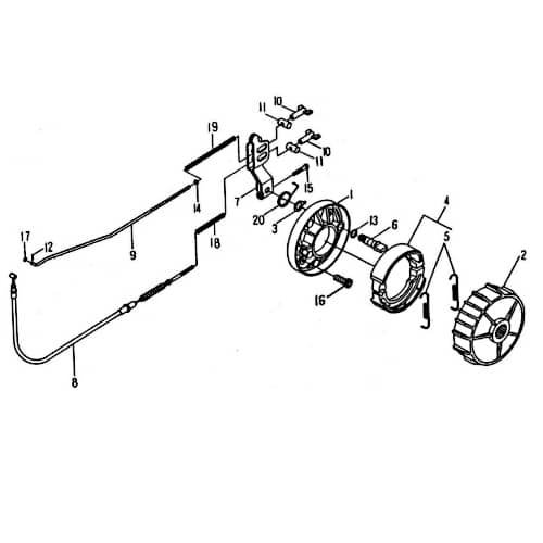
zu Artikel: Feder Bremsbackensatz 99680

Feder Bremsbackensatz

Technik-Info

Feder Bremsbacken

Rückholfeder, Feder, Feder Bremsbacken, Rueckholfeder, Druckfeder

Da Federn ständig wechselnder Belastungen ausgesetzt sind, spielt die "Materialermüdung" hier eine wichtige Rolle. Wir beziehen diese entweder direkt von den Fahrzeugherstellern oder von erfahrenen bewährten Zulieferer.

Die Marke Rex ist eine der meistverkauften in Deutschland. Durch ständige Qualitätskontrollen vorort beim Hersteller ist ein hoher Standard gewährleistet.

Geprüfte Erstausrüsterqualität beste Verarbeitung Best. Ware günstiger Preis Direktimport Kauf 100% ohne Risiko vom Topseller

Unsere Ersatzteile für ihren Scooter bzw. Roller oder auch Motorroller können Sie bequem online in unserem Shop kaufen. Egal ob sie Ihren Roller im Baumarkt oder im Kaufhaus gekauft haben, für alle gängigen China-, Europa-, oder Taiwan-Roller finden Sie bei uns passende Bauteile, insbesondere für die Motoren 50 cc, 125 cc, 250 ccm, 4takt, 2takt und für größere Leistungen. Speziell für die Motorentypen 139QMB, 139QMA, JSD139QMB ,153FMI, 156FMI ,157QMJ, 158MJ ,1E40QMB, 1E40QMA ,164FML ,150QMG ,125-4T6M , GY6 ,152QMI, 157QMI ,139FMB in kurzen und langen Versionen in den Normen Euro1, Euro2, Euro3 sowie die neuen Euro 4 Einspritzer-Motoren finden Sie qualitativ hochwertige Ersatzteile. Gerne können Sie auch per Email nach Ersatzteilen anfragen. Bei Bestellwerten über 100 Euro können Sie auch unseren Finanzierungs- bzw. Ratenkauf-Service nutzen. Beim Kauf von Fahrzeugen können wir Ihnen auch ein Leasing-Angebot unterbreiten, das bietet sich insbesondere für Firmen an, die Betriebsfahrzeuge anschaffen, oder ihren Mitarbeitern ein Fahrzeug zur Verfügung stellen. Bitte fragen Sie an.

Artikelposition in Explosionszeichnung: 5

Baugruppe: Rahmen

Ersatzteil: Bremsbeläge

Motorroller bequem online kaufen – von der Bestellung bis zur Lieferung


Mobiler Home Service – Bundesweit Inspektionen und Reparaturen


Motorroller.de – Über uns – Ihr Support vom Profi seit 1993

Ihr Finanzierungsplan**
Monate Rate mtl. Gesamt
6039,67 €2.380,49 €
12157,59 €1.891,14 €

Einfach im Bestellvorgang die Expokredit-Finanzierung als Zahlungsweise auswählen ...

  • Kreidler F-Kart 170
  • Rex Quad 50
  • SMC STM REX Quad 50
Produktgalerie überspringen

Kunden haben sich ebenfalls angesehen

Rabatt
Adly Bolzen ATV 300 Crossroad Sentinel Zapfen 272ccm 4Takt Motorroller.de Stehbolzen Gewindebolzen Gewindestift Arretierbolzen Stiftschraube Quad UTV
Adly Bolzen ATV 300 Crossroad Sentinel Zapfen 272ccm 4Takt Motorroller.de Stehbolzen Gewindebolzen Gewindestift Arretierbolzen Stiftschraube Quad UTV

zu Artikel: Bolzen 45521-168-000 BolzenTechnik-InfoBolzenArretierbolzen, Zapfen, Stift-Schraube, Gewinde-Bolzen, Steh-Bolzen, Gewinde-Stift, Gewindestift, Gewindebolzen, Bolzen, Stehbolzen, StiftschraubeBolzen sind Standard-Bauteile, an denen oder mit denen andere Fahrzeug- oder Maschinenbauteile befestigt werden. Auch hier ist darauf zu achten, dass die Dimension und die Stahl-Beschaffenheit für die jeweilige Aufgabe / Funktion entsprechend ausgelegt ist. Wir liefern immer die passenden Bolzen in Erstausrüster-Qualität.Dieser Artikel passt bei vielen Modellen, unter anderem für: gerne können Sie uns eine Email-Anfrage senden, motorroller.de ihr Roller-Experte, Adly ATV 150 Sport, Bitte vergleichen Sie mit ihren FahrzeugpapierenQuer über den Globus hat dieser Hersteller einen guten Namen bezüglich Qualität. Kostenloser Versand   Bei Ersatzteilen für jeden zusätzlichen Artikel mit den gleichen Versandkriterien, den Sie von uns kaufen.Unsere Ersatzteile für ihren Roller bzw. Scooter oder auch Motorroller können Sie bequem online in unserem Shop kaufen. Egal ob sie Ihren Roller im Baumarkt oder im Kaufhaus gekauft haben, für alle gängigen China-, Taiwan-, oder Europa-Roller finden Sie bei uns passende Bauteile, insbesondere für die Motoren 50 cc, 125 cc, 250 ccm, 4-Takt, 2-Takt und für größere Leistungen. Speziell für die Motorentypen 139QMB, 139QMA, JSD139QMB ,150QMG ,139FMB , GY6 ,152QMI, 157QMI ,1E40QMB, 1E40QMA ,153FMI, 156FMI ,157QMJ, 158MJ ,125-4T6M ,164FML in kurzen und langen Versionen in den Normen Euro1, Euro2, Euro3 sowie die neuen Euro 4 Einspritzer-Motoren finden Sie qualitativ erstklassige Ersatzteile. Gerne können Sie auch per Email nach Ersatzteilen anfragen. Bei Bestellwerten über 100 Euro können Sie auch unseren Ratenkauf- bzw. Finanzierungs-Service nutzen. Beim Kauf von Fahrzeugen können wir Ihnen auch ein Leasing-Angebot unterbreiten, das bietet sich insbesondere für Firmen an, die Betriebsfahrzeuge anschaffen, oder ihren Mitarbeitern ein Fahrzeug zur Verfügung stellen. Bitte fragen Sie an.

Verkaufspreis:
Kurzfristig lieferbar
2,99 € Regulärer Preis: 3,44 €
Rabatt
Pleuel Kurbelwelle rechts Tongjian Kinderbuggy 40ccm 4Takt Motorroller.de Kolbenstange Pleulstange Kurbelwellenstange 40ccm-4Takt Ersatzteil Service
Pleuel Kurbelwelle rechts Tongjian Kinderbuggy 40ccm 4Takt Motorroller.de Kolbenstange Pleulstange Kurbelwellenstange 40ccm-4Takt Ersatzteil Service

zu Artikel: Simmerring Kurbelwelle rechts 143303010000 Simmerring Kurbelwelle rechtsTechnik-InfoPleulstangeKurbelwellenstange, Kolbenstange, Pleulstange, PleuelDieser Artikel passt bei vielen Modellen, unter anderem für: TBM Kinderbuggy, Eppella ECM Kinderbuggy, Kasea Kinderbuggy, Tongian Kinderbuggy, Twister Kinderbuggy, WangYe KinderbuggySeit Jahrzehnten hat sich dieser Hersteller im internationalen Markt etabliert.Kostenloser Versand   Bei Ersatzteilen für jeden zusätzlichen Artikel mit den gleichen Versandkriterien, den Sie von uns kaufen.Unsere Ersatzteile für ihren Roller bzw. Motorroller oder auch Scooter können Sie bequem online in unserem Shop kaufen. Egal ob sie Ihren Roller im Baumarkt oder im Kaufhaus gekauft haben, für alle gängigen China-, Taiwan-, oder Europa-Roller finden Sie bei uns passende Bauteile, insbesondere für die Motoren 50 cc, 125 cc, 250 ccm, 2takt, 4takt und für größere Leistungen. Speziell für die Motorentypen 1E40QMB, 1E40QMA ,152QMI, 157QMI ,150QMG ,164FML ,139QMB, 139QMA, JSD139QMB , GY6 ,125-4T6M ,153FMI, 156FMI ,157QMJ, 158MJ ,139FMB in kurzen und langen Versionen in den Normen Euro1, Euro2, Euro3 sowie die neuen Euro 4 Einspritzer-Motoren finden Sie qualitativ erstklassige Ersatzteile. Gerne können Sie auch per Email nach Ersatzteilen anfragen. Bei Bestellwerten über 100 Euro können Sie auch unseren Finanzierungs- bzw. Ratenkauf-Service nutzen. Beim Kauf von Fahrzeugen können wir Ihnen auch ein Leasing-Angebot unterbreiten, das bietet sich insbesondere für Firmen an, die Betriebsfahrzeuge anschaffen, oder ihren Mitarbeitern ein Fahrzeug zur Verfügung stellen. Ihre Anfrage nehmen wir gerne entgegen

Verkaufspreis:
Verfügbar
15,08 € Regulärer Preis: 17,34 €
Rabatt
SMC Chopper 125 Seitenständerfeder 125ccm 4Takt 97506-26055-B Motorroller.de Rückholfeder Scooter Ersatzteil Service Inpektion Direktimport
SMC Chopper 125 Seitenständerfeder 125ccm 4Takt 97506-26055-B Motorroller.de Rückholfeder Scooter Ersatzteil Service Inpektion Direktimport

zu Artikel: Seitenständerfeder, außen 97506-26055-B Seitenständerfeder, außenTechnik-InfoSeitenständerfederRückholfeder, Zugfeder, Seitenständerfeder, SeitenstaenderfederDieser Artikel passt bei vielen Modellen, unter anderem für: Access Crap, Aprilia Dorsoduro 1200, Bitte vergleichen Sie mit ihren Fahrzeugpapieren, gerne können Sie uns eine Email-Anfrage senden, motorroller.de ihr Roller-Experte, bundesweiter Home-ServiceSeit vielen Jahren arbeiten wir mit diesem Hersteller erfolgreich und zuverlässig zusammen. Die Teile haben sich in der Praxis stets bewährt.Geprüfte Erstausrüsterqualität sehr gute Verarbeitung Lagerware günstiger Preis Direktimport sofort versandbereitUnsere Ersatzteile für ihren Roller bzw. Scooter oder auch Motorroller können Sie bequem online in unserem Shop kaufen. Egal ob sie Ihren Roller im Kaufhaus oder im Baumarkt gekauft haben, für alle gängigen Taiwan-, Europa-, oder China-Roller finden Sie bei uns passende Bauteile, insbesondere für die Motoren 50 cc, 125 cc, 250 ccm, 2-Takt, 4-Takt und für größere Leistungen. Speziell für die Motorentypen 139QMB, 139QMA, JSD139QMB ,157QMJ, 158MJ , GY6 ,1E40QMB, 1E40QMA ,150QMG ,153FMI, 156FMI ,125-4T6M ,164FML ,152QMI, 157QMI ,139FMB in kurzen und langen Versionen in den Normen Euro1, Euro2, Euro3 sowie die neuen Euro 4 Einspritzer-Motoren finden Sie qualitativ hochwertige Ersatzteile. Gerne können Sie auch per Email nach Ersatzteilen anfragen. Bei Bestellwerten über 100 Euro können Sie auch unseren Ratenkauf- bzw. Finanzierungs-Service nutzen. Beim Kauf von Fahrzeugen können wir Ihnen auch ein Leasing-Angebot unterbreiten, das bietet sich insbesondere für Firmen an, die Betriebsfahrzeuge anschaffen, oder ihren Mitarbeitern ein Fahrzeug zur Verfügung stellen. Bitte fragen Sie an.

Verkaufspreis:
Nicht verfügbar
1,99 € Regulärer Preis: 2,29 €
Rabatt
Ablassschraube M12 Tongjian Buggy 150ccm 4Takt Motorroller.de Motorölablassschraube 150ccm-4Takt Strassenbuggy 150 III Ersatzteil Service Inpektion
Ablassschraube M12 Tongjian Buggy 150ccm 4Takt Motorroller.de Motorölablassschraube 150ccm-4Takt Strassenbuggy 150 III Ersatzteil Service Inpektion

zu Artikel: Ablass schraube M12 M150-1003018 Ablass schraube M12Technik-InfoAblassschraubeOel-Ablassschraube, Ablass-Schraube, Motorölablassschraube, Motoroelablassschraube, Ablassschraube, Öl-AblassschraubeAblassschrauben werden gebraucht um Öl oder andere Flüssigkeiten aus dem Fahrzeug abzulassen, damit diese dann durch neue ersetzt werden können.Dieser Artikel passt bei vielen Modellen, unter anderem für: Eppella ECM Buggy 150, TBM Straßenbuggy 150 II, TBM Straßenbuggy 150 III, TBM Buggy 150, TBM Straßenbuggy 150 I, Eppella ECM Straßenbuggy 150 II, Eppella ECM Straßenbuggy 150 III, Eppella ECM Straßenbuggy 150 I, Tongjiang Buggy 150, Tongjiang Straßenbuggy 150 I, Tongjiang Straßenbuggy 150 II, Tongjiang Straßenbuggy 150 III, Twister Hammerhead 150, Twister Hammerhead 150 I, Twister Hammerhead 150 IISeit Jahrzehnten hat sich dieser Hersteller im internationalen Markt etabliert.Kostenloser Versand   Bei Ersatzteilen für jeden zusätzlichen Artikel mit den gleichen Versandkriterien, den Sie von uns kaufen.Unsere Ersatzteile für ihren Motorroller bzw. Roller oder auch Scooter können Sie bequem online in unserem Shop kaufen. Egal ob sie Ihren Roller im Kaufhaus oder im Baumarkt gekauft haben, für alle gängigen China-, Taiwan-, oder Europa-Roller finden Sie bei uns passende Bauteile, insbesondere für die Motoren 50 cc, 125 cc, 250 ccm, 2takt, 4takt und für größere Leistungen. Speziell für die Motorentypen GY6 ,125-4T6M ,139QMB, 139QMA, JSD139QMB ,153FMI, 156FMI ,139FMB ,152QMI, 157QMI ,150QMG ,1E40QMB, 1E40QMA ,157QMJ, 158MJ ,164FML in kurzen und langen Versionen in den Normen Euro1, Euro2, Euro3 sowie die neuen Euro 4 Einspritzer-Motoren finden Sie Ersatzteile von hoher Qualität. Gerne können Sie auch per Email nach Ersatzteilen anfragen. Bei Bestellwerten über 100 Euro können Sie auch unseren Finanzierungs- bzw. Ratenkauf-Service nutzen. Beim Kauf von Fahrzeugen können wir Ihnen auch ein Leasing-Angebot unterbreiten, das bietet sich insbesondere für Firmen an, die Betriebsfahrzeuge anschaffen, oder ihren Mitarbeitern ein Fahrzeug zur Verfügung stellen. Wir freuen uns auf Ihre Anfrage.

Verkaufspreis:
Kurzfristig lieferbar
2,97 € Regulärer Preis: 3,42 €
Rabatt
PGO Galaxy 50 Frontverkleidung schwarz Frontschürze Roller 50ccm 2Takt E9631000600 Motorroller.de Frontmaske Front-Cover Lenkerverkleidung Dekorblende
PGO Galaxy 50 Frontverkleidung schwarz Frontschürze Roller 50ccm 2Takt E9631000600 Motorroller.de Frontmaske Front-Cover Lenkerverkleidung Dekorblende

zu Artikel: Frontverkleidung Unterteil schwarz (60)FrontverkleidungFrontverkleidung Unterteil schwarz (60)Technik-InfoDer Artikel: FrontverkleidungFrontschuerze, Dekorblende, Frontteil, Frontabdeckung, Front-Verkleidung, Front-Cover, Front-Schürze, Front-Schuerze, Verkleidung vorn, Verkleidung-vorn, Windschild, Windschutz, Windschutzscheibe, Windscheibe, Windschutz-Verkleidung, Frontschild, Wetterschild, Wetterschutz, Regenschutz, Windabweiser, Schutzschild, Frontmaske, Lenkerverkleidung, Scheinwerferverkleidung, Frontverkleidung, Frontcover, Frontschürze Verkleidungsteile für bestimmte (seltene) Modelle sind oft schwer zu bekommen. Darum haben wir bei unseren eigenen Modellen Wert auf zeitlos elegantes Design gelegt, sodass wir auch für ältere Modelle unserer Eigenmarken stetes Ersatz liefern können. Unsere Verkleidungsteile sind aus hochwertigem langlebigen Kunststoff hergestelltDieser Hersteller ist seit vielen Jahren erfolgreich auf dem internationalen Markt. Er hat sich durch Zuverlässigkeit seiner Produkte einen Namen gemacht.Erstausrüsterqualität beste Verarbeitung Lagerware günstiger Preis da Direktimport sofort versandbereitUnsere Ersatzteile für ihren Scooter bzw. Motorroller oder auch Roller können Sie bequem online in unserem Shop kaufen. Egal ob sie Ihren Roller im Kaufhaus oder im Baumarkt gekauft haben, für alle gängigen Europa-, China-, oder Taiwan-Roller finden Sie bei uns passende Bauteile, insbesondere für die Motoren 50 cc, 125 cc, 250 ccm, 2takt, 4takt und für größere Leistungen. Speziell für die Motorentypen 152QMI, 157QMI , GY6 ,125-4T6M ,164FML ,153FMI, 156FMI ,139FMB ,139QMB, 139QMA, JSD139QMB ,150QMG ,1E40QMB, 1E40QMA ,157QMJ, 158MJ in kurzen und langen Versionen in den Normen Euro1, Euro2, Euro3 sowie die neuen Euro 4 Einspritzer-Motoren finden Sie qualitativ hochwertige Ersatzteile. Gerne können Sie auch per Email nach Ersatzteilen anfragen. Bei Bestellwerten über 100 Euro können Sie auch unseren Finanzierungs- bzw. Ratenkauf-Service nutzen. Beim Kauf von Fahrzeugen können wir Ihnen auch ein Leasing-Angebot unterbreiten, das bietet sich insbesondere für Firmen an, die Betriebsfahrzeuge anschaffen, oder ihren Mitarbeitern ein Fahrzeug zur Verfügung stellen. Ihre Anfrage nehmen wir gerne entgegen Soll das schadhafte Teil repariert oder gleich getauscht werden?Wird mal irgendetwas am Roller schadhaft, dann hat man im Prinzip die Wahl zwischen instand setzen oder Austauschen. Da ist es unerheblich, ob es sich dabei um einen gleichgültig, ob sich um einen 3-Rad Roller, Elektroroller bzw. E-Roller oder Motorroller handelt. Ein neues Bauteil, welches vergleichsweise problemlos ersetzt werden kann, ist nicht bloß preisgünstiger, sondern bietet außerdem eine deutlich höhere Funktionssicherheit als bei einer Reparatur. Meistens kann nur eine kompetente Fachwerkstatt den Fehler auf Anhieb ermitteln. Dann wäre es vorteilhafter, über unseren Online-Shop eines der einbaufertigen Komplett-Kits zu ordern, die wir für zahlreiche diverse Modelle anbieten. .Qualität ist unsere DeviseDie Qualität all unserer Bauteile entspricht dem Weltmarktniveau. Wir können lediglich deswegen so günstig sein, weil wir unsere Ersatzteile in genügend großen Mengen einkaufen. Diese zwei Punkte, nämlich auf der einen Seite die gute Qualität und zum anderen der bezahlbare Preis heben uns hauptsächlich von unseren Konkurrenten ab.Wir führen sogar für die häufigsten Roller, Quads und Buggys die Bauteile, die gar nicht mehr hergestellt werden. Zum Beispiel haben wir alle Einbauteile für die Marken Sundiro und Eppella nach wie vor verfügbar.Sie erhalten bei uns natürlich auch die Originalteile vom Fahrzeughersteller. Falls Sie allerdings Geld sparen wollen [und wer möchte das nicht], sollten Sie auf unsere Nachbauten zurückgreifen, welche übrigens einen qualitativen Vergleich mit dem Erstausrüster- Produkt nicht zu scheuen brauchen, obwohl sie allgemein bedeutend preisgünstiger sind. Unsere Teile ermöglichen es Ihnen, einerseits die Instandsetzung Ihres Rollers selber durchführen oder auf der anderen Seite auch in einer Werkstatt ausführen zu lassen. Sicherlich gibt es keine bessere Alternative, in Verbindung mit der Instandsetzung Ihres fahrbaren Untersatzes, um Ihren Geldbeutel zu schonen.Bilder erleichtern das Ordern der passenden ErsatzteileBei den Erläuterungen finden Sie in unserem Online Shop auch entsprechendes Bildmaterial. Dadurch können Sie auf schnellstem Weg Ihr defektes Element mit dem verfügbaren Ersatz vergleichen und gehen somit sicher, dass Sie hernach auch tatsächlich den richtigen Artikel bekommen. Von Bedeutung dabei ist, dass Ihre Bestellung in den technischen Spezifikationen und Maßen als auch visuell mit dem defekten Austauschteil übereinstimmt.Ihre Vorteile:hundertprozentige Fahrsicherheit des Motorrollers, vor allem bei BremsanlagenEinbauelemente und Zubehör für ungefähr 250 Marken und 8500 Typen auf LagerSie zahlen beim Ordern mehrerer Komponenten mit identischen Versandfaktoren nur einmal den VersandRoller-AnkaufSie bekommen von uns ohne Ausnahme die Erstausrüster-Qualität - auch bei günstigen NachbautenWir holen und bringen Ihren RollerDank unserer "Geld zurück" - Garantie kaufen Sie ohne RisikoKurzfristige LieferzeitenISO-zertifizierte PräzisionsfertigungAlle unsere Erzeugnisse sind kostengünstig, langlebig sowie zuverlässigRoller, Straßenbuggys, Quads und Fun-Fahrzeuge kauft man am besten in einem Fachbetrieb wie den unsrigen. Weswegen sollten Sie sich an uns wenden? Da wir dank unserer jahrzehntelangen Erfahrung das notwendige Know-how für diesen Geschäftsbereich besitzen, können wir Ihnen einen optimalen Service bieten. Wir als Familienbetrieb leben das Geschäft in Verbindung mit Motorrollern richtiggehend.Zumal Kaufen auch Vertrauenssache ist, sollte man sich demnach das bevorzugte Fachgeschäft zuerst genau angucken, bei dem man vorhat ein motorisiertes Zweirad zu kaufen. Alles ist in unserem Betrieb transparent und für den Kunden einleuchtend! Warum kommen Sie nicht mal bei uns vorbei, um sich persönlich zu informieren?Den Beleg unserer Qualität sehen Sie dann direkt vor Ort.Vermutlich ist Ihnen der Weg zu uns zu weit. Dann haben Sie auch die Option, durch das Trustedshops-Siegels und die unterschiedlichen Ebay Bewertungen Informationen über uns einzuholen. Unsere Internetseite Motorroller.de wird z.B. von Trustshops als "sehr gut" beurteilt. Das betrifft sowohl unseren Internetshop als auch unsere Geschäftspraktiken. Über diese Beurteilung sind wir mit Fug und Recht sehr Stolz. Der Faktor von zirka 99,9 % bei Ebay in den Käuferrezensionen kann sich ebenfalls sehen lassen. All diese Ergebnisse lassen nur einen einzigen Schluss zu: Wir legen uns in allen Belangen stets mächtig ins Zeug!Bedenken Sie aber: Wir sind auch bloß Menschen, die mitunter Fehler machen. Wenn also etwas nicht zu Ihrer Zufriedenheit geklappt hat, bitten wir Sie, uns die Möglichkeit zu geben, die Sache in Ordnung zu bringen.Unser Fachgeschäft hat für Sie geöffnet: täglich von 8:00 - 18:00 Uhr, samstags von 9:00 - 13:00 Uhr.Die Fakten unseres UnternehmensEs liegt uns sehr viel an der Zufriedenstellung unserer Kundschaft. Mehr als 25 Jahre sind wir mit Erfolg im Fahrzeuggeschäft tätig, wobei wir uns hingegen schon vor über fünfzig Jahren auf dem Gebiet des Maschinenbaus Erfolg versprechend etabliert haben. Unser Fokus ist inzwischen auf den Vertrieb von Zubehör, Einbauteilen und das "Nice-to-have" zur Steigerung der Motorleistung für die meist gefahrenen Roller ausgerichtet.Unsere Produktpalette schließt ca. 500.000 tag=203#Einbauteile einBei Motorroller.de finden Sie nahezu alle Teile und Roller aus Europa und Asien. Wir haben Artikel, Ersatzteile und passendes Zubehör für zirka 8500 Modelle und 250 Marken für Sie auf Lager. Kreidler, Jonway, Adly Yamaha oder zählen beispielsweise zu unseren Produzenten, mit denen wir schon jahrelang zusammenarbeiten. Auf einer Lagerfläche von über 1.000 m² haben wir in unserem Hochregallager mehr als 500.000 Produkte diverser Hersteller lieferbar. Unser Zubehörlager bietet folglich alles, was Sie als Rollerfahrer für Ihren fahrbaren Untersatz brauchen.Das beginnt bei den Regensets, Handschuhen und Nierengürteln, und geht bis hin zum Top Case über die Windschilder und den Schutzhelmen.Selbst Tuningfans kommen bei uns nicht zu kurz. Sie finden in unserem Tuningbereich alles was das Herz begehrt, wie z.B. Zylinder, Kolben, Auspuffanlagen und weitere Dinge.Was passiert nach erfolgter Produktion?Durchgehende Qualitätskontrollen sind die Passion unseres Hauses. Anders ausgedrückt, bevor ein Motorroller ausgeliefert respektive vom Kunden abgeholt wird, begutachten wir ihn letztlich nochmals auf Herz und Nieren. Wir packen zuallererst jedes Fahrzeug nach der Ankunft in unserem Haus aus und unterziehen es auf unserem computergesteuerten Prüfstand einem Probelauf. Ein letzter Funktionstest erfolgt dann bei der Übergabe an den Kunden. Dadurch ist garantiert, dass der Roller sich de facto in einem einwandfreien Zustand befindet und den Käufer hundertprozentig zufriedenstellt.UmweltschutzWir bemühen uns besonders um den Schutz unserer Umwelt. Zur Reinerhaltung der Luft haben unsere Motorroller allesamt Verbrennungsmotoren, die überaus Treibstoff sparend laufen. Natürlich nehmen wir im Sinne des Umweltschutzes die Transportverpackung wieder mit, die bei der Anlieferung unserer Fahrzeuge anfällt und führen sie einer fachgemäßen Müll-Entsorgung zu.Wir nehmen Ihren Motorroller in ZahlungNach dem Kauf eines neuen Motorrollers aus unserem Sortiment wollen Sie sich von Ihrem ausgedienten Fahrzeug trennen? Keine Sorge! Wir nehmen Ihren alten Roller gerne in Zahlung.Nach wie vor skeptisch?Geben Sie uns doch die Gelegenheit, unsere Leistungen zu beweisen. Im Vergleich zu den billigen Online-Shops, die schon nach kurzer Zeit wieder weg sind, können wir auf eine langjährige Firmentradition zurück blicken. Die solide Ausgangsbasis für einen erfolgreichen Betrieb besteht darin, dass bloß mittels fortschrittlicher Innovationen und neuer Ideen ein nachhaltiges Wachstum garantiert werden kann. Somit stehen Anpassung an neue Technologien und ständiges Lernen in unserem stetig expandierenden Unternehmen fortwährend in der Rangordnung ganz oben. Überzeugen Sie sich persönlich von unserem vorzüglichen Kundenservice und besuchen Sie uns in unserem Unternehmen in Lindenfels-Eulsbach.Unsere Firma ist mühelos zu findenLindenfels liegt im Regierungsbezirk Darmstadt, und zwar 40 km nordöstlich von Mannheim bzw. etwa 60 km im Süden von Frankfurt am Main. Sie fahren am besten von Norden her über die A6, während Sie aus südlicher Richtung die A8 nehmen. Logischerweise kann man auch völlig bequem mit der Bahn hinfahren.Unsere TopmarkenUnsere Topmarken

Verkaufspreis:
Verfügbar
49,90 € Regulärer Preis: 57,39 €
Rabatt
CPI Aragon 50 GP Tankabdeckung Tank-Cover 50ccm 2Takt 730359 Motorroller.de Tankdeckel-Abdeckung Tankverkleidung Tank-Abdeckung Tankdeckelverkleidung
CPI Aragon 50 GP Tankabdeckung Tank-Cover 50ccm 2Takt 730359 Motorroller.de Tankdeckel-Abdeckung Tankverkleidung Tank-Abdeckung Tankdeckelverkleidung

zu Artikel: TankverkleidungTankabdeckungTechnik-InfoTankverkleidungTankabdeckung, Benzintankabdeckung, Tankverkleidung, Tankstutzenverkleidung, Tankeinfüllverkleidung, Tankeinfuellverkleidung, Benzintank-Abdeckung, Tank-Verkleidung, Tank-Abdeckung, Tankdeckelverkleidung, Tank-Deckel, Tankdeckel-Abdeckung, Abdeckung Tankverschluss, Tank-Cover, Abdeckung-Tank, Verkleidung-Tank Verkleidungsteile für bestimmte (seltene) Modelle sind oft schwer zu bekommen. Darum haben wir bei unseren eigenen Modellen Wert auf zeitlos elegantes Design gelegt, sodass wir auch für ältere Modelle unserer Eigenmarken stetes Ersatz liefern können. Unsere Verkleidungsteile sind aus hochwertigem langlebigen Kunststoff hergestelltDie Marke Rex ist eine der meistverkauften in Deutschland. Durch ständige Qualitätskontrollen vorort beim Hersteller ist ein hoher Standard gewährleistet.Kostenloser Versand   Bei Ersatzteilen für jeden zusätzlichen Artikel mit den gleichen Versandkriterien, den Sie von uns kaufen.Unsere Ersatzteile für ihren Motorroller bzw. Scooter oder auch Roller können Sie bequem online in unserem Shop kaufen. Egal ob sie Ihren Roller im Kaufhaus oder im Baumarkt gekauft haben, für alle gängigen Europa-, Taiwan-, oder China-Roller finden Sie bei uns passende Bauteile, insbesondere für die Motoren 50 cc, 125 cc, 250 ccm, 2takt, 4takt und für größere Leistungen. Speziell für die Motorentypen 152QMI, 157QMI ,1E40QMB, 1E40QMA ,139QMB, 139QMA, JSD139QMB ,157QMJ, 158MJ ,125-4T6M ,150QMG ,153FMI, 156FMI ,139FMB , GY6 ,164FML in kurzen und langen Versionen in den Normen Euro1, Euro2, Euro3 sowie die neuen Euro 4 Einspritzer-Motoren finden Sie Ersatzteile von bewährter Qualität. Gerne können Sie auch per Email nach Ersatzteilen anfragen. Bei Bestellwerten über 100 Euro können Sie auch unseren Ratenkauf- bzw. Finanzierungs-Service nutzen. Beim Kauf von Fahrzeugen können wir Ihnen auch ein Leasing-Angebot unterbreiten, das bietet sich insbesondere für Firmen an, die Betriebsfahrzeuge anschaffen, oder ihren Mitarbeitern ein Fahrzeug zur Verfügung stellen. Bitte fragen Sie an. Tauschen oder reparieren - was ist die vernünftigere Option?Gleichgültig, ob jemand einen Dreirad-Roller, Elektroroller bzw. E-Roller oder Motorroller fährt, er stellt sich zweifellos immer wieder die Frage, ob sie ein schadhaftes Element tauschen oder reparieren lassen sollen. Ein weiterer Aspekt ist, dass ein neues Teil nicht nur kostengünstiger ist als eine Instandsetzung, sondern anschließend auch eine bedeutend größere Funktionssicherheit bietet. Bisweilen kann man die Ursache für eine Funktionsstörung nicht sofort selber ermitteln und ein qualifizierter Fachmann muss ermitteln, wieso der Roller nicht richtig läuft. Auf der anderen Seite gibt es auch die Möglichkeit, sich für eines der fertigen Einbau-Kits zu entscheiden, welche wir für viele unterschiedliche Fabrikate anbieten. .Wir liefern nur QualitätsprodukteDie Qualität unserer Komponenten braucht keine Mitbewerber auf dem Weltmarkt zu befürchten. Warum sind wir trotz hoher Qualität so günstig? Wir kalkulieren nicht lediglich unsere Preise sehr moderat, sondern wir kaufen auch in wirtschaftlich sinnvollen Produktmengen ein. Sämtliche lieferbaren Teile für Ihren fahrbaren Untersatz kriegen Sie bei uns sowohl in guter Qualität als auch für einen Preis, der keine Wünsche offen lässt.Wir führen sogar für die häufigsten Roller, Quads und Buggys die Bauteile, welche gar nicht mehr hergestellt werden. Z.B. haben wir alle Ersatzteile für die Marken Eppella und Sundiro nach wie vor vorrätig.Wir haben natürlich auch die Originalteile einer Menge Rollerhersteller auf Lager, obwohl unsere Nachbauten mit den Originalen qualitativ ohne weiteres mithalten können und dennoch vom Preis her in der Regel um einiges kostengünstiger sind. Ganz egal, ob Sie die Instandsetzung Ihres Zweirads selbst ausführen wollen oder lieber in einer Fachwerkstätte machen lassen möchten, mit Sicherheit liegen Sie mit unseren Ersatzteilen vollkommen richtig. Höchstwahrscheinlich finden Sie keine andere Alternative, im Zusammenhang mit der Reparatur Ihres Motorrollers, um einiges an Geld zu sparen.Produktbilder erleichtern das Auffinden der benötigten BauteileAnhand des anschaulichen Bildmaterials können Sie Ihr defektes Teil ganz leicht mit dem lieferbaren Ersatz vergleichen, damit Sie auch de facto das gewünschte Produkt bekommen. Achten Sie bitte vor allem auf die Übereinstimmung des alten Elements mit dem abgebildeten Artikel; insbesondere was die aufgeführten Maße und Spezifikationen angeht.Was Sie davon haben:ISO-zertifizierte Präzisionsfertigung nach DIN-Normhundertprozentige Verkehrssicherheit des Rollers, besonders bei den BremsenSie erhalten von uns ausnahmslos die Erstausrüster-Qualität - auch bei günstigen NachbautenWir holen und bringen Ihren RollerWir kaufen Ihren MotorrollerUnser Lager umfasst Komponenten und Artikel für ca. 250 Marken und 8500 ModelleKurzfristige LieferzeitenSie bezahlen bei Bestellung mehrerer Ersatzteile mit denselben Versandbedingungen nur einmal VersandkostenUnsere sämtlichen Teile sind langlebig, kostengünstig sowie zuverlässigKauf ohne Risiko durch "Geld zurück" - GarantieGanz gleich, ob Sie einen Motorroller, ein Fun Fahrzeug, einen Straßenbuggy oder ein Quad erwerben möchten. Wir sind dafür der Fachhändler Ihres Vertrauens. Welchen Vorteil haben Sie von unserem Service? Weil wir uns in diesem Geschäftsfeld bereits seit Jahrzehnten etabliert haben und Sie dementsprechend von unserer gewonnenen Erfahrung profitieren können. Wir betreiben nicht nur unser Geschäft rund um die Motorroller, wir leben es richtiggehend.Es ist wichtig, sich das Fachgeschäft daher zuerst genau anzusehen, bevor man sich für einen Kauf entscheidet. in unserem Geschäft ist alles hundertprozentig transparent! Gerne können Sie uns im Ladengeschäft besuchen, um sich über uns selber ein Bild zu machen.Sie sehen dann die Bestätigung unserer Qualität praktisch mit eigenen Augen.Wenn Ihnen die Entfernung zu uns zu weit ist, können Sie sich auch durch die verschiedenen Ebay Bewertungen und des Trustedshops-Siegels kundig machen. Sowohl unsere Geschäftspraxis als auch unser Internet-Shop werden beispielsweise mit dem Trustedshops Gütesiegel "sehr gut" beurteilt. Der Wert von ca. 99,9 Prozent bei Ebay in den Käuferrezensionen kann sich genauso sehen lassen. Belegen diese Resultate nicht eindeutig, dass unsere Kunden bestens bei uns aufgehoben sind?Bedenken Sie aber, dass dort wo gearbeitet wird, auch Fehler passieren. Seien Sie deswegen nicht gleich ärgerlich, für den Fall, dass mal etwas nicht hundertprozentig geklappt hat, sondern geben Sie uns die Chance, unseren Fehler wieder gut zu machen.Unsere kompetenten Mitarbeiter sind täglich von 8:00 - 18:00 Uhr und samstags von 9:00 - 13:00 für Sie da.Wer sind wir?Wir haben uns die Zufriedenheit unserer Kunden auf die Fahne geschrieben. Den Handel mit Fahrzeugen betreiben wir mit Erfolg bereits seit über 25 Jahren, wollen dabei andererseits nicht unerwähnt lassen, dass wir schon mehr als 5 Jahrzehnte auf eine Erfolgsgeschichte auf dem Gebiet des Maschinenbaus verweisen können. Unser Brennpunkt ist mittlerweile auf den Verkauf von Zubehör, das "Must have" zur Leistungssteigerung und Einbauteile für die meisten Roller ausgerichtet.Wir können kurzfristig über 500.000 Einbauteile liefernWenn Sie zu Ihrem Zweirad eine Komponente suchen, werden Sie auf unserer Website unter Motorroller.de bestimmt fündig. Es gibt inzwischen Artikel, Teile und passendes Zubehör für circa 8500 Typen und 250 Marken in unserem Auslieferungslager, die auf Ihre Bestellung warten. Darunter sind zum Beispiel Lieferanten wie Yamaha, Kreidler, Jonway oder Adly zu finden. Auf einer Lagerfläche von über 1.000 m² haben wir in unseren Hochregalen mehr als 500.000 Produkte verschiedener Produzenten sofort lieferbar. Hier finden Sie immer das gewünschte Zubehör für Ihren Motorroller von A bis Z.Das beginnt beim Top Case über die Windschilder und den Sturzhelmen, und geht bis hin zu Regensets, Nierengürteln und Handschuhen.In unserem Tuningbereich halten wir für alle sportlichen Fahrer gleichfalls einige ausgewählte Produkte bereit. Dazu zählen etwa Auspuffanlagen, Kolben, Zylinder und weitere Dinge.Was passiert nach erfolgter Produktion?Absolute Qualitätskontrolle ist unsere Passion. Das heißt, ehe ein Roller ausgeliefert respektive vom Kunden abgeholt wird, checken wir ihn zum Schluss nochmals ausführlich auf eventuelle Mängel oder Transportschäden. Das erste Mal geschieht dies vor dem Versand, indem wir jeden Motorroller auspacken und auf unserem computergesteuerten Zweirad-Prüfstand einem Testlauf respektive einer Übergabeinspektion unterziehen. Sofort nach der Lieferung zum Käufer wird dann das Fahrzeug schließlich nochmals auf perfekte Funktion gecheckt, sodass wirklich garantiert ist, dass der Kunde ein absolut korrektes Gefährt erhält.UmweltschutzWir tragen zum Umweltschutz bei. Unsere motorisierten Zweiräder verfügen zum einen allesamt über einen effizienten Motor. Um unsere Umwelt außerdem zu schonen und eine fachgemäße Abfallentsorgung zu garantieren, nehmen wir die Transportverpackung wieder mit, die bei der Anlieferung unserer Motorroller anfällt.Roller-AnkaufSie haben einen neuen Roller bei uns erworben und möchten Ihren ausgedienten fahrbaren Untersatz loswerden? Zerbrechen Sie sich darüber nicht den Kopf! Wir nehmen Ihren gebrauchten Motorroller gerne in Zahlung.Sie sind immer noch nicht überzeugt?Dann würden wir uns darüber freuen, wenn Sie uns die Möglichkeit geben, unsere Leistungen unter Beweis stellen zu dürfen. Im Gegensatz zu den billigen Internet-Shops, welche schnell wieder von der Bildfläche verschwinden, können wir auf eine jahrelange Firmentradition zurück blicken. Es ist uns bekannt, dass sich lediglich mittels fortschrittlicher Innovationen und neuer Ideen die Ausgangsbasis für eine effektive geschäftliche Tätigkeit legen lässt. Besuchen Sie uns doch einmal in unserem Unternehmen in Lindenfels-Eulsbach und überzeugen Sie sich selber von unserem vortrefflichen Service.Wie kommen Sie am besten zu uns nach Lindenfels?Sofern Sie über die Autobahn mit dem eigenen PKW kommen, führt die Strecke nach Lindenfels entweder über Mannheim (A8) oder über Frankfurt/Main (A6). Der Ort liegt im Regierungsbezirk Darmstadt. Logischerweise kann man auch völlig bequem mit der Bahn anreisen.Unsere TopmarkenUnsere Topmarken

Verkaufspreis:
Nicht verfügbar
9,39 € Regulärer Preis: 10,80 €