Ersatzteile für Motorroller Daelim Delfino 125 125Ccm 4Takt bei Motorroller.de
- Motorroller
- Motorrad
-
Elektrofahrzeuge
- E-Roller
- E-Bikes
-
Ersatzteile E-Bikes
- HLS I
- HLS II
- Panterra ED2ex
- TX TranzX
- Panterra ED3
- E-Silentio
-
TranzX
- Alle 2014-er M25 - Modelle
- Alle 2014-er M25 - Modelle (NICHT AGT!!)
- Alle Modelle (ohne Malente)
- Alle TranzX 36V Modelle
- Alle TranzX Modelle
- Cremona
- e Urban 3.1
- e Urban 5.8
- Eagle
- Lucca
- Lucca AGT
- Malente ab 2012
- Malente bis 2011
- Modell Emden
- Modell Friesland
- Modell Friesland ab 2011
- Modell Monza
- Modell Niederrhein
- Modell Schönau
- Modell St. Lucia
- Modell St. Lucia ab 2011
- Modell St. Moritz
- Modell St. Moritz 2011
- Modell St. Moritz ab 2011
- Modell St. Vincent
- NLD01
- NLD02
- Snap It
- Snap It 2012
- Snap It 2013
- Swifty
- Swifty 36V
- Swifty bis 2010
- Panterra ED9
- Bosch
- Impulse 2.0
- Panasonic
- Quad/ATV
-
Ersatzteile
-
Ersatzteile für Motorroller
-
Adly Motorroller
- Adly Agora 50
- Adly Air Tec 1 50 AC
- Adly Air Tec 1 50 LC
- Adly AT 125G
- Adly AT 50 PT Bj.92
- Adly AT 50 2
- Adly Blizzard GTA 50 Bj.10
- Adly Cat 50
- Adly Cat 100
- Adly Cat 125
- Adly Cosy 50 Bj.00-05
- Adly Cosy 80 Bj.00-05
- Adly Fox Plus 50 FP-50
- Adly GTA 50
- Adly JET 50
- Adly Jet 100
- Adly Matador 50
- Adly Noble 50
- Adly Noble 100 Bj.05
- Adly Noble 125
- Adly Panther 50
- Adly Panther 100 Bj.00
- Adly Rapido 50
- Adly Scoody 50
- Adly Scoody 50 2
- Adly Silver Fox SF 50
- Adly Silver Fox SF 100 Bj.01
- Adly SS-50I. 2
- Adly Super Sonic 50
- Adly Super Sonic 100
- Adly Thunder Bike TB 50
- Adly Thunder Bike TB 100 Bj.01
- Adly Thunder Bike TB 125
- Aeon Motorroller
-
AGM-Motors
- AGM Fighter 50 One
- AGM Fighter 125
- AGM Fighter 125 One
- AGM Fighter 50 Sport
- AGM Fighter 125 Sport
- AGM Fighter 125 R GT Max Euro 5
- AGM Firejet 50 YY50QT-28-AA-2TC
- AGM Firejet 125
- AGM GMX 450 JSD50QT-13
- AGM GMX 450 One JSD50QT-13
- AGM GMX 450 Sport JSD50QT-13
- AGM GMX 450 ZX50QT-7A
- AGM GMX 450 Euro 4
- AGM GMX 450 Sport Euro 4
- AGM GMX 460 Retro Classic
- AGM GMX 460 Retro Classic NF Edition
- AGM GMX 460 Sport
- AGM GMX 50
- AGM GMX 50 One JSD50QT-13
- AGM GMX 50 Sport JSD50QT-13
- AGM GMX 550
- AGM GMX 550 ZX50QT-7B
- AGM GMX 550 Euro 4
-
Aprilia Motorroller
- Aprilia Amico 50
- Aprilia Amico 50 Bj.91-92
- Aprilia Amico 50 Bj.96-97
- Aprilia Amico 50 FD Bj.94
- Aprilia Amico 50 GL
- Aprilia Amico 50 GLE
- Aprilia Amico 50 LK Bj.94
- Aprilia Amico 50 LX Bj.95-96
- Aprilia Amico Sport 50
- Aprilia Area 51 Bj.98-02
- Aprilia AREA 51 LC
- Aprilia Area 51 SBK
- Aprilia Atlantic 250
- Aprilia Atlantic 300 i.e
- Aprilia Atlantic 400 i.e.
- Aprilia Atlantic 500
- Aprilia Atlantic 500 Sprint
- Aprilia Gulliver 50 AC
- Aprilia Gulliver 50 LC
- Aprilia Habana 50 Morini Motor Bj.00-01
- Aprilia Habana 99 Morini Motor
- Aprilia Leonardo 125
- Aprilia Leonardo 125 ST
- Aprilia Leonardo 150
- Aprilia Leonardo 250
- Aprilia Leonardo 250 ST-SP Bj.01-03
- Aprilia Leonardo 300 Bj.02-06
- Aprilia Mojito 50 Morini Bj.99-04
- Aprilia Mojito Custom 50 Piaggio
- Aprilia Mojito Habana 50 Morini Motor Bj.99-04
- Aprilia MX 50 SM
- Aprilia MX 125
- Aprilia Rally 50 AC
- Aprilia Rally 50 LC
- Aprilia Rally 50 LC Bj.96-98
- Aprilia RS 50
- Aprilia RX 125
- Aprilia Scarabeo 50
- Aprilia Scarabeo 50 AC 2006-11
- Aprilia Scarabeo 50 AC Bj.95-06
- Aprilia Scarabeo 50 AC de Luxe Minarelli 2T
- Aprilia Scarabeo 50 AC Street
- Aprilia Scarabeo 100
- Aprilia Scarabeo 100 Sport Bj.00-09
- Aprilia Sonic 50 AC
- Aprilia Sonic 50 AC Spice Bj.97-02
- Aprilia Sonic 50 LC
- Aprilia Sonic 50 LC GP Bj.97-99
- Aprilia Sportcity One 50
- Aprilia SR 125
- Aprilia SR 125 1999-2001
- Aprilia SR 50
- Aprilia SR 50 nicht DITECH
- Aprilia SR50 Bj.03-08 nicht DITECH
- Aprilia SR 50 AC Bj.94-97
- Aprilia SR 50 AC Urban/Kid
- Aprilia SR 50 AC WWW Minarelli Motor 1 SB 2T
- Aprilia SR 50 Europe
- Aprilia SR 50 Factory
- Aprilia SR 50 Fun Master Bj.00
- Aprilia SR 50 LC ZD4LC Minarelli Bj.94-96
- Aprilia SR 50 LC ZD4MZ Minarelli Bj.97-00
- Aprilia SR 50 LC 2000 Bj.00-02
- Aprilia SR 50 LC Bj.03
- Aprilia SR 50 LC Blue Star 2T
- Aprilia SR 50 LC Factory R
- Aprilia SR 50 LC Motard Bj.11-13
- Aprilia SR 50 LC Netscaper
- Aprilia SR 50 LC Netscaper-Sports
- Aprilia SR 50 LC Replica Minarelli liegend 2T
- Aprilia SR 50 LC Sports
- Aprilia SR 50 LC Stealth
- Aprilia SR 50 LC Street
- Aprilia SR 50 Netscaper
- Aprilia SR 50 R
- Aprilia SR 50 Racing
- Aprilia SR 50 Sport
- Aprilia SR 50 Stealth
- Aprilia SR 50 Street
- Aprilia SR 50 Urban
- Aprilia SR 50 Urban Kid
- Aprilia SR 50 VIP
- Aprilia SR 50 WWW Bj.00
- Aprilia SR 150
- Atala Rizzato
-
ATU
- ATU Calypso 125
- ATU Explorer City Star 50 YY50QT
- ATU Explorer Classic 50 Bj.12
- ATU Explorer Formula 2000 YY50QT-6A
- ATU Explorer Formula One YY50QT-6
- ATU Explorer Kallio 50 Bj.12
- ATU Explorer Kallio 50 New Edition
- ATU Explorer Level 100 ZS50QT
- ATU Explorer RACE GT 50
- ATU Explorer Race GT 50 Limited
- ATU Explorer Retro Star 50 YY50QT-15
- ATU Explorer Spin GE50
- ATU Explorer Wild Eagle 50 ZS50QT
- ATU KB 50 Edition
- ATU Motortek Raccoon 50
- ATU Wallstreet 125 Bj.09
- ATU Yup 50
- Baja
- Bajaj
-
Baotian Motorroller
- Baotian BT125T-2
- Baotian BT125T-2A
- Baotian BT125T-2B2
- Baotian BT125T-3A2
- Baotian BT125T-3A4
- Baotian BT125T-3B6
- Baotian BT125T-7 Big Panther 125
- Baotian BT125T-8
- Baotian BT125T-8A
- Baotian BT125T-8B
- Baotian BT125T-9B
- Baotian BT125T-9D
- Baotian BT125T-12C1 Warrior 125
- Baotian BT125T-12D1 Hero 125 Bj.07-13
- Baotian BT125T-12E1 Rocky 125
- Baotian BT125T-12F Bj.08
- Baotian BT125T-12F1 Tanco 125
- Baotian BT125T-9 Speed 125 Bj.06
- Baotian BT151T-2A2 Bj.08
- Baotian BT151T-2B6 4T
- Baotian BT49QT-2 Big Panther 50
- Baotian BT49QT-2 Bj.05
- Baotian BT49QT-2A
- Baotian BT49QT-2C Falcon
- Baotian BT49QT-3
- Baotian BT49QT-6A1
- Baotian BT49QT-6A4
- Baotian BT49QT-6B1
- Baotian BT49QT-6B4
- Baotian BT49QT-7 4T
- Baotian BT49QT-7A1 SMART RIDER 50
- Baotian BT49QT-7A2 SMART RIDER 50
- Baotian BT49QT-7A3
- Baotian BT49QT-7B1
- Baotian BT49QT-7B3
- Baotian BT49QT-7D Bj.06
- Baotian BT49QT-9 4T
- Baotian BT49QT-9 Sprint 50
- Baotian BT49QT-9A1
- Baotian BT49QT-9D1
- Baotian BT49QT-9D2 SPEEDY 50
- Baotian BT49QT-9D3
- Baotian BT49QT-9F1 Eagle
- Baotian BT49QT-9F3 Eagle 50
- Baotian BT49QT-9M Bj.06
- Baotian BT49QT-9N 4T
- Baotian BT49QT-9N1
- Baotian BT49QT-9N3 4T
- Baotian BT49QT-9O3 4T
- Baotian BT49QT-9P1 Bj.08
- Baotian BT49QT-9R Bj.06
- Baotian BT49QT-9R1
- Baotian BT49QT-9R3
- Baotian BT49QT-9S1
- Baotian BT49QT-9S3 Super Moto City 50
- Baotian BT49QT-9T1 Bj.08
- Baotian BT49QT-10
- Baotian BT49QT-11 4T
- Baotian BT49QT-12 Go 50 L84TCAPC Bj.06
- Baotian BT49QT-12A1 Rebel
- Baotian BT49QT-12C1 Warrior 50
- Baotian BT49QT-12C1 Rebel 50
- Baotian BT49QT-12C2
- Baotian BT49QT-12D1 Hero 50
- Baotian BT49QT-12E
- Baotian BT49QT-12E1 Rocky 50
- Baotian BT49QT-12E3
- Baotian BT49QT-12E3 Rocky 50 4T
- Baotian BT49QT-12F1
- Baotian BT49QT-12G
- Baotian BT49QT-12G1 4T
- Baotian BT49QT-12G2
- Baotian BT49QT-12J Bj.08
- Baotian BT49QT-12K Bj.08
- Baotian BT49QT-12P1 Tiger 50
- Baotian BT49QT-18C1 Rebell 50
- Baotian BT49QT-18E1 Rocky 50
- Baotian BT49QT-18F1 Tanco 50
- Baotian BT49QT-18F Bj.08
- Baotian BT49QT-20A
- Baotian BT49QT-20A2B2 Land flyer
- Baotian BT49QT-20B
- Baotian BT49QT-20B2
- Baotian BT49QT-20B3
- Baotian BT49QT-20C
- Baotian BT49QT-21B1 Classico Victoria 50
- Baotian BT49QT-28 Bj.08
- Baotian BT49QT-28A
- Baotian BT49QT-28C
- Baotian BT50QT-9 Eco Bike 50
- Baotian BT50QT-11 Retro 50
- Baotian Carino 50
- Baotian Eagle 50
- Baotian Tiger 50
- Baotian Warrior 125
- Barossa Motorroller
- Beeline
-
Benelli Motorroller
- Benelli 491 50 AC GT
- Benelli 491 50 AC ST
- Benelli 491 50 GP-RR
- Benelli 491 50 GP-SP
- Benelli 491 50 LC GP Minarelli Motor
- Benelli 491 50 LC Racing
- Benelli 491 50 LC Rage Minarelli Motor
- Benelli 491 50 LC Replica Minarelli Motor
- Benelli 491 50 LC RR
- Benelli 491 50 LC RR Minarelli Motor
- Benelli 491 50 LC SP Minarelli Motor
- Benelli 491 50 LC Sport
- Benelli 491 50 LC Superbike
- Benelli 491 50 Racing
- Benelli 491 50 RR 03 Minarelli
- Benelli 491 50 RR 03 Morini
- Benelli 491 50 RR Replica 03 Minarelli
- Benelli 491 50 RR Replica 03 Morini
- Benelli 491 50 Sport 03 Minarelli
- Benelli 491 50 Sport SBK ARMY
- Benelli 491 50 ST 03 Minarelli
- Benelli 491 50 ST 03 Morini
- Benelli 491 50 ST Rage SBK
- Benelli 49X Quattronove 50 Straßenversion
- Benelli 49X Quattronove X 50
- Benelli Adiva 125
- Benelli Adiva 150
- Benelli Devil 50
- Benelli K2 50 AC 03 Minarelli 0
- Benelli K2 50 AC Bj.98-01
- Benelli K2 50 AC Namur Bj.00-01
- Benelli K2 50 LC 03 Minarelli
- Benelli K2 50 LC Namur Bj.98-99
- Benelli K2 100
- Benelli K2 100 Biposto Bj.98-01
- Benelli Naked 50 AC 03 Minarelli
- Benelli Naked 50 AC 03 Morini
- Benelli Naked 100
- Benelli Pepe 50 03 Minarelli
- Benelli Pepe 50 bis Bj.01
- Benelli Pepe 50 Morini Motor Bj.03-08
- Benelli Pepe 50 LX Minarelli Nachbau
- Benelli Pepe 100 LX Bj.01-02
- Benelli Velvet 125
- Benelli Velvet 125 AC
- Benelli Velvet 125 LC Bj.99-01
- Benelli Velvet 125 LC Touring
- Benelli Velvet 150 LC Bj.98-01
- Benelli Velvet 150 LC Touring Bj.02-03
- Benelli Velvet 250
- Benelli Velvet 250 Touring Bj.02-03
-
Benzhou Yiying
- Benzhou YY125T
- Benzhou YY125T-3B
- Benzhou YY125T-5C Bj.06
- Benzhou YY125T-7 Bj.08
- Benzhou YY125T-10
- Benzhou YY125T-10C Bj.08
- Benzhou YY125T-10G
- Benzhou YY125T-19 Retro Cruiser 125
- Benzhou YY125T-19A
- Benzhou YY125T-25
- Benzhou YY125T-25L
- Benzhou YY125T-26 Bj.08
- Benzhou YY125T-39
- Benzhou YY150T-7
- Benzhou YY150T-10D
- Benzhou YY150T-10E
- Benzhou YY150T-12 Bj.08
- Benzhou YY150T-B
- Benzhou YY250T
- Benzhou YY250T-3
- Benzhou YY250T-4
- Benzhou YY50QT City Star 50
- Benzhou YY50QT-14
- Benzhou YY50QT-26
- Benzhou YY50QT-2 Bj.06 50cc
- Benzhou YY50QT-3 Bj.08
- Benzhou YY50QT-4 Bj.08
- Benzhou YY50QT-5 Bj.04
- Benzhou YY50QT-6 Formula One 50
- Benzhou YY50QT-6A Formula 2000
- Benzhou YY50QT-6B B10 GT50 Bj.08
- Benzhou YY50QT-6C B11 Bj.06
- Benzhou YY50QT-6D B12
- Benzhou YY50QT-6E B13 F3000 Bj.08
- Benzhou YY50QT-6F B14 Bj.06
- Benzhou YY50QT-6H Bj.06
- Benzhou YY50QT-7 B15 Bj.08
- Benzhou YY50QT-7A B16 Firefox 50
- Benzhou YY50QT-8 Bj.08
- Benzhou YY50QT-10 Bj.08
- Benzhou YY50QT-10B Bj.06
- Benzhou YY50QT-10C
- Benzhou YY50QT-10L Bj.06
- Benzhou YY50QT-15 Retro Star 50
- Benzhou YY50QT-21 Retro Cruiser 50
- Benzhou YY50QT-21B
- Benzhou YY50QT-23 Bj.06
- Benzhou YY50QT-25
- Benzhou YY50QT-26 Bj.07
- Benzhou YY50QT-26A Apollo 50
- Benzhou YY50QT-27 Bj.09
- Benzhou YY50QT-27 F22 Bj.12
- Benzhou YY50QT-31 Bj.12
- Benzhou YY50QT-32 Bj.12
- Benzhou YY50QT-C Bj.06
- Benzhou YY50QT-D
- Benzhou YY50T-11
- Benzhou YY50T-C
-
Beta
- Beta Ark 50 AC
- Beta Ark 50 AC X-Type
- Beta Ark 50 LC
- Beta Ark 50 LC Limited Bj.06
- Beta Ark 50 LC RR Bj.06
- Beta Ark 50 LC X-Type
- Beta Ark 50 K
- Beta CH 502
- Beta Chrono 50
- Beta Chrono 502 Bj.94-99
- Beta EIKON 50
- Beta Eikon 125
- Beta Eikon 150
- Beta Quadra 50
- Beta Tempo 50
- Beta Tempo 50 13 Zoll
- Beta Tempo 50 16 Zoll Bj.96-01
- Buffalo
- Cagiva Motorroller
- CCF
-
CPI Motorroller
- CPI Aragon 50
- CPI Aragon 50 Club
- CPI Aragon 50 GP
- CPI Aragon 50 S-Line Bj.11
- CPI Aragon 125 GP Bj.07
- CPI Bingo Tennesse 50 Euro 1 10 mm KolbenBolzen bis Bj.02
- CPI Bravo 50
- CPI CRAB 50
- CPI CRAB 100
- CPI Formula R 50
- CPI FREAKY
- CPI GTR 50
- CPI GTR 50 Race
- CPI GTS 50
- CPI GTS 125
- CPI GTS 150
- CPI GTS 200
- CPI Hussar 50 Euro 2 12 mm KolbenBolzen
- CPI Hussar 50 Euro 1 10 mm KolbenBolzen bis Bj.02
- CPI Hussar 50 FL Euro 1 10 mm KolbenBolzen
- CPI Hussar 50 SL Euro 1 10 mm KolbenBolzen Bj.02
- CPI Oliver 50 City
- CPI Oliver 125
- CPI Oliver 125 City Bj.06-07
- CPI Popcorn 50 Euro 1 10 mm KolbenBolzen
- CPI Popcorn 50 Euro 2 12 mm KolbenBolzen
- CPI Popcorn 50 FL Euro 1 10 mm KolbenBolzen
- CPI Popcorn 50 SL Euro 1 10 mm KolbenBolzen bis Bj.02
- CPI Supersport 50
- CPI SX 50 Supercross AM6
- CPI Vabene 50
- CPI Vogue 50
- CPI Vogue 125
- CPI Vogue 150
- CYR
- Daco
-
Daelim Motorroller
- Daelim Besbi 125
- Daelim Cordi SE 50
- Daelim Delfino 50
- Daelim Delfino 100
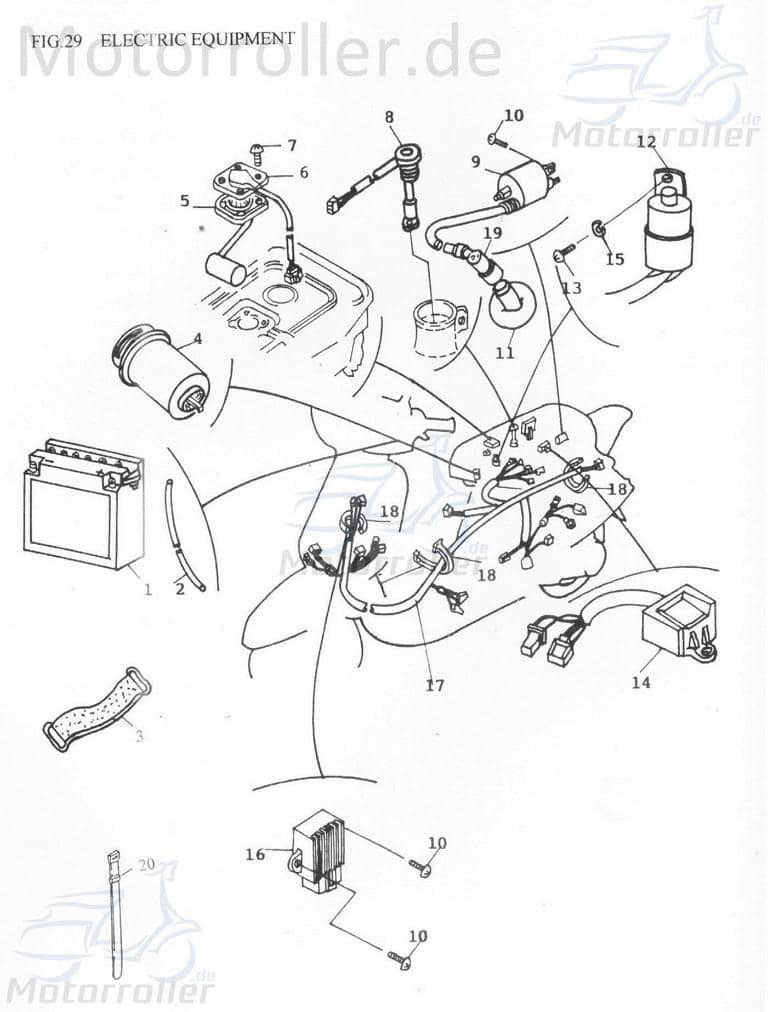
- Daelim Delfino 125
- Daelim Delfino SH100
- Daelim E-Five 50
- Daelim Freewing 125 E2
- Daelim Freewing 125 FI E3
- Daelim History 125
- Daelim History SL 125
- Daelim Message 50
- Daelim Message 50 II Bj.02
- Daelim NS 125
- Daelim NS 125 DLX
- Daelim NS 125 Fellow
- Daelim NS 125 II
- Daelim NS 125 III
- Daelim Otello 125 ccm
- Daelim Otello 125 Bj.01
- Daelim Otello 125 DLX
- Daelim Otello 125 DLX Bj.02
- Daelim Otello 125 Eco
- Daelim Otello 125 Eco Euro II
- Daelim Otello 125 Fi
- Daelim Otello 125 f.i. ab Bj.07
- Daelim Otello 125 SE
- Daelim Otello 125 SE Bj.06
- Daelim S-Five 50
- Daelim S1 125
- Daelim S2 125
- Daelim S-2 125 Freewing
- Daelim S-2 250 SQ250
- Daelim S-3 F.i. 125
- Daelim S300
- Daelim S-Five 50 Euro 1 Bj.02
- Daelim S-Five 50 Euro 2
- Daelim S-Five 50 Euro 2 Bj.03
- Daelim S-Five 50 History
- Daelim SG 125 Bj.98-02
- Daelim SG 125 DLX Bj.03-04
- Daelim SG 125 Eco Bj.05
- Daelim SG 125FI Bj.07-12
- Daelim Tapo 50
- Daelim Tapo 50 II Bj.02
- Daelim U-3 458 Fl
- Daelim VC 125
- Daelim Vivo 50
- Daelim VL 125 Daystar E2-Bj.04
- Daelim VL 125 Daystar E3
- Daelim VS 125
- Daelim VS 125 EVOLUTION
- Daelim VT 125
- Daelim VT 125 Evolution
- Dazon
-
Derbi Motorroller
- Derbi Atlantis 50
- Derbi Atlantis 50 AC
- Derbi Atlantis 50 AC Bullet 45km/h Piaggio Motor
- Derbi Atlantis 50 AC City 45km/h Piaggio Motor
- Derbi Atlantis 50 AC Red Bullet 45km/h Piaggio Motor
- Derbi Atlantis 50 AC Two Chic 45km/h Piaggio Motor
- Derbi Atlantis 50 LC 50km/h Motor
- Derbi Atlantis 50 LC 45km/h Piaggio Motor
- Derbi Atlantis 50 LC Wave Motor
- Derbi Atlantis 100
- Derbi Aventura 50
- Derbi Boulevard 50
- Derbi Boulevard 125
- Derbi Boulevard 150
- Derbi Boulevard 250
- Derbi DFW 50
- Derbi Fenix 50
- Derbi Furax 50
- Derbi GP1 50
- Derbi GP1 50 AC
- Derbi GP1 50 LC 50cc
- Derbi GP1 50 LC Replica
- Derbi GP1 Open 50
- Derbi Hunter 50
- Derbi Manhattan 50
- Derbi MXR 50
- Derbi Paddock 50 AC
- Derbi Paddock 50 LC
- Derbi Predator 50
- Derbi Predator 50 AC Bj.99-02
- Derbi Predator 50 LC
- Derbi Senda 50
- Derbi Senda 50 R DRD Pro
- Derbi Senda 50 R DRD Racing
- Derbi Senda 50 R X-Race
- Derbi Senda 50 R X-treme
- Derbi Senda 50 SM DRD
- Derbi Senda 50 SM X-Race
- Derbi Senda 50 SM X-treme
- Derbi Vamos 50
- Derbi Vamos 50 FL
- Derbi Vamos 50 M 25 km/h Bj.93-97
- Derbi Vamos 50 R Sport R Bj.94-95
- Derbi Vamos 50 SE Bj.97-98
- Derbi Variant 50
- Derbi Variant Sport 50
- E-Ton Motorroller
- ECM Motorroller
- Endress
-
Eppella ECM Motorroller
- Eppella City 50 Bj.96
- Eppella Eppelino 50
- Eppella Eppella 125
- Eppella Extra 50 B
- Eppella Extra 50 Off Road 50 km/h
- Eppella Extra 50 S Bj.99-02
- Eppella Extra 50 Sport
- Eppella Extra 50 T
- Eppella Fire 50 50 km/h Bj.98
- Eppella Firejet 50 50 km/h Bj.00
- Eppella GMX 50
- Eppella Hussar 50
- Eppella Jet 50
- Eppella Klassik 50 Bj.04
- Eppella Kontra B 50
- Eppella Kontra S 50 50 km/h
- Eppella Kontra T 50
- Eppella Roller125 S
- Eppella Shopper 50 Bj.97-98
- Eppella Shopper 50 II Bj.99-00
- Eppella Shoppy 50 Bj.02-03
- Eppella Thunder Bike TB 50
-
Ering Motorroller
- Ering AT PT2 KAT 50
- Ering Big Panther 50
- Ering Big Panther 125
- Ering Cat 50
- Ering Cat 125
- Ering Delta Racer 50
- Ering Delta Racer 125
- Ering Dynamic 50
- Ering Dynamic 125
- Ering Hero 50
- Ering Hero 125
- Ering Jet 50
- Ering Rapido KAT 50
- Ering Red Wing 50 L84TCAP Bj.06
- Ering Red Wing 50 LX6TCAP Bj.06
- Ering Red Wing 125
- Ering Retro 50 Zweisitzer Bj.06-07
- Ering Rocky 50 Bj.05-08
- Ering Rocky 125
- Ering Shining 125
- Ering Silver Fox 50
- Ering Smart Rider 50 Bj.06-08
- Ering Smart Rider 125
- Ering Speedy 50 BT50QT-3N Bj.07-08
- Ering Speedy 50 BT50QT-9N Bj.06-07
- Ering Sprint 50 Bj.06-08
- Ering Tanco 50 Bj.07-08
- Ering Tanco 125 Bj.07-08
- Ering Thunder Bike 50
- Ering Thunder Bike 125 Bj.98-01
- Ering Warrior Rebel 50 Bj.06-08
- Ering Warrior 125 Bj.07-08
- Famila
- Fantic Motorroller
-
Flex Tech Motorroller
- Flex Tech Athena 125
- Flex Tech Dolphin 50
- Flex Tech Firenze 50
- Flex Tech Firenze 125
- Flex Tech Fun 50
- Flex Tech Fun 125
- Flex Tech Hurrican X1 JL50QT-4 Bj.07
- Flex Tech Hurrican X2 YY50QT-26 Bj.06
- Flex Tech Sprint 50 10 Zoll SK50QT-A
- Flex Tech Sprint 50 12 Zoll SK50QT-B
- Flex Tech Topdrive 50 YY50QT 14
- Flex Tech Topspeed 50 Bj.09
- Flex Tech Topspeed 125
- Flex Tech Venus 50
- Flex Tech Venus 50 II Bj.06
- Fly Scooters
- Garelli
-
Generic Motorroller
- Generic Cracker 50
- Generic Epico 50
- Generic Explorer Race GT 50
- Generic Ideo 50
- Generic Ideo 125
- Generic Onyx 50
- Generic Pandora 50
- Generic Race 125 Bj.12
- Generic Race GT 50
- Generic Roc 50
- Generic Sirion 50
- Generic Soho 125
- Generic Soho 150 Bj.08-10
- Generic Spin 50 Bj.11
- Generic Spin 50 GE Bj.06-08
- Generic Toxic 50 Sport
- Generic X0R 50 Competition
- Generic XOR 50
- Generic XOR 50 2 Bj.11
- Generic XOR 50 Stroke
- Generic XOR 50 Williams Bj.08
- Generic XOR 125
- Generic Zion 125
- Generic Zion 150 Bj.08
-
Giantco Motorroller
- Giantco Athena GW 125
- Giantco Bud 50
- Giantco Bud 50 10 Zoll
- Giantco Bud 50 12 Zoll
- Giantco Cyrus 50
- Giantco Dolphin 50 10 Zoll
- Giantco Dolphin 50 12 Zoll
- Giantco Falcon 125
- Giantco Falcon 150
- Giantco Fvision 125
- Giantco Fvision 150
- Giantco G-Buddy 50
- Giantco G-Buddy 50 10 Zoll
- Giantco G-Buddy 50 12 Zoll
- Giantco Lambros 50
- Giantco Royale 125
- Giantco Sprint 50
- Giantco Sprint 50 City
- Giantco Stealth Naked 50
- Giantco Venus
- Giantco Venus II 50
-
Gilera Motorroller
- Gilera Easy Moving 50 Bj.95
- Gilera GSA 50
- Gilera Ice 50
- Gilera Ice 50 ZAPC300
- Gilera Nexus 125
- Gilera Nexus 125 Einspritzmotor
- Gilera Nexus 250 SP
- Gilera Runner 50 DD
- Gilera Runner 50 DD ZAPC1400 Bj.01
- Gilera Runner 50 DT
- Gilera Runner 50 DT ZAPC1400 Bj.98
- Gilera Runner 50 RST SP LC
- Gilera Runner 50 SP
- Gilera Runner 50 SP Vergaser Bj.05
- Gilera Runner 50 SP Vergaser ZAPC36 Bj.01-04
- Gilera Runner 125
- Gilera Runner 125 FX
- Gilera Runner 125 FX DD Br. Heng Tong
- Gilera Runner 125 FX DD Bremse Grimeca
- Gilera Runner 125 FX DD SP Br. Grimeca
- Gilera Runner 125 FX DD SP Br. Heng Tong
- Gilera Runner 125 FX DT Bj.97-99
- Gilera Runner 125 FX DT LC ZAPM070
- Gilera Runner 125 FX SP DD LC ZAPM070
- Gilera Runner 125 ST Bj.08-13
- Gilera Runner 180 FXR DT LC ZAPM080 Bj.97-03
- Gilera Runner 200 VXR-ST
- Gilera Runner LC
- Gilera Runner FL LC
- Gilera Stalker 50 DD
- Gilera Stalker 50 DD ZAPC130 Bj.98
- Gilera Stalker 50 DT Bj.04
- Gilera Stalker 50 DT ZAPC130 Bj.98
- Gilera Stalker 50 DT Naked ZAPC40102
- Gilera Stalker 50 Naked Bj.08
- Gilera Storm 50
- Gilera Storm 50 TEC1
- Gorilla Motor Works
- Guangzhou
-
Hagebau
- Hagebau Athena 125 Bj.06
- Hagebau Bamboccioni 125 Bj.11
- Hagebau Cavallino 50
- Hagebau Cityliner FX 50
- Hagebau Cruiser 125 Bj.10
- Hagebau Dolphin 50
- Hagebau Flex Tech Fun 50 25 km h
- Hagebau Flex Tech Fun 50 45 km h
- Hagebau Flex Tech Fun 125 Bj.09
- Hagebau Flex Tech Topspeed 50 45km/h Bj.09
- Hagebau Flex Tech Topspeed125 Bj.09
- Hagebau Formula 2000 L84TCAPC
- Hagebau Formula 2000 LX6TCAPC
- Hagebau Manhattan 50 Bj.13
- Hagebau Otis 50
- Hagebau Palermo 50
- Hagebau Palermo 50 Bj.13
- Hagebau Retro Firenze 50
- Hagebau Retro Firenze 125 Bj.09
- Hagebau Retro Star 50 II
- Hagebau Retro Venus 50
- Hagebau Rex Monaco 50 Bj.11
- Hagebau Speedy 50 Bj.13
- Hagebau Sprint 50 10 Zoll Bj.06
- Hagebau Strada 50 Bj.11
- Hagebau Strada 125 Bj.11
- Hagebau Tempesto 50 Bj.11
- Hansen
-
Hercules Motorroller
- Hercules Air Tech 1 50 AC 2T Bj.06
- Hercules Gipsy 50 Bremse AJP 1 SB
- Hercules Gipsy 50 RS Bremse Brembo 1SB
- Hercules Gipsy 50 RS Bremse Heng Tong 1SB
- Hercules Limbo 50 L 1SB Bj.93-95
- Hercules Limbo 50 LMB Bj.93-99
- Hercules Noble 50 2T
- Hercules Samba Geo 50
- Hercules Silverfox 50 2T
- Hercules Splinter 50
- Hercules Panther 50 2T
- Herkules Motorroller
- HMZ
-
Hodi On Wheels
- Hodi On Wheels Baotian Carino 50
- Hodi On Wheels Baotian Classico 50
- Hodi On Wheels Baotian Eagle 50
- Hodi On Wheels Baotian Rocky 50
- Hodi On Wheels Baotian Speedy 50
- Hodi On Wheels Baotian Tiger 50
- Hodi On Wheels Carino 50
- Hodi On Wheels Eagle 50
- Hodi On Wheels Fosti Grande Retro 50 Bj.10
- Hodi On Wheels Lintex Estilo 50 Bj.10
- Hodi On Wheels Lintex Jet 50 Bj.10
- Hodi On Wheels Lintex Salsa 50 Bj.10
- Hodi On Wheels Speedy 50
- Hodi On Wheels Tiger 50
-
Honda Motorroller
- Honda Bali 50 SJ50 AF32
- Honda CH 125 Spacy
- Honda CH 250 A Elite
- Honda Chaly
- Honda CN 250 Helix Fusion Bj.86-92
- Honda Dio G. SP SR 94 AF18 AF27
- Honda Dio GP 50 Bj.90-97
- Honda Dio SR 50 Bj.90-93
- Honda Dio ZX 50 94 AF34 AF35
- Honda Dio ZX 50 95 AF28 0
- Honda Dio ZX 50 Bj.90-03
- Honda DX 50 Sky Bj.98
- Honda FES 125 Bj.03-08
- Honda FES 250 Foresight
- Honda Lead 50 NH50 MS AF01
- Honda NB 50 Melody Bj.82
- Honda ND 50 Melody Bj.82-84
- Honda NE 50 Vision Bj.85-88
- Honda NH 125 Lead
- Honda NH 50 Lead
- Honda NH 80 Lead
- Honda NPS 50 Zoomer
- Honda NSC 50 R
- Honda NSC Vision 50 14 Zoll Bj.11
- Honda NSC Vision 50 16 Zoll Bj.11
- Honda PK 50 Wallaroo Bj.90-97
- Honda PX 50
- Honda Ruckus 50 = Zoomer Bj.04
- Honda SA 50 Vision
- Honda SAJ Met-In 50 Vision Bj.88-94
- Honda SF 50
- Honda SFX 50
- Honda SFX 50 AF37
- Honda SGX 50 Sky Bj.97-00
- Honda SH 50 Bj.84,96
- Honda SH 50 AF40 Scoopy
- Honda SH 50 Fifty Bj.00
- Honda SH 50 Scoopy Bj.88-95
- Honda SH 100 Scoopy Bj.96-01
- Honda SH 125
- Honda SJ 50 Bali
- Honda SJ 100 Bali EX Bj.96-02
- Honda Sky SGX 50 AF43
- Honda SRX 50 Shadow Joker 2T
- Honda SRX 90 Shadow Joker Bj.98-02
- Honda ST 50 DaX
- Honda ST 50 J Dax Bj.88-89
- Honda ST 50 K Dax Bj.88-89
- Honda ST 70 Dax
- Honda ST 70 G2 Dax Bj.77-80
- Honda SXR 50
- Honda SXR 50 MM AF37
- Honda Vision 50
- Honda Vision 50 SA50 AF29 gerader Zylinderanschluss
- Honda Vision 50 SA50 AF29 schräger Zylinderanschluss
- Honda Wallaroo 50 PK50
- Honda X8R 50 S Bereifung Straße
- Honda X8R 50 S X SZX50 AF49
- Honda X8R 50 X Bereifung Off Road
- Honda ZB 50 Monkey
- HSC
- Huanan
- Huatian
- Husqvarna Motorroller
-
Hyosung Motorroller
- Hyosung Avanti 50
- Hyosung Cab 50
- Hyosung Cab 100
- Hyosung Exceed 125 US1 Bj.01
- Hyosung EZ 100 M
- Hyosung Gamma 50
- Hyosung Rush Cab 50
- Hyosung SB 50 Cab
- Hyosung SB 50 Gamma
- Hyosung SD 50 Avanti
- Hyosung Sense 50
- Hyosung SF 50
- Hyosung SF 50 B Racing
- Hyosung SF 50 R Rally
- Hyosung SF 50 Racing
- Hyosung SF 50 Rally
- Hyosung Super Cab 50 Bj.05-08
- Hyosung Tee up 50
- Hyosung Tee up 50 25 km/h Bj.13-15
- Hyundai
- IMG Inter Motors Germany
- Innocenti
-
Italjet Motorroller
- Italjet 50.it Bj.07
- Italjet Bazooka 50
- Italjet Dragster 50
- Italjet Dragster 50 Minarelli
- Italjet Dragster 125
- Italjet Dragster 180
- Italjet Dragster 250
- Italjet Formula 50 AC Morini Motor
- Italjet Formula 50 LC Minarelli Motor
- Italjet Formula 50 LC Morini Motor
- Italjet Formula 50 LC Race Morini Motor
- Italjet Formula 125
- Italjet Jackpot 50
- Italjet Jackpot 125
- Italjet Jet-Set 50
- Italjet Jet Set 50 Piaggio
- Italjet Jupiter 125
- Italjet Jupiter 250
- Italjet Millenium 100
- Italjet Millenium 125
- Italjet Millenium 150 Bj.01
- Italjet Pista 50
- Italjet Pista 2 50
- Italjet Scoop 50 Bj.93
- Italjet Scoop 125
- Italjet SX1 50
- Italjet Torpedo 125 Piaggio Leader Motor
- Italjet Torpedo 125 Piaggio Motor
- Italjet Torpedo 50 Piaggio Motor
- Italjet Torpedo 50 AC Morini Motor
- Italjet Velocifero 50 Serie 1 Bj.94-96
- Italjet Velocifero 50 Serie 2
- Italjet Velocifero 50 AC Morini Motor
- Italjet Velocifero 50 AC Morini Bj.97-99
- Italjet Yankee 50
- Itteco
- IVA
- Jack FoX
- Jiangmen
- Jiangsu
-
Jinan Qingqi Motorroller
- Jinan Qingqi Insignio 125 DD
- Jinan Qingqi Insignio 125 2.0
- Jinan Qingqi Koala 50
- Jinan Qingqi Leopard
- Jinan Qingqi Martinique 125 DD
- Jinan Qingqi QM50QT-2M
- Jinan Qingqi QM50QT-6
- Jinan Qingqi QM50QT-6A
- Jinan Qingqi QM50QT-6F
- Jinan Qingqi QM50QT-6S
- Jinan Qingqi QM50T-10A
- Jinan Qingqi QM50T-10E
- Jinan Qingqi QM50T-10V
- Jinan Qingqi QM125T-8G Leopard
- Jinan Qingqi QM125T-10AB
- Jinan Qingqi QM125T-10E Bj.04
- Jinan Qingqi QM125T-10H-D
- Jinan Qingqi QM125T-10HG Sum-up 125 Bj.04
- Jinan Qingqi QM125T-10R
- Jinan Qingqi QM125T-10V Bj.04
- Jinan Qingqi RS250
- Jinan Qingqi REX RS425
- Jinan Qingqi Rex RS450 QM50QT-6
- Jinan Qingqi REX RS600 QM50QT-2
- Jinan Qingqi RS700
- Jinan Qingqi REX RS700 QM50QT-10A
- Jinan Qingqi RS900
- Jinan Qingqi REX RS900 QM50T-10A(A)
- Jinan Qingqi RMC-F 125
- Jinan Qingqi RMC-G 50 Florett
- Jinan Qingqi RS125 QM125T-10H
- Jinan Qingqi RS125 Capriolo Street
- Jinan Qingqi SC125 QM125T-10A(A)
- Jinan Qingqi Speedy 50
- Jinan Qingqi Speedy 125 QM125T-10A
- Jinan Qingqi STREET 125 DD
- Jinan Qingqi Super Moto 125 DISC
- Jinan Qingqi V-Clic 50
- Jinan Qingqi Peugeot
- Jincheng Motorroller
-
Jinlun
- Jinlun Fighter 50 JL50QT 5
- Jinlun JL50QT 4
- Jinlun JL50QT-4 Bj.06
- Jinlun JL50QT-5
- Jinlun JL50QT-5B
- Jinlun JL50QT-5C
- Jinlun JL50QT-6
- Jinlun JL50QT-7
- Jinlun JL50QT-8
- Jinlun JL125T-4
- Jinlun JL125T-5
- Jinlun JL125T-5B
- Jinlun JL125T-6 Bj.08
- Jinlun JL125T-7 Bj.08
- Jinlun JL125T-8 Bj.08
- Jinlun JL125T-9
- Jinlun JL125T-10
- Jinlun JL125T-12
- Jinlun JL125T-13
- Jinlun JL125T-17
- Jinlun JL125T-18
- Jinlun JL125T-C
- Jinlun Starquad 50 JL50QT-5C Bj.06-11
- Jmstar
-
Jonway Motorroller
- Jonway 139QMB
- Jonway 150T-28
- Jonway 152QMI
- Jonway 1E40QMB
- Jonway Adventure 50 Bj.10
- Jonway Adventure 125
- Jonway Agility 50 Bj.10
- Jonway Air Force One 50
- Jonway Air Force One 125
- Jonway Beta 50
- Jonway Boston 8 Mofaroller
- Jonway Delta 150
- Jonway Drive 50
- Jonway Drive Sport 50
- Jonway Elninjo 50
- Jonway Epsilon 150 Bj.09
- Jonway Epsilon 150 YY150T 12 Zoll
- Jonway Florett 2.0 50 City
- Jonway Florett 2.1 RS 50
- Jonway Florett 50 City
- Jonway Florett 50 RMC-G
- Jonway Florett 50 RS DD
- Jonway Flory Classic 50
- Jonway Force DS 125
- Jonway Force SG 50 Bj.10
- Jonway Galactica
- Jonway Galactica 2.0 50 DD
- Jonway Galactica 2.0 RC 50
- Jonway Grizzly 125
- Jonway Imola 50 Race/Urban
- Jonway Imola 125 Race/Urban
- Jonway Insignio 250 DD
- Jonway Jigger 50
- Jonway Jigger 50 City
- Jonway Lambda YY50QT-21 50
- Jonway Milano 50
- Jonway Milano 125
- Jonway REX Monaco 50 Race/Urban
- Jonway Monaco 125 Race Urban
- Jonway Monza 50 Race Urban
- Jonway Raptor 50
- Jonway RMC-E Hicker
- Jonway RMC-E 125 Hiker
- Jonway RMC-E 125 Hiker DD
- Jonway RMC-E Hiker 50 DD SPORT
- Jonway RMC-E Hiker 125 DD SPORT
- Jonway RMC-G 50
- Jonway RMC-G 125 Florett
- Jonway RMC-H 50 Galactica DD
- Jonway RMC-H Galactica 125 DD
- Jonway RS400
- Jonway Rex RS460
- Jonway Rex RS500
- Jonway RS750
- Jonway RS1000
- Jonway RS1100
- Jonway RS Classic
- Jonway Rex RS Classic
- Jonway RT 50
- Jonway RT 125
- Jonway Stratos Chicago
- Jonway Stratos Montana
- Jonway Torino 125
- Jonway Unser Norden Mofaroller
- Jonway Unser Norden Mokickroller
- Jonway Vabene 50
- Jonway Viper BY 50 Bj.10
- Jonway Viper 125
- Jonway YY50QT-6
- Jonway YY150T 2 150
- Jonway YY150T-2 Bj.09-14
- Junak
- K-Zwo
- Karcher
-
Keeway Motorroller
- Keeway Agora 50
- Keeway Arn 50
- Keeway Arn 125
- Keeway Easy 50
- Keeway F-Act 50 Bj.08
- Keeway F-Act 50 City 45 km/h
- Keeway F-Act 50 City 25 km/h Mofaroller
- Keeway F-Act 50 Evo
- Keeway F-Act 50 Naked 45 km/h
- Keeway F-Act 50 Naked 25 km/h Bj.10
- Keeway F-Act 50 NKD Naked
- Keeway F-Act 50 Racing
- Keeway F-Act 50 Racing SP 2009
- Keeway F-Act 125
- Keeway Flash 50
- Keeway Focus 50 45 km/h
- Keeway Focus 50 25 km/h Bj.06
- Keeway Focus 50 45 km/h Variante B Bj.04
- Keeway Focus 125
- Keeway Focus 150
- Keeway Goccia 50
- Keeway Hacker 50
- Keeway Hacker 125
- Keeway Hurricane 50
- Keeway Matrix 50 45 km/h
- Keeway Matrix 50 2008 V1. V2
- Keeway Matrix 50 25 km/h Bj.06-09
- Keeway Matrix 50 SP
- Keeway Matrix 50 SP 2009 V4
- Keeway Matrix 50 V4
- Keeway Matrix 125
- Keeway Matrix 150
- Keeway Outlook 125
- Keeway Outlook 125 AC
- Keeway Pixel 50 Bj.09
- Keeway QJ FACT 50 FOCUS
- Keeway QJ Hurricane Easy 50
- Keeway QJ RY8 50
- Keeway RKV 125
- Keeway RY6 50 45 km/h Bj.08
- Keeway RY6 50 25 km/h Bj.10
- Keeway RY8 50 Bj.08
- Keeway RY8 50 25 km/h Bj.06-08
- Keeway RY8 50 45 km/h Bj.06-08
- Keeway RY8 50 EVO
- Keeway RY8 50 Racing
- Keeway RY8 50 SP
- Keeway RY8 50 SP Racing
- Keeway Swan 50
- Keeway Venus 50
- Keeway ZAHARA 125
- Kinroad
-
Kreidler Motorroller
- Kreidler AC 50-B
- Kreidler AC 50-D
- Kreidler AC 50-E
- Kreidler Florett 50 50 km/h Roller
- Kreidler Florett 50 City
- Kreidler Florett 50 City 45 km/h Roller
- Kreidler Florett 50 RC 45 km/h Roller
- Kreidler Florett 50 RMC-G
- Kreidler Florett 50 RS DD
- Kreidler Florett 50 RS 2.0
- Kreidler Florett 50 RS 2.0 45km/h Roller
- Kreidler Florett 50 RS 2.1
- Kreidler Florett 50 XL 25 km/h Bj.03-04
- Kreidler Florett 50 XL 45 km/h Roller
- Kreidler Florett 50 XL 50 km/h Roller
- Kreidler Florett 50 XL Race 45km/h Roller
- Kreidler Florett 50 XL Race 50km/h Roller
- Kreidler Florett RMC-E 50
- Kreidler Florett RMC 50F
- Kreidler Florett RS 50 DD
- Kreidler Flory 50 25 km/h Bj.03-04
- Kreidler Flory 50 45 km/h Roller
- Kreidler Flory 50 50 km/h Roller
- Kreidler Flory 50 Classic Roller
- Kreidler Flory 50 Classic WK1CA
- Kreidler Flory 50 Speed 45 km/h Roller
- Kreidler Flory RC50 C-D
- Kreidler Galactica 125
- Kreidler Galactica 2.0 50 DD
- Kreidler Galactica 2.0 RC 50
- Kreidler Galactica 2.0 RS 50 DD
- Kreidler Galactica 3.0 LC 50 DD
- Kreidler Galactica 3.0 RS
- Kreidler Galactica 50
- Kreidler Galactica 50 DD
- Kreidler Hiker 125
- Kreidler Hiker 125 DD
- Kreidler Hiker 2.0 125 DD
- Kreidler Hiker 2.0 50 DD
- Kreidler Hiker 50
- Kreidler Hiker 50 DD
- Kreidler Hiker 50 DD Sport
- Kreidler Insignio 125 2.0
- Kreidler Insignio 125 DD
- Kreidler Insignio 250 DD Bj.09-12
- Kreidler Isignio 125
- Kreidler Isignio 250
- Kreidler Jigger 50
- Kreidler Jigger 50 City
- Kreidler LML Star 4 200 Automatik Bj.13-15
- Kreidler LML Star 4 200 Schaltung Bj.11
- Kreidler LML Star 4 125 Automatik
- Kreidler LML Star Deluxe 125
- Kreidler Martinique 125 DD
- Kreidler RC 50 B Flory 45 km/h Roller
- Kreidler RC 50 C 25 km/h Bj.04-05
- Kreidler RC 50 C Flory
- Kreidler RMC-G 50
- Kreidler RMC-D 125 Florett Roller
- Kreidler RMC-E 50
- Kreidler RMC-F 125 Florett Roller
- Kreidler RMC-B 50 25 km/h Bj.03-06
- Kreidler RMC-B 50 45 km/h Bj.04-06
- Kreidler RMC-C 50 Florett Roller
- Kreidler RMC-E 125
- Kreidler RMC-E 125 EL Ninjo
- Kreidler Florett 125 RMC-E Sport
- Kreidler RMC-E 125 Hiker
- Kreidler RMC-E 125 Hiker DD 4T Bj.10
- Kreidler RMC-E 50 EL Ninjo Bj.08
- Kreidler RMC-E 50 Florett 25 km/h Bj.05
- Kreidler RMC-E 50 Florett 45 km/h Roller
- Kreidler RMC-E 50 Florett Roller Bj.06
- Kreidler RMC-E 50 Hiker
- Kreidler RMC-E Hiker 50 DD SPORT Bj.08
- Kreidler RMC-E 50 Sport Bj.03
- Kreidler RMC-E EL 125 Ninjo
- Kreidler RMC-E Hiker 125
- Kreidler RMC-E Hiker 125 DD SPORT
- Kreidler RMC-E Hiker 50 DD
- Kreidler RMC-G 125 Sport
- Kreidler RMC-G 125 Venturi
- Kreidler RMC-G 50 Florett Bj.08
- Kreidler RMC-G Venturi
- Kreidler RMC-H 125 Galactica 4T Bj.10
- Kreidler RMC-H 125 Galactica DD
- Kreidler RMC-H 50 Galactica 2.0 DD 50 City
- Kreidler RMC-H 50 Galactica 2.0 RC 50
- Kreidler RMC-H 50 Galactica 2.0 RS 50 DD
- Kreidler RMC-H 50 Galactica DD
- Kreidler RMC-H Galactica 125
- Kreidler RMC-H Galactica 125 DD
- Kreidler RMC-H Galactica 50
- Kreidler STAR Deluxe 4S 125
- Kreidler STAR Deluxe 4S 200
- Kreidler STREET 125 DD
- Kreidler Vabene 50
- Kreidler MONACO 50 Race / Urban
- Kreidler MONZA 50 Race / Urban (Fin: WS1 od. L8Y)
- Kreidler RS 500
- Kreidler Drive 50 Bj.09-12
- Kreidler REX Monaco 125 Race/Urban
- Kreidler MONACO 125
- Kreidler INSIGNIO 250 DD
- Kreidler Florett 2.0 50 City
- Kreidler Florett RMC-G 125
- Kreidler Florett 2.0 50
- Kreidler Insignio 2.0 250 DD
- Kreidler Flory 125
- Kreidler Florett RMC 125
- KSR Moto
- KTM Motorroller
-
Kymco Motorroller
- Kymco Agility 50 16+
- Kymco Agility 50 KG10SA
- Kymco Agility 50 R10 Basic KD10SH
- Kymco Agility 50 R10 Bj.10
- Kymco Agility 50 R12
- Kymco Agility 50 R12 Carry KG10DA
- Kymco Agility 50 R12 MMC KG10C
- Kymco Agility 50 R12 One KG10SD
- Kymco Agility 50 R16 City KL10BA
- Kymco Agility 50 RS Bj.11
- Kymco Agility 50 RS KE10BA
- Kymco Agility 50 RS KG10S
- Kymco Agility 50 RS Naked KE10BB
- Kymco Agility 125
- Kymco Agility 125 City
- Kymco Agility 125 City 4T Bj.14-15
- Kymco Agility 125 R12
- Kymco Agility 125 R16
- Kymco Agility City + 50 Bj.14-15
- Kymco Bet + Win 50 LC
- Kymco Bet + Win 125 LC Dink 125
- Kymco Bet + Win 150 Dink 150 Bj.00
- Kymco Bet + Win 250 Dink 250
- Kymco Calypso 50
- Kymco Calypso 125
- Kymco CK 125
- Kymco Cobra 50 Cross
- Kymco Cobra 50 Racer
- Kymco Cobra 50 Racer 50cc
- Kymco Cobra Racer 100
- Kymco Curio 50 CX50 KCP SA10AJ
- Kymco CX 50 Curio Bj.94-95
- Kymco CX 50 Normal Bj.94
- Kymco CX 50 Super Bj.94
- Kymco Dink 50 AC
- Kymco Dink 50 LC
- Kymco Dink 50 SH10C
- Kymco Dink 125
- Kymco Dink 125 Classic
- Kymco Dink 125 i
- Kymco Dink 150 Bj.97-98
- Kymco Dink 150 Classic Bj.02
- Kymco Dink 200
- Kymco Dink 200 Einspritzmotor Bj.06
- Kymco Dink 250 19.6PS
- Kymco Dink 250 20.4PS
- Kymco DJ 50 Refined SA10ED
- Kymco DJ 50 S
- Kymco DJ 50 SA 10AA
- Kymco DJ 50 Y
- Kymco DJ 50X
- Kymco DJ 125 S
- Kymco DJ Refined AC Bj.04-06
- Kymco DJ World AC Bj.94
- Kymco Downtown 125 ABS
- Kymco Downtown 125 i ABS
- Kymco Downtown 125 ohne ABS
- Kymco Downtown 200
- Kymco Downtown 250
- Kymco Downtown 300 ABS
- Kymco Downtown 300 ohne ABS Bj.09-12
- Kymco Easy 50
- Kymco Fever 1 50 ZX50 KCA SA10AL
- Kymco Fever 2 50 ZXII Super Fever SC10AS
- Kymco Filly 50
- Kymco Filly 50 LX Bj.02
- Kymco Grand Dink 50
- Kymco Grand Dink 50 S
- Kymco Grand Dink 50 SF10JA
- Kymco Grand Dink 50S SF10JB
- Kymco Grand Dink 125
- Kymco Grand Dink 125 S
- Kymco Grand Dink 125i
- Kymco Grand Dink 150 Bj.01
- Kymco Grand Dink 250
- Kymco Heroism 50
- Kymco Heroism 125
- Kymco Heroism 150
- Kymco Jockey 125
- Kymco K12 50 Bj.95-98
- Kymco KB 50 Edition Bj.98-05
- Kymco KB 50 Meteorit Scout 50
- Kymco KB-E 150
- Kymco K-XCT 125 i Bj.14-15
- Kymco Like 50
- Kymco Like 50 KE10AA
- Kymco Like 50 KG10AA
- Kymco Like 50 LX Bj.09
- Kymco Like 125
- Kymco Like 125 KN25AA
- Kymco Like 125 LX Bj.14-15
- Kymco Like 200
- Kymco Many 50
- Kymco Movie 125 XL
- Kymco Movie 125 XL 125cc
- Kymco Movie 125i S
- Kymco Movie 150 XL
- Kymco New Sento 50 i 4T
- Kymco NEWSento 50i SE10BC
- Kymco Nexxon 50
- Kymco People 50
- Kymco People 50 S Bj.04-08
- Kymco People S 50
- Kymco People 125
- Kymco People 125 GTi
- Kymco People GT 125 i Bj.14-15
- Kymco People 125 i One Bj.15
- Kymco People 125 S 1 SB Bj.05-07
- Kymco People 125 S DD 2 SB
- Kymco People S 125 BA25BA
- Kymco People 125i One
- Kymco People 150 S
- Kymco People 200 GTi Bj.10
- Kymco People 200 S
- Kymco People 250
- Kymco People 250 S
- Kymco People 300 S
- Kymco Scout 50
- Kymco Sento 50
- Kymco Sniper 50 Bj.94
- Kymco Sniper 50 DD Bj.94-96
- Kymco Spacer 50 Yager 50 Bj.98-02
- Kymco Spacer 125
- Kymco Super 8 50
- Kymco Super 8 125 4T
- Kymco Super 9 50 AC
- Kymco Super 9 50 LC
- Kymco Super 9 125 Bj.99
- Kymco Super 9 250
- Kymco Top Boy 50 Bj.00-04
- Kymco Top Boy 50 COBRA
- Kymco Top Boy100 Bj.97-00
- Kymco Top Boy100 On Off Road Bj.99-00
- Kymco Vitality 50
- Kymco Vivio 125 Bj.99
- Kymco Vivio 150 Bj.99
- Kymco xCiting 250i
- Kymco xCiting 300i R
- Kymco Xciting 500
- Kymco xCiting 500i AFI
- Kymco xCiting 500i R
- Kymco xCiting 500i R EVO ABS
- Kymco Yager 50 GT
- Kymco Yager 50 Spacer 50
- Kymco Yager 50 Spacer
- Kymco Yager 125
- Kymco Yager 125 GT
- Kymco Yager Spacer 125 10 Zoll SH25AA
- Kymco Yager Spacer 125 12 Zoll SH25BB
- Kymco YUP 50
- Kymco Yup 50 45 km/h Bj.01-03
- Kymco Yup 250 Classic
- Kymco ZX 50 Fever
- Kymco ZX 50 Fever 2
- Kymco ZX 50 Super Fever
- Lambretta
- Lance
- Laverda
- Lecson
- Lifan
- Linhai
- LinteX
-
LML
- LML Star Deluxe 125
- LML Star Deluxe 125 4T Automatik
- LML STAR Deluxe 4S 125
- LML Star Deluxe 150
- LML STAR Deluxe 4S 200
- LML Speedy 125
- LML Star Light 50
- LML Stella 125
- LML Vespa NV 125
- LML Vespa NV-150
- LML Vespa NV-200
- LML Vespa Star 125 Automatik
- LML Vespa Star 2 125
- LML Vespa Star 2 150
- LML Vespa Star 4 125
- LML Vespa Star 4 150
- LML Vespa T5 200
- LML Vespa T5-150
- LML Vespa Star 200 4T
- Longbo
-
Longjia
- Longjia Digita 50
- Longjia Estate 50
- Longjia Exactly 50
- Longjia Exactly 50 TA Bj.06
- Longjia Exactly 125
- Longjia F1 50
- Longjia F1 150
- Longjia LJ50QT-2L
- Longjia LJ50QT-2M
- Longjia LJ50QT-4
- Longjia LJ50QT-E
- Longjia LJ50QT-F Alien 50
- Longjia LJ50QT-F-01
- Longjia LJ50QT-F-01 Bj.06
- Longjia LJ50QT-H
- Longjia LJ50QT-H Grido 50 Bj.10
- Longjia LJ50QT-K Exactly 50
- Longjia LJ50QT-K Plus Bj.10
- Longjia LJ50QT-L Bj.10
- Longjia LJ125T-A
- Longjia LJ150T-A
- Longjia Maxx 125
- Longjia Raptur 50
- Longjia Speedjet 50 Evo Bj.12
- Longjia Trevis 50 Bj.12
- Longjia Versus 50
- Luxxon
- Macal
-
Malaguti
- Malaguti Blog 125
- Malaguti CapiRex 50
- Malaguti Centro 50 Bj.90-94
- Malaguti Centro 50 SL 45 km/h
- Malaguti Centro 50 SL 50 km/h Bj.93-01
- Malaguti Centro 50 SL 45 km h
- Malaguti Centro 125
- Malaguti Centro 125 SL
- Malaguti Centro 160 i.e Bj.07-11
- Malaguti Ciak 50
- Malaguti Ciak 50 DD Twin Disks 2 SB
- Malaguti Ciak 50 DT 1 SB Bj.98
- Malaguti Ciak 50 Master
- Malaguti Ciak 125
- Malaguti Ciak 125 Master
- Malaguti Ciak 150
- Malaguti Ciak 150 Master Bj.06-07
- Malaguti Ciak 200 Master Bj.06-11
- Malaguti Crosser 50 CR1
- Malaguti Crosser 50 AC Morini
- Malaguti DVD-Malboline 50 Bj.10-11
- Malaguti F10
- Malaguti F10 Jet Line 50 Bj.99
- Malaguti F10 50 Jet Line 50 km/h
- Malaguti F10 50 Jet Line WAP
- Malaguti F10 50 Jet Line WAP Euro 2
- Malaguti F10 50 Jet Line WAP Fast Time 45km/h
- Malaguti F10 Cat. 50 Bj.99
- Malaguti F10 Wap 50 Bj.04
- Malaguti F12 50 Phantom AC DD Racing Life Euro2
- Malaguti F12 50 Phantom AC DT 45km/h Euro2
- Malaguti F12 50 Phantom AC DT
- Malaguti F12 50 Phantom AC DT 50km/h Euro1
- Malaguti F12 50 Phantom AC DT 50km/h Euro2
- Malaguti F12 50 Phantom AC DT R 45 km/h
- Malaguti F12 50 Phantom AC Racing 25km/h
- Malaguti F12 50 Phantom AC TB R 45 km/h
- Malaguti F12 50 Phantom LC DD 50 km/h
- Malaguti F12 50 Phantom LC DD Digit Euro2-2.3
- Malaguti F12 50 Phantom LC DD Digit Racing Life Euro2
- Malaguti F12 50 Phantom LC DT 50 km/h
- Malaguti F12 50 Phantom LC DT Spectrum
- Malaguti F12 50 Phantom LC R 45 km/h
- Malaguti F12 Phantom
- Malaguti F12 Phantom 50 AC Bj.03
- Malaguti F12 Phantom 50 AC 07 CPI Motor
- Malaguti F12 Phantom 50 LC
- Malaguti F12 Phantom 50 R
- Malaguti F12 Phantom R 50
- Malaguti F12 Phantom LC
- Malaguti F12 100 Phantom MaX
- Malaguti F12 100 Phantom Max 100cc
- Malaguti F12 Phantom Max 125
- Malaguti F12 Phantom Max 250
- Malaguti F15 50 Firefox AC DD Euro 1
- Malaguti F15 50 Firefox AC DD Euro 2
- Malaguti F15 50 Firefox LC DD Bj.00-03
- Malaguti F15 50 Firefox LC DD Digit 25km/h
- Malaguti F15 50 Firefox LC DD Digit 45km/h
- Malaguti F15 50 Firefox LC DD Digit 50km/h
- Malaguti F15 50 Firefox LC DD Euro 1
- Malaguti F15 50 Firefox LC DT Bj.96-97
- Malaguti F15 FirefoX
- Malaguti F15 Firefox 50 AC Bj.04
- Malaguti F15 Firefox 50 LC Bj.03
- Malaguti F18 Warrior 125
- Malaguti F18 Warrior 150
- Malaguti Madison 125
- Malaguti Madison 125 1999-2003
- Malaguti Madison 125 Minarelli Motor
- Malaguti Madison 125 R Minarelli Motor
- Malaguti Madison 125 RST Minarelli Motor
- Malaguti Madison 150
- Malaguti Madison 180
- Malaguti Madison 200
- Malaguti Madison 250 Minarelli Motor
- Malaguti Password 250 Euro2
- Malaguti Password 250 Euro3
- Malaguti Yesterday 50
- Massimo
- Mawi
-
MBK
- MBK Active 50
- MBK Booster 50
- MBK Booster 50 12 Zoll
- MBK Booster 50 Naked Bj.04-06
- MBK Booster 50 NG Next Generation
- MBK Booster 50 R Road
- MBK Booster 50 Rocket
- MBK Booster 50 Spirit Bj.95-06
- MBK Booster 50 Track
- MBK Booster NG 50 Bj.98
- MBK Booster Rocket 50
- MBK Booster Spirit 50
- MBK Booster Track 50
- MBK Booster 100
- MBK Cityliner 250 Bj.07-09
- MBK Doodo 125 Bj.99-05
- MBK Doodo 150 Bj.01-04
- MBK Evolis 50
- MBK Evolis 80 Bj.93-99
- MBK Fizz 50
- MBK Flame 125
- MBK Flipper 50
- MBK Forte 50 50 km/h
- MBK Forte 50 25 km/h Bj.97-98
- MBK Mach G 50 AC
- MBK Mach G 50 AC Bj.02-06
- MBK Mach G 50 LC
- MBK Mach R RR
- MBK New Flame 125 F
- MBK Nitro 50
- MBK Nitro 50 Assistance Bj.00-01
- MBK Nitro 50 Assistance 50 km/h
- MBK Nitro 50 Cat. Bj.03
- MBK Nitro 50 Jaguar 45 km/h Bj.01-02
- MBK Nitro 50 Jaguar 50 km/h Bj.01
- MBK Nitro 50 KAT
- MBK Nitro 50 KAT 45 km/h Bj.04
- MBK Nitro 50 KAT Stage 2 Bj.99-06
- MBK Nitro 50 Naked
- MBK Nitro 50 Power up Bj.06
- MBK Nitro LC 50
- MBK Nitro 100 1 SB
- MBK Nitro 100 2 SB 2T Bj.99-03
- MBK Ovetto 50
- MBK Ovetto 50 45 km/h Bj.02-06
- MBK Ovetto 50 50 km/h Bj.96-01
- MBK Ovetto 50 KAT Bj.04-07
- MBK Ovetto 100
- MBK Skycruiser 125 Bj.06-09
- MBK Skycruiser 250 Bj.05-07
- MBK Skyliner 125
- MBK Skyliner 250
- MBK Sorriso 50
- MBK Spirit 50
- MBK Stunt 50 AC
- MBK Stunt Naked 50
- MBK Target 50 Bj.91-94
- MBK Thunder 125
- MBK Thunder 150
- MBK Vertex 150 Bj.97
- MBK XC Flame 125 F Bj.00-03
- MBK XC Flame 125 R
- MBK XC Flame 125 T 2 Bj.95-00
- MBK XC Flame 125 X Bj.04-06
- MBK XC New Flame 125 TR 1 SB Bj.96
- Meteorit
- Minimoto
- MKS
-
Moto-B Motobi
- Moto-B Motobi BS One 50
- Moto-B Motobi Modena 50
- Moto-B Motobi Pesaro 50
- Moto-B Motobi Rimini 50
- Moto-B Motobi Siena 50
- Motobi BC1 50
- Motobi BS1 50
- Motobi BS1 50 Eco
- Motobi Imola 50 Bj. 10
- Motobi Imola 50 SE
- Motobi Imola 50 SE Bj. 11
- Motobi Imola CYR 50
- Motobi Pesaro 50
- Motobi Pesaro 50 Bj. 10-11
- Motobi Ravenna 50
- Motobi Rimini 50 Bj. 10-11
- Motobi Rimini 50 BJ. 12-13
- Motobi Rimini 125 Bj. 11
- Moto Zeta
- Motofino
- Motomojo
- Universal
- Motorro
-
Motowell
- Motowell Crogen 50
- Motowell Crogen 50 City
- Motowell Crogen 50 City 50cc
- Motowell Crogen 50 RS Bj.10
- Motowell Crogen Sport
- Motowell Elenor 50
- Motowell Magnet 50
- Motowell Magnet 50 City Bj.10
- Motowell Magnet RS 50 Bj.10
- Motowell Magnet Sport 50 Bj.10
- Motowell Retrosa 50
- Motowell Retrosa 125
- Motowell Yoyo 50 ccm
- Motowell Yoyo 50
- Motron
- MZ MuZ
- Neco
- Nipponia
- Nova Motorroller
- NSU
- OBI
-
Otto Versand
- Otto Versand 49er
- Otto Versand Athena 125 Bj.06
- Otto Versand Dolce 50
- Otto Versand Dolphin 50
- Otto Versand Eco Fox 50
- Otto Versand Eco Fox 50 25 km h
- Otto Versand Ering Delta Racer 50
- Otto Versand Ering Delta Racer 125 Bj.06
- Otto Versand Ering Dynamic 50
- Otto Versand Ering Dynamic 50 25 km h
- Otto Versand Ering Dynamic 125 Bj.06
- Otto Versand Ering Red Wing 50
- Otto Versand Ering Red Wing 125 Bj.06
- Otto Versand Fashion 50 Bj.04
- Otto Versand Firebird 50 Milano Bj.08
- Otto Versand Firebird 50 Minarelli Motor
- Otto Versand Flex Tech Fun 50
- Otto Versand Flex Tech Topspeed 50
- Otto Versand Flex Tech Topspeed 50 Mofaroller
- Otto Versand Formula 2000 L84TCAPC
- Otto Versand Formula 2000 LX6TCAPC
- Otto Versand GT 5.2 25 km/h Bj.09
- Otto Versand GT 5.2 Bj.09
- Otto Versand GTX 50 25 km/h Bj.94
- Otto Versand GTX 50 Bj.94
- Otto Versand Panther 50
- Otto Versand Retro Firenze 50
- Otto Versand Retro Firenze 50 Mofaroller
- Otto Versand Retro Star 50
- Otto Versand Retro Venus 50
- Otto Versand Revonec GTX 50 Bj.12
- Otto Versand Rex 50 Bj.05
- Otto Versand Rex Monza 50
- Otto Versand Rex RS400
- Otto Versand Rex RS750 Bj.08
- Otto Versand Rex SC125 Bj.08
- Otto Versand Siena 50
- Otto Versand Speed Fox 50
- Otto Versand Speed Fox 50 25 km h
- Otto Versand Sprint 50
- Otto Versand Strada 50
- Otto Versand Tempesto 50 Bj.11
- Otto Versand Titano 50
- Otto Versand Venezia 50
- Otto Versand Venus 50
- Otto Versand Wild Eagle 50
-
Pegasus ZEG
- Pegasus ZEG Corona 50
- Pegasus ZEG Corona 50 Comfort 25 km/h
- Pegasus ZEG Corona 50 Comfort Bj.03-05
- Pegasus ZEG Corona 50 Edition Bj.02
- Pegasus ZEG Corona 50 Sport 25 km/h
- Pegasus ZEG Pegasus_(ZEG) Corona 50 Sport 2T
- Pegasus ZEG Corona 50 Sport Bj.02-05
- Pegasus ZEG Corona 50 Sport Edition
- Pegasus ZEG P 50 Classic Bj.09
- Pegasus ZEG R 50 X 50 Bj.05-10
- Pegasus ZEG R 50 X
- Pegasus ZEG S 50 GP Bj.09
- Pegasus ZEG S 50 LX
- Pegasus ZEG Skiper 50
- Pegasus ZEG Skiper 125
- Pegasus ZEG Sky 50 Bj.97-03
- Pegasus ZEG Sky 50 Express
- Pegasus ZEG Sky 50 High Wheels 25 km/h
- Pegasus ZEG Sky 50 High Wheels Bj.00-03
- Pegasus ZEG Sky I
- Pegasus ZEG Sky II
- Pegasus ZEG Solero 50 Bj.00-01
-
Peugeot
- Peugeot 103 SP Mofa Bj.93-95
- Peugeot Buxy 50
- Peugeot Buxy 50 RS
- Peugeot Buxy M Bj.94-97
- Peugeot Citystar 50
- Peugeot Citystar 50 RS
- Peugeot Citystar 125
- Peugeot Citystar RS 125
- Peugeot Citystar 151 AC
- Peugeot Citystar 200
- Peugeot Citystar RS 200
- Peugeot Django 50
- Peugeot Elyseo 50
- Peugeot Elyseo 100
- Peugeot Elyseo 125
- Peugeot Elyseo 150
- Peugeot Elyseo De Luxe
- Peugeot Elystar 50
- Peugeot Elystar 50 Advantage
- Peugeot Elystar 50 TSDI
- Peugeot Elystar TSDI
- Peugeot Elystar 125 Advantage
- Peugeot Fox 50
- Peugeot Jet Force 50
- Peugeot Jet Force 50 C-Tech
- Peugeot Jet Force 50 H2 i
- Peugeot Jet Force 50 TSDI
- Peugeot Jet Force 125
- Peugeot Jet Force 125 ABS
- Peugeot Jet Force 125 Compressor
- Peugeot Kisbee 50 Bj.13-15
- Peugeot Kisbee 50 RS 50cc
- Peugeot Kisbee 50 RS
- Peugeot Kisbee 50 4T Sportline
- Peugeot Kisbee 50 2T Streetzone
- Peugeot Looxor 50
- Peugeot Looxor 50 TSDI
- Peugeot Looxor 100 2 SB Bj.01
- Peugeot Ludix 50 AC
- Peugeot Ludix 50 LC
- Peugeot Ludix 50 1 AC
- Peugeot Ludix 50 One AC
- Peugeot Ludix 50 1 AC Trend. 10Zoll 2 SB
- Peugeot Ludix 50 1 AC Urban Track. 10Zoll
- Peugeot Ludix 50 1 LC Blaster 10Zoll Radical
- Peugeot Ludix 50 1 LC Blaster
- Peugeot Ludix 50 1 LC Blaster 12Zoll Rcup
- Peugeot Ludix 50 2 AC 14Zoll Bj.07
- Peugeot Ludix 50 2 AC 14Zoll EP Bj.08
- Peugeot Ludix 50 2 AC Elegance 14Zoll 1 SB
- Peugeot Ludix 50 2 AC One. 10Zoll 2 Bj.07
- Peugeot Ludix 50 2 AC Professional EP
- Peugeot Ludix 50 2 AC Professional Pro
- Peugeot Ludix 50 2 AC Snake Furious. 10Zoll
- Peugeot Ludix 50 2 AC Snake. 10Zoll 1 SB
- Peugeot Ludix 50 2 AC Trend. 10Zoll 1 SB
- Peugeot Ludix 2 Snake Furious
- Peugeot Ludix 2 50 Urban Track
- Peugeot Ludix 50 2 Blaster Ice Blade
- Peugeot Ludix 50 2 Blaster R Cup
- Peugeot Ludix 50 2 LC Blaster 12Zoll RS 1 SB
- Peugeot New Vivacity 50
- Peugeot Satelis 400 Premium RS Piaggio Motor
- Peugeot Satelis 400 RS Piaggio Motor
- Peugeot SC 50 Metropolis
- Peugeot SC 80 L
- Peugeot Speedake 50
- Peugeot Speedake 50 Bremse AJP
- Peugeot Speedake 50 Bremse Brembo
- Peugeot Speedake 50 Bremse Heng Tong
- Peugeot Speedfight 1 50 AC
- Peugeot Speedfight 1 50 LC
- Peugeot Speedfight 2 50 AC
- Peugeot Speedfight 2 50 LC
- Peugeot Speedfight 3 50
- Peugeot Speedfight 3 50 AC
- Peugeot Speedfight 3 50 LC
- Peugeot Speedfight 50 1 AC 1 SB
- Peugeot Speedfight 50 1 AC 2 SB
- Peugeot Speedfight 50 1 AC Bj.96-99
- Peugeot Speedfight 50 1 LC 1 SB Bj.96-99
- Peugeot Speedfight 50 1 LC Bremse Heng Tong 1SB
- Peugeot Speedfight 50 2 AC 1 SB
- Peugeot Speedfight 50 2 AC Bremse AJP 1 SB
- Peugeot Speedfight 50 2 AC Bremse AJP 1SB Acid
- Peugeot Speedfight 50 2 AC Bremse Heng Tong 1SB
- Peugeot Speedfight 50 2 AC Bremse Heng Tong Acid
- Peugeot Speedfight 50 2 AC Victories Bremse AJP
- Peugeot Speedfight 50 2 LC 2 SB Bj.00-03
- Peugeot Speedfight 50 2 LC Bremse AJP
- Peugeot Speedfight 50 2 LC Bremse AJP. 2 SB
- Peugeot Speedfight 50 2 LC Bremse Heng Tong
- Peugeot Speedfight 3 50 AC 2T Total
- Peugeot Speedfight 100 1 2 SB 2T Bj 97-00 Bj
- Peugeot Speedfight 100 2 Bremse AJP
- Peugeot Speedfight 100 2 WRC 206 Bremse AJP 2SB
- Peugeot Speedfight 100 2 WRC 307 Bremse AJP 2SB
- Peugeot Speedfight 100 2 X-Race Bremse AJP 2SB
- Peugeot Speedfight 125
- Peugeot Splinter 50 VGA427
- Peugeot Squab 50
- Peugeot Squab 50 Bremse Heng Tong Bj.97
- Peugeot Squab 50Bremse AJP Bj.94
- Peugeot ST 50 Rapido 50 Bj.85-93
- Peugeot Streetzone 50 Bj.14-15
- Peugeot Sum Up 125
- Peugeot SV 50 Geo
- Peugeot SV 50 L.R.Garros Sport Junior 1 SB
- Peugeot SV 50 L.R.Garros Sport Junior 2 TB
- Peugeot SV 50 LM 1 SB Bj.95-98
- Peugeot SV 125 Geo
- Peugeot SV 125 Geo L Bj.96-97
- Peugeot SV 250
- Peugeot TKR 50
- Peugeot TKR 50 Furious
- Peugeot TKR 50 MetalX
- Peugeot TKR 50 RCup
- Peugeot TKR 50 Victories
- Peugeot TKR 50 WRC
- Peugeot Trekker 50
- Peugeot Trekker 50 Off Road
- Peugeot Trekker 50 On Road
- Peugeot Tweet 50 Bj.09-14
- Peugeot Tweet 50 Evo Bj.14-15
- Peugeot Tweet 50 Evo RS Bj.14-15
- Peugeot Tweet 50 RS Bj.11-14
- Peugeot Tweet 125
- Peugeot Tweet 125 Evo Bj.14-15
- Peugeot Tweet 125 Evo RS Bj.14-15
- Peugeot Tweet 125 RS
- Peugeot V-Clic 50
- Peugeot V-Clic 50 4T Silver Sport LAEAGZ40
- Peugeot Vivacity 3 AC
- Peugeot Vivacity 3 CL 50 Bj.14-15
- Peugeot Vivacity 50 25 km/h 2T
- Peugeot Vivacity 50
- Peugeot Vivacity 50 Bj.02
- Peugeot Vivacity 50 Bremse Heng Tong
- Peugeot Vivacity 50 AC Bj.10
- Peugeot Vivacity 50 50 km/h Bj.98-01
- Peugeot Vivacity 50 Blue Line 45 km/h
- Peugeot Vivacity 50 Compact Bj.06
- Peugeot Vivacity 50 Paioli Gabel
- Peugeot Vivacity 50 Roland Garros Bj.06
- Peugeot Vivacity 50 Silver Sport Bj.06
- Peugeot Vivacity 50 Sixtees Bj.10
- Peugeot Vivacity 50 Sportline
- Peugeot Vivacity 50 2T SportLine 2 S1C0KF
- Peugeot Vivacity 50 Sportline II
- Peugeot Vivacity 50 Sportline 3 45 km/h
- Peugeot Vivacity 50 VSX Bj.02
- Peugeot Vivacity 100
- Peugeot Vivacity 100 Bremse Heng Tong
- Peugeot X-Fight 100 Bremse AJP Bj.00-07
- Peugeot X-Fight 50 AC Bremse AJP 1 SB
- Peugeot X-Fight 50 AC Iron X Bremse AJP 1SB
- Peugeot X-Fight 50 AC Silver Sport Bremse AJP
- Peugeot X-Fight 50 AC Victories Bremse AJP
- Peugeot X-Fight 50 LC Bremse AJP 2 SB
- Peugeot X-Fight 50 LC Bremse Heng Tong 2 SB
- Peugeot X-Fight 50 LC Iron X Bremse AJP 2SB
- Peugeot X-Fight 50 LC Silver Sport Bremse AJP
- Peugeot X-Fight 50 LC Victories Bremse AJP 2SB
- Peugeot Zenith 50
- Peugeot Zenith 50 2 TB Bj.95-96
- Peugeot Zenith 50 25 km/h 2 Bj.94-99
- Peugeot Zenith 50 L 1 SB Bj.95-96
- Peugeot Zenith 50 L 2 TB Bj.93-00
- Peugeot Zenith 50 L Bremse Brembo Bj.96
- Peugeot Zenith 50 L Bremse Grimeca 1 SB
- Peugeot Zenith 50 LM 2 TB Bj.97-98
- Peugeot Zenith 50 LN Bremse AJP 1 SB
- Peugeot Zenith 50 M 2 TB Bj.97
- Peugeot Zenith 50 N 2 TB Bj.98
- Peugeot Zenith 50 N Bremse Brembo 1 SB
- Peugeot Zenith 50 MA Mofa VGA423
-
PGO Motorroller
- PGO Big Max 50
- PGO Big Max 50 Cromo
- PGO Big Max Hot 50 Bj.98
- PGO Big Max Sport Bj.96-00
- PGO Big Max 90
- PGO Comet 50
- PGO G-MaX
- PGO G-Max 50 25 km/h Bj.04
- PGO G-Max 50 Euro 2
- PGO G-Max 50 Doppler
- PGO G-Max 50 Naked
- PGO G-Max 125
- PGO G-Max 150
- PGO G-Max 250
- PGO Galaxy 50
- PGO Galaxy 90
- PGO Ligero 50
- PGO Ligero RS 50
- PGO Ligero 100
- PGO Ligero 125
- PGO Ligero RS 125
- PGO Mega 50 Bj.96
- PGO PMS 50
- PGO PMX 50
- PGO PMX 90
- PGO PMX 110
- PGO PMX Sport 30
- PGO PMX 50 Sport
- PGO PMX Sport 110
- PGO PS 50 Bj.93
- PGO Rodoshow 50 Bj.00-05
- PGO Star 50
- PGO Star 50 2
- PGO Star 80 2 Bj.94-96
- PGO Star 80 Bj.90-93
- PGO Super Fifty 50 Bj.97-99
- PGO Tigra 125
- PGO Tornado 50
- PGO Tornado 90
- PGO T-Rex 50
- PGO T-Rex 50 Euro 2 Bj.03
- PGO T-Rex 110
- PGO T-Rex 125
- PGO T-Rex 150
-
Piaggio Motorroller
- Piaggio Beverly 125 GT
- Piaggio Beverly 125 RST
- Piaggio Beverly 125 Tourer
- Piaggio Beverly 250 Cruiser
- Piaggio Beverly 500 Cruiser
- Piaggio Carnaby 200 Bremse Brembo
- Piaggio Carnaby 200 Bremse Heng Tong
- Piaggio Carnaby 250
- Piaggio Carnaby125 Bremse Brembo
- Piaggio Carnaby125 Bremse Heng Tong
- Piaggio Diesis 50 2T Motor
- Piaggio Diesis 100
- Piaggio Extreme
- Piaggio Fly 50 Bj.07-12
- Piaggio Fly 50 DT ZAPC442 LBMC445
- Piaggio Fly 125
- Piaggio Free 50 1 25 km/h Bj.93-95
- Piaggio Free 50 1 50 km/h Bj.93-95
- Piaggio Free 50 FL II
- Piaggio Free 50 Postmodell
- Piaggio Hexagon 125
- Piaggio Hexagon 125 LC
- Piaggio Hexagon 150
- Piaggio Hexagon 150 KAT Bj.95-96
- Piaggio Liberty 50
- Piaggio Liberty 50 DT ZAPC282 16 Zoll Hinterrad Bj.00-02
- Piaggio Liberty 50 DT Bj.09
- Piaggio Liberty 50 PTT Bj.04-05
- Piaggio Liberty 50 RST
- Piaggio Liberty 50 RST Delivery
- Piaggio Liberty 50 RST DT Bj.04-08
- Piaggio Liberty 50 Sport Bj.07-13
- Piaggio Liberty 50 Sport DT
- Piaggio MC3 Purejet
- Piaggio NRG
- Piaggio NRG 50
- Piaggio NRG 50 Extreme AC
- Piaggio NRG 50 Extreme LC
- Piaggio NRG 50 I LC
- Piaggio NRG 50 MC 2
- Piaggio NRG 50 MC 3
- Piaggio NRG 50 MC 3 DD
- Piaggio NRG 50 MC 3 DT
- Piaggio NRG 50 MC3 LC DD 45kmh
- Piaggio NRG 50 Power DD
- Piaggio NRG 50 Power DT
- Piaggio NRG 50 Power Pure Jet
- Piaggio NRG MC 2
- Piaggio NRG MC3
- Piaggio NTT 50
- Piaggio Quartz 50 1
- Piaggio Quartz 50 2 Maquillage
- Piaggio Rally 180
- Piaggio Rally 200
- Piaggio Sfera 50 1
- Piaggio Sfera 50 1 KAT Bj.91-93
- Piaggio Sfera 50 2 Bj.93-95
- Piaggio Sfera 50 2 KAT Bj.95-95
- Piaggio Sfera 50 3 RST Bj.95-97
- Piaggio Skipper 125 LEADER
- Piaggio Skipper 125 LX
- Piaggio Skipper 125 LX Bj.98-00 Bj.98-00
- Piaggio Skipper 150 LX
- Piaggio Skipper 150 LXT
- Piaggio SKR 125 Skipper Bj.93-97
- Piaggio Sprint 150
- Piaggio Storm 50
- Piaggio TPH 50
- Piaggio TPH 50 KAT
- Piaggio TPH 50 Modell 2010
- Piaggio TPH 50 Typhoon
- Piaggio TPH 50 X Bj.99-00
- Piaggio TPH 50 X-R
- Piaggio TPH 125 Bj.95-98
- Piaggio TPH 125 80 km/h Bj.96-97
- Piaggio TPH 125 X Bj.99-00
- Piaggio TPH 125 X-R 2T Bj.00-03 Bj.00-03
- Piaggio Vespa 125 GT
- Piaggio Vespa 125 GTR
- Piaggio Vespa 150
- Piaggio Vespa 150 Sprint
- Piaggio Vespa 150 T
- Piaggio Vespa 180 SS
- Piaggio Vespa 200 Rally
- Piaggio Vespa 946
- Piaggio Vespa Cosa 200
- Piaggio Vespa ET2 50 ab Juni 1998
- Piaggio Vespa ET2 50 KAT Bj.03-06
- Piaggio Vespa ET4 50
- Piaggio Vespa ET4 125 Leader
- Piaggio Vespa Granturismo 200 L
- Piaggio Vespa GS
- Piaggio Vespa GT 125
- Piaggio Vespa GT 200
- Piaggio Vespa GTS 125
- Piaggio Vespa GTS 125 i.e. Einspritzer
- Piaggio Vespa GTS 125 LC Euro 3
- Piaggio Vespa GTS 250 Br.Grimeca.m.ABS
- Piaggio Vespa GTS 250 Br.Heng Tong.m.ABS
- Piaggio Vespa GTS 250 i.e.
- Piaggio Vespa GTS 300
- Piaggio Vespa GTS 300 Super
- Piaggio Vespa GTS 300 Super ABS ASR
- Piaggio Vespa GTS 300 Super Sport
- Piaggio Vespa GTS 300 Touring ABS ASR
- Piaggio Vespa GTS i.e. ABS 250
- Piaggio Vespa GTV 125
- Piaggio Vespa GTV 300
- Piaggio Vespa LX 50
- Piaggio Vespa LX 50 Bremse Grimeca Bj.05
- Piaggio Vespa LX 50 Bremse Heng Tong
- Piaggio Vespa LX 50 2V Bj.05-07
- Piaggio Vespa LX 50 4V
- Piaggio Vespa LX 125
- Piaggio Vespa LX 125 Euro 3
- Piaggio Vespa LX 150
- Piaggio Vespa LXV 125 4T E3 2006-2009
- Piaggio Vespa P 80 X
- Piaggio Vespa P125X
- Piaggio Vespa P 150 X Bj.78-84
- Piaggio Vespa P 200 X
- Piaggio Vespa PK 50
- Piaggio Vespa PK 125 S Automatik
- Piaggio Vespa Primavera 50
- Piaggio Vespa Primavera 50 13 ZAPC532
- Piaggio Vespa PX 80 E Lusso
- Piaggio Vespa PX 125
- Piaggio Vespa PX 125 E Lusso
- Piaggio Vespa PX 150
- Piaggio Vespa PX 150 E Lusso
- Piaggio Vespa PX 200
- Piaggio Vespa PX 200 E Gespann
- Piaggio Vespa PX 200 E GS
- Piaggio Vespa PX 200 E Lusso
- Piaggio Vespa S 50 Bj.07
- Piaggio Vespa S 125
- Piaggio Vespa S 125 Einspritzmotor
- Piaggio Vespa T5
- Piaggio Vespa T5 Classic
- Piaggio X7 250
- Piaggio X7 300 Evo
- Piaggio X8 150
- Piaggio X9 125 Evolution
- Piaggio X9 250
- Piaggio X9 250 Evolution
- Piaggio XEvo 125
- Piaggio XEvo 250
- Piaggio Zip 50
- Piaggio Zip 50 2 CAT DT 45km/h Br.Grimeca
- Piaggio Zip 50 25 km h
- Piaggio Zip 50 45 km/h Bj.09-15
- Piaggio Zip 50 45km/h Bremse Heng Tong
- Piaggio Zip 50 45km/h Bremse Grimeca
- Piaggio Zip 50 Base RST 1 SB
- Piaggio Zip 50 Base RST 1 SB 25km/h
- Piaggio Zip 50 Base RST 2 TB
- Piaggio Zip 50 Base RST 2 TB 25km/h
- Piaggio Zip 50 Base RST Pigmentato DT
- Piaggio Zip 50 Base RST Pigmentato DT 25km/h
- Piaggio Zip 50 CAT DT 25km/h B.Grimeca
- Piaggio Zip 50 CAT DT 45km/h Heng Tong
- Piaggio Zip 50 Fast Rider 1 FR1
- Piaggio Zip 50 Fast Rider 2 FR2
- Piaggio Zip 50 2T SP LC 2000
- Piaggio Zip 50 SP LC 2000 Bj.00-03
- Piaggio Zip 50 SP LC Bj.96-98
- Piaggio Zip 50 Zip
- Piaggio Zip 50 DT AC ZAPC250 Bj.00-05
- Piaggio Zip 50 DT AC Bj.06
- Piaggio Zip Base 50 DT AC Bj.96-98
- Piaggio Zip Fast Rider 50 DT AC SSL1T Bj.94-96
- Piaggio Zip Fast Rider 50 DT AC ZAPC070 Bj.96-00
- Piaggio Zip RST 50 DT ZAPC060 Bj.96-00
- Powersports
- Praktiker
- Puch
- Pulse
- Puma
- Qianjiang QJ
-
Quelle Versand
- Quelle Versand Buffalo 50 25 km h
- Quelle Versand Buffalo 50 45 km/h
- Quelle Versand Buffalo 50 50 km/h Bj.99
- Quelle Versand Buffalo AT10 50 Byte 25 km/h
- Quelle Versand Buffalo AT10 50 Byte 50 km/h
- Quelle Versand Buffalo Adly AT 125
- Quelle Versand Buffalo Carosello 50
- Quelle Versand Buffalo CY 50 50 km/h Bj.08
- Quelle Versand Buffalo Hero 50
- Quelle Versand Buffalo MK 50 Bj.99
- Quelle Versand Buffalo MY 50
- Quelle Versand Buffalo Rocky 50
- Quelle Versand Buffalo Silver 50
- Quelle Versand Buffalo Silverfox 50
- Quelle Versand Buffalo Skeggia 50 Bj.00
- Quelle Versand Buffalo Speedy 50
- Quelle Versand Buffalo Tanco 50
- Quelle Versand Buffalo Thunderbike 50
- Quelle Versand Buffalo Warrior 50
- Quelle Versand Buffalo Wind 50 25 km/h
- Quelle Versand Buffalo Wind 50 45 km/h
- Real
-
Rex Motorroller
- Rex 25
- Rex 50
- Rex 25 Escape
- Rex 50 Escape
- Rex 25 Silverstreet
- Rex 50 Silverstreet
- Rex 25 Trophy
- Rex 50 Trophy
- Rex 25-50 2-T
- Rex 50 Scooter
- Rex Bergamo 50
- Rex Chopper 125
- Rex Cruiser 125
- Rex Drive 50
- Rex Drive Sport 50
- Rex Escape 50 Bj.03-05
- Rex Flash 50 Bj.04
- Rex Genua 50 ccm
- Rex Imola 125
- Rex JIGGER 50 City
- Rex Milano 125
- Rex Monaco 125
- Rex Off Limit
- Rex RC 50 Bj.06
- Rex Rexy 125
- Rex RS125 QM125T-10D
- Rex RS250 QM50T-10A(B)
- Rex RS400
- Rex RS425 Mofaroller 4-T
- Rex RS450
- Rex RS460 BOSTON 8 50cc
- Rex RS500 QM50QT-6A(A) QINGQI
- Rex RS500
- Rex RS600 QM50QT-2
- Rex RS700 QM50QT-10A
- Rex RS900 QM50T-10A(A)
- Rex RS1000
- Rex RS1100
- Rex RS Classic 50
- Rex SC125 QM125T-10A(A)
- Rex Silverstar 50 ccm
- Rex Silverstar 50
- Rex Silverstreet
- Rex Silverstreet 50 Bj.99-02
- Rex SM 50
- Rex SPEEDY FLASH
- Rex Hiker 2.0 125 DD
- Rex Hiker 50 City DD
- Rex INSIGNIO 125 DD
- Rex Monza 50
- Rex RMC-E HIKER 125 DD SPORT
- Rex RMC-G 50
- Rex RMC-H GALACTICA 125 DD
- Rex Speedy 125 QM125T-10A
- Rex Palermo
- Rex Stratos Montana
- Rex RS125 QM125T-10H
- Rex Imola 50
- Rex Milano 50
- Rex Monaco 50
- Rex RS750
- Rex Torino 125
- Rex 25 Scooter
- Rex 50 Scooter/MK 50/CAPRIOLO 50 (2-Takt)
- Rex RS1000 Bj.09
- Rex Stratos Chicago
- Rex RS460
- Rex RS460 Mofaroller 4-T
- Rex REXY 25-50
- Rex Capriolo 50 4T
- Rex Stratos Montana 50
- Rex RS125
- Rex RS125 Capriolo Street
- Rex Aragon Club
- Rex Supermoto Enduro 125
- Rex Genua 50
- Rex Scooter 50
- Ride
- Rieju Motorroller
- Rivero
- Roketa
- Rondelli
-
Sachs Motorroller
- Sachs 49er 10 Zoll
- Sachs 49er 12 Zoll Bj.05-08
- Sachs 49er FY50QT 5
- Sachs Bee 125
- Sachs Bee 50
- Sachs Bee 50 FY50QT 13
- Sachs City CV 80
- Sachs Eagle 50
- Sachs Limbo 50
- Sachs Limbo 50 L
- Sachs Limbo 50 LM
- Sachs Limbo 50 MA 25 km h
- Sachs Limbo 50 MA 50 km h
- Sachs Reggae 50
- Sachs Reggae 50 RS
- Sachs Speedfight 100 1
- Sachs Speedfight 50 1 LC Bj.96-00
- Sachs Speedforce 50
- Sachs Speedforce R
- Sachs Speedjet 50 AC
- Sachs Speedjet 50 AC R
- Sachs Speedjet 50 LC RS Limited Edition
- Sachs Splinter 50
- Sachs Squab 50
- Sachs Squab 50 Junior
- Sachs SR 125 Bj.91-92
- Sachs SR 50
- Sachs SR 50 L.R.Garros Sport
- Sachs SR 80
- Sanli
- Sasy
- Schlecker
- Schwinn
- Selgros
- Shanghaj
- Shenke
- Siamoto Motorroller
- SIL
- Simson Motorroller
-
SMC Motorroller
- SMC Kreidler 50 Flory Bj.04
- SMC Owl 50 Bj.09
- SMC Flory 50
- SMC GALACTICA 2.0 RS 50 DD
- SMC GALACTICA 2.0 RC 50 DD
- SMC Hiker 2.0 50 DD
- SMC Florett RS 50 DD
- SMC JIGGER 50
- SMC RMC-E HIKER 50
- SMC RMC-E HIKER 50 DD SPORT
- SMC RMC-H GALACTICA 50 DD
- SMC Extra 50 Off Road 50kmh
- SMC Extra 50 Sport 50kmh
- SMC Kontra B 50 50kmh
- SMC Extra 50 B 50kmh
- SMC Extra 50 S 50kmh
- SMC Extra 50 T 50kmh
- SMC Kontra T 50 50kmh
- SMC Scooter
- SMC HELA DRIVE
- SMC Rexy 50
- SMC HELA DRIVE SPORT
- SMC Flash
- Steffen
- Sukida
- Sundiro Motorroller
- SunL
-
Suzuki Motorroller
- Suzuki Address 50
- Suzuki AH 100 Address
- Suzuki AH 50 Address 1 SB
- Suzuki AH 50 Address 2 TB
- Suzuki AP 50
- Suzuki AP 50 S Bj.92-95
- Suzuki AY 50
- Suzuki AY 50 AC Katana
- Suzuki AY 50 Katana WR
- Suzuki AY 50 LC Katana A50 Einspritzmotor
- Suzuki AY 50 LC Katana R50
- Suzuki AY 50 LC Katana R-WR
- Suzuki AY 50 LC Katana W
- Suzuki AY 50 LC Katana WR
- Suzuki AY 50 LC Katana WR-WRX-K1
- Suzuki Burgman AN 400
- Suzuki CP 50 Bj.84-87
- Suzuki CP 50 CHF Bj.89-93
- Suzuki CS 80
- Suzuki Estilete 50
- Suzuki Sepia 50
- Suzuki Sepia ZZ 50 Bj.89
- Suzuki UC 125 Bj.00-02
- Suzuki UC 125 U Bj.00-02
- Suzuki UC 150 Epicuro Bj.01-02
- Suzuki UE 125 CT Bj.00-03
- Suzuki UF 50 Estilete
- Suzuki UH 125 Burgman
- Suzuki UH 150 Burgman Bj.02-06
- Suzuki UH 200 Burgman
- Suzuki UX 50 Zillion
- Suzuki UX 50 Zillion hydr. Bremssystem
- Suzuki Zillion 50 LC Bj.99
-
SYM Sanyang Motors Motorroller
- Sanyang Motors 49er 50 Bj.05
- Sanyang Motors A30 Bj.96
- Sanyang Motors Allo 50 AC
- Sanyang Motors Allo 50 Bj.11
- Sanyang Motors Allo 50 GT Bj.14-15
- Sanyang Motors Attila 125 Bj.95
- SYM Attila 150
- Sanyang Motors Cinderella 100 Bj.01
- Sanyang Motors SYM_(Sanyang_Motors) Cinderella 50
- SYM Crox 125
- SYM Crox 150
- SYM Crox 50
- Sanyang Motors DD 50 25 km/h Bj.04-06
- Sanyang Motors DD 50 AC Bj.03
- Sanyang Motors DD 50
- SYM Duke 125
- Sanyang Motors Euro 125 MX Bj.03-06
- Sanyang Motors Fancy 50 AC F5L3
- Sanyang Motors Fancy 50 Bj.95-96
- Sanyang Motors Fiddle 1 125 Bj.09
- Sanyang Motors Fiddle 1 150 Bj.08-09
- Sanyang Motors Fiddle 1 50 AC FA05U Bj.03-08
- Sanyang Motors Fiddle 125 II
- Sanyang Motors Fiddle 2 150 10
- Sanyang Motors Fiddle 2 50 AC Bj.08
- Sanyang Motors Fiddle 50 Bj.03-07
- Sanyang Motors Fiddle 50 II Bj.08-15
- SYM Fiddle 50 III
- Sanyang Motors Fiddle125 III
- Sanyang Motors Flash 50 Bj.98-00
- Sanyang Motors Free 50 Bj.97-00
- Sanyang Motors GTS Joymax 250 Bj.06
- Sanyang Motors GTS Joymax 250i ABS
- Sanyang Motors GTS Joymax 250i Evo
- Sanyang Motors HD 125 Bj.05-08
- Sanyang Motors HD 125 EVO Bj.07-12
- Sanyang Motors HD 2 200 Bj.10-13
- Sanyang Motors HD 2 200 CBS Bj.14-15
- Sanyang Motors HD 200 Bj.05-10
- Sanyang Motors HD 200 EVO Bj.06-11
- SYM Jet 100
- Sanyang Motors Jet 100 Euro X Bj.04-07
- Sanyang Motors Jet 4 125 AD12W1 6
- SYM Jet 4 150
- Sanyang Motors Jet 4 50 AC AD05W1
- SYM Jet 4 R 50
- Sanyang Motors Jet 4R 50 JD05W
- SYM Jet 50
- Sanyang Motors Jet 50 BL05W Bj.01-05
- Sanyang Motors Jet 50 BasiX Bj.08-12
- Sanyang Motors Jet 50 EuroX Bj.06-12
- SYM Jet 50 EVO
- Sanyang Motors Jet 50 Racelift 45km/h
- Sanyang Motors Jet 50 Schuhmacher Euro1
- Sanyang Motors Jet 50 Schuhmacher Euro2
- SYM Jet 50 Sport X
- Sanyang Motors Jet 50 Sport X50 R-S-SR-XR
- Sanyang Motors Jet4 125 Bj.10-15
- SYM Joyride 125
- Sanyang Motors SYM_(Sanyang_Motors) Joyride 125 Evo
- SYM Joyride 150
- SYM Joyride 200i EVO
- SYM Jungle 50
- Sanyang Motors Jungle 50 GA05W 6
- Sanyang Motors Mask 50 45 km/h
- Sanyang Motors Megalo 125 AK12W 6
- SYM Mio 50
- Sanyang Motors New Duke 125 Bj.00-02
- Sanyang Motors Orbit 1 125 Bj.09
- Sanyang Motors Orbit 1 150 Bj.09
- SYM Orbit 2 125
- Sanyang Motors Orbit 2 150 10
- Sanyang Motors Orbit 2 50 AC Bj.09
- SYM Orbit 50
- SYM Pure 50
- Sanyang Motors Red Devil 50 45km/h
- Sanyang Motors Red Devil 50 DT 25km/h
- Sanyang Motors Red Devil 50 DT Euro 2
- Sanyang Motors Red Devil 50 TB Euro 1
- Sanyang Motors Shark 125 RS 125 4V
- SYM Shark 150
- SYM Shark 50
- Sanyang Motors Shark RS 50 Bj.00
- Sanyang Motors Super Duke 125 A125Q2
- SYM Super Duke 150
- Sanyang Motors Super Fancy 50 Bj.95-97
- Sanyang Motors Super Fancy 50 G5H3 6
- Sanyang Motors Symphony 125 12 AY12W T
- Sanyang Motors Symphony 125 Bj.08-12
- Sanyang Motors Symphony 125 S 13 AY12W7 T
- Sanyang Motors Symphony 125 S Bj.12
- Sanyang Motors Symphony 125 SR 13 AZ12W1 T
- Sanyang Motors Symphony 125 SR Bj.10
- Sanyang Motors Symphony 150 12
- Sanyang Motors Symphony 150 S 13
- Sanyang Motors Symphony 150 SR 13
- Sanyang Motors Symphony 50 AC AY05W
- Sanyang Motors Symphony S 50 AC Bj.08-10
- Sanyang Motors Symphony 50 SR Bj.10
- Sanyang Motors Symphony 50 ST Bj.15
- Sanyang Motors Symphony SR 50 AC AZ05W1
- Sanyang Motors Symply 1 125 Bj.09
- Sanyang Motors Symply 1 150 Bj.09
- SYM Symply 125
- Sanyang Motors Symply 2 125
- Sanyang Motors Symply 2 150
- SYM Symply 50
- Sanyang Motors Symply 50 AC AV05W
- Sanyang Motors Tonik 125 FW11A1
- Sanyang Motors Tonik 50 AC FW05A
- Sanyang Motors Tonik 50 Bj.10
- SYM VS 125
- Sanyang Motors VS 125 HA12A6
- Sanyang Motors VS 125 HA12C6 Bj.08-09
- Sanyang Motors VS 125 HA12WB 10
- SYM VS 150
- Sanyang Motors X Pro 125 AE12W4
- Sanyang Motors X Pro 50 AC 13 AE05W4
- Sanyang Motors X-Pro 50
- SYM Fiddle 2 125
- Tank
-
Tauris Motorroller
- Tauris Avenida 125 II Bj.14-15
- Tauris Brio 50
- Tauris Brisa 50
- Tauris Broadway 125
- Tauris Capri 125
- Tauris Capri 50 Bj.09-15
- Tauris Capri art Collection 125
- Tauris Corona 50
- Tauris Cubana 125
- Tauris Cubana 50
- Tauris Estoril 50
- Tauris Fiera 125
- Tauris Fiera 125 Xtreme
- Tauris Fiera 50 art Collection Bj.11-15
- Tauris Fiera 50 Xtreme
- Tauris Firefly 50
- Tauris Firefly Racing 50 Bj.14-15
- Tauris Freccia 125
- Tauris Freccia 50 Bj.14-15
- Tauris Fuego 50 Sport 25 km/h Mofaroller
- Tauris Fuego 50 Sport 45 km/h Bj.14-15
- Tauris Mambo 50
- Tauris Movida 125
- Tauris Movida 50
- Tauris Piccadilly 125
- Tauris Piccadilly 50
- Tauris Samba 50
- Tauris Samba 50 art Collection Bj.13-15
- Tauris Samba 50 Racing
- Tauris Strada 50
- Tauris Toreo 50
- Tell
-
TGB
- TGB 101 S 50 Bj.98-07
- TGB 101R
- TGB 101S
- TGB 203
- TGB 303 R 50 25 km/h Bj.98-02
- TGB 303 R 50 50 km/h Bj.98-02
- TGB 303R
- TGB 50 RS
- TGB AKros Tec
- TGB Akros 50 Bj.94-97
- TGB Bellavita 125
- TGB Bullet 50
- TGB Bullet 125
- TGB Bunny 50 AS 25 X 25 km/h Bj.96-97
- TGB Bunny 50 AS 50 X 50 km/h Bj.93-95
- TGB Bunny 50 AT 50 2 50 km h
- TGB Bunny 50 KB-X
- TGB Corona 50 Comfort
- TGB Corona 50 Edition 25 km h
- TGB Corona 50 Sport 25 km/h Bj.02-05
- TGB Corona 50 Sport 45 km/h Bj.02-05
- TGB Corona 50 Sport Edition 2T 25 km/h
- TGB Corona 50 Sport Edition 45 km/h
- TGB Delivery 125
- TGB Delivery 50
- TGB Delivery Express 50 Bj.04-09
- TGB Ergon 50 Bj.96-97
- TGB Express 125
- TGB F409 125
- TGB F409 150
- TGB F409 50
- TGB Laser 50 Bj.94
- TGB R50X
- TGB R50X 25 km/h DD Bj.05
- TGB R50X 45 km/h DD Bj.02-05
- TGB Sky 50 25 km/h Bj.04
- TGB Sky 50 45 km/h Bj.04
- TGB Sky 50 50 km/h Bj.97-03
- TGB Sky 50 High Wheels 25 km/h Bj.00-03
- TGB Sky 50 High Wheels 50 km/h Bj.00-03
- TGB Solero 50 25 km/h
- TGB Solero 50 50 km/h Bj.00-01
- TNG
- Tokaido Neckermann
- Turbho
- Vento
- Viva
- Winking
- Xingyue
- Xinling
-
Yamaha Motorroller
- Yamaha 125 Maxster
- Yamaha Aerox 100 1 SB
- Yamaha Aerox 100 2 SB Bj.01-03
- Yamaha Aerox 50 Assistance 50 km/h
- Yamaha Aerox 50 KAT 45 km/h Bj.04-12
- Yamaha Aerox 50 KAT 50 km/h Bj.00-03
- Yamaha Aerox 50 Naked KAT 45 km/h
- Yamaha Aerox 50 Niro R 50 km/h Bj.99-01
- Yamaha Aerox 50 Niro R Tech 3 KAT
- Yamaha Aerox 50 R KAT 45 km/h Bj.03-12
- Yamaha Aerox 50 Racing Replica KAT 45km/h
- Yamaha Aerox LC 50
- Yamaha Axis 50 50 km/h Bj.95-98
- Yamaha Beluga 125 BL Bj.88-92
- Yamaha Breeze 50
- Yamaha BWs 100
- Yamaha BWs 125
- Yamaha BWs 50
- Yamaha BWs 50 12 Zoll Bj.04
- Yamaha BWs 50 Easy Bj.14-16
- Yamaha BWs 50 Bump
- Yamaha BWs 50 Naked Bj.04
- Yamaha BWs 50 NG Bj.98
- Yamaha BWs 50 NG Next Generation
- Yamaha BWs 50 NG Next Generation 50km/h
- Yamaha BWs 50 NG RS Bj.99
- Yamaha BWs 50 R Road
- Yamaha BWs 50 Spy Bj.95-99
- Yamaha CH 50 Bj.90-92
- Yamaha CH 50E Bj.88-89
- Yamaha CTS 50 Sorriso Bj.91-95
- Yamaha Cygnus XC 125 F Bj.00-03
- Yamaha Cygnus XC 125 TR SB vorn Bj.96-99
- Yamaha Cygnus XC 125X Bj.04-06
- Yamaha Cygnus XC 125 T TB vorn Bj.95-00
- Yamaha Fly One 50 Bj.92
- Yamaha Jog 50 altes Modell
- Yamaha Jog 50 R AC
- Yamaha Jog 50 RR LC
- Yamaha Jog 50 ZA AC
- Yamaha Jog 50 R/RR
- Yamaha Majesty 125
- Yamaha Majesty 250
- Yamaha Maxam 250 Bj.05-12
- Yamaha Maxster 125 Bj.00-04
- Yamaha Neos
- Yamaha Neos 100
- Yamaha Neos 50
- Yamaha Neos 50 Easy
- Yamaha Aerox 50 NS-50 Bj.13-14
- Yamaha Aerox 50 R NS-50 Bj.13
- Yamaha Aerox 50 Naked NS-50 Bj.15-16
- Yamaha Aerox 50 R Naked NS-50 Bj.15-16
- Yamaha RIVA 125
- Yamaha Slider 50
- Yamaha Slider 50 AC Bj.04
- Yamaha Slider 50 Naked
- Yamaha Teos 125 Bj.00-04
- Yamaha Vino 50 Bj.06-13
- Yamaha Vity 125 Bj.08
- Yamaha WHY 50
- Yamaha XC 125 Cygnus TR
- Yamaha XC 125 T
- Yamaha XC 125 T Cygnus
- Yamaha XC 125 TR
- Yamaha X-City 250
- Yamaha XF 50
- Yamaha X-Max 250 Iron Max ABS Bj.16
- Yamaha X-Max 250i.e ABS Bj.16
- Yamaha X-Max 250i.e. Bj.05-10
- Yamaha X-Max 250i.e. Black Max Bj.09
- Yamaha X-Max 250i.e. Sport Bj.11
- Yamaha X-Max 250i.e. Sport ABS Bj.10-13
- Yamaha X-Max 250i.e. Sport ABS Momodesign
- Yamaha X-Max125 Bj.06
- Yamaha X-Max125 ABS Bj.10-13
- Yamaha X-Max125 Business Bj.12
- Yamaha X-Max125 Iron Max ABS Bj.16
- Yamaha X-Max125 Sport Bj.12
- Yamaha YE ZEST 50
- Yamaha YE Zest 80
- Yamaha YP 125 R Majesty
- Yamaha YP 250 Majesty
- Yamaha YP 125 Majesty 125cc
- Yamaha Zuma 50
- Yamaha Zuma II 50
- Yamaha BWs 50 2T Modell 2010 Bj.10
- Yamati
- Yiying
- ZEG
-
Zhejiang
- Zhejiang Hongzhou B08
- Zhejiang Hongzhou B09
- Zhejiang Yamakoyo HL125T-13 Bj.06
- Zhejiang Yamakoyo HL125T-2 Bj.06
- Zhejiang Yamakoyo HL125T-21 Bj.06
- Zhejiang Yamakoyo HL125T-35 Bj.06
- Zhejiang Yamakoyo HL50QT Bj.04
- Zhejiang Yamakoyo HL50QT-16 Bj.06
- Zhejiang Yamakoyo HL50QT-2 Bj.06
- Zhejiang Yamakoyo HL50QT-21 1-10 Bj.06
- Zhejiang Yamakoyo HL50QT-21B Bj.06
- Zhejiang Yamakoyo HL50QT-35 2-5 Bj.2006
- Zhejiang Yamakoyo XY50QT Bj.04
- ZhongYu
- Znen
- Zongshen Motorroller
- ZXMCO
-
Adly Motorroller
-
Ersatzteile für Quads/ATVs
-
Access Quad ATV
- Access AMS 4.30 SM
- Access AMS 4.30 SX
- Access AMS 430 / 4.30 EFI
- Access AMS 480 / 4.38 SM
- Access AMS 480 / 4.38 SX
- Access AMS Mini Sport 110
- Access AMS Mini Sport 110
- Access AMX 3.20
- Access AMX 6.46 Basic (7.46 EFI 4X4)
- Access AMX 6.46 EFI 4X4 LUX
- Access AMX 6.46 LV EFI 4X4 LUX
- Access AMX 7.46 LV EFI 4X4 LUX
- Access AMX 750 4X4
- Access AMX 750 4x4 UL
- Access AMX 8.57 Basic
- Access AMX 8.57 EFI 4x4 EPS
- Access AMX 8.57 LV EFI 4x4 LUX
- Access SHADE 200
- Access SHADE Sport 650
- Access SHADE Sport 850 EPS
- Access SHADE Sport 850 EPS T3
- Access SHADE Sport 850 LV EPS
- Access SHADE Sport 850 LV EPS Euro4
- Access SHADE Sport 850 LV EPS TOURING T3
- Access SHADE Xtreme 650 LOF
- Access SHADE Xtreme 850 EPS DLX
- Access SHADE Xtreme 850 Euro4
- Access SHADE Xtreme 850 LOF
- Access SHADE Xtreme 850 LOF T3
- Access SHADE Xtreme 850 LV LOF
- Access SHADE Xtreme 850 LV LOF T3
- Access Xtreme 300 Supermoto
- Access Xtreme 480 Enduro
- Access Xtreme 480 Supermoto
-
Adly Quad ATV
- Adly ATV 50 II Utility XXL AC
- Adly ATV 50 II Utility XXL AC Bj.05
- Adly ATV 50 alle
- Adly ATV 50 RS XXL AC weiß-blau
- Adly ATV 50 XXL LC
- Adly ATV 50 XXL LC
- Adly ATV 50 RS XXL LC weiß-blau
- Adly ATV 50 RS XXL schwarz
- Adly ATV 50 V
- Adly ATV 50 V
- Adly ATV 50 XXL Supercross
- Adly ATV 100
- Adly ATV 150 Crossover
- Adly ATV 150 Crossroad
- Adly ATV 150 Sport
- Adly ATV 150 Utility
- Adly ATV 280 Canyon
- Adly ATV 280 Hurricane
- Adly ATV 300 Crossover
- Adly ATV 300 Crossroad
- Adly ATV 300 Crossroad Sentinel
- Adly ATV 300 Hurricane
- Adly ATV 300 Interceptor
- Adly ATV 300 Sport
- Adly ATV 300 Utility
- Adly ATV 320 Canyon
- Adly ATV 320 Canyon
- Adly ATV 320 Canyon ab Bj.12
- Adly ATV 320 Canyon Kardan
- Adly ATV 320 Canyon LOF
- Adly ATV 320 Canyon SE
- Adly ATV 320 Hurricane
- Adly ATV 320 Hurricane ab Bj.12
- Adly ATV 320 Hurricane Flat
- Adly ATV 320 Hurricane Kardan
- Adly ATV 320 Hurricane LOF
- Adly ATV 320 Hurricane SE
- Adly ATV 320 Hurricane SM LOF
- Adly ATV 320 Supermoto
- Adly ATV 320 Supermoto ab Bj.12
- Adly ATV 400
- Adly ATV 500
- Adly ATV 600 Conquest
- Adly ATV 700 Conquest EFI
- Adly ATV SupeRCross 50 XXL AC Bj.08-10
- Adly ATV Hurricane 450 S
- Adly ATV Hurricane 450 SM
- Adly ATV Hurricane 500 S LOF Flat
- Adly Quad 50 2
- Adly Quad ATV 50VG
-
Aeon Quad ATV
- Aeon AX 600 , Motobionics 6.0 Bj.13
- Aeon BISTRADA 3.5 Bj.11
- Aeon Cobra 50
- Aeon Cobra 50 Bj.01
- Aeon Cobra 100
- Aeon Cobra 100 Bj.00-04
- Aeon Cobra 125
- Aeon Cobra 125 RS
- Aeon Cobra 125 RS II Bj.07/03
- Aeon Cobra 125 Utility
- Aeon Cobra 180 RS
- Aeon Cobra 180 RS
- Aeon Cobra 180 RS II Bj.07/03
- Aeon Cobra 180 Utility
- Aeon Cobra 220 Bj.05
- Aeon Cobra 300 S
- Aeon Cobra 320 Bj.07
- Aeon COBRA 350 Bj.08
- Aeon Cobra 400 (Vergaser)
- Aeon Cobra 400 Basic LUX LE Supermoto Basic Bj.12
- Aeon Cobra 400 EFI
- Aeon Cobra 419 LOF SX / SM
- Aeon Cobra Roadster 180 Bj.02
- Aeon Cobra Utitity 180
- Aeon Crossland 300 Bj.06
- Aeon Crossland 350 Bj.08
- Aeon Crossland 350 RX
- Aeon Crossland 350RX
- Aeon Crossland 350 X4 Allrad Bj.09
- Aeon Crossland 400 4x4
- Aeon Crossland 400 RX
- Aeon Crossland 600 LOF
- Aeon Minikolt 50
- Aeon Minikolt 50 Bj.04
- Aeon Overland 125 Bj.03
- Aeon Overland 180 Bj.07/03
- Aeon Overland 200
- Aeon Overland 600 Bj.10
- Aeon Revo 50 Bj.03
- Aeon Revo 50 W mit Rückwärtsgang Bj.05
- Aeon Revo 100 Bj.03
- Aeon Revo 100 W mit Rückwärtsgang Bj.05
- Aeon Quad 170 RS
- Aeon Quad 125 Utility
- Aeon Quad Utility 170
-
Arctic Cat
- Arctic Cat 350 EFT
- Arctic Cat 550 TRV EFT
- Arctic Cat 550 TRV GT EFT
- Arctic Cat 550 TRV PS EFT
- Arctic Cat 700 TRV GT EFT
- Arctic Cat 700 TRV PS EFT
- Arctic Cat ATV 550 EFT Bj. 10
- Arctic Cat ATV 700 Diesel EFT
- Arctic Cat DVX 300 Euro
- Arctic Cat Prowler XT
- Arctic Cat Prowler XTZ
- Arctic Cat XC 450 EFT
- Arctic Cat XC 450 EFT
- Arctic Cat Y-12 90 Youths Bj.02-05
- Barossa Quad ATV
- Beeline
- Bombardier
- Can-Am
-
CFMOTO
- CF-Moto CF500 Atlas
- CF-Moto CF500 XL One
- CFMOTO CForce 1000 DLX EPS LOF
- CFMOTO CForce 1000 L DLX EPS L7e-B1
- CFMOTO CForce 450 ONE EPS
- CFMOTO CForce 450 ONE Euro2
- CFMOTO CForce 450 ONE Euro4
- CFMOTO CForce 450 S One T3 LOF
- CFMOTO CForce 450 S One T3b 60 km/h
- CFMOTO CForce 450 short One
- CFMOTO CForce 450 short One EPS LOF
- CFMOTO CForce 450 XL DLX
- CFMOTO CForce 450 XL DLX EPS
- CFMOTO CForce 450 XL DLX EPS LOF Sunshine Edition
- CFMOTO CForce 450 XL DLX T3 60km/h
- CFMOTO CForce 450 XL EPS
- CFMOTO CForce 450 XL Euro2
- CFMOTO CForce 450 XL Euro4
- CFMOTO CForce 500 ONE
- CFMOTO CForce 520 L DLX EPS
- CFMOTO CForce 520 L DLX EPS L7e-B1
- CFMOTO CForce 520 L DLX EPS LOF
- CFMOTO CForce 520 L DLX L7e-B1
- CFMOTO CForce 520 L DLX LOF
- CFMOTO CForce 520 S Red Line LOF
- CFMOTO CForce 520 XL DLX T3 60km/h
- CFMOTO CForce 520L
- CFMOTO CForce 550
- CFMOTO CForce 550 DLX EPS LOF Adventure Edition
- CFMOTO CForce 550 DLX LOF E4
- CFMOTO CForce 600 EPS LOF Anniversary Edition
- CFMOTO CForce 625 DLX EPS
- CFMOTO CForce 625 S DLX EPS L7e-B1
- CFMOTO CForce 625 S DLX EPS LOF
- CFMOTO CForce 625 S ONE
- CFMOTO CForce 625 S ONE LOF
- CFMOTO CForce 625 Touring DLX EPS L7e-B1
- CFMOTO CForce 800 EPS
- CFMOTO CForce 820 XL DLX EPS
- CFMOTO CForce 820 XL DLX
- CFMOTO CForce 820 XL ONE
- CFMOTO CForce 850 DLX EPS
- CFMOTO CForce 850 EPS LOF
- CFMOTO Rancher 500 / UForce 500
- CF-Moto Terralander 500 / CForce 500
- CF-Moto Terralander 625 / CForce 600
- CF-Moto Terralander 800 / CForce 800
- CFMOTO UForce 550
- CFMOTO UForce 550 DLX EU167
- CFMOTO UForce 800 EX
- CFMOTO UForce 800 EX DLX EPS EU167
- CFMOTO ZForce 1000 EPS LOF
- CFMOTO ZForce 1000 Sport EPS
- CFMOTO ZForce 1000 Sport LOF
- CFMOTO ZForce 800 EU167
- CF-Moto Tracker 800 / UForce 800
- CPI Quad ATV
- CYR Quad ATV
- Dinli
- E-Ton Quad ATV
- Ering Quad ATV
-
Explorer Quad ATV
- Explorer Argon 330 S
- Explorer Argon 700 DELUXE
- Explorer Argon 700 DELUXE LOF
- Explorer Argon 700 XL
- Explorer Argon 750 EFI XL DLX
- Explorer Atlas 500 2x4 COMPACT
- Explorer Atlas 500 4x4 EDITION
- Explorer Atlas 500 4x4 XL
- Explorer Bazooka 625 4x4
- Explorer Bullet 50
- Explorer Defender EVO
- Explorer Discovery 200
- Explorer Everest 500 4x4 XL
- Explorer Grison 625 4x4 DELUXE
- Explorer Grumbler 500 4x4
- Explorer Patriot 430
- Explorer Protector 50
- Explorer Stinger 250
- Explorer Taurus 300
- Explorer Titan 300
- Explorer Tomahawk 170
- Explorer Tomahawk 200 mit Rückwärtsgang
- Explorer Tomahawk 200 ohne Rückwärtsgang
- Explorer Tomahawk 250 2006 mit Rückwärtsgang
- Explorer Tomahawk 250 2006 ohne Rückwärtsgang
- Exploroer Trasher 320 Autom. Supermoto
- Explorer Trasher 320 Autom. Supermoto
- Explorer Trasher 520 Supermoto
- Explorer Trasher 520 Supermoto LOF
- Explorer Trasher 520 Supersport
- Explorer Trasher 520 Supersport LOF
- Explorer Urano 750 EFI DLX
- Explorer Urano DLS 700
- GOES Quad ATV
- Herkules Quad ATV
-
Honda Quad ATV
- Honda TRX 90 Bj.93-00
- Honda TRX 125 Fourtrax Bj.85-88
- Honda TRX 250 FourTr. Rec. Bj.00-05
- Honda TRX 250 FourTr.Rec.ES
- Honda TRX 250 FourtraX
- Honda TRX 250 SporttraX
- Honda TRX 300 EX Fourtrax Bj.05-08
- Honda TRX 300 X FourtraX
- Honda TRX 350
- Honda TRX 350 FourTr. Ran. S ES Bj.01
- Honda TRX 400 EX Sporttrax Bj.00-04
- Honda TRX 400 Fourtrax AT Bj.04
- Honda TRX 400 Fourtrax Bj.00
- Honda TRX 400 Fourtrax Foreman Bj.01-03
- Honda TRX 450 Foreman
- Honda TRX 450 Foreman ES
- Honda TRX 450 SportraX
- Honda TRX 450R ER Bj.06-14
- Honda TRX 700XX
- Kawasaki Quad ATV
- Kreidler Quad ATV
- KTM Quad ATV
-
Kymco Quad ATV
- Kymco KXR 250
- Kymco KXR 250 Sport
- Kymco Maxxer 50
- Kymco Maxxer 50 mit Zulassung
- Kymco Maxxer 250
- Kymco Maxxer 300
- Kymco Maxxer 300 Supermoto
- Kymco Maxxer 300 Wide MMC
- Kymco Maxxer 300i Wide
- Kymco MXer 50 Bj.04-06
- Kymco MXer 150 Bj.04-06
- Kymco MXU 50
- Kymco MXU 150
- Kymco MXU 250
- Kymco MXU 250 R LG50AE AD
- Kymco MXU 250 S
- Kymco MXU 300
- Kymco MXU 300 R
- Kymco MXU 300 Wide
- PGO Quad ATV
- Polaris
- Rex Quad ATV
- SMC STM Quad ATV
- Suzuki Quad ATV
- SYM Quad ATV
-
Triton Quad ATV
- Triton Baja 50 Sport 2011
- Triton Baja 250 2010
- Triton Baja 250 2011
- Triton Baja 300 Crosser 2008-2010
- Triton Baja 300 Supermoto 2008-2010
- Triton Baja 400 Crosser 2008-2010
- Triton Baja 400 EFI LOF 2011
- Triton Baja 400 IRS
- Triton Baja 400 Supermoto 2008-2010
- Triton Black Lizard 400 EFI 2011
- Triton Outback 300 2008-2010
- Triton Outback 400 4x2 2009
- Yamaha Quad ATV
-
Access Quad ATV
-
Ersatzteile für Buggy
- Adly Buggy
- Aeon Buggy
- Herkules Buggy
- PGO Buggy
- Twister
-
Eppella ECM Buggy
- Eppella GK 125
- Eppella Kinderbuggy
- Eppella Buggy 150
- Eppella Strassenbuggy 150 II
- Eppella Strassenbuggy 150 III
- Eppella Strassenbuggy 150 I
- Eppella Strassenbuggy 250 I+II
- Eppella Strassenbuggy 250 Sport
- Eppella Strassenbuggy 250 III
- Eppella Straßenbuggy 250
- Eppella Kinderbuggy 45 III
- Eppella BUGGY 250
- TBM
- Tongian
- Kasea
- WangYe
- CF-Moto
-
Ersatzteile für Dreiradroller
- Aeon Dreiradroller
- Gilera Dreiradroller
- PGO Dreiradroller
-
Piaggio Dreiradroller
- Piaggio MP3 125
- Piaggio MP3 125 Hybrid
- Piaggio MP3 125 LT Hybrid
- Piaggio MP3 125 RL Touring
- Piaggio MP3 125 Yourban
- Piaggio MP3 250 i.e. Bremse Grimeca
- Piaggio MP3 250 i.e. LT
- Piaggio MP3 250 i.e. RL Br.Grimeca
- Piaggio MP3 300 LT Business ABS ASR
- Piaggio MP3 300 LT Sport Touring
- Piaggio MP3 300 LT Yourban
- Piaggio MP3 300 LT Yourban Sport
- Piaggio MP3 300 RL Yourban
- Piaggio MP3 400 i.e.
- Piaggio MP3 400 i.e. LT
- Piaggio MP3 400 i.e. RL
- Piaggio MP3 Quasar 250
- Adiva
-
Ersatzteile für Elektroroller
- Adly Elektroroller
- AGM Elektroroller
- E-Max
- E-Scooter Elektroroller
- E-Sprit
- E-Tropolis
- Ebretti
- EH-Line
- Emco
- Eppella
- Flex Tech Elektroroller
- Giantco Elektroroller
- Govecs
- Guewer
- Innoscooter
- IO
- Jonway Elektroroller
- Kreidler Elektroroller
- Kumpan
- Masini
- Rex Elektroroller
- Tauris Elektroroller
- Vectrix
- Vespino
- Ersatzteile für Karts
-
Ersatzteile für Motorräder
- Adly Motorrad
- Aprilia Motorrad
- Benelli Motorrad
- BMW
- Cagiva Motorrad
- Chunlan
- CPI Motorrad
-
Daelim Motorrad
- Daelim Altino 125
- Daelim Roadwin 125
- Daelim VJ 125 Roadwin
- Daelim VJ 125 Fi Fuel Injection
- Daelim VJF 125 Roadwin R ab Bj.11
- Daelim VL 125 Daystar Black Edition
- Daelim VL 125 Daystar E1
- Daelim VL 125 Daystar E2
- Daelim VL 125 Daystar E2 E2-Bj.04
- Daelim VL 125 Daystar E3
- Daelim VL 125 Daystar E3 ab Bj.13
- Daelim VL 125 Fi Daystar Fuel Injection
- Daelim VL /VL Classic Daystar
- Daelim VS 125
- Daelim VS 125-Bj.05
- Daelim VS 125 ccm
- Daelim VT 125 Evolution
- Daelim VT 125 ccm
- Daelim VT 125 Evolution Bj.00-05
- Daelim Roadwin 125
- Daelim VJF 125 Roadwin R
- Derbi Motorrad
- Ducati
- ECM Motorrad
- Fantic Motorrad
- GasGas
- Generic Motorrad
- Gilera Motorrad
- Harley-Davidson
- Hercules Motorrad
-
Honda Motorrad
- Honda CB 1300 Super Four
- Honda CB 400 Four
- Honda CB 500
- Honda CB 600 F Hornet
- Honda CB 600 F Hornet ABS
- Honda CB 650 F
- Honda CBF 600 ABS Bj.04-07
- Honda CBR 1000 RR Fireblade 1
- Honda CBR 600 F
- Honda CBR 600 F ABS
- Honda CBR 650 F
- Honda CBR 900
- Honda CBR 900 Fireblade Bj.92
- Honda FMX 650
- Honda FX 650 Vigor
- Honda GL 1500 F6C Valcyrie
- Honda MSX 125
- Honda MT 80 Bj.80
- Honda NS1
- Honda NT 650 Hawk Bj.88-90
- Honda NT 650 V Deauville
- Honda NTV 650 Revere
- Honda NX 650 Dominator
- Honda PC 800
- Honda PXR 50
- Honda SLR 650
- Honda VF 750 Magna
- Honda VFR 400 R
- Honda VFR 750 F
- Honda VFR 750R Bj.88
- Honda VFR 800
- Honda VFR 800 FI
- Honda VT 1100 Shadow Aero
- Honda VT 600 Shadow
- Honda VT 750 Black Widow
- Honda VT 750 Shadow
- Honda XL 600 Bj.83-84
- Honda XL 600 Paris Dakar
- Honda XLR 125 Bj.98-99
- Honda XR 250 Bj.81
- Honda XR 650L Bj.93-96
- Honda XR 750 V Africa Twin
- Husqvarna Motorrad
- Hyosung Motorrad
- Italjet Motorrad
- Jinan Qingqi Motorrad
- Jincheng Motorrad
-
Kawasaki Motorrad
- Kawasaki ER-6N ABS
- Kawasaki EX 250R Bj.11-12
- Kawasaki KLR 600
- Kawasaki KLX 110 Bj.10-11
- Kawasaki KLX 125
- Kawasaki KLX 650 Bj.93-96
- Kawasaki KMX 125
- Kawasaki Z 1000 1
- Kawasaki Z 1000 ABS 1
- Kawasaki Z 1000 SX 1
- Kawasaki Z 250
- Kawasaki Z 650F
- Kawasaki Z 750 Bj.80
- Kawasaki ZX-10R Ninja
- Kawasaki ZX-6R Ninja
- Kawasaki ZX-9R Ninja
- Kawasaki ZXR 750
- Kawasaki ZZR 1100 1
- Kawasaki ZZR 600
- Keeway Motorrad
-
Kreidler Motorrad
- Kreidler AMC-D 125
- Kreidler Florett 125E
- Kreidler Florett 125G
- Kreidler Florett 50
- Kreidler Florett 50 25 km/h Bj.96-98
- Kreidler Flory 125 Classic
- Kreidler Flory 25-50-Bj.01
- Kreidler Flory 50
- Kreidler Mustang 125
- Kreidler SUPERMOTO 125
- Kreidler Enduro 125
- Kreidler Lusignio 125 DD
- Kreidler Supermoto 250 DD
- Kreidler DICE CR 125i
- DICE CR 125i NPJ edition
- DICE GS 125
- DICE GS 125 pro
- DICE GS 125i
- DICE SM 125
- DICE SM 125 pro
- DICE SM 125i
- DICE SM 50 LC
- Kreidler SUPERMOTO 125 Disc
- Kreidler Enduro 125 DD
- Kreidler Dice CR125
- Kreidler SUPERMOTO 125 DD
- Kreidler Supermoto 50 DD
- Kreidler Supermoto 125 2012 WK1SM...
- KTM Motorrad
- Kymco Motorrad
- Luxxon Motorrad
- Rex Motorrad
- Rieju Motorrad
- Sachs Motorrad
- Siamoto Motorrad
- Simson Motorrad
- SMC Motorrad
- Supermoto
-
Suzuki Motorrad
- Suzuki A 450 W
- Suzuki A 450 WR
- Suzuki AN 125
- Suzuki AN 150
- Suzuki Burgman AN 250 Bj.01-02
- Suzuki Burgman AN 400 ABS Bj.09-12
- Suzuki Burgman AN 400 Bj.00-02
- Suzuki AN 650
- Suzuki AN 650 ABS
- Suzuki DR 125 Bj.82-84
- Suzuki DR 250
- Suzuki GSX 1300 R Hayabusa 1
- Suzuki GSX-R 750
- Suzuki GSX-R 750 W
- Suzuki Intruder M800
- Suzuki Katana 50 AC Bj.99
- Suzuki Katana 50 LC Bj.99
- Suzuki Katana A 50
- Suzuki Marauder 800
- Suzuki RG 80 Gamma
- Suzuki Street Magic 50 TR50
- Suzuki TS 125 Bj.73-75
- Suzuki TS 80
- Suzuki TS 80X
- Suzuki VL 800
- Suzuki VL 800 Volusia
- SYM Sanyang Motors Motorrad
-
Triumph
- Triumph America 865
- Triumph Bonneville 800
- Triumph Bonneville 865
- Triumph Bonneville T100
- Triumph Daytona 955
- Triumph Daytona 955 Limited
- Triumph Daytona 955 bis Fgst-Nr: 132512
- Triumph Scrambler 865
- Triumph Speed Triple 955
- Triumph Speedmaster 800
- Triumph Speedmaster 865
- Triumph Sprint 955RS
- Triumph Sprint 955ST
- Triumph Thruxton 865
- Triumph Tiger 900
- Triumph Tiger 955
- Triumph Trophy 1200
- Triumph Trophy 900
- Xintian
-
Yamaha Motorrad
- Yamaha DT 125 R
- Yamaha DT 125 X Supermoto
- Yamaha DT 50 R
- Yamaha FJ 1200
- Yamaha FJ 1200 ABS
- Yamaha FZR 1000 Exup 1
- Yamaha FZR 600 Genesis
- Yamaha GTS 1000
- Yamaha GTS 1000 ABS
- Yamaha SZR 660 Bj.96-98
- Yamaha TDM 850
- Yamaha TDM 900
- Yamaha TDM 900 ABS
- Yamaha TRX 850
- Yamaha TT 600 S Bj.93-95
- Yamaha TT 600E Bj.96-98
- Yamaha TT-R 125 Bj.02-08
- Yamaha WR 250 F
- Yamaha XJ 600 Bj.00-03
- Yamaha XJ 900 Diversion
- Yamaha XJR 1200
- Yamaha XT 600 E Bj.90
- Yamaha XT 600 K Bj.90
- Yamaha XT 660Z Tenere Bj.08-09
- Yamaha XV 535 Virago
- Yamaha XVS 125 Drag Star
- Yamaha XVS 650 Drag Star
- Yamaha XVS 650 Drag Star Clas.
- Yamaha YP 125 Majesty
- Yamaha YZF-R1 1000 1
- Yamaha YZF-R6 600
- Zongshen Motorrad
- Alle Ersatzteile
-
Ersatzteile für Motorroller
- Top-Marken
- Service
-
Zubehör
- Bekleidung
- Handbücher
- Helme
- Schmiermittel (Öle)
- Batterien
- Zündkerzen Zubehör
- Batteriezubehör
- Buggyrahmen
- Bremsscheibenschlösser
- Windschilde
- Faltgaragen
- Reiniger
- Topcase/Helmkoffer
- Fernsteuerung Zubehör
- Kombitasche Zubehör
- Nerf-Bars
- Schneeketten
- Schneeschild
- Stoßstange Zubehör
- Werkzeug Zubehör
- Ausbesserungslack
- Alarmanlage
- Anhängerkupplung
- Lautsprecher / Soundsysteme
- Tretroller
- Ersatzteilbücher
Schnellfinder:
Ersatzteile Filtern:
Produkte filtern
Durchschnittliche Bewertung von 0 von 5 Sternen
zu Artikel: Schraube M6x35mm mit Bund grün verzinkt 1E40QMB Technik-InfoSchraubeBundschraube, Bund-Schraube, Maschinen-Schraube, Schraube, Flanschschraube, Flansch-Schraube, Maschinenschraube Der Spritzschutz - oder auch Innenkotflügel genannt - hilft den Rest der Radumgebung länge sauber zu halten.Die Ersatzteile dieses Herstellers haben sich seit Jahren im täglichen Einsatz bewährt. Durch beständigen Erfahrungsaustausch wird die Qualität auf ein Maximum angehoben.Kostenloser Versand Bei Ersatzteilen für jeden zusätzlichen Artikel mit den gleichen Versandkriterien, den Sie von uns kaufen.Unsere Ersatzteile für ihren Scooter bzw. Motorroller oder auch Roller können Sie bequem online in unserem Shop kaufen. Egal ob sie Ihren Roller im Kaufhaus oder im Baumarkt gekauft haben, für alle gängigen Taiwan-, China-, oder Europa-Roller finden Sie bei uns passende Bauteile, insbesondere für die Motoren 50 cc, 125 cc, 250 ccm, 4takt, 2takt und für größere Leistungen. Speziell für die Motorentypen 152QMI, 157QMI ,1E40QMB, 1E40QMA ,164FML ,150QMG ,125-4T6M ,139QMB, 139QMA, JSD139QMB , GY6 ,139FMB ,153FMI, 156FMI ,157QMJ, 158MJ in kurzen und langen Versionen in den Normen Euro1, Euro2, Euro3 sowie die neuen Euro 4 Einspritzer-Motoren finden Sie Ersatzteile von hoher Güte. Gerne können Sie auch per Email nach Ersatzteilen anfragen. Bei Bestellwerten über 100 Euro können Sie auch unseren Ratenkauf- bzw. Finanzierungs-Service nutzen. Beim Kauf von Fahrzeugen können wir Ihnen auch ein Leasing-Angebot unterbreiten, das bietet sich insbesondere für Firmen an, die Betriebsfahrzeuge anschaffen, oder ihren Mitarbeitern ein Fahrzeug zur Verfügung stellen. Wir freuen uns auf Ihre Anfrage.
Durchschnittliche Bewertung von 0 von 5 Sternen
zu Artikel: Reflektor gelb rund seitlich D56mm M5 Bolzen 2Takt 50ccm YY50QT-28 Motortyp: 1E40QMB Technik-InfoReflektorRückstrahler, Rueckstrahler, Reflektor, Strahler, Seitenreflektor, Katzenauge ,Rex Reflektor ,Jonway Reflektor, AGM Reflektor , Adly Reflektor, ATU Reflektor, Kreidler Reflektor, Baotian Reflektor, CPI Reflektor, Jinan Qinqi Reflektor Der Reflektor, auch Katzenauge, Rückstrahler, Reflektor oder Strahler genannt, trägt durch seine Licht reflektierende Oberfläche enorm zu ihrer Verkehrssicherheit bei.Die Ersatzteile dieses Herstellers haben sich seit Jahren im täglichen Einsatz bewährt. Durch beständigen Erfahrungsaustausch wird die Qualität auf ein Maximum angehoben.Kostenloser Versand Bei Ersatzteilen für jeden zusätzlichen Artikel mit den gleichen Versandkriterien, den Sie von uns kaufen.Unsere Ersatzteile für ihren Motorroller bzw. Roller oder auch Scooter können Sie bequem online in unserem Shop kaufen. Egal ob sie Ihren Roller im Baumarkt oder im Kaufhaus gekauft haben, für alle gängigen Europa-, China-, oder Taiwan-Roller finden Sie bei uns passende Bauteile, insbesondere für die Motoren 50 cc, 125 cc, 250 ccm, 2-Takt, 4-Takt und für größere Leistungen. Speziell für die Motorentypen 139FMB ,153FMI, 156FMI ,125-4T6M , GY6 ,152QMI, 157QMI ,164FML ,139QMB, 139QMA, JSD139QMB ,157QMJ, 158MJ ,1E40QMB, 1E40QMA ,150QMG in kurzen und langen Versionen in den Normen Euro1, Euro2, Euro3 sowie die neuen Euro 4 Einspritzer-Motoren finden Sie Ersatzteile von bewährter Qualität. Gerne können Sie auch per Email nach Ersatzteilen anfragen. Bei Bestellwerten über 100 Euro können Sie auch unseren Finanzierungs- bzw. Ratenkauf-Service nutzen. Beim Kauf von Fahrzeugen können wir Ihnen auch ein Leasing-Angebot unterbreiten, das bietet sich insbesondere für Firmen an, die Betriebsfahrzeuge anschaffen, oder ihren Mitarbeitern ein Fahrzeug zur Verfügung stellen. Wir freuen uns auf Ihre Anfrage. Hinweise zu: Reflektor
Durchschnittliche Bewertung von 0 von 5 Sternen
zu Artikel: Zündkerze NGK CR7HSA, Gruppe C, Gewindedurchmesser 10mm Die Zündkerze Rex RS 460 BOSTON 8, Rex RS 450, Otto Versand Rex RS 400, , Otto Versand Rex RS 750, Jonway Milano 50, Kreidler MONZA 50 Race / Urban (Fin: WS1 od. L8Y), Jonway Imola 125 Race/Urban, Jonway RS 1000, Jonway Imola 50 Race/Urban, Kreidler MONACO 50 Race / Urban, Jonway Milano 125, Rex Off Limit, Rex RS 900 QM50T 10A-A, Rex RS 600 QM50QT-2, Rex RS Classic 50 ,Rex Zündkerze ,Jonway Zündkerze, AGM Zündkerze , Adly Zündkerze, ATU Zündkerze, Kreidler Zündkerze, Baotian Zündkerze, CPI Zündkerze, Jinan Qinqi Zündkerze Erstausrüsterqualität top Verarbeitung günstig Unsere Ersatzteile wie z.B. die TGB Bullet 50 Zündkerze für ihren Motorroller bzw. Scooter oder auch Roller können Sie bequem online in unserem Shop kaufen. Egal ob sie Ihren Roller im Kaufhaus oder im Baumarkt gekauft haben, für alle gängigen China-, Taiwan-, oder Europa-Roller finden Sie bei uns passende Bauteile, insbesondere für die Motoren 50 cc, 125 cc, 250 ccm, 2takt, 4takt und für größere Leistungen. Speziell für die Motorentypen 139QMB, 139QMA, JSD139QMB ,139FMB ,153FMI, 156FMI ,157QMJ, 158MJ ,1E40QMB, 1E40QMA ,152QMI, 157QMI ,150QMG ,125-4T6M ,164FML , GY8 in kurzen und langen Versionen in den Normen Euro1, Euro2, Euro3 sowie die neuen Euro 4 Einspritzer-Motoren finden Sie Ersatzteile von hoher Qualität. Gerne können Sie auch per Email nach Ersatzteilen anfragen. Bei Bestellwerten über 100 Euro können Sie auch unseren Finanzierungs- bzw. Ratenkauf-Service nutzen. Beim Kauf von Fahrzeugen können wir Ihnen auch ein Leasing-Angebot unterbreiten, das bietet sich insbesondere für Firmen an, die Betriebsfahrzeuge anschaffen, oder ihren Mitarbeitern ein Fahrzeug zur Verfügung stellen. Ihre Anfrage nehmen wir gerne entgegen Auswechseln oder instand setzen? Diese Frage stellen sich Fahrer von Rollern immer dann, wenn an ihrem Fahrzeug etwas kaputt gegangen ist, ganz egal, ob sich um einen 3-Rad Roller, Motorroller, oder Elektroroller respektive E-Roller dreht. Obendrein bietet ein neues Element eine bedeutend größere Ausfallsicherheit als eine Reparatur des Rollers. Ein versteckter Mangel kann bisweilen nur von einem Fachmann ermittelt werden. Alternativ hat man auch die Option, sich für eines der einbaufertigen Ersatzteil-Kits zu entscheiden, die wir für zahlreiche unterschiedliche Bauteile im Angebot haben. . Erstklassige Teile für Ihren Roller Großen Wert legen wir auf preiswerte Produkte von hoher Qualität. Wie kommt es, dass wir so günstig sein können? Die Antwort heißt: Weil wir auf wirtschaftlich sinnvolle Einkaufsmengen der Bauteile achten. Sofern Ihr Zweirad einmal eine neue Komponente benötigt, wenden Sie sich vertrauensvoll an uns. Sie erhalten bei uns stets beste Qualität zu einem erschwinglichen Preis. Wir führen sogar für die häufigsten Roller, Quads und Buggys die Zubehörteile, welche gar nicht mehr hergestellt werden. Z.B. haben wir alle Ersatzteile für die Marken Sundiro und Eppella nach wie vor vorrätig. Selbstverständlich liefern wir auch die Originalteile für Ihren Motorroller, obschon unsere Nachbauten einen qualitativen Vergleich mit dem Erstausrüster-Produkt nicht scheuen müssen, jedoch grundsätzlich erheblich billiger sind. Sie können mit unseren Ersatzteilen die Instandsetzung Ihres Rollers entweder selber bewerkstelligen oder von einem Fachmann ausführen lassen. Sie werden ohne Zweifel keine bessere Alternative finden, um zu bezahlbaren Kosten Ihren Roller reparieren zu können. Bilder erleichtern die Bestellung der passenden Bauteile In unserem Shop existiert zahlreiches Bildmaterial, das Ihnen hilft, Ihr altes Teil ganz bequem mit dem lieferbaren Ersatz zu vergleichen. Auf diese Weise können Fehllieferungen wegen inkorrekter Bestellungen schon im Vorhinein ausgeschlossen werden. Relevant hierbei ist, dass Ihre Bestellung in den Spezifikationen und Abmessungen als auch augenscheinlich mit dem alten Element zusammenpasst. Was Sie davon haben: Unser Lager umfasst Einbauelemente und Zubehör für circa 250 Marken und 8500 Typen Sie zahlen bei Bestellung mehrerer Komponenten mit denselben Versandvoraussetzungen nur einmal den Versand ISO-zertifizierte Präzisionsfertigung nach DIN-Norm Sie bekommen von uns ausnahmslos die Erstausrüster-Qualität - auch bei kostengünstigen Nachbauten Alle unsere Einbauteile sind kostengünstig, zuverlässig sowie betriebssicher Wir kaufen Ihren Motorroller "Geld zurück" - Garantie, folglich Kauf ohne Risiko 100-prozentige Verkehrssicherheit des Motorrollers, insbesondere bei den Bremsen Hol- und Bringservice Unsere Lieferungen erfolgen überwiegend kurzfristig Am besten kaufen Sie Motorroller, Fun-Fahrzeuge, Straßenbuggys und Quads in einem Fachbetrieb wie den unsrigen. Aus welchem Grund sollten Sie sich an uns wenden? Weil wir uns in diesem Geschäftsfeld schon seit Jahrzehnten etabliert haben und Sie demzufolge von unserem Erfahrungsschatz profitieren können. Wir betreiben nicht bloß unser Geschäft rund um die Roller, wir leben es richtiggehend. Es ist nicht in jedem Fall sinnvoll, sein motorisiertes Zweirad bei irgendeinem x-beliebigen Händler zu kaufen. Deshalb ist es notwendig, sich das bevorzugte Fachgeschäft zuvor genau anzusehen. in unserem Unternehmen ist alles für den Kunden 100-prozentig transparent! Sie dürfen gerne jederzeit bei uns vorbeikommen und sich selbst ein Bild machen.Den Vertrauensbeweis erhalten Sie dann vor Ort praktisch schwarz auf weiß. Möglicherweise ist Ihnen die Entfernung zu uns zu weit. Dann gibt es auch die Option, durch die diversen Ebay Bewertungen und des Trustedshops-Siegels Erkundigungen über uns einzuholen. Unsere Verkaufsseite Motorroller.de wird zum Beispiel von Trustshops als "sehr gut" beurteilt. Das betrifft sowohl unseren Online Shop als auch unsere Geschäftspraktiken. Über diese Bewertung sind wir nicht ganz zu Unrecht sehr Stolz. Der Bewertungsfaktor von rund 99,9 % bei Ebay in den Käuferbewertungen kann sich genauso sehen lassen. Was beweisen all diese Ergebnisse ganz eindeutig? Dass wir uns in allen Belangen immer mächtig ins Zeug legen! Denken Sie aber bitte daran: Wir sind auch bloß Menschen, die bisweilen Fehler machen. Wir möchten Sie daher bitten, uns auf alle Fälle eine Möglichkeit zur Verbesserung zu geben, sofern mal etwas nicht völlig zu Ihrer Zufriedenheit ausgefallen ist. Unsere kompetenten Mitarbeiter sind täglich von 8:00 - 18:00 Uhr und samstags von 9:00 - 13:00 für Sie da. Unser Unternehmen stellt sich vor Die Zufriedenstellung unserer Kunden liegt uns sehr am Herzen. Mehr als 25 Jahre ist unser Unternehmen äußerst erfolgreich im Fahrzeughandel im Einsatz, wobei wir uns allerdings schon vor über 5 Jahrzehnten auf dem Gebiet des Maschinenbaus Erfolg versprechend etablieren konnten. Unser Brennpunkt ist heute auf die Vermarktung von "Nice-to-have" für Tuning, Einbauteilen und Fahrzeugzubehör für die meist gefahrenen Roller ausgerichtet. Unsere Artikelpalette beinhaltet rund 500.000 Teile Mehr als die Kymco DJ 50 S Zündkerze. Unter Motorroller.de finden Sie beinahe alle Komponenten und Zweiräder aus Fernost und Europa. Wir haben Artikel, Teile und passendes Zubehör für circa 8500 Modelle und 250 Marken auf Lager. Yamaha, Jonway, Kreidler oder Adly gehören beispielsweise zu unseren langjährigen Herstellern. Auf einer Fläche von über 1.000 m² haben wir in unseren Hochregalen mehr als 500.000 Produkte diverser Produzenten sofort lieferbar. In unserer Zubehörabteilung finden Sie alles, was Sie als Rollerfahrer für Ihren fahrbaren Untersatz brauchen. Das beginnt bei den Windschildern über die Schutzhelme und das Top Case, und geht bis hin zu Regensets, Handschuhen und Nierengürteln.Selbst Tuningfans kommen bei uns nicht zu kurz. Sie finden in unserem Tuningbereich alles was das Herz begehrt, wie z.B. Zylinder, Kolben, Auspuffanlagen und weitere Dinge. Was passiert im Anschluss an die Produktion? Durchgehende Qualitätskontrollen sind das Steckenpferd unseres Unternehmens. Dies bedeutet, bevor wir einen Motorroller in die Hände des Kunden übergeben, wird er von uns nochmals auf tadellose Funktion und Mängelfreiheit untersucht. Vor dem Versand wird zuerst jedes Fahrzeug ausgepackt und auf unserem Zweirad-Prüfstand einem Probelauf unterzogen. Bei dem gelieferten Roller wird dann nach der Anlieferung beim Kunden abschließend erneut ein Funktionstest gemacht. So ist eine tadellose Nutzung des Gefährts de facto garantiert. Umweltschutz wir bei uns groß geschrieben Wir tragen zum Umweltschutz bei. Zur Erhaltung der Luftreinheit besitzen unsere motorisierten Zweiräder im Prinzip Verbrennungsmotoren, die besonders sparsam sind. Logischerweise nehmen wir im Sinne einer sauberen Umwelt jegliches Verpackungsmaterial wieder mit, das bei der Anlieferung unserer Fahrzeuge anfällt und führen es einer professionellen Abfallentsorgung zu. Wir kaufen Ihren Roller Nach dem Erwerb eines neuen Motorrollers aus unserem Zweiradprogramm möchten Sie sich von Ihrem ausgedienten Modell trennen? Seien Sie deswegen unbesorgt! Wir nehmen Ihren alten Roller gerne in Zahlung. Hier mehr erfahren. Wir konnten noch nicht Ihre Skepsis aus dem Weg räumen? Dann geben Sie uns doch die Möglichkeit, Sie von unseren Leistungen zu überzeugen. Man sollte uns nicht mit den billigen Onlineshops verwechseln, die wie Eintagsfliegen heute kommen und morgen gehen. Die gut fundierte Basis für einen erfolgreichen Betrieb besteht darin, dass nur hinsichtlich fortschrittlicher Innovationen und neuer Ideen ein nachhaltiges Wachstum gewährleistet werden kann. Somit stehen ständiges Lernen und die Anpassung an neue Technologien in unserem stetig wachsenden Unternehmen fortwährend in der Rangordnung ganz oben. Sie können sich selber von unserem herausragenden Service überzeugen, falls Sie uns an unserem Unternehmensstandort in Lindenfels-Eulsbach besuchen. So finden Sie uns Lindenfels liegt rund 60 km im Süden von Frankfurt am Main und 40 km nordöstlich von Mannheim im Odenwald (Regierungsbezirk Darmstadt). Selbstverständlich kann man hinsichtlich der guten Verkehrsanbindung auch ganz bequem mit der Bahn anreisen. Hier erfahren Sie mehr über uns. Unsere Topmarken Unsere Topmarken Rollerzündkerze, Zuendkerze, Zündkerze, Motorrollerzündkerze, Motorrollerzuendkerze, Roller-Zündkerze, Roller-Zuendkerze, Motorroller-Zündkerze, Motorroller-Zuendkerze, spark plug, sparking plug, ignition plug, spark plugs, ignition plugs, Roller-Motorroller-Zündkerze, Rollerzuendkerze Hinweise zu: Zündkerze NGK
Durchschnittliche Bewertung von 0 von 5 Sternen
zu Artikel: Mutter M10 x 1,25mm verzinkt YYGY0500-0901 Mutter-M10 x 1.25 weiß verzinkt für Kurbelwelle links 2-Takt 50 ccm 1E40QMB Technik-Info Mutter Bundmutter, Sechskantmutter, Flanschmutter, Flansch-Mutter, Mutter, Maschinenmutter, Maschinen-Mutter, Sechskant-Mutter, Bund-Mutter Dieser Artikel passt bei vielen Modellen, unter anderem für: AGM Fighter 50, Kymco Agility 50, EXPLORER ATU RACE GT 50, EXPLORER ATU SPIN GE50, CPI Aragon, Kreidler Galactica, AGM Firejet 50, Kreidler RMC-E Hiker, Rex Stratos Montana, CPI Oliver 50, Motowell Magnet Erstausrüsterqualität top Verarbeitung Lagerware günstiger Preis Direktimport Unsere Ersatzteile für ihren Roller bzw. Motorroller oder auch Scooter können Sie bequem online in unserem Shop kaufen. Egal ob sie Ihren Roller im Kaufhaus oder im Baumarkt gekauft haben, für alle gängigen China-, Taiwan-, oder Europa-Roller finden Sie bei uns passende Bauteile, insbesondere für die Motoren 50 cc, 125 cc, 250 ccm, 4takt, 2takt und für größere Leistungen. Speziell für die Motorentypen 139FMB ,125-4T6M , GY6 ,152QMI, 157QMI ,164FML ,139QMB, 139QMA, JSD139QMB ,157QMJ, 158MJ ,1E40QMB, 1E40QMA ,150QMG ,153FMI, 156FMI in kurzen und langen Versionen in den Normen Euro1, Euro2, Euro3 sowie die neuen Euro 4 Einspritzer-Motoren finden Sie hochqualitative Ersatzteile. Gerne können Sie auch per Email nach Ersatzteilen anfragen. Bei Bestellwerten über 100 Euro können Sie auch unseren Finanzierungs- bzw. Ratenkauf-Service nutzen. Beim Kauf von Fahrzeugen können wir Ihnen auch ein Leasing-Angebot unterbreiten, das bietet sich insbesondere für Firmen an, die Betriebsfahrzeuge anschaffen, oder ihren Mitarbeitern ein Fahrzeug zur Verfügung stellen. Ihre Anfrage nehmen wir gerne entgegen
Durchschnittliche Bewertung von 0 von 5 Sternen
zu Artikel: Schalter BlinkerLichtschalterSchalter BlinkerTechnik-InfoSchalterauch zu finden unter: Schalter, Knopf, Switch, Einschalter, Ausschalter, Lichtschalter, Blinkerschalter StartschalterSchalter beim Motorroller sind die Steuerelemente für Licht, Blinker, Hupe, etc. Auch hier ist darauf zu achten, dass beim Ersatz die entsprechende Qualität gekauft wird. Wir liefern sämtliche Schalt- und Elektroelemente in Erstausrüster-Qualität.Ersatzteile dieser Marke haben sich als beständig hochqualitativ erwiesen.Geprüfte Erstausrüsterqualität sehr gute Verarbeitung günstiger Preis Direktimport Kauf 100% ohne Risiko vom TopsellerUnsere Ersatzteile für ihren Motorroller bzw. Roller oder auch Scooter können Sie bequem online in unserem Shop kaufen. Egal ob sie Ihren Roller im Baumarkt oder im Kaufhaus gekauft haben, für alle gängigen China-, Taiwan-, oder Europa-Roller finden Sie bei uns passende Bauteile, insbesondere für die Motoren 50 cc, 125 cc, 250 ccm, 2-Takt, 4-Takt und für größere Leistungen. Speziell für die Motorentypen 164FML ,150QMG ,139FMB ,157QMJ, 158MJ , GY6 ,1E40QMB, 1E40QMA ,139QMB, 139QMA, JSD139QMB ,153FMI, 156FMI ,125-4T6M ,152QMI, 157QMI in kurzen und langen Versionen in den Normen Euro1, Euro2, Euro3 sowie die neuen Euro 4 Einspritzer-Motoren finden Sie Ersatzteile von bewährter Qualität. Gerne können Sie auch per Email nach Ersatzteilen anfragen. Bei Bestellwerten über 100 Euro können Sie auch unseren Ratenkauf- bzw. Finanzierungs-Service nutzen. Beim Kauf von Fahrzeugen können wir Ihnen auch ein Leasing-Angebot unterbreiten, das bietet sich insbesondere für Firmen an, die Betriebsfahrzeuge anschaffen, oder ihren Mitarbeitern ein Fahrzeug zur Verfügung stellen. Wir freuen uns auf Ihre Anfrage. Ein Element ist kaputt - soll es instand gesetzt oder ersetzt werden?Wird mal irgendetwas am Roller schadhaft, dann hat man grundsätzlich zwei Möglichkeiten: Reparieren oder Austauschen. Da ist es unerheblich, ob es sich dabei um einen gleichgültig, ob sich um einen Elektroroller beziehungsweise E-Roller, Motorroller oder 3-Rad Roller handelt. Ein zusätzlicher Gesichtspunkt ist, dass ein neues Bauteil nicht nur preiswerter ist als eine Instandsetzung, sondern anschließend auch eine bedeutend größere Funktionssicherheit bietet. Bisweilen kann lediglich eine qualifizierte Werkstatt den Defekt auf Anhieb entdecken. In diesem Fall wäre es vorteilhafter, über unserer Internetseite eines der einbaufertigen Ersatzteil-Kits zu bestellen, die wir in vielen unterschiedlichen Ausführungen anbieten. .Qualität ist unser WahlspruchDie Qualität unserer sämtlichen Produkte entspricht dem Weltmarktniveau. Weshalb sind wir trotz hoher Qualität so günstig? Wir kalkulieren nicht lediglich unsere Preise äußerst moderat, sondern wir kaufen auch in wirtschaftlich sinnvollen Produktmengen ein. Sofern Ihr Motorroller einmal eine neue Komponente benötigt, wenden Sie sich voll Vertrauen an uns. Sie erhalten bei uns stets beste Qualität zu einem erschwinglichen Preis.Sie suchen für einen Sundiro oder Eppella Roller ein Bauteil? Keine Sorge, wir haben sie verfügbar.Sie bekommen bei uns ohne Frage auch die Originalteile vom Rollerhersteller. Für den Fall, dass Sie andererseits Geld sparen wollen [und wer will das nicht], sollten Sie auch unsere Nachbauten in Betracht ziehen, die im Übrigen einen qualitativen Vergleich zum Erstausrüster- Produkt nicht scheuen müssen, obgleich sie generell wesentlich preisgünstiger sind. Sie können mit unseren Bauteilen die Instandsetzung Ihres fahrbaren Untersatzes entweder selber ausführen oder von einem Fachmann durchführen lassen. Sie werden zweifellos keine andere Alternative finden, um zu bezahlbaren Kosten Ihren fahrbaren Untersatz reparieren zu können.Eine gute Hilfe bei der Bestellung der benötigten Komponente sind die einzelnen ProduktbilderZufolge des anschaulichen Bildmaterials können Sie Ihr altes Bauteil auf einfache Weise mit dem verfügbaren Ersatz vergleichen, damit Sie auch de facto das gewünschte Produkt erhalten. Dabei genügt nicht nur eine visuelle Ähnlichkeit. Es müssen außerdem sowohl die aufgeführten Dimensionen als auch die deklarierten Spezifikationen passen.Was Sie davon haben:Unsere Lieferungen erfolgen zumeist kurzfristigRoller-Ankauf zu fairen PreisenAbhol- und BringserviceUnser Lager umfasst Einbauteile und Zubehör für ca. 250 Marken und 8500 ModelleDank unserer "Geld zurück" - Garantie kaufen Sie ohne RisikoAbsolute Verkehrssicherheit des Zweirads, besonders bei BremsanlagenAlle unsere Komponenten sind preiswürdig, betriebssicher sowie zuverlässigSie erhalten von uns ausschließlich die Erstausrüster-Qualität - auch bei preisgünstigen NachbautenSie zahlen beim Ordern mehrerer Teile mit identischen Versandbedingungen nur einmal VersandkostenISO-zertifizierte PräzisionsfertigungWir sind die erste Adresse, wenn es um den Erwerb von einem Motorroller, Buggy, Fun-Fahrzeug oder Quad geht. Aus welchen Gründen wäre es für Sie von Vorteil, wenn Sie uns für Sie tätig werden lassen? Weil wir uns in diesem Geschäftsfeld schon seit Jahrzehnten etabliert haben und Sie deswegen von unserem Erfahrungsschatz profitieren können. Wir als Familienbetrieb leben das Geschäft rund um die Motorroller buchstäblich.Da Kaufen auch Vertrauenssache ist, sollte man sich infolgedessen das bevorzugte Fachgeschäft vorab genau ansehen, bei dem man vorhat ein Zweirad zu kaufen. Bei uns ist alles rund um unseren Fachhandel transparent und nachvollziehbar! Sie dürfen gerne jederzeit bei uns vorbeikommen und sich selber ein Bild machen.Das was Sie dort beobachten, wird Sie sicherlich überzeugen.Ist Ihnen die Anfahrtsstrecke zu uns zu weit? Dann informieren Sie sich doch mittels der verschiedenen Ebay Bewertungen und des Trustedshops-Siegels. Auf unserer Internetseite Motorroller.de wird sowohl unser Verkaufsshop als auch unsere Geschäftspraxis von Trustedshops mit der Note "sehr gut" eingestuft. Unsere Käuferbewertungen bei Ebay liegen mit einem Wert von ca. 99,9 % ebenso in einem optimalen Bereich. All diese Resultate lassen nur einen einzigen Schluss zu: Wir legen uns in allen Belangen immer mächtig ins Zeug!Bedenken Sie aber: Wir sind auch bloß Menschen, die unter Umständen Fehler machen. Seien Sie aus dem Grund nicht gleich ärgerlich, wenn mal etwas nicht zu 100 Prozent geklappt hat, sondern geben Sie uns die Möglichkeit, unseren Fehler wieder gut zu machen.Zu welchen Zeiten wir Ihnen zu Diensten stehen? Täglich von 8:00 bis 18:00 Uhr und am Samstag von 8:00 bis 13:00 Uhr.Unsere FirmenphilosophieBei uns ist der Kunde noch König. Unsere Geschäftstätigkeit fing schon vor über fünf Jahrzehnten mit dem Maschinenbau an. Den Handel mit motorisierten Zweirädern hingegen, betreiben wir heute auch bereits seit mehr als 25 Jahren mit Erfolg. Mittlerweile haben wir uns neben dem Vertrieb von Motorrollern, auf Einbauteile, das "Nice-to-have" zur Steigerung der Leistung und Zubehör fokussiert.Wir haben rund 500.000 Zubehörteile auf LagerWer auf der Suche nach einem preiswerten motorisierten Zweirad oder Einbauteil für seinen fahrbaren Untersatz ist, der wird bei uns unter Motorroller.de auf unserer Website fündig. In unserem Lager befinden sich für etwa 250 Fabrikate und 8500 Ausführungen unterschiedliche Einbaukomponenten, passendes Zubehör und Artikel. Darunter befinden sich zum Beispiel so namhafte Produzenten wie Jonway, Kreidler, Yamaha oder Adly. Es sind circa 500.000 Produkte von verschiedenen verschiedener Anbieter, welche wir in unseren Hochregalen auf einer Lagerfläche von über 1.000 m² im Angebot haben. Sie finden im Zubehörbereich alles, was Sie für Ihren Roller benötigen.Das beginnt bei den Windschildern über die Schutzhelme und das Top Case, und geht bis hin zu Nierengürteln, Handschuhen und Regensets.In unserer Tuningabteilung halten wir für alle, die es lieber sportlich mögen ebenso einige ausgewählte Produkte bereit. Dazu zählen z.B. Zylinder, Kolben, Auspuffanlagen und andere Dinge.Was passiert nach der Produktion?Alle Lieferungen verlassen unser Haus erst nach einer strengen Qualitätsprüfung. Das heißt, bevor wir ein Fahrzeug in die Hände des Kunden übergeben, wird es von uns nochmals auf einwandfreie Funktion und Fehlerfreiheit begutachtet. Vor dem Versand wird zuerst jeden Roller ausgepackt und auf unserem computergesteuerten Zweirad-Prüfstand einem Testlauf unterzogen. Gleich nach der Anlieferung beim Käufer wird dann der Motorroller letztendlich nochmals auf perfekte Funktion gecheckt, sodass de facto gewährleistet ist, dass der Kunde ein 100-prozentig einwandfreies Gefährt bekommt.Schutz unserer UmweltWas uns besonders am Herzen liegt, ist ein wirksamer Umweltschutz. Unsere Fahrzeuge verfügen zum einen allesamt über einen Kraftstoff sparenden Motor. Bei der Anlieferung unserer Roller fällt regelmäßig Verpackungsmaterial an. Diese nehmen wir logischerweise wieder zu einer fachgerechten Entsorgung wieder mit.Wir kaufen Ihren RollerSie haben einen neuen Roller bei uns gekauft und möchten Ihren alten fahrbaren Untersatz an den Mann bringen? Zerbrechen Sie sich hierüber nicht den Kopf! Wir nehmen Ihren gebrauchten Motorroller gerne in Zahlung.Nach wie vor skeptisch?Wenn wir von Ihnen die Gelegenheit dazu erhalten, können wir Ihnen unsere Leistungen auch beweisen. Wir gehören nicht zu den billigen Onlineshops, welche heute kommen und morgen schon wieder weg sind. In unserem stetig wachsenden Unternehmen steht Anpassung an neue Technologien sowie ständiges Lernen an erster Stelle, da wir wissen, dass sich nur durch fortschrittliche Innovationen und neue Ideen das Know-how für eine stabile geschäftliche Grundlage bilden lässt. Überzeugen Sie sich persönlich von unserem außergewöhnlichen Kundenservice und besuchen Sie uns doch mal in unserem Betrieb in Lindenfels-Eulsbach.So sind wir zu findenEtwa 60 km südlich von Frankfurt/Main liegt Lindenfels im Regierungsbezirk Darmstadt. Für den Fall, dass Sie mit dem PKW anreisen, erreichen Sie den Ort per Autobahn von Norden über Frankfurt/Main (A6) bzw. von Süden über Stuttgart, Karlsruhe und Mannheim (A8). Selbstverständlich kann man auch völlig bequem per Bahn hinfahren.Unsere TopmarkenUnsere Topmarken
Durchschnittliche Bewertung von 0 von 5 Sternen
zu Artikel: Hupe 2pin 12V 1.5A 95dB Durchmesser = 65mm 2Takt 50ccm YY50QT-28 1E40QMB Die Hupe Technik-Info Hupe Horn, Signal-Horn, Hup-Signal, Töte, Hupe, Signalhorn, Hupsignal ,Rex Hupe ,Jonway Hupe, AGM Hupe Um ander Verkehrsteilnehmer wachzurütteln oder vor Gefahren zu warnen ist eine funktionierende Hupe nötig.Die Ersatzteile dieses Herstellers haben sich seit Jahren im täglichen Einsatz bewährt. Durch beständigen Erfahrungsaustausch wird die Qualität auf ein Maximum angehoben. Kostenloser Versand  Bei Ersatzteilen für jeden zusätzlichen Artikel mit den gleichen Versandkriterien, den Sie von uns kaufen. Unsere Ersatzteile für ihren Scooter bzw. Motorroller oder auch Roller können Sie bequem online in unserem Shop kaufen. Egal ob sie Ihren Roller im Baumarkt oder im Kaufhaus gekauft haben, für alle gängigen China-, Europa-, oder Taiwan-Roller finden Sie bei uns passende Bauteile, insbesondere für die Motoren 50 cc, 125 cc, 250 ccm, 4takt, 2takt und für größere Leistungen. Speziell für die Motorentypen 164FML ,139QMB, 139QMA, JSD139QMB ,157QMJ, 158MJ ,1E40QMB, 1E40QMA ,150QMG ,153FMI, 156FMI ,125-4T6M , GY6 ,152QMI, 157QMI ,139FMB in kurzen und langen Versionen in den Normen Euro1, Euro2, Euro3 sowie die neuen Euro 4 Einspritzer-Motoren finden Sie Ersatzteile von bewährter Qualität. Gerne können Sie auch per Email nach Ersatzteilen anfragen. Bei Bestellwerten über 100 Euro können Sie auch unseren Ratenkauf- bzw. Finanzierungs-Service nutzen. Beim Kauf von Fahrzeugen können wir Ihnen auch ein Leasing-Angebot unterbreiten, das bietet sich insbesondere für Firmen an, die Betriebsfahrzeuge anschaffen, oder ihren Mitarbeitern ein Fahrzeug zur Verfügung stellen. Wir freuen uns auf Ihre Anfrage. Reparieren oder tauschen? Wird mal irgendetwas am Roller schadhaft, dann hat man im Prinzip zwei Möglichkeiten: instand setzen oder Austauschen. Da ist es unerheblich, ob es sich dabei um einen gleichgültig, ob sich um einen Elektroroller bzw. E-Roller, Dreirad-Roller oder Motorroller handelt. Überdies bietet ein neues Bauteil eine erheblich größere Ausfallsicherheit als eine Reparatur des Rollers. Die Ursache einer Funktionsstörung lässt sich oft nur von einem Fachmann mittels Spezialwerkszeugen finden. Anderenfalls haben Sie auch die Option, sich für eines der fertigen Komplett-Kits zu entscheiden, welche wir für viele unterschiedliche Bauteile im Sortiment haben. . Für Ihr Zweirad - hochwertige Qualität Die Komponenten, die wir auf Lager haben, entsprechen in puncto Qualität zu 100 % dem Weltmarktniveau. Wie kommt es, dass wir so günstig sein können? Die Antwort: Weil wir bereits beim Einkauf auf entsprechend große Produktmengen wert legen. Bei uns kriegen Sie demnach sämtliche verfügbaren Bauteile für Ihren Motorroller nicht bloß in bester Qualität, sondern auch für einen attraktiven Preis. Einige Rollermarken wie Sundiro und Eppella werden schon seit langem nicht mehr hergestellt. Gleichwohl führen wir dafür noch die Einbauteile. Selbstverständlich liefern wir auch die Originalteile für Ihren Roller, wenngleich unsere Nachbauten einen qualitativen Vergleich mit dem Erstausrüster-Produkt nicht scheuen müssen, aber normalerweise wesentlich billiger sind. Ganz gleich, ob Sie die Reparatur an Ihrem fahrbaren Untersatz selber durchführen wollen oder besser in einer Fachwerkstätte machen lassen möchten, mit Sicherheit liegen Sie mit unseren Ersatzteilen ganz und gar richtig. Ohne Zweifel gibt es keine bessere Alternative, im Zusammenhang mit der Instandsetzung Ihres motorisierten Zweirads, um viel Geld zu sparen. Mit Hilfe der Bilder ist das Ordern der gewünschten Bauteile ein Kinderspiel In unserem Online Shop gibt es zahlreiches Bildmaterial, welches Sie dabei unterstützt, Ihr defektes Teil auf einfache Weise mit dem verfügbaren Ersatz zu vergleichen. In Folge dessen können Falsch- oder Fehllieferungen zufolge verkehrter Bestellungen bereits vorweg verhindert werden. Von Bedeutung ist dabei, dass Ihre Bestellung nicht nur augenscheinlich, sondern auch in den Spezifikationen und Abmessungen mit dem alten Element übereinstimmt. 10 Vorteile von denen Sie profitieren: Sie erhalten von uns immer die Erstausrüster-Qualität - auch bei preiswerten Nachbauten Kauf ohne Risiko dank "Geld zurück" - Garantie Unser Lager umfasst Einbauelemente und Zubehör für circa 250 Marken und 8500 Modelle Wir holen und bringen Ihren Roller Unsere sämtlichen Erzeugnisse sind kostengünstig, betriebssicher und zuverlässig Roller-Ankauf zu fairen Preisen Absolute Verkehrssicherheit des Motorrollers, besonders bei den Bremsen Sie bezahlen bei Bestellung mehrerer Komponenten mit identischen Versandfaktoren nur einmal Versandkosten DIN-Norm gerechte und ISO-zertifizierte Präzisionsfertigung Kurzfristige Lieferzeiten Wir sind der erste Ansprechpartner, falls es um den Kauf von einem Roller, Buggy, Fun-Fahrzeug oder Quad geht. Weshalb wäre es für Sie von Vorteil, wenn Sie uns für Sie tätig werden lassen? Weil wir uns in diesem Geschäftsbereich bereits seit Jahrzehnten etabliert haben und Sie dementsprechend von unserer gewonnenen Erfahrung profitieren können. Als Familienbetrieb betreiben wir nicht lediglich das Geschäft in Verbindung mit den Rollern, wir leben das Geschäft regelrecht. Es ist wichtig, sich das Fachgeschäft daher zuvor genau anzusehen, bevor man sich für einen Kauf entscheidet. Unsere Geschäftspraktiken sind für den Käufer hundertprozentig transparent! Sie dürfen gerne zu jeder Zeit bei uns vorbeikommen und sich persönlich ein Bild machen.Sie sehen dann den Beweis unserer Qualität gewissermaßen mit eigenen Augen. Potentielle Kunden, denen der Weg zu uns zu weit ist, können sich von zu Hause aus durch das Trustedshops-Siegels und die diversen Ebay Bewertungen über uns schlau machen. Die Beurteilungen von Trustedshops sind im Prinzip nicht nur vollkommen wertneutral sondern auch überaus aussagekräftig. Sowohl der Online Shop auf unserer Webseite Motorroller.de als auch unsere Geschäftspraktiken wurden von dieser Einrichtung bis dato durchgehend mit "sehr gut" eingestuft. Unsere Kundenrezensionen bei Ebay liegen mit einem Faktor von zirka 99,9 % gleichfalls auf einem sehr guten Niveau. All diese Ergebnisse lassen zweifellos nur einen einzigen Schluss zu: Wir legen uns auf allen Gebieten stets mächtig ins Zeug! Bitte denken Sie daran: Wir sind auch bloß Menschen, die manchmal Fehler machen. Aus dem Grund bitten wir Sie, sofern mal etwas nicht so gut gelaufen ist, uns auf jeden Fall die Möglichkeit zur Verbesserung zu geben. Unser versiertes Team steht Ihnen täglich zwischen 8:00 und 18:00 Uhr sowie am Samstag von 8:00 bis 13:00 Uhr zur Verfügung. Über uns Bei uns ist der Kunde wirklich noch König. Mehr als 25 Jahre sind wir äußerst erfolgreich im Fahrzeuggeschäft aktiv, wobei wir uns allerdings bereits vor über fünf Jahrzehnten auf dem Gebiet des Maschinenbaus Erfolg versprechend etablieren konnten. Heute haben wir uns zusammen mit der Vermarktung von Rollern, auf Zubehör, Ersatzteile und das "Must have" zum Motor tunen ausgerichtet. Wir haben über 500.000 Ersatzteile im Angebot Auf unserer Internetseite finden Sie unter Motorroller.de nahezu alle Zubehörteile und Roller aus Europa und Fernost. Es existieren gegenwärtig Einbauteile, Artikel und passendes Zubehör für ungefähr 8500 Typen und 250 Fabrikate in unserem Lager, die auf Ihre Bestellung warten. Darunter sind z.B. Lieferanten wie Jonway, Kreidler, Yamaha oder Adly zu finden. Es sind ca. 500.000 Produkte von zahlreichen verschiedener Produzenten, welche wir in unserem Hochregallager auf einer Fläche von über 1.000 m² lieferbar haben. Unser Zubehörlager bietet somit alles, was Sie als Rollerfahrer für Ihr motorisiertes Zweirad brauchen. Das beginnt bei den Nierengürteln, Regensets und Handschuhen, und geht bis hin zu den Sturzhelmen über das Top Case und den Windschildern.In unserer Tuningabteilung halten wir für alle sportlichen Fahrer ebenfalls einige ausgesuchte Produkte bereit. Hierzu zählen beispielsweise Kolben, Zylinder, Auspuffanlagen und andere Dinge. Was geschieht im Anschluss an die Produktion? Keine Lieferung verlässt unser Haus, ehe sie nicht auf tadellose Qualität geprüft worden ist. Das heißt, bevor wir ein Fahrzeug in die Hände des Kunden übergeben, wird es von uns nochmals auf tadellose Funktion und Mängelfreiheit begutachtet. Nachdem die Roller bei uns im Haus eingetroffen sind, wird jedes einzelne Zweirad ausgepackt und erstmal einer Sichtprüfung beziehungsweise einem Testlauf auf unserem Prüfstand unterzogen. Ein abschließender Funktionscheck erfolgt dann im Anschluss der Übergabe an den Käufer. Dadurch ist gesichert, dass der Motorroller sich de facto in einem tadellosen Zustand befindet und den Kunden vollends zufriedenstellt. Umweltschutz Uns liegt besonders viel an einem effektiven Schutz unserer Umwelt. Unsere Fahrzeuge haben einerseits allgemein einen sparsamen Verbrennungsmotor. Natürlich nehmen wir im Sinne des Umweltschutzes die Transportverpackung wieder mit, die bei der Anlieferung unserer Roller anfällt und führen sie einer professionellen Müllentsorgung zu. Wir nehmen Ihren Roller in Zahlung Nach dem Kauf eines neuen Rollers aus unserem Zweiradprogramm wollen Sie sich von Ihrem alten Gefährt trennen? Seien Sie deswegen unbesorgt! Wir nehmen Ihren ausgedienten Motorroller gerne in Zahlung. Wir konnten Sie trotz allem nicht begeistern? Dann geben Sie uns doch die Chance, Sie von unseren Leistungen zu überzeugen. Im Unterschied zu den billigen Internetshops, die schnell wieder weg sind, können wir eine mehrjährige Firmentradition vorweisen. Die gut fundierte Grundlage für einen erfolgreichen Betrieb besteht darin, dass allein hinsichtlich neuer Ideen und fortschrittlicher Innovationen ein nachhaltiges Wachstum garantiert werden kann. Demzufolge stehen Fleiß und ständiges Lernen in unserem stetig expandierenden Unternehmen fortwährend an der ersten Stelle. Besuchen Sie uns doch einmal in unserem Unternehmen in Lindenfels-Eulsbach und überzeugen Sie sich persönlich von unserem hervorragenden Service. So sind wir zu finden Etwa 60 km im Süden von Frankfurt/Main liegt Lindenfels im Regierungsbezirk Darmstadt. Wenn Sie mit dem eigenen Fahrzeug anreisen, erreichen Sie den Ort per Autobahn entweder von Norden über Frankfurt am Main (A6) oder von Süden über Mannheim (A8). Klarerweise kann man hinsichtlich der guten Verkehrsanbindung auch sehr bequem mit der Bahn hinfahren. Unsere Topmarken Unsere Topmarken
Durchschnittliche Bewertung von 0 von 5 Sternen
Nutmutter M22x1 gelb verzinkt linksgewinde 4Takt 125/180ccm 152QMI Motortyp: 152QMI Technik-Info Nutmutter Schraubmutter, Mutter, Nutmutter, Gewindemutter Dieser Artikel passt bei vielen Modellen, unter anderem für: Jonway Imola 125 Race/Urban, Jonway RS 1000, Jonway Milano 125, Rex RS 125 QM125T 10D, Jonway RS 1100, Jonway Torino 125, CPI Oliver 125, Jonway Monaco 125 Race Urban, AGM Fighter 125 One, Daelim Delfino 125, Rex Speedy 125 QM125T-10A, Daelim Besbi 125 SC 125, Adly Cat 125, Rex SC 125 QM125T 10A-A, AGM Fighter 125 Sport Erstausrüsterqualität beste Verarbeitung Lagerware günstiger Preis Direktimport Unsere Ersatzteile für ihren Motorroller bzw. Roller oder auch Scooter können Sie bequem online in unserem Shop kaufen. Egal ob sie Ihren Roller im Baumarkt oder im Kaufhaus gekauft haben, für alle gängigen China-, Taiwan-, oder Europa-Roller finden Sie bei uns passende Bauteile, insbesondere für die Motoren 50 cc, 125 cc, 250 ccm, 4takt, 2takt und für größere Leistungen. Speziell für die Motorentypen 152QMI, 157QMI ,1E40QMB, 1E40QMA ,150QMG ,153FMI, 156FMI ,125-4T6M , GY6 ,164FML ,139FMB ,139QMB, 139QMA, JSD139QMB ,157QMJ, 158MJ in kurzen und langen Versionen in den Normen Euro1, Euro2, Euro3 sowie die neuen Euro 4 Einspritzer-Motoren finden Sie hochqualitative Ersatzteile. Gerne können Sie auch per Email nach Ersatzteilen anfragen. Bei Bestellwerten über 100 Euro können Sie auch unseren Ratenkauf- bzw. Finanzierungs-Service nutzen. Beim Kauf von Fahrzeugen können wir Ihnen auch ein Leasing-Angebot unterbreiten, das bietet sich insbesondere für Firmen an, die Betriebsfahrzeuge anschaffen, oder ihren Mitarbeitern ein Fahrzeug zur Verfügung stellen. Ihre Anfrage nehmen wir gerne entgegen
Durchschnittliche Bewertung von 0 von 5 Sternen
zu Artikel: Kickstarterwelle 125/180ccm Kickstarterwelle Kickstarterwelle 125/180ccm Technik-Info Der Artikel: Kickstarterwelle Kickstarter-Achse, Kickstarter-Welle, Kickstarterhauptwelle, Kickstarterwelle, Kickstarter, Kickstarterachse Die Welle dient der Weiterleitung von Drehbewegung. Daher ist dieses Teil starken Torsionskräften ausgesetzt. Damit dieses Teil auf jeden Fall den Anforderungen entspricht, bekommen Sie bei uns nur Erstausrüsterqualität. Dieser Artikel passt bei vielen Modellen, unter anderem für: Aeon Cobra 100 CC, Aeon Cobra 180 RSII BJ.07/2003-2005, CPI CRAB 100, CPI CRAB 50, Daelim Delfino 125, Skyteam Cobra 50 CC Kostenloser Versand  Bei Ersatzteilen für jeden zusätzlichen Artikel mit den gleichen Versandkriterien, den Sie von uns kaufen. Unsere Ersatzteile für ihren Motorroller bzw. Scooter oder auch Roller können Sie bequem online in unserem Shop kaufen. Egal ob sie Ihren Roller im Kaufhaus oder im Baumarkt gekauft haben, für alle gängigen Europa-, Taiwan-, oder China-Roller finden Sie bei uns passende Bauteile, insbesondere für die Motoren 50 cc, 125 cc, 250 ccm, 4takt, 2takt und für größere Leistungen. Speziell für die Motorentypen 164FML , GY6 ,125-4T6M ,153FMI, 156FMI ,157QMJ, 158MJ ,139FMB ,152QMI, 157QMI ,150QMG ,1E40QMB, 1E40QMA ,139QMB, 139QMA, JSD139QMB in kurzen und langen Versionen in den Normen Euro1, Euro2, Euro3 sowie die neuen Euro 4 Einspritzer-Motoren finden Sie Ersatzteile von hoher Güte. Gerne können Sie auch per Email nach Ersatzteilen anfragen. Bei Bestellwerten über 100 Euro können Sie auch unseren Ratenkauf- bzw. Finanzierungs-Service nutzen. Beim Kauf von Fahrzeugen können wir Ihnen auch ein Leasing-Angebot unterbreiten, das bietet sich insbesondere für Firmen an, die Betriebsfahrzeuge anschaffen, oder ihren Mitarbeitern ein Fahrzeug zur Verfügung stellen. Bitte fragen Sie an. Das kaputte Bauteil besser gleich ersetzen oder instand setzen lassen? Ganz egal, ob jemand einen Elektroroller respektive E-Roller, Motorroller oder Dreirad-Roller fährt, er stellt sich höchstwahrscheinlich oftmals die Frage, ob sie ein fehlerhaftes Teil austauschen oder instand setzen lassen sollen. Ein neues Bauteil, das verhältnismäßig rasch ausgewechselt werden kann, ist nicht bloß kostengünstiger, sondern bietet außerdem eine bedeutend höhere Ausfallsicherheit als nach einer Reparatur. Häufig kann nur eine qualifizierte Werkstatt den Mangel auf Anhieb feststellen. In einem solchen Fall wäre es vernünftiger, bei uns eines der fertigen Komplett-Kits zu ordern, welche wir für viele unterschiedliche Bauteile anbieten. . Bei uns stimmen Preis und Qualität Mit Recht sind wir stolz darauf, dass die Qualität all unserer Bauteile auf dem Weltmarktniveau konkurrenzfähig ist. Unsere Ersatzteile sind aus dem Grund so attraktiv, weil wir bereits im Einkauf auf wirtschaftlich vernünftige Produktmengen wert legen. Falls Ihr Zweirad einmal ein neues Bauteil braucht, wenden Sie sich voll Vertrauen an uns. Sie erhalten bei uns stets beste Qualität zu einem günstigen Preis. Sie suchen für einen Sundiro oder Eppella Roller ein Bauteil? Keine Sorge, wir haben sie verfügbar. Selbstverständlich liefern wir auch Originalteile vom Fahrzeughersteller, wenngleich unsere Nachbauten einen qualitativen Vergleich mit dem Erstausrüster-Produkt nicht scheuen müssen, aber im Prinzip wesentlich kostengünstiger sind. Mit unseren Teilen können Sie die Reparatur an Ihrem Roller selber bewerkstelligen bzw. auch in einer Fachwerkstatt machen lassen. In Erstausrüster-Qualität und zu solch erschwinglichen Kosten werden Sie mit Sicherheit Ihren Roller nicht auf andere Art und Weise wieder flott bekommen können. Eine große Hilfe bei der Bestellung der gewünschten Ersatzteile sind die einzelnen Abbildungen Damit Sie auch in der Tat den passenden Artikel erhalten, existiert in unserem Onlineshop eine Menge von anschaulichem Bildmaterial, durch das Sie Ihr altes Element mit dem verfügbaren Ersatz vergleichen können. Es ist dabei entscheidend, dass das Austauschteil, das Sie tauschen wollen, nicht nur visuell, sondern auch in den Spezifikationen und Maßen mit Ihrer Bestellung übereinstimmt. Auf welche Weise Sie davon profitieren: Alle unsere Einbauteile sind gebrauchstauglich, preisgünstig sowie ausfallsicher Absolute Fahrsicherheit des Motorrollers, vor allem bei den Bremsen ISO-zertifizierte Präzisionsfertigung Sie erhalten von uns ohne Ausnahme die Erstausrüster-Qualität - auch bei preiswerten Nachbauten Unser Lager umfasst Einbauelemente und Zubehör für ca. 250 Marken und 8500 Typen Sie zahlen nur einmal Versandkosten bei Bestellung mehrerer Komponenten mit identischen Lieferbedingungen Kauf ohne Risiko dank "Geld zurück" - Garantie Wir kaufen Ihren Roller Abhol- und Bringservice Unsere Lieferungen erfolgen fast immer kurzfristig Am besten kaufen Sie Motorroller, Fun Fahrzeuge, Quads und Buggys bei uns als Fachhändler. Aus welchem Grund wäre es für Sie von Nutzen, wenn Sie uns für Sie tätig werden lassen? Weil wir dank unserer jahrzehntelangen Erfahrung das erforderliche Know-how für dieses Geschäftsfeld besitzen, können wir Ihnen den bestmöglichen Service bieten. Wir als Familienbetrieb leben das Geschäft rund um die Motorroller richtiggehend. Es ist wesentlich, sich das Fachgeschäft in Folge dessen im Vorfeld genau anzugucken, bevor man sich zu einem Kauf entschließt. Alles ist bei uns transparent und für die Kundschaft nachzuvollziehen! Gerne können Sie uns im Ladengeschäft besuchen, um sich über uns eigenhändig zu informieren.Den Beleg unserer guten Leistungen sehen Sie dann direkt vor Ort. Kunden, denen die Anfahrt zu uns zu weit ist, können sich gerne mittels des Trustedshops-Siegels und die zahlreichen Ebay Bewertungen über uns schlau machen. Auf unserer Verkaufsseite Motorroller.de wird sowohl unsere Geschäftspraxis als auch unser Internetshop von Trustedshops mit der Note "sehr gut" beurteilt. Der Bewertungsfaktor von ca. 99,9 % bei Ebay in den Kundenrezensionen kann sich ebenfalls sehen lassen. All diese Ergebnisse lassen nur einen einzigen Schluss zu: Wir legen uns auf allen Gebieten stets mächtig ins Zeug! Aber auch, wenn wir uns noch so anstrengen - wir sind keine Maschinen, sondern Menschen, die zuweilen mal einen Fehler machen. Wir möchten Sie darum bitten, uns unbedingt eine Chance zur Verbesserung zu geben, wenn mal etwas nicht völlig zu Ihrer Zufriedenheit geklappt hat. Wann wir Ihnen zu Diensten stehen? Täglich von 8:00 bis 18:00 Uhr und samstags von 8:00 bis 13:00 Uhr. Unser Unternehmen stellt sich vor Wir haben uns die Zufriedenheit unserer Kunden auf die Fahne geschrieben. Mehr als 25 Jahre sind wir mit Erfolg im Fahrzeuggeschäft aktiv, wobei wir uns indes bereits vor über 5 Jahrzehnten auf dem Sektor Maschinenbau Erfolg versprechend etabliert haben. Gegenwärtig haben wir uns auf Einbauteile, Zubehör und das "Nice-to-have" zur Leistungssteigerung für die meist gefahrenen Roller ausgerichtet. Unsere Produktauswahl umfasst mehr als 500.000 Teile Unter Motorroller.de finden Sie nahezu alle Ersatzteile und Fahrzeuge aus Fernost und Europa. Es gibt gegenwärtig passendes Zubehör, Artikel und Einbauelemente für circa 250 Marken und 8500 Typen in unserem Lager, die auf Ihre Bestellung warten. Zu unseren Lieferanten gehören zum Beispiel Hersteller wie Yamaha, Jonway, Kreidler oder Adly. Auf einer Lagerfläche von über 1.000 m² haben wir in unserem Hochregallager mehr als 500.000 Produkte unterschiedlicher Produzenten im Sortiment. In unserer Zubehörabteilung finden Sie alles, was man als Rollerfahrer benötigt. Das beginnt bei den Sturzhelmen über die Windschilder und dem Top Case, und geht bis hin zu Nierengürteln, Regensets und Handschuhen.Damit die Tuningfans genauso auf ihre Rechnung kommen, haben wir für sie ausgewählte Produkte wie Auspuffanlagen, Zylinder, Kolben und andere Dinge im Angebot. Direkt nach der Produktion Kontinuierliche Qualitätskontrolle ist unsere Passion. Das heißt, ehe wir ein Fahrzeug in die Hände des Kunden übergeben, wird es von uns nochmals auf tadellose Funktion und Mängelfreiheit untersucht. Wir packen zuerst jeden Roller nach der Ankunft in unserem Haus aus und unterziehen es auf unserem computergesteuerten Zweirad-Prüfstand einem Testlauf. Ehe der Kunde den Motorroller in Empfang nimmt, erfolgt noch ein abschließender Funktionstest. So ist de facto sichergestellt, dass der neue Besitzer mit seiner Anschaffung zu 100 Prozent zufrieden ist. Umweltschutz wir bei uns groß geschrieben Uns liegt sehr viel an einem wirksamen Umweltschutz. Einerseits sind unsere Fahrzeuge im Prinzip mit effizienten Motoren ausgestattet. Die Transportverpackung nehmen wir natürlich wieder mit, um sie einer professionellen Müllentsorgung zuzuführen - auch das ist für uns ein Beitrag zum Umweltschutz. Roller-Ankauf Sie wollen sich bei uns einen neuen Roller anschaffen und sich gleichzeitig von Ihrem alten Zweirad trennen? Seien Sie deswegen unbesorgt! Wir nehmen Ihren ausgedienten Roller gerne in Zahlung. Es ist uns nicht gelungen, alle Zweifel aus dem Weg zu räumen? Dann würden wir uns sehr freuen, wenn wir von Ihnen die Möglichkeit bekämen, die Qualität unserer Leistungen unter Beweis stellen zu dürfen. Wir zählen nicht zu den billigen Onlineshops, die wie Eintagsfliegen heute kommen und nach kurzer Zeit wieder unauffindbar sind. In unserem stetig wachsenden Unternehmen steht Anpassung an neue Technologien sowie ständiges Lernen in der Rangordnung ganz oben, da wir verstanden haben, dass sich allein durch fortschrittliche Innovationen und neue Ideen das Know-how für eine solide Geschäftsgrundlage erzeugen lässt. Sie können sich selber von unserem vortrefflichen Service überzeugen, wenn Sie uns an unserem Betriebsstandort in Lindenfels-Eulsbach besuchen. So finden Sie uns Lindenfels liegt rund 60 km im Süden von Frankfurt am Main und 40 km nordöstlich von Mannheim im Odenwald (Regierungsbezirk Darmstadt). Es besteht auch eine gute Verkehrsanbindung mit der Bahn. Unsere Topmarken Unsere Topmarken Hinweise zu: Kickstarterwelle
Durchschnittliche Bewertung von 0 von 5 Sternen
zu Artikel: Schalter Blinker Lichtschalter Technik-Info Schalter Lichtschalter, Schalter Licht, Schalter Frenlicht, Knopf Fernlicht, Schalter Auf-Abblendlicht, Knopf Auf-Abblendlicht, Schalter, Knopf, Switch, Einschalter, Ausschalter, Blinkerschalter Startschalter, Scheinwerferschalter, Spezial Scheinwerferschalter, Spezial Lichtschalter, Licht Ein/Ausschalter, Beleuchtungsschalter, Schalter Fernlicht, Licht-Schalter Schalter beim Motorroller sind die Steuerelemente für Licht, Blinker, Hupe, etc. Auch hier ist darauf zu achten, dass beim Ersatz die entsprechende Qualität gekauft wird. Wir liefern sämtliche Schalt- und Elektroelemente in Erstausrüster-Qualität.Ersatzteile dieser Marke haben sich als beständig hochqualitativ erwiesen. Geprüfte Erstausrüsterqualität beste Verarbeitung günstiger Preis Direktimport Kauf 100% ohne Risiko vom Topseller Unsere Ersatzteile für ihren Scooter bzw. Roller oder auch Motorroller können Sie bequem online in unserem Shop kaufen. Egal ob sie Ihren Roller im Kaufhaus oder im Baumarkt gekauft haben, für alle gängigen Europa-, China-, oder Taiwan-Roller finden Sie bei uns passende Bauteile, insbesondere für die Motoren 50 cc, 125 cc, 250 ccm, 2-Takt, 4-Takt und für größere Leistungen. Speziell für die Motorentypen 153FMI, 156FMI ,125-4T6M ,139QMB, 139QMA, JSD139QMB ,152QMI, 157QMI ,139FMB ,157QMJ, 158MJ , GY6 ,1E40QMB, 1E40QMA ,150QMG ,164FML in kurzen und langen Versionen in den Normen Euro1, Euro2, Euro3 sowie die neuen Euro 4 Einspritzer-Motoren finden Sie Ersatzteile von hoher Qualität. Gerne können Sie auch per Email nach Ersatzteilen anfragen. Bei Bestellwerten über 100 Euro können Sie auch unseren Ratenkauf- bzw. Finanzierungs-Service nutzen. Beim Kauf von Fahrzeugen können wir Ihnen auch ein Leasing-Angebot unterbreiten, das bietet sich insbesondere für Firmen an, die Betriebsfahrzeuge anschaffen, oder ihren Mitarbeitern ein Fahrzeug zur Verfügung stellen. Ihre Anfrage nehmen wir gerne entgegen Das defekte Bauteil besser gleich ersetzen oder reparieren lassen? Diese Frage stellt sich immer dann, wenn etwas am Roller defekt geworden ist, ganz egal, ob sich um einen Elektroroller beziehungsweise E-Roller, 3-Rad Roller oder Motorroller handelt. Woran man gleichermaßen denken sollte: Ein Ersatzteil ist nicht nur rasch ausgewechselt, sondern macht den Roller auch bedeutend funktionssicherer als eine Instandsetzung. Oftmals kann ausschließlich eine qualifizierte Fachwerkstatt den Fehler auf Anhieb finden. Alternativ gibt es auch die Möglichkeit, sich für eines der einbaufertigen Ersatzteil-Kits zu entscheiden, die wir für zahlreiche unterschiedliche Fabrikate anbieten. . Qualitativ hochklassige Roller-Bauteile und Zubehör Die Qualität all unserer Teile hat Weltmarktniveau. Unsere Produkte sind aus dem Grund so attraktiv, da wir schon im Einkauf auf entsprechend große Produktmengen achten. Bei uns kriegen Sie deswegen sämtliche lieferbaren Bauteile für Ihr motorisiertes Zweirad nicht nur in hervorragend Qualität, sondern auch für einen günstigen Preis. Wir führen sogar für die allermeisten Motorroller, Buggys und Quads die Ersatzteile, die gar nicht mehr produziert werden. Beispielsweise haben wir alle Bauteile für die Marken Eppella und Sundiro nach wie vor vorrätig. Sie erhalten bei uns selbstverständlich auch die Originalteile vom Rollerhersteller. Für den Fall, dass Sie jedoch Geld sparen wollen [und wer will das nicht], sollten Sie auf unsere Nachbauten zurückgreifen, welche nebenbei bemerkt, einen qualitativen Vergleich mit dem Erstausrüster- Produkt nicht zu scheuen brauchen, obschon sie im Allgemeinen bedeutend preisgünstiger sind. Unsere Komponenten ermöglichen es Ihnen, auf der einen Seite die Reparatur an Ihrem Motorroller selbst durchführen oder andererseits auch in einer Werkstatt ausführen zu lassen. Es gibt vermutlich keine andere Alternative, durch die Sie zu erschwinglichen Kosten und in vorzüglicher Qualität Ihren Motorroller reparieren können. Eine große Hilfe beim Auffinden der gewünschten Austauschteile sind die jeweiligen Abbildungen Bei den Erläuterungen finden Sie in unserem Online-Shop auch anschauliches Bildmaterial. Hierdurch können Sie sogleich Ihre alte Komponente mit dem erhältlichen Ersatz vergleichen und gehen somit sicher, dass Sie hernach auch garantiert den passenden Artikel erhalten. Dabei genügt nicht bloß eine augenscheinliche Übereinstimmung. Es müssen unter anderem sowohl die aufgeführten Maße als auch die aufgeführten Spezifikationen zusammenpassen. Zehn Vorteile von denen Sie profitieren: Wir kaufen Ihren Motorroller ISO-zertifizierte Präzisionsfertigung Wir holen und bringen Ihren Roller Absolute Fahrsicherheit des Zweirads, besonders bei den Bremsen Alle unsere Erzeugnisse sind kostengünstig, betriebssicher sowie zuverlässig Kurze Lieferzeiten Ersatzteile und Zubehör für ca. 250 Marken und 8500 Modelle auf Lager Mit unserer "Geld zurück" - Garantie kaufen Sie ohne Risiko Sie erhalten von uns stets die Erstausrüster-Qualität - auch bei preisgünstigen Nachbauten Sie bezahlen nur einmal Versandkosten beim Ordern mehrerer Einbauteile mit denselben Versandfaktoren Wir sind die erste Adresse, falls es um die Anschaffung von einem Roller, Quad, Buggy oder Fun-Fahrzeug geht. Welchen Nutzen haben Sie von unserem Service? Weil wir für dieses Geschäftsfeld das Know-how und die Meister-Qualifikation besitzen, was hierzu definitiv benötigt wird. Als familiär geführtes Unternehmen betreiben wir nicht nur das Geschäft in Verbindung mit den Rollern, wir leben das Geschäft richtiggehend. Es ist nicht in jedem Fall sinnvoll, sein motorisiertes Zweirad bei irgendeinem x-beliebigen Händler zu kaufen. Folglich ist es wesentlich, sich den bevorzugten Fachhändler vorab genau anzusehen. Alles ist bei uns transparent und für den Kunden einleuchtend! Gerne können Sie uns im Ladengeschäft aufsuchen, um sich über uns eigenhändig zu informieren.Die Vertrauensbestätigung erhalten Sie dann vor Ort im Prinzip schwarz auf weiß. Ist Ihnen die Strecke zu uns zu weit? Dann informieren Sie sich doch durch die diversen Ebay Bewertungen und des Trustedshops-Siegels. Auf unserer Internetseite Motorroller.de wird sowohl unser Online Shop als auch unsere Geschäftspraxis von Trustedshops mit der Note "sehr gut" eingestuft. Was unsere Kundenbewertungen ebenso auf einem Niveau, das sich auf jeden Fall sehen lassen kann. Was bestätigen all diese Ergebnisse ganz eindeutig? Dass wir uns in allen Belangen immer mächtig ins Zeug legen! Bedenken Sie aber, dass wir keine Roboter sondern auch nur Menschen sind, denen unter Umständen denen mitunter etwas misslingen kann. Wir möchten Sie demzufolge bitten, uns definitiv eine Chance zur Verbesserung zu geben, sofern mal etwas nicht ganz geklappt hat. Unser Fachgeschäft hat für Sie geöffnet: täglich von 8:00 - 18:00 Uhr, samstags von 9:00 - 13:00 Uhr. Seit vielen Jahren im Dienst unserer Kunden Bei uns ist der Kunde noch König. Den Fahrzeughandel betreiben wir mit Erfolg schon seit über 25 Jahren, wollen dabei hingegen erwähnen, dass wir bereits mehr als fünfzig Jahre auf eine Erfolgsgeschichte auf dem Sektor Maschinenbau zurückschauen können. Inzwischen haben wir uns außer der Vermarktung von Rollern, auf Fahrzeugzubehör, das "Must have" für Tuning und Ersatzelemente ausgerichtet. Unser Teilelager schließt in etwa 500.000 Komponenten ein Wer auf der Suche nach einem preiswerten Zweirad oder Ersatzteil für seinen fahrbaren Untersatz ist, der wird auf unserer Internet-Seite unter Motorroller.de auf unserer Web-Seite fündig. In unserem Lager befinden sich für etwa 250 Marken und 8500 Modelle unterschiedliche Artikel, Einbauelemente und passendes Zubehör. Adly, Jonway, Yamaha oder Kreidler zählen beispielsweise zu unseren langjährigen Lieferanten. Es sind circa 500.000 Produkte von zahlreichen verschiedener Hersteller, welche wir in unserem Hochregallager auf einer Lagerfläche von über 1.000 m² sofort lieferbar haben. Hier finden Sie stets das gewünschte Zubehör für Ihr Zweirad von A bis Z. Das beginnt bei den Schutzhelmen über die Windschilder und dem Top Case, und geht bis hin zu Handschuhen, Regensets und Nierengürteln.Damit die Tuningfans gleichfalls auf ihre Rechnung kommen, haben wir für sie ausgewählte Artikel wie Auspuffanlagen, Kolben, Zylinder und andere Dinge im Produktsortiment. Direkt nach der Produktion Sämtliche Lieferungen verlassen unser Unternehmen erst im Anschluss an eine strenge Qualitätsprüfung. Mit anderen Worten, alle Motorroller, die den Hersteller verlassen haben, werden von uns nochmals umfassend auf eventuelle Fehler respektive Transportschäden durchgecheckt, ehe sie in die Hände unserer Kunden übergeben werden. Vor der Übergabe wird als erstes jedes Fahrzeug ausgepackt und auf unserem computergesteuerten Zweirad-Prüfstand einem Testlauf unterzogen. Ehe der Kunde den Roller in Empfang nimmt, erfolgt noch ein letzter Funktionscheck. Damit ist wirklich gewährleistet, dass der neue Besitzer mit seinem Erwerb zu 100 Prozent zufrieden ist. Wir legen Wert auf eine saubere Umwelt Uns liegt besonders viel an einem effektiven Umweltschutz. Das sagen wir nicht allein, weil unsere motorisierten Zweiräder im Prinzip mit wirtschaftlichen Verbrennungsmotoren ausgestattet sind. Bei der Auslieferung unserer Fahrzeuge fällt ohne Ausnahme Verpackungsmaterial an. Dieses nehmen wir logischerweise wieder mit und führen es einer fachgemäßen Entsorgung zu. Ihren ausgedienten Roller nehmen wir gerne in Zahlung Sie haben einen neuen Motorroller bei uns gekauft und möchten Ihren alten fahrbaren Untersatz an den Mann bringen? Zerbrechen Sie sich hierüber nicht den Kopf! Lassen Sie uns das übernehmen, indem wir Ihren ausgedienten Roller ankaufen. Sie sind immer noch skeptisch? Dann geben Sie uns bitte die Möglichkeit, Sie von unseren Leistungen zu überzeugen. Man darf uns nicht mit den vielen billigen Online-Shops, die heute ihre Produkte anbieten und morgen bereits wieder fort sind, verwechseln. Ausschließlich auf Grund zeitgemäßer Innovationen und neuer Ideen lässt sich eine gut fundierte Geschäftsgrundlage schaffen. Deshalb steht in unserem stetig expandierenden Betrieb Fleiß und fortwährendes Lernen immer an erster Stelle. Sie können sich persönlich von unserem vortrefflichen Kundenservice überzeugen, für den Fall, dass Sie uns an unserem Unternehmensstandort in Lindenfels-Eulsbach besuchen. Unsere Firma ist ganz leicht zu finden Zirka 60 km südlich von Frankfurt/Main findet man Lindenfels im Regierungsbezirk Darmstadt. Wenn Sie mit dem Auto anreisen, erreichen Sie den Ort per Autobahn von Norden über Frankfurt/Main (A6) bzw. von Süden über Mannheim (A8). Eine Anfahrt per Bahn ist klarerweise genauso möglich. Unsere Topmarken Unsere Topmarken
Durchschnittliche Bewertung von 0 von 5 Sternen
zu Artikel: CDIDie CDI Zündbox CDI-Einheit, CDI, Zündelektronik, CDI Zündbox, Zuendelektronik, CDI Einheit, Zündeinheit, Zuendeinheit, Steuergerät, Steuergeraet, Zündbox, Zuendbox, Zündzentrale, Zuendzentrale, Elektr4onik-Blackbox, E-Blackbox, Blackbox, Zündsteuerung, Zünd-Steuerung, Zuend-Steurung, Zuendsteuerung, Dieser Artikel passt bei vielen Modellen, unter anderem für: Access Crap, Adly Scoody 50 Geprüfte beste Erstausrüsterqualität beste Verarbeitung Best. Ware günstiger Preis Direktimport Kauf 100% ohne Risiko vom Topseller Unsere Ersatzteile für ihren Motorroller bzw. Scooter oder auch Roller können Sie bequem online in unserem Shop kaufen. Egal ob sie Ihren Roller im Kaufhaus oder im Baumarkt gekauft haben, für alle gängigen Taiwan-, China-, oder Europa-Roller finden Sie bei uns passende Bauteile, insbesondere für die Motoren 50 cc, 125 cc, 250 ccm, 2-Takt, 4-Takt und für größere Leistungen. Speziell für die Motorentypen 152QMI, 157QMI ,125-4T6M , GY6 ,164FML ,139FMB ,139QMB, 139QMA, JSD139QMB ,157QMJ, 158MJ ,1E40QMB, 1E40QMA ,150QMG ,153FMI, 156FMI in kurzen und langen Versionen in den Normen Euro1, Euro2, Euro3 sowie die neuen Euro 4 Einspritzer-Motoren finden Sie qualitativ erstklassige Ersatzteile. Gerne können Sie auch per Email nach Ersatzteilen anfragen. Bei Bestellwerten über 100 Euro können Sie auch unseren Ratenkauf- bzw. Finanzierungs-Service nutzen. Beim Kauf von Fahrzeugen können wir Ihnen auch ein Leasing-Angebot unterbreiten, das bietet sich insbesondere für Firmen an, die Betriebsfahrzeuge anschaffen, oder ihren Mitarbeitern ein Fahrzeug zur Verfügung stellen. Bitte fragen Sie an. Soll das schadhafte Bauteil ausgetauscht oder instand gesetzt werden?Diese Frage stellt sich immer dann, wenn etwas am Roller defekt geworden ist, ganz egal, ob sich um einen Elektroroller bzw. E-Roller, Motorroller oder Dreirad-Roller handelt. Woran man ebenso denken sollte: Ein Ersatzteil ist nicht nur schnell getauscht, sondern macht den Roller auch beträchtlich ausfallsicherer als eine Reparatur. Meistens kann nur eine qualifizierte Fachwerkstatt den Schaden auf Anhieb entdecken. Ordern Sie doch am besten sofort eines unserer einbaufertigen Ersatzteil-Kits, die wir in vielen unterschiedlichen Ausführungen anbieten. .Elemente von exzellenter QualitätDie Teile, die wir auf Lager haben, entsprechen zu 100 Prozent mit Blick auf die Qualität dem Weltmarktniveau. Wir können allein aus dem Grund so günstig sein, weil wir unsere Produkte in genügend großen Mengen einkaufen. Diese beiden Faktoren, nämlich einerseits die gute Qualität und auf der anderen Seite der günstige Preis heben uns in erster Linie von anderen Mitbewerbern ab. Wir führen sogar für die meisten Motorroller, Buggys und Quads die Zubehörteile, welche gar nicht mehr produziert werden. Zum Beispiel haben wir alle Komponenten für die Marken Eppella und Sundiro nach wie vor vorrätig.Wir haben logischerweise auch die Originalteile vieler Rollerproduzenten auf Lager, obschon unsere Nachbauten mit den Originalen qualitativ auf alle Fälle mithalten können und dennoch vom Preis her normalerweise um einiges billiger sind. Mit unseren Komponenten können Sie die Instandsetzung Ihres Motorrollers selber ausführen beziehungsweise auch in einer Werkstatt ausführen lassen. Sicherlich finden Sie keine bessere Alternative, im Zusammenhang mit der Reparatur Ihres Rollers, um Ihren Geldbeutel zu schonen.Anhand der Produktbilder ist das Ordern der gewünschten Austauschteile ein KinderspielDamit Sie auch garantiert den passenden Artikel erhalten, existiert in unserem Shop eine Menge von anschaulichem Bildmaterial, durch das Sie Ihre alte Komponente mit dem verfügbaren Ersatz vergleichen können. Achten Sie bitte insbesondere auf die Übereinstimmung des alten Bauteils mit dem abgebildeten Artikel; besonders was die angegebenen Abmessungen und technischen Spezifikationen anbelangt. Auf welche Weise Sie davon profitieren:Wir kaufen Ihren RollerAlle unsere Produkte sind preiswürdig, gebrauchstauglich sowie langlebigAuch bei kostengünstigen Nachbauten bekommen Sie von uns ausschließlich die Erstausrüster-QualitätSie bezahlen beim Ordern mehrerer Einbauelemente mit identischen Versandkriterien nur einmal VersandkostenTeile und Zubehör für rund 250 Marken und 8500 Typen auf Lager"Geld zurück" - Garantie, deshalb Kauf ohne RisikoHol- und BringserviceKurze LieferzeitenISO-zertifizierte PräzisionsfertigungAbsolute Fahrsicherheit des Zweirads, besonders bei den BremsenAm besten kaufen Sie Motorroller, Straßenbuggys, Fun-Fahrzeuge und Quads in einem Fachbetrieb wie den unsrigen. Warum sind wir der optimale Partner für Sie? Weil wir uns in diesem Geschäftsbereich bereits seit Jahrzehnten etabliert haben und Sie darum von unserer gewonnenen Erfahrung profitieren können. Unsere Passion ist es, nicht bloß zu verkaufen, sondern unsere Kunden auch danach zu betreuen sowie einen tadellosen Fahrzeugservice zu bewerkstelligen. Wir als familiär geführter Betrieb leben das Geschäft in Verbindung mit Motorrollern richtiggehend. Kaufen ist Vertrauenssache, in Folge dessen ist es notwendig, sich seinen Lieferanten vorab genau anzugucken. Alles ist bei uns zu 100 Prozent nachvollziehbar! Sie dürfen gerne jederzeit bei uns vorbeikommen und sich selbst ein Bild machen.Das was Sie dort sehen, wird Sie mit Sicherheit überzeugen.Interessenten, denen der Weg zu uns zu weit ist, können sich von zu Hause aus durch das Trustedshops-Siegels und die zahlreichen Ebay Bewertungen über uns sachkundig machen. Sowohl unser Shop als auch unsere Geschäftspraxis werden beispielsweise mit dem Trustedshops Gütesiegel "sehr gut" bewertet. Auch bei Ebay liegen wir mit dem Faktor 99,9 % ausgezeichnet im Rennen. All diese Resultate lassen nur einen einzigen Schluss zu: Unsere Kunden sind bei uns bestens aufgehoben! Aber auch, wenn wir uns noch so bemühen - wir sind keine Maschinen, sondern Menschen, die manchmal mal etwas falsch machen. Aus dem Grund bitten wir Sie, wenn mal etwas nicht so gut gelaufen ist, uns auf jeden Fall die Gelegenheit zur Verbesserung zu geben.Zu welchen Zeiten wir Ihnen zu Diensten stehen? Täglich von 8:00 bis 18:00 Uhr und am Samstag von 8:00 bis 13:00 Uhr.Die Fakten unseres UnternehmensBei uns ist der Kunde wirklich noch König. Das Fahrzeuggeschäft betreiben wir bereits über 25 Jahre sehr erfolgreich, wollen dabei jedoch erwähnen, dass wir schon mehr als fünf Jahrzehnte auf eine Erfolgsgeschichte auf dem Gebiet des Maschinenbaus zurückblicken können. Zwischenzeitlich haben wir uns auf das "Nice-to-have" für Tuning, Einbauteile und Fahrzeugzubehör für die meist gefahrenen Roller festgelegt.Unser Teilespektrum schließt circa 500.000 tag=203#Einbauteile einIn unserem Onlineshop finden Sie unter Motorroller.de beinahe alle Zubehörteile und Motorroller aus Fernost und Europa. In unserem Lager warten Einbauteile, Artikel und passendes Zubehör für ungefähr 250 Fabrikate und 8500 Ausführungen auf Ihre Bestellung. Beispielsweise arbeiten wir schon jahrelang mit so namhaften Anbietern wie Kreidler, Jonway, Adly Yamaha oder zusammen. Wir haben Summa summarum mehr als 500.000 Produkte von verschiedenen Produzenten im Programm, die auf einer Lagerfläche von über 1.000 m² in unseren Hochregalen auf Lager liegen. Unser Zubehörlager bietet somit alles, was Sie als Rollerfahrer für Ihren fahrbaren Untersatz brauchen. Das beginnt bei den Nierengürteln, Handschuhen und Regensets, und geht bis hin zu den Windschildern über das Top Case und den Sturzhelmen.Auch für alle Tuningfans bieten wir ausgesuchte Artikel an, wie z.B. Auspuffanlagen, Kolben, Zylinder und weitere Dinge Kolben, Zylinder, Auspuffanlagen und andere Dinge.Unmittelbar nach der ProduktionKein Produkt verlässt unser Unternehmen, ehe es nicht auf tadellose Qualität geprüft worden ist. Anders gesagt, bevor ein Roller ausgeliefert bzw. vom Kunden abgeholt wird, überprüfen wir ihn zum Schluss nochmals eingehend auf eventuelle Mängel respektive Transportschäden. Vor der Übergabe wird als erstes jeden Motorroller ausgepackt und auf unserem Zweirad-Prüfstand einem Testlauf unterzogen. Ehe der Kunde das Fahrzeug übernimmt, erfolgt noch ein abschließender Funktionstest. Auf diese Weise ist wirklich gesichert, dass der neue Besitzer mit seinem Kauf hundertprozentig zufrieden ist.UmweltschutzDer Schutz unserer Umwelt liegt uns sehr am Herzen. Das sagen wir nicht lediglich, weil unsere motorisierten Zweiräder generell mit Motoren ausgestattet sind, welche relativ wenig Sprit schlucken. Bei der Auslieferung unserer Motorroller bleibt stets das Verpackungsmaterial übrig. Dieses nehmen wir selbstverständlich wieder zu einer fachgerechten Müllentsorgung wieder mit.Wir nehmen Ihren alten Motorroller in ZahlungNach dem Kauf eines neuen Rollers aus unserem Sortiment möchten Sie sich von Ihrem ausgedienten Fahrzeug trennen? Machen Sie sich hierüber keine Sorgen! Lassen Sie das unser Problem sein, indem wir Ihren alten Motorroller ankaufen.Nach wie vor nicht überzeugt?Dann würden wir uns sehr darüber freuen, wenn wir von Ihnen die Gelegenheit bekämen, die Qualität unserer Leistungen unter Beweis stellen zu dürfen. Im Vergleich zu den billigen Verkaufsshops, welche schon nach kurzer Zeit wieder von der Bildfläche verschwinden, können wir auf eine mehrjährige Firmentradition zurück blicken. Allein mittels fortschrittlicher Innovationen und neuer Ideen lässt sich eine solide Geschäftsgrundlage schaffen. In Folge dessen steht in unserem stetig expandierenden Unternehmen ständiges Lernen sowie die Anpassung an neue Technologien durchweg an erster Stelle. Sie können sich selbst von unserem vortrefflichen Service überzeugen, wenn Sie uns an unserem Betriebsstandort in Lindenfels-Eulsbach besuchen.So sind wir zu findenRund 60 km südlich von Frankfurt am Main findet man Lindenfels im Regierungsbezirk Darmstadt. Für den Fall, dass Sie mit dem PKW anreisen, erreichen Sie den Ort per Autobahn von Norden über Frankfurt/Main (A6) beziehungsweise von Süden über Mannheim (A8). Eine Anreise mit der Bahn ist logischerweise ebenso möglich.Unsere TopmarkenUnsere TopmarkenHinweise zu: CDI 45kmh
Durchschnittliche Bewertung von 0 von 5 Sternen
zu Artikel: Schraube M12x1.5x16mm für Motorölablassschraube weiß verzinkt 4Takt 125/180ccm 152QMI Motortyp: 152QMI Technik-InfoSchraubeMaschinen-Schraube, Schraube, Bund-Schraube, Bundschraube, Flanschschraube, Maschinenschraube, Flansch-SchraubeDer Spritzschutz - oder auch Innenkotflügel genannt - hilft den Rest der Radumgebung länge sauber zu halten.Dieser Artikel passt bei vielen Modellen, unter anderem für: Rex RS 460 BOSTON 8, Rex RS 450, Otto Versand Rex RS 400, Otto Versand Rex RS 750, Jonway Milano 50, Kreidler MONZA 50 Race / Urban (Fin: WS1 od. L8Y), Jonway Imola 125 Race/Urban, Jonway RS 1000, Jonway Imola 50 Race/Urban, Kreidler MONACO 50 Race / Urban, Jonway Milano 125, Rex Off Limit, Rex RS 900 QM50T 10A-A, Rex RS 600 QM50QT-2, Rex Rexy 50 50 km/hDie Ersatzteile dieses Herstellers haben sich seit Jahren im täglichen Einsatz bewährt. Durch beständigen Erfahrungsaustausch wird die Qualität auf ein Maximum angehoben.Kostenloser Versand Bei Ersatzteilen für jeden zusätzlichen Artikel mit den gleichen Versandkriterien, den Sie von uns kaufen.Unsere Ersatzteile für ihren Scooter bzw. Motorroller oder auch Roller können Sie bequem online in unserem Shop kaufen. Egal ob sie Ihren Roller im Baumarkt oder im Kaufhaus gekauft haben, für alle gängigen Europa-, China-, oder Taiwan-Roller finden Sie bei uns passende Bauteile, insbesondere für die Motoren 50 cc, 125 cc, 250 ccm, 2takt, 4takt und für größere Leistungen. Speziell für die Motorentypen 150QMG ,1E40QMB, 1E40QMA ,164FML ,157QMJ, 158MJ ,125-4T6M ,139QMB, 139QMA, JSD139QMB ,153FMI, 156FMI ,139FMB , GY6 ,152QMI, 157QMI in kurzen und langen Versionen in den Normen Euro1, Euro2, Euro3 sowie die neuen Euro 4 Einspritzer-Motoren finden Sie qualitativ erstklassige Ersatzteile. Gerne können Sie auch per Email nach Ersatzteilen anfragen. Bei Bestellwerten über 100 Euro können Sie auch unseren Finanzierungs- bzw. Ratenkauf-Service nutzen. Beim Kauf von Fahrzeugen können wir Ihnen auch ein Leasing-Angebot unterbreiten, das bietet sich insbesondere für Firmen an, die Betriebsfahrzeuge anschaffen, oder ihren Mitarbeitern ein Fahrzeug zur Verfügung stellen. Bitte fragen Sie an.
Durchschnittliche Bewertung von 0 von 5 Sternen
zu Artikel: Schraube M6x35mm mit Bund weiß verzinkt 3112190304-4T50 Schraube M6x35mm mit Bund weiß verzinkt 50ccm 4Takt JSD139QMB JSD50QT-13Technik-InfoSchraubeMaschinen-Schraube, Schraube, Bund-Schraube, Maschinenschraube, Flansch-Schraube, Flanschschraube, BundschraubeDieser Artikel passt bei vielen Modellen, unter anderem für: Rex RS 460 BOSTON 8, Rex RS 450, Otto Versand Rex RS 400, Otto Versand Rex RS 750, Jonway Milano 50, Kreidler MONZA 50 Race / Urban (Fin: WS1 od. L8Y), Jonway Imola 125 Race/Urban, Jonway RS 1000, Jonway Imola 50 Race/Urban, Kreidler MONACO 50 Race / Urban, Jonway Stratos Montana, Jonway Milano 125, Rex Off Limit, Rex RS 900 QM50T 10A-A, Rex RS 600 QM50QT-2Erstausrüsterqualität sehr gute Verarbeitung Lagerware günstiger Preis Direktimport versandbereitUnsere Ersatzteile für ihren Scooter bzw. Roller oder auch Motorroller können Sie bequem online in unserem Shop kaufen. Egal ob sie Ihren Roller im Kaufhaus oder im Baumarkt gekauft haben, für alle gängigen China-, Europa-, oder Taiwan-Roller finden Sie bei uns passende Bauteile, insbesondere für die Motoren 50 cc, 125 cc, 250 ccm, 4-Takt, 2-Takt und für größere Leistungen. Speziell für die Motorentypen 125-4T6M , GY6 ,152QMI, 157QMI ,1E40QMB, 1E40QMA ,153FMI, 156FMI ,157QMJ, 158MJ ,164FML ,139QMB, 139QMA, JSD139QMB ,150QMG ,139FMB in kurzen und langen Versionen in den Normen Euro1, Euro2, Euro3 sowie die neuen Euro 4 Einspritzer-Motoren finden Sie hochqualitative Ersatzteile. Gerne können Sie auch per Email nach Ersatzteilen anfragen. Bei Bestellwerten über 100 Euro können Sie auch unseren Ratenkauf- bzw. Finanzierungs-Service nutzen. Beim Kauf von Fahrzeugen können wir Ihnen auch ein Leasing-Angebot unterbreiten, das bietet sich insbesondere für Firmen an, die Betriebsfahrzeuge anschaffen, oder ihren Mitarbeitern ein Fahrzeug zur Verfügung stellen. Bitte fragen Sie an.
Durchschnittliche Bewertung von 0 von 5 Sternen
zu Artikel: Kugellager, Rillenkugellager 6204 C3 Maße 20x47x14mm Kurbelwelle 125ccm 4Takt 152QMI YY125T-28KugellagerTechnik-InfoDer Artikel: KugellagerKugel-Lager, Wellenlager, Lager, Wälzlager, Waelzlager, Radialkugellager, Rillenkugellager, Rollenlager, Wellen-Kugel-Lager, Radiallager, Radialrillenkugellager, Nadellager, Kugellagerring, Kugellager 6003-2Z 6003, Kugellager, Wellen-LagerLager gewährleisten die Bewegung von Bauteilen und der Rollenbewegung. Sie verringern die Reibung. Nur durch den Einbau von hochwertigen Lagern arbeitet der Motor effizient und langlebig. Beim Einbau der Lager ist auf die Beschaffenheit und auf die entsprechende DIN-Norm zu achten.Dieser Artikel passt bei vielen Modellen, unter anderem für: Rex RS 450, Jonway RS 1000, Jonway Stratos Montana, Jonway Milano 125, Rex Rexy 50 50 km/h, Jonway RS 1100, AGM Fighter 50 One, AGM Firejet 50 YY50QT-28-AA-2TC, Rex 50 Scooter, Tauris Samba 50, AGM Fighter 50 Sport, SMC STM REX Quad 50, Rex Drive Sport 50, Adly Thunder Bike TB 50, Rivero Phoenix 50Die Ersatzteile dieses Herstellers haben sich seit Jahren im täglichen Einsatz bewährt. Durch beständigen Erfahrungsaustausch wird die Qualität auf ein Maximum angehoben.Kostenloser Versand  Bei Ersatzteilen für jeden zusätzlichen Artikel mit den gleichen Versandkriterien, den Sie von uns kaufen.Unsere Ersatzteile für ihren Motorroller bzw. Scooter oder auch Roller können Sie bequem online in unserem Shop kaufen. Egal ob sie Ihren Roller im Baumarkt oder im Kaufhaus gekauft haben, für alle gängigen Europa-, China-, oder Taiwan-Roller finden Sie bei uns passende Bauteile, insbesondere für die Motoren 50 cc, 125 cc, 250 ccm, 2takt, 4takt und für größere Leistungen. Speziell für die Motorentypen 139QMB, 139QMA, JSD139QMB ,1E40QMB, 1E40QMA ,164FML ,157QMJ, 158MJ ,125-4T6M ,150QMG ,153FMI, 156FMI ,139FMB , GY6 ,152QMI, 157QMI in kurzen und langen Versionen in den Normen Euro1, Euro2, Euro3 sowie die neuen Euro 4 Einspritzer-Motoren finden Sie Ersatzteile von hoher Qualität. Gerne können Sie auch per Email nach Ersatzteilen anfragen. Bei Bestellwerten über 100 Euro können Sie auch unseren Ratenkauf- bzw. Finanzierungs-Service nutzen. Beim Kauf von Fahrzeugen können wir Ihnen auch ein Leasing-Angebot unterbreiten, das bietet sich insbesondere für Firmen an, die Betriebsfahrzeuge anschaffen, oder ihren Mitarbeitern ein Fahrzeug zur Verfügung stellen. Bitte fragen Sie an. Soll ein kaputtes Element instand gesetzt oder gleich getauscht werden?Wird mal irgendetwas am Roller schadhaft, dann hat man grundsätzlich zwei Optionen: instand setzen oder Austauschen. Da ist es unerheblich, ob es sich dabei um einen ganz gleich, ob sich um einen 3-Rad Roller, Elektroroller beziehungsweise E-Roller oder Motorroller dreht. Ein zusätzlicher Aspekt ist, dass ein neues Teil nicht bloß preiswerter ist als eine Reparatur, sondern anschließend auch eine bedeutend höhere Funktionssicherheit bietet. Die Ursache einer Funktionsstörung kann zumeist nur von einem qualifizierten Fachmann geortet werden. In dem Fall wäre es vorteilhafter, über unseren Online-Shop eines der fertigen Einbau-Kits zu ordern, die wir für zahlreiche unterschiedliche Modelle anbieten. .Wir liefern ausschließlich QualitätsprodukteMit Recht sind wir stolz darauf, dass die Qualität unserer sämtlichen Teile auf dem Weltmarktniveau konkurrenzfähig ist. Wie kommt es, dass wir so günstig sein können? Die Antwort lautet: Weil wir auf wirtschaftlich sinnvolle Einkaufsmengen der Produkte achten. Bei uns kriegen Sie folglich alle verfügbaren Teile für Ihr motorisiertes Zweirad nicht nur in bester Qualität, sondern auch für einen günstigen Preis.Einige Rollermarken wie Sundiro und Eppella werden schon seit langem nicht mehr produziert. Trotzdem führen wir hierfür noch die Einbauteile.Selbstverständlich liefern wir auch Originalteile vom Fahrzeughersteller, obwohl unsere Nachbauten einen qualitativen Vergleich mit dem Erstausrüster-Produkt nicht zu scheuen brauchen, jedoch allgemein viel kostengünstiger sind. Ganz egal, ob Sie die Reparatur an Ihrem Motorroller selbst bewerkstelligen wollen oder besser in einer Fachwerkstatt durchführen lassen möchten, zweifelsohne liegen Sie mit unseren Komponenten hundertprozentig richtig. Mit Sicherheit gibt es keine bessere Alternative, in Verbindung mit der Reparatur Ihres Rollers, um einiges an Geld zu sparen.Mittels der Abbildungen ist das Ordern der richtigen Austauschteile ein KinderspielAufgrund von entsprechendem Bildmaterial können Sie Ihre defekte Komponente auf einfache Weise mit dem erhältlichen Ersatz vergleichen, damit Sie auch de facto den dringend benötigten Artikel erhalten. Dabei ist es entscheidend, dass das Bauteil, welches Sie tauschen möchten, nicht lediglich augenscheinlich, sondern auch in den Spezifikationen und Abmessungen mit Ihrer Bestellung übereinstimmt.Was Sie davon haben:Abhol- und BringserviceRoller-AnkaufUnsere sämtlichen Erzeugnisse sind zuverlässig, ausfallsicher und kostengünstighundertprozentige Verkehrssicherheit des Zweirads, insbesondere bei den BremsenUnser Lager umfasst Ersatzteile und Artikel für zirka 250 Marken und 8500 Modelle"Geld zurück" - Garantie, deshalb Kauf ohne RisikoKurzfristige LieferzeitenISO-zertifizierte PräzisionsfertigungSie bekommen von uns ausschließlich die Erstausrüster-Qualität - auch bei kostengünstigen NachbautenSie bezahlen bei Bestellung mehrerer Einbauteile mit identischen Versandkriterien nur einmal VersandkostenAm besten kaufen Sie Roller, Straßenbuggys, Quads und Fun-Fahrzeuge bei uns als Fachhändler. Warum wäre es für Sie von Vorteil, wenn Sie uns für Sie tätig werden lassen? Weil wir das entsprechende Know-how und die Meister-Qualifikation besitzen, welche man für diesen Geschäftsbereich unter allen Umständen benötigt. Wir betreiben nicht ausschließlich unser Geschäft rund um die Roller, wir leben es buchstäblich.Es ist notwendig, sich das Fachgeschäft daher vorab genau anzugucken, ehe man sich zu einem Kauf entschließt. in unserem Geschäft ist alles hundertprozentig transparent! Kommen Sie doch einfach mal in unserem Ladengeschäft vorbei und machen Sie sich selber ein Bild von uns.die Bestätigung unserer Qualität können Sie dann direkt vor Ort herausfinden.Eventuell ist Ihnen der Weg zu uns zu weit. Dann gibt es auch die Option, mittels des Trustedshops-Siegels und die diversen Ebay Bewertungen Informationen über uns einzuholen. Die Beurteilungen von Trustedshops sind grundsätzlich nicht nur hundertprozentig wertneutral sondern auch ungemein aussagekräftig. Sowohl der Online Shop auf unserer Internetseite Motorroller.de als auch unsere Geschäftspraxis wurden von dieser Einrichtung bis jetzt durchweg mit "sehr gut" bewertet. Auch bei Ebay liegen wir mit dem Bewertungsfaktor 99,9 % hervorragend im Rennen. All diese Ergebnisse lassen nur einen einzigen Schluss zu: Unsere Kunden sind bei uns bestens aufgehoben!Aber auch, wenn wir uns noch so bemühen - wir sind keine Maschinen, sondern Menschen, die manchmal mal etwas falsch machen. Demzufolge bitten wir Sie, für den Fall, dass mal etwas nicht so gut gelaufen ist, uns auf jeden Fall die Gelegenheit zur Verbesserung zu geben.Zu welchen Zeiten wir Ihnen zu Diensten stehen? Jeden Tag von 8:00 bis 18:00 Uhr und am Samstag von 8:00 bis 13:00 Uhr.Wir möchten uns vorstellenWir haben uns die Zufriedenheit unserer Kundschaft auf die Fahne geschrieben. Den Fahrzeughandel betreiben wir bereits über 25 Jahre mit Erfolg, wollen dabei aber erwähnen, dass wir schon mehr als fünf Jahrzehnte auf eine Erfolgsgeschichte im Bereich Maschinenbau verweisen können. Unser Brennpunkt ist zwischenzeitlich auf den Verkauf von Fahrzeugzubehör, Ersatzbauteilen und das "Nice-to-have" zum Tunen für die häufigsten Motorroller ausgerichtet.Unsere Artikelauswahl beinhaltet ca. 500.000 TeileBei uns finden Sie unter Motorroller.de nahezu alle Ersatzteile und Zweiräder aus Asien und Europa. Wir haben passendes Zubehör, Einbauelemente und Artikel für ungefähr 250 Marken und 8500 Modelle für Sie auf Lager. Darunter sind beispielsweise Produzenten wie Jonway, Kreidler, Yamaha oder Adly zu finden. Insgesamt haben wir auf einer Lagerfläche von über 1.000 m² mehr als 500.000 Produkte von zahlreichen Herstellern in unseren Hochregalen lieferbar. Alles was Sie als Fahrer eines Rollers benötigen, finden Sie im Zubehörbereich.Das beginnt bei den Windschildern über die Sturzhelme und das Top Case, und geht bis hin zu Handschuhen, Nierengürteln und Regensets.Auch Tuningfans kommen bei uns auf ihre Rechnung. Sie finden in unserer Tuningabteilung alles was das Herz begehrt, wie etwa Kolben, Zylinder, Auspuffanlagen und weitere Dinge.Unmittelbar nach der ProduktionFortlaufende Kontrolle der Qualität ist unsere Leidenschaft. Dies bedeutet, ehe wir einen Roller in die Hände des Kunden geben, wird er von uns nochmals auf tadellose Funktion und Fehlerfreiheit begutachtet. Vor der Ãbergabe wird erstmal jeden Motorroller ausgepackt und auf unserem computergesteuerten Prüfstand einem Probelauf unterzogen. Bei dem gelieferten Fahrzeug wird nach der Anlieferung beim Käufer letztlich noch einmal ein Funktionstest durchgeführt. Hierdurch ist ein korrekter Betrieb des Gefährts wirklich sichergestellt.UmweltschutzWir bemühen uns sehr um den Umweltschutz. Das sagen wir nicht bloß, weil unsere Roller im Prinzip mit wirtschaftlichen Verbrennungsmotoren ausgestattet sind. Selbstverständlich nehmen wir im Sinne einer sauberen Umwelt das Verpackungsmaterial wieder mit, welches bei der Anlieferung unserer Motorroller anfällt und führen es einer fachgerechten Müllentsorgung zu.Wir nehmen Ihren alten Motorroller in ZahlungSie möchten sich bei uns einen neuen Roller kaufen und suchen für Ihren ausgedienten fahrbaren Untersatz einen neuen Besitzer? Das ist absolut kein Ding! Wir kaufen Ihren alten Motorroller an.Nach wie vor skeptisch?Dann geben Sie uns doch die Gelegenheit, Sie von der Qualität unserer Leistungen zu überzeugen. Wir gehören nicht zu den billigen Onlineshops, die heute kommen und nach kurzer Zeit wieder weg sind. Es ist uns bekannt, dass sich allein mittels fortschrittlicher Innovationen und neuer Ideen die Grundlage für eine effektive geschäftliche Tätigkeit legen lässt. Ãberzeugen Sie sich selbst von unserem hervorragenden Service und besuchen Sie uns doch mal in unserem Betrieb in Lindenfels-Eulsbach.So finden Sie unsUngefähr 60 km im Süden von Frankfurt/Main liegt Lindenfels im Regierungsbezirk Darmstadt. Wenn Sie mit dem eigenen Fahrzeug anreisen, erreichen Sie den Ort per Autobahn entweder von Norden über Frankfurt/Main (A6) oder von Süden über Mannheim (A8). Es gibt auch eine gute Verkehrsanbindung mit der Bahn.Unsere TopmarkenUnsere Topmarken
Durchschnittliche Bewertung von 0 von 5 Sternen
zu Artikel: Birne, Glühbirne, Glühlampe 12V 21/5W Rücklicht Sockel BAY15D Pin 180 Grad mit E-Marke 50ccm 4Takt JSD139QMB JSD50QT-13 Technik-InfoBremslicht Birne 5/21WBremslichtbirne 12V 21W/5W, Birne 12V 21W/5W Rücklicht, Birne 12V 21W/5W Ruecklicht, Leuchte 12V 21W/5W Rücklicht, Leuchte 12V 21W/5W Ruecklicht, Glühbirne 12V 21W/5W Rücklicht, Gluehbirne 12V 21W/5W Ruecklicht, Zweifadenlampe 12V 21W/5W Kostenloser Versand Bei Ersatzteilen für jeden zusätzlichen Artikel mit den gleichen Versandkriterien, den Sie von uns kaufen.Unsere Ersatzteile für ihren Scooter bzw. Motorroller oder auch Roller können Sie bequem online in unserem Shop kaufen. Egal ob sie Ihren Roller im Kaufhaus oder im Baumarkt gekauft haben, für alle gängigen Europa-, China-, oder Taiwan-Roller finden Sie bei uns passende Bauteile, insbesondere für die Motoren 50 cc, 125 cc, 250 ccm, 2takt, 4takt und für größere Leistungen. Speziell für die Motorentypen 150QMG ,164FML ,157QMJ, 158MJ ,125-4T6M ,139QMB, 139QMA, JSD139QMB ,153FMI, 156FMI ,139FMB , GY6 ,152QMI, 157QMI ,1E40QMB, 1E40QMA in kurzen und langen Versionen in den Normen Euro1, Euro2, Euro3 sowie die neuen Euro 4 Einspritzer-Motoren finden Sie hochqualitative Ersatzteile. Gerne können Sie auch per Email nach Ersatzteilen anfragen. Bei Bestellwerten über 100 Euro können Sie auch unseren Ratenkauf- bzw. Finanzierungs-Service nutzen. Beim Kauf von Fahrzeugen können wir Ihnen auch ein Leasing-Angebot unterbreiten, das bietet sich insbesondere für Firmen an, die Betriebsfahrzeuge anschaffen, oder ihren Mitarbeitern ein Fahrzeug zur Verfügung stellen. Bitte fragen Sie an.
Durchschnittliche Bewertung von 0 von 5 Sternen
zu Artikel: Birne, Glühbirne, Glühlampe 12V 3W Glassockel T10 W2.1x9.5d abgedunkelt Tacho 50ccm 4Takt JSD139QMB JSD50QT-13 Technik-InfoBirneGluehbirne, Glassockellampe, Innenleuchte, Leuchtmittel, Tachobirne, Leuchte, Birne, Glüh-Birne, Glueh-Birne, Leucht-Mittel, Glühlampe, Gluehlampe, Standlichtbirne, GlühbirneDieser Artikel passt bei vielen Modellen, unter anderem für: Rex RS 460 BOSTON 8, Rex RS 450, Otto Versand Rex RS 400, Otto Versand Rex RS 750, Kreidler MONZA 50 Race / Urban (Fin: WS1 od. L8Y), Jonway Imola 125 Race/Urban, Jonway RS 1000, Jonway Imola 50 Race/Urban, Kreidler MONACO 50 Race / Urban, Jonway Stratos Montana, Rex 50, Rex Off Limit, Rex RS 900 QM50T 10A-A, Rex RS 600 QM50QT-2, Rex Rexy 50 50 km/hKostenloser Versand Bei Ersatzteilen für jeden zusätzlichen Artikel mit den gleichen Versandkriterien, den Sie von uns kaufen.Unsere Ersatzteile für ihren Scooter bzw. Roller oder auch Motorroller können Sie bequem online in unserem Shop kaufen. Egal ob sie Ihren Roller im Baumarkt oder im Kaufhaus gekauft haben, für alle gängigen Europa-, China-, oder Taiwan-Roller finden Sie bei uns passende Bauteile, insbesondere für die Motoren 50 cc, 125 cc, 250 ccm, 2takt, 4takt und für größere Leistungen. Speziell für die Motorentypen 150QMG , GY6 ,152QMI, 157QMI ,1E40QMB, 1E40QMA ,164FML ,157QMJ, 158MJ ,125-4T6M ,139QMB, 139QMA, JSD139QMB ,153FMI, 156FMI ,139FMB in kurzen und langen Versionen in den Normen Euro1, Euro2, Euro3 sowie die neuen Euro 4 Einspritzer-Motoren finden Sie Ersatzteile von bewährter Qualität. Gerne können Sie auch per Email nach Ersatzteilen anfragen. Bei Bestellwerten über 100 Euro können Sie auch unseren Ratenkauf- bzw. Finanzierungs-Service nutzen. Beim Kauf von Fahrzeugen können wir Ihnen auch ein Leasing-Angebot unterbreiten, das bietet sich insbesondere für Firmen an, die Betriebsfahrzeuge anschaffen, oder ihren Mitarbeitern ein Fahrzeug zur Verfügung stellen. Bitte fragen Sie an.
Durchschnittliche Bewertung von 0 von 5 Sternen
zu Artikel: Schraube M6x32mm mit Bund weiß verzinkt 125ccm 4Takt 152QMI YY125T-28Technik-InfoSchraubeMaschinen-Schraube, Maschinenschraube, Bund-Schraube, Flanschschraube, Flansch-Schraube, Bundschraube, SchraubeDer Spritzschutz - oder auch Innenkotflügel genannt - hilft den Rest der Radumgebung länge sauber zu halten.Dieser Artikel passt bei vielen Modellen, unter anderem für:Rex RS 460 BOSTON 8, Rex RS 450, Otto Versand Rex RS 400, Otto Versand Rex RS 750, Jonway Imola 125 Race/Urban, Jonway RS 1000, Jonway Stratos Montana, Jonway Milano 125, Rex RS 900 QM50T 10A-A, Rex RS 600 QM50QT-2, Jonway RS 1100, CPI Oliver 50 Sport Euro 2 12 mm KolbenBolzen, Rex RS 500 QM50QT 6A-AQINGQI, AGM Fighter 50 One, ATU Explorer RACE GT 50Die Ersatzteile dieses Herstellers haben sich seit Jahren im täglichen Einsatz bewährt. Durch beständigen Erfahrungsaustausch wird die Qualität auf ein Maximum angehoben.Erstausrüsterqualität sehr gute Verarbeitung Lagerware günstiger Preis Direktimport sofort versandbereitUnsere Ersatzteile für ihren Motorroller bzw. Scooter oder auch Roller können Sie bequem online in unserem Shop kaufen. Egal ob sie Ihren Roller im Kaufhaus oder im Baumarkt gekauft haben, für alle gängigen Europa-, China-, oder Taiwan-Roller finden Sie bei uns passende Bauteile, insbesondere für die Motoren 50 cc, 125 cc, 250 ccm, 2takt, 4takt und für größere Leistungen. Speziell für die Motorentypen 139QMB, 139QMA, JSD139QMB ,139FMB , GY6 ,152QMI, 157QMI ,1E40QMB, 1E40QMA ,164FML ,157QMJ, 158MJ ,125-4T6M ,150QMG ,153FMI, 156FMI in kurzen und langen Versionen in den Normen Euro1, Euro2, Euro3 sowie die neuen Euro 4 Einspritzer-Motoren finden Sie qualitativ erstklassige Ersatzteile. Gerne können Sie auch per Email nach Ersatzteilen anfragen. Bei Bestellwerten über 100 Euro können Sie auch unseren Finanzierungs- bzw. Ratenkauf-Service nutzen. Beim Kauf von Fahrzeugen können wir Ihnen auch ein Leasing-Angebot unterbreiten, das bietet sich insbesondere für Firmen an, die Betriebsfahrzeuge anschaffen, oder ihren Mitarbeitern ein Fahrzeug zur Verfügung stellen. Bitte fragen Sie an.
Durchschnittliche Bewertung von 0 von 5 Sternen
zu Artikel: Schraube M8 x 1.25 x 40mm Schraube M8x1.25x40mm mit Bund weiß verzinkt Motortyp:JSD139QMBErstausrüsterqualität 1a Verarbeitung Lagerware günstiger Preis Direktimport versandbereit Technik-InfoSchraubeMaschinen-Schraube, Bundschraube, Bund-Schraube, Maschinenschraube, Schraube, Flansch-Schraube, Flanschschraube Der Spritzschutz - oder auch Innenkotflügel genannt - hilft den Rest der Radumgebung länge sauber zu halten.Die Ersatzteile dieses Herstellers haben sich seit Jahren im täglichen Einsatz bewährt. Durch beständigen Erfahrungsaustausch wird die Qualität auf ein Maximum angehoben.Kostenloser Versand Bei Ersatzteilen für jeden zusätzlichen Artikel mit den gleichen Versandkriterien, den Sie von uns kaufen.Unsere Ersatzteile für ihren Roller bzw. Scooter oder auch Motorroller können Sie bequem online in unserem Shop kaufen. Egal ob sie Ihren Roller im Baumarkt oder im Kaufhaus gekauft haben, für alle gängigen China-, Europa-, oder Taiwan-Roller finden Sie bei uns passende Bauteile, insbesondere für die Motoren 50 cc, 125 cc, 250 ccm, 4-Takt, 2-Takt und für größere Leistungen. Speziell für die Motorentypen 157QMJ, 158MJ ,139QMB, 139QMA, JSD139QMB ,150QMG ,139FMB , GY6 ,152QMI, 157QMI ,1E40QMB, 1E40QMA ,153FMI, 156FMI ,164FML ,125-4T6M in kurzen und langen Versionen in den Normen Euro1, Euro2, Euro3 sowie die neuen Euro 4 Einspritzer-Motoren finden Sie hochqualitative Ersatzteile. Gerne können Sie auch per Email nach Ersatzteilen anfragen. Bei Bestellwerten über 100 Euro können Sie auch unseren Finanzierungs- bzw. Ratenkauf-Service nutzen. Beim Kauf von Fahrzeugen können wir Ihnen auch ein Leasing-Angebot unterbreiten, das bietet sich insbesondere für Firmen an, die Betriebsfahrzeuge anschaffen, oder ihren Mitarbeitern ein Fahrzeug zur Verfügung stellen. Bitte fragen Sie an.
Durchschnittliche Bewertung von 0 von 5 Sternen
zu Artikel: Kugellager, Rillenkugellager 6202/P53 Maße 15x35x11mm 125ccm 4Takt 152QMI YY125T-28KugellagerKugellager, Rillenkugellager 6202/P53 Maße 15x35x11mm 125ccm 4Takt 152QMI YY125T-28Technik-InfoDer Artikel: KugellagerWellen-Lager, Kugel-Lager, Lager, Wälzlager, Waelzlager, Radialkugellager, Rillenkugellager, Rollenlager, Wellen-Kugel-Lager, Radiallager, Radialrillenkugellager, Nadellager, Kugellagerring, Kugellager 6003-2Z 6003, Wellenlager, KugellagerLager gewährleisten die Bewegung von Bauteilen und der Rollenbewegung. Sie verringern die Reibung. Nur durch den Einbau von hochwertigen Lagern arbeitet der Motor effizient und langlebig. Beim Einbau der Lager ist auf die Beschaffenheit und auf die entsprechende DIN-Norm zu achten.Dieser Artikel passt bei vielen Modellen, unter anderem für: Jonway RS 1000, Jonway Stratos Montana, Rex 50, Jonway Milano 125, Rex Rexy 50 50 km/h, Rex RS 125 QM125T 10D, Jonway RS 1100, CPI Oliver 50 Sport Euro 2 12 mm KolbenBolzen, AGM Fighter 50 One, ATU Explorer RACE GT 50, ATU Explorer Spin GE50, CPI Aragon 50, AGM Firejet 50 YY50QT-28-AA-2TC, Jonway Stratos Chicago , Jonway Imola 125 Race/UrbanDie Ersatzteile dieses Herstellers haben sich seit Jahren im täglichen Einsatz bewährt. Durch beständigen Erfahrungsaustausch wird die Qualität auf ein Maximum angehoben.Erstausrüsterqualität sehr gute Verarbeitung Kugellagerware günstiger Preis da DirektimportUnsere Ersatzteile für ihren Roller bzw. Scooter oder auch Motorroller können Sie bequem online in unserem Shop kaufen. Egal ob sie Ihren Roller im Baumarkt oder im Kaufhaus gekauft haben, für alle gängigen Europa-, China-, oder Taiwan-Roller finden Sie bei uns passende Bauteile, insbesondere für die Motoren 50 cc, 125 cc, 250 ccm, 2takt, 4takt und für größere Leistungen. Speziell für die Motorentypen 139QMB, 139QMA, JSD139QMB ,153FMI, 156FMI ,139FMB , GY6 ,152QMI, 157QMI ,1E40QMB, 1E40QMA ,164FML ,157QMJ, 158MJ ,125-4T6M ,150QMG in kurzen und langen Versionen in den Normen Euro1, Euro2, Euro3 sowie die neuen Euro 4 Einspritzer-Motoren finden Sie qualitativ hochwertige Ersatzteile. Gerne können Sie auch per Email nach Ersatzteilen anfragen. Bei Bestellwerten über 100 Euro können Sie auch unseren Ratenkauf- bzw. Finanzierungs-Service nutzen. Beim Kauf von Fahrzeugen können wir Ihnen auch ein Leasing-Angebot unterbreiten, das bietet sich insbesondere für Firmen an, die Betriebsfahrzeuge anschaffen, oder ihren Mitarbeitern ein Fahrzeug zur Verfügung stellen. Bitte fragen Sie an. Tauschen oder instand setzen - was ist die sinnvollere Option?Diese Frage wird von Rollerbesitzern stets gestellt, gleichgültig, ob sie einen Elektroroller respektive E-Roller, Motorroller oder Dreirad-Roller ihr Eigen nennen, sobald etwas an ihrem Zweirad fehlerhaft geworden ist. Was man auch nicht vergessen darf: Ein Ersatzbauteil ist nicht nur rasch ausgewechselt, sondern macht den Motorroller auch bedeutend ausfallsicherer als eine Reparatur. Zumeist kann bloß eine qualifizierte Fachwerkstatt den Fehler auf Anhieb feststellen. Ordern Sie doch am besten sofort eines unserer einbaufertigen Ersatzteil-Kits, die wir in vielen diversen Ausführungen im Sortiment haben. .Wir liefern ausschließlich QualitätsprodukteGroßes Augenmerk legen wir auf qualitativ hochwertige Produkte zu einem bezahlbaren Preis. Unsere Teile sind deshalb so günstig, da wir schon beim Einkauf auf entsprechend große Produktmengen wert legen. Bei uns kriegen Sie demzufolge sämtliche lieferbaren Bauteile für Ihren Roller nicht bloß in hervorragend Qualität, sondern auch zu einem günstigen Preis.Wir führen sogar für die meisten Motorroller, Quads und Buggys die Zubehörteile, welche gar nicht mehr hergestellt werden. Z.B. haben wir alle Ersatzteile für die Marken Sundiro und Eppella nach wie vor vorrätig.Wer darauf Wert legt, erhält bei uns logischerweise auch das Originalteil für seinen fahrbaren Untersatz. Die meisten greifen aber aufgrund der guten Preise und der Erstausrüster-Qualität auf unsere Nachbauten zurück. Mit unseren Produkten können Sie die Reparatur an Ihrem motorisierten Zweirad selbst ausführen beziehungsweise auch von einem Fachmann ausführen lassen. Es gibt zweifelsohne keine andere Alternative, durch die Sie zu erschwinglichen Preisen und in ausgezeichneter Qualität Ihr motorisiertes Zweirad wieder flott machen können.Es ist denkbar einfach, mit Hilfe der Abbildungen das passende Element zu bestellenIn Verbindung mit den Erläuterungen finden Sie in unserem Online-Shop auch entsprechendes Bildmaterial. Hierdurch können Sie gleich Ihr defektes Austauschteil mit dem lieferbaren Ersatz vergleichen und gehen auf diese Weise sicher, dass Sie anschließend auch de facto das richtige Produkt bekommen. Achten Sie bitte besonders auf die Übereinstimmung der defekten Komponente mit dem abgebildeten Produkt; insbesondere was die angegebenen Maße und technischen Spezifikationen betrifft.Wie Sie davon profitieren:Sie bezahlen beim Ordern mehrerer Einbauelemente mit denselben Versandkriterien nur einmal Versandkosten100-prozentige Fahrsicherheit des Motorrollers, vor allem bei den BremsenTeile und Zubehör für ungefähr 250 Marken und 8500 Modelle auf LagerHol- und BringserviceRoller-AnkaufAuch bei günstigen Nachbauten erhalten Sie von uns ausnahmslos die ErstausrüsterqualitätISO-zertifizierte Präzisionsfertigung nach DIN-NormAlle unsere Erzeugnisse sind preiswürdig, betriebssicher und gebrauchstauglichUnsere Lieferungen erfolgen fast immer kurzfristig"Geld zurück" - Garantie, deshalb Kauf ohne RisikoAm besten kaufen Sie Roller, Quads, Straßenbuggys und Fun-Fahrzeuge bei uns als Fachhändler. Weshalb wäre es für Sie von Vorteil, wenn Sie uns für Sie tätig werden lassen? Weil wir das entsprechende Know-how und die Meister-Qualifikation besitzen, die man für diesen Geschäftsbereich unter allen Umständen benötigt. Wir als Familienunternehmen leben das Geschäft rund um die Roller regelrecht.Kaufen ist Vertrauenssache, darum ist es notwendig, sich den Laden vorher genau anzugucken. Alles ist bei uns transparent und für die Kundschaft nachzuvollziehen! Weswegen kommen Sie nicht mal bei uns vorbei, um sich persönlich ein Bild zu machen?Den Vertrauensbeweis erhalten Sie dann vor Ort quasi schwarz auf weiß.Wenn Ihnen die Anfahrt zu uns zu weit ist, können Sie sich auch durch das Trustedshops-Siegels und die unterschiedlichen Ebay Bewertungen kundig machen. Die Bewertungen von Trustedshops sind allgemein nicht nur sehr aussagekräftig, sondern auch ganz und gar wertneutral. Sowohl der Internet-Shop auf unserer Internetseite Motorroller.de als auch unsere Geschäftspraxis wurden von dieser Institution bis jetzt durchweg mit "sehr gut" eingestuft. Was unsere Käuferbewertungen ebenfalls in einem Bereich, der sich definitiv sehen lassen kann. Was bestätigen all diese Resultate ganz eindeutig? Dass wir auf allen Gebieten immer geben!!Bitte denken Sie daran: Wir sind auch bloß Menschen, die bisweilen Fehler machen. Seien Sie aus dem Grund nicht gleich ärgerlich, sofern mal etwas schief läuft, sondern geben Sie uns die Chance, unseren Fehler wieder gut zu machen.Unser Expertenteam steht Ihnen täglich zwischen 8:00 und 18:00 Uhr sowie samstags von 8:00 bis 13:00 Uhr zur Verfügung.Die Fakten unseres UnternehmensBei uns ist der Kunde noch König. Den Handel mit Zweirädern betreiben wir ausgesprochen erfolgreich schon seit über 25 Jahren, wollen dabei indes nicht unerwähnt lassen, dass wir bereits mehr als 50 Jahre auf eine Erfolgsgeschichte auf dem Gebiet des Maschinenbaus zurückschauen können. Wir haben uns inzwischen größtenteils auf Zubehör, das "Must have" für Motortuning und Ersatzteile für die meist gefahrenen Motorroller spezialisiert.Wir haben etwa 500.000 Teile auf LagerIn unserem Onlineshop finden Sie unter Motorroller.de beinahe alle Ersatzteile und Roller aus Europa und Asien. Wir haben Einbauelemente, Artikel und passendes Zubehör für zirka 250 Marken und 8500 Modelle auf Lager. Z.B. arbeiten wir bereits jahrelang mit so namhaften Anbietern wie Jonway, Kreidler, Yamaha oder Adly zusammen. Auf einer Lagerfläche von über 1.000 m² haben wir in unserem Hochregallager mehr als 500.000 Produkte diverser Anbieter im Programm. Unser Zubehörbereich bietet demzufolge alles, was man als Rollerfahrer braucht.Das beginnt bei den Regensets, Handschuhen und Nierengürteln, und geht bis hin zu den Sturzhelmen über das Top Case und den Windschildern.Selbst Tuningfans kommen bei uns auf ihre Kosten. Sie finden in unserer Tuningabteilung alles was das Herz begehrt, wie zum Beispiel Zylinder, Auspuffanlagen, Kolben und weitere Dinge.Was passiert nach erfolgter Produktion?Kein Produkt verlässt unser Haus, bevor es nicht auf tadellose Qualität kontrolliert worden ist. Anders gesagt heißt das, dass sämtliche Motorroller, die vom Werk des Herstellers bei uns eintreffen, von unseren Spezialisten nochmals eingehend durchgecheckt werden. Erst dann übergeben wir sie an unsere Kunden. Wir packen erstmal jeden Motorroller nach der Ankunft in unserem Haus aus und unterziehen es auf unserem computergesteuerten Prüfstand einem Testlauf. Bevor der Kunde das Fahrzeug in Empfang nimmt, erfolgt noch ein abschließender Funktionscheck. Somit ist wirklich sichergestellt, dass der neue Besitzer mit seiner Anschaffung zu hundert Prozent zufrieden ist.UmweltschutzUns liegt besonders viel an einem wirksamen Umweltschutz. Auf der einen Seite sind unsere Zweiräder generell mit effizienten Motoren bestückt. Bei der Anlieferung unserer Motorroller fällt immer Verpackungsmaterial an. Dieses nehmen wir ohne Frage wieder zu einer fachgemäßen Entsorgung wieder mit.Wir kaufen Ihren RollerIhr ausgedienter Motorroller tut es nicht mehr richtig und Sie beabsichtigen, bei uns ein neues Zweirad zu kaufen. Aber was tun mit dem ausgedienten Fahrzeug? Keine Sorge! Wir nehmen Ihren alten Roller gerne in Zahlung.Nach wie vor nicht überzeugt?Für den Fall, dass wir von Ihnen die Gelegenheit dazu bekommen, können wir unsere Leistungen auch unter Beweis stellen. Man sollte uns nicht mit den zahlreichen billigen Verkaufsshops, die heute ihre Artikel anbieten und morgen bereits wieder fort sind, verwechseln. Die stabile Basis für ein erfolgreiches Unternehmen besteht darin, dass allein hinsichtlich fortschrittlicher Innovationen und neuer Ideen ein nachhaltiges Wachstum gewährleistet werden kann. In Folge dessen stehen Anpassung an neue Technologien und fortwährendes Lernen in unserem stetig expandierenden Betrieb fortwährend an erster Stelle. Sie können sich selbst von unserem ausgezeichneten Kundenservice überzeugen, sofern Sie uns an unserem Betriebsstandort in Lindenfels-Eulsbach besuchen.Sie finden uns ganz leicht in Lindenfels - auch ohne "Navi"Lindenfels liegt ungefähr 60 km im Süden von Frankfurt am Main und 40 km nordöstlich von Mannheim im Odenwald (Regierungsbezirk Darmstadt). Eine Anfahrt mit der Bahn ist ohne Frage genauso möglich.Unsere TopmarkenUnsere Topmarken
Durchschnittliche Bewertung von 0 von 5 Sternen
Dichtung Auspuffkrümmer, Krümmerdichtung 23x31x5mm 125ccm 4Takt 152QMI YY125T-28 Technik-Info Dichtung Auspuffkrümmer Dichtung Auspuff, Krümmerdichting, Kruemmerdichting, Auspuffkrümmerdichting, Auspuffkruemmerdichting, Winkeldichtung, Dichtung, Dichtung Schalldämpfer, Dichtung Schalldaempfer, Dichtung-Auspuff, Dichtung-Auspuffkrümmer, Dichtung-Schalldämpfer, Dichtung Auspuffkrümmer, Dichtung Auspuffkruemmer, Auspuffdichtung Der Isolator auch Dichtung, Krümmerdichtung, oder Ansaugstutzendichtung genannt, sitzt zwischen Ansaugstutzen und Zylinderkopf. Geliefert wird der Isolator ohne O-Ring. Den O-Ring sollten Sie bei Bedarf bitte gesondert mit bestellen. Vergleichen Sie bitte vor dem Kauf ihre alte Dichtung mit unserer Abbildung. Dieser Artikel passt bei vielen Modellen, unter anderem für: Rex RS 450, Kreidler MONZA 50 Race / Urban (Fin: WS1 od. L8Y), Kreidler MONACO 50 Race / Urban, Rex Rexy 50 50 km/h, Motowell Magnet 50, AGM GMX 50, Rex 50 Scooter, Rex Speedy 125 QM125T-10A, Yiying Benzhou Group YY50QT-2 4T, Tauris Cubana 50, Moto Zeta Rally 50, Yiying YY50QT-01-02. Eco Bike, Kinroad XT50QT, Moto Zeta Rally 125, Yiying Benzhou Group YY50QT-6 4T Die Ersatzteile dieses Herstellers haben sich seit Jahren im täglichen Einsatz bewährt. Durch beständigen Erfahrungsaustausch wird die Qualität auf ein Maximum angehoben. Erstausrüsterqualität beste Verarbeitung Lagerware günstiger Preis Direktimport Unsere Ersatzteile für ihren Roller bzw. Scooter oder auch Motorroller können Sie bequem online in unserem Shop kaufen. Egal ob sie Ihren Roller im Kaufhaus oder im Baumarkt gekauft haben, für alle gängigen Europa-, China-, oder Taiwan-Roller finden Sie bei uns passende Bauteile, insbesondere für die Motoren 50 cc, 125 cc, 250 ccm, 2takt, 4takt und für größere Leistungen. Speziell für die Motorentypen 139QMB, 139QMA, JSD139QMB ,150QMG ,153FMI, 156FMI ,139FMB , GY6 ,152QMI, 157QMI ,1E40QMB, 1E40QMA ,164FML ,157QMJ, 158MJ ,125-4T6M in kurzen und langen Versionen in den Normen Euro1, Euro2, Euro3 sowie die neuen Euro 4 Einspritzer-Motoren finden Sie Ersatzteile von bewährter Qualität. Gerne können Sie auch per Email nach Ersatzteilen anfragen. Bei Bestellwerten über 100 Euro können Sie auch unseren Ratenkauf- bzw. Finanzierungs-Service nutzen. Beim Kauf von Fahrzeugen können wir Ihnen auch ein Leasing-Angebot unterbreiten, das bietet sich insbesondere für Firmen an, die Betriebsfahrzeuge anschaffen, oder ihren Mitarbeitern ein Fahrzeug zur Verfügung stellen. Bitte fragen Sie an.
Durchschnittliche Bewertung von 0 von 5 Sternen
zu Artikel: Rückstrahler, Reflektor rot hinten 86x35mm E-Marke (IA-E4-023361)50ccm 4Takt JSD139QMB JSD50QT-13 Technik-Info Rückstrahler Rückstrahler, Seitenreflektor, Reflektor, Strahler, Rueckstrahler, Katzenauge Kostenloser Versand Bei Ersatzteilen für jeden zusätzlichen Artikel mit den gleichen Versandkriterien, den Sie von uns kaufen. Unsere Ersatzteile für ihren Scooter bzw. Roller oder auch Motorroller können Sie bequem online in unserem Shop kaufen. Egal ob sie Ihren Roller im Baumarkt oder im Kaufhaus gekauft haben, für alle gängigen Europa-, China-, oder Taiwan-Roller finden Sie bei uns passende Bauteile, insbesondere für die Motoren 50 cc, 125 cc, 250 ccm, 2takt, 4takt und für größere Leistungen. Speziell für die Motorentypen 150QMG ,153FMI, 156FMI ,139FMB , GY6 ,152QMI, 157QMI ,1E40QMB, 1E40QMA ,164FML ,157QMJ, 158MJ ,125-4T6M ,139QMB, 139QMA, JSD139QMB in kurzen und langen Versionen in den Normen Euro1, Euro2, Euro3 sowie die neuen Euro 4 Einspritzer-Motoren finden Sie Ersatzteile von hoher Qualität. Gerne können Sie auch per Email nach Ersatzteilen anfragen. Bei Bestellwerten über 100 Euro können Sie auch unseren Finanzierungs- bzw. Ratenkauf-Service nutzen. Beim Kauf von Fahrzeugen können wir Ihnen auch ein Leasing-Angebot unterbreiten, das bietet sich insbesondere für Firmen an, die Betriebsfahrzeuge anschaffen, oder ihren Mitarbeitern ein Fahrzeug zur Verfügung stellen. Bitte fragen Sie an. Hinweise zu: Reflektor
Durchschnittliche Bewertung von 0 von 5 Sternen
zu Artikel: Rückstrahler, Reflektor gelb rund D56mm seitlich E-Marke 1010001-1-4T50 Rückstrahler, Reflektor gelb rund D56mm seitlich E-Marke 50ccm 4Takt JSD139QMB JSD50QT-13Technik-InfoRückstrahlerKatzenauge, Seitenreflektor, Reflektor, Strahler, Rückstrahler, RueckstrahlerRückstrahler sind die roten Reflektoren nach hinten, die dafür sorgen, dass man auch wenn das Rücklicht ausfällt von hinten erkannt werden kann- Durch die rote Reflexion des Scheinwerferlichts des hiteren Fahrzeugs. Unsere ückstrahler entsprechen der StVO und besitzen ein E-Prüfzeichen.Dieser Artikel passt bei vielen Modellen, unter anderem für: Rex RS 450, Otto Versand Rex RS 400, Otto Versand Rex RS 750, Jonway Milano 50, Kreidler MONZA 50 Race / Urban (Fin: WS1 od. L8Y), Jonway Imola 125 Race/Urban, Jonway RS 1000, Jonway Imola 50 Race/Urban, Kreidler MONACO 50 Race / Urban, Jonway Stratos Montana, Rex Off Limit, Rex RS 900 QM50T 10A-A, Rex RS 600 QM50QT-2, Rex Rexy 50 50 km/h , Rex RS 460 BOSTON 8Die Ersatzteile dieses Herstellers haben sich seit Jahren im täglichen Einsatz bewährt. Durch beständigen Erfahrungsaustausch wird die Qualität auf ein Maximum angehoben.Erstausrüsterqualität beste Verarbeitung günstiger Preis DirektimportUnsere Ersatzteile für ihren Roller bzw. Motorroller oder auch Scooter können Sie bequem online in unserem Shop kaufen. Egal ob sie Ihren Roller im Kaufhaus oder im Baumarkt gekauft haben, für alle gängigen Europa-, China-, oder Taiwan-Roller finden Sie bei uns passende Bauteile, insbesondere für die Motoren 50 cc, 125 cc, 250 ccm, 2takt, 4takt und für größere Leistungen. Speziell für die Motorentypen 153FMI, 156FMI ,164FML ,157QMJ, 158MJ ,125-4T6M ,139QMB, 139QMA, JSD139QMB ,150QMG ,139FMB , GY6 ,152QMI, 157QMI ,1E40QMB, 1E40QMA in kurzen und langen Versionen in den Normen Euro1, Euro2, Euro3 sowie die neuen Euro 4 Einspritzer-Motoren finden Sie hochqualitative Ersatzteile. Gerne können Sie auch per Email nach Ersatzteilen anfragen. Bei Bestellwerten über 100 Euro können Sie auch unseren Finanzierungs- bzw. Ratenkauf-Service nutzen. Beim Kauf von Fahrzeugen können wir Ihnen auch ein Leasing-Angebot unterbreiten, das bietet sich insbesondere für Firmen an, die Betriebsfahrzeuge anschaffen, oder ihren Mitarbeitern ein Fahrzeug zur Verfügung stellen. Bitte fragen Sie an. Hinweise zu: Reflektor
Durchschnittliche Bewertung von 0 von 5 Sternen
Mutter M12x1.25 mit Bund weiß verzinkt 125ccm 4Takt 152QMI YY125T-28 Mutter M12x1.25 mit Bund weiß verzinkt 125ccm 4Takt 152QMI YY125T-28 Technik-Info Mutter Maschinen-Mutter, Sechskant-Mutter, Bund-Mutter, Flanschmutter, Maschinenmutter, Bundmutter, Sechskantmutter, Mutter, Flansch-Mutter Hier handelt es sich um ein Standard-Ersatzteile in erstklassiger Qualität. Die Teile werden einer ständigen Qualitätssicherung unterzogen, zu Ihrer und unserer Zufriedenheit. Dieser Artikel passt bei vielen Modellen, unter anderem für: Adly Cat 125, Adly Thunder Bike TB 125, Aeon Minikolt 50, AGM Fighter 125 One, AGM Fighter 125 Sport, AGM Fighter 50 One, AGM Fighter 50 Sport, AGM Firejet 125, AGM Firejet 50 YY50QT-28-AA-2TC, Baotian BT125T-12C1 Warrior 125, Die Ersatzteile dieses Herstellers haben sich seit Jahren im täglichen Einsatz bewährt. Durch beständigen Erfahrungsaustausch wird die Qualität auf ein Maximum angehoben. Erstausrüsterqualität sehr gute Verarbeitung Lagerware günstiger Preis Direktimport versandbereit Unsere Ersatzteile für ihren Roller bzw. Motorroller oder auch Scooter können Sie bequem online in unserem Shop kaufen. Egal ob sie Ihren Roller im Baumarkt oder im Kaufhaus gekauft haben, für alle gängigen Europa-, Taiwan-, oder China-Roller finden Sie bei uns passende Bauteile, insbesondere für die Motoren 50 cc, 125 cc, 250 ccm, 2takt, 4takt und für größere Leistungen. Speziell für die Motorentypen 139QMB, 139QMA, JSD139QMB ,157QMJ, 158MJ ,125-4T6M ,150QMG ,153FMI, 156FMI ,139FMB , GY6 ,152QMI, 157QMI ,1E40QMB, 1E40QMA ,164FML in kurzen und langen Versionen in den Normen Euro1, Euro2, Euro3 sowie die neuen Euro 4 Einspritzer-Motoren finden Sie Ersatzteile von bewährter Qualität. Gerne können Sie auch per Email nach Ersatzteilen anfragen. Bei Bestellwerten über 100 Euro können Sie auch unseren Finanzierungs- bzw. Ratenkauf-Service nutzen. Beim Kauf von Fahrzeugen können wir Ihnen auch ein Leasing-Angebot unterbreiten, das bietet sich insbesondere für Firmen an, die Betriebsfahrzeuge anschaffen, oder ihren Mitarbeitern ein Fahrzeug zur Verfügung stellen. Bitte fragen Sie an.
Durchschnittliche Bewertung von 0 von 5 Sternen
zu Artikel: Anschlaggummi 7x30x14mm für Hauptständer, Mittelständer 1120303-1-4T125 Anschlaggummi 7x30x14mm für Hauptständer, Mittelständer 125ccm 4Takt 152QMI YY125T-28Technik-InfoAnschlaggummiGummihülse, Gummihuelse, Silentblock, Anschlag-Gummi, Dämpfer-Gummi, Daempfer-Gummi, Gummi-Puffer, Gummi-Hülse, Gummi-Huelse, Silent-block, Anschlagpuffer, Anschlag-Puffer, Daempfer, Dämpfer, Gummidaempfer, Gummidämpfer, Gummi, GummiStopper, Gummianschlag, Stoppergummi, Endanschlag, Stopper, Puffer, Daempfergummi, Anschlaggummi, Anschlag, Gummipuffer, DämpfergummiZum Abfedern bzw. Dämpfen des Anschlags ist dieser durch einen Anschlaggummi gepuffert. Dadurch werden Brüche und Ermüdungsbrüche bei den Bauteilen verhindert.Dieser Artikel passt bei vielen Modellen, unter anderem für: Jonway RS 1000, Jonway Stratos Montana, Rex RS 125 QM125T 10D, Jonway RS 1100, Jonway Stratos Chicago, Jonway Torino 125, Daelim Delfino 125, Kreidler Galactica 2.0 RC 50, Kreidler Jigger 50, Rex Drive Sport 50, Rex Speedy 125 QM125T-10A, Kreidler Hiker 50, Rex Drive 50, Kreidler RMC-E Hiker 50 DD SPORT , Jonway Imola 125 Race/UrbanDie Ersatzteile dieses Herstellers haben sich seit Jahren im täglichen Einsatz bewährt. Durch beständigen Erfahrungsaustausch wird die Qualität auf ein Maximum angehoben.Kostenloser Versand Bei Ersatzteilen für jeden zusätzlichen Artikel mit den gleichen Versandkriterien, den Sie von uns kaufen.Unsere Ersatzteile für ihren Scooter bzw. Roller oder auch Motorroller können Sie bequem online in unserem Shop kaufen. Egal ob sie Ihren Roller im Baumarkt oder im Kaufhaus gekauft haben, für alle gängigen Europa-, Taiwan-, oder China-Roller finden Sie bei uns passende Bauteile, insbesondere für die Motoren 50 cc, 125 cc, 250 ccm, 2takt, 4takt und für größere Leistungen. Speziell für die Motorentypen 164FML ,1E40QMB, 1E40QMA ,139QMB, 139QMA, JSD139QMB ,157QMJ, 158MJ ,125-4T6M ,150QMG ,153FMI, 156FMI ,139FMB , GY6 ,152QMI, 157QMI in kurzen und langen Versionen in den Normen Euro1, Euro2, Euro3 sowie die neuen Euro 4 Einspritzer-Motoren finden Sie hochqualitative Ersatzteile. Gerne können Sie auch per Email nach Ersatzteilen anfragen. Bei Bestellwerten über 100 Euro können Sie auch unseren Ratenkauf- bzw. Finanzierungs-Service nutzen. Beim Kauf von Fahrzeugen können wir Ihnen auch ein Leasing-Angebot unterbreiten, das bietet sich insbesondere für Firmen an, die Betriebsfahrzeuge anschaffen, oder ihren Mitarbeitern ein Fahrzeug zur Verfügung stellen. Bitte fragen Sie an.
Durchschnittliche Bewertung von 0 von 5 Sternen
zu Artikel: Stehbolzen (Auslass), Auslassstehbolzen M6x32mm weiß verzinkt 3112190601-4T125 Stehbolzen (Auslass), Auslassstehbolzen M6x32mm weiß verzinkt 125ccm 4Takt 152QMI YY125T-28Technik-InfoStehbolzenSteh-Bolzen, Gewinde-Bolzen, Gewinde-Stange, Schraub-Stange, Gewinde-Stab, Stiftschraube, Stift-Schraube, Stehbolzen Zylinderauslass, Zylinderstehbolzen, Steh-Stift, Schraubstehbolzen, Lagerbolzen, Bolzen, Schraube, Schraubbolzen, Schraubstange, Gewindestange, Gewindestab, Gewindebolzen, StehbolzenBolzen sind Standard-Bauteile, an denen oder mit denen andere Fahrzeug- oder Maschinenbauteile befestigt werden. Auch hier ist darauf zu achten, dass die Dimension und die Stahl-Beschaffenheit für die jeweilige Aufgabe / Funktion entsprechend ausgelegt ist. Wir liefern immer die passenden Bolzen in Erstausrüster-Qualität.Dieser Artikel passt bei vielen Modellen, unter anderem für: Rex RS 450, Rex RS 460 BOSTON 8, Otto Versand Rex RS 400, Otto Versand Rex RS 750, Kreidler MONZA 50 Race / Urban (Fin: WS1 od. L8Y), Jonway Imola 125 Race/Urban, Jonway RS 1000, Jonway Imola 50 Race/Urban, Kreidler MONACO 50 Race / Urban, Rex RS 900 QM50T 10A-A, Rex RS 600 QM50QT-2, Rex Rexy 50 50 km/h, Rex RS Classic 50, Jonway RS 1100, Rex RS 500 QM50QT 6A-AQINGQIDie Ersatzteile dieses Herstellers haben sich seit Jahren im täglichen Einsatz bewährt. Durch beständigen Erfahrungsaustausch wird die Qualität auf ein Maximum angehoben.Erstausrüsterqualität beste Verarbeitung günstiger Preis DirektimportUnsere Ersatzteile für ihren Roller bzw. Motorroller oder auch Scooter können Sie bequem online in unserem Shop kaufen. Egal ob sie Ihren Roller im Kaufhaus oder im Baumarkt gekauft haben, für alle gängigen China-, Europa-, oder Taiwan-Roller finden Sie bei uns passende Bauteile, insbesondere für die Motoren 50 cc, 125 cc, 250 ccm, 2takt, 4takt und für größere Leistungen. Speziell für die Motorentypen 152QMI, 157QMI , GY6 ,125-4T6M ,164FML ,153FMI, 156FMI ,139FMB ,139QMB, 139QMA, JSD139QMB ,150QMG ,1E40QMB, 1E40QMA ,157QMJ, 158MJ in kurzen und langen Versionen in den Normen Euro1, Euro2, Euro3 sowie die neuen Euro 4 Einspritzer-Motoren finden Sie Ersatzteile von hoher Güte. Gerne können Sie auch per Email nach Ersatzteilen anfragen. Bei Bestellwerten über 100 Euro können Sie auch unseren Finanzierungs- bzw. Ratenkauf-Service nutzen. Beim Kauf von Fahrzeugen können wir Ihnen auch ein Leasing-Angebot unterbreiten, das bietet sich insbesondere für Firmen an, die Betriebsfahrzeuge anschaffen, oder ihren Mitarbeitern ein Fahrzeug zur Verfügung stellen. Bitte fragen Sie an. Hinweise zu: Stehbolzen