Zum Hauptinhalt springen Zur Suche springen Zur Hauptnavigation springen
Menü
efr
erf
rrrf
Schnell lieferbar
14 Tage Rückgaberecht
Schneller DPD Versand

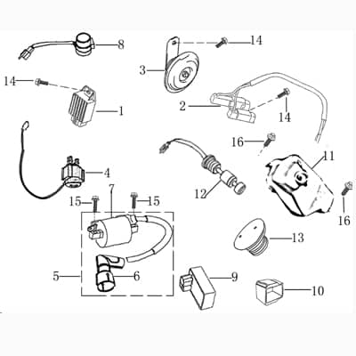
zu Artikel: CDI Einheit 25Km/h

Die CDI Zündbox

Technik-Info

CDI Zündbox

Zuendelektronik, CDI-Einheit, CDI, CDI Zündbox, Zündelektronik, CDI Einheit, Zündeinheit, Zuendeinheit, Steuergerät, Steuergeraet, Zündbox, Zuendbox, Zündzentrale, Zuendzentrale, Elektr4onik-Blackbox, E-Blackbox, Blackbox, Zündsteuerung, Zünd-Steuerung, Zuend-Steurung, Zuendsteuerung,

CDI Zündeinheit, auch Zündelektronik, CDI-Einheit, Zündeinheit, Steuergerät oder Zündbox genannt, ist wie original im Werkszustand am Fahrzeug verbaut. Vor der Bestellung ist der Reifendurchmesser zu klären (10, 12, 13 Zoll). Bei verschiedenen Reifendurchmessern gibt es unterschiedliche Drehzahlen, bitte wählen Sie den richtigen Artikel aus. Günstiges Ersatzteil bei Defekten an der Zündanlage. Die CDI kann nicht für Umrüstungszwecke verwendet werden, ein Gutachten ist nicht in diesem Lieferumfang enthalten.

Die Marke Rex ist eine der meistverkauften in Deutschland. Durch ständige Qualitätskontrollen vorort beim Hersteller ist ein hoher Standard gewährleistet.

Kostenloser Versand   Bei Ersatzteilen für jeden zusätzlichen Artikel mit den gleichen Versandkriterien, den Sie von uns kaufen.

Unsere Ersatzteile für ihren Scooter bzw. Motorroller oder auch Roller können Sie bequem online in unserem Shop kaufen. Egal ob sie Ihren Roller im Kaufhaus oder im Baumarkt gekauft haben, für alle gängigen Europa-, Taiwan-, oder China-Roller finden Sie bei uns passende Bauteile, insbesondere für die Motoren 50 cc, 125 cc, 250 ccm, 4takt, 2takt und für größere Leistungen. Speziell für die Motorentypen 125-4T6M ,164FML ,139QMB, 139QMA, JSD139QMB , GY6 ,139FMB ,153FMI, 156FMI ,157QMJ, 158MJ ,1E40QMB, 1E40QMA ,152QMI, 157QMI ,150QMG in kurzen und langen Versionen in den Normen Euro1, Euro2, Euro3 sowie die neuen Euro 4 Einspritzer-Motoren finden Sie Ersatzteile von erstklassiger Qualität. Gerne können Sie auch per Email nach Ersatzteilen anfragen. Bei Bestellwerten über 100 Euro können Sie auch unseren Finanzierungs- bzw. Ratenkauf-Service nutzen. Beim Kauf von Fahrzeugen können wir Ihnen auch ein Leasing-Angebot unterbreiten, das bietet sich insbesondere für Firmen an, die Betriebsfahrzeuge anschaffen, oder ihren Mitarbeitern ein Fahrzeug zur Verfügung stellen. Wir freuen uns auf Ihre Anfrage.

Das schadhafte Teil besser gleich auswechseln oder instand setzen lassen?

Geht mal irgendetwas am Roller kaputt, dann hat man normalerweise zwei Möglichkeiten: instand setzen oder Austauschen. Da ist es unerheblich, ob es sich dabei um einen ganz egal, ob sich um einen Elektroroller respektive E-Roller, Motorroller oder 3-Rad Roller dreht. Woran man ebenso denken sollte: Ein neues Element ist nicht nur problemlos getauscht, sondern macht das Zweirad auch beträchtlich ausfallsicherer als eine Reparatur. Zumeist kann man einen verborgenen Fehler nicht auf Anhieb selber finden und ein qualifizierter Fachmann muss ermitteln, weshalb der Roller Probleme macht. Bestellen Sie doch am besten sofort eines unserer einbaufertigen Komplett-Kits, die wir für viele unterschiedliche Komponenten anbieten. .

Elemente von bester Qualität

Mit Recht sind wir stolz darauf, dass die Qualität all unserer Ersatzteile Weltmarktniveau hat. Weswegen sind wir trotz hoher Qualität so günstig? Wir kalkulieren nicht nur unsere Preise sehr moderat, sondern wir kaufen auch in wirtschaftlich vernünftigen Produktmengen ein. Diese zwei Kriterien, nämlich auf der einen Seite die gute Qualität und andererseits der bezahlbare Preis heben uns primär von anderen Mitbewerbern ab.

Auch für Roller, Quads und Buggys, die nicht mehr hergestellt werden, haben wir in der Regel die Einbauteile auf Lager. So zum Beispiel für die Marken Sundiro und Eppella.

Sie bekommen bei uns klarerweise auch die Originalteile vom jeweiligen Rollerhersteller. Falls Sie indes Geld sparen möchten [und wer will das nicht], sollten Sie auf unsere Nachbauten zurückgreifen, welche im Übrigen einen qualitativen Vergleich mit dem Erstausrüster- Produkt nicht zu scheuen brauchen, obgleich sie prinzipiell wesentlich preisgünstiger sind. Mit unseren Produkten können Sie die Reparatur an Ihrem motorisierten Zweirad selbst bewerkstelligen beziehungsweise auch in einer Fachwerkstatt ausführen lassen. Es gibt sicherlich keine andere Alternative, durch die Sie zu attraktiven Kosten und in ausgezeichneter Qualität Ihr motorisiertes Zweirad instand setzen können.

Es ist denkbar easy, mit Hilfe der Abbildungen das richtige Element zu ordern

Bei den Erläuterungen finden Sie in unserem Shop auch anschauliches Bildmaterial. Dadurch können Sie gleich Ihr defektes Austauschteil mit dem erhältlichen Ersatz vergleichen und gehen somit sicher, dass Sie hernach auch wirklich das dringend benötigte Produkt erhalten. Hierbei reicht nicht lediglich eine visuelle Übereinstimmung. Es müssen überdies sowohl die aufgeführten technischen Angaben als auch die Abmessungen passen.

Was Sie davon haben:

Wir holen und bringen Ihren RollerUnser Lager umfasst Einbauelemente und Artikel für zirka 250 Marken und 8500 ModelleAbsolute Fahrsicherheit des Zweirads, besonders bei BremsanlagenSie bekommen von uns immer die Erstausrüsterqualität - auch bei kostengünstigen NachbautenSie zahlen nur einmal den Versand bei Bestellung mehrerer Komponenten mit denselben VersandkriterienAlle unsere Einbauteile sind ausfallsicher, zuverlässig und preiswürdigMit unserer "Geld zurück" - Garantie kaufen Sie ohne RisikoWir kaufen Ihren MotorrollerUnsere Lieferungen erfolgen zumeist kurzfristigDIN-Norm gerechte und ISO-zertifizierte Präzisionsfertigung

Wir sind der erste Ansprechpartner, für den Fall, dass es um den Erwerb von einem Roller, Fun Fahrzeug, Straßenbuggy oder Quad geht. Wozu sollten Sie sich an uns wenden? Weil wir durch unsere Jahrzehnte lange praktischen Erfahrung das entsprechende Know-how für dieses Geschäftsfeld besitzen, können wir Ihnen einen perfekten Kundenservice bieten. Bei uns ist der Kunde noch König. Aus dem Grund gehört nicht nur der Verkauf zu unserer Passion, sondern auch die Kundenbetreuung danach und natürlich ein tadelloser Fahrzeugservice. Als familiär geführter Betrieb betreiben wir nicht ausschließlich das Geschäft in Verbindung mit den Rollern, wir leben das Geschäft richtiggehend.

Kaufen ist Vertrauenssache, daher ist es notwendig, sich den Laden vorher genau anzugucken. Alles ist bei uns absolut nachvollziehbar! Kommen Sie doch einfach mal in unserem Ladengeschäft vorbei und informieren Sie sich selber über uns.Den Beweis unserer Qualität können Sie dann direkt vor Ort feststellen.

Wenn Ihnen der Weg zu uns zu weit ist, können Sie sich auch durch die verschiedenen Ebay Bewertungen und des Trustedshops-Siegels sachkundig machen. Sowohl unser Shop als auch unsere Geschäftspraxis werden zum Beispiel mit dem Trustedshops Gütesiegel "sehr gut" eingestuft. Unsere Kundenrezensionen bei Ebay liegen mit einem Bewertungsfaktor von circa 99,9 % ebenfalls in einem ausgezeichneten Bereich. Was demonstrieren all diese Resultate ganz eindeutig? Dass wir uns auf allen Gebieten immer mächtig ins Zeug legen!

Bitte denken Sie daran: Wir sind auch nur Menschen, die gelegentlich Fehler machen. Wir wollen Sie demzufolge bitten, uns auf alle Fälle eine Möglichkeit zur Verbesserung zu geben, falls mal etwas nicht ganz geklappt hat.

Unser versiertes Mitarbeiterteam steht Ihnen täglich zwischen 8:00 und 18:00 Uhr sowie am Samstag von 8:00 bis 13:00 Uhr zur Verfügung.

Unsere Unternehmensphilosophie

Wir haben uns die Zufriedenheit unserer Kundschaft auf die Fahne geschrieben. Vor über fünfzig Jahren hatten unsere geschäftlichen Aktivitäten im Bereich Maschinenbau ihren Anfang, während sich der Fahrzeughandel inzwischen auch schon seit mehr als 25 Jahren Erfolg versprechend etablieren konnte. Gegenwärtig haben wir uns neben der Vermarktung von Motorrollern, auf Einbauteile, Fahrzeugzubehör und das "Nice-to-have" zur Leistungssteigerung fokussiert.

Wir können kurzfristig mehr als 500.000 Ersatzteile liefern

Wer auf der Suche nach einem preiswerten motorisierten Zweirad oder Zubehörteil für seinen fahrbaren Untersatz ist, der findet bei uns unter Motorroller.de bestimmt das geeignete Element. Es existieren zurzeit passendes Zubehör, Artikel und Einbauteile für ungefähr 8500 Typen und 250 Fabrikate in unserem Lager, die auf Ihre Bestellung warten. Beispielsweise arbeiten wir schon jahrelang mit Produzenten wie Jonway, Yamaha, Kreidler oder Adly zusammen. Alles in allem haben wir auf einer Lagerfläche von über 1.000 Quadratmeter mehr als 500.000 Produkte von unterschiedlichen Anbietern in unseren Hochregalen lieferbar. Sie finden in unserer Zubehörabteilung alles, was Sie für Ihr motorisiertes Zweirad brauchen.

Das beginnt bei den Nierengürteln, Handschuhen und Regensets, und geht bis hin zum Top Case über die Sturzhelme und den Windschildern.Auch Tuningfans kommen bei uns auf ihre Rechnung. Zum Tunen ihres motorisierten Gefährts finden sie in unserer Tuningabteilung alles was das Herz begehrt, wie zum Beispiel Zylinder, Kolben, Auspuffanlagen und andere Dinge.

Was passiert nach erfolgter Produktion?

Fortlaufende Qualitätskontrolle ist unsere Leidenschaft. Mit anderen Worten heißt das, dass sämtliche Motorroller, die vom Herstellerwerk bei uns eintreffen, nochmals in unserem Betrieb einer eingehenden Überprüfung auf eventuelle Fehler oder Transportschäden unterzogen werden. Erst dann übergeben wir sie an unsere Kunden. Vor dem Versand wird zunächst jeden Motorroller ausgepackt und auf unserem computergesteuerten Zweirad-Prüfstand einem Testlauf unterzogen. Bei dem gelieferten Fahrzeug wird dann nach der Lieferung zum Käufer zum Schluss nochmals ein Funktionstest gemacht. Auf diese Weise ist eine tadellose Nutzung des Gefährts wirklich garantiert.

Umweltschutz wir bei uns groß geschrieben

Uns liegt besonders viel an einem wirksamen Umweltschutz. Das sagen wir nicht bloß, weil unsere Zweiräder prinzipiell mit sparsamen Verbrennungsmotoren ausgestattet sind. Bei der Auslieferung unserer Motorroller fällt immer Verpackungsmaterial an. Diese nehmen wir natürlich wieder mit und führen sie einer fachgemäßen Entsorgung zu.

Wir nehmen Ihren Roller in Zahlung

Sie haben einen neuen Roller bei uns gekauft und möchten Ihr ausgedientes Zweirad an den Mann bringen? Zerbrechen Sie sich hierüber nicht den Kopf! Wir kaufen Ihren gebrauchten Motorroller an.

Wir konnten noch nicht Ihre Skepsis beseitigen?

Dann geben Sie uns doch die Gelegenheit, Sie von der Qualität unserer Leistungen zu überzeugen. Wir gehören nicht zu den billigen Online-Shops, welche heute ihre Ware anbieten und morgen schon wieder von der Bildfläche verschwunden sind. In unserem fortwährend wachsenden Betrieb steht Anpassung an neue Technologien sowie ständiges Lernen an erster Stelle, weil wir verstanden haben, dass sich nur durch zeitgemäße Innovationen und neue Ideen das Know-how für eine stabile geschäftliche Grundlage bilden lässt. Falls für Sie mal die Möglichkeit besteht, einen Abstecher nach Lindenfels-Eulsbach machen zu können, haben Sie die Gelegenheit, sich selbst in unserem Unternehmen von unserem ausgezeichneten Kundenservice zu überzeugen.

So finden Sie uns

Etwa 60 km im Süden von Frankfurt/Main liegt Lindenfels im Regierungsbezirk Darmstadt. Sofern Sie mit dem Auto anreisen, erreichen Sie den Ort per Autobahn von Norden über Frankfurt/Main (A6) bzw. von Süden über Mannheim (A8). Logischerweise kann man auf Grund der guten Verkehrsanbindung auch völlig bequem per Bahn hinfahren.

Hinweise zu: CDI 45kmh

Baugruppe: Elektrik

Artikelposition in Explosionszeichnung: 9

Ersatzteil: CDI-Einheit

Motorroller bequem online kaufen – von der Bestellung bis zur Lieferung


Mobiler Home Service – Bundesweit Inspektionen und Reparaturen


Motorroller.de – Über uns – Ihr Support vom Profi seit 1993

Ihr Finanzierungsplan**
Monate Rate mtl. Gesamt
6039,67 €2.380,49 €
12157,59 €1.891,14 €

Einfach im Bestellvorgang die Expokredit-Finanzierung als Zahlungsweise auswählen ...

  • Jonway Stratos Chicago
  • Rex Stratos Chicago
Produktgalerie überspringen

Kunden haben sich ebenfalls angesehen

Rabatt
Adly Rahmen Scoody 50 2 Gestell Metallrahmen 50ccm 2Takt Motorroller.de Fahrgestell Rahmenteil Grundgerüst Fahrzeugrahmen Fahrzeuggestell Scooter
Adly Rahmen Scoody 50 2 Gestell Metallrahmen 50ccm 2Takt Motorroller.de Fahrgestell Rahmenteil Grundgerüst Fahrzeugrahmen Fahrzeuggestell Scooter

zu Artikel: Rahmen 50100-107-000 RahmenTechnik-InfoRahmenGrundgerüst, Grundgeruest, Metallrahmen, Fahrzeug-Grundgerüst, Rahmenteil, Fahrzeuggestell, Fahrzeug-Rahmen, Rahmen, Fahrzeugrahmen, Gestell, FahrgestellDer Rahmen ist das Skelett des Fahrzeugs. Ist dieser z.B. durch einen Unfall verzogen, so kann er oft kaum wieder so exakt gerichtet werden, wie es für eine sichere Straßenlage nötig ist. Die von uns angebotenen Rahmen sich direkt vom Hersteller. So sind die exakten Toleranzen gewährleistet, die für eine sichere Straßenlage nötig sindDieser Artikel passt bei vielen Modellen, unter anderem für: Adly Scoody 50 2, Bitte vergleichen Sie mit ihren Fahrzeugpapieren, gerne können Sie uns eine Email-Anfrage senden, Adly AT 50 2Quer über den Globus hat dieser Hersteller einen guten Namen bezüglich Qualität. Kostenloser Versand   Bei Ersatzteilen für jeden zusätzlichen Artikel mit den gleichen Versandkriterien, den Sie von uns kaufen.Unsere Ersatzteile für ihren Scooter bzw. Roller oder auch Motorroller können Sie bequem online in unserem Shop kaufen. Egal ob sie Ihren Roller im Baumarkt oder im Kaufhaus gekauft haben, für alle gängigen Taiwan-, Europa-, oder China-Roller finden Sie bei uns passende Bauteile, insbesondere für die Motoren 50 cc, 125 cc, 250 ccm, 4takt, 2takt und für größere Leistungen. Speziell für die Motorentypen 164FML ,125-4T6M , GY6 ,152QMI, 157QMI ,139FMB ,153FMI, 156FMI ,157QMJ, 158MJ ,1E40QMB, 1E40QMA ,139QMB, 139QMA, JSD139QMB ,150QMG in kurzen und langen Versionen in den Normen Euro1, Euro2, Euro3 sowie die neuen Euro 4 Einspritzer-Motoren finden Sie Ersatzteile von hoher Güte. Gerne können Sie auch per Email nach Ersatzteilen anfragen. Bei Bestellwerten über 100 Euro können Sie auch unseren Ratenkauf- bzw. Finanzierungs-Service nutzen. Beim Kauf von Fahrzeugen können wir Ihnen auch ein Leasing-Angebot unterbreiten, das bietet sich insbesondere für Firmen an, die Betriebsfahrzeuge anschaffen, oder ihren Mitarbeitern ein Fahrzeug zur Verfügung stellen. Wir freuen uns auf Ihre Anfrage.

Verkaufspreis:
Verfügbar
306,28 € Regulärer Preis: 352,22 €
Rabatt
Staubblende Gabel Motorrad Kreidler Florett RS 701177
Staubblende Gabel Motorrad Kreidler Florett RS 701177

zu Artikel: Staubblende 701177 Technik-InfoStaubblendeStaubblende, Staubblende 701177 für 50ccm Die Marke Rex ist eine der meistverkauften in Deutschland. Durch ständige Qualitätskontrollen vorort beim Hersteller ist ein hoher Standard gewährleistet.Kostenloser Versand   Bei Ersatzteilen für jeden zusätzlichen Artikel mit den gleichen Versandkriterien, den Sie von uns kaufen.Unsere Ersatzteile für ihren Motorroller bzw. Scooter oder auch Roller können Sie bequem online in unserem Shop kaufen. Egal ob sie Ihren Roller im Kaufhaus oder im Baumarkt gekauft haben, für alle gängigen Taiwan-, China-, oder Europa-Roller finden Sie bei uns passende Bauteile, insbesondere für die Motoren 50 cc, 125 cc, 250 ccm, 4-Takt, 2-Takt und für größere Leistungen. Speziell für die Motorentypen 164FML ,1E40QMB, 1E40QMA ,153FMI, 156FMI ,157QMJ, 158MJ ,125-4T6M ,139QMB, 139QMA, JSD139QMB ,150QMG ,139FMB , GY6 ,152QMI, 157QMI in kurzen und langen Versionen in den Normen Euro1, Euro2, Euro3 sowie die neuen Euro 4 Einspritzer-Motoren finden Sie Ersatzteile von hoher Güte. Gerne können Sie auch per Email nach Ersatzteilen anfragen. Bei Bestellwerten über 100 Euro können Sie auch unseren Finanzierungs- bzw. Ratenkauf-Service nutzen. Beim Kauf von Fahrzeugen können wir Ihnen auch ein Leasing-Angebot unterbreiten, das bietet sich insbesondere für Firmen an, die Betriebsfahrzeuge anschaffen, oder ihren Mitarbeitern ein Fahrzeug zur Verfügung stellen. Wir freuen uns auf Ihre Anfrage.

Verkaufspreis:
Nicht verfügbar
2,60 € Regulärer Preis: 2,99 €
Rabatt
Lenkstange Motorroller Rex Lenkung 705335
Lenkstange Motorroller Rex Lenkung 705335

zu Artikel: Lenkstange 705335 Technik-InfoLenkstangeLenker, Lenkstange, Lenk-Stange, Lenkung, Zweiradlenker, Rollerlenker, Lenkwelle Der Lenker, die Lenkstange, ist das Bedienelement zur Richtungsführung. Beim Zweirad ist auch der Großteil der Bedien und Funktionselemente daran befestigt. Auch hier ist Stabilität, gute Verarbeitung und gute Lagerung erforderlich. Beim Einbau eines neuen Lenkers macht es unbedingt Sinn gleich einen neuen Lenkkopflagersatz mit einzubauen. Beide Produkte erhalten Sie bei uns in Erstausrüster-QualitätDie Marke Rex ist eine der meistverkauften in Deutschland. Durch ständige Qualitätskontrollen vorort beim Hersteller ist ein hoher Standard gewährleistet.Kostenloser Versand   Bei Ersatzteilen für jeden zusätzlichen Artikel mit den gleichen Versandkriterien, den Sie von uns kaufen.Für ihren Roller bzw. Motorroller oder auch Scooter können Sie die Ersatzteile bequem online in unserem Shop kaufen. Egal wo sie Ihren Roller gekauft haben, Sie finden die passenden Ersatzteile in unserem Shop. Besonders für alle gängigen Europa-, China-, oder Taiwan-Roller haben wir passende Bauteile, vor allem für die Motoren 50 cc, 125 cc, 250 ccm, 2takt, 4takt und für größere Leistungen. Die Motorentypen 139QMB, 139QMA, 1E40QMB, 152QMI, 157QMI, GY6, 125-4T6M, 139FMB, 153FMI, 156FMI, 157QMJ, 158MJ, 164FML, 1E40QMA, JSD139QMB, 150QMG in kurzen und langen Versionen in den Normen Euro1, Euro2, Euro3 sowie die neuen Euro 4 Einspritzer-Motoren sind meist in diesen Modellen verbaut, und bei uns finden Sie qualitativ hochwertige Ersatzteile. Wenn Sie mal was nicht finden können Sie auch per Email nach Ersatzteilen anfragen. Ab Bestellwerten über 100 Euro bieten wir Ihnen unseren Finanzierungs- bzw. Ratenkauf-Service an. Beim Kauf von Fahrzeugen besteht die Möglichkeit der Finanzierung oder des Leasings. Speziell für Firmen, die Betriebsfahrzeuge anschaffen, oder ihren Mitarbeitern ein Fahrzeug zur Verfügung stellen, ist die eine interessante Alternative.

Verkaufspreis:
Nicht verfügbar
39,99 € Regulärer Preis: 45,99 €
Rabatt
Rex RS250 Dekorsatz Aufkleber Sticker 50ccm 2Takt 87764 Motorroller.de Aufkleber-Set Deko-Set Aufklebersatz Dekoraufkleber Kit 50ccm-2Takt Scooter
Rex RS250 Dekorsatz Aufkleber Sticker 50ccm 2Takt 87764 Motorroller.de Aufkleber-Set Deko-Set Aufklebersatz Dekoraufkleber Kit 50ccm-2Takt Scooter

zu Artikel: Dekorsatz links 87764 Technik-InfoDekorsatzDeko, Aufkleber, Aufklebersatz, Dekorsatz, Sticker, Aufkleber- Kit, Aufkleber-Satz, Aufkleber-Set, Dekoraufkleber, Dekoraufkleber Satz, Stickersatz, Deko-Set Unsere Styling-Dekore, Hinweisaufkleber oder Funktionsaufkleber sind Witterungs- und UV-beständig.Die Marke Rex ist eine der meistverkauften in Deutschland. Durch ständige Qualitätskontrollen vorort beim Hersteller ist ein hoher Standard gewährleistet.Kostenloser Versand   Bei Ersatzteilen für jeden zusätzlichen Artikel mit den gleichen Versandkriterien, den Sie von uns kaufen.Unsere Ersatzteile für ihren Roller bzw. Motorroller oder auch Scooter können Sie bequem online in unserem Shop kaufen. Egal ob sie Ihren Roller im Kaufhaus oder im Baumarkt gekauft haben, für alle gängigen Taiwan-, China-, oder Europa-Roller finden Sie bei uns passende Bauteile, insbesondere für die Motoren 50 cc, 125 cc, 250 ccm, 2-Takt, 4-Takt und für größere Leistungen. Speziell für die Motorentypen 164FML ,150QMG ,153FMI, 156FMI ,125-4T6M , GY6 ,152QMI, 157QMI ,139FMB ,139QMB, 139QMA, JSD139QMB ,157QMJ, 158MJ ,1E40QMB, 1E40QMA in kurzen und langen Versionen in den Normen Euro1, Euro2, Euro3 sowie die neuen Euro 4 Einspritzer-Motoren finden Sie qualitativ hochwertige Ersatzteile. Gerne können Sie auch per Email nach Ersatzteilen anfragen. Bei Bestellwerten über 100 Euro können Sie auch unseren Finanzierungs- bzw. Ratenkauf-Service nutzen. Beim Kauf von Fahrzeugen können wir Ihnen auch ein Leasing-Angebot unterbreiten, das bietet sich insbesondere für Firmen an, die Betriebsfahrzeuge anschaffen, oder ihren Mitarbeitern ein Fahrzeug zur Verfügung stellen. Bitte fragen Sie an.

Verkaufspreis:
Nicht verfügbar
10,64 € Regulärer Preis: 12,24 €
Rabatt
Rex Quad 50 Motorhalter Motorlager Achse 50ccm 2Takt 94041 Motorroller.de Motorträger Motorhalterung Motor-Halter Motor-Halterung Motor-Lager 1E40QMB
Rex Quad 50 Motorhalter Motorlager Achse 50ccm 2Takt 94041 Motorroller.de Motorträger Motorhalterung Motor-Halter Motor-Halterung Motor-Lager 1E40QMB

zu Artikel: Motorhalterung 94041 MotorhalterungTechnik-InfoMotorhalterungMotorträger, Motorwippe, Motortraeger, Motorschwinge, Motorhalter, Achse, Motorachse, Motorhaltevorrichtung, Motor-Halter, Motor-Träger, Motor-Traeger, Motor-Schwinge, Motor-Wippe, Motor-Achse, Motor-Haltevorrichtung, Motorhalterung, Motor-Halterung, Motorlager, Motor-Lager, Motorhalterwelle, Motorhaltewelle, Motorkonsole, Motorkonsole 702601 für 125ccmMotorhalter nehmen hohe Kräfte auf. Hier kommt es sehr darauf an, dass die Fertigung und Bearbeitung auf hochwertigen Maschinen erfolgt. Wir beziehen unsere Teile direkt von den Fahrzeugherstellern in der original-Qualität.Dieser Artikel passt bei vielen Modellen, unter anderem für: bundesweiter Home-Service, motorroller.de ihr Roller-Experte, Bitte vergleichen Sie mit ihren Fahrzeugpapieren, Kreidler Mustang 50Die Marke Rex ist eine der meistverkauften in Deutschland. Durch ständige Qualitätskontrollen vorort beim Hersteller ist ein hoher Standard gewährleistet.Kostenloser Versand   Bei Ersatzteilen für jeden zusätzlichen Artikel mit den gleichen Versandkriterien, den Sie von uns kaufen.Unsere Ersatzteile für ihren Motorroller bzw. Roller oder auch Scooter können Sie bequem online in unserem Shop kaufen. Egal ob sie Ihren Roller im Kaufhaus oder im Baumarkt gekauft haben, für alle gängigen China-, Taiwan-, oder Europa-Roller finden Sie bei uns passende Bauteile, insbesondere für die Motoren 50 cc, 125 cc, 250 ccm, 4takt, 2takt und für größere Leistungen. Speziell für die Motorentypen 164FML ,157QMJ, 158MJ , GY6 ,139FMB ,150QMG ,153FMI, 156FMI ,1E40QMB, 1E40QMA ,139QMB, 139QMA, JSD139QMB ,152QMI, 157QMI ,125-4T6M in kurzen und langen Versionen in den Normen Euro1, Euro2, Euro3 sowie die neuen Euro 4 Einspritzer-Motoren finden Sie Ersatzteile von hoher Güte. Gerne können Sie auch per Email nach Ersatzteilen anfragen. Bei Bestellwerten über 100 Euro können Sie auch unseren Ratenkauf- bzw. Finanzierungs-Service nutzen. Beim Kauf von Fahrzeugen können wir Ihnen auch ein Leasing-Angebot unterbreiten, das bietet sich insbesondere für Firmen an, die Betriebsfahrzeuge anschaffen, oder ihren Mitarbeitern ein Fahrzeug zur Verfügung stellen. Ihre Anfrage nehmen wir gerne entgegen

Verkaufspreis:
Verfügbar
18,32 € Regulärer Preis: 21,07 €
Rabatt
CDI Zündbox AC 45km/h 1E40QMB 12Zoll 130/70-12 1060003-22 Motorroller.de für Drossel mit Kupplungs- abfrage Steuergerät CDI-Einheit Blackbox Scooter
CDI Zündbox AC 45km/h 1E40QMB 12Zoll 130/70-12 1060003-22 Motorroller.de für Drossel mit Kupplungs- abfrage Steuergerät CDI-Einheit Blackbox Scooter

zu Artikel: CDI-Einheit AC 45km/h für Drossel mit Kupplungs- abfrage 130/70-12 2Takt 50ccm 1E40QMBDie CDI Zündbox CDI-Einheit AC 45km/h für Drossel mit Kupplungs- abfrage 130/70-12 2Takt 50ccm 1E40QMB Technik-InfoCDI Zündbox CDI Einheit, Zündeinheit, Zuendeinheit, Steuergerät, Steuergeraet, Zündbox, Zuendbox, Zündzentrale, Zuendzentrale, Elektr4onik-Blackbox, E-Blackbox, Blackbox, Zündsteuerung, Zünd-Steuerung, Zuend-Steurung, Zuendsteuerung, , Zündelektronik, CDI, Zuendelektronik, CDI Zündbox, CDI-Einheit CDI Zündeinheit, auch Zündelektronik, CDI-Einheit, Zündeinheit, Steuergerät oder Zündbox genannt, ist wie original im Werkszustand am Fahrzeug verbaut. Vor der Bestellung ist der Reifendurchmesser zu klären (10, 12, 13 Zoll). Bei verschiedenen Reifendurchmessern gibt es unterschiedliche Drehzahlen, bitte wählen Sie den richtigen Artikel aus. Günstiges Ersatzteil bei Defekten an der Zündanlage. Die CDI kann nicht für Umrüstungszwecke verwendet werden, ein Gutachten ist nicht in diesem Lieferumfang enthalten. Dieser Artikel passt bei vielen Modellen, unter anderem für: Jonway Stratos Chicago, Jmstar Zeus B09-50, Rex Stratos Chicago Die Ersatzteile dieses Herstellers haben sich seit Jahren im täglichen Einsatz bewährt. Durch beständigen Erfahrungsaustausch wird die Qualität auf ein Maximum angehoben. Erstausrüsterqualität sehr gute Verarbeitung Lagerware günstiger Preis da Direktimport sofort versandbereit Unsere Ersatzteile für ihren Motorroller bzw. Roller oder auch Scooter können Sie bequem online in unserem Shop kaufen. Egal ob sie Ihren Roller im Kaufhaus oder im Baumarkt gekauft haben, für alle gängigen Europa-, China-, oder Taiwan-Roller finden Sie bei uns passende Bauteile, insbesondere für die Motoren 50 cc, 125 cc, 250 ccm, 2takt, 4takt und für größere Leistungen. Speziell für die Motorentypen 153FMI, 156FMI , GY6 ,152QMI, 157QMI ,1E40QMB, 1E40QMA ,164FML ,157QMJ, 158MJ ,125-4T6M ,139QMB, 139QMA, JSD139QMB ,150QMG ,139FMB in kurzen und langen Versionen in den Normen Euro1, Euro2, Euro3 sowie die neuen Euro 4 Einspritzer-Motoren finden Sie qualitativ erstklassige Ersatzteile. Gerne können Sie auch per Email nach Ersatzteilen anfragen. Bei Bestellwerten über 100 Euro können Sie auch unseren Ratenkauf- bzw. Finanzierungs-Service nutzen. Beim Kauf von Fahrzeugen können wir Ihnen auch ein Leasing-Angebot unterbreiten, das bietet sich insbesondere für Firmen an, die Betriebsfahrzeuge anschaffen, oder ihren Mitarbeitern ein Fahrzeug zur Verfügung stellen. Bitte fragen Sie an. Soll ein defektes Element repariert oder gleich getauscht werden?Diese Frage stellen sich Rollerbesitzer immer dann, wenn an ihrem Zweirad etwas kaputt gegangen ist, ganz egal, ob sich um einen Motorroller, 3-Rad Roller oder Elektroroller beziehungsweise E-Roller handelt. Ein weiterer Aspekt ist, dass ein Ersatzteil nicht bloß preisgünstiger ist als eine Reparatur, sondern danach auch eine erheblich größere Ausfallsicherheit bietet. Meistens kann man einen versteckten Fehler nicht gleich selbst entdecken und eine kompetente Werkstatt muss feststellen, wo der Hase im Pfeffer liegt. In einem solchen Fall wäre es vorteilhafter, über unserer Webseite eines der fertigen Ersatzteil-Kits zu ordern, die wir in vielen unterschiedlichen Ausführungen in unserem Sortiment haben. .Für Ihr Zweirad - erstklassige QualitätDie Ersatzteile, die wir im Sortiment haben, entsprechen zu 100 % mit Blick auf die Qualität dem Weltmarktniveau. Wir können nur deswegen so günstig sein, weil wir bei unseren Lieferanten sämtliche Teile in ausreichend großen Mengen einkaufen. Alle verfügbaren Bauteile für Ihr motorisiertes Zweirad kriegen Sie bei uns sowohl in guter Qualität als auch zu einem Preis, der mit Sicherheit Ihre Laune verbessert. Einige Rollermarken wie Eppella und Sundiro werden schon seit langem nicht mehr gefertigt. Gleichwohl führen wir dafür noch die Komponenten.Wir haben natürlich auch die Originalteile einer Menge Rollertypen im Programm, obgleich unsere Nachbauten mit den Originalen qualitativ ohne weiteres mithalten können und dennoch vom Preis her zumeist um einiges preisgünstiger sind. Mit unseren Produkten können Sie die Reparatur an Ihrem Motorroller selbst ausführen oder auch von einem Fachmann ausführen lassen. Zu solch bezahlbaren Kosten werden Sie zweifelsohne Ihren Motorroller nicht auf andere Weise instand setzen können.Mit Hilfe der Bilder ist die Bestellung des gewünschten Zubehörs ein KinderspielDank entsprechendem Bildmaterial können Sie Ihr defektes Austauschteil auf einfache Weise mit dem erhältlichen Ersatz vergleichen, damit Sie auch wirklich den passenden Artikel erhalten. Es ist in diesem Fall wichtig, dass die Komponente, welche Sie tauschen möchten, nicht bloß augenscheinlich, sondern auch in den technischen Angaben und Abmessungen mit Ihrer Bestellung zusammenpasst. Was Sie davon haben:Sie erhalten von uns ausschließlich die Erstausrüsterqualität - auch bei preisgünstigen NachbautenUnser Lager umfasst Teile und Artikel für zirka 250 Marken und 8500 TypenPräzisionsfertigung nach DIN-Norm"Geld zurück" - Garantie, deshalb Kauf ohne RisikoAbhol- und BringserviceUnsere sämtlichen Produkte sind zuverlässig, langlebig sowie preiswürdigSie bezahlen nur einmal den Versand bei Bestellung mehrerer Einbauelemente mit denselben VersandfaktorenKurze LieferzeitenWir kaufen Ihr Fahrzeughundertprozentige Verkehrssicherheit des Zweirads, vor allem bei den BremsenAm besten kaufen Sie Roller, Fun Fahrzeuge, Quads und Buggys in einem Fachbetrieb wie den unsrigen. Welchen Vorteil haben Sie von unserem Kundenservice? Weil wir das Know-how und die Meister-Qualifikation besitzen, welche man für diesen Geschäftsbereich unbedingt benötigt. Bei uns ist der Kunde noch König. Aus dem Grund gehört nicht bloß der Verkauf zu unserer Leidenschaft, sondern auch die Kundenbetreuung danach und klarerweise ein möglichst perfekter Fahrzeugservice. Als familiär geführter Betrieb betreiben wir nicht lediglich das Geschäft in Verbindung mit den Motorrollern, wir leben das Geschäft förmlich. Kaufen ist Vertrauenssache, daher ist es nötig, sich den Laden zuerst genau anzusehen. in unserem Unternehmen ist alles zu 100 Prozent nachvollziehbar! Gerne können Sie uns im Ladengeschäft besuchen, um sich über uns eigenhändig zu informieren.Den Nachweis unserer Qualität können Sie dann unmittelbar vor Ort beobachten.Wenn Ihnen die Anfahrtsstrecke zu uns zu weit ist, können Sie sich auch durch die diversen Ebay Bewertungen und des Trustedshops-Siegels schlau machen. Auf unserer Verkaufsseite Motorroller.de wird sowohl unser Verkaufsshop als auch unsere Geschäftspraxis von Trustedshops mit der Note "sehr gut" beurteilt. Auch bei Ebay liegen wir mit dem Wert 99,9 % sehr gut im Rennen. Diese Resultate bestätigen eines ganz deutlich: Wir legen uns in allen Belangen stets mächtig ins Zeug! Aber auch, wenn wir uns noch so bemühen - wir sind keine Maschinen, sondern Menschen, die unter Umständen mal etwas falsch machen. Wir möchten Sie deshalb bitten, uns definitiv eine Gelegenheit zur Verbesserung zu geben, wenn mal etwas nicht völlig zu Ihrer Zufriedenheit geklappt hat.Zu welchen Zeiten wir Ihnen zu Diensten stehen? Jeden Tag von 8:00 bis 18:00 Uhr und samstags von 8:00 bis 13:00 Uhr.Wir möchten uns vorstellenBei uns ist der Kunde noch König. Das Geschäft mit motorisierten Zweirädern betreiben wir ausgesprochen erfolgreich schon seit über 25 Jahren, wollen hierbei aber erwähnen, dass wir bereits mehr als 5 Jahrzehnte auf eine Erfolg versprechende geschäftliche Aktivität auf dem Gebiet des Maschinenbaus zurückschauen können. Gegenwärtig haben wir uns auf Fahrzeugzubehör, Ersatzelemente und das "Nice-to-have" zur Erhöhung der Motorleistung für die meist gefahrenen Motorroller spezialisiert.Unsere Produktauswahl umfasst circa 500.000 TeileWer auf der Suche nach einem preisgünstigen Fahrzeug oder Einbauteil für seinen fahrbaren Untersatz ist, der findet bei uns unter Motorroller.de bestimmt das geeignete Element. In unserem Versandlager befinden sich für etwa 8500 Modelle und 250 Marken unterschiedliche Produkte als Zubehör, Einbaukomponenten und Artikel. Darunter sind zum Beispiel Lieferanten wie Kreidler, Adly, Yamaha oder Jonway zu finden. Wir haben insgesamt mehr als 500.000 Produkte von zahlreichen Produzenten im Programm, die auf einer Fläche von über 1.000 m² in unseren Regalen auf Lager liegen. Hier finden Sie jedes Zubehör für Ihr Zweirad von A bis Z. Das beginnt bei den Handschuhen, Regensets und Nierengürteln, und geht bis hin zum Top Case über die Schutzhelme und den Windschildern.In unserer Tuningabteilung halten wir für alle, die es gerne sportlich mögen ebenso einige ausgewählte Artikel bereit. Hierzu gehören z.B. Kolben, Auspuffanlagen, Zylinder und andere Dinge.Direkt nach der ProduktionAlle Produkte verlassen unser Haus erst im Anschluss an eine strenge Kontrolle der Qualität. Mit anderen Worten heißt das, dass sämtliche Motorroller, die vom Herstellerwerk bei uns eintreffen, nochmals in unserem Betrieb einer eingehenden Überprüfung auf etwaige Mängel respektive Transportschäden unterzogen werden. Erst dann übergeben wir sie an unsere Kunden. Das erste Mal geschieht das vor dem Versand, indem wir jedes Fahrzeug auspacken und auf unserem Zweirad-Prüfstand einem Testlauf respektive einer Übergabeinspektion unterziehen. Sofort nach der Anlieferung beim Käufer wird dann der Roller schließlich erneut auf tadellose Funktion getestet, sodass de facto garantiert ist, dass der Kunde ein 100-prozentig korrektes Gefährt erhält.Wir legen Wert auf eine saubere UmweltWir sind sehr um den Schutz unserer Umwelt bemüht. Unsere Motorroller verfügen einerseits allesamt über einen effizienten Verbrennungsmotor. Um die Umwelt außerdem zu entlasten und eine fachgerechte Entsorgung zu gewährleisten, nehmen wir die Transportverpackung wieder mit, welche bei der Anlieferung unserer Fahrzeuge anfällt.Wir kaufen Ihren RollerNach dem Erwerb eines neuen Rollers aus unserem Fahrzeugangebot möchten Sie sich von Ihrem alten Modell trennen? Seien Sie deswegen unbesorgt! Wir kaufen Ihren gebrauchten Motorroller an.Wir konnten noch nicht Ihre Skepsis aus dem Weg räumen?Geben Sie uns doch die Chance, unsere Leistungen unter Beweis zu stellen. Im Vergleich zu den billigen Onlineshops, welche schon nach vergleichsweise kurzer Zeit wieder weg sind, können wir eine langjährige Firmentradition vorweisen. Es ist uns bekannt, dass sich bloß aufgrund neuer Ideen und fortschrittlicher Innovationen die Basis für eine Erfolg versprechende geschäftliche Tätigkeit legen lässt. Besuchen Sie uns doch mal in unserem Betrieb in Lindenfels-Eulsbach und überzeugen Sie sich persönlich von unserem ausgezeichneten Service.So sind wir zu findenLindenfels liegt im Regierungsbezirk Darmstadt, und zwar 40 km nordöstlich von Mannheim beziehungsweise ungefähr 60 km südlich von Frankfurt am Main. Am besten fahren Sie von Süden her über die A8, während Sie aus nördlicher Richtung die A6 nehmen. Alternativ ist es ohne Frage auch möglich, mit der Bahn zu fahren.Unsere TopmarkenUnsere TopmarkenHinweise zu: CDI 45kmh

Verkaufspreis:
Kurzfristig lieferbar
29,89 € Regulärer Preis: 34,37 €