Zum Hauptinhalt springen Zur Suche springen Zur Hauptnavigation springen
Menü
efr
erf
rrrf
Schnell lieferbar
14 Tage Rückgaberecht
Schneller DPD Versand

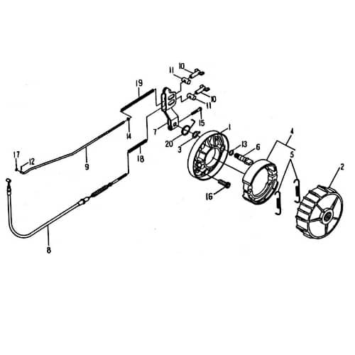
zu Artikel: Bremszug Fußbremsgestänge

Bremszug

Der Bremszug oder nach dem Erfinder Ingenieur Bowden, Bowdenzug aber mittlerweile fälschlich auch , Bautenzug genannt dient der Mechanischen Kraftübertragung zur Bremse. Hier ist es erforderlich die richtige stabile Bremszugausführung auszuwählen, denn ein billiges und zu dünnes Bremsseil kann reißen. Auch die Verarbeitung mit den Anschluss-Stücken muss den erforderlichen Qualitätsansprüchen genüge tun, denn davon häng Ihre Sicherheit und die Sicherheit anderer Verkehrsteilnehmer ab. Wir liefern die entsprechenden Bremszüge in Erstausrüster-Qualität. Wir empfehlen, den Originalzug nachzumessen.

Unsere Ersatzteile für ihren Scooter bzw. Roller oder auch Motorroller können Sie bequem online in unserem Shop kaufen. Egal ob sie Ihren Roller im Kaufhaus oder im Baumarkt gekauft haben, für alle gängigen China-, Europa-, oder Taiwan-Roller finden Sie bei uns passende Bauteile, insbesondere für die Motoren 50 cc, 125 cc, 250 ccm, 4takt, 2takt und für größere Leistungen. Speziell für die Motorentypen 150QMG ,152QMI, 157QMI ,125-4T6M ,157QMJ, 158MJ , GY6 ,139FMB ,164FML ,153FMI, 156FMI ,1E40QMB, 1E40QMA ,139QMB, 139QMA, JSD139QMB in kurzen und langen Versionen in den Normen Euro1, Euro2, Euro3 sowie die neuen Euro 4 Einspritzer-Motoren finden Sie Ersatzteile von hoher Güte. Gerne können Sie auch per Email nach Ersatzteilen anfragen. Bei Bestellwerten über 100 Euro können Sie auch unseren Ratenkauf- bzw. Finanzierungs-Service nutzen. Beim Kauf von Fahrzeugen können wir Ihnen auch ein Leasing-Angebot unterbreiten, das bietet sich insbesondere für Firmen an, die Betriebsfahrzeuge anschaffen, oder ihren Mitarbeitern ein Fahrzeug zur Verfügung stellen. Ihre Anfrage nehmen wir gerne entgegen

Ein Element ist kaputt - soll es repariert oder getauscht werden?

Diese Frage stellen sich Besitzer von Rollern immer dann, wenn an ihrem Zweirad etwas defekt geworden ist, gleichgültig, ob sich um einen Elektroroller respektive E-Roller, Motorroller oder Dreirad-Roller dreht. Was man ebenfalls nicht vergessen darf: Ein neues Bauteil ist nicht nur problemlos gewechselt, sondern macht den Motorroller auch bedeutend funktionssicherer als eine Reparatur. Zumeist kann man einen versteckten Fehler nicht gleich selber finden und ein qualifizierter Fachmann muss eruieren, weshalb der Roller Probleme macht. Auf der anderen Seite gibt es auch die Möglichkeit, sich für eines der einbaufertigen Komplett-Kits zu entscheiden, die wir in zahlreichen diversen Ausführungen im Angebot haben. .

Erstklassige Elemente und Zubehör für Ihr Zweirad

Die Komponenten, die wir auf Lager haben, entsprechen bezüglich der Qualität zu 100 Prozent dem Weltmarktniveau. Wir können lediglich deswegen so günstig sein, weil wir unsere Bauteile in ausreichend großen Einheiten einkaufen. Diese beiden Faktoren, nämlich auf der einen Seite die gute Qualität und andererseits der bezahlbare Preis heben uns vorwiegend von unseren Konkurrenten ab.

Einige Rollermarken wie Sundiro und Eppella werden schon lange nicht mehr produziert. Dennoch führen wir dafür noch die Zubehörteile.

Logischerweise liefern wir auch die Originalteile für Ihr motorisiertes Zweirad, wenngleich unsere Nachbauten einen qualitativen Vergleich mit dem Erstausrüster-Produkt nicht zu scheuen brauchen, aber normalerweise bedeutend kostengünstiger sind. Ganz gleich, ob Sie die Reparatur an Ihrem Zweirad selbst ausführen wollen oder lieber in einer Werkstatt ausführen lassen möchten, auf alle Fälle liegen Sie mit unseren Ersatzteilen hundertprozentig richtig. Zu solch attraktiven Preisen werden Sie vermutlich Ihr Zweirad nicht auf andere Art reparieren können.

Es ist denkbar easy, mit Hilfe der Bilder das richtige Bauteil zu bestellen

Damit Sie auch tatsächlich das dringend benötigte Produkt erhalten, gibt es in unserem Shop eine Menge von anschaulichem Bildmaterial, durch das Sie Ihr altes Teil mit dem verfügbaren Ersatz vergleichen können. Entscheidend hierbei ist, dass Ihre Bestellung nicht nur optisch, sondern auch in den Spezifikationen und Dimensionen mit dem schadhaften Element übereinstimmt.

 

Ihre Vorteile:

 

  • Kurzfristige Lieferzeiten
  • Unsere sämtlichen Erzeugnisse sind gebrauchstauglich, langlebig und kostengünstig
  • Auch bei kostengünstigen Nachbauten erhalten Sie von uns stets die Erstausrüster-Qualität
  • "Geld zurück" - Garantie, deshalb Kauf ohne Risiko
  • Präzisionsfertigung nach DIN-Norm
  • Absolute Verkehrssicherheit des Rollers, vor allem bei den Bremsen
  • Wir holen und bringen Ihr Fahrzeug
  • Sie zahlen nur einmal Versandkosten beim Ordern mehrerer Komponenten mit identischen Liefervoraussetzungen
  • Wir kaufen Ihr Zweirad
  • Einbauelemente und Artikel für ungefähr 250 Marken und 8500 Modelle auf Lager

 

Wir sind die erste Adresse, wenn es um die Anschaffung von einem Motorroller, Fun-Fahrzeug, Quad oder Straßenbuggy geht. Welchen Nutzen haben Sie von unserem Kundenservice? Da wir uns dank unserer jahrzehntelangen Erfahrung das erforderliche Know-how für dieses Geschäftsfeld angeeignet haben, können wir Ihnen einen perfekten Kundenservice bieten. Wir als Familienunternehmen leben das Geschäft rund um die Roller regelrecht.

Kaufen ist Vertrauenssache, dementsprechend ist es unverzichtbar, sich seinen Lieferanten vorher genau anzusehen. Bei uns ist alles uneingeschränkt nachvollziehbar! Kommen Sie doch einfach mal bei uns vorbei und machen Sie sich selbst ein Bild von uns.Den Beleg unserer vorzüglichen Leistungen sehen Sie dann direkt vor Ort.

Wenn Ihnen der Weg zu uns zu weit ist, können Sie sich auch durch das Trustedshops-Siegels und die unterschiedlichen Ebay Bewertungen informieren. Beispielsweise wird sowohl unsere Geschäftspraxis als auch unser Verkaufs-Shop mit dem Trustedshops Gütesiegel "sehr gut" eingestuft, was uns nicht zu Unrecht sehr stolz macht. Der Wert von ca. 99,9 Prozent bei Ebay in den Käuferrezensionen kann sich ebenfalls sehen lassen. Beweisen diese Ergebnisse nicht klar und deutlich, dass unsere Kunden bestens bei uns aufgehoben sind?

Bitte denken Sie daran, dass wir keine Maschinen sondern auch nur Menschen sind, denen manchmal bei denen manchmal etwas schief gehen kann. Wir möchten Sie aus dem Grund bitten, uns auf alle Fälle eine Gelegenheit zur Verbesserung zu geben, falls mal etwas schief gelaufen ist.

Unsere fachkundigen Mitarbeiter sind täglich von 8:00 - 18:00 Uhr und samstags von 9:00 - 13:00 für Sie da.

Wer sind wir?

Bei uns ist der Kunde noch König. Die Geschäftstätigkeit unseres Unternehmens begann schon vor über 50 Jahren mit dem Bau von Maschinen. Das Fahrzeuggeschäft mit motorisierten Zweirädern dagegen, betreiben wir heute auch schon seit mehr als 25 Jahren ungemein erfolgreich. Mittlerweile haben wir uns außer der Vermarktung von Rollern, auf Fahrzeugzubehör, das "Must have" für Motortuning und Ersatzbauteile spezialisiert.

Wir können zeitnah rund 500.000 Ersatzteile liefern

Wenn Sie zu Ihrem Roller ein Zubehörteil suchen, werden Sie auf unserer Internet-Seite unter Motorroller.de bestimmt das entsprechende Element finden. In unserem Versandlager befinden sich für ca. 250 Fabrikate und 8500 Typen unterschiedliche Einbauteile, passendes Zubehör und Artikel. Darunter sind z.B. Produzenten wie Kreidler, Adly, Yamaha oder Jonway zu finden. Auf einer Fläche von über 1.000 m² haben wir in unseren Hochregalen mehr als 500.000 Produkte unterschiedlicher Anbieter lieferbar. Alles was Sie als Rollerfahrer benötigen, finden Sie im Zubehörbereich.

Das beginnt bei den Handschuhen, Regensets und Nierengürteln, und geht bis hin zu den Windschildern über das Top Case und den Sturzhelmen.Damit die Tuningfreaks nicht zu kurz kommen, haben wir für sie ausgewählte Produkte wie Zylinder, Kolben, Auspuffanlagen und andere Dinge im Sortiment.

Direkt nach der Produktion

Sämtliche Lieferungen verlassen unser Unternehmen erst nach einer strengen Qualitätskontrolle. Mit anderen Worten bedeutet das, dass alle Roller, die vom Herstellerwerk bei uns ankommen, nochmals in unserem Betrieb eingehend durchgecheckt werden. Erst dann liefern wir sie an unsere Kunden aus. Vor dem Versand wird zunächst jeden Motorroller ausgepackt und auf unserem computergesteuerten Zweirad-Prüfstand einem Testlauf unterzogen. Bevor der Kunde das Fahrzeug übernimmt, erfolgt noch ein abschließender Funktionstest. Damit ist wirklich gewährleistet, dass der neue Besitzer mit seiner Anschaffung zu hundert Prozent zufrieden ist.

Umweltschutz

Wir tragen zum Schutz unserer Umwelt bei. Unsere Roller besitzen auf der einen Seite durchweg einen Sprit sparenden Verbrennungsmotor. Um die Umwelt außerdem zu schonen und eine fachgerechte Müll-Entsorgung zu garantieren, nehmen wir jegliches Verpackungsmaterial wieder mit, welches bei der Anlieferung unserer Motorroller anfällt.

Ihren ausgedienten Roller nehmen wir gerne in Zahlung

Sie planen, sich bei uns einen neuen Roller anzuschaffen und sich gleichzeitig von Ihrem alten fahrbaren Untersatz trennen? Zerbrechen Sie sich über diese Sache nicht den Kopf! Lassen Sie das unser Problem sein, indem wir Ihren ausgedienten Motorroller ankaufen.

Wir konnten noch nicht alle Zweifel ausräumen?

Dann würden wir uns darüber freuen, wenn wir von Ihnen die Möglichkeit bekämen, die Qualität unserer Leistungen unter Beweis stellen zu dürfen. Im Vergleich zu den billigen Internet-Shops, welche bereits nach vergleichsweise kurzer Zeit wieder weg sind, können wir eine jahrelange Firmentradition vorweisen. Bloß hinsichtlich zeitgemäßer Innovationen und neuer Ideen lässt sich eine gut fundierte Geschäftsgrundlage schaffen. Demzufolge steht in unserem stetig wachsenden Unternehmen ständiges Lernen sowie die Anpassung an modernen Technologien immer an erster Stelle. Überzeugen Sie sich selber von unserem hervorragenden Service und besuchen Sie uns doch einmal in unserem Betrieb in Lindenfels-Eulsbach.

So sind wir zu finden

Zirka 60 km südlich von Frankfurt/Main liegt Lindenfels im Regierungsbezirk Darmstadt. Falls Sie mit dem PKW anreisen, erreichen Sie den Ort per Autobahn entweder von Norden über Frankfurt am Main (A6) oder von Süden über Mannheim (A8). Alternativ ist es klarerweise auch möglich, mit der Bahn zu fahren.

Hinweise zu: Bremszug

Baugruppe: Rahmen

Artikelposition in Explosionszeichnung: 9

Ersatzteil: Bremszug

Motorroller bequem online kaufen – von der Bestellung bis zur Lieferung


Mobiler Home Service – Bundesweit Inspektionen und Reparaturen


Motorroller.de – Über uns – Ihr Support vom Profi seit 1993

Ihr Finanzierungsplan**
Monate Rate mtl. Gesamt
6039,67 €2.380,49 €
12157,59 €1.891,14 €

Einfach im Bestellvorgang die Expokredit-Finanzierung als Zahlungsweise auswählen ...

  • Rex Quad 50
  • SMC STM REX Quad 50
Produktgalerie überspringen

Kunden haben sich ebenfalls angesehen

Rabatt
Einlassventil 64.9x23.9x4.9mm Rex Imola 125 125ccm 4Takt Motorroller.de Motorventil Motor-Ventil Einlass-Ventil Ventil-Einlass Zylinderkopfventil
Einlassventil 64.9x23.9x4.9mm Rex Imola 125 125ccm 4Takt Motorroller.de Motorventil Motor-Ventil Einlass-Ventil Ventil-Einlass Zylinderkopfventil

zu Artikel: Einlassventil 64.9x23.9x4.9mm Motor-Ventil 704298 Einlassventil 64.9x23.9x4.9mmTechnik-InfoEinlassventilauch zu finden unter: Einlassventil, Einlass-Ventil, Ventil-Einlass, Motorventil, Motor-VentilVentile sind mechanisch und thermisch hoch beanspruchte Bauteile. Zusätzlich sind sie korrosiven Einflüssen ausgesetzt. Die mechanischen Beanspruchungen entstehen bei Durchbiegung des Ventiltellers unter Zünddruck, durch hartes Aufsetzen beim Schließen und durch Massenkräfte aufgrund und hoher Beschleunigungen. Dieser Artikel passt bei vielen Modellen, unter anderem für:Kreidler Insignio 125 DD Rex Imola 125 Rex Imola 125 Race/Urban Rex Milano 125 Rex RS 1000 Rex RS 1100 Rex Torino 125Die Marke Rex ist eine der meistverkauften in Deutschland. Durch ständige Qualitätskontrollen vorort beim Hersteller ist ein hoher Standard gewährleistet.Geprüfte Erstausrüsterqualität sehr gute Verarbeitung günstiger Preis Direktimport Kauf 100% ohne Risiko vom TopsellerUnsere Ersatzteile für ihren Motorroller bzw. Scooter oder auch Roller können Sie bequem online in unserem Shop kaufen. Egal ob sie Ihren Roller im Kaufhaus oder im Baumarkt gekauft haben, für alle gängigen Taiwan-, Europa-, oder China-Roller finden Sie bei uns passende Bauteile, insbesondere für die Motoren 50 cc, 125 cc, 250 ccm, 2takt, 4takt und für größere Leistungen. Speziell für die Motorentypen 150QMG ,1E40QMB, 1E40QMA ,139QMB, 139QMA, JSD139QMB ,152QMI, 157QMI ,125-4T6M ,157QMJ, 158MJ , GY6 ,139FMB ,164FML ,153FMI, 156FMI in kurzen und langen Versionen in den Normen Euro1, Euro2, Euro3 sowie die neuen Euro 4 Einspritzer-Motoren finden Sie qualitativ erstklassige Ersatzteile. Gerne können Sie auch per Email nach Ersatzteilen anfragen. Bei Bestellwerten über 100 Euro können Sie auch unseren Finanzierungs- bzw. Ratenkauf-Service nutzen. Beim Kauf von Fahrzeugen können wir Ihnen auch ein Leasing-Angebot unterbreiten, das bietet sich insbesondere für Firmen an, die Betriebsfahrzeuge anschaffen, oder ihren Mitarbeitern ein Fahrzeug zur Verfügung stellen. Wir freuen uns auf Ihre Anfrage.

Verkaufspreis:
Verfügbar
39,90 € Regulärer Preis: 45,89 €
Rabatt
Aeon Revo 50 Bremszug hinten Quad 50ccm 2Takt 45450-131-00K Motorroller.de Bowdenzug Bremsleitung Seilzug Bautenzug Bremsseil Bremskabel Brems-Zug ATV
Aeon Revo 50 Bremszug hinten Quad 50ccm 2Takt 45450-131-00K Motorroller.de Bowdenzug Bremsleitung Seilzug Bautenzug Bremsseil Bremskabel Brems-Zug ATV

zu Artikel: Bremszug hintenBremszugBremszug hintenTechnik-InfoDer Artikel: BremszugBrems-Zug, Seil-Zug, Bauten-Zug, Bowdenzug, Bremsseilzug, Bremskabel, Brems-Kabel, Bremsleitung, Brems-Leitung, Bremszug hinten, Bremskabel links DP03, Seilzug, Bautenzug, Bremsseil, Bremszug, Brems-SeilDer Bremszug oder nach dem Erfinder Ingenieur Bowden, Bowdenzug aber mittlerweile fälschlich auch , Bautenzug genannt dient der Mechanischen Kraftübertragung zur Bremse. Hier ist es erforderlich die richtige stabile Bremszugausführung auszuwählen, denn ein billiges und zu dünnes Bremsseil kann reißen. Auch die Verarbeitung mit den Anschluss-Stücken muss den erforderlichen Qualitätsansprüchen genüge tun, denn davon häng Ihre Sicherheit und die Sicherheit anderer Verkehrsteilnehmer ab. Wir liefern die entsprechenden Bremszüge in Erstausrüster-Qualität. Wir empfehlen, den Originalzug nachzumessen.Dieser Artikel passt bei vielen Modellen, unter anderem für: motorroller.de ihr Roller-Experte, Aeon Revo 50 W (m. Rückwärtsgang) BJ.05-06, gerne können Sie uns eine Email-Anfrage senden, Bitte vergleichen Sie mit ihren FahrzeugpapierenLangjährige Erfahrung und stets einwandfreie Qualität haben diesen Hersteller ausgezeichnet.  Bei Ersatzteilen für jeden zusätzlichen Artikel mit den gleichen Versandkriterien, den Sie von uns kaufen.Unsere Ersatzteile für ihren Motorroller bzw. Roller oder auch Scooter können Sie bequem online in unserem Shop kaufen. Egal ob sie Ihren Roller im Kaufhaus oder im Baumarkt gekauft haben, für alle gängigen Europa-, China-, oder Taiwan-Roller finden Sie bei uns passende Bauteile, insbesondere für die Motoren 50 cc, 125 cc, 250 ccm, 2takt, 4takt und für größere Leistungen. Speziell für die Motorentypen 139QMB, 139QMA, JSD139QMB ,164FML ,157QMJ, 158MJ ,139FMB ,150QMG ,153FMI, 156FMI ,1E40QMB, 1E40QMA , GY6 ,152QMI, 157QMI ,125-4T6M in kurzen und langen Versionen in den Normen Euro1, Euro2, Euro3 sowie die neuen Euro 4 Einspritzer-Motoren finden Sie Ersatzteile von bewährter Qualität. Gerne können Sie auch per Email nach Ersatzteilen anfragen. Bei Bestellwerten über 100 Euro können Sie auch unseren Ratenkauf- bzw. Finanzierungs-Service nutzen. Beim Kauf von Fahrzeugen können wir Ihnen auch ein Leasing-Angebot unterbreiten, das bietet sich insbesondere für Firmen an, die Betriebsfahrzeuge anschaffen, oder ihren Mitarbeitern ein Fahrzeug zur Verfügung stellen. Wir freuen uns auf Ihre Anfrage. Auswechseln oder reparieren?Diese Frage wird von Rollerfahrern oftmals gestellt, gleichgültig, ob sie einen Elektroroller beziehungsweise E-Roller, Dreirad-Roller oder Motorroller ihr Eigen nennen, sobald etwas am Fahrzeug defekt geworden ist. Ein zusätzlicher Gesichtspunkt ist, dass ein Ersatzelement nicht lediglich preisgünstiger ist als eine Instandsetzung, sondern danach auch eine deutlich höhere Funktionssicherheit bietet. Zumeist kann bloß eine kompetente Werkstatt den Mangel auf Anhieb feststellen. Eine gute Alternative wäre es in einem solchen Fall, eines unserer fertigen Einbau-Kits, die wir für viele diverse Modelle anbieten, zu bestellen. .Wir liefern ausnahmslos QualitätserzeugnisseDie Qualität unserer Produkte braucht keine Konkurrenz auf dem Weltmarkt zu scheuen. Weshalb sind wir trotz hoher Qualität so günstig? Das liegt nicht lediglich an unserer Preisgestaltung, sondern insbesondere daran, dass wir unsere Produkte in großen Mengen einkaufen. Wenn Ihr Zweirad einmal ein Ersatzteil braucht, wenden Sie sich voll Vertrauen an uns. Sie erhalten bei uns stets beste Qualität zu einem attraktiven Preis.Einige Rollermarken wie Sundiro und Eppella werden schon seit langem nicht mehr gefertigt. Trotzdem führen wir hierfür noch die Einbauteile.Sie bekommen bei uns ohne Frage auch die Originalteile vom jeweiligen Fahrzeughersteller. Für den Fall, dass Sie indes Geld sparen wollen [und wer möchte das nicht], sollten Sie auf unsere Nachbauten zurückgreifen, welche übrigens einen qualitativen Vergleich mit dem Erstausrüster- Produkt nicht zu scheuen brauchen, obgleich sie generell wesentlich preisgünstiger sind. Unsere Bauteile versetzen Sie in die Lage, zum einen die Instandsetzung Ihres Rollers selber ausführen oder auf der anderen Seite auch in einer Werkstatt machen zu lassen. Es gibt sicherlich keine andere Alternative, durch die Sie zu günstigen Preisen und in vorzüglicher Qualität Ihren Roller wieder flott bekommen können.Es ist denkbar leicht, mittels der Abbildungen die richtige Komponente zu bestellenIn unserem Onlineshop finden Sie zahlreiches Bildmaterial, das Sie dabei unterstützt, Ihr altes Bauteil auf einfache Weise mit dem lieferbaren Ersatz zu vergleichen. Dadurch können Falsch- oder Fehllieferungen auf Grund inkorrekter Bestellungen schon im Vorfeld verhindert werden. Von Bedeutung hierbei ist, dass Ihre Bestellung nicht nur augenscheinlich, sondern auch in den Spezifikationen und Dimensionen mit dem schadhaften Teil übereinstimmt.Ihre Vorteile:Einbauelemente und Artikel für etwa 250 Marken und 8500 Modelle auf LagerUnsere sämtlichen Produkte sind gebrauchstauglich, preiswert und betriebssicher100-prozentige Verkehrssicherheit des Rollers, besonders bei Bremsanlagen"Geld zurück" - Garantie, folglich Kauf ohne RisikoISO-zertifizierte Präzisionsfertigung nach DIN-NormWir kaufen Ihr FahrzeugSie zahlen bei Bestellung mehrerer Komponenten mit denselben Versandvoraussetzungen nur einmal den VersandWir holen und bringen Ihren MotorrollerAuch bei preiswerten Nachbauten erhalten Sie von uns stets die ErstausrüsterqualitätKurzfristige LieferzeitenAm besten kaufen Sie Roller, Fun-Fahrzeuge, Buggys und Quads bei uns als Fachhändler. Welchen Vorteil haben Sie von unserem Kundenservice? Weil wir für diesen Geschäftsbereich die Meister-Qualifikation und das entsprechende Know-how besitzen, was hierfür auf jeden Fall gebraucht wird. Als Familienbetrieb betreiben wir nicht lediglich das Geschäft rund um die Motorroller, wir leben das Geschäft förmlich.Es ist nicht in jedem Fall sinnvoll, seinen Motorroller bei irgendeinem x-beliebigen Händler zu kaufen. Infolgedessen ist es nötig, sich den ausgewählten Fachhändler vorher genau anzusehen. Alles ist in unserem Unternehmen absolut nachvollziehbar! Sie dürfen gerne zu jeder Zeit bei uns vorbeikommen und sich selbst ein Bild machen.Sie sehen dann die Bestätigung unserer Qualität auf gewisse Weise mit eigenen Augen.Potentielle Kunden, denen der Weg zu uns zu weit ist, können sich gerne mittels der diversen Ebay Bewertungen und des Trustedshops-Siegels über uns informieren. Unsere Internetseite Motorroller.de wird zum Beispiel von Trustshops als "sehr gut" bewertet. Das betrifft sowohl unseren Internet-Shop als auch unsere Geschäftspraktiken. Über diese Beurteilung sind wir mit Fug und Recht sehr Stolz. Auch bei Ebay liegen wir mit dem Prozentsatz 99,9 % hervorragend im Rennen. Zeigen diese Resultate nicht klar und deutlich, dass unsere Kundschaft bestens bei uns aufgehoben ist?Aber auch, wenn wir uns noch so bemühen - wir sind keine Roboter, sondern Menschen, die gelegentlich mal einen Fehler machen. Wir wollen Sie demzufolge bitten, uns unbedingt eine Gelegenheit zur Verbesserung zu geben, falls mal etwas schief gelaufen ist.Zu welchen Zeiten wir Ihnen zu Diensten stehen? Täglich von 8:00 bis 18:00 Uhr und samstags von 8:00 bis 13:00 Uhr.Über unsWir haben uns die Zufriedenheit unserer Kunden auf die Fahne geschrieben. Vor über fünfzig Jahren nahm die geschäftliche Tätigkeit unseres Unternehmens im Bereich Maschinenbau ihren Anfang, während sich das Fahrzeuggeschäft mittlerweile auch schon seit mehr als 25 Jahren mit Erfolg etablieren konnte. Inzwischen haben wir uns auf Einbauteile, das "Nice-to-have" zur Leistungssteigerung und Fahrzeugzubehör für die meist gefahrenen Roller spezialisiert.Wir können kurzfristig mehr als 500.000 Teile liefernWer auf der Suche nach einem günstigen Motorroller oder Ersatzteil für seinen fahrbaren Untersatz ist, der findet bei uns unter Motorroller.de bestimmt das richtige Element. Wir haben passendes Zubehör, Artikel und Einbauelemente für etwa 8500 Typen und 250 Marken auf Lager. Zu unseren Lieferanten zählen z.B. Lieferanten wie Adly, Yamaha, Kreidler oder Jonway. Wir haben Summa summarum circa 500.000 Produkte von verschiedenen Herstellern im Ersatzteil-Programm, die auf einer Lagerfläche von über 1.000 m² in unseren Hochregalen auf Lager liegen. Sie finden im Zubehörsegment alles, was Sie für Ihren Motorroller brauchen.Das beginnt bei den Nierengürteln, Regensets und Handschuhen, und geht bis hin zu den Windschildern über die Schutzhelme und das Top Case.Damit die Tuningfreaks nicht zu kurz kommen, haben wir für sie ausgesuchte Produkte wie Kolben, Zylinder, Auspuffanlagen und dergleichen Dinge im Sortiment.Was passiert nach der Produktion?Fortlaufende Qualitätskontrollen sind die Passion unseres Hauses. Das heißt, bevor ein Fahrzeug ausgeliefert bzw. vom Kunden abgeholt wird, begutachten wir es abschließend nochmals auf Herz und Nieren. Das erste Mal geschieht dies vor dem Versand, indem wir jeden Roller auspacken und auf unserem computergesteuerten Prüfstand einem Testlauf bzw. einer Übergabekontrolle unterziehen. Ein abschließender Funktionstest erfolgt dann bei der Übergabe an den Käufer. Auf diese Weise ist garantiert, dass der Motorroller sich tatsächlich in einem einwandfreien Zustand befindet und den Kunden ganz und gar zufriedenstellt.Wir legen Wert auf eine saubere UmweltWas uns sehr am Herzen liegt, ist ein effektiver Schutz unserer Umwelt. Unsere motorisierten Zweiräder verfügen zum einen allesamt über einen wirtschaftlichen Motor. Das Verpackungsmaterial, das bei der Auslieferung Roller anfällt, nehmen wir natürlich wieder mit, um es einer fachgerechten Müllentsorgung zuzuführen - auch das ist für uns ein Beitrag zu einer sauberen Umwelt.Wir kaufen Ihren MotorrollerSie haben einen neuen Motorroller bei uns erworben und wollen Ihren ausgedienten fahrbaren Untersatz an den Mann bringen? Machen Sie sich hierüber keinen Kopf! Wir nehmen Ihren gebrauchten Roller gerne in Zahlung.Sie haben immer noch Zweifel?Dann würden wir uns darüber freuen, wenn Sie uns die Möglichkeit geben, die Qualität unserer Leistungen unter Beweis zu stellen. Man darf uns nicht mit den billigen Verkaufsshops verwechseln, die wie Eintagsfliegen heute kommen und nach kurzer Zeit wieder von der Bildfläche verschwunden sind. Bloß aufgrund neuer Ideen und zeitgemäßer Innovationen lässt sich eine stabile Geschäftsgrundlage schaffen. Dementsprechend steht in unserem stetig wachsenden Unternehmen Fleiß und fortwährendes Lernen durchweg an erster Stelle. Falls für Sie mal die Möglichkeit besteht, einen Abstecher nach Lindenfels-Eulsbach machen zu können, haben Sie die Gelegenheit, sich selber in unserem Betrieb von unserem vorzüglichen Kundenservice zu überzeugen.Wo wir zu Hause sindLindenfels liegt ungefähr 60 km im Süden von Frankfurt/Main und 40 km nordöstlich von Mannheim im Odenwald (Regierungsbezirk Darmstadt). Klarerweise kann man hinsichtlich der guten Verkehrsanbindung auch sehr bequem per Bahn hinfahren.Unsere TopmarkenUnsere TopmarkenHinweise zu: Bremszug

Verkaufspreis:
Kurzfristig lieferbar
74,42 € Regulärer Preis: 85,58 €
Rabatt
PGO Zwischenzahnrad Anlasser PMX 110 Getriberad 110ccm 2Takt Motorroller.de PGO 110ccm-2Takt Scooter PMX Sport 110 Ersatzteil Service Inpektion
PGO Zwischenzahnrad Anlasser PMX 110 Getriberad 110ccm 2Takt Motorroller.de PGO 110ccm-2Takt Scooter PMX Sport 110 Ersatzteil Service Inpektion

zu Artikel: Zwischenzahnrad komplett, Anlasser E9242000000 Zwischenzahnrad komplett, AnlasserTechnik-InfoZwischenzahnradauch zu finden unter: ZwischenzahnradDieser Artikel passt bei vielen Modellen, unter anderem für:PGO Big Max 90 PGO PMX 110 PGO PMX Sport 110 Dieser Hersteller ist seit vielen Jahren erfolgreich auf dem internationalen Markt. Er hat sich durch Zuverlässigkeit seiner Produkte einen Namen gemacht.Erstausrüsterqualität sehr gute Verarbeitung Lagerware günstiger Preis da Direktimport sofort versandbereitUnsere Ersatzteile für ihren Scooter bzw. Roller oder auch Motorroller können Sie bequem online in unserem Shop kaufen. Egal ob sie Ihren Roller im Baumarkt oder im Kaufhaus gekauft haben, für alle gängigen Taiwan-, China-, oder Europa-Roller finden Sie bei uns passende Bauteile, insbesondere für die Motoren 50 cc, 125 cc, 250 ccm, 2-Takt, 4-Takt und für größere Leistungen. Speziell für die Motorentypen 1E40QMB, 1E40QMA ,150QMG ,139FMB ,157QMJ, 158MJ , GY6 ,164FML ,139QMB, 139QMA, JSD139QMB ,153FMI, 156FMI ,125-4T6M ,152QMI, 157QMI in kurzen und langen Versionen in den Normen Euro1, Euro2, Euro3 sowie die neuen Euro 4 Einspritzer-Motoren finden Sie Ersatzteile von hoher Qualität. Gerne können Sie auch per Email nach Ersatzteilen anfragen. Bei Bestellwerten über 100 Euro können Sie auch unseren Ratenkauf- bzw. Finanzierungs-Service nutzen. Beim Kauf von Fahrzeugen können wir Ihnen auch ein Leasing-Angebot unterbreiten, das bietet sich insbesondere für Firmen an, die Betriebsfahrzeuge anschaffen, oder ihren Mitarbeitern ein Fahrzeug zur Verfügung stellen. Ihre Anfrage nehmen wir gerne entgegen

Verkaufspreis:
Kurzfristig lieferbar
129,95 € Regulärer Preis: 149,44 €
Rabatt
PGO Schaltereinheit Schaltergehäuse unten Roller 50ccm 2Takt Motorroller.de Lenkerarmatur Kombischalter Kombi-Schalter Schalter-Einheit Lenker-Armatur
PGO Schaltereinheit Schaltergehäuse unten Roller 50ccm 2Takt Motorroller.de Lenkerarmatur Kombischalter Kombi-Schalter Schalter-Einheit Lenker-Armatur

zu Artikel: Schaltergehäuse unten 2 komplett P154F410000 Schaltergehäuse unten 2 komplettTechnik-InfoSchaltergehäuseSchalterelemente, Schalter-Einheit, Lenker-Armatur, Schalter-Elemente, Kombi-Schalter, Schaltergehäuse, Schaltergehaeuse, Schaltergehäuse rechts, Kombischalter, Lenkerarmatur, SchaltereinheitSchalter beim Motorroller sind die Steuerelemente für Licht, Blinker, Hupe, etc. Auch hier ist darauf zu achten, dass beim Ersatz die entsprechende Qualität gekauft wird. Wir liefern sämtliche Schalt- und Elektroelemente in Erstausrüster-Qualität.Dieser Artikel passt bei vielen Modellen, unter anderem für: PGO PMS 50, PGO Ligero RS 125, PGO Ligero 125, PGO PMX 110, PGO PMX 50, PGO Roadshow 50, PGO PMX 90Dieser Hersteller ist seit vielen Jahren erfolgreich auf dem internationalen Markt. Er hat sich durch Zuverlässigkeit seiner Produkte einen Namen gemacht.Geprüfte Erstausrüsterqualität beste Verarbeitung Lagerware günstiger Preis Direktimport sofort versandbereit Kauf vom GroßvertreiberUnsere Ersatzteile für ihren Roller bzw. Scooter oder auch Motorroller können Sie bequem online in unserem Shop kaufen. Egal ob sie Ihren Roller im Kaufhaus oder im Baumarkt gekauft haben, für alle gängigen China-, Europa-, oder Taiwan-Roller finden Sie bei uns passende Bauteile, insbesondere für die Motoren 50 cc, 125 cc, 250 ccm, 2-Takt, 4-Takt und für größere Leistungen. Speziell für die Motorentypen 152QMI, 157QMI ,139FMB ,157QMJ, 158MJ , GY6 ,1E40QMB, 1E40QMA ,164FML ,153FMI, 156FMI ,125-4T6M ,139QMB, 139QMA, JSD139QMB ,150QMG in kurzen und langen Versionen in den Normen Euro1, Euro2, Euro3 sowie die neuen Euro 4 Einspritzer-Motoren finden Sie Ersatzteile von hoher Qualität. Gerne können Sie auch per Email nach Ersatzteilen anfragen. Bei Bestellwerten über 100 Euro können Sie auch unseren Finanzierungs- bzw. Ratenkauf-Service nutzen. Beim Kauf von Fahrzeugen können wir Ihnen auch ein Leasing-Angebot unterbreiten, das bietet sich insbesondere für Firmen an, die Betriebsfahrzeuge anschaffen, oder ihren Mitarbeitern ein Fahrzeug zur Verfügung stellen. Bitte fragen Sie an.

Verkaufspreis:
Verfügbar
58,95 € Regulärer Preis: 67,79 €
Rabatt
SMC Quad 170 Ventilfederkeil ATV 170ccm 4Takt 14781-GAT-00 Motorroller.de Rex RS460 BOSTON 8 UTV Ersatzteil Service Inpektion Direktimport
SMC Quad 170 Ventilfederkeil ATV 170ccm 4Takt 14781-GAT-00 Motorroller.de Rex RS460 BOSTON 8 UTV Ersatzteil Service Inpektion Direktimport

zu Artikel: Ventilfederkeil 14781-GAT-00 VentilfederkeilTechnik-InfoVentilfederkeilVentilfederkeil Seit vielen Jahren arbeiten wir mit diesem Hersteller erfolgreich und zuverlässig zusammen. Die Teile haben sich in der Praxis stets bewährt.Erstausrüsterqualität beste Verarbeitung Lagerware günstiger Preis Direktimport sofort versandbereit Kauf vom GroßvertreiberUnsere Ersatzteile für ihren Roller bzw. Motorroller oder auch Scooter können Sie bequem online in unserem Shop kaufen. Egal ob sie Ihren Roller im Kaufhaus oder im Baumarkt gekauft haben, für alle gängigen Europa-, China-, oder Taiwan-Roller finden Sie bei uns passende Bauteile, insbesondere für die Motoren 50 cc, 125 cc, 250 ccm, 2takt, 4takt und für größere Leistungen. Speziell für die Motorentypen 139QMB, 139QMA, 1E40QMB, 152QMI, 157QMI, GY6, 125-4T6M, 139FMB, 153FMI, 156FMI, 157QMJ, 158MJ, 164FML, 1E40QMA, JSD139QMB, 150QMG in kurzen und langen Versionen in den Normen Euro1, Euro2, Euro3 sowie die neuen Euro 4 Einspritzer-Motoren finden Sie qualitativ hochwertige Ersatzteile. Gerne können Sie auch per Email nach Ersatzteilen anfragen. Bei Bestellwerten über 100 Euro können Sie auch unseren Finanzierungs- bzw. Ratenkauf-Service nutzen. Beim Kauf von Fahrzeugen können wir Ihnen auch ein Leasing-Angebot unterbreiten, das bietet sich insbesondere für Firmen an, die Betriebsfahrzeuge anschaffen, oder ihren Mitarbeitern ein Fahrzeug zur Verfügung stellen. Bitte fragen Sie an.

Verkaufspreis:
Verfügbar
2,99 € Regulärer Preis: 3,44 €
Rabatt
Kreidler STAR Deluxe 4S 200 Bremsnockenwelle 200ccm 4Takt SF213-0103 Motorroller.de Bremse Bolzen 200ccm-4Takt Scooter LML Ersatzteil Service
Kreidler STAR Deluxe 4S 200 Bremsnockenwelle 200ccm 4Takt SF213-0103 Motorroller.de Bremse Bolzen 200ccm-4Takt Scooter LML Ersatzteil Service

zu Artikel: Bremsnockenwelle SF213-0103 Technik-Info Bremsnockenwelle Welle Bremsnocke, Bremsnockenwelle, Nockenwelle Bremse, Bolzen Bremsnocke Wenn der Bremshebel nur zögerlich in seine Ausgangsstellung zurück geht , ist meist die Bremsnocke korrodiert. Ein Austausch wirkt der Bremsnocke behebt dann das Problem. Die Ersatzteile dieses Herstellers haben sich seit Jahren im täglichen Einsatz bewährt. Durch beständigen Erfahrungsaustausch wird die Qualität auf ein Maximum angehoben. Kostenloser Versand   Bei Ersatzteilen für jeden zusätzlichen Artikel mit den gleichen Versandkriterien, den Sie von uns kaufen. Unsere Ersatzteile für ihren Motorroller bzw. Roller oder auch Scooter können Sie bequem online in unserem Shop kaufen. Egal ob sie Ihren Roller im Baumarkt oder im Kaufhaus gekauft haben, für alle gängigen China-, Taiwan-, oder Europa-Roller finden Sie bei uns passende Bauteile, insbesondere für die Motoren 50 cc, 125 cc, 250 ccm, 2takt, 4takt und für größere Leistungen. Speziell für die Motorentypen 157QMJ, 158MJ ,1E40QMB, 1E40QMA ,164FML ,152QMI, 157QMI ,125-4T6M ,139QMB, 139QMA, JSD139QMB , GY6 ,139FMB ,150QMG ,153FMI, 156FMI in kurzen und langen Versionen in den Normen Euro1, Euro2, Euro3 sowie die neuen Euro 4 Einspritzer-Motoren finden Sie Ersatzteile von erstklassiger Qualität. Gerne können Sie auch per Email nach Ersatzteilen anfragen. Bei Bestellwerten über 100 Euro können Sie auch unseren Ratenkauf- bzw. Finanzierungs-Service nutzen. Beim Kauf von Fahrzeugen können wir Ihnen auch ein Leasing-Angebot unterbreiten, das bietet sich insbesondere für Firmen an, die Betriebsfahrzeuge anschaffen, oder ihren Mitarbeitern ein Fahrzeug zur Verfügung stellen. Bitte fragen Sie an.

Verkaufspreis:
Nicht verfügbar
8,50 € Regulärer Preis: 9,78 €