Zum Hauptinhalt springen Zur Suche springen Zur Hauptnavigation springen
Menü
efr
erf
rrrf
Schnell lieferbar
14 Tage Rückgaberecht
Schneller DPD Versand

zu Artikel: Bremsleitung

Bremsschlauch

Bremsleitung

Technik-Info

Bremsleitung

Kunststoffleitung, Bremsleitung, Hydraulikleitung, Bremsschlauch, Hydraulikschlauch, Hochdruckleitung, Druckleitung, Brems-Schlauch, Brems-Leitung, Hydraulik-Leitung, Hydraulik-Schlauch, Hochdruck-Leitung, Druck-Leitung,

Für hydraulisch angesteuerte Bremsen ist der Bremsschlauch nötig. Auch wenn dieser keinem unmittelbaren Verschleiß unterliegt, sollte er nach einer gewissen Zeit gewechselt werden, da sie aus elastischen Material sind, das mit zunehmendem Alter der Sprödigkeit unterworfen sind. Die meisten Zweiradhersteller empfehlen Zeiträume von ca. 4-5 Jahren. Wer Wert auf exakt ansteuerbare Bremsen legt, sollte sich zu -Bremsschläuchen entscheiden. Diese dehnen sich unter Druck nicht aus, selbst bei Sportlichen Fahrweise und hohen Temperaturen.

Dieser Artikel passt bei vielen Modellen, unter anderem für:

Bitte vergleichen Sie mit ihren Fahrzeugpapieren, Kreidler Mustang 200, Kreidler Mustang 250, Kreidler Mustang 170

Die Marke Rex ist eine der meistverkauften in Deutschland. Durch ständige Qualitätskontrollen vorort beim Hersteller ist ein hoher Standard gewährleistet.

Geprüfte beste Erstausrüsterqualität beste Verarbeitung Best. Ware günstiger Preis da Direktimport Kauf 100% ohne Risiko vom Topseller

Unsere Ersatzteile für ihren Roller bzw. Scooter oder auch Motorroller können Sie bequem online in unserem Shop kaufen. Egal ob sie Ihren Roller im Baumarkt oder im Kaufhaus gekauft haben, für alle gängigen China-, Europa-, oder Taiwan-Roller finden Sie bei uns passende Bauteile, insbesondere für die Motoren 50 cc, 125 cc, 250 ccm, 2takt, 4takt und für größere Leistungen. Speziell für die Motorentypen 164FML ,139FMB ,152QMI, 157QMI ,150QMG ,1E40QMB, 1E40QMA ,157QMJ, 158MJ , GY6 ,125-4T6M ,139QMB, 139QMA, JSD139QMB ,153FMI, 156FMI in kurzen und langen Versionen in den Normen Euro1, Euro2, Euro3 sowie die neuen Euro 4 Einspritzer-Motoren finden Sie Ersatzteile von bewährter Qualität. Gerne können Sie auch per Email nach Ersatzteilen anfragen. Bei Bestellwerten über 100 Euro können Sie auch unseren Finanzierungs- bzw. Ratenkauf-Service nutzen. Beim Kauf von Fahrzeugen können wir Ihnen auch ein Leasing-Angebot unterbreiten, das bietet sich insbesondere für Firmen an, die Betriebsfahrzeuge anschaffen, oder ihren Mitarbeitern ein Fahrzeug zur Verfügung stellen. Bitte fragen Sie an.

instand setzen oder auswechseln?

Diese Frage stellen sich Fahrer von Rollern immer dann, wenn an ihrem Zweirad etwas defekt geworden ist, ganz gleich, ob sich um einen 3-Rad Roller, Elektroroller bzw. E-Roller oder Motorroller handelt. Ein Ersatzbauteil, welches vergleichsweise rasch getauscht werden kann, ist nicht nur günstiger, sondern bietet unter anderem eine erheblich größere Funktionssicherheit als bei einer Reparatur des Motorrollers. Ein versteckter Schaden lässt sich oft nur von einem Fachmann mittels Spezialwerkszeugen eruieren. Anderenfalls haben Sie auch die Option, sich für eines der fertigen Kits zu entscheiden, die wir in zahlreichen diversen Ausführungen im Angebot haben. .

Elemente von bester Qualität

Mit Recht sind wir stolz darauf, dass die Qualität all unserer Produkte Weltmarktniveau hat. Unsere Komponenten sind aus dem Grund so attraktiv, weil wir schon im Einkauf auf entsprechend große Produktmengen wert legen. Sämtliche lieferbaren Bauteile für Ihr Zweirad kriegen Sie bei uns sowohl in guter Qualität als auch für einen Preis, der keine Wünsche offen lässt.

Wir führen sogar für die meisten Motorroller, Buggys und Quads die Einbauteile, die gar nicht mehr produziert werden. Zum Beispiel haben wir alle Zubehörteile für die Marken Sundiro und Eppella nach wie vor verfügbar.

Natürlich liefern wir auch die Originalteile für Ihren Motorroller, wenngleich unsere Nachbauten einen qualitativen Vergleich mit dem Erstausrüster-Produkt nicht scheuen müssen, jedoch generell viel kostengünstiger sind. Mit unseren Bauteilen können Sie die Reparatur an Ihrem Roller selbst bewerkstelligen beziehungsweise auch von einem Fachmann durchführen lassen. Sie werden zweifellos keine andere Alternative finden, um zu attraktiven Kosten Ihren Roller instand setzen zu können.

Abbildungen erleichtern die Bestellung der benötigten Komponenten

In unserem Onlineshop finden Sie zahlreiches Bildmaterial, welches Ihnen eine wertvolle Hilfe ist, Ihr defektes Bauteil ganz leicht mit dem erhältlichen Ersatz zu vergleichen. Auf diese Weise können Fehllieferungen hinsichtlich fehlerhafter Bestellungen schon im Vorhinein ausgeschlossen werden. Dabei reicht nicht nur eine augenscheinliche Übereinstimmung. Es müssen obendrein sowohl die deklarierten Spezifikationen als auch die Abmessungen übereinstimmen.

Ihre Vorteile:

Sie bekommen von uns ausnahmslos die Erstausrüster-Qualität - auch bei günstigen NachbautenKurze LieferzeitenWir holen und bringen Ihren RollerPräzisionsfertigung nach DIN-NormMit unserer "Geld zurück" - Garantie kaufen Sie ohne RisikoEinbauelemente und Artikel für circa 250 Marken und 8500 Typen auf LagerSie zahlen bei Bestellung mehrerer Komponenten mit denselben Versandbedingungen nur einmal den VersandRoller-AnkaufAlle unsere Erzeugnisse sind zuverlässig, preisgünstig sowie betriebssicherhundertprozentige Fahrsicherheit des Motorrollers, besonders bei Bremsanlagen

Wir sind die erste Adresse, falls es um den Erwerb von einem Roller, Straßenbuggy, Fun Fahrzeug oder Quad geht. Was für einen Nutzen haben Sie von unserem Service? Weil wir uns dank unserer Jahrzehnte langen Erfahrung das entsprechende Know-how für dieses Geschäftsfeld angeeignet haben, können wir Ihnen einen optimalen Kundenservice bieten. Wir als familiär geführter Betrieb leben das Geschäft rund um die Motorroller buchstäblich.

Es ist nötig, sich das Fachgeschäft infolgedessen zuvor genau anzugucken, bevor man sich für einen Kauf entscheidet. Bei uns ist alles in Verbindung mit unserem Unternehmen transparent! Kommen Sie doch einfach mal bei uns vorbei und machen Sie sich selbst ein Bild von uns.Das was Sie dort sehen, wird Sie mit Sicherheit überzeugen.

Möglicherweise ist Ihnen der Weg zu uns zu weit. Dann haben Sie auch die Option, mittels des Trustedshops-Siegels und die unterschiedlichen Ebay Bewertungen Erkundigungen über uns einzuholen. Unsere Website Motorroller.de wird beispielsweise von Trustshops als "sehr gut" beurteilt. Das betrifft sowohl unseren Onlineshop als auch unsere Geschäftspraxis. Über diese Bewertung sind wir nicht ganz zu Unrecht sehr Stolz. Auch bei Ebay liegen wir mit dem Prozentsatz 99,9 % optimal im Rennen. Diese Ergebnisse demonstrieren eines ganz deutlich: Wir geben auf allen Gebieten immer unser Bestes!

Denken Sie aber bitte daran: Wir sind auch nur Menschen, die gelegentlich Fehler machen. Deshalb bitten wir Sie, wenn mal etwas nicht zu Ihrer Zufriedenheit verlaufen ist, uns auf jeden Fall die Gelegenheit zur Verbesserung zu geben.

Unser Expertenteam steht Ihnen täglich zwischen 8:00 und 18:00 Uhr sowie samstags von 8:00 bis 13:00 Uhr zur Verfügung.

Wer wir sind

Es liegt uns sehr viel an der Zufriedenheit unserer Kunden. Mehr als 25 Jahre sind wir äußerst erfolgreich mit dem Handel von Fahrzeugen aktiv, wobei wir uns hingegen schon vor über 5 Jahrzehnten auf dem Gebiet des Maschinenbaus Erfolg versprechend etabliert haben. Inzwischen haben wir uns außer dem Verkauf von Motorrollern, auf das "Nice-to-have" für Motortuning, Zubehör und Einbauteile fokussiert.

Wir können zeitnah etwa 500.000 Teile liefern

Wenn Sie zu Ihrem motorisierten Zweirad ein Ersatzteil suchen, werden Sie auf unserer Website unter Motorroller.de bestimmt das geeignete Element finden. In unserem Warenlager warten Artikel, Einbauelemente und passendes Zubehör für etwa 250 Marken und 8500 Typen auf Ihre Bestellung. Kreidler, Jonway, Adly Yamaha oder gehören zum Beispiel zu unseren Herstellern, mit denen wir schon jahrelang zusammenarbeiten. Summa summarum haben wir auf einer Lagerfläche von über 1.000 Quadratmeter circa 500.000 Produkte von unterschiedlichen Anbietern in unseren Hochregalen lieferbar. Im Zubehörlager finden Sie alles, was man als Rollerfahrer braucht.

Das beginnt bei den Schutzhelmen über die Windschilder und dem Top Case, und geht bis hin zu Handschuhen, Nierengürteln und Regensets.Selbst Tuningfans kommen bei uns nicht zu kurz. Sie finden in unserem Tuningbereich alles was das Herz begehrt, wie beispielsweise Zylinder, Kolben, Auspuffanlagen und dergleichen Dinge.

Was passiert nach erfolgter Produktion?

Keine Lieferung verlässt unser Unternehmen, bevor sie nicht auf tadellose Qualität kontrolliert worden ist. Das heißt, bevor wir einen Motorroller in die Hände des Kunden übergeben, wird er von uns nochmals auf tadellose Funktion und Mängelfreiheit überprüft. Wir packen zuerst jedes Fahrzeug nach der Ankunft in unserem Haus aus und unterziehen es auf unserem Zweirad-Prüfstand einem Probelauf. Sofort nach der Lieferung zum Käufer wird dann der Roller schließlich erneut auf tadellose Funktion überprüft, sodass de facto gewährleistet ist, dass der Kunde ein 100-prozentig korrektes Gefährt bekommt.

Umweltschutz

Wir sind besonders um den Umweltschutz bemüht. Zur Bewahrung der Luftreinheit besitzen unsere motorisierten Zweiräder durchweg Motoren, die besonders effizient sind. Bei der Anlieferung unserer Fahrzeuge fällt ohne Ausnahme Verpackungsmaterial an. Dieses nehmen wir klarerweise wieder mit und führen es einer fachgemäßen Entsorgung zu.

Wir kaufen Ihren Roller

Nach dem Kauf eines neuen Rollers aus unserem Sortiment möchten Sie sich von Ihrem alten Modell trennen? Zerbrechen Sie sich darüber nicht den Kopf! Lassen Sie uns das übernehmen, indem wir Ihren ausgedienten Motorroller ankaufen.

Wir konnten noch nicht Ihre Skepsis beseitigen?

Dann geben Sie uns doch die Gelegenheit, Sie von unseren Leistungen zu begeistern. Wir zählen nicht zu den billigen Onlineshops, welche heute ihre Ware anbieten und morgen schon wieder verschwunden sind. Die gut fundierte Ausgangsbasis für einen erfolgreichen Betrieb besteht darin, dass lediglich zufolge fortschrittlicher Innovationen und neuer Ideen ein nachhaltiges Wachstum gewährleistet werden kann. Infolgedessen stehen Fleiß und fortwährendes Lernen in unserem stetig wachsenden Unternehmen fortwährend in der Rangordnung ganz oben. Sie können sich selber von unserem außergewöhnlichen Service überzeugen, wenn Sie uns an unserem Unternehmensstandort in Lindenfels-Eulsbach besuchen.

Wo unser Unternehmen zu Hause ist

Lindenfels liegt im Regierungsbezirk Darmstadt, und zwar 40 km nordöstlich von Mannheim respektive ungefähr 60 km im Süden von Frankfurt am Main. Am besten fahren Sie von Norden her über die A6, während Sie aus südlicher Richtung die A8 nehmen. Eine Anfahrt per Bahn ist logischerweise ebenso möglich.

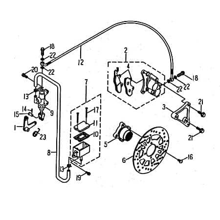
Baugruppe: Rahmen

Artikelposition in Explosionszeichnung: 12

Ersatzteil: Bremsschlauch

Motorroller bequem online kaufen – von der Bestellung bis zur Lieferung


Mobiler Home Service – Bundesweit Inspektionen und Reparaturen


Motorroller.de – Über uns – Ihr Support vom Profi seit 1993

Ihr Finanzierungsplan**
Monate Rate mtl. Gesamt
6039,67 €2.380,49 €
12157,59 €1.891,14 €

Einfach im Bestellvorgang die Expokredit-Finanzierung als Zahlungsweise auswählen ...

  • Barossa Cheetah 250
  • Kreidler Mustang 170
  • Kreidler Mustang 200
  • Kreidler Mustang 250
  • Rex Quad 150
  • Rex Quad 150ccm (1-Zyl.)
  • Rex Quad 250
  • Rex Quad 250ccm (2-Zyl.)
  • SMC STM Quad 150
  • SMC STM Quad 170
  • SMC STM Quad 200
  • STM SMC Quad 250
Produktgalerie überspringen

Kunden haben sich ebenfalls angesehen

Rabatt Nicht mehr verfügbar
SMC Chopper 125 Kupplungsgrundplatte 50ccm 2Takt 25661-CHP-00 Motorroller.de Scooter SMC Cruiser 125 SMC Quad 150

Durchschnittliche Bewertung von 0 von 5 Sternen

SMC Chopper 125 Kupplungsgrundplatte 50ccm 2Takt 25661-CHP-00 Motorroller.de Scooter SMC Cruiser 125 SMC Quad 150

zu Artikel: Kupplungsgrundplatte 25661-CHP-00 Kupplungsgrundplatte Technik-Info Kupplungsgrundplatte Kupplungsgehaeuse, Kupplungsglocke, Kupplungstrommel, Kupplungsgehäuse, Glocke, Polrad, Kupplungs-Gehäuse, Kupplungs-Gehaeuse, Kupplungs-Trommel, Kupplungs-Glocke, Kupplungsgrundplatte Dieser Artikel passt bei vielen Modellen, unter anderem für: bundesweiter Home-Service, Bitte vergleichen Sie mit ihren Fahrzeugpapieren, motorroller.de ihr Roller-Experte, Aprilia Dorsoduro 1200, gerne können Sie uns eine Email-Anfrage senden, Access Crap Geprüfte beste Erstausrüsterqualität sehr gute Verarbeitung Lagerware günstiger Preis Direktimport sofort versandbereit Unsere Ersatzteile für ihren Scooter bzw. Motorroller oder auch Roller können Sie bequem online in unserem Shop kaufen. Egal ob sie Ihren Roller im Kaufhaus oder im Baumarkt gekauft haben, für alle gängigen Taiwan-, China-, oder Europa-Roller finden Sie bei uns passende Bauteile, insbesondere für die Motoren 50 cc, 125 cc, 250 ccm, 4takt, 2takt und für größere Leistungen. Speziell für die Motorentypen 139FMB ,157QMJ, 158MJ ,164FML ,139QMB, 139QMA, JSD139QMB ,150QMG ,1E40QMB, 1E40QMA , GY6 ,152QMI, 157QMI ,125-4T6M ,153FMI, 156FMI in kurzen und langen Versionen in den Normen Euro1, Euro2, Euro3 sowie die neuen Euro 4 Einspritzer-Motoren finden Sie Ersatzteile von erstklassiger Qualität. Gerne können Sie auch per Email nach Ersatzteilen anfragen. Bei Bestellwerten über 100 Euro können Sie auch unseren Ratenkauf- bzw. Finanzierungs-Service nutzen. Beim Kauf von Fahrzeugen können wir Ihnen auch ein Leasing-Angebot unterbreiten, das bietet sich insbesondere für Firmen an, die Betriebsfahrzeuge anschaffen, oder ihren Mitarbeitern ein Fahrzeug zur Verfügung stellen. Wir freuen uns auf Ihre Anfrage. Hinweise zu: Kupplungsglocke

Verkaufspreis:
Nicht verfügbar
23,90 € Regulärer Preis: 27,49 €
Rabatt Nicht mehr verfügbar
SMC Vorderrad Vorderradfelge Vorderfelge vorne 42500-ROA-00 Motorroller.de Vorderrad-Felge Vorder-Felge Vorder-Rad Ersatzteil Service Inpektion

Durchschnittliche Bewertung von 0 von 5 Sternen

SMC Vorderrad Vorderradfelge Vorderfelge vorne 42500-ROA-00 Motorroller.de Vorderrad-Felge Vorder-Felge Vorder-Rad Ersatzteil Service Inpektion

zu Artikel: Vorderrad komplett Rad 42500-ROA-00 Vorderrad komplett 18x1.6 3.00/18 47P verchromt Stahl ScheibenbremseTechnik-InfoVorderradFelge vorne, Vorderrad, Vorderfelge, Vorderrad-Felge, Vorderradfelge, Vorder-Felge, Vorder-Rad, Felge, Felge vorn, Rad, Rad vorne Geprüfte beste Erstausrüsterqualität sehr gute Verarbeitung Lagerware günstiger Preis da Direktimport sofort versandbereit Sie können unsere Ersatzteile für ihren Roller bzw. Motorroller oder auch Scooter bequem online in unserem Shop kaufen. Egal ob Kaufhaus-Roller oder im Baumarkt-Roller, für alle gängigen Europa-, China-, oder Taiwan-Roller finden Sie bei uns passende Bauteile. Speziell für die Motoren 50 cc, 125 cc, 250 ccm, 2takt, 4takt und für größere Leistungen. Speziell für die Motorentypen 139QMB, 139QMA, 1E40QMB, 152QMI, 157QMI, GY6, 125-4T6M, 139FMB, 153FMI, 156FMI, 157QMJ, 158MJ, 164FML, 1E40QMA, JSD139QMB, 150QMG in kurzen und langen Versionen in den Normen Euro1, Euro2, Euro3 sowie die neuen Euro 4 Einspritzer-Motoren finden Sie qualitativ hochwertige Ersatzteile. Gerne können Sie auch per Email nach Ersatzteilen anfragen. Ab Bestellwerten über 100 Euro bieten wir Ihnen unseren Finanzierungs- bzw. Ratenkauf-Service an. Beim Kauf von Fahrzeugen besteht die Möglichkeit der Finanzierung oder des Leasings. Speziell für Firmen, die Betriebsfahrzeuge anschaffen, oder ihren Mitarbeitern ein Fahrzeug zur Verfügung stellen, ist die eine interessante Alternative.

Verkaufspreis:
Nicht verfügbar
198,60 € Regulärer Preis: 228,39 €
Nicht mehr verfügbar
PGO X-RIDER 110 Lenkerverkleidung 110ccm 2Takt X0613001690 Motorroller.de Frontverkleidung Frontschürze Frontmaske Lenkerabdeckung Front-Cover Quad

Durchschnittliche Bewertung von 0 von 5 Sternen

PGO X-RIDER 110 Lenkerverkleidung 110ccm 2Takt X0613001690 Motorroller.de Frontverkleidung Frontschürze Frontmaske Lenkerabdeckung Front-Cover Quad

zu Artikel: Lenkerverkleidung BENZ schwarz (69)LenkerverkleidungLenkerverkleidung BENZ schwarz (69)Technik-InfoDer Artikel: LenkerverkleidungLenkerverkleidung, Frontschuerze, Frontteil, Frontabdeckung, Front-Verkleidung, Front-Cover, Front-Schürze, Front-Schuerze, Lenkerabdeckung, Lenker-Abdeckung, Lenker-Verkleidung, Tacho-Verkleidung, Tachoverkleidung, Tachometer-Verkleidung, Tachometerverkleidung, Verkleidungdeckel Lenkerverkleidung klein links grau lackiert Verkleidung, Abdeckung, Deckel, Cover, Frontschürze, Frontverkleidung, Frontcover, Frontmaske Verkleidungsteile für bestimmte (seltene) Modelle sind oft schwer zu bekommen. Darum haben wir bei unseren eigenen Modellen Wert auf zeitlos elegantes Design gelegt, sodass wir auch für ältere Modelle unserer Eigenmarken stetes Ersatz liefern können. Unsere Verkleidungsteile sind aus hochwertigem langlebigen Kunststoff hergestelltDieser Hersteller ist seit vielen Jahren erfolgreich auf dem internationalen Markt. Er hat sich durch Zuverlässigkeit seiner Produkte einen Namen gemacht.Kostenloser Versand   Bei Ersatzteilen für jeden zusätzlichen Artikel mit den gleichen Versandkriterien, den Sie von uns kaufen.Unsere Ersatzteile für ihren Roller bzw. Motorroller oder auch Scooter können Sie bequem online in unserem Shop kaufen. Egal ob sie Ihren Roller im Kaufhaus oder im Baumarkt gekauft haben, für alle gängigen China-, Europa-, oder Taiwan-Roller finden Sie bei uns passende Bauteile, insbesondere für die Motoren 50 cc, 125 cc, 250 ccm, 2-Takt, 4-Takt und für größere Leistungen. Speziell für die Motorentypen 150QMG ,153FMI, 156FMI ,157QMJ, 158MJ ,125-4T6M ,152QMI, 157QMI ,164FML ,139FMB ,139QMB, 139QMA, JSD139QMB , GY6 ,1E40QMB, 1E40QMA in kurzen und langen Versionen in den Normen Euro1, Euro2, Euro3 sowie die neuen Euro 4 Einspritzer-Motoren finden Sie Ersatzteile von hoher Qualität. Gerne können Sie auch per Email nach Ersatzteilen anfragen. Bei Bestellwerten über 100 Euro können Sie auch unseren Ratenkauf- bzw. Finanzierungs-Service nutzen. Beim Kauf von Fahrzeugen können wir Ihnen auch ein Leasing-Angebot unterbreiten, das bietet sich insbesondere für Firmen an, die Betriebsfahrzeuge anschaffen, oder ihren Mitarbeitern ein Fahrzeug zur Verfügung stellen. Ihre Anfrage nehmen wir gerne entgegen Reparieren oder tauschen?Diese Frage stellt sich immer dann, wenn etwas am Roller defekt geworden ist, gleichgültig, ob sich um einen Motorroller, 3-Rad Roller oder Elektroroller respektive E-Roller dreht. Außerdem bietet ein Ersatzteil eine bedeutend höhere Funktionssicherheit als eine Reparatur des Zweirads. Bisweilen kann lediglich eine kompetente Fachwerkstatt den Mangel auf Anhieb orten. Bestellen Sie doch am besten sofort eines unserer fertigen Kits, die wir für zahlreiche unterschiedliche Bauteile anbieten. .Bei uns stimmen Qualität und PreisMit Recht sind wir darauf stolz, dass die Qualität all unserer Bauteile keinen Vergleich auf dem Weltmarkt zu scheuen braucht. Wie kommt es, dass wir so günstig sein können? Die Antwort: Weil wir auf wirtschaftlich sinnvolle Einkaufsmengen der Ersatzteile achten. Sofern Ihr Zweirad einmal ein neues Bauteil benötigt, wenden Sie sich vertrauensvoll an uns. Sie erhalten bei uns ausnahmslos beste Qualität zu einem attraktiven Preis.Einige Rollermarken wie Eppella und Sundiro werden schon lange nicht mehr gefertigt. Trotzdem führen wir dafür noch die Zubehörteile.Sie erhalten bei uns natürlich auch die Originalteile vom jeweiligen Fahrzeughersteller. Wenn Sie indes Geld sparen wollen [und wer möchte das nicht], sollten Sie auf unsere Nachbauten zurückgreifen, welche übrigens einen qualitativen Vergleich mit dem Erstausrüster- Produkt nicht zu scheuen brauchen, wenngleich sie prinzipiell wesentlich preisgünstiger sind. Ganz egal, ob Sie die Reparatur an Ihrem Roller selber ausführen wollen oder besser in einer Fachwerkstatt durchführen lassen möchten, ohne Zweifel liegen Sie mit unseren Teilen genau richtig. Es gibt zweifellos keine andere Alternative, durch die Sie zu günstigen Preisen und in hervorragender Qualität Ihren Roller instand setzen können.Es ist denkbar simpel, mit Hilfe der Produktbilder das richtige Ersatzteil zu ordernIn Verbindung mit den Beschreibungen finden Sie in unserem Onlineshop auch entsprechendes Bildmaterial. So können Sie auf schnellstem Weg Ihr altes Element mit dem lieferbaren Ersatz vergleichen und gehen somit sicher, dass Sie nachher auch in der Tat das dringend benötigte Produkt erhalten. Entscheidend ist hierbei, dass Ihre Bestellung nicht nur augenscheinlich, sondern auch in den Spezifikationen und Abmessungen mit dem defekten Austauschteil zusammenpasst.Was Sie davon haben:Alle unsere Erzeugnisse sind kostengünstig, gebrauchstauglich sowie ausfallsicher100-prozentige Fahrsicherheit des Rollers, besonders bei BremsanlagenRoller-AnkaufKurzfristige LieferzeitenEinbauteile und Zubehör für circa 250 Marken und 8500 Typen auf Lager"Geld zurück" - Garantie, folglich Kauf ohne RisikoSie erhalten von uns ausschließlich die Erstausrüster-Qualität - auch bei kostengünstigen NachbautenISO-zertifizierte Präzisionsfertigung nach DIN-NormWir holen und bringen Ihren MotorrollerSie bezahlen nur einmal den Versand bei Bestellung mehrerer Teile mit denselben VersandbedingungenMotorroller, Quads, Fun Fahrzeuge und Buggys kauft man vorzugsweise bei uns als Fachhändler. Welchen Nutzen haben Sie von unserem Service? Weil wir uns in diesem Geschäftsbereich schon seit Jahrzehnten etabliert haben und Sie in Folge dessen von unserem Erfahrungsschatz profitieren können. Für unser familiär geführtes Unternehmen ist das Geschäft rund um die Motorroller der vollständige Lebensinhalt.Weil Kaufen Vertrauenssache ist, sollte man sich folglich das ausgesuchte Fachgeschäft vorher genau ansehen, bei dem man vorhat ein Zweirad zu kaufen. Alles ist bei uns transparent und für die Kundschaft einleuchtend! Sie dürfen gerne zu jeder Zeit bei uns vorbeikommen und sich persönlich ein Bild machen.Das was Sie dort sehen, wird Sie ohne Zweifel überzeugen.Ist Ihnen der Weg zu uns zu weit? Dann informieren Sie sich doch mittels des Trustedshops-Siegels und die unterschiedlichen Ebay Bewertungen. Z.B. wird sowohl unsere Geschäftspraxis als auch unser Shop mit dem Trustedshops Gütesiegel "sehr gut" bewertet, was uns mit Fug und Recht mit Stolz erfüllt. Unsere Käuferbewertungen bei Ebay liegen mit einem Wert von ca. 99,9 % ebenfalls auf einem überdurchschnittlichen Niveau. Diese Ergebnisse bestätigen eines ganz deutlich: Wir geben in allen Belangen stets unser Bestes!Aber auch, wenn wir uns noch so bemühen - wir sind keine Roboter, sondern Menschen, die unter Umständen mal etwas falsch machen. Wir möchten Sie von daher bitten, uns auf alle Fälle eine Möglichkeit zur Verbesserung zu geben, falls mal etwas nicht völlig zu Ihrer Zufriedenheit geklappt hat.Zu welchen Zeiten wir Ihnen zu Diensten stehen? Jeden Tag von 8:00 bis 18:00 Uhr und samstags von 8:00 bis 13:00 Uhr.Wir möchten uns vorstellenBei uns ist der Kunde wirklich noch König. Das Geschäft mit Fahrzeugen betreiben wir mit Erfolg bereits seit über 25 Jahren, möchten hierbei hingegen nicht unerwähnt lassen, dass wir schon mehr als 50 Jahre auf eine Erfolgsgeschichte auf dem Gebiet des Maschinenbaus zurückblicken können. Inzwischen haben wir uns neben der Vermarktung von Motorrollern, auf Ersatzkomponenten, Fahrzeugzubehör und das "Must have" zur Steigerung der Motorleistung festgelegt.Wir können zeitnah ca. 500.000 Teile liefernWer auf der Suche nach einem günstigen Fahrzeug oder Ersatzteil für seinen fahrbaren Untersatz ist, der findet bei uns unter Motorroller.de bestimmt das geeignete Element. Es gibt momentan Einbauelemente, Artikel und passendes Zubehör für circa 250 Marken und 8500 Typen in unserem Lager, die nur auf Ihre Bestellung warten. Darunter befinden sich beispielsweise so namhafte Lieferanten wie Yamaha, Kreidler, Jonway oder Adly. Es sind rund 500.000 Produkte von diversen diverser Anbieter, die wir in unseren Hochregalen auf einer Lagerfläche von über 1.000 m² im Sortiment haben. Im Zubehörbereich finden Sie alles, was Sie als Rollerfahrer für Ihren fahrbaren Untersatz benötigen.Das beginnt bei den Regensets, Handschuhen und Nierengürteln, und geht bis hin zu den Schutzhelmen über das Top Case und den Windschildern.Damit die Tuningfans nicht zu kurz kommen, haben wir für sie ausgewählte Artikel wie Auspuffanlagen, Zylinder, Kolben und weitere Dinge im Programm.Was geschieht nach erfolgter Produktion?Regelmäßige Qualitätskontrollen sind die Leidenschaft unseres Hauses. Mit anderen Worten, sämtliche Motorroller, welche das Herstellerwerk verlassen haben und bei uns angeliefert werden, untersuchten wir nochmals ausführlich auf etwaige Fehler bzw. Transportschäden, bevor sie in die Hände unserer Kunden übergeben werden. Wir packen erstmal jedes Fahrzeug nach der Ankunft in unserem Haus aus und unterziehen es auf unserem Zweirad-Prüfstand einem Testlauf. Ein letzter Funktionscheck erfolgt dann im Anschluss der Übergabe an den Kunden. Auf diese Weise ist garantiert, dass der Roller sich wirklich in einem tadellosen Zustand befindet und den Käufer vollumfänglich zufriedenstellt.Wir legen Wert auf eine saubere UmweltWir sind sehr um den Umweltschutz bemüht. Unsere Motorroller verfügen auf der einen Seite allesamt über einen sparsamen Motor. Um die Umwelt überdies zu entlasten und eine fachgerechte Entsorgung zu garantieren, nehmen wir die Transportverpackung wieder mit, die bei der Anlieferung unserer Fahrzeuge anfällt.Wir nehmen Ihren Motorroller in ZahlungSie möchten sich bei uns einen neuen Roller anschaffen und suchen für Ihren alten fahrbaren Untersatz einen neuen Besitzer? Kein Problem! Wir kaufen Ihren gebrauchten Roller an.Sie haben immer noch Bedenken?Geben Sie uns doch die Gelegenheit, unsere Leistungen unter Beweis stellen zu dürfen. Man sollte uns nicht mit den vielen billigen Onlineshops, die heute kommen und morgen schon wieder weg sind, gleich stellen. Die solide Grundlage für ein erfolgreiches Unternehmen besteht darin, dass ausschließlich hinsichtlich neuer Ideen und zeitgemäßer Innovationen ein nachhaltiges Wachstum garantiert werden kann. Somit stehen Anpassung an neue Technologien sowie fortwährendes Lernen in unserem stetig expandierenden Betrieb fortwährend an der ersten Stelle. Sie können sich selbst von unserem außergewöhnlichen Service überzeugen, sofern Sie uns an unserem Betriebsstandort in Lindenfels-Eulsbach besuchen.Unsere Firma ist ganz leicht zu findenLindenfels befindet sich im Regierungsbezirk Darmstadt, und zwar 40 km nordöstlich von Mannheim bzw. rund 60 km südlich von Frankfurt/Main. Sie fahren am besten von Norden her über die A6, während Sie aus südlicher Richtung die A8 nehmen. Es gibt auch eine gute Verkehrsanbindung mit der Bahn.Unsere TopmarkenUnsere Topmarken

Regulärer Preis:
Nicht verfügbar
49,90 €
Rabatt
Halter Handbremszylinder oben Halteblech 730203

Durchschnittliche Bewertung von 0 von 5 Sternen

Halter Handbremszylinder oben Halteblech 730203

zu Artikel: Halter Handbremszylinder oben Halteblech 730203 Halter Handbremszylinder obenTechnik-InfoHalterauch zu finden unter: Halter, Befestigung, Halteblech, Haltebügel, Haltebuegel, Halterung, Halte-Blech, Halte-Bügel, Halte-BuegelOb Halter für Kabel und Schläuche, für Ständer, Auspuff auch Befestigungsbrücken für Gepäckträger sind bei uns Standard-Ersatzteile in erstklassiger Qualität. Die Teile werden einer ständigen Qualitätssicherung unterzogen, zu Ihrer und unserer Zufriedenheit.Dieser Artikel passt bei vielen Modellen, unter anderem für:Kreidler Drive Kreidler Florett 125E Kreidler Florett 50 1.0 Elektro Kreidler Florett 50 RS DD Kreidler Florett RS 50 DD Kreidler Flory Kreidler Flory RC50 C-D Kreidler Galactica 125 Kreidler Galactica 2.0 50 DD Kreidler Galactica 2.0 50 DD City Kreidler Galactica 2.0 RC 50 Kreidler Galactica 2.0 RS 50 DD Kreidler Galactica 50 Kreidler Galactica 50 DD Kreidler Hiker 125 Kreidler Hiker 125 DD Kreidler Hiker 2.0 125 DD Kreidler Hiker 2.0 50 DD Kreidler Hiker 2.0 Electro Kreidler Hiker 50 Kreidler Hiker 50 DD Kreidler Hiker 50 DD Sport Kreidler Hiker 50 Elektro Kreidler Insignio 125 DD Kreidler Insignio 250 DD Kreidler Jigger 50 Kreidler Jigger 50 City Kreidler Martinique 125 Kreidler Martinique DD 125 Kreidler MONACO 125 Kreidler MONZA 50 Race / Urban (Fin: WS1 od. L8Y) Kreidler RMC-E 50 Hiker Kreidler RMC-E 50 Hiker Amaze Elektroroller Kreidler RMC-E Hiker 125 DD SPORT Kreidler RMC-E Hiker 50 DD Kreidler RMC-E Hiker 50 DD SPORT Kreidler RMC-H 50 Galactica DD Kreidler RMC-H Galactica 125 DD Kreidler RS 500 Rex 25 Rex 25 Escape Rex 25 Scooter Rex 25 Silverstreet Rex 25 Trophy Rex 25-50 2-T Rex 50 Rex 50 Scooter Rex 50 Scooter/MK 50/CAPRIOLO 50 (2-Takt) Rex 50 Trophy Rex Drive 50 Rex Drive Sport 50 Rex Flash 50 Rex Hiker 50 City DD Rex REXY 25-50 Rex Rexy 50 Rex Rexy 50 25 km/h Rex Rexy 50 50 km/h Rex SPEEDY FLASH Rex Stratos Chicago Rex Stratos MontanaDie Marke Rex ist eine der meistverkauften in Deutschland. Durch ständige Qualitätskontrollen vorort beim Hersteller ist ein hoher Standard gewährleistet.Geprüfte Erstausrüsterqualität sehr gute Verarbeitung günstiger Preis Direktimport Kauf 100% ohne Risiko vom TopsellerFür ihren Roller bzw. Motorroller oder auch Scooter können Sie die Ersatzteile bequem online in unserem Shop kaufen. Egal wo sie Ihren Roller gekauft haben, Sie finden die passenden Ersatzteile in unserem Shop. Besonders für alle gängigen Europa-, China-, oder Taiwan-Roller haben wir passende Bauteile, vor allem für die Motoren 50 cc, 125 cc, 250 ccm, 2takt, 4takt und für größere Leistungen. Die Motorentypen 139QMB, 139QMA, 1E40QMB, 152QMI, 157QMI, GY6, 125-4T6M, 139FMB, 153FMI, 156FMI, 157QMJ, 158MJ, 164FML, 1E40QMA, JSD139QMB, 150QMG in kurzen und langen Versionen in den Normen Euro1, Euro2, Euro3 sowie die neuen Euro 4 Einspritzer-Motoren sind meist in diesen Modellen verbaut, und bei uns finden Sie qualitativ hochwertige Ersatzteile. Wenn Sie mal was nicht finden können Sie auch per Email nach Ersatzteilen anfragen. Ab Bestellwerten über 100 Euro bieten wir Ihnen unseren Finanzierungs- bzw. Ratenkauf-Service an. Beim Kauf von Fahrzeugen besteht die Möglichkeit der Finanzierung oder des Leasings. Speziell für Firmen, die Betriebsfahrzeuge anschaffen, oder ihren Mitarbeitern ein Fahrzeug zur Verfügung stellen, ist die eine interessante Alternative.

Verkaufspreis:
Am Lager
7,98 € Regulärer Preis: 9,18 €
Rabatt
Bremssattel Halter mit Widerlager Bremszange 2090304-6

Durchschnittliche Bewertung von 0 von 5 Sternen

Bremssattel Halter mit Widerlager Bremszange 2090304-6

zu Artikel: Bremssattel Halter mit Widerlager Technik-InfoBremssattelauch zu finden unter: Bremszange, Bremssattel, Brems-Vorrichtung, Brems-Sattel, Brems-Zange, Brems-Block, Bremshalterung, Bremsvorrichtung, Brems-HalterungDer Bremssattel beherbergt die Bremsbacken und die Bremskolben. Er ist das feststehende Teil der Scheibenbremse. Er ist auf das Fahrwerk und die Bremsscheibe abgestimmt.Die Ersatzteile dieses Herstellers haben sich seit Jahren im täglichen Einsatz bewährt. Durch beständigen Erfahrungsaustausch wird die Qualität auf ein Maximum angehoben.Kostenloser Versand   Bei Ersatzteilen für jeden zusätzlichen Artikel mit den gleichen Versandkriterien, den Sie von uns kaufen.Unsere Ersatzteile für ihren Roller bzw. Scooter oder auch Motorroller können Sie bequem online in unserem Shop kaufen. Egal ob sie Ihren Roller im Kaufhaus oder im Baumarkt gekauft haben, für alle gängigen Europa-, Taiwan-, oder China-Roller finden Sie bei uns passende Bauteile, insbesondere für die Motoren 50 cc, 125 cc, 250 ccm, 4takt, 2takt und für größere Leistungen. Speziell für die Motorentypen 125-4T6M ,153FMI, 156FMI ,157QMJ, 158MJ ,1E40QMB, 1E40QMA ,152QMI, 157QMI ,150QMG ,164FML ,139QMB, 139QMA, JSD139QMB , GY6 ,139FMB in kurzen und langen Versionen in den Normen Euro1, Euro2, Euro3 sowie die neuen Euro 4 Einspritzer-Motoren finden Sie hochqualitative Ersatzteile. Gerne können Sie auch per Email nach Ersatzteilen anfragen. Bei Bestellwerten über 100 Euro können Sie auch unseren Finanzierungs- bzw. Ratenkauf-Service nutzen. Beim Kauf von Fahrzeugen können wir Ihnen auch ein Leasing-Angebot unterbreiten, das bietet sich insbesondere für Firmen an, die Betriebsfahrzeuge anschaffen, oder ihren Mitarbeitern ein Fahrzeug zur Verfügung stellen. Wir freuen uns auf Ihre Anfrage. Hinweise zu: Bremssattel

Verkaufspreis:
Am Lager
9,95 € Regulärer Preis: 11,44 €
Rabatt Nicht mehr verfügbar
SMC Schraube M6x35mm E-Ton EXL 150 Yukon Quad B01090603565 Motorroller.de Bundschraube Maschinenschraube Flanschschraube Flansch-Schraube 125ccm-4Takt

Durchschnittliche Bewertung von 0 von 5 Sternen

SMC Schraube M6x35mm E-Ton EXL 150 Yukon Quad B01090603565 Motorroller.de Bundschraube Maschinenschraube Flanschschraube Flansch-Schraube 125ccm-4Takt

zu Artikel: Schraube M6x35 B01090603565 Technik-Info Schraube Flansch-Schraube, Flanschschraube, Maschinenschraube, Bundschraube, Maschinen-Schraube, Schraube, Bund-Schraube Der Spritzschutz - oder auch Innenkotflügel genannt - hilft den Rest der Radumgebung länge sauber zu halten. Seit vielen Jahren arbeiten wir mit diesem Hersteller erfolgreich und zuverlässig zusammen. Die Teile haben sich in der Praxis stets bewährt. Kostenloser Versand   Bei Ersatzteilen für jeden zusätzlichen Artikel mit den gleichen Versandkriterien, den Sie von uns kaufen. Sie können unsere Ersatzteile für ihren Roller bzw. Motorroller oder auch Scooter bequem online in unserem Shop kaufen. Egal ob Kaufhaus-Roller oder im Baumarkt-Roller, für alle gängigen Europa-, China-, oder Taiwan-Roller finden Sie bei uns passende Bauteile. Speziell für die Motoren 50 cc, 125 cc, 250 ccm, 2takt, 4takt und für größere Leistungen. Speziell für die Motorentypen 139QMB, 139QMA, 1E40QMB, 152QMI, 157QMI, GY6, 125-4T6M, 139FMB, 153FMI, 156FMI, 157QMJ, 158MJ, 164FML, 1E40QMA, JSD139QMB, 150QMG in kurzen und langen Versionen in den Normen Euro1, Euro2, Euro3 sowie die neuen Euro 4 Einspritzer-Motoren finden Sie qualitativ hochwertige Ersatzteile. Gerne können Sie auch per Email nach Ersatzteilen anfragen. Ab Bestellwerten über 100 Euro bieten wir Ihnen unseren Finanzierungs- bzw. Ratenkauf-Service an. Beim Kauf von Fahrzeugen besteht die Möglichkeit der Finanzierung oder des Leasings. Speziell für Firmen, die Betriebsfahrzeuge anschaffen, oder ihren Mitarbeitern ein Fahrzeug zur Verfügung stellen, ist die eine interessante Alternative.

Verkaufspreis:
Nicht verfügbar
1,69 € Regulärer Preis: 1,94 €