Zum Hauptinhalt springen Zur Suche springen Zur Hauptnavigation springen
Menü
efr
erf
rrrf
Schnell lieferbar
14 Tage Rückgaberecht
Schneller DPD Versand

zu Artikel: Bremsbelag Satz (Doppelkolben) Bremszange vorne mit Widerlager links A96.7x42x9 B 77.3x42x9mm 2Takt 50ccm YY50QT-28 1E40QMB

Bremsbeläge

Technik-Info

Bremsbeläge vorne

Bremsbacken, Bremsschuhe, Bremssteine, Bremsbelag, Brems-Beläge, Brems-Belaege, Brems-Klötze, Brems-Kloetze, Brems-Schuhe, Brems-Steine, Brems-Backen, Brems-Belag, Bremsbackensatz, Bremsbacken-Satz, Bremsblöcke, Bremsbloecke, Bremsblock, Bremsklotzsatz, Bremsschuhsatz, Bremsklotzset, Bremsbelag-Set, Bremsklötzesatz, Bremskloetzesatz, Bremsbeläge vorne, Bremsbelaege vorne, Bremsklotz, Brake Pad, Bremsbelagsatz, Bremsschuh, Bremskloetze, Bremsbeläge, Bremsklötze, Bremsbelaege ,Rex Bremsbeläge ,Jonway Bremsbeläge, AGM Bremsbeläge

Bremsbeläge (auch Bremssteine oder Bremsschuhe genannt) dienen dem Fahrer die Geschwindigkeit des Fahrzeuges zu reduzieren. Die Bewegungsenergie wird durch die Reibung an einer Trommel oder Bremsscheibe in Wärme umgewandelt. Diese Bremsbeläge sind durch die enorme Reibung / Hitze größten Belastungen ausgesetzt. Bei der Anschaffung der Bremsbeläge ist auf Qualität zu achten, da Ihre Sicherheit und die der anderen Verkehrsteilnehmer unmittelbar davon abhängt. Unsere Bremsbeläge sind top und in Erstausrüster-Qualität.

Die Ersatzteile dieses Herstellers haben sich seit Jahren im täglichen Einsatz bewährt. Durch beständigen Erfahrungsaustausch wird die Qualität auf ein Maximum angehoben.

Kostenloser Versand   Bei Ersatzteilen für jeden zusätzlichen Artikel mit den gleichen Versandkriterien, den Sie von uns kaufen.

Unsere Ersatzteile für ihren Scooter bzw. Roller oder auch Motorroller können Sie bequem online in unserem Shop kaufen. Egal ob sie Ihren Roller im Baumarkt oder im Kaufhaus gekauft haben, für alle gängigen China-, Europa-, oder Taiwan-Roller finden Sie bei uns passende Bauteile, insbesondere für die Motoren 50 cc, 125 cc, 250 ccm, 4takt, 2takt und für größere Leistungen. Speziell für die Motorentypen GY6 ,139QMB, 139QMA, JSD139QMB ,157QMJ, 158MJ ,139FMB ,150QMG ,153FMI, 156FMI ,1E40QMB, 1E40QMA ,164FML ,152QMI, 157QMI ,125-4T6M in kurzen und langen Versionen in den Normen Euro1, Euro2, Euro3 sowie die neuen Euro 4 Einspritzer-Motoren finden Sie hochqualitative Ersatzteile. Gerne können Sie auch per Email nach Ersatzteilen anfragen. Bei Bestellwerten über 100 Euro können Sie auch unseren Finanzierungs- bzw. Ratenkauf-Service nutzen. Beim Kauf von Fahrzeugen können wir Ihnen auch ein Leasing-Angebot unterbreiten, das bietet sich insbesondere für Firmen an, die Betriebsfahrzeuge anschaffen, oder ihren Mitarbeitern ein Fahrzeug zur Verfügung stellen. Wir freuen uns auf Ihre Anfrage.

Auswechseln oder instand setzen - was ist die bessere Option?

Immer wieder stellen sich Rollerfahrer die Frage, ob sie ein kaputtes Element am Fahrzeug austauschen oder besser instand setzen lassen sollen, ganz gleich, ob sich um einen Elektroroller respektive E-Roller, 3-Rad Roller oder Motorroller handelt. Ein neues Element, welches vergleichsweise schnell ersetzt werden kann, ist nicht bloß preiswerter, sondern bietet unter anderem eine bedeutend höhere Funktionssicherheit als nach einer Reparatur. Die Ursache einer Funktionsstörung lässt sich oft nur von einem Fachmann mittels Spezialwerkszeugen entdecken. In dem Fall wäre es sinnvoller, über unseren Online-Shop eines der fertigen Ersatzteil-Kits zu bestellen, die wir für viele diverse Fabrikate in unserem Programm haben. .

Ersatzteile von exzellenter Qualität

Die Ersatzteile, die wir im Angebot haben, entsprechen mit Blick auf die Qualität zu 100 Prozent dem Weltmarktniveau. Wir können lediglich aus dem Grund so günstig sein, weil wir bei unseren Lieferanten sämtliche Teile in genügend großen Mengen einkaufen. Alle verfügbaren Bauteile für Ihr Zweirad können Sie bei über unseren Online-Shop sowohl in guter Qualität als auch für einen Preis ordern, der keine Wünsche offen lässt.

Auch für Motorroller, Quads und Buggys, die nicht mehr produziert werden, haben wir zumeist die Zubehörteile vorrätig. So beispielsweise für die Marken Sundiro und Eppella.

Wer es wünscht, erhält bei uns selbstverständlich auch das Originalteil für seinen Motorroller. Die meisten fassen hingegen wegen der guten Preise und der Erstausrüster-Qualität unsere Nachbauten ins Auge. Ganz egal, ob Sie die Reparatur an Ihrem Roller selber bewerkstelligen wollen oder lieber in einer Werkstatt ausführen lassen möchten, in jedem Fall liegen Sie mit unseren Produkten genau richtig. Es gibt zweifelsohne keine andere Alternative, durch die Sie zu attraktiven Kosten und in hervorragender Qualität Ihren Roller instand setzen können.

Produktbilder erleichtern das Auffinden des richtigen Zubehörs

In Verbindung mit den Beschreibungen finden Sie in unserem Onlineshop auch entsprechendes Bildmaterial. Hierdurch können Sie gleich Ihr defektes Austauschteil mit dem verfügbaren Ersatz vergleichen und gehen auf diese Weise sicher, dass Sie nachher auch in der Tat den benötigten Artikel bekommen. Hierbei reicht nicht nur eine visuelle Übereinstimmung. Es müssen obendrein sowohl die angegebenen Dimensionen als auch die angegebenen Spezifikationen passen.

Wie Sie davon profitieren:

Kurzfristige LieferzeitenAuch bei günstigen Nachbauten erhalten Sie von uns ausschließlich die ErstausrüsterqualitätUnsere sämtlichen Produkte sind kostengünstig, langlebig und gebrauchstauglichUnser Lager umfasst Komponenten und Artikel für ungefähr 250 Marken und 8500 ModelleWir holen und bringen Ihren RollerISO-zertifizierte Präzisionsfertigung nach DIN-NormRoller-Ankauf zu fairen PreisenAbsolute Verkehrssicherheit des Zweirads, vor allem bei BremsanlagenSie bezahlen beim Ordern mehrerer Ersatzteile mit identischen Versandbedingungen nur einmal den VersandKauf ohne Risiko dank "Geld zurück" - Garantie

Ganz egal, ob Sie einen Roller, einen Quad, Buggy oder ein Fun-Fahrzeug kaufen möchten. Wir sind hierfür der Fachhändler Ihres Vertrauens. Weshalb sind wir der optimale Partner für Sie? Weil wir für diesen Geschäftsbereich die Meister-Qualifikation und das Know-how besitzen, was dafür unbedingt benötigt wird. Wir betreiben nicht bloß unser Geschäft rund um die Motorroller, wir leben es buchstäblich.

Es ist nicht unbedingt sinnvoll, seinen Motorroller bei irgendeinem x-beliebigen Händler zu kaufen. Darum ist es unverzichtbar, sich das ausgewählte Fachgeschäft zuerst genau anzugucken. in unserem Unternehmen ist alles absolut nachvollziehbar! Weshalb besuchen Sie uns nicht mal in unserem Ladengeschäft, um sich persönlich ein Bild zu machen?Sie sehen dann den Beweis unserer ausgezeichneten Leistungen im Prinzip mit eigenen Augen.

Wenn Ihnen die Strecke zu uns zu weit ist, können Sie sich auch mittels des Trustedshops-Siegels und die diversen Ebay Bewertungen sachkundig machen. Auf unserer Website Motorroller.de wird sowohl unser Verkaufsshop als auch unsere Geschäftspraxis von Trustedshops mit der Note "sehr gut" eingestuft. Unsere Kundenbewertungen bei Ebay liegen mit einem Wert von rund 99,9 % gleichermaßen auf einem hervorragenden Level. Was belegen all diese Ergebnisse ganz offensichtlich? Dass wir uns in allen Belangen stets mächtig ins Zeug legen!

Bedenken Sie aber, dass wir keine Maschinen sondern auch nur Menschen sind, denen ein Fehler unterlaufen kann. Demzufolge bitten wir Sie, falls mal etwas nicht zu Ihrer Zufriedenheit verlaufen ist, uns auf jeden Fall die Möglichkeit zur Verbesserung zu geben.

Unser Fachgeschäft hat für Sie geöffnet: jeden Tag von 8:00 - 18:00 Uhr, am Samstag von 9:00 - 13:00 Uhr.

Unsere Firmenphilosophie

Wir haben uns die Zufriedenheit unserer Kunden auf die Fahne geschrieben. Mehr als 25 Jahre sind wir mit Erfolg mit dem Handel von motorisierten Zweirädern tätig, wobei wir uns indes bereits vor über 5 Jahrzehnten auf dem Gebiet des Maschinenbaus Erfolg versprechend etablieren konnten. Wir haben uns zwischenzeitlich überwiegend auf Ersatzteile, Fahrzeugzubehör und das "Nice-to-have" zum Tunen für die meisten Roller ausgerichtet.

Unser Artikelsortiment schließt in etwa 500.000 Komponenten ein

Wer auf der Suche nach einem preisgünstigen Fahrzeug oder Ersatzteil für seinen fahrbaren Untersatz ist, der wird bei uns unter Motorroller.de auf unserer Internetseite fündig. Es existieren zurzeit Artikel, Einbauelemente und passendes Zubehör für zirka 8500 Ausführungen und 250 Hersteller in unserem Auslieferungslager, die auf Ihre Bestellung warten. Zu unseren Lieferanten zählen beispielsweise Anbieter wie Kreidler, Adly, Yamaha oder Jonway. Es sind mehr als 500.000 Produkte von zahlreichen verschiedener Hersteller, die wir in unseren Hochregalen auf einer Fläche von über 1.000 m² lieferbar haben. Sie finden in unserer Zubehörabteilung alles, was Sie für Ihr Zweirad brauchen.

Das beginnt bei den Regensets, Nierengürteln und Handschuhen, und geht bis hin zu den Schutzhelmen über die Windschilder und dem Top Case.In unserem Tuningbereich halten wir für alle, die es lieber sportlich mögen ebenso einige ausgewählte Produkte bereit. Hierzu zählen z.B. Zylinder, Kolben, Auspuffanlagen und weitere Dinge.

Was geschieht nach der Produktion?

Sämtliche Lieferungen verlassen unser Unternehmen erst nach einer strengen Qualitätskontrolle. Anders gesagt, alle Roller, welche den Hersteller verlassen haben und bei uns angeliefert werden, begutachten wir nochmals ausführlich auf eventuelle Mängel oder Transportschäden, bevor sie in die Hände unserer Kunden übergeben werden. Nachdem die Motorroller bei uns eingetroffen sind, wird jedes einzelne Zweirad ausgepackt und zuallererst einer Sichtprüfung respektive einem Testlauf auf unserem Prüfstand unterzogen. Bei dem gelieferten Fahrzeug wird dann nach der Anlieferung beim Käufer letztlich noch einmal ein Funktionstest durchgeführt. Auf diese Weise ist ein einwandfreier Gebrauch des Gefährts wirklich sichergestellt.

Wir legen Wert auf eine saubere Umwelt

Der Schutz unserer Umwelt liegt uns besonders am Herzen. Auf der einen Seite sind unsere Roller durchweg mit Sprit sparenden Verbrennungsmotoren bestückt. Die Transportverpackung nehmen wir ohne Frage wieder mit, um sie einer fachgerechten Müllentsorgung zuzuführen - auch das gehört für uns zu einer sauberen Umwelt.

Roller-Ankauf

Sie haben einen neuen Roller bei uns gekauft und möchten Ihren alten fahrbaren Untersatz loswerden? Machen Sie sich darüber keinen Kopf! Lassen Sie das unser Problem sein, denn wir nehmen Ihren ausgedienten Motorroller in Zahlung.

Wir konnten noch nicht alle Zweifel ausräumen?

Dann geben Sie uns bitte die Gelegenheit, Sie von der Qualität unserer Leistungen zu überzeugen. Im Unterschied zu den billigen Verkaufsshops, die schon nach kurzer Zeit wieder von der Bildfläche verschwinden, können wir auf eine langjährige Firmentradition zurück blicken. Es ist uns bekannt, dass sich nur auf Grund zeitgemäßer Innovationen und neuer Ideen die Ausgangsbasis für eine effektive Geschäftstätigkeit legen lässt. Überzeugen Sie sich selbst von unserem herausragenden Kundenservice und besuchen Sie uns in unserem Unternehmen in Lindenfels-Eulsbach.

Wo wir zu Hause sind

Etwa 60 km im Süden von Frankfurt/Main findet man Lindenfels im Regierungsbezirk Darmstadt. Falls Sie mit dem eigenen Fahrzeug anreisen, erreichen Sie den Ort per Autobahn von Norden über Frankfurt/Main (A6) respektive von Süden über Mannheim (A8). Eine Anreise mit der Bahn ist selbstverständlich ebenso möglich.

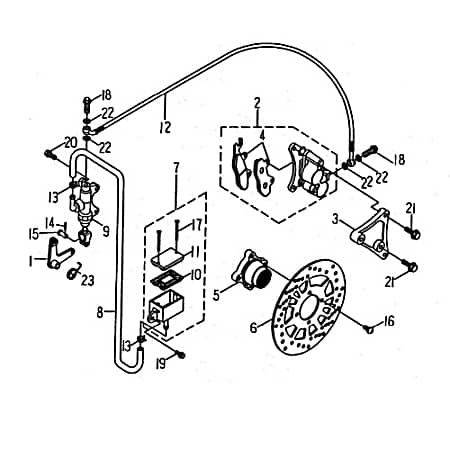
Artikelposition in Explosionszeichnung: 14

Motorroller bequem online kaufen – von der Bestellung bis zur Lieferung


Mobiler Home Service – Bundesweit Inspektionen und Reparaturen


Motorroller.de – Über uns – Ihr Support vom Profi seit 1993

Ihr Finanzierungsplan**
Monate Rate mtl. Gesamt
6039,67 €2.380,49 €
12157,59 €1.891,14 €

Einfach im Bestellvorgang die Expokredit-Finanzierung als Zahlungsweise auswählen ...

  • AGM Fighter 125
  • AGM Fighter 125 One
  • AGM Fighter 125 Sport
  • AGM Fighter 50 One
  • AGM Fighter 50 Sport
  • AGM Firejet 125
  • AGM Firejet 50 YY50QT-28-AA-2TC
  • AGM GMX 450 JSD50QT-13
  • AGM GMX 450 One JSD50QT-13
  • AGM GMX 450 Sport JSD50QT-13
  • AGM GMX 450 ZX50QT-7A
  • AGM GMX 50
  • AGM GMX 50
  • AGM GMX 550 ZX50QT-7B
  • AGM GMX 550 ZX50QT-7B
  • Jonway 150T 28
  • Jonway Beta 50
  • Jonway Delta 150
  • Jonway Drive Sport 50
  • Jonway Elninjo 50
  • Jonway Epsilon 150 YY150T 12 Zoll
  • Jonway E-Rex
  • Jonway Florett 50 RS DD
  • Jonway Galactica
  • Jonway Galactica 2.0 50 DD
  • Jonway Galactica 2.0 50 DD City
  • Jonway Galactica 2.0 Electro
  • Jonway Galactica 2.0 RC 50
  • Jonway Galactica 2.0 RS 50 DD
  • Jonway Imola 125 Race/Urban
  • Jonway Imola 50 Race/Urban
  • Jonway Insignio 250 DD
  • Jonway Lambda YY50QT 21 50
  • Jonway Milano 125
  • Jonway Milano 50
  • Jonway Monaco 125 Race Urban
  • Jonway Rex E-Novation 1500
  • Jonway Rex E-Speed
  • Jonway REX Monaco 50 Race/Urban
  • JONWAY Rex RS 500
  • Jonway RMC-E 125 Hiker
  • Jonway RMC-E 125 Hiker DD
  • Jonway RMC-E Hicker
  • Jonway RMC-E Hiker 125 DD SPORT
  • Jonway RMC-E Hiker 50 DD SPORT
  • Jonway RMC-E HIKER 50 Electro
  • Jonway RMC-H 50 Galactica DD
  • Jonway RMC-H Galactica 125 DD
  • Jonway RS 1000
  • Jonway RS 1100
  • Jonway RS 400
  • Jonway RS 750
  • Jonway Stratos Chicago
  • Jonway Torino 125
  • Jonway Torion 125
  • Jonway YY150T 2 150
  • Jonway YY50QT 6
  • Kreidler Florett 125E
  • Kreidler Florett 50 1.0 Elektro
  • Kreidler Florett 50 RS DD
  • Kreidler Florett RS 50 DD
  • Kreidler Flory 50
  • Kreidler Galactica 125
  • Kreidler Galactica 2.0 50 DD
  • Kreidler Galactica 2.0 50 DD City
  • Kreidler Galactica 2.0 Electro
  • Kreidler Galactica 2.0 RC 50
  • Kreidler Galactica 2.0 RS 50 DD
  • Kreidler Galactica 50
  • Kreidler Galactica 50 DD
  • Kreidler Hiker 125
  • Kreidler Hiker 125 DD
  • Kreidler Hiker 2.0 125 DD
  • Kreidler Hiker 2.0 50 DD
  • Kreidler Hiker 2.0 Electro
  • Kreidler Hiker 50
  • Kreidler Hiker 50 DD
  • Kreidler Hiker 50 DD Sport
  • Kreidler Hiker 50 Elektro
  • Kreidler Insignio 125 2.0
  • Kreidler Insignio 125 DD
  • Kreidler Insignio 250 DD
  • Kreidler Insignio 250 DD
  • Kreidler Isignio 250
  • Kreidler Martinique 125
  • Kreidler Martinique DD 125
  • Kreidler MONACO 125
  • Kreidler MONACO 50 Race / Urban
  • Kreidler REX Monaco 125 Race/Urban
  • Kreidler RMC-D 125 Florett Roller
  • Kreidler RMC-E 50 Hiker
  • Kreidler RMC-E 50 Hiker Amaze Elektroroller
  • Kreidler RMC-E Hiker 125 DD SPORT
  • Kreidler RMC-E Hiker 50 DD
  • Kreidler RMC-E Hiker 50 DD SPORT
  • Kreidler RMC-F 125 Florett Roller
  • Kreidler RMC-H 50 Galactica 2.0 RS 50 DD
  • Kreidler RMC-H 50 Galactica DD
  • Kreidler RMC-H Galactica 125 DD
  • Kreidler RS 500
  • Rex Capriolo 50 4T
  • Rex Drive Sport 50
  • Rex E-Rex
  • Rex Flash 50
  • Rex Genua 50
  • Rex Hiker 2.0 125 DD
  • Rex Hiker 50 City DD
  • Rex Imola 125
  • Rex Imola 125 Race/Urban
  • Rex Imola 50
  • Rex Imola 50 Race/Urban
  • Rex INSIGNIO 125 DD
  • Rex Milano 125
  • Rex Milano 50
  • Rex Monaco 125
  • Rex Monaco 125 Race Urban
  • Rex Monaco 50
  • Rex Monaco 50 Race Urban
  • Rex Rexy 50 50 km/h
  • Rex RMC-E HIKER 125 DD SPORT
  • Rex RS 1000
  • Rex RS 1000
  • Rex RS 1100
  • Rex RS 125
  • Rex RS 125 Capriolo Street
  • Rex RS 125 QM125T 10D
  • Rex RS 125 QM125T 10H
  • Rex RS 250 QM50T 10A-B
  • Rex RS 400
  • Rex RS 450
  • Rex RS 450
  • Rex RS 450 QM50QT-6A CAPRIOLO 50
  • Rex RS 500
  • Rex RS 500 QM50QT 6A-AQINGQI
  • Rex RS 700 QM50QT-10A
  • Rex RS 750
  • Rex RS 900 QM50T 10A-A
  • Rex SC 125 QM125T 10A-A
  • Rex Speedy 125 QM125T-10A
  • Rex SPEEDY FLASH
  • Rex Stratos Chicago
  • Rex Torino 125
  • Rex Torino 125
Produktgalerie überspringen

Kunden haben sich ebenfalls angesehen

Rabatt
SMC Bremsbolzenhebel Rex Quad 150 vo ATV 150ccm 4Takt Motorroller.de Bremshebel 170ccm-4Takt Quad 250 UTV Ersatzteil Service Inpektion Direktimport

Durchschnittliche Bewertung von 0 von 5 Sternen

SMC Bremsbolzenhebel Rex Quad 150 vo ATV 150ccm 4Takt Motorroller.de Bremshebel 170ccm-4Takt Quad 250 UTV Ersatzteil Service Inpektion Direktimport

zu Artikel: Bremsbolzenhebel 32355-RAM-00 BremsbolzenhebelTechnik-InfoBremsbolzenhebelBremsbolzenhebel vo, Hebel Bremsbolzen, Bremsbolzenhebel, Bremshebel BolzenWenn der Bremshebel nur zögerlich in seine Ausgangsstellung zurück geht , ist meist die Bremsnocke korrodiert. Ein Austausch wirkt der Bremsnocke behebt dann das Problem.Dieser Artikel passt bei vielen Modellen, unter anderem für: SMC STM Quad 170, Kreidler Mustang 170, Rex Quad 150, SMC STM Quad 150, Seit vielen Jahren arbeiten wir mit diesem Hersteller erfolgreich und zuverlässig zusammen. Die Teile haben sich in der Praxis stets bewährt.Kostenloser Versand   Bei Ersatzteilen für jeden zusätzlichen Artikel mit den gleichen Versandkriterien, den Sie von uns kaufen.Sie können unsere Ersatzteile für ihren Roller bzw. Motorroller oder auch Scooter bequem online in unserem Shop kaufen. Egal ob Kaufhaus-Roller oder im Baumarkt-Roller, für alle gängigen Europa-, China-, oder Taiwan-Roller finden Sie bei uns passende Bauteile. Speziell für die Motoren 50 cc, 125 cc, 250 ccm, 2takt, 4takt und für größere Leistungen. Speziell für die Motorentypen 139QMB, 139QMA, 1E40QMB, 152QMI, 157QMI, GY6, 125-4T6M, 139FMB, 153FMI, 156FMI, 157QMJ, 158MJ, 164FML, 1E40QMA, JSD139QMB, 150QMG in kurzen und langen Versionen in den Normen Euro1, Euro2, Euro3 sowie die neuen Euro 4 Einspritzer-Motoren finden Sie qualitativ hochwertige Ersatzteile. Emailanfragen nach speziellen Ersatzteilen beantworten wir Ihnen gerne. Wenn sie für mehr als 100 Euro bestellen, können wir Ihnen auch Finanzierungs- bzw. Ratenkauf anbieten. Beim Kauf von Fahrzeugen haben Sie auch die Möglichkeit zu finanzieren oder zu leasen. Letzteres bietet sich besonders für Firmen an, die Betriebsfahrzeuge anschaffen, oder ihren Mitarbeitern ein Fahrzeug zur Verfügung stellen. Bitte fragen Sie an.

Verkaufspreis:

Versandfertig in 1 Tag, Lieferzeit 14 Werktage, sofern beim Vorlieferanten verfügbar

14,29 € Regulärer Preis: 16,43 €
Rabatt Nicht mehr verfügbar
Lenkerarmatur links Trommelbremse Mit Bremshebel 1 Stecker 8 Pins und 2 Einzelne Spiegelloch M8 komplett 1050307-2

Durchschnittliche Bewertung von 0 von 5 Sternen

Lenkerarmatur links Trommelbremse Mit Bremshebel 1 Stecker 8 Pins und 2 Einzelne Spiegelloch M8 komplett 1050307-2

zu Artikel: Lenkerarmatur links Trommelbremse mit Bremshebel 1 Stecker mit 8 Pins und 2 Einzelne mit Spiegelloch M8 komplett 4Takt 125ccm YY125T-28Lenkerarmatur linksSchalter beim Motorroller sind die Steuerelemente für Licht, Blinker, Hupe, etc. Auch hier ist darauf zu achten, dass beim Ersatz die entsprechende Qualität gekauft wird. Wir liefern sämtliche Schalt- und Elektroelemente in Erstausrüster-Qualität.Unsere Ersatzteile für ihren Roller bzw. Scooter oder auch Motorroller können Sie bequem online in unserem Shop kaufen. Egal ob sie Ihren Roller im Baumarkt oder im Kaufhaus gekauft haben, für alle gängigen China-, Europa-, oder Taiwan-Roller finden Sie bei uns passende Bauteile, insbesondere für die Motoren 50 cc, 125 cc, 250 ccm, 4takt, 2takt und für größere Leistungen. Speziell für die Motorentypen 157QMJ, 158MJ ,1E40QMB, 1E40QMA ,164FML ,152QMI, 157QMI ,125-4T6M ,139QMB, 139QMA, JSD139QMB , GY6 ,139FMB ,150QMG ,153FMI, 156FMI in kurzen und langen Versionen in den Normen Euro1, Euro2, Euro3 sowie die neuen Euro 4 Einspritzer-Motoren finden Sie Ersatzteile von erstklassiger Qualität. Gerne können Sie auch per Email nach Ersatzteilen anfragen. Bei Bestellwerten über 100 Euro können Sie auch unseren Ratenkauf- bzw. Finanzierungs-Service nutzen. Beim Kauf von Fahrzeugen können wir Ihnen auch ein Leasing-Angebot unterbreiten, das bietet sich insbesondere für Firmen an, die Betriebsfahrzeuge anschaffen, oder ihren Mitarbeitern ein Fahrzeug zur Verfügung stellen. Wir freuen uns auf Ihre Anfrage.Soll ein schadhaftes Element repariert oder besser gleich getauscht werden?Ganz egal, ob jemand einen Elektroroller bzw. E-Roller, 3-Rad Roller oder Motorroller fährt, er stellt sich höchstwahrscheinlich häufig die Frage, ob sie ein schadhaftes Teil austauschen oder instand setzen lassen sollen. Ein weiterer Aspekt ist, dass ein Ersatzteil nicht bloß preisgünstiger ist als eine Reparatur, sondern anschließend auch eine beträchtlich größere Ausfallsicherheit bietet. Zumeist kann ausschließlich eine kompetente Werkstatt den Defekt auf Anhieb entdecken. Anderenfalls hat man auch die Option, sich für eines der einbaufertigen Ersatzteil-Kits zu entscheiden, die wir in zahlreichen unterschiedlichen Ausführungen im Programm haben. .Ersatzteile von exzellenter QualitätDie Komponenten, die wir im Programm haben, entsprechen im Hinblick auf die Qualität zu 100 % dem Weltmarktniveau. Warum sind wir trotz hoher Qualität so günstig? Das liegt nicht ausschließlich an unserer Preisgestaltung, sondern hauptsächlich daran, dass wir unsere Komponenten in großen Einkaufsmengen beziehen. Wenn Ihr Roller einmal neues Teil braucht, wenden Sie sich voll Vertrauen an uns. Sie erhalten bei uns stets beste Qualität zu einem attraktiven Preis.Auch für Roller, Buggys und Quads, die nicht mehr produziert werden, haben wir im Regelfall die Komponenten lieferbar. So etwa für die Marken Sundiro und Eppella.Wir haben selbstverständlich auch die Originalteile einer Menge Rollertypen auf Lager, obwohl unsere Nachbauten mit den Originalen qualitativ auf alle Fälle mithalten können und trotzdem vom Preis her normalerweise um einiges billiger sind. Unsere Ersatzteile versetzen Sie in die Lage, zum einen die Reparatur an Ihrem motorisierten Zweirad selber ausführen oder zum anderen auch in einer Fachwerkstätte machen zu lassen. Zu solch günstigen Kosten werden Sie höchstwahrscheinlich Ihr motorisiertes Zweirad nicht auf andere Art und Weise reparieren können.Es ist denkbar einfach, mit Hilfe der Abbildungen das passende Bauteil aufzufindenIn unserem Onlineshop finden Sie zahlreiches Bildmaterial, welches Ihnen behilflich ist, Ihr altes Teil ganz einfach mit dem verfügbaren Ersatz zu vergleichen. Damit können Falschlieferungen infolge inkorrekter Bestellungen schon im Vorhinein ausgeschlossen werden. Achten Sie bitte insbesondere auf die Übereinstimmung des alten Elements mit dem abgebildeten Artikel; besonders was die angegebenen Abmessungen und Spezifikationen betrifft. Auf welche Weise Sie davon profitieren:  Mit unserer "Geld zurück" - Garantie kaufen Sie ohne Risiko ISO-zertifizierte Präzisionsfertigung nach DIN-Norm Sie bekommen von uns ausnahmslos die Erstausrüster-Qualität - auch bei preisgünstigen Nachbauten Kurze Lieferzeiten Unsere sämtlichen Einbauteile sind preiswert, zuverlässig sowie ausfallsicher Abhol- und Bringservice Unser Lager umfasst Einbauelemente und Zubehör für ca. 250 Marken und 8500 Modelle Sie bezahlen nur einmal den Versand bei Bestellung mehrerer Komponenten mit identischen Lieferfaktoren Roller-Ankauf Absolute Verkehrssicherheit des Rollers, besonders bei den Bremsen Roller, Quads, Straßenbuggys und Fun Fahrzeuge kauft man am besten bei uns als Fachhändler. Was für einen Nutzen haben Sie von unserem Kundenservice? Weil wir die Meister-Qualifikation und das Know-how besitzen, welche für dieses Geschäftsfeld unter allen Umständen notwendig sind. Wir betreiben nicht lediglich unser Geschäft rund um die Motorroller, wir leben es förmlich.Weil Kaufen Vertrauenssache ist, sollte man sich deshalb den bevorzugten Fachhändler zuvor genau ansehen, bei dem man vorhat ein Zweirad zu kaufen. in unserem Geschäft ist alles für den Kunden zu 100 Prozent nachvollziehbar! Weswegen besuchen Sie uns nicht mal in unserem Ladengeschäft, um sich selber ein Bild zu machen?Das was Sie dort sehen, wird Sie definitiv überzeugen.Wenn Ihnen der Weg zu uns zu weit ist, können Sie sich auch durch die diversen Ebay Bewertungen und des Trustedshops-Siegels schlau machen. Unsere Firmenwebseite Motorroller.de wird zum Beispiel von Trustshops als "sehr gut" bewertet. Das betrifft sowohl unseren Internetshop als auch unsere Geschäftspraxis. Über diese Bewertung sind wir zu Recht sehr Stolz. Unsere Käuferrezensionen bei Ebay liegen mit einem Wert von zirka 99,9 % gleichfalls auf einem hervorragenden Niveau. Diese Resultate belegen eines ganz offensichtlich: Wir legen uns in allen Belangen stets mächtig ins Zeug!Bitte denken Sie daran, dass wir keine Roboter sondern auch nur Menschen sind, denen ein Fehler passieren kann. Aus dem Grund bitten wir Sie, sofern mal etwas nicht zu Ihrer Zufriedenheit verlaufen ist, uns auf jeden Fall die Gelegenheit zur Verbesserung zu geben.Unser Fachgeschäft hat für Sie geöffnet: jeden Tag von 8:00 - 18:00 Uhr, am Samstag von 9:00 - 13:00 Uhr.Über unsWir tun viel, damit unsere Kunden zufrieden sind. Mehr als 25 Jahre ist unser Unternehmen ausgesprochen erfolgreich im Geschäft mit Zweirädern im Einsatz, wobei wir uns andererseits schon vor über fünfzig Jahren auf dem Gebiet Maschinenbau Erfolg versprechend etablieren konnten. Inzwischen haben wir uns auf Ersatzteile, Zubehör und das "Nice-to-have" zur Leistungssteigerung für die meist gefahrenen Motorroller fokussiert.Wir können kurzfristig zirka 500.000 Einbauteile liefernWer auf der Suche nach einem preisgünstigen Roller oder der richtigen Komponente für seinen fahrbaren Untersatz ist, der findet bei uns unter Motorroller.de bestimmt das entsprechende Element. In unserem Auslieferungslager befinden sich für circa 8500 Modelle und 250 Hersteller diverse Teile, Artikel und passendes Zubehör. Jonway, Kreidler, Yamaha oder Adly gehören z.B. zu unseren Lieferanten, mit denen wir schon jahrelang zusammenarbeiten. Wir haben Summa summarum mehr als 500.000 Produkte von zahlreichen Anbietern im Sortiment, die auf einer Lagerfläche von über 1.000 m² in unseren Regalen auf Lager liegen. Im Zubehörlager finden Sie alles, was Sie als Rollerfahrer für Ihr motorisiertes Zweirad benötigen.Das beginnt bei den Schutzhelmen über das Top Case und den Windschildern, und geht bis hin zu Handschuhen, Nierengürteln und Regensets.Auch Tuningfans kommen bei uns auf ihre Rechnung. Sie finden in unserem Tuningbereich alles was das Herz begehrt, wie beispielsweise Auspuffanlagen, Kolben, Zylinder und dergleichen Dinge.Was geschieht nach erfolgter Produktion?Kontinuierliche Kontrolle der Qualität ist unsere Leidenschaft. Das heißt, bevor wir ein Fahrzeug in die Hände des Kunden übergeben, wird es von uns nochmals auf einwandfreie Funktion und Mängelfreiheit begutachtet. Wir packen erstmal jeden Roller nach der Ankunft in unserem Haus aus und unterziehen es auf unserem computergesteuerten Zweirad-Prüfstand einem Testlauf. Bevor der Käufer den Motorroller übernimmt, erfolgt noch ein abschließender Funktionscheck. Dadurch ist de facto sichergestellt, dass der Kunde mit seinem Erwerb hundertprozentig zufrieden ist.UmweltschutzUns liegt besonders viel an einem wirksamen Schutz unserer Umwelt. Zur Bewahrung der Luftreinheit besitzen unsere Fahrzeuge im Prinzip Motoren, die enorm Treibstoff sparend laufen. Bei der Anlieferung unserer Roller bleibt ohne Ausnahme die Transportverpackung übrig. Diese nehmen wir natürlich wieder zu einer professionellen Müll-Entsorgung wieder mit.Wir kaufen Ihren MotorrollerSie haben einen neuen Motorroller bei uns bestellt und möchten Ihr altes Gefährt an den Mann bringen? Zerbrechen Sie sich über diese Sache nicht den Kopf! Lassen Sie das unsere Sorge sein, denn wir nehmen Ihren gebrauchten Roller in Zahlung.Immer noch skeptisch?Sofern wir von Ihnen die Gelegenheit dazu bekommen, können wir unsere fachlichen Qualitäten auch unter Beweis stellen. Man sollte uns nicht mit den vielen billigen Onlineshops, die heute ihre Produkte anbieten und morgen bereits wieder weg sind, gleich stellen. Ausschließlich auf Grund neuer Ideen und zeitgemäßer Innovationen lässt sich eine stabile geschäftliche Grundlage schaffen. Deshalb steht in unserem stetig expandierenden Unternehmen ständiges Lernen sowie die Anpassung an neue Technologien durchweg an erster Stelle. Überzeugen Sie sich selbst von unserem vorzüglichen Service und besuchen Sie uns in unserem Betrieb in Lindenfels-Eulsbach.Wie kommen Sie auf einfache Weise zu uns nach Lindenfels?Zirka 60 km im Süden von Frankfurt/Main findet man Lindenfels im Regierungsbezirk Darmstadt. Wenn Sie mit dem Auto anreisen, erreichen Sie den Ort per Autobahn entweder von Norden über Frankfurt/Main (A6) oder von Süden über Stuttgart, Karlsruhe und Mannheim (A8). Die Anfahrt per Bahn ist logischerweise ebenfalls möglich.Unsere TopmarkenUnsere Topmarken

Verkaufspreis:

Derzeit nicht verfügbar

79,90 € Regulärer Preis: 91,89 €
Rabatt Nicht mehr verfügbar
Motor Kurzer Motor Rex RS450 Antrieb Engine 50ccm 4Takt Motorroller.de Motor-System komplett Antriebsaggregat Motor-Aggregat Fahrzeugantrieb Scooter

Durchschnittliche Bewertung von 0 von 5 Sternen

Motor Kurzer Motor Rex RS450 Antrieb Engine 50ccm 4Takt Motorroller.de Motor-System komplett Antriebsaggregat Motor-Aggregat Fahrzeugantrieb Scooter

zu Artikel: Motor 50ccm 4T Kurzer Motor 706913 Technik-Info Motor Engine, Motor, Antriebsaggregat, Antrieb, Fahrzeugmotor, Fahrzeugantrieb, Motor komplett, Motor-Einheit, Motor-Trakt, Motor-Komplex, Motor-Gefüge, Motorsystem, Motor-Bereich, Motor-Aggregat, Motor-Aggregat, Motor-System, Motoreinheit, Motortrakt, Motorkomplex, Motorgefüge, Motorbereich, Motoraggregat, Motoraggregat Das Herzstück den Fahrzeugs ist der Motor. Dieses Herz schlägt am besten, wenn es original ist. Wir beziehen die Motoren direkt vom Hersteller. Die Marke Rex ist eine der meistverkauften in Deutschland. Durch ständige Qualitätskontrollen vorort beim Hersteller ist ein hoher Standard gewährleistet. Kostenloser Versand   Bei Ersatzteilen für jeden zusätzlichen Artikel mit den gleichen Versandkriterien, den Sie von uns kaufen. Unsere Ersatzteile für ihren Roller bzw. Motorroller oder auch Scooter können Sie bequem online in unserem Shop kaufen. Egal ob sie Ihren Roller im Kaufhaus oder im Baumarkt gekauft haben, für alle gängigen China-, Taiwan-, oder Europa-Roller finden Sie bei uns passende Bauteile, insbesondere für die Motoren 50 cc, 125 cc, 250 ccm, 2-Takt, 4-Takt und für größere Leistungen. Speziell für die Motorentypen 139QMB, 139QMA, JSD139QMB ,164FML ,153FMI, 156FMI ,125-4T6M ,152QMI, 157QMI ,150QMG ,139FMB ,157QMJ, 158MJ , GY6 ,1E40QMB, 1E40QMA in kurzen und langen Versionen in den Normen Euro1, Euro2, Euro3 sowie die neuen Euro 4 Einspritzer-Motoren finden Sie Ersatzteile von bewährter Qualität. Gerne können Sie auch per Email nach Ersatzteilen anfragen. Bei Bestellwerten über 100 Euro können Sie auch unseren Finanzierungs- bzw. Ratenkauf-Service nutzen. Beim Kauf von Fahrzeugen können wir Ihnen auch ein Leasing-Angebot unterbreiten, das bietet sich insbesondere für Firmen an, die Betriebsfahrzeuge anschaffen, oder ihren Mitarbeitern ein Fahrzeug zur Verfügung stellen. Wir freuen uns auf Ihre Anfrage.

Verkaufspreis:

Derzeit nicht verfügbar

343,80 € Regulärer Preis: 395,37 €
Rabatt
Bundmutter M6 mit Bund grün verzinkt AGM Roller 50ccm 2Takt Motorroller.de Sechskantmutter Flanschmutter Sechskant-Mutter Flansch-Mutter Bund-Mutter

Durchschnittliche Bewertung von 0 von 5 Sternen

Bundmutter M6 mit Bund grün verzinkt AGM Roller 50ccm 2Takt Motorroller.de Sechskantmutter Flanschmutter Sechskant-Mutter Flansch-Mutter Bund-Mutter

Mutter M6 mit Bund grün verzinkt Technik-Info Mutter Maschinen-Mutter, Sechskant-Mutter, Bund-Mutter, Maschinenmutter, Flanschmutter, Mutter, Bundmutter, Sechskantmutter, Flansch-Mutter Hier handelt es sich um ein Standard-Ersatzteil in erstklassiger Qualität. Die Teile werden einer ständigen Qualitätssicherung unterzogen, zu Ihrer und unserer Zufriedenheit. Dieser Artikel passt bei vielen Modellen, unter anderem für: Rex RS 460 BOSTON 8, Rex RS 450, Otto Versand Rex RS 400, Otto Versand Rex RS 750, Jonway Milano 50, Kreidler MONZA 50 Race / Urban (Fin: WS1 od. L8Y), Jonway Imola 125 Race/Urban, Jonway RS 1000, Jonway Imola 50 Race/Urban, Kreidler MONACO 50 Race / Urban, Jonway Stratos Montana, Jonway Milano 125, Rex RS 900 QM50T 10A-A, Rex RS 600 QM50QT-2, Rex RS Classic 50 Die Ersatzteile dieses Herstellers haben sich seit Jahren im täglichen Einsatz bewährt. Durch beständigen Erfahrungsaustausch wird die Qualität auf ein Maximum angehoben. Erstausrüsterqualität beste Verarbeitung Lagerware günstiger Preis Direktimport sofort versandbereit Unsere Ersatzteile für ihren Roller bzw. Motorroller oder auch Scooter können Sie bequem online in unserem Shop kaufen. Egal ob sie Ihren Roller im Baumarkt oder im Kaufhaus gekauft haben, für alle gängigen China-, Europa-, oder Taiwan-Roller finden Sie bei uns passende Bauteile, insbesondere für die Motoren 50 cc, 125 cc, 250 ccm, 4takt, 2takt und für größere Leistungen. Speziell für die Motorentypen 152QMI, 157QMI ,153FMI, 156FMI ,1E40QMB, 1E40QMA , GY6 ,164FML ,125-4T6M ,139QMB, 139QMA, JSD139QMB ,157QMJ, 158MJ ,139FMB ,150QMG in kurzen und langen Versionen in den Normen Euro1, Euro2, Euro3 sowie die neuen Euro 4 Einspritzer-Motoren finden Sie Ersatzteile von hoher Güte. Gerne können Sie auch per Email nach Ersatzteilen anfragen. Bei Bestellwerten über 100 Euro können Sie auch unseren Ratenkauf- bzw. Finanzierungs-Service nutzen. Beim Kauf von Fahrzeugen können wir Ihnen auch ein Leasing-Angebot unterbreiten, das bietet sich insbesondere für Firmen an, die Betriebsfahrzeuge anschaffen, oder ihren Mitarbeitern ein Fahrzeug zur Verfügung stellen. Wir freuen uns auf Ihre Anfrage.

Verkaufspreis:

Sofort verfügbar, Lieferzeit: 1 - 3 Werktage, sofort versandfertig

1,95 € Regulärer Preis: 2,24 €
Rabatt
Bremssattel Bremszange Bremsvorrichung hinten 91372

Durchschnittliche Bewertung von 0 von 5 Sternen

Bremssattel Bremszange Bremsvorrichung hinten 91372

zu Artikel: Bremssattel Bremszange 91372 Technik-InfoBremssattelBremszange, Bremssattel, Brems-Zange, Brems-Sattel, Bremsblock, Brems-Block, Bremshalterung, Bremsvorrichtung, Brems-Halterung, Brems-Vorrichtung Der Bremssattel beherbergt die Bremsbacken und die Bremskolben. Er ist das feststehende Teil der Scheibenbremse. Er ist auf das Fahrwerk und die Bremsscheibe abgestimmt.Die Marke Rex ist eine der meistverkauften in Deutschland. Durch ständige Qualitätskontrollen vorort beim Hersteller ist ein hoher Standard gewährleistet.Kostenloser Versand   Bei Ersatzteilen für jeden zusätzlichen Artikel mit den gleichen Versandkriterien, den Sie von uns kaufen.Unsere Ersatzteile für ihren Scooter bzw. Roller oder auch Motorroller können Sie bequem online in unserem Shop kaufen. Egal ob sie Ihren Roller im Kaufhaus oder im Baumarkt gekauft haben, für alle gängigen Taiwan-, Europa-, oder China-Roller finden Sie bei uns passende Bauteile, insbesondere für die Motoren 50 cc, 125 cc, 250 ccm, 2takt, 4takt und für größere Leistungen. Speziell für die Motorentypen 1E40QMB, 1E40QMA ,153FMI, 156FMI ,164FML ,139QMB, 139QMA, JSD139QMB ,152QMI, 157QMI ,125-4T6M ,157QMJ, 158MJ , GY6 ,139FMB ,150QMG in kurzen und langen Versionen in den Normen Euro1, Euro2, Euro3 sowie die neuen Euro 4 Einspritzer-Motoren finden Sie Ersatzteile von hoher Güte. Gerne können Sie auch per Email nach Ersatzteilen anfragen. Bei Bestellwerten über 100 Euro können Sie auch unseren Finanzierungs- bzw. Ratenkauf-Service nutzen. Beim Kauf von Fahrzeugen können wir Ihnen auch ein Leasing-Angebot unterbreiten, das bietet sich insbesondere für Firmen an, die Betriebsfahrzeuge anschaffen, oder ihren Mitarbeitern ein Fahrzeug zur Verfügung stellen. Wir freuen uns auf Ihre Anfrage. Hinweise zu: Bremssattel

Verkaufspreis:

Versandfertig in 1 Tag, Lieferzeit 1 - 3 Werktage, sofort versandfertig

123,25 € Regulärer Preis: 141,74 €
Nicht mehr verfügbar
AGM Fighter 50 One Zylinderkopf 50ccm 2Takt 31130105-A Motorroller.de Zylinder-Kopf Zylinder-Deckel Zylinderdeckel Zylinder-Head Zylinder-Heads ECM

Durchschnittliche Bewertung von 0 von 5 Sternen

AGM Fighter 50 One Zylinderkopf 50ccm 2Takt 31130105-A Motorroller.de Zylinder-Kopf Zylinder-Deckel Zylinderdeckel Zylinder-Head Zylinder-Heads ECM

zu Artikel: Zylinderkopf 40mm mit Nut für O-Ring Verwendung einer Zündkerze mit kurzem Gewinde (NGK Typ H bedeutet kurzes Gewinde) 2Takt 50ccm liegender Minarelli Motor AC 1E40QMBDer Zylinderkopf Technik-InfoZylinderkopf auch zu finden unter: Zylinderkopf, Zylinder-Kopf, Zylinderdeckel, Kopf, Zylinder-Deckel, Zylinder-Head, Zylinder-Heads, Der Zylinderkopf schließt den Verbrennungsraum eines Verbrennungsmotors aus der Sicht des Kolbens nach oben ab. Er ist hoher Hitze und Drücken ausgesetzt. Meist sind es Guss-Zylinder, aber in der heutigen Zeit werden auch Zylinder aus hochwertigen Aluminiumlegierungen verwendet, die ebenso eine lange Lebensdauer gewährleisten. Unsere Zylinder sind in Erstausrüster-Qualität. Die Ersatzteile dieses Herstellers haben sich seit Jahren im täglichen Einsatz bewährt. Durch beständigen Erfahrungsaustausch wird die Qualität auf ein Maximum angehoben. Kostenloser Versand   Bei Ersatzteilen für jeden zusätzlichen Artikel mit den gleichen Versandkriterien, den Sie von uns kaufen. Unsere Ersatzteile für ihren Roller bzw. Motorroller oder auch Scooter können Sie bequem online in unserem Shop kaufen. Egal ob sie Ihren Roller im Baumarkt oder im Kaufhaus gekauft haben, für alle gängigen China-, Europa-, oder Taiwan-Roller finden Sie bei uns passende Bauteile, insbesondere für die Motoren 50 cc, 125 cc, 250 ccm, 2takt, 4takt und für größere Leistungen. Speziell für die Motorentypen 164FML ,150QMG ,125-4T6M ,157QMJ, 158MJ , GY6 ,139FMB ,139QMB, 139QMA, JSD139QMB ,153FMI, 156FMI ,1E40QMB, 1E40QMA ,152QMI, 157QMI in kurzen und langen Versionen in den Normen Euro1, Euro2, Euro3 sowie die neuen Euro 4 Einspritzer-Motoren finden Sie hochqualitative Ersatzteile. Gerne können Sie auch per Email nach Ersatzteilen anfragen. Bei Bestellwerten über 100 Euro können Sie auch unseren Finanzierungs- bzw. Ratenkauf-Service nutzen. Beim Kauf von Fahrzeugen können wir Ihnen auch ein Leasing-Angebot unterbreiten, das bietet sich insbesondere für Firmen an, die Betriebsfahrzeuge anschaffen, oder ihren Mitarbeitern ein Fahrzeug zur Verfügung stellen. Wir freuen uns auf Ihre Anfrage. Ein Element ist schadhaft - soll es gleich ersetzt oder repariert werden?Ganz gleich, ob jemand einen Motorroller, Elektroroller respektive E-Roller oder 3-Rad Roller fährt, er stellt sich wahrscheinlich stets die Frage, ob sie ein defektes Bauteil auswechseln oder instand setzen lassen sollen. Ein neues Element, das verhältnismäßig problemlos ausgetauscht werden kann, ist nicht lediglich preisgünstiger, sondern bietet unter anderem eine bedeutend größere Funktionssicherheit als bei einer Reparatur des Rollers. Oftmals kann ausschließlich eine kompetente Werkstatt den Mangel auf Anhieb orten. Anderenfalls haben Sie auch die Möglichkeit, sich für eines der einbaufertigen Komplett-Kits zu entscheiden, welche wir für viele diverse Bauteile anbieten. .Hochwertige Bauteile für Ihren RollerDie Qualität unserer Teile braucht keine Mitbewerber auf dem Weltmarkt zu scheuen. Unsere Produkte sind aus dem Grund so attraktiv, weil wir schon beim Einkauf auf ökonomisch sinnvolle Produktmengen wert legen. Bei uns kriegen Sie demnach sämtliche verfügbaren Komponenten für Ihren Roller nicht lediglich in hervorragend Qualität, sondern auch zu einem günstigen Preis. Wir führen sogar für die allermeisten Roller, Quads und Buggys die Bauteile, welche gar nicht mehr produziert werden. Z.B. haben wir alle Einbauteile für die Marken Sundiro und Eppella nach wie vor lieferbar.Wer darauf Wert legt, bekommt bei uns selbstverständlich auch das Originalteil für seinen fahrbaren Untersatz. Die meisten Besteller fassen hingegen wegen der guten Preise und der Erstausrüster-Qualität unsere Nachbauten ins Auge. Sie können mit unseren Komponenten die Instandsetzung Ihres motorisierten Zweirads entweder selbst ausführen oder in einer Werkstatt machen lassen. Zu solch erschwinglichen Preisen werden Sie zweifelsohne Ihr motorisiertes Zweirad nicht auf andere Art und Weise instand setzen können.Eine große Hilfe beim Ordern der passenden Austauschteile sind die jeweiligen ProduktbilderDamit Sie auch wirklich das richtige Produkt erhalten, existiert auf unserer Internetseite eine Menge von anschaulichem Bildmaterial, durch das Sie Ihre defekte Komponente mit dem lieferbaren Ersatz vergleichen können. Wesentlich dabei ist, dass Ihre Bestellung sowohl visuell als auch in den Spezifikationen und Maßen mit dem alten Bauteil zusammenpasst. Wie Sie davon profitieren:Wir kaufen Ihr FahrzeugPräzisionsfertigung nach DIN-Normhundertprozentige Fahrsicherheit des Rollers, besonders bei den BremsenAlle unsere Einbauelemente sind betriebssicher, kostengünstig sowie gebrauchstauglichMit unserer "Geld zurück" - Garantie kaufen Sie ohne RisikoUnsere Lieferungen erfolgen überwiegend kurzfristigSie bezahlen nur einmal Versandkosten beim Ordern mehrerer Einbauteile mit denselben VersandbedingungenSie erhalten von uns ohne Ausnahme die Erstausrüsterqualität - auch bei preisgünstigen NachbautenErsatzteile und Zubehör für rund 250 Marken und 8500 Typen auf LagerWir holen und bringen Ihren MotorrollerEs spielt keine Rolle, ob Sie einen Motorroller, einen Straßenbuggy, ein Fun-Fahrzeug oder einen Quad kaufen wollen. Wir sind dafür der Fachhändler Ihres Vertrauens. Wieso sollten Sie sich an uns wenden? Weil wir das Know-how und die Meister-Qualifikation besitzen, welche man für diesen Geschäftsbereich auf jeden Fall benötigt. Für unser familiär geführtes Unternehmen ist das Geschäft in Verbindung mit den Motorrollern der vollständige Lebensinhalt. Es ist nicht unbedingt sinnvoll, sein motorisiertes Zweirad bei irgendeinem x-beliebigen Händler zu kaufen. Demnach ist es notwendig, sich das bevorzugte Fachgeschäft vorab genau anzugucken. Bei uns ist alles rund um unser Betrieb transparent und nachvollziehbar! Weshalb besuchen Sie uns nicht mal in unserem Ladengeschäft, um sich selber zu informieren?Die Vertrauensbestätigung bekommen Sie dann vor Ort gleichsam schwarz auf weiß.Ist Ihnen der Weg zu uns zu weit? Dann informieren Sie sich doch durch die zahlreichen Ebay Bewertungen und des Trustedshops-Siegels. Unsere Webseite Motorroller.de wird zum Beispiel von Trustshops als "sehr gut" beurteilt. Das betrifft sowohl unseren Online-Shop als auch unsere Geschäftspraktiken. Über diese Bewertung sind wir nicht ganz zu Unrecht sehr Stolz. Unsere Käuferbewertungen bei Ebay liegen mit einem Wert von zirka 99,9 % gleichfalls in einem überdurchschnittlichen Bereich. Diese Ergebnisse beweisen eines ganz deutlich: Wir geben in allen Belangen immer unser Bestes! Bitte denken Sie daran: Wir sind auch bloß Menschen, die zuweilen Fehler machen. Seien Sie von daher nicht gleich verärgert, für den Fall, dass mal etwas nicht zu 100 Prozent geklappt hat, sondern geben Sie uns die Chance, unseren Fehler wieder gut zu machen.Unser Fachgeschäft hat für Sie geöffnet: täglich von 8:00 - 18:00 Uhr, samstags von 9:00 - 13:00 Uhr.Wir möchten uns vorstellenWir haben uns die Zufriedenheit unserer Kunden auf die Fahne geschrieben. Vor über fünf Jahrzehnten hatten unsere geschäftlichen Aktivitäten im Bereich Maschinenbau ihren Anfang, während sich der Fahrzeughandel zwischenzeitlich auch schon seit mehr als 25 Jahren mit Erfolg etablieren konnte. Unser Fokus ist heute auf den Verkauf von Fahrzeugzubehör, Ersatzteilen und das "Nice-to-have" zur Steigerung der Motorleistung für die meist gefahrenen Roller ausgerichtet.Unsere Artikelauswahl schließt über 500.000 Ersatzteile einBei Motorroller.de finden Sie beinahe alle Teile und Zweiräder aus Asien und Europa. Wir haben Ersatzteile, passendes Zubehör und Artikel für etwa 250 Fabrikate und 8500 Ausführungen für Sie auf Lager. Jonway, Yamaha, Kreidler oder Adly gehören zum Beispiel zu unseren Anbietern, mit denen wir schon jahrelang zusammenarbeiten. Wir haben insgesamt circa 500.000 Produkte von verschiedenen Produzenten im Teilesortiment, welche auf einer Fläche von über 1.000 m² in unseren Hochregalen gelagert sind. Unsere Zubehörabteilung bietet demzufolge alles, was Sie als Rollerfahrer für Ihren fahrbaren Untersatz brauchen. Das beginnt bei den Nierengürteln, Regensets und Handschuhen, und geht bis hin zu den Sturzhelmen über die Windschilder und dem Top Case.In unserem Tuningbereich halten wir für alle sportlichen Fahrer ebenso einige ausgewählte Produkte bereit. Dazu gehören etwa Zylinder, Kolben, Auspuffanlagen und andere Dinge.Unmittelbar nach der ProduktionAbsolute Prüfung der Qualität ist unsere Passion. Anders gesagt, bevor wir einen Roller in die Hände des Kunden geben, wird er von uns nochmals auf tadellose Funktion und Mängelfreiheit begutachtet. Sobald die Motorroller bei uns im Haus angeliefert werden, wird jedes einzelne Zweirad ausgepackt und als erstes einer Sichtprüfung sowie einem Testlauf auf unserem Prüfstand unterzogen. Ein letzter Funktionscheck erfolgt dann im Anschluss der Übergabe an den Kunden. Auf diese Weise ist gesichert, dass das Fahrzeug sich de facto in einem einwandfreien Zustand befindet und den Käufer vollkommen zufriedenstellt.Wir legen Wert auf eine saubere UmweltWir tragen zum Schutz unserer Umwelt bei. Das sagen wir nicht lediglich, weil unsere Roller im Allgemeinen mit wirtschaftlichen Verbrennungsmotoren versehen sind. Die Transportverpackung nehmen wir selbstverständlich wieder mit, um sie einer professionellen Abfallentsorgung zuzuführen - auch das ist für uns ein Beitrag zu einer sauberen Umwelt.Wir nehmen Ihren alten Roller in ZahlungNach dem Kauf eines neuen Rollers aus unserem Zweiradprogramm wollen Sie sich von Ihrem ausgedienten Gefährt trennen? Machen Sie sich hierüber keinen Kopf! Lassen Sie das unser Problem sein, denn wir nehmen Ihren alten Motorroller in Zahlung.Nach wie vor nicht überzeugt?Für den Fall, dass wir von Ihnen die Möglichkeit dazu erhalten würden, könnten wir Ihnen unsere fachliche Kompetenz auch beweisen. Im Gegensatz zu den billigen Onlineshops, die schon nach verhältnismäßig kurzer Zeit wieder weg sind, können wir auf eine jahrelange Firmentradition zurück blicken. In unserem stetig wachsenden Betrieb steht Anpassung an neue Technologien und ständiges Lernen in der Rangordnung ganz oben, weil wir wissen, dass sich lediglich durch zeitgemäße Innovationen und neue Ideen das Know-how für eine solide geschäftliche Basis schaffen lässt. Wenn für Sie mal die Möglichkeit besteht, einen Abstecher nach Lindenfels-Eulsbach machen zu können, können Sie die Gelegenheit nutzen, sich selber von unserem hervorragenden Service in unserem Unternehmen zu überzeugen.Wie kommen Sie auf einfache Weise zu uns nach Lindenfels?Rund 60 km im Süden von Frankfurt/Main findet man Lindenfels im Regierungsbezirk Darmstadt. Sofern Sie mit dem PKW anreisen, erreichen Sie den Ort per Autobahn von Norden über Frankfurt/Main (A6) bzw. von Süden über Stuttgart, Karlsruhe und Mannheim (A8). Es gibt auch eine gute Verkehrsanbindung mit der Bahn.Unsere TopmarkenUnsere TopmarkenHinweise zu: Ersatzzylinderkopf

Regulärer Preis:

Derzeit nicht verfügbar

31,90 €