Zum Hauptinhalt springen Zur Suche springen Zur Hauptnavigation springen
Menü
efr
erf
rrrf
Schnell lieferbar
14 Tage Rückgaberecht
Schneller DPD Versand

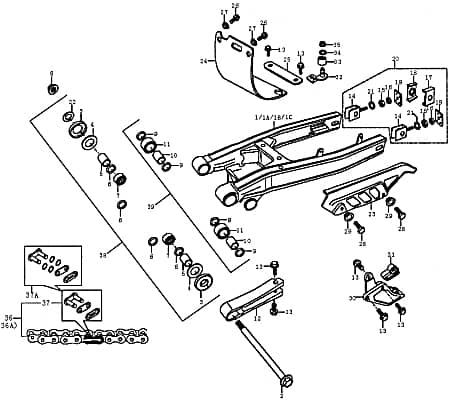
zu Artikel: Befestigungsplatte 89053

Technik-Info

Befestigungsplatte

Befestigung, Halteblech, Haltebügel, Haltebuegel, Halterung, Halter, Befestigungsplatte

Die Marke Rex ist eine der meistverkauften in Deutschland. Durch ständige Qualitätskontrollen vorort beim Hersteller ist ein hoher Standard gewährleistet.

Kostenloser Versand   Bei Ersatzteilen für jeden zusätzlichen Artikel mit den gleichen Versandkriterien, den Sie von uns kaufen.

Unsere Ersatzteile für ihren Roller bzw. Motorroller oder auch Scooter können Sie bequem online in unserem Shop kaufen. Egal ob sie Ihren Roller im Kaufhaus oder im Baumarkt gekauft haben, für alle gängigen Europa-, Taiwan-, oder China-Roller finden Sie bei uns passende Bauteile, insbesondere für die Motoren 50 cc, 125 cc, 250 ccm, 2takt, 4takt und für größere Leistungen. Speziell für die Motorentypen 139QMB, 139QMA, JSD139QMB ,1E40QMB, 1E40QMA ,157QMJ, 158MJ , GY6 ,125-4T6M ,150QMG ,153FMI, 156FMI ,139FMB ,164FML ,152QMI, 157QMI in kurzen und langen Versionen in den Normen Euro1, Euro2, Euro3 sowie die neuen Euro 4 Einspritzer-Motoren finden Sie qualitativ hochwertige Ersatzteile. Gerne können Sie auch per Email nach Ersatzteilen anfragen. Bei Bestellwerten über 100 Euro können Sie auch unseren Ratenkauf- bzw. Finanzierungs-Service nutzen. Beim Kauf von Fahrzeugen können wir Ihnen auch ein Leasing-Angebot unterbreiten, das bietet sich insbesondere für Firmen an, die Betriebsfahrzeuge anschaffen, oder ihren Mitarbeitern ein Fahrzeug zur Verfügung stellen. Wir freuen uns auf Ihre Anfrage.

Baugruppe: Rahmen

Ersatzteil: Motorhalter

Artikelposition in Explosionszeichnung: 25

Motorroller bequem online kaufen – von der Bestellung bis zur Lieferung


Mobiler Home Service – Bundesweit Inspektionen und Reparaturen


Motorroller.de – Über uns – Ihr Support vom Profi seit 1993

Ihr Finanzierungsplan**
Monate Rate mtl. Gesamt
6039,67 €2.380,49 €
12157,59 €1.891,14 €

Einfach im Bestellvorgang die Expokredit-Finanzierung als Zahlungsweise auswählen ...

  • Kreidler SUPERMOTO 125
  • Rex Enduro 125 DD
  • Rex Supermoto 125 DD
  • Rex Supermoto Enduro 125
Produktgalerie überspringen

Kunden haben sich ebenfalls angesehen

Rabatt
Luftfiltergehäuse Luftfiltermatte Quad ATV 13411-CGV-00
Luftfiltergehäuse Luftfiltermatte Quad ATV 13411-CGV-00

zu Artikel: LuftfiltergehäuseLuftfilterkastenAuch zu finden unter: Luftfilter-Trakt, Luftfiltertrakt kaufen, Luftfiltereinlage kaufen, Luftfiltergehaeuse kaufen, Luftfiltermatte kaufen, Luftfiltertrakt kaufen, Luftfilter-Kasten kaufen, Luftfilterkasten, Luftfilter komplett, Luft-Filter, Luftfilter-Kasten, Luftfiltermatte, Luftfilter komplett kaufen, Luft-Filter kaufen, Luftfiltergehaeuse, Luftfiltergehäuse, Luftfiltergehäuse, Luftfilterkasten kaufen, Luftfiltereinlage, Luftfilter-Trakt kaufen.Unser Ersatz-Luftfilterkasten hat nicht allein Erstausrüsterqualität, sondern gleicht in im Aufbau sowie in der Verarbeitung dem Originalerzeugnis. Wir liefern das Zubehörteil mitsamt Luftfiltereinsatz. Eine kostengünstige Option, wenn zurückgerüstet werden muss bzw. das Original kaputt ist das. Beim Umrüsten auf Sportfilter wird mehrfach das Originalteil weggeworfen oder verlegt. Die Anschaffung des Originalteils kann mitunter sehr in Geld gehen, deswegen bieten wir diesen beträchtlich günstigeren Ersatz an.Das Fabrikat kann mühelos gegen das Modul getauscht werden. Sie bekommen es sowohl als preisgünstigen Nachbau als auch als Originalersatz, hingegen immer in Erstausrüsterqualität.Durch den jahrelangen Einsatz haben sich die Ersatzbauteile dieses Fahrzeugproduzenten bestens bewährt. Sie können alle Bauelemente in unserem Onlineshop kaufen. Durch andauernden Erfahrungsaustausch wird die Qualität laufend verbessert.Kostenloser Versand bei Ersatzteilen für jedes extra Teil mit den gleichen Versandkriterien, das Sie bei uns erwerben.Bestellen Sie unsere Komponenten für Ihren Roller, Scooter, Elektroroller beziehungsweise E-Roller oder auch 3-Rad-Roller [Dreirad-Roller] bequem über unseren Onlineshop. Wo Sie Ihren Motorroller gekauft haben, es ist ganz egal. Ob im Fachgeschäft, Baumarkt oder Kaufhaus, Sie finden bei uns für nahezu sämtliche gängigen Zweiräder aus Taiwan, Europa oder China passgenauen Ersatzbauteile. Ein zusätzlicher Weg für Fragen in Bezug auf Bauteile, ist das Medium Email. Unser vorrangiger Zahlungsweg ist generell PayPal beziehungsweise beim Kauf über Amazon die Bankabbuchung.Bei Bestellwerten über 100 EUR können Sie den Zahlungsbetrag auch finanzieren. Vor dem Kauf machen wir Ihnen ohne Frage auch gerne ein Leasingangebot. Für Firmen wäre diese Möglichkeit sicher nicht uninteressant, insbesondere bei der Anschaffung von Betriebsfahrzeugen oder wenn sie eigene Zweiräder für die Angestellten kaufen möchten. Bitte fragen Sie an - wir beraten Sie gerne.Dieses Teil passt zu folgenden Zweiräder bzw. Motoren:Das schadhafte Bauteil tauschen oder instand setzen lassen?Diese Frage wird von Rollerfahrern häufig gestellt, ganz gleich, ob sie einen Dreirad-Roller, Elektroroller respektive E-Roller oder Motorroller besitzen, für den Fall, dass etwas an ihrem Fahrzeug defekt geworden ist. Ein neues Teil, das relativ schnell gewechselt werden kann, ist nicht lediglich günstiger, sondern bietet außerdem eine deutlich größere Ausfallsicherheit als nach einer Instandsetzung. Häufig kann man die Ursache einer Funktionsstörung nicht gleich selbst entdecken und eine kompetente Fachwerkstatt muss eruieren, warum der Roller Probleme macht. Alternativ haben Sie auch die Option, sich für eines der fertigen Komplett-Kits zu entscheiden, welche wir für viele unterschiedliche Bauteile anbieten. .Für Ihr Zweirad - hochwertige QualitätDie Bauteile, welche wir im Sortiment haben, entsprechen in Bezug auf die Qualität dem Weltmarktniveau. Warum sind wir trotz der hohen Qualität unserer Produkte so günstig? Das liegt nicht nur an unserer Preisgestaltung, sondern vor allem daran, dass wir unsere Bauteile in großen Einkaufsmengen beziehen. Bei uns kriegen Sie in Folge dessen alle lieferbaren Komponenten für Ihren fahrbaren Untersatz nicht lediglich in bester Qualität, sondern auch zu einem erschwinglichen Preis.Sie suchen für einen Sundiro oder Eppella Roller ein Ersatzteil? Keine Panik, wir haben sie lieferbar.Logischerweise liefern wir auch Originalteile vom Fahrzeughersteller, obschon unsere Nachbauten einen qualitativen Vergleich mit dem Erstausrüster-Produkt nicht scheuen müssen, jedoch in der Regel bedeutend billiger sind. Ganz egal, ob Sie die Reparatur an Ihrem Zweirad selbst ausführen wollen oder besser in einer Werkstatt durchführen lassen möchten, in jedem Fall liegen Sie mit unseren Teilen zu 100 Prozent richtig. Mit Sicherheit gibt es keine andere Alternative, im Zusammenhang mit der Instandsetzung Ihres Motorrollers, um einiges an Geld zu sparen.Eine gute Hilfe beim Bestellen der richtigen Ersatzteile sind die einzelnen AbbildungenBei den Beschreibungen finden Sie auf unserer Webseite auch anschauliches Bildmaterial. Dadurch können Sie sogleich Ihr altes Element mit dem lieferbaren Ersatz vergleichen und gehen auf diese Weise sicher, dass Sie später auch in der Tat den benötigten Artikel bekommen. Achten Sie bitte speziell auf die Übereinstimmung des defekten Austauschteils mit dem abgebildeten Artikel; vor allem was die aufgeführten Spezifikationen und Abmessungen betrifft.Ihre Vorteile:Auch bei preiswerten Nachbauten bekommen Sie von uns ohne Ausnahme die ErstausrüsterqualitätSie zahlen nur einmal den Versand bei Bestellung mehrerer Ersatzteile mit identischen VersandfaktorenDurch unsere "Geld zurück" - Garantie kaufen Sie ohne RisikoPräzisionsfertigung nach DIN-NormWir holen und bringen Ihren Motorroller100-prozentige Verkehrssicherheit des Motorrollers, insbesondere bei den BremsenAlle unsere Produkte sind kostengünstig, ausfallsicher sowie gebrauchstauglichKomponenten und Artikel für ca. 250 Marken und 8500 Typen auf LagerUnsere Lieferungen erfolgen fast immer kurzfristigRoller-Ankauf zu fairen PreisenWir sind der erste Ansprechpartner, für den Fall, dass es um die Anschaffung von einem Roller, Fun-Fahrzeug, Quad oder Buggy geht. Warum sind wir der entsprechende Partner für Sie? Weil wir die Meister-Qualifikation und das entsprechende Know-how besitzen, die für dieses Geschäftsfeld unbedingt nötig sind. Für unser familiär geführtes Unternehmen ist das Geschäft in Verbindung mit den Motorrollern der vollständige Lebensinhalt.Zumal Kaufen auch Vertrauenssache ist, sollte man sich demzufolge das ausgewählte Fachgeschäft zuvor genau angucken, bei dem man vorhat ein motorisiertes Zweirad zu erwerben. Alles ist in unserem Unternehmen transparent und für den Käufer nachzuvollziehen! Sie dürfen gerne zu jeder Zeit bei uns vorbeikommen und sich persönlich ein Bild machen.Die Vertrauensbestätigung erhalten Sie dann vor Ort praktisch schwarz auf weiß.Wenn Ihnen die Strecke zu uns zu weit ist, können Sie sich auch mittels des Trustedshops-Siegels und die verschiedenen Ebay Bewertungen sachkundig machen. Die Beurteilungen von Trustedshops sind grundsätzlich nicht nur überaus aussagekräftig, sondern auch hundertprozentig wertneutral. Sowohl der Onlineshop auf unserer Homepage Motorroller.de als auch unsere Geschäftspraktiken wurden von dieser Institution bis dato durchweg mit "sehr gut" beurteilt. Der Faktor von zirka 99,9 Prozent bei Ebay in den Kundenrezensionen kann sich ebenso sehen lassen. Bestätigen diese Ergebnisse nicht eindeutig, dass unsere Kundschaft bestens bei uns aufgehoben ist?Bitte denken Sie daran, dass wir keine Roboter sondern auch nur Menschen sind, denen manchmal denen bisweilen etwas misslingen kann. Wir wollen Sie von daher bitten, uns auf jeden Fall eine Möglichkeit zur Verbesserung zu geben, sofern mal etwas nicht ganz geklappt hat.Unser Expertenteam steht Ihnen täglich zwischen 8:00 und 18:00 Uhr sowie am Samstag von 8:00 bis 13:00 Uhr zur Verfügung.Wir sind seit vielen Jahren für unsere Kunden daWir tun eine Menge, damit unsere Kundschaft zufrieden ist. Das Geschäft mit motorisierten Zweirädern betreiben wir überaus Erfolg versprechend schon seit über 25 Jahren, wollen dabei aber dessen ungeachtet nicht unerwähnt lassen, dass wir bereits mehr als 50 Jahre auf eine erfolgreiche Geschäftstätigkeit auf dem Sektor Maschinenbau zurückblicken können. Unser Schwerpunkt ist heute auf den Vertrieb von das "Nice-to-have" für Tuning, Zubehör und Einbauteilen für die meisten Roller ausgerichtet.Unser Warenspektrum beinhaltet mehr als 500.000 TeileAuf unserer Webseite finden Sie unter Motorroller.de nahezu sämtliche Komponenten und Zweiräder aus Europa und Fernost. Es gibt zurzeit Teile, Artikel und passendes Zubehör für rund 250 Marken und 8500 Ausführungen in unserem Lager, die bloß auf Ihre Bestellung warten. Darunter sind z.B. Lieferanten wie Adly, Yamaha, Kreidler oder Jonway zu finden. Wir haben insgesamt mehr als 500.000 Produkte von diversen Anbietern im Ersatzteil-Programm, die auf einer Lagerfläche von über 1.000 m² in unseren Regalen auf Lager liegen. Unser Zubehörlager bietet demnach alles, was Sie als Rollerfahrer für Ihr Zweirad brauchen.Das beginnt beim Top Case über die Windschilder und den Schutzhelmen, und geht bis hin zu Nierengürteln, Regensets und Handschuhen.Selbst Tuningfans kommen bei uns nicht zu kurz. Sie finden in unserer Tuningabteilung alles was das Herz begehrt, wie etwa Auspuffanlagen, Zylinder, Kolben und dergleichen Dinge.Direkt nach der ProduktionKein Produkt verlässt unser Unternehmen, ehe es nicht auf tadellose Qualität kontrolliert worden ist. Dies bedeutet, bevor ein Motorroller ausgeliefert beziehungsweise vom Kunden abgeholt wird, testen wir ihn letztlich nochmals ausführlich auf eventuelle Mängel beziehungsweise Transportschäden. Das erste Mal geschieht dies vor dem Versand, indem wir jedes Fahrzeug auspacken und auf unserem computergesteuerten Zweirad-Prüfstand einem Testlauf beziehungsweise einer Übergabekontrolle unterziehen. Bevor der Käufer den Roller übernimmt, erfolgt noch ein letzter Funktionstest. Auf diese Weise ist de facto gesichert, dass der Kunde mit seinem Kauf 100-prozentig zufrieden ist.Umweltschutz wir bei uns groß geschriebenWir tragen zum Umweltschutz bei. Unsere Zweiräder haben einerseits in der Regel einen Benzin sparenden Verbrennungsmotor. Klarerweise nehmen wir im Sinne des Umweltschutzes die Transportverpackung wieder mit, welche bei der Auslieferung unserer Fahrzeuge anfällt und führen sie einer professionellen Müllentsorgung zu.Ihren ausgedienten Motorroller kaufen wir gerne anSie wollen sich bei uns einen neuen Roller kaufen und suchen für Ihren alten fahrbaren Untersatz einen neuen Besitzer? Seien Sie deswegen unbesorgt! Lassen Sie das unsere Sorge sein, denn wir nehmen Ihren ausgedienten Roller in Zahlung.Haben Sie immer noch Bedenken?Sofern wir von Ihnen die Chance dazu bekommen würden, könnten wir Ihnen unsere fachlichen Qualitäten auch beweisen. Wir sind kein billiger Verkaufsshop, der heute kommt und morgen schon wieder unauffindbar ist. Die stabile Basis für ein erfolgreiches Unternehmen besteht darin, dass ausschließlich hinsichtlich neuer Ideen und zeitgemäßer Innovationen ein nachhaltiges Wachstum garantiert werden kann. Deswegen stehen Fleiß und ständiges Lernen in unserem stetig wachsenden Betrieb fortwährend an der ersten Stelle. Besuchen Sie uns doch mal in unserem Betrieb in Lindenfels-Eulsbach und überzeugen Sie sich selbst von unserem vorzüglichen Kundenservice.Unser Unternehmen ist mühelos zu findenLindenfels liegt ca. 60 km südlich von Frankfurt/Main und 40 km nordöstlich von Mannheim im Odenwald (Regierungsbezirk Darmstadt). Alternativ ist es natürlich auch möglich, mit der Bahn zu fahren.Unsere TopmarkenUnsere TopmarkenHinweise zu: Luftfilter

Verkaufspreis:
Nicht verfügbar
109,89 € Regulärer Preis: 126,37 €
Rabatt
Bundschraube M8x30mm Jonway Jigger 50 Scooter 9050608030-5 Motorroller.de Maschinenschraube Flanschschraube Flansch-Schraube Maschinen-Schraube Moped
Bundschraube M8x30mm Jonway Jigger 50 Scooter 9050608030-5 Motorroller.de Maschinenschraube Flanschschraube Flansch-Schraube Maschinen-Schraube Moped

zu Artikel: Flanschschraube M8x30 Matt verchromt 9050608030-5 Technik-InfoFlanschschraubeBundschraube, Bund-Schraube, Schraube, Maschinenschraube, Flansch-Schraube, Flanschschraube, Maschinen-Schraube Hier handelt es sich um ein Standard-Ersatzteil in erstklassiger Qualität. Die Teile werden einer ständigen Qualitätssicherung unterzogen, zu Ihrer und unserer Zufriedenheit.Die Ersatzteile dieses Herstellers haben sich seit Jahren im täglichen Einsatz bewährt. Durch beständigen Erfahrungsaustausch wird die Qualität auf ein Maximum angehoben.Kostenloser Versand   Bei Ersatzteilen für jeden zusätzlichen Artikel mit den gleichen Versandkriterien, den Sie von uns kaufen.Unsere Ersatzteile für ihren Motorroller bzw. Scooter oder auch Roller können Sie bequem online in unserem Shop kaufen. Egal ob sie Ihren Roller im Baumarkt oder im Kaufhaus gekauft haben, für alle gängigen China-, Taiwan-, oder Europa-Roller finden Sie bei uns passende Bauteile, insbesondere für die Motoren 50 cc, 125 cc, 250 ccm, 4takt, 2takt und für größere Leistungen. Speziell für die Motorentypen 157QMJ, 158MJ ,164FML ,139FMB ,139QMB, 139QMA, JSD139QMB ,150QMG ,1E40QMB, 1E40QMA , GY6 ,152QMI, 157QMI ,125-4T6M ,153FMI, 156FMI in kurzen und langen Versionen in den Normen Euro1, Euro2, Euro3 sowie die neuen Euro 4 Einspritzer-Motoren finden Sie Ersatzteile von hoher Qualität. Gerne können Sie auch per Email nach Ersatzteilen anfragen. Bei Bestellwerten über 100 Euro können Sie auch unseren Finanzierungs- bzw. Ratenkauf-Service nutzen. Beim Kauf von Fahrzeugen können wir Ihnen auch ein Leasing-Angebot unterbreiten, das bietet sich insbesondere für Firmen an, die Betriebsfahrzeuge anschaffen, oder ihren Mitarbeitern ein Fahrzeug zur Verfügung stellen. Bitte fragen Sie an.

Verkaufspreis:
Verfügbar
1,69 € Regulärer Preis: 1,94 €
Rabatt
Wellendichtring 30 x 18 5 Vorderrad Motorroller 701670
Wellendichtring 30 x 18 5 Vorderrad Motorroller 701670

zu Artikel: Wellendichtring 30x18x 5 701670 Technik-InfoWellendichtringDichtringe, Dichtring, Wellendichtring, Simmerring, Simmerringe, Simmer-Ring, Dicht-Ring, Wellen-Dichtring, Wedi, Dichtung Simmerring Der Simmerring dichtet drehende Wellen zuverlässig ab. Da er aber ständiger Reibung ausgesetzt ist, ist er einem natürlichen Verschleiß unterworfen. Unsere Simmerringe entsprechen der Fahrzeughersteller-Qualität. So haben Sie wieder lange Fahrfreude.Die Marke Rex ist eine der meistverkauften in Deutschland. Durch ständige Qualitätskontrollen vorort beim Hersteller ist ein hoher Standard gewährleistet.Kostenloser Versand   Bei Ersatzteilen für jeden zusätzlichen Artikel mit den gleichen Versandkriterien, den Sie von uns kaufen.Unsere Ersatzteile für ihren Scooter bzw. Motorroller oder auch Roller können Sie bequem online in unserem Shop kaufen. Egal ob sie Ihren Roller im Kaufhaus oder im Baumarkt gekauft haben, für alle gängigen China-, Taiwan-, oder Europa-Roller finden Sie bei uns passende Bauteile, insbesondere für die Motoren 50 cc, 125 cc, 250 ccm, 4takt, 2takt und für größere Leistungen. Speziell für die Motorentypen 125-4T6M ,157QMJ, 158MJ ,139FMB ,150QMG ,153FMI, 156FMI ,1E40QMB, 1E40QMA , GY6 ,152QMI, 157QMI ,164FML ,139QMB, 139QMA, JSD139QMB in kurzen und langen Versionen in den Normen Euro1, Euro2, Euro3 sowie die neuen Euro 4 Einspritzer-Motoren finden Sie Ersatzteile von hoher Qualität. Gerne können Sie auch per Email nach Ersatzteilen anfragen. Bei Bestellwerten über 100 Euro können Sie auch unseren Ratenkauf- bzw. Finanzierungs-Service nutzen. Beim Kauf von Fahrzeugen können wir Ihnen auch ein Leasing-Angebot unterbreiten, das bietet sich insbesondere für Firmen an, die Betriebsfahrzeuge anschaffen, oder ihren Mitarbeitern ein Fahrzeug zur Verfügung stellen. Wir freuen uns auf Ihre Anfrage.

Verkaufspreis:
Nicht verfügbar
4,80 € Regulärer Preis: 5,52 €
Rabatt
Unterlegscheibe Washer Distanzscheibe Rex 750716
Unterlegscheibe Washer Distanzscheibe Rex 750716

zu Artikel: Unterlegscheibe 750716 Technik-Info Unterlegscheibe U-Scheibe, Beilagscheibe, Unterlegscheibe, Zwischenscheibe, Distanzscheibe, Distanz-Scheibe, Ausgleichsscheibe, Beilegscheibe, Unterlagscheibe, Washer, Distanzhalter Unterlegscheiben werden verwendet, um die Kraft des Schraubenkopfes einer Schraube oder Mutter auf eine größere Fläche zu verteilen. Sie finden aber auch Verwendung als Distanz- oder Abstands-Scheibe. Die Marke Rex ist eine der meistverkauften in Deutschland. Durch ständige Qualitätskontrollen vorort beim Hersteller ist ein hoher Standard gewährleistet. Kostenloser Versand   Bei Ersatzteilen für jeden zusätzlichen Artikel mit den gleichen Versandkriterien, den Sie von uns kaufen. Sie können unsere Ersatzteile für ihren Roller bzw. Motorroller oder auch Scooter bequem online in unserem Shop kaufen. Egal ob Kaufhaus-Roller oder im Baumarkt-Roller, für alle gängigen Europa-, China-, oder Taiwan-Roller finden Sie bei uns passende Bauteile. Speziell für die Motoren 50 cc, 125 cc, 250 ccm, 2takt, 4takt und für größere Leistungen. Speziell für die Motorentypen 139QMB, 139QMA, 1E40QMB, 152QMI, 157QMI, GY6, 125-4T6M, 139FMB, 153FMI, 156FMI, 157QMJ, 158MJ, 164FML, 1E40QMA, JSD139QMB, 150QMG in kurzen und langen Versionen in den Normen Euro1, Euro2, Euro3 sowie die neuen Euro 4 Einspritzer-Motoren finden Sie qualitativ hochwertige Ersatzteile. Emailanfragen nach speziellen Ersatzteilen beantworten wir Ihnen gerne. Wenn sie für mehr als 100 Euro bestellen, können wir Ihnen auch Finanzierungs- bzw. Ratenkauf anbieten. Beim Kauf von Fahrzeugen haben Sie auch die Möglichkeit zu finanzieren oder zu leasen. Letzteres bietet sich besonders für Firmen an, die Betriebsfahrzeuge anschaffen, oder ihren Mitarbeitern ein Fahrzeug zur Verfügung stellen. Bitte fragen Sie an.

Verkaufspreis:
Nicht verfügbar
1,69 € Regulärer Preis: 1,94 €
Rabatt
Kreidler STAR Deluxe 4S 200 O-Ring 200ccm 4Takt SF214-0061 Motorroller.de Gummidichtung Dichtring Gummiring Oring Gummi-Ring Dicht-Ring 200ccm-4Takt
Kreidler STAR Deluxe 4S 200 O-Ring 200ccm 4Takt SF214-0061 Motorroller.de Gummidichtung Dichtring Gummiring Oring Gummi-Ring Dicht-Ring 200ccm-4Takt

zu Artikel: O-Ring Dichtring Gummiring Dichtring SF214-0061 Technik-InfoO-Ring Gummi-Ring, Dicht-Ring, Motorölablassdichtung, Steuerkettenspanner, Dichtung, Dichtung Gummi, Gummidichtung, Gummidichtring, Ring, Ringstück, Dichtring, O-Ring, Oring, Gummiring, OR-Dichtung Dichtringe, O-Ringe oder Null-Ringe sind ringförmige Dichtungselemente. Der Name leitet sich vom O-förmigen Querschnitt ab. Alle unsere Dichtringe sind in Erstausrüster-Qualität. Seit vielen Jahren beziehen wir Teile von diesem Herstellers, und die Teile haben sich täglichen Einsatz bewährt. Es ist uns gelungen durch beständigen Erfahrungsaustausch die Qualität auf ein Maximum anzuheben. Kostenloser Versand   Bei Ersatzteilen für jeden zusätzlichen Artikel mit den gleichen Versandkriterien, den Sie von uns kaufen. Unsere Ersatzteile für ihren Scooter bzw. Roller oder auch Motorroller können Sie bequem online in unserem Shop kaufen. Egal ob sie Ihren Roller im Baumarkt oder im Kaufhaus gekauft haben, für alle gängigen China-, Europa-, oder Taiwan-Roller finden Sie bei uns passende Bauteile, insbesondere für die Motoren 50 cc, 125 cc, 250 ccm, 2takt, 4takt und für größere Leistungen. Speziell für die Motorentypen 1E40QMB, 1E40QMA ,125-4T6M ,157QMJ, 158MJ , GY6 ,139FMB ,150QMG ,153FMI, 156FMI ,164FML ,139QMB, 139QMA, JSD139QMB ,152QMI, 157QMI in kurzen und langen Versionen in den Normen Euro1, Euro2, Euro3 sowie die neuen Euro 4 Einspritzer-Motoren finden Sie Ersatzteile von hoher Güte. Gerne können Sie auch per Email nach Ersatzteilen anfragen. Bei Bestellwerten über 100 Euro können Sie auch unseren Finanzierungs- bzw. Ratenkauf-Service nutzen. Beim Kauf von Fahrzeugen können wir Ihnen auch ein Leasing-Angebot unterbreiten, das bietet sich insbesondere für Firmen an, die Betriebsfahrzeuge anschaffen, oder ihren Mitarbeitern ein Fahrzeug zur Verfügung stellen. Bitte fragen Sie an.

Verkaufspreis:
Nicht verfügbar
1,69 € Regulärer Preis: 1,94 €
Benzhou Yiying City Star 50 4T Auspuff 50ccm 4Takt Motorroller.de Endschalldämpfer Auspuffanlage 50cc Endtopf Schalldämpfer Auspuff-Anlage
Benzhou Yiying City Star 50 4T Auspuff 50ccm 4Takt Motorroller.de Endschalldämpfer Auspuffanlage 50cc Endtopf Schalldämpfer Auspuff-Anlage

zu Artikel: Auspuff komplett Standard ohne SLS Anschluss Schwarz lackiert Chromblende seitlich und Endkappe ohne Halter für Spritzschutz Krümmerdurchmesser Innen: 19mm, Außen 22mm 139QMA 139QMB 4TaktAuspuff Auspuff komplett Standard ohne SLS Anschluss Schwarz lackiert Chromblende seitlich und Endkappe mit Halter für Spritzschutz JSD50QT-13 139QMA 139QMB 50ccm 4Takt Technik-Info Der Artikel: Auspuff auch zu finden unter: Schalldämpfer, Auspuff, Auspuff-Topf, Auspufftopf, Auspuffanlage, Schalldaempfer, Auspuff-Anlage, Schall-Dämpfer, Schall-Daempfer Ersatzauspuff im besten Preis-Leistungs-Verhältnis, mit sehr guter Passgenauigkeit. Mit diesem Auspuff erhalten Sie in diesem Preissegment den Besten. Diese Auspuffanlage ist wegen seiner Qualität und Preiswertigkeit als Ersatz für Ihre defekte oder verrostete alte Auspuffalanlage bestens geeignet. Sieht gut aus, hat einen guten Klang, macht einen optimalen Eindruck und der Preis ist super günstig. Bei den Verpackungs- und Versandkosten muss natürlich gespart werden, sonst ist der Lieferpreis nicht machbar. Die Krümmerdichtung ist nicht im Lieferumfang enthalten, diese können Sie auf Wunsch zusätzlich geg. einen kleinen Aufpreis mit bestellen. Dieser Artikel wurde hergestellt für Fahrzeuge der Marke:Jonway und AGM top Erstausrüsterqualität Unsere Ersatzteile für ihren Scooter bzw. Motorroller oder auch Roller können Sie bequem online in unserem Shop kaufen. Egal ob sie Ihren Roller im Baumarkt oder im Kaufhaus gekauft haben, für alle gängigen China-, Europa-, oder Taiwan-Roller finden Sie bei uns passende Bauteile, insbesondere für die Motoren 50 cc, 125 cc, 250 ccm, 4-Takt, 2-Takt und für größere Leistungen. Speziell für die Motorentypen 153FMI, 156FMI ,164FML ,139FMB ,139QMB, 139QMA, JSD139QMB ,152QMI, 157QMI ,1E40QMB, 1E40QMA ,157QMJ, 158MJ ,GY6 ,125-4T6M ,150QMG in kurzen und langen Versionen in den Normen Euro1, Euro2, Euro3 sowie die neuen Euro 4 Einspritzer-Motoren finden Sie qualitativ hochwertige Ersatzteile. Gerne können Sie auch per Email nach Ersatzteilen anfragen. Bei Bestellwerten über 100 Euro können Sie auch unseren Ratenkauf- bzw. Finanzierungs-Service nutzen. Beim Kauf von Fahrzeugen können wir Ihnen auch ein Leasing-Angebot unterbreiten, das bietet sich insbesondere für Firmen an, die Betriebsfahrzeuge anschaffen, oder ihren Mitarbeitern ein Fahrzeug zur Verfügung stellen. Ihre Anfrage nehmen wir gerne entgegen Tauschen oder instand setzen?Ganz gleich, ob jemand einen Motorroller, 3-Rad Roller oder Elektroroller respektive E-Roller fährt, er stellt sich wahrscheinlich oftmals die Frage, ob sie ein fehlerhaftes Element austauschen oder reparieren lassen sollen. Ein neues Bauteil, das relativ problemlos ausgetauscht werden kann, ist nicht lediglich günstiger, sondern bietet obendrein eine deutlich größere Ausfallsicherheit als nach einer Instandsetzung. Häufig kann lediglich eine qualifizierte Fachwerkstatt den Defekt auf Anhieb orten. Andererseits gibt es auch die Möglichkeit, sich für eines der fertigen Einbau-Kits zu entscheiden, welche wir für zahlreiche diverse Fabrikate anbieten. .Qualität ist unsere DeviseDie Produkte, welche wir auf Lager haben, entsprechen bezüglich der Qualität zu 100 Prozent dem Weltmarktniveau. Wieso sind wir trotz hoher Qualität so günstig? Wir kalkulieren nicht nur unsere Preise äußerst moderat, sondern wir kaufen auch in ökonomisch sinnvollen Produktmengen ein. Sämtliche verfügbaren Teile für Ihr Zweirad können Sie bei über unseren Shop sowohl in guter Qualität als auch zu einem Preis bestellen, der keine Wünsche offen lässt. Sie suchen für einen Eppella oder Sundiro Roller ein Bauteil? Keine Sorge, wir haben sie auf Lager.Wer möchte, bekommt bei uns selbstverständlich auch das Originalteil für seinen Motorroller. Die meisten fassen jedoch zufolge der guten Preise und der Erstausrüster-Qualität unsere Nachbauten ins Auge. Sie können mit unseren Bauteilen die Reparatur von Ihrem Roller entweder selbst bewerkstelligen oder von einem Fachmann durchführen lassen. Es gibt mit Sicherheit keine andere Alternative, durch die Sie zu bezahlbaren Kosten und in hervorragender Qualität Ihren Roller wieder flott bekommen können.Abbildungen erleichtern das Auffinden der gewünschten KomponentenBei den Beschreibungen finden Sie in unserem Onlineshop auch entsprechendes Bildmaterial. Hierdurch können Sie auf schnellstem Weg Ihr altes Bauteil mit dem verfügbaren Ersatz vergleichen und gehen auf diese Weise sicher, dass Sie dann auch garantiert den passenden Artikel erhalten. Hierbei ist es wesentlich, dass das Teil, welches Sie auswechseln möchten, nicht nur optisch, sondern auch in den technischen Angaben und Dimensionen mit Ihrer Bestellung übereinstimmt. Was Sie davon haben:Wir kaufen Ihr ZweiradHol- und BringserviceKurzfristige LieferzeitenSie erhalten von uns ausnahmslos die Erstausrüsterqualität - auch bei günstigen NachbautenSie bezahlen beim Ordern mehrerer Komponenten mit denselben Versandkriterien nur einmal den VersandEinbauelemente und Artikel für ungefähr 250 Marken und 8500 Typen auf LagerKauf ohne Risiko dank "Geld zurück" - GarantieISO-zertifizierte PräzisionsfertigungUnsere sämtlichen Produkte sind preiswürdig, gebrauchstauglich und ausfallsicherAbsolute Fahrsicherheit des Rollers, besonders bei BremsanlagenAm besten kaufen Sie Roller, Quads, Buggys und Fun-Fahrzeuge in einem Fachgeschäft wie das unsrige. Weshalb sollten Sie sich an uns wenden? Weil wir für dieses Geschäftsfeld das Know-how und die Meister-Qualifikation besitzen, welche dazu unter allen Umständen gebraucht wird. Wir betreiben nicht nur unser Geschäft rund um die Roller, wir leben es buchstäblich. Es ist nicht unbedingt sinnvoll, sein motorisiertes Zweirad beim nächsten x-beliebigen Händler zu kaufen. Dementsprechend ist es wesentlich, sich das bevorzugte Fachgeschäft zuerst genau anzusehen. Bei uns ist alles für den Käufer absolut nachvollziehbar! Sie dürfen gerne zu jeder Zeit bei uns vorbeikommen und sich persönlich ein Bild machen.Die Vertrauensbestätigung bekommen Sie dann gleichsam schwarz auf weiß vor Ort.Wenn Ihnen der Weg zu uns zu weit ist, können Sie sich auch durch die unterschiedlichen Ebay Bewertungen und des Trustedshops-Siegels informieren. Zum Beispiel wird sowohl unsere Geschäftspraxis als auch unser Onlineshop mit dem Trustedshops Gütesiegel "sehr gut" beurteilt, was uns mit Fug und Recht sehr stolz macht. Der Bewertungsfaktor von ca. 99,9 Prozent bei Ebay in den Käuferrezensionen kann sich ebenfalls sehen lassen. Bestätigen diese Resultate nicht eindeutig, dass unsere Kunden bestens bei uns aufgehoben sind? Denken Sie aber bitte daran, dass dort wo gearbeitet wird, auch Fehler passieren. Darum bitten wir Sie, sofern mal etwas nicht so gut gelaufen ist, uns auf jeden Fall die Gelegenheit zur Verbesserung zu geben.Unser fachkundiges Team steht Ihnen täglich zwischen 8:00 und 18:00 Uhr sowie am Samstag von 8:00 bis 13:00 Uhr zur Verfügung.Wir möchten uns vorstellenWir haben uns die Zufriedenheit unserer Kunden auf die Fahne geschrieben. Die Geschäftstätigkeit unseres Unternehmens begann schon vor über 50 Jahren mit dem Bau von Maschinen. Den Fahrzeughandel mit Zweirädern hingegen, betreiben wir gegenwärtig auch bereits seit mehr als 25 Jahren ungemein erfolgreich. Wir haben uns zwischenzeitlich schwerpunktmäßig auf das "Must have" für Motortuning, Fahrzeugzubehör und Ersatzkomponenten für die häufigsten Motorroller spezialisiert.Wir können zeitnah ca. 500.000 Zubehörteile liefernBei uns finden Sie unter Motorroller.de beinahe alle Einbauteile und Zweiräder aus Fernost und Europa. In unserem Lager warten Produkte als Zubehör, Einbaukomponenten und Artikel für rund 250 Marken und 8500 Typen auf Ihre Bestellung. Darunter befinden sich z.B. so namhafte Lieferanten wie Jonway, Kreidler, Yamaha oder Adly. Auf einer Lagerfläche von über 1.000 m² haben wir in unseren Hochregalen mehr als 500.000 Produkte diverser Hersteller lieferbar. Hier finden Sie jedes Rollerzubehör von A bis Z. Das beginnt bei den Regensets, Handschuhen und Nierengürteln, und geht bis hin zu den Windschildern über die Sturzhelme und das Top Case.Auch für die Tuningfans, welche es gerne sportlich mögen, haben wir ausgesuchte Produkte im Sortiment. Dazu gehören beispielsweise Auspuffanlagen, Zylinder, Kolben und weitere Dinge.Was geschieht im Anschluss an die Produktion?Kein Produkt verlässt unser Unternehmen, ehe es nicht auf tadellose Qualität geprüft worden ist. Dies bedeutet, sämtliche Fahrzeuge, welche das Herstellerwerk verlassen haben, werden von uns nochmals umfassend auf etwaige Fehler bzw. Transportschäden durchgecheckt, ehe wir sie in die Hände unserer Kunden übergeben. Wir packen als erstes jeden Roller nach der Ankunft in unserem Haus aus und unterziehen es auf unserem computergesteuerten Prüfstand einem Testlauf. Bevor der Käufer den Motorroller in Empfang nimmt, erfolgt noch ein abschließender Funktionscheck. Dadurch ist de facto gesichert, dass der Kunde mit seiner Anschaffung hundertprozentig zufrieden ist.Umweltschutz wir bei uns groß geschriebenUns liegt besonders viel an einem wirkungsvollen Umweltschutz. Zur Reinerhaltung der Luft haben unsere Fahrzeuge allesamt Motoren, die äußerst Treibstoff sparend laufen. Um unsere Umwelt darüber hinaus zu entlasten und eine professionelle Entsorgung zu garantieren, nehmen wir das Verpackungsmaterial wieder mit, das bei der Auslieferung unserer Roller anfällt.Roller-AnkaufNach dem Erwerb eines neuen Rollers aus unserem Sortiment möchten Sie sich von Ihrem ausgedienten Fahrzeug trennen? Das ist überhaupt kein Ding! Lassen Sie uns das übernehmen, indem wir Ihren gebrauchten Motorroller ankaufen.Es ist uns nicht gelungen, Ihre Skepsis aus dem Weg zu räumen?Dann geben Sie uns bitte die Chance, Sie von unseren Leistungen zu begeistern. Man darf uns nicht mit den billigen Online-Shops verwechseln, die heute kommen und morgen gehen. Es ist uns nicht entgangen, dass sich bloß aufgrund neuer Ideen und fortschrittlicher Innovationen die Basis für eine erfolgreiche geschäftliche Tätigkeit legen lässt. Überzeugen Sie sich selbst von unserem hervorragenden Service und besuchen Sie uns doch mal in unserem Betrieb in Lindenfels-Eulsbach.Wie kommen Sie auf einfache Weise zu uns nach Lindenfels?Etwa 60 km südlich von Frankfurt/Main liegt Lindenfels im Regierungsbezirk Darmstadt. Wenn Sie mit dem PKW anreisen, erreichen Sie den Ort per Autobahn entweder von Norden über Frankfurt/Main (A6) oder von Süden über Stuttgart, Karlsruhe und Mannheim (A8). Optional ist es natürlich auch möglich, mit der Bahn zu fahren.Unsere TopmarkenUnsere Topmarken

Regulärer Preis:
Nicht verfügbar
89,90 €