Zum Hauptinhalt springen Zur Suche springen Zur Hauptnavigation springen
Menü
efr
erf
rrrf
Schnell lieferbar
14 Tage Rückgaberecht
Schneller DPD Versand

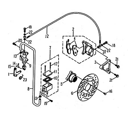
zu Artikel: Aufnahme Bremsscheibe 97052

Technik-Info

Aufnahme

Befestigung, Aufnahme Standard, Aufnahme, Halter

Die Marke Rex ist eine der meistverkauften in Deutschland. Durch ständige Qualitätskontrollen vorort beim Hersteller ist ein hoher Standard gewährleistet.

Kostenloser Versand   Bei Ersatzteilen für jeden zusätzlichen Artikel mit den gleichen Versandkriterien, den Sie von uns kaufen.

Unsere Ersatzteile für ihren Roller bzw. Scooter oder auch Motorroller können Sie bequem online in unserem Shop kaufen. Egal ob sie Ihren Roller im Kaufhaus oder im Baumarkt gekauft haben, für alle gängigen Europa-, Taiwan-, oder China-Roller finden Sie bei uns passende Bauteile, insbesondere für die Motoren 50 cc, 125 cc, 250 ccm, 4takt, 2takt und für größere Leistungen. Speziell für die Motorentypen 139QMB, 139QMA, JSD139QMB ,150QMG ,1E40QMB, 1E40QMA ,164FML , GY6 ,125-4T6M ,153FMI, 156FMI ,157QMJ, 158MJ ,139FMB ,152QMI, 157QMI in kurzen und langen Versionen in den Normen Euro1, Euro2, Euro3 sowie die neuen Euro 4 Einspritzer-Motoren finden Sie Ersatzteile von hoher Qualität. Gerne können Sie auch per Email nach Ersatzteilen anfragen. Bei Bestellwerten über 100 Euro können Sie auch unseren Finanzierungs- bzw. Ratenkauf-Service nutzen. Beim Kauf von Fahrzeugen können wir Ihnen auch ein Leasing-Angebot unterbreiten, das bietet sich insbesondere für Firmen an, die Betriebsfahrzeuge anschaffen, oder ihren Mitarbeitern ein Fahrzeug zur Verfügung stellen. Bitte fragen Sie an.

Artikelposition in Explosionszeichnung: 5

Baugruppe: Rahmen

Ersatzteil: Bremsscheibe

Motorroller bequem online kaufen – von der Bestellung bis zur Lieferung


Mobiler Home Service – Bundesweit Inspektionen und Reparaturen


Motorroller.de – Über uns – Ihr Support vom Profi seit 1993

Ihr Finanzierungsplan**
Monate Rate mtl. Gesamt
6039,67 €2.380,49 €
12157,59 €1.891,14 €

Einfach im Bestellvorgang die Expokredit-Finanzierung als Zahlungsweise auswählen ...

  • Barossa Cheetah 250
  • Kreidler Mustang 170
  • Kreidler Mustang 200
  • Kreidler Mustang 250
  • Rex Quad 150
  • Rex Quad 150ccm (1-Zyl.)
  • Rex Quad 250
  • Rex Quad 250ccm (2-Zyl.)
  • SMC STM Quad 150
  • SMC STM Quad 170
  • SMC STM Quad 200
  • SMC STM Quad 250
Produktgalerie überspringen

Kunden haben sich ebenfalls angesehen

Rabatt
Feder Starterrad 76mm 4Takt 152QMI GY6 Federklammer 704386

Durchschnittliche Bewertung von 0 von 5 Sternen

Feder Starterrad 76mm 4Takt 152QMI GY6 Federklammer 704386

zu Artikel: Arretierfeder 76mm 4Takt 152QMI GY6 Federklammer 704386 Arretierfeder 76mm 4Takt 152QMI GY6,76mm 4Takt 180ccm,76mm 4Takt 125ccm Technik-InfoArretierfederauch zu finden unter: Arretierfeder, Klammerfeder, Federklammer, Haltefeder, FederDieser Artikel passt bei vielen Modellen, unter anderem für:Kreidler Florett 125G Kreidler Galactica 125 Kreidler Hiker 125 Kreidler Hiker 125 DD Kreidler Hiker 2.0 125 DD Kreidler Insignio 125 DD Kreidler MONACO 125 Kreidler REX Monaco 125 Race/Urban Kreidler RMC-E Hiker 125 DD SPORT Kreidler RMC-H Galactica 125 DD Rex Imola 125 Rex Imola 125 Race/Urban Rex Milano 125 Rex Monaco 125 Rex Monaco 125 Race Urban Rex Rexy 125 Rex RS 1000 Rex RS 1100 Rex RS 125 Rex RS 125 Capriolo Street Rex RS 125 QM125T 10D Rex RS 125 QM125T 10H Rex SC 125 QM125T 10A-A Rex Speedy 125 QM125T-10A Rex Torino 125Die Marke Rex ist eine der meistverkauften in Deutschland. Durch ständige Qualitätskontrollen vorort beim Hersteller ist ein hoher Standard gewährleistet.Sie können unsere Ersatzteile für ihren Roller bzw. Motorroller oder auch Scooter bequem online in unserem Shop kaufen. Egal ob Kaufhaus-Roller oder im Baumarkt-Roller, für alle gängigen Europa-, China-, oder Taiwan-Roller finden Sie bei uns passende Bauteile. Speziell für die Motoren 50 cc, 125 cc, 250 ccm, 2takt, 4takt und für größere Leistungen. Speziell für die Motorentypen 139QMB, 139QMA, 1E40QMB, 152QMI, 157QMI, GY6, 125-4T6M, 139FMB, 153FMI, 156FMI, 157QMJ, 158MJ, 164FML, 1E40QMA, JSD139QMB, 150QMG in kurzen und langen Versionen in den Normen Euro1, Euro2, Euro3 sowie die neuen Euro 4 Einspritzer-Motoren finden Sie qualitativ hochwertige Ersatzteile. Emailanfragen nach speziellen Ersatzteilen beantworten wir Ihnen gerne. Wenn sie für mehr als 100 Euro bestellen, können wir Ihnen auch Finanzierungs- bzw. Ratenkauf anbieten. Beim Kauf von Fahrzeugen haben Sie auch die Möglichkeit zu finanzieren oder zu leasen. Letzteres bietet sich besonders für Firmen an, die Betriebsfahrzeuge anschaffen, oder ihren Mitarbeitern ein Fahrzeug zur Verfügung stellen. Bitte fragen Sie an.

Verkaufspreis:
Am Lager
4,99 € Regulärer Preis: 5,74 €
Rabatt
Kreidler STAR Deluxe 4S 125 Spannschiene 125ccm 4Takt SF513-0127 Motorroller.de Starterkette Steuerkettenspannschiene 125ccm-4Takt Scooter LML Service

Durchschnittliche Bewertung von 0 von 5 Sternen

Kreidler STAR Deluxe 4S 125 Spannschiene 125ccm 4Takt SF513-0127 Motorroller.de Starterkette Steuerkettenspannschiene 125ccm-4Takt Scooter LML Service

zu Artikel: Spannschiene Starterkette Spannschiene SF513-0127 Technik-Info Spannschiene Steuerkettenspannschiene, Spannschiene Steuerkette, Steuerkettenspanner, Spannschiene Die Ersatzteile dieses Herstellers haben sich seit Jahren im täglichen Einsatz bewährt. Durch beständigen Erfahrungsaustausch wird die Qualität auf ein Maximum angehoben. Kostenloser Versand   Bei Ersatzteilen für jeden zusätzlichen Artikel mit den gleichen Versandkriterien, den Sie von uns kaufen. Unsere Ersatzteile für ihren Roller bzw. Scooter oder auch Motorroller können Sie bequem online in unserem Shop kaufen. Egal ob sie Ihren Roller im Baumarkt oder im Kaufhaus gekauft haben, für alle gängigen Taiwan-, Europa-, oder China-Roller finden Sie bei uns passende Bauteile, insbesondere für die Motoren 50 cc, 125 cc, 250 ccm, 2takt, 4takt und für größere Leistungen. Speziell für die Motorentypen 157QMJ, 158MJ , GY6 ,139FMB ,139QMB, 139QMA, JSD139QMB ,153FMI, 156FMI ,1E40QMB, 1E40QMA ,152QMI, 157QMI ,150QMG ,125-4T6M ,164FML in kurzen und langen Versionen in den Normen Euro1, Euro2, Euro3 sowie die neuen Euro 4 Einspritzer-Motoren finden Sie qualitativ hochwertige Ersatzteile. Gerne können Sie auch per Email nach Ersatzteilen anfragen. Bei Bestellwerten über 100 Euro können Sie auch unseren Ratenkauf- bzw. Finanzierungs-Service nutzen. Beim Kauf von Fahrzeugen können wir Ihnen auch ein Leasing-Angebot unterbreiten, das bietet sich insbesondere für Firmen an, die Betriebsfahrzeuge anschaffen, oder ihren Mitarbeitern ein Fahrzeug zur Verfügung stellen. Ihre Anfrage nehmen wir gerne entgegen

Verkaufspreis:
Nicht verfügbar
11,59 € Regulärer Preis: 13,33 €
Rabatt
Adly Düsennadel Gasschiebernadel Super Sonic 50 50ccm 2Takt Motorroller.de Vergasernadel Vergaser-Nadel Düsen-Nadel Gasschieber-Nadel Scooter Service

Durchschnittliche Bewertung von 0 von 5 Sternen

Adly Düsennadel Gasschiebernadel Super Sonic 50 50ccm 2Takt Motorroller.de Vergasernadel Vergaser-Nadel Düsen-Nadel Gasschieber-Nadel Scooter Service

zu Artikel: Düsennadel / Gasschiebernadel Vergaser-Nadel 16104-104-000 Düsennadel / GasschiebernadelTechnik-InfoDüsennadelGasschieber-Nadel, Vergaser-Nadel, Düsen-Nadel, Duesen-Nadel, Duesennadel, Düsennadel, Gasschiebernadel, VergasernadelDie Düsennadel sorgt durch ihr rhythmisches öffnen und schließen passend zur Motordrehzahl dafür, dass nur dann benzin in der Motor läuft, wenn dieser auch bereit dazu ist.Dieser Artikel passt bei vielen Modellen, unter anderem für: Eppella Scoody 50, Adly Fox Plus 50 , Adly AT 50 2, Adly AT 50 PT, Adly RT 50 Road Trace, Adly Scoody 50, Adly Scoody 50 2, Adly SS-50I. 2, Adly Super Sonic 50, ECQuer über den Globus hat dieser Hersteller einen guten Namen bezüglich Qualität. Geprüfte Erstausrüsterqualität beste Verarbeitung Lagerware günstiger Preis Direktimport sofort versandbereitUnsere Ersatzteile für ihren Roller bzw. Motorroller oder auch Scooter können Sie bequem online in unserem Shop kaufen. Egal ob sie Ihren Roller im Baumarkt oder im Kaufhaus gekauft haben, für alle gängigen China-, Europa-, oder Taiwan-Roller finden Sie bei uns passende Bauteile, insbesondere für die Motoren 50 cc, 125 cc, 250 ccm, 4-Takt, 2-Takt und für größere Leistungen. Speziell für die Motorentypen 164FML ,153FMI, 156FMI ,139FMB , GY6 ,152QMI, 157QMI ,1E40QMB, 1E40QMA ,139QMB, 139QMA, JSD139QMB ,157QMJ, 158MJ ,125-4T6M ,150QMG in kurzen und langen Versionen in den Normen Euro1, Euro2, Euro3 sowie die neuen Euro 4 Einspritzer-Motoren finden Sie qualitativ hochwertige Ersatzteile. Gerne können Sie auch per Email nach Ersatzteilen anfragen. Bei Bestellwerten über 100 Euro können Sie auch unseren Finanzierungs- bzw. Ratenkauf-Service nutzen. Beim Kauf von Fahrzeugen können wir Ihnen auch ein Leasing-Angebot unterbreiten, das bietet sich insbesondere für Firmen an, die Betriebsfahrzeuge anschaffen, oder ihren Mitarbeitern ein Fahrzeug zur Verfügung stellen. Wir freuen uns auf Ihre Anfrage.

Verkaufspreis:
Am Lager
7,73 € Regulärer Preis: 8,89 €
Rabatt
Führung Reglerplatte 1E40QMB Daelim Tapo 50 50ccm 2Takt Motorroller.de Scooter E-Five 50 Ersatzteil Service Inpektion Direktimport

Durchschnittliche Bewertung von 0 von 5 Sternen

Führung Reglerplatte 1E40QMB Daelim Tapo 50 50ccm 2Takt Motorroller.de Scooter E-Five 50 Ersatzteil Service Inpektion Direktimport

zu Artikel: Führung Reglerplatte 2Takt 50ccm Fuehrung Reglerplatte DAE-22132-SE5-0000 Führung Reglerplatte 2Takt 50ccmTechnik-InfoFührung ReglerplatteFührung Reglerplatte, Fuehrung Reglerplatte, Führung Reglerplatte 2Takt 50ccmDieser Artikel passt bei vielen Modellen, unter anderem für: Daelim Tapo 50, Daelim S-Five 50 Euro 2, Daelim Cordi SE 50, Daelim E-Five 50, Daelim Message 50Ersatzteile dieser Marke haben sich als beständig hochqualitativ erwiesen.Geprüfte Erstausrüsterqualität beste Verarbeitung günstiger Preis Direktimport Kauf vom GroßvertreiberUnsere Ersatzteile für ihren Scooter bzw. Motorroller oder auch Roller können Sie bequem online in unserem Shop kaufen. Egal ob sie Ihren Roller im Baumarkt oder im Kaufhaus gekauft haben, für alle gängigen China-, Taiwan-, oder Europa-Roller finden Sie bei uns passende Bauteile, insbesondere für die Motoren 50 cc, 125 cc, 250 ccm, 2-Takt, 4-Takt und für größere Leistungen. Speziell für die Motorentypen 125-4T6M ,139FMB ,157QMJ, 158MJ , GY6 ,1E40QMB, 1E40QMA ,150QMG ,153FMI, 156FMI ,164FML ,139QMB, 139QMA, JSD139QMB ,152QMI, 157QMI in kurzen und langen Versionen in den Normen Euro1, Euro2, Euro3 sowie die neuen Euro 4 Einspritzer-Motoren finden Sie qualitativ hochwertige Ersatzteile. Gerne können Sie auch per Email nach Ersatzteilen anfragen. Bei Bestellwerten über 100 Euro können Sie auch unseren Ratenkauf- bzw. Finanzierungs-Service nutzen. Beim Kauf von Fahrzeugen können wir Ihnen auch ein Leasing-Angebot unterbreiten, das bietet sich insbesondere für Firmen an, die Betriebsfahrzeuge anschaffen, oder ihren Mitarbeitern ein Fahrzeug zur Verfügung stellen. Bitte fragen Sie an.

Verkaufspreis:
Kurzfristig lieferbar
1,99 € Regulärer Preis: 2,29 €
Rabatt
Spritzschutz Vorderrad Frontverkleidung Innen 705343

Durchschnittliche Bewertung von 0 von 5 Sternen

Spritzschutz Vorderrad Frontverkleidung Innen 705343

zu Artikel: Spritzschutz Vorderrad 705343 Technik-InfoSpritzschutzSpritzlappen, Spritzschutz, Schmutzfänger, Spritzgummi, Schmutzfaenger, Schmutzabweiser, Radabdeckung, Innen-Kotflügel, Rad-Abdeckung, Radlauf, Rad-Lauf, Radlaufschutz, Radlauf-Schutz, Schutzblech, Schutz-Blech, Spritz-Schutz, Schmutz-Fänger, Schmutz-Faenger, Spritz-Lappen, Spritzschutzgummi Der Spritzschutz - oder auch Innenkotflügel genannt - hilft den Rest der Radumgebung länge sauber zu halten. Die Marke Rex ist eine der meistverkauften in Deutschland. Durch ständige Qualitätskontrollen vorort beim Hersteller ist ein hoher Standard gewährleistet.Kostenloser Versand   Bei Ersatzteilen für jeden zusätzlichen Artikel mit den gleichen Versandkriterien, den Sie von uns kaufen.Unsere Ersatzteile für ihren Scooter bzw. Motorroller oder auch Roller können Sie bequem online in unserem Shop kaufen. Egal ob sie Ihren Roller im Kaufhaus oder im Baumarkt gekauft haben, für alle gängigen Taiwan-, China-, oder Europa-Roller finden Sie bei uns passende Bauteile, insbesondere für die Motoren 50 cc, 125 cc, 250 ccm, 2takt, 4takt und für größere Leistungen. Speziell für die Motorentypen GY6 ,139FMB ,164FML ,152QMI, 157QMI ,1E40QMB, 1E40QMA ,139QMB, 139QMA, JSD139QMB ,157QMJ, 158MJ ,125-4T6M ,150QMG ,153FMI, 156FMI in kurzen und langen Versionen in den Normen Euro1, Euro2, Euro3 sowie die neuen Euro 4 Einspritzer-Motoren finden Sie qualitativ erstklassige Ersatzteile. Gerne können Sie auch per Email nach Ersatzteilen anfragen. Bei Bestellwerten über 100 Euro können Sie auch unseren Ratenkauf- bzw. Finanzierungs-Service nutzen. Beim Kauf von Fahrzeugen können wir Ihnen auch ein Leasing-Angebot unterbreiten, das bietet sich insbesondere für Firmen an, die Betriebsfahrzeuge anschaffen, oder ihren Mitarbeitern ein Fahrzeug zur Verfügung stellen. Bitte fragen Sie an.

Verkaufspreis:
Nicht verfügbar
14,89 € Regulärer Preis: 17,12 €
Rabatt
SMC Quad 250 Seegering Seegerring 150ccm 4Takt 97012-30012-K Motorroller.de Klemmring Nutring Sicherungsclip 150ccm-4Takt ATV Barossa Cheetah 250 UTV

Durchschnittliche Bewertung von 0 von 5 Sternen

SMC Quad 250 Seegering Seegerring 150ccm 4Takt 97012-30012-K Motorroller.de Klemmring Nutring Sicherungsclip 150ccm-4Takt ATV Barossa Cheetah 250 UTV

zu Artikel: Seegering 97012-30012-K Technik-InfoSeegeringNutring, Seegering, Sicherungsclip, Klemmring, Sicherungsring, Seegerring Der Sicherungsring, Nutring oder nach dem Erfinder Seeger auch Seegerring genannt, ist ein wesentliches Element das zur Sicherung von Bolzen in Bohrungen oder zur Sicherung von Wälzlagern auf einer Welle / Achse verwendet wird. Auch hier ist Qualität erforderlich, denn ein Sicherungsring der nicht sichert kann fatale (teure) Folgen erzeugen. Wichtig ist natürlich, dass man zum Einbau der Sicherungsringe auch das richtige Werkzeug zur Hand hat. Hier sollte immer ein Fachmann am Werk sein. Unsere Sicherungsringe sind in Erstausrüster-Qualität.Seit vielen Jahren arbeiten wir mit diesem Hersteller erfolgreich und zuverlässig zusammen. Die Teile haben sich in der Praxis stets bewährt.Kostenloser Versand   Bei Ersatzteilen für jeden zusätzlichen Artikel mit den gleichen Versandkriterien, den Sie von uns kaufen. Sie können unsere Ersatzteile für ihren Roller bzw. Motorroller oder auch Scooter bequem online in unserem Shop kaufen. Egal ob Kaufhaus-Roller oder im Baumarkt-Roller, für alle gängigen Europa-, China-, oder Taiwan-Roller finden Sie bei uns passende Bauteile. Speziell für die Motoren 50 cc, 125 cc, 250 ccm, 2takt, 4takt und für größere Leistungen. Speziell für die Motorentypen 139QMB, 139QMA, 1E40QMB, 152QMI, 157QMI, GY6, 125-4T6M, 139FMB, 153FMI, 156FMI, 157QMJ, 158MJ, 164FML, 1E40QMA, JSD139QMB, 150QMG in kurzen und langen Versionen in den Normen Euro1, Euro2, Euro3 sowie die neuen Euro 4 Einspritzer-Motoren finden Sie qualitativ hochwertige Ersatzteile. Gerne können Sie auch per Email nach Ersatzteilen anfragen. Ab Bestellwerten über 100 Euro bieten wir Ihnen unseren Finanzierungs- bzw. Ratenkauf-Service an. Beim Kauf von Fahrzeugen besteht die Möglichkeit der Finanzierung oder des Leasings. Speziell für Firmen, die Betriebsfahrzeuge anschaffen, oder ihren Mitarbeitern ein Fahrzeug zur Verfügung stellen, ist die eine interessante Alternative.

Verkaufspreis:
Nicht verfügbar
1,99 € Regulärer Preis: 2,29 €