Zum Hauptinhalt springen Zur Suche springen Zur Hauptnavigation springen
Menü
efr
erf
rrrf
Schnell lieferbar
14 Tage Rückgaberecht
Schneller DPD Versand

zu Artikel: Anschluss Motorentlüftung 89349

Technik-Info

Anschluss

Verbindungsstück, Verbindung, Anschluss, Anschlussbogen

Kostenloser Versand   Bei Ersatzteilen für jeden zusätzlichen Artikel mit den gleichen Versandkriterien, den Sie von uns kaufen.

Unsere Ersatzteile für ihren Roller bzw. Scooter oder auch Motorroller können Sie bequem online in unserem Shop kaufen. Egal ob sie Ihren Roller im Kaufhaus oder im Baumarkt gekauft haben, für alle gängigen Europa-, China-, oder Taiwan-Roller finden Sie bei uns passende Bauteile, insbesondere für die Motoren 50 cc, 125 cc, 250 ccm, 4-Takt, 2-Takt und für größere Leistungen. Speziell für die Motorentypen 164FML ,150QMG ,139FMB ,139QMB, 139QMA, JSD139QMB , GY6 ,1E40QMB, 1E40QMA ,153FMI, 156FMI ,157QMJ, 158MJ ,125-4T6M ,152QMI, 157QMI in kurzen und langen Versionen in den Normen Euro1, Euro2, Euro3 sowie die neuen Euro 4 Einspritzer-Motoren finden Sie qualitativ hochwertige Ersatzteile. Gerne können Sie auch per Email nach Ersatzteilen anfragen. Bei Bestellwerten über 100 Euro können Sie auch unseren Finanzierungs- bzw. Ratenkauf-Service nutzen. Beim Kauf von Fahrzeugen können wir Ihnen auch ein Leasing-Angebot unterbreiten, das bietet sich insbesondere für Firmen an, die Betriebsfahrzeuge anschaffen, oder ihren Mitarbeitern ein Fahrzeug zur Verfügung stellen. Wir freuen uns auf Ihre Anfrage.

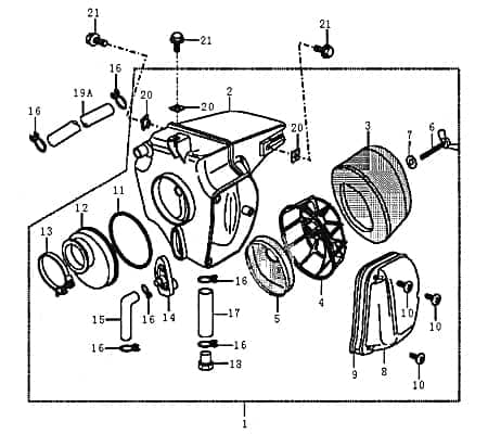
Baugruppe: Motor

Ersatzteil: Luftfilter

Artikelposition in Explosionszeichnung: 14

Motorroller bequem online kaufen – von der Bestellung bis zur Lieferung


Mobiler Home Service – Bundesweit Inspektionen und Reparaturen


Motorroller.de – Über uns – Ihr Support vom Profi seit 1993

Ihr Finanzierungsplan**
Monate Rate mtl. Gesamt
6039,67 €2.380,49 €
12157,59 €1.891,14 €

Einfach im Bestellvorgang die Expokredit-Finanzierung als Zahlungsweise auswählen ...

  • Kreidler DICE GS 125
  • Kreidler DICE SM 125
  • Kreidler SUPERMOTO 125
  • Kreidler Supermoto 125DD Disc
  • Kreidler Supermoto Enduro 125
  • Rex Enduro 125 DD
  • Rex Supermoto 125 DD
  • Rex Supermoto Enduro 125
Produktgalerie überspringen

Kunden haben sich ebenfalls angesehen

Rabatt
PGO Sechskantschraube M6x110mm G-Max 50 25 km/h 50ccm 2Takt Motorroller.de Befestigung Halter Halterung Flachkopfschraube Sechskant-Schraube Scooter

Durchschnittliche Bewertung von 0 von 5 Sternen

PGO Sechskantschraube M6x110mm G-Max 50 25 km/h 50ccm 2Takt Motorroller.de Befestigung Halter Halterung Flachkopfschraube Sechskant-Schraube Scooter

zu Artikel: Sechskantschraube M6x110 Sechskantschraube 90190611000 Sechskantschraube M6x110Technik-InfoSechskantschraubeSechskantschraube, Maschinenschraube, Maschinen-Schraube, Sechskant-Schraube, Flansch-Schraube, Bund-Schraube, Flachkopfschraube, Sechskant-Schraube, Flachkopf-Schraube, Sechskantstufenschraube, Befestigungshalter, Befestigung, Halterung, Halter, Flanschhscraube, Schraube, Flanschschraube, Bundschraube, SechskantflanschschraubeHier handelt es sich um ein Standard-Ersatzteil in erstklassiger Qualität. Die Teile werden einer ständigen Qualitätssicherung unterzogen, zu Ihrer und unserer Zufriedenheit.Dieser Artikel passt bei vielen Modellen, unter anderem für: PGO G-Max 125, PGO G-Max 150, PGO G-Max, PGO Burgrider 150, PGO G-Max 50 Naked, PGO Ligero 125, PGO Ligero RS 125, PGO T-Rex 125, PGO T-Rex 150, PGO X-RIDER 150Dieser Hersteller ist seit vielen Jahren erfolgreich auf dem internationalen Markt. Er hat sich durch Zuverlässigkeit seiner Produkte einen Namen gemacht.Kostenloser Versand   Bei Ersatzteilen für jeden zusätzlichen Artikel mit den gleichen Versandkriterien, den Sie von uns kaufen.Unsere Ersatzteile für ihren Motorroller bzw. Scooter oder auch Roller können Sie bequem online in unserem Shop kaufen. Egal ob sie Ihren Roller im Kaufhaus oder im Baumarkt gekauft haben, für alle gängigen Taiwan-, Europa-, oder China-Roller finden Sie bei uns passende Bauteile, insbesondere für die Motoren 50 cc, 125 cc, 250 ccm, 2-Takt, 4-Takt und für größere Leistungen. Speziell für die Motorentypen 139QMB, 139QMA, JSD139QMB ,153FMI, 156FMI ,125-4T6M ,164FML ,152QMI, 157QMI ,139FMB ,157QMJ, 158MJ , GY6 ,1E40QMB, 1E40QMA ,150QMG in kurzen und langen Versionen in den Normen Euro1, Euro2, Euro3 sowie die neuen Euro 4 Einspritzer-Motoren finden Sie Ersatzteile von hoher Qualität. Gerne können Sie auch per Email nach Ersatzteilen anfragen. Bei Bestellwerten über 100 Euro können Sie auch unseren Ratenkauf- bzw. Finanzierungs-Service nutzen. Beim Kauf von Fahrzeugen können wir Ihnen auch ein Leasing-Angebot unterbreiten, das bietet sich insbesondere für Firmen an, die Betriebsfahrzeuge anschaffen, oder ihren Mitarbeitern ein Fahrzeug zur Verfügung stellen. Bitte fragen Sie an.

Verkaufspreis:
Am Lager
2,59 € Regulärer Preis: 2,98 €
Nicht mehr verfügbar
Bundschraube M8x20mm Rex Maschinenschraube 125ccm 4Takt Motorroller.de Flanschschraube Flansch-Schraube Maschinen-Schraube Bund-Schraube 125ccm-4Takt

Durchschnittliche Bewertung von 0 von 5 Sternen

Bundschraube M8x20mm Rex Maschinenschraube 125ccm 4Takt Motorroller.de Flanschschraube Flansch-Schraube Maschinen-Schraube Bund-Schraube 125ccm-4Takt

zu Artikel: Flanschschraube M8x20 Matt verchromt 706113 Technik-InfoFlanschschraubeBundschraube, Bund-Schraube, Maschinenschraube, Flanschschraube, Maschinen-Schraube, Schraube, Flansch-Schraube Hier handelt es sich um ein Standard-Ersatzteil in erstklassiger Qualität. Die Teile werden einer ständigen Qualitätssicherung unterzogen, zu Ihrer und unserer Zufriedenheit.Die Marke Rex ist eine der meistverkauften in Deutschland. Durch ständige Qualitätskontrollen vorort beim Hersteller ist ein hoher Standard gewährleistet.Kostenloser Versand   Bei Ersatzteilen für jeden zusätzlichen Artikel mit den gleichen Versandkriterien, den Sie von uns kaufen.Unsere Ersatzteile für ihren Scooter bzw. Roller oder auch Motorroller können Sie bequem online in unserem Shop kaufen. Egal ob sie Ihren Roller im Kaufhaus oder im Baumarkt gekauft haben, für alle gängigen Europa-, China-, oder Taiwan-Roller finden Sie bei uns passende Bauteile, insbesondere für die Motoren 50 cc, 125 cc, 250 ccm, 4-Takt, 2-Takt und für größere Leistungen. Speziell für die Motorentypen 164FML ,153FMI, 156FMI ,125-4T6M ,152QMI, 157QMI ,150QMG ,139FMB ,157QMJ, 158MJ , GY6 ,1E40QMB, 1E40QMA ,139QMB, 139QMA, JSD139QMB in kurzen und langen Versionen in den Normen Euro1, Euro2, Euro3 sowie die neuen Euro 4 Einspritzer-Motoren finden Sie qualitativ erstklassige Ersatzteile. Gerne können Sie auch per Email nach Ersatzteilen anfragen. Bei Bestellwerten über 100 Euro können Sie auch unseren Ratenkauf- bzw. Finanzierungs-Service nutzen. Beim Kauf von Fahrzeugen können wir Ihnen auch ein Leasing-Angebot unterbreiten, das bietet sich insbesondere für Firmen an, die Betriebsfahrzeuge anschaffen, oder ihren Mitarbeitern ein Fahrzeug zur Verfügung stellen. Bitte fragen Sie an.

Regulärer Preis:
Nicht verfügbar
1,69 €
Rabatt
Kreidler Insignio 125 2.0 Luftmengensteuerung 125ccm 4Takt 750177 Motorroller.de 125ccm-4Takt Scooter Qingqi Ersatzteil Service Inpektion Direktimport

Durchschnittliche Bewertung von 0 von 5 Sternen

Kreidler Insignio 125 2.0 Luftmengensteuerung 125ccm 4Takt 750177 Motorroller.de 125ccm-4Takt Scooter Qingqi Ersatzteil Service Inpektion Direktimport

zu Artikel: Luftmengensteuerung 750177 Technik-Info Luftmengensteuerung Luftmengensteuerung, Spezial Luftmengensteuerung Die Marke Rex ist eine der meistverkauften in Deutschland. Durch ständige Qualitätskontrollen vorort beim Hersteller ist ein hoher Standard gewährleistet. Kostenloser Versand   Bei Ersatzteilen für jeden zusätzlichen Artikel mit den gleichen Versandkriterien, den Sie von uns kaufen. Unsere Ersatzteile für ihren Roller bzw. Motorroller oder auch Scooter können Sie bequem online in unserem Shop kaufen. Egal ob sie Ihren Roller im Kaufhaus oder im Baumarkt gekauft haben, für alle gängigen Taiwan-, China-, oder Europa-Roller finden Sie bei uns passende Bauteile, insbesondere für die Motoren 50 cc, 125 cc, 250 ccm, 4-Takt, 2-Takt und für größere Leistungen. Speziell für die Motorentypen 153FMI, 156FMI ,164FML , GY6 ,1E40QMB, 1E40QMA ,139QMB, 139QMA, JSD139QMB ,157QMJ, 158MJ ,125-4T6M ,152QMI, 157QMI ,150QMG ,139FMB in kurzen und langen Versionen in den Normen Euro1, Euro2, Euro3 sowie die neuen Euro 4 Einspritzer-Motoren finden Sie Ersatzteile von bewährter Qualität. Gerne können Sie auch per Email nach Ersatzteilen anfragen. Bei Bestellwerten über 100 Euro können Sie auch unseren Ratenkauf- bzw. Finanzierungs-Service nutzen. Beim Kauf von Fahrzeugen können wir Ihnen auch ein Leasing-Angebot unterbreiten, das bietet sich insbesondere für Firmen an, die Betriebsfahrzeuge anschaffen, oder ihren Mitarbeitern ein Fahrzeug zur Verfügung stellen. Bitte fragen Sie an.

Verkaufspreis:
Kurzfristig lieferbar
99,90 € Regulärer Preis: 114,89 €
Rabatt Nicht mehr verfügbar
Bolzen Motorhalter A Jonway Flory Classic 50 Zapfen 740083 Motorroller.de Stehbolzen Gewindebolzen Gewindestift Arretierbolzen Stiftschraube Scooter

Durchschnittliche Bewertung von 0 von 5 Sternen

Bolzen Motorhalter A Jonway Flory Classic 50 Zapfen 740083 Motorroller.de Stehbolzen Gewindebolzen Gewindestift Arretierbolzen Stiftschraube Scooter

zu Artikel: Bolzen Motorhalter A 740083 Technik-InfoBolzenArretierbolzen, Zapfen, Stift-Schraube, Gewinde-Bolzen, Steh-Bolzen, Gewinde-Stift, Stiftschraube, Gewindebolzen, Bolzen, Stehbolzen, Gewindestift Bolzen sind Standard-Bauteile, an denen oder mit denen andere Fahrzeug- oder Maschinenbauteile befestigt werden. Auch hier ist darauf zu achten, dass die Dimension und die Stahl-Beschaffenheit für die jeweilige Aufgabe / Funktion entsprechend ausgelegt ist. Wir liefern immer die passenden Bolzen in Erstausrüster-Qualität.Die Marke Rex ist eine der meistverkauften in Deutschland. Durch ständige Qualitätskontrollen vorort beim Hersteller ist ein hoher Standard gewährleistet.Kostenloser Versand   Bei Ersatzteilen für jeden zusätzlichen Artikel mit den gleichen Versandkriterien, den Sie von uns kaufen.Unsere Ersatzteile für ihren Roller bzw. Motorroller oder auch Scooter können Sie bequem online in unserem Shop kaufen. Egal ob sie Ihren Roller im Kaufhaus oder im Baumarkt gekauft haben, für alle gängigen Europa-, Taiwan-, oder China-Roller finden Sie bei uns passende Bauteile, insbesondere für die Motoren 50 cc, 125 cc, 250 ccm, 2takt, 4takt und für größere Leistungen. Speziell für die Motorentypen 139FMB ,157QMJ, 158MJ ,164FML ,139QMB, 139QMA, JSD139QMB ,150QMG ,1E40QMB, 1E40QMA , GY6 ,152QMI, 157QMI ,125-4T6M ,153FMI, 156FMI in kurzen und langen Versionen in den Normen Euro1, Euro2, Euro3 sowie die neuen Euro 4 Einspritzer-Motoren finden Sie Ersatzteile von erstklassiger Qualität. Gerne können Sie auch per Email nach Ersatzteilen anfragen. Bei Bestellwerten über 100 Euro können Sie auch unseren Ratenkauf- bzw. Finanzierungs-Service nutzen. Beim Kauf von Fahrzeugen können wir Ihnen auch ein Leasing-Angebot unterbreiten, das bietet sich insbesondere für Firmen an, die Betriebsfahrzeuge anschaffen, oder ihren Mitarbeitern ein Fahrzeug zur Verfügung stellen. Bitte fragen Sie an.

Verkaufspreis:
Nicht verfügbar
9,90 € Regulärer Preis: 11,39 €
Rabatt
PGO Reflektor Big Max 50 Katzenauge Strahler 50ccm 2Takt Motorroller.de Rückstrahler Seitenreflektor 125ccm-4Takt Scooter Ligero RS 50 Ersatzteil

Durchschnittliche Bewertung von 0 von 5 Sternen

PGO Reflektor Big Max 50 Katzenauge Strahler 50ccm 2Takt Motorroller.de Rückstrahler Seitenreflektor 125ccm-4Takt Scooter Ligero RS 50 Ersatzteil

zu Artikel: Rückstrahler P56690010000 RückstrahlerTechnik-InfoRückstrahlerReflektor, Strahler, Rueckstrahler, Seitenreflektor, Katzenauge, RückstrahlerRückstrahler sind die roten Reflektoren nach hinten, die dafür sorgen, dass man auch wenn das Rücklicht ausfällt von hinten erkannt werden kann- Durch die rote Reflexion des Scheinwerferlichts des hinteren Fahrzeugs. Unsere Rückstrahler entsprechen der StVO und besitzen ein E-Prüfzeichen.Dieser Artikel passt bei vielen Modellen, unter anderem für: motorroller.de ihr Roller-Experte, gerne können Sie uns eine Email-Anfrage senden, PGO Ligero RS 125, Bitte vergleichen Sie mit ihren FahrzeugpapierenDieser Hersteller ist seit vielen Jahren erfolgreich auf dem internationalen Markt. Er hat sich durch Zuverlässigkeit seiner Produkte einen Namen gemacht.Erstausrüsterqualität sehr gute Verarbeitung Lagerware günstiger Preis Direktimport sofort versandbereit Kauf vom GroßvertreiberUnsere Ersatzteile für ihren Scooter bzw. Roller oder auch Motorroller können Sie bequem online in unserem Shop kaufen. Egal ob sie Ihren Roller im Kaufhaus oder im Baumarkt gekauft haben, für alle gängigen China-, Europa-, oder Taiwan-Roller finden Sie bei uns passende Bauteile, insbesondere für die Motoren 50 cc, 125 cc, 250 ccm, 4takt, 2takt und für größere Leistungen. Speziell für die Motorentypen 153FMI, 156FMI ,150QMG ,1E40QMB, 1E40QMA , GY6 ,152QMI, 157QMI ,125-4T6M ,164FML ,157QMJ, 158MJ ,139FMB ,139QMB, 139QMA, JSD139QMB in kurzen und langen Versionen in den Normen Euro1, Euro2, Euro3 sowie die neuen Euro 4 Einspritzer-Motoren finden Sie Ersatzteile von hoher Güte. Gerne können Sie auch per Email nach Ersatzteilen anfragen. Bei Bestellwerten über 100 Euro können Sie auch unseren Ratenkauf- bzw. Finanzierungs-Service nutzen. Beim Kauf von Fahrzeugen können wir Ihnen auch ein Leasing-Angebot unterbreiten, das bietet sich insbesondere für Firmen an, die Betriebsfahrzeuge anschaffen, oder ihren Mitarbeitern ein Fahrzeug zur Verfügung stellen. Bitte fragen Sie an. Hinweise zu: Reflektor

Verkaufspreis:
Am Lager
12,90 € Regulärer Preis: 14,84 €
Rex RS460 Tankeinfüllverkleidung 1020411-SW Roller Motorroller.de Tank-Deckel Tank-Cover 50ccm 4Takt 139QMB JSD50QT-13 50cc 4T 139QMA

Durchschnittliche Bewertung von 0 von 5 Sternen

Rex RS460 Tankeinfüllverkleidung 1020411-SW Roller Motorroller.de Tank-Deckel Tank-Cover 50ccm 4Takt 139QMB JSD50QT-13 50cc 4T 139QMA

zu Artikel: Tankverkleidung mitte kristall silber 128 4Takt 50ccm JSD50QT-13 JSD139QMBTankabdeckung Tankverkleidung mitte kristall silber 128 4Takt 50ccm JSD50QT-13 JSD139QMB Technik-Info Bitte berücksichtigen Sie, dass der Farbton aufgrund verschiedener Chargen und Lackiertermine abweichen kann. Es handelt sich um keine RAL-Ton Lackierung wie bei teuren PKW- oder Motorradlackierungen. Die Preise sind sehr günstig und wie unlackierte Teile kalkuliert.   Nicht passend für Qingqi Fahrzeuge.  Tankdeckelverkleidung auch zu finden unter: Tankdeckelverkleidung, Tankstutzenabdeckung, Tankdeckelabdeckung, Tankstutzenverkleidung, Tankeinfuellverkleidung, Tankeinfüllverkleidung Tankabdeckung oder Tankverkleidung aus hochwertigem (ABS) Kunststoff. Lackierte Teile sind meistens aus ABS-Kunststoff Dieser Artikel wurde hergestellt für Fahrzeuge der Marke:Jonway und AGM Kostenloser Versand Bei Ersatzteilen für jeden zusätzlichen Artikel mit den gleichen Versandkriterien, den Sie von uns kaufen. Unsere Ersatzteile für ihren Roller bzw. Scooter oder auch Motorroller können Sie bequem online in unserem Shop kaufen. Egal ob sie Ihren Roller im Baumarkt oder im Kaufhaus gekauft haben, für alle gängigen Taiwan-, China-, oder Europa-Roller finden Sie bei uns passende Bauteile, insbesondere für die Motoren 50 cc, 125 cc, 250 ccm, 2takt, 4takt und für größere Leistungen. Speziell für die Motorentypen 164FML ,GY6 ,139FMB ,150QMG ,153FMI, 156FMI ,1E40QMB, 1E40QMA ,139QMB, 139QMA, JSD139QMB ,152QMI, 157QMI ,125-4T6M ,157QMJ, 158MJ in kurzen und langen Versionen in den Normen Euro1, Euro2, Euro3 sowie die neuen Euro 4 Einspritzer-Motoren finden Sie Ersatzteile von hoher Qualität. Gerne können Sie auch per Email nach Ersatzteilen anfragen. Bei Bestellwerten über 100 Euro können Sie auch unseren Ratenkauf- bzw. Finanzierungs-Service nutzen. Beim Kauf von Fahrzeugen können wir Ihnen auch ein Leasing-Angebot unterbreiten, das bietet sich insbesondere für Firmen an, die Betriebsfahrzeuge anschaffen, oder ihren Mitarbeitern ein Fahrzeug zur Verfügung stellen. Wir freuen uns auf Ihre Anfrage. Ersetzen oder instand setzen - was ist die günstigere Option?Diese Frage stellen sich Eigentümer von Rollern immer dann, wenn an ihrem Fahrzeug etwas kaputt gegangen ist, ganz gleich, ob sich um einen Motorroller, Elektroroller beziehungsweise E-Roller oder 3-Rad Roller dreht. Ein zusätzlicher Aspekt ist, dass ein Ersatzbauteil nicht bloß kostengünstiger ist als eine Instandsetzung, sondern danach auch eine bedeutend höhere Ausfallsicherheit bietet. Oftmals kann man einen nicht gleich selbst ermitteln und eine kompetente Werkstatt muss ermitteln, weswegen der Roller nicht richtig läuft. Bestellen Sie doch am besten sofort eines unserer fertigen Ersatzteil-Kits, welche wir für zahlreiche unterschiedliche Fabrikate im Programm haben. .Für Ihren fahrbaren Untersatz - erstklassige QualitätMit Recht sind wir darauf stolz, dass die Qualität all unserer Ersatzteile auf dem Weltmarktniveau konkurrenzfähig ist. Weshalb sind wir trotz der hohen Qualität unserer Produkte so günstig? Wir kalkulieren nicht allein unsere Preise ausgesprochen moderat, sondern wir kaufen auch in wirtschaftlich vernünftigen Produktmengen ein. Bei uns kriegen Sie in Folge dessen sämtliche verfügbaren Teile für Ihren fahrbaren Untersatz nicht bloß in bester Qualität, sondern auch für einen bezahlbaren Preis. Wir führen sogar für die allermeisten Roller, Buggys und Quads die Bauteile, die gar nicht mehr hergestellt werden. Z.B. haben wir alle Zubehörteile für die Marken Eppella und Sundiro nach wie vor verfügbar.Sie bekommen bei uns klarerweise auch die Originalteile vom jeweiligen Rollerhersteller. Falls Sie andererseits Geld sparen möchten [und wer will das nicht], sollten Sie auch unsere Nachbauten in Betracht ziehen, welche nebenbei bemerkt, einen qualitativen Vergleich mit dem Erstausrüster- Produkt nicht scheuen müssen, obgleich sie grundsätzlich erheblich billiger sind. Mit unseren Produkten können Sie die Reparatur an Ihrem Zweirad selbst bewerkstelligen beziehungsweise auch in einer Werkstatt machen lassen. Es gibt ohne Zweifel keine andere Alternative, durch die Sie zu attraktiven Preisen und in vorzüglicher Qualität Ihr Zweirad wieder flott machen können.Es ist denkbar einfach, mittels der Abbildungen das richtige Element zu bestellenNeben den Erläuterungen finden Sie auf unserer Seite auch anschauliches Bildmaterial. Dadurch können Sie gleich Ihr defektes Austauschteil mit dem erhältlichen Ersatz vergleichen und gehen somit sicher, dass Sie nachher auch de facto den benötigten Artikel erhalten. Achten Sie bitte besonders auf die Übereinstimmung der defekten Komponente mit dem abgebildeten Artikel; insbesondere was die aufgeführten Spezifikationen und Abmessungen angeht. Auf welche Weise Sie davon profitieren:Abhol- und BringserviceKurze LieferzeitenAuch bei günstigen Nachbauten erhalten Sie von uns ohne Ausnahme die Erstausrüster-QualitätUnsere sämtlichen Erzeugnisse sind gebrauchstauglich, kostengünstig sowie langlebigAbsolute Verkehrssicherheit des Motorrollers, vor allem bei BremsanlagenKauf ohne Risiko durch "Geld zurück" - GarantieDIN-Norm gerechte und ISO-zertifizierte PräzisionsfertigungSie zahlen nur einmal Versandkosten bei Bestellung mehrerer Komponenten mit denselben LieferbedingungenUnser Lager umfasst Einbauelemente und Artikel für zirka 250 Marken und 8500 TypenWir kaufen Ihren MotorrollerWir sind die erste Adresse, wenn es um den Kauf von einem Motorroller, Buggy, Fun Fahrzeug oder Quad geht. Aus welchem Grund sollten Sie sich an uns wenden? Weil wir uns in diesem Geschäftsbereich bereits seit Jahrzehnten etabliert haben und Sie in Folge dessen von unserer gewonnenen Erfahrung profitieren können. Wir betreiben nicht nur unser Geschäft rund um die Motorroller, wir leben es regelrecht. Es ist wichtig, sich das Fachgeschäft folglich vorab genau anzusehen, bevor man sich zu einem Kauf entschließt. Alles ist bei uns transparent und für den Kunden nachvollziehbar! Gerne können Sie uns einen Besuch abstatten, um sich über uns selbst ein Bild zu machen.Sie sehen dann die Bestätigung unserer Qualität praktisch mit eigenen Augen.Potentielle Käufer, denen der Weg zu uns zu weit ist, können sich von zu Hause aus mittels der unterschiedlichen Ebay Bewertungen und des Trustedshops-Siegels über uns sachkundig machen. Sowohl unsere Geschäftspraxis als auch unser Onlineshop werden zum Beispiel mit dem Trustedshops Gütesiegel "sehr gut" beurteilt. Unsere Kundenrezensionen bei Ebay liegen mit einem Bewertungsfaktor von circa 99,9 % ebenso auf einem überdurchschnittlichen Niveau. Was demonstrieren all diese Ergebnisse ganz offensichtlich? Dass wir in allen Belangen stets geben!! Bitte denken Sie daran: Wir sind auch nur Menschen, die zuweilen Fehler machen. Wenn also etwas nicht zu Ihrer Zufriedenheit ausfällt, bitten wir Sie, uns die Chance zu geben, die Angelegenheit in Ordnung zu bringen.Unser Expertenteam steht Ihnen täglich zwischen 8:00 und 18:00 Uhr sowie samstags von 8:00 bis 13:00 Uhr zur Verfügung.Unsere FirmenphilosophieDie Zufriedenstellung unserer Kundschaft liegt uns besonders am Herzen. Den Handel mit motorisierten Zweirädern betreiben wir bereits über 25 Jahre mit Erfolg, wollen dabei indes nicht unerwähnt lassen, dass wir schon mehr als fünfzig Jahre auf eine Erfolgsgeschichte auf dem Sektor Maschinenbau zurückblicken können. Zwischenzeitlich haben wir uns zusammen mit dem Vertrieb von Motorrollern, auf Fahrzeugzubehör, Einbauteile und das "Must have" zur Steigerung der Motorleistung festgelegt.Wir haben über 500.000 Ersatzteile auf LagerAuf unserer Internetseite finden Sie unter Motorroller.de beinahe alle Zubehörteile und motorisierte Zweiräder aus Asien und Europa. In unserem Lager warten passende Produkte als Zubehör, Artikel und Einbauteile für etwa 8500 Modelle und 250 Marken auf Ihre Bestellung. Beispielsweise arbeiten wir bereits jahrelang mit Lieferanten wie Yamaha, Jonway, Kreidler oder Adly zusammen. In der Summe haben wir auf einer Lagerfläche von über 1.000 m² mehr als 500.000 Produkte von unterschiedlichen Produzenten in unserem Hochregallager im Sortiment. Hier finden Sie stets das gewünschte Zubehör für Ihr motorisiertes Zweirad von A bis Z. Das beginnt bei den Schutzhelmen über das Top Case und den Windschildern, und geht bis hin zu Regensets, Nierengürteln und Handschuhen.Damit die Tuningfans nicht zu kurz kommen, haben wir für sie ausgewählte Artikel wie Kolben, Zylinder, Auspuffanlagen und weitere Dinge im Programm.Direkt nach der ProduktionFortlaufende Qualitätskontrolle ist unsere Leidenschaft. Das heißt, dass alle Motorroller, die vom Herstellerwerk bei uns ankommen, von unseren Spezialisten nochmals einer eingehenden Überprüfung auf eventuelle Fehler bzw. Transportschäden unterzogen werden. Erst dann übergeben wir sie an unsere Kunden. Wir packen zunächst jeden Roller nach der Ankunft in unserem Haus aus und unterziehen es auf unserem computergesteuerten Zweirad-Prüfstand einem Probelauf. Bevor der Kunde den Motorroller übernimmt, erfolgt noch ein abschließender Funktionstest. Somit ist wirklich gesichert, dass der neue Besitzer mit seinem Erwerb hundertprozentig zufrieden ist.Wir legen Wert auf eine saubere UmweltDer Umweltschutz liegt uns sehr am Herzen. Zur Erhaltung der Luftreinheit besitzen unsere Fahrzeuge generell Motoren, welche besonders Sprit sparend sind. Bei der Auslieferung unserer Roller bleibt immer die Transportverpackung übrig. Diese nehmen wir selbstverständlich wieder mit und führen sie einer professionellen Müll-Entsorgung zu.Wir nehmen Ihren Roller in ZahlungIhr alter Motorroller ist in die Jahre gekommen und Sie planen, bei uns ein neues Zweirad zu erwerben. Was jedoch tun mit dem Oldie? Seien Sie deswegen unbesorgt! Wir nehmen Ihren gebrauchten Roller gerne in Zahlung.Es ist uns nicht gelungen, sämtliche Zweifel aus dem Weg zu räumen?Dann geben Sie uns bitte die Chance, Sie von unseren Leistungen zu überzeugen. Man darf uns nicht mit den billigen Internetshops verwechseln, die wie Eintagsfliegen heute kommen und nach kurzer Zeit wieder von der Bildfläche verschwunden sind. Nur hinsichtlich fortschrittlicher Innovationen und neuer Ideen lässt sich eine gut fundierte geschäftliche Grundlage schaffen. Dementsprechend steht in unserem stetig wachsenden Unternehmen ständiges Lernen sowie die Anpassung an modernen Technologien stets an erster Stelle. Überzeugen Sie sich persönlich von unserem vorzüglichen Service und besuchen Sie uns in unserem Betrieb in Lindenfels-Eulsbach.Sie finden uns mühelos - auch ohne "Navi"Lindenfels liegt ca. 60 km im Süden von Frankfurt/Main und 40 km nordöstlich von Mannheim im Odenwald (Regierungsbezirk Darmstadt). Alternativ ist es logischerweise auch möglich, mit der Bahn zu fahren.Unsere TopmarkenUnsere Topmarken

Regulärer Preis:
Am Lager
19,90 €