Zum Hauptinhalt springen Zur Suche springen Zur Hauptnavigation springen
Menü
efr
erf
rrrf
Schnell lieferbar
14 Tage Rückgaberecht
Schneller DPD Versand

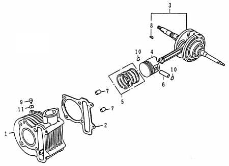
zu Artikel: Zylinderkit komplett mit Kolben mit Ventiltaschen D52.4, Bolzen, Dichtung. 4Takt 125ccm 152QMI (GY7)

Zylinderset

Zylinder 4Takt 125ccm

Technik-Info

Mitnehmer Riemenscheibe

auch zu finden unter: Mitnehmer Riemenscheibe, Mitnehmer Riemenscheibenrad, Mitnehmerscheibe, Sternscheibe, Mitnehmerstern, Mitnehmerplatte, Mitnehmer Variomatik

Die Zähne des Kickstartermitnehmers nutzen sich im Laufe der Zeit ab. Sobald das Kickstarterritzel nicht mehr greift und der Kickstarter durchrutscht oder überspringt, muss der Mitnehmergewechselt werden.

Dieser Artikel wurde speziell hergestellt für:

Rex RS 125 125ccm 4Takt

Geprüfte Erstausrüsterqualität beste Verarbeitung Best. Ware günstiger Preis Direktimport Kauf 100% ohne Risiko vom Topseller

Unsere Ersatzteile für ihren Motorroller bzw. Roller oder auch Scooter können Sie bequem online in unserem Shop kaufen. Egal ob sie Ihren Roller im Baumarkt oder im Kaufhaus gekauft haben, für alle gängigen Europa-, China-, oder Taiwan-Roller finden Sie bei uns passende Bauteile, insbesondere für die Motoren 50 cc, 125 cc, 250 ccm, 2takt, 4takt und für größere Leistungen. Speziell für die Motorentypen GY6 ,153FMI, 156FMI ,139FMB ,164FML ,152QMI, 157QMI ,1E40QMB, 1E40QMA ,139QMB, 139QMA, JSD139QMB ,157QMJ, 158MJ ,125-4T6M ,150QMG in kurzen und langen Versionen in den Normen Euro1, Euro2, Euro3 sowie die neuen Euro 4 Einspritzer-Motoren finden Sie hochqualitative Ersatzteile. Gerne können Sie auch per Email nach Ersatzteilen anfragen. Bei Bestellwerten über 100 Euro können Sie auch unseren Ratenkauf- bzw. Finanzierungs-Service nutzen. Beim Kauf von Fahrzeugen können wir Ihnen auch ein Leasing-Angebot unterbreiten, das bietet sich insbesondere für Firmen an, die Betriebsfahrzeuge anschaffen, oder ihren Mitarbeitern ein Fahrzeug zur Verfügung stellen. Wir freuen uns auf Ihre Anfrage.

Soll ein schadhaftes Element repariert oder gleich getauscht werden?

Diese Frage stellt sich immer dann, wenn etwas am Roller kaputt gegangen ist, gleichgültig, ob sich um einen Dreirad-Roller, Motorroller, oder Elektroroller bzw. E-Roller handelt. Ein zusätzlicher Aspekt ist, dass ein neues Teil nicht lediglich kostengünstiger ist als eine Instandsetzung, sondern danach auch eine deutlich größere Ausfallsicherheit bietet. Meistens kann man die Ursache für eine Funktionsstörung nicht sogleich selber finden und ein qualifizierter Fachmann muss eruieren, wo der Hase im Pfeffer liegt. In einem solchen Fall wäre es sinnvoller, bei uns eines der fertigen Kits zu bestellen, welche wir für zahlreiche diverse Modelle in unserem Programm haben. .

Hochwertige Ersatzteile für Ihren Motorroller

Großes Augenmerk legen wir auf preisgünstige Produkte von hoher Qualität. Wir können allein aus dem Grund so günstig sein, weil wir unsere Komponenten in ausreichend großen Mengen einkaufen. Bei uns kriegen Sie infolgedessen sämtliche lieferbaren Bauelemente für Ihren fahrbaren Untersatz nicht bloß in hervorragend Qualität, sondern auch zu einem erschwinglichen Preis.

Auch für Roller, Buggys und Quads, die nicht mehr hergestellt werden, haben wir zumeist die Ersatzteile verfügbar. So etwa für die Marken Eppella und Sundiro.

Wer möchte, erhält bei uns logischerweise auch das Originalteil für sein motorisiertes Zweirad. Die meisten Besteller fassen allerdings wegen der guten Preise und der Erstausrüster-Qualität unsere Nachbauten ins Auge. Sie können mit unseren Bauteilen die Instandsetzung Ihres Zweirads entweder selber bewerkstelligen oder in einer Werkstatt durchführen lassen. Es gibt sicherlich keine bessere Alternative, durch die Sie zu bezahlbaren Preisen und in guter Qualität Ihr Zweirad reparieren können.

Mit Hilfe der Produktbilder ist das Ordern der passenden Komponenten ein Kinderspiel

Auf unserer Seite finden Sie reichlich Bildmaterial, welches Sie dabei unterstützt, Ihr altes Bauteil auf einfache Weise mit dem erhältlichen Ersatz zu vergleichen. Dadurch können Falschlieferungen aufgrund verkehrter Bestellungen bereits im Vorfeld ausgeschlossen werden. Achten Sie bitte speziell auf die Übereinstimmung des alten Teils mit dem abgebildeten Artikel; speziell was die angegebenen Maße und Spezifikationen anbelangt.

Ihre Vorteile:

Absolute Fahrsicherheit des Rollers, besonders bei BremsanlagenKurzfristige LieferzeitenAbhol- und BringserviceRoller-AnkaufAlle unsere Produkte sind preiswürdig, langlebig und gebrauchstauglichSie bezahlen nur einmal den Versand bei Bestellung mehrerer Einbauteile mit denselben Versandkriterien"Geld zurück" - Garantie, deshalb Kauf ohne RisikoErsatzteile und Zubehör für zirka 250 Marken und 8500 Modelle auf LagerSie erhalten von uns ausschließlich die Erstausrüsterqualität - auch bei preisgünstigen NachbautenISO-zertifizierte Präzisionsfertigung nach DIN-Norm

Am besten kaufen Sie Roller, Straßenbuggys, Quads und Fun Fahrzeuge in einem Fachgeschäft wie das unsrige. Weswegen wäre es für Sie von Vorteil, wenn Sie uns für Sie tätig werden lassen? Weil wir die Meister-Qualifikation und das Know-how besitzen, welche für dieses Geschäftsfeld unbedingt notwendig sind. Im Vergleich zu einigen unserer Konkurrenten geben wir uns in der Tat noch echte Mühe, unsere Kunden zufrieden zu stellen. Nicht lediglich beim Verkauf, sondern auch im Anschluss. Dabei legen wir großen Wert auf einen optimalen Fahrzeugservice. Wir betreiben nicht nur unser Geschäft rund um die Roller, wir leben es richtiggehend.

Kaufen ist Vertrauenssache, demzufolge ist es wesentlich, sich den Laden zuvor genau anzugucken. Bei uns ist alles rund um unseren Fachhandel nachvollziehbar! Sie dürfen gerne jederzeit bei uns vorbeikommen und sich persönlich ein Bild machen.Den Vertrauensnachweis bekommen Sie dann sozusagen schwarz auf weiß vor Ort.

Kunden, denen der Weg zu uns zu weit ist, können sich von zu Hause aus durch das Trustedshops-Siegels und die verschiedenen Ebay Bewertungen über uns schlau machen. Die Bewertungen von Trustedshops sind im Grunde nicht nur vollkommen wertneutral sondern auch sehr aussagekräftig. Sowohl der Internet-Shop auf unserer Firmenwebseite Motorroller.de als auch unsere Geschäftspraxis wurden von dieser Institution bisher durchweg mit "sehr gut" beurteilt. Auch bei Ebay liegen wir mit dem Faktor 99,9 % optimal im Rennen. All diese Resultate lassen zweifelsohne nur einen einzigen Schluss zu: Unsere Kunden sind mit uns durchweg zufrieden!

Bitte denken Sie daran, dass wir keine Roboter sondern auch nur Menschen sind, denen ein Fehler unterlaufen kann. Wir wollen Sie daher bitten, uns auf alle Fälle eine Chance zur Verbesserung zu geben, falls mal etwas nicht ganz geklappt hat.

Wann wir Ihnen zu Diensten stehen? Jeden Tag von 8:00 bis 18:00 Uhr und samstags von 8:00 bis 13:00 Uhr.

Unsere Unternehmenspolitik

Wir tun alles, damit unsere Kunden zufrieden sind. Das Fahrzeuggeschäft betreiben wir sehr Erfolg versprechend bereits seit über 25 Jahren, möchten hierbei aber dennoch nicht unerwähnt lassen, dass wir schon mehr als 5 Jahrzehnte auf eine Erfolgsgeschichte auf dem Gebiet Maschinenbau zurückblicken können. Unser Schwerpunkt ist heute auf den Vertrieb von Ersatzkomponenten, "Must-to-have" zum Motor tunen und Zubehör für die meisten Motorroller ausgerichtet.

Unser Sortiment umfasst ca. 500.000 Teile

Auf unserer Internetseite finden Sie unter Motorroller.de fast sämtliche Zubehörteile und Fahrzeuge aus Europa und Fernost. Es existieren mittlerweile Einbauteile, Artikel und passendes Zubehör für circa 250 Marken und 8500 Ausführungen in unserem Lager, die bloß auf Ihre Bestellung warten. Darunter sind z.B. Produzenten wie Jonway, Kreidler, Yamaha oder Adly zu finden. Insgesamt haben wir auf einer Fläche von über 1.000 m² mehr als 500.000 Produkte von verschiedenen Produzenten in unserem Hochregallager im Angebot. Unser Zubehörlager bietet demzufolge alles, was Sie als Rollerfahrer für Ihr Zweirad benötigen.

Das beginnt bei den Regensets, Handschuhen und Nierengürteln, und geht bis hin zu den Windschildern über das Top Case und den Sturzhelmen.In unserem Tuningbereich halten wir für alle, die es lieber sportlich mögen ebenfalls einige ausgesuchte Produkte bereit. Hierzu zählen etwa Zylinder, Kolben, Auspuffanlagen und andere Dinge.

Was geschieht nach erfolgter Produktion?

Kein Produkt verlässt unser Haus, bevor es nicht auf einwandfreie Qualität geprüft worden ist. Dies bedeutet, dass alle Fahrzeuge, die vom Herstellerwerk bei uns eintreffen, in unserem Betrieb nochmals eingehend überprüft werden. Erst dann übergeben wir sie an unsere Kunden. Nachdem die Motorroller bei uns im Haus eingetroffen sind, wird jedes einzelne Zweirad ausgepackt und erstmal einer Sichtprüfung sowie einem Testlauf auf unserem computergesteuerten Prüfstand unterzogen. Bei dem gelieferten Fahrzeug wird dann nach der Anlieferung beim Käufer am Ende nochmals ein Funktionstest ausgeführt. Dadurch ist ein tadelloser Betrieb des Gefährts de facto gesichert.

Umweltschutz wir bei uns groß geschrieben

Der Umweltschutz liegt uns sehr am Herzen. Auf der einen Seite sind unsere Roller normalerweise mit sparsamen Verbrennungsmotoren ausgestattet. Um die Umwelt zusätzlich zu schonen und eine professionelle Abfallentsorgung zu gewährleisten, nehmen wir das Verpackungsmaterial wieder mit, das bei der Anlieferung unserer Motorroller anfällt.

Roller-Ankauf

Nach dem Kauf eines neuen Motorrollers aus unserem Zweiradprogramm möchten Sie sich von Ihrem alten Gefährt trennen? Das ist absolut kein Thema! Lassen Sie das unser Problem sein, denn wir nehmen Ihren gebrauchten Roller in Zahlung.

Wir haben es nicht geschafft, Ihre Skepsis aus dem Weg zu räumen?

Dann geben Sie uns bitte die Chance, Sie von unseren Leistungen zu überzeugen. Man darf uns nicht mit den vielen billigen Online-Shops, verwechseln, die heute kommen und morgen schon wieder weg sind. Es ist uns nicht entgangen, dass sich bloß mittels neuer Ideen und zeitgemäßer Innovationen die Basis für eine Erfolg versprechende Geschäftstätigkeit legen lässt. Besuchen Sie uns doch einmal in unserem Betrieb in Lindenfels-Eulsbach und überzeugen Sie sich selber von unserem außergewöhnlichen Service.

Wo unser Unternehmen zu Hause ist

Falls Sie über die Autobahn mit dem eigenen Fahrzeug kommen, führt die Strecke nach Lindenfels entweder über Stuttgart, Karlsruhe und Mannheim (A8) oder über Frankfurt/Main (A6). Der Ort liegt im Regierungsbezirk Darmstadt. Es gibt auch eine gute Verkehrsanbindung mit der Bahn.

Baugruppe: Motor

Artikelposition in Explosionszeichnung: 1

Ersatzteil: Zylinder

Motorroller bequem online kaufen – von der Bestellung bis zur Lieferung


Mobiler Home Service – Bundesweit Inspektionen und Reparaturen


Motorroller.de – Über uns – Ihr Support vom Profi seit 1993

Ihr Finanzierungsplan**
Monate Rate mtl. Gesamt
6039,67 €2.380,49 €
12157,59 €1.891,14 €

Einfach im Bestellvorgang die Expokredit-Finanzierung als Zahlungsweise auswählen ...

  • Adly Cat 125
  • Adly Her Chee GK 125
  • Adly Noble 125
  • Adly Thunder Bike TB 125
  • Aeon Cobra 125 RS
  • Aeon Cobra 125 RS II
  • Aeon Cobra 125 Utility
  • Aeon Overland 125
  • Baotian BT125T-12C1 Warrior 125
  • Baotian BT125T-2B Smart Rider 125
  • Baotian BT125T-7 Big Panther 125
  • CPI Oliver 125
  • Daelim Besbi 125 SC 125
  • Daelim Delfino 125
  • Jinan Qingqi RS 125 Capriolo Street
  • Jinan Qingqi RS 125 QM125T 10H
  • Jinan Qingqi Speedy 125 QM125T 10A
  • Jonway Imola 125 Race/Urban
  • Jonway Milano 125
  • Jonway RMC-E Hiker 125 DD SPORT
  • Jonway RMC-H Galactica 125 DD
  • Jonway RS 1000
  • Jonway RS 1100
  • Jonway Torino 125
  • Kreidler Galactica 125
  • Kreidler Hiker 125
  • Kreidler Hiker 2.0 125 DD
  • Kreidler Insignio 125 DD
  • Kreidler RMC-E Hiker 125 DD SPORT
  • Kreidler RMC-H Galactica 125 DD
  • Qingqi Insignio 125 DD
  • Qingqi RS 425
  • Quelle Versand Buffalo Adly AT 125
  • Rex Hiker 2.0 125 DD
  • Rex Imola 125
  • Rex Imola 125 Race/Urban
  • Rex INSIGNIO 125 DD
  • Rex Milano 125
  • Rex Rexy 125
  • Rex RS 1000
  • Rex RS 1100
  • Rex RS 125
  • Rex RS 125 Capriolo Street
  • Rex RS 125 QM125T 10D
  • Rex RS 125 QM125T 10H
  • Rex Speedy 125 QM125T-10A
  • Rex Torino 125
  • Shenke REX RS 1000
  • Shenke REX RS 1100
Produktgalerie überspringen

Kunden haben sich ebenfalls angesehen

Jinlun Starquad 50 CDI-Einheit 50ccm 4Takt CDI Roller Motorroller.de Steuergerät 50cc 4T Zündbox Blackbox Einheit Zündeinheit Zündelektronik
Jinlun Starquad 50 CDI-Einheit 50ccm 4Takt CDI Roller Motorroller.de Steuergerät 50cc 4T Zündbox Blackbox Einheit Zündeinheit Zündelektronik

zu Artikel: CDI-Einheit AC (Mofa 25km/h) (50xS4T25-HY 3.50-10) für Drossel mit Kupplungs- abfrage 3.50-10 4Takt 50ccm 139QMA / 139QMBCDI Zündbox CDI-Einheit AC (Mofa 25km/h) (50xS4T25-HY 3.50-10) für Drossel mit Kupplungsabfrage 3.50-10 4-Takt 50 ccm 139QMA / 139QMB JSD139QMB bis Euro 2 Schadstoffnorm Technik-InfoCDI Zündbox auch zu finden unter: Zuendeinheit, Steuergerät, E-Blackbox, CDI Einheit, Zuendzentrale, Zuendsteuerung, CDI-Einheit, Steuergeraet, Blackbox, Zuendelektronik, Zündzentrale, Zuend-Steurung, Zündeinheit, Elektr4onik-Blackbox, Zündelektronik, Zuendbox, Zünd-Steuerung, CDI, Zündbox, Zündsteuerung CDI Zündeinheit, auch Zündelektronik, CDI-Einheit, Zündeinheit, Steuergerät oder Zündbox genannt, ist wie original im Werkszustand am Fahrzeug verbaut. Vor der Bestellung ist der Reifendurchmesser zu klären (10, 12, 13 Zoll). Bei verschiedenen Reifendurchmessern gibt es unterschiedliche Drehzahlen, bitte wählen Sie den richtigen Artikel aus. Günstiges Ersatzteil bei Defekten an der Zündanlage. Die CDI kann nicht für Umrüstungszwecke verwendet werden, ein Gutachten ist nicht in diesem Lieferumfang enthalten. Dieser Artikel wurde hergestellt für Fahrzeuge der Marke:Jonway und AGM Erstausrüsterqualität Unsere Ersatzteile für ihren Motorroller bzw. Scooter oder auch Roller können Sie bequem online in unserem Shop kaufen. Egal ob sie Ihren Roller im Baumarkt oder im Kaufhaus gekauft haben, für alle gängigen China-, Taiwan-, oder Europa-Roller finden Sie bei uns passende Bauteile, insbesondere für die Motoren 50 cc, 125 cc, 250 ccm, 4-Takt, 2-Takt und für größere Leistungen. Speziell für die Motorentypen 164FML ,139QMB, 139QMA, JSD139QMB ,157QMJ, 158MJ ,125-4T6M ,150QMG ,153FMI, 156FMI ,139FMB ,GY6 ,152QMI, 157QMI ,1E40QMB, 1E40QMA in kurzen und langen Versionen in den Normen Euro1, Euro2, Euro3 sowie die neuen Euro 4 Einspritzer-Motoren finden Sie Ersatzteile von hoher Güte. Gerne können Sie auch per Email nach Ersatzteilen anfragen. Bei Bestellwerten über 100 Euro können Sie auch unseren Finanzierungs- bzw. Ratenkauf-Service nutzen. Beim Kauf von Fahrzeugen können wir Ihnen auch ein Leasing-Angebot unterbreiten, das bietet sich insbesondere für Firmen an, die Betriebsfahrzeuge anschaffen, oder ihren Mitarbeitern ein Fahrzeug zur Verfügung stellen. Wir freuen uns auf Ihre Anfrage. Ein kaputtes Bauteil reparieren lassen oder besser gleich austauschen?Diese Frage wird von Rollerfahrern oftmals gestellt, ganz egal, ob sie einen Motorroller, Elektroroller bzw. E-Roller oder Dreirad-Roller besitzen, für den Fall, dass etwas an ihrem Zweirad defekt geworden ist. Ein Ersatzteil, welches vergleichsweise schnell ausgewechselt werden kann, ist nicht bloß preisgünstiger, sondern bietet auch eine erheblich größere Funktionssicherheit als nach einer Reparatur des Rollers. Die Ursache einer Funktionsstörung lässt sich oft nur von einem Fachmann mittels Spezialwerkszeugen orten. Eine gute Alternative wäre es in diesem Fall, eines unserer fertigen Komplett-Kits, welche wir für zahlreiche diverse Modelle anbieten, zu bestellen. .Wir liefern nur QualitätsprodukteGroßes Augenmerk legen wir auf preisgünstige Produkte von hoher Qualität. Weshalb sind wir trotz der hohen Qualität unserer Produkte so günstig? Das liegt nicht nur an unserer Preisgestaltung, sondern insbesondere daran, dass wir unsere Teile in großen Stückmengen beziehen. Diese beiden Faktoren, nämlich einerseits die gute Qualität und auf der anderen Seite der günstige Preis heben uns in erster Linie von unseren Mitbewerbern ab. Einige Rollermarken wie Eppella und Sundiro werden schon seit langem nicht mehr hergestellt. Trotzdem führen wir dafür noch die Ersatzteile.Sie bekommen bei uns ohne Frage auch die Originalteile vom jeweiligen Fahrzeughersteller. Falls Sie andererseits Geld sparen wollen [und wer will das nicht], sollten Sie auch unsere Nachbauten ins Auge fassen, die übrigens einen qualitativen Vergleich zum Erstausrüster- Produkt nicht zu scheuen brauchen, obwohl sie im Prinzip wesentlich preisgünstiger sind. Mit unseren Komponenten können Sie die Instandsetzung Ihres motorisierten Zweirads selbst durchführen respektive auch von einem Fachmann ausführen lassen. Zweifelsohne finden Sie keine bessere Alternative, in Verbindung mit der Reparatur Ihres Zweirads, um Ihren Geldbeutel zu schonen.Es ist denkbar simpel, mithilfe der Bilder das richtige Austauschteil zu bestellenNeben den Beschreibungen finden Sie in unserem Onlineshop auch anschauliches Bildmaterial. Hierdurch können Sie gleich Ihre alte Komponente mit dem verfügbaren Ersatz vergleichen und gehen auf diese Weise sicher, dass Sie anschließend auch wirklich das dringend benötigte Produkt erhalten. Dabei genügt nicht nur eine optische Ähnlichkeit. Es müssen überdies sowohl die deklarierten technischen Angaben als auch die Dimensionen zusammenpassen. Auf welche Weise Sie davon profitieren:Durch unsere "Geld zurück" - Garantie kaufen Sie ohne RisikoUnsere sämtlichen Erzeugnisse sind langlebig, gebrauchstauglich sowie kostengünstigKurze LieferzeitenAbsolute Verkehrssicherheit des Zweirads, vor allem bei den BremsenWir kaufen Ihr ZweiradSie zahlen nur einmal den Versand beim Ordern mehrerer Einbauteile mit identischen VersandbedingungenErsatzteile und Artikel für circa 250 Marken und 8500 Modelle auf LagerISO-zertifizierte Präzisionsfertigung nach DIN-NormSie bekommen von uns immer die Erstausrüsterqualität - auch bei preiswerten NachbautenWir holen und bringen Ihr FahrzeugAm besten kaufen Sie Motorroller, Straßenbuggys, Quads und Fun-Fahrzeuge bei uns als Fachhändler. Weswegen wäre es für Sie von Vorteil, wenn Sie uns für Sie tätig werden lassen? Weil wir das Know-how und die Meister-Qualifikation besitzen, welche man für diesen Geschäftsbereich unter allen Umständen benötigt. Im Vergleich zu einigen unserer Mitbewerber geben wir uns wirklich noch echte Mühe, den Käufer zufrieden zu stellen. Nicht nur beim Verkauf, sondern auch im Anschluss. Hierbei legen wir größten Wert auf einen optimalen Fahrzeugservice. Wir als familiär geführter Betrieb leben das Geschäft in Verbindung mit Rollern buchstäblich. Es ist erforderlich, sich das Fachgeschäft deswegen zuerst genau anzusehen, ehe man sich zu einem Kauf entschließt. in unserem Betrieb ist alles hundertprozentig nachvollziehbar! Gerne können Sie uns einen Besuch abstatten, um sich über uns eigenhändig ein Bild zu machen.Sie sehen dann den Nachweis unserer hervorragenden Leistungen auf gewisse Weise mit eigenen Augen.Möglicherweise ist Ihnen der Weg zu uns zu weit. Dann gibt es auch die Option, mittels des Trustedshops-Siegels und die diversen Ebay Bewertungen Informationen über uns einzuholen. Die Bewertungen von Trustedshops sind im Prinzip nicht nur hundertprozentig wertneutral sondern auch sehr aussagekräftig. Sowohl der Online Shop auf unserer Webseite Motorroller.de als auch unsere Geschäftspraktiken wurden von dieser Institution bislang durchgängig mit "sehr gut" beurteilt. Unsere Kundenrezensionen bei Ebay liegen mit einem Prozentsatz von rund 99,9 % ebenso in einem ausgezeichneten Bereich. Diese Resultate bestätigen eines ganz offensichtlich: Wir legen uns auf allen Gebieten immer mächtig ins Zeug! Bitte denken Sie daran: Wir sind auch bloß Menschen, die mitunter Fehler machen. Seien Sie von daher nicht gleich erzürnt, für den Fall, dass mal etwas nicht hundertprozentig geklappt hat, sondern geben Sie uns die Chance, unseren Fehler wieder gut zu machen.Zu welchen Zeiten wir Ihnen zu Diensten stehen? Jeden Tag von 8:00 bis 18:00 Uhr und am Samstag von 8:00 bis 13:00 Uhr.Unsere UnternehmensphilosophieWir haben uns die Zufriedenheit unserer Kunden auf die Fahne geschrieben. Mehr als 25 Jahre sind wir mit Erfolg im Geschäft mit Fahrzeugen im Einsatz, wobei wir uns andererseits bereits vor über 5 Jahrzehnten auf dem Gebiet des Maschinenbaus Erfolg versprechend etablieren konnten. Inzwischen haben wir uns zusammen mit dem Verkauf von Motorrollern, auf Einbauteile, das "Must have" zur Steigerung der Leistung und Fahrzeugzubehör festgelegt.Wir haben circa 500.000 Einbauteile auf LagerUnter Motorroller.de finden Sie fast alle Komponenten und Zweiräder aus Fernost und Europa. Wir haben Teile, Artikel und passendes Zubehör für zirka 250 Hersteller und 8500 Typen für Sie auf Lager. Zu unseren Lieferanten zählen z.B. so namhafte Produzenten wie Jonway, Kreidler, Yamaha oder Adly. Alles in allem haben wir auf einer Fläche von über 1.000 m² ungefähr 500.000 Produkte von unterschiedlichen Anbietern in unserem Hochregallager im Programm. Hier finden Sie stets das gewünschte Zubehör für Ihr Zweirad von A bis Z. Das beginnt bei den Schutzhelmen über das Top Case und den Windschildern, und geht bis hin zu Regensets, Handschuhen und Nierengürteln.Selbst Tuningfans kommen bei uns nicht zu kurz. Zum Tunen ihres Zweirads finden sie in unserer Tuningabteilung alles was das Herz begehrt, wie beispielsweise Kolben, Zylinder, Auspuffanlagen und dergleichen Dinge.Unmittelbar nach der ProduktionSämtliche Lieferungen verlassen unser Unternehmen erst im Anschluss an eine strenge Kontrolle der Qualität. Anders ausgedrückt, bevor ein Fahrzeug ausgeliefert bzw. vom Kunden abgeholt wird, checken wir es letztlich nochmals gründlich auf eventuelle Fehler beziehungsweise Transportschäden. Das erste Mal geschieht das vor dem Versand, indem wir jeden Roller auspacken und auf unserem Zweirad-Prüfstand einem Probelauf respektive einer Übergabeinspektion unterziehen. Ein letzter Funktionscheck erfolgt dann bei der Übergabe an den Kunden. Dadurch ist gesichert, dass der Motorroller sich tatsächlich in einem korrekten Zustand befindet und den Käufer vollends zufriedenstellt.Schutz unserer UmweltUns liegt sehr viel an einem effektiven Schutz unserer Umwelt. Zur Erhaltung der Luftreinheit besitzen unsere Fahrzeuge zumeist Verbrennungsmotoren, welche äußerst effizient laufen. Das Verpackungsmaterial nehmen wir selbstverständlich wieder mit, um es einer professionellen Entsorgung zuzuführen - auch das gehört für uns zu einer sauberen Umwelt.Wir kaufen Ihren RollerSie haben einen neuen Motorroller bei uns bestellt und wollen gerne Ihr ausgedientes Zweirad an den Mann bringen? Zerbrechen Sie sich hierüber nicht den Kopf! Lassen Sie das unsere Sorge sein, denn wir nehmen Ihren alten Roller in Zahlung.Sie sind immer noch skeptisch?Dann geben Sie uns bitte die Gelegenheit, Sie von unseren Leistungen zu überzeugen. Wir zählen nicht zu den billigen Web-Shops, die wie Eintagsfliegen heute kommen und nach kurzer Zeit wieder verschwunden sind. In unserem fortwährend wachsenden Betrieb steht fortwährendes Lernen sowie die Anpassung an modernen Technologien in der Rangordnung ganz oben, da wir verstanden haben, dass sich nur durch neue Ideen und fortschrittliche Innovationen das Know-how für eine stabile Geschäftsbasis erzeugen lässt. Besuchen Sie uns doch einmal in unserem Unternehmen in Lindenfels-Eulsbach und überzeugen Sie sich selbst von unserem außergewöhnlichen Service.So finden Sie unsLindenfels befindet sich im Regierungsbezirk Darmstadt, und zwar 40 km nordöstlich von Mannheim beziehungsweise etwa 60 km südlich von Frankfurt am Main. Am besten fahren Sie von Süden her über die A8, während Sie aus nördlicher Richtung die A6 nehmen. Optional ist es logischerweise auch möglich, mit der Bahn anzureisen.Unsere TopmarkenUnsere Topmarken

Regulärer Preis:
Verfügbar
89,90 €
Rex 25 Silverstreet Kraftstoff-Filter Benzinfilter Motorroller.de Kraftstofffilter 50ccm 2Takt 1E40QMB YY50QT-28 50cc 2T Minarelli liegend
Rex 25 Silverstreet Kraftstoff-Filter Benzinfilter Motorroller.de Kraftstofffilter 50ccm 2Takt 1E40QMB YY50QT-28 50cc 2T Minarelli liegend

zu Artikel: Benzinfilter d30mm Kunststoff f. 6mmBenzinfilter Nadellager für Zwischenrad HK 8x12x10mm Technik-Info Nadellager auch zu finden unter: Lager, Walzenlager, Kolbenbolzenlager, Rollenlager, Nadellager, Nadel-Lager, Walzen-Lager, Rollen-Lager Lager gewährleisten die Bewegung von Bauteilen und der Rollenbewegung. Sie verringern die Reibung. Nur durch den Einbau von hochwertigen Lagern arbeitet der Motor effizient und langlebig. Beim Einbau der Lager ist auf die Beschaffenheit und auf die entsprechende DIN-Norm zu achten. Dieser Artikel wurde speziell hergestellt für:Rex 50 50ccm 2Takt Geprüfte Erstausrüsterqualität sehr gute Verarbeitung günstiger Preis da Direktimport Kauf vom Großvertreiber Unsere Ersatzteile für ihren Motorroller bzw. Scooter oder auch Roller können Sie bequem online in unserem Shop kaufen. Egal ob sie Ihren Roller im Kaufhaus oder im Baumarkt gekauft haben, für alle gängigen Europa-, Taiwan-, oder China-Roller finden Sie bei uns passende Bauteile, insbesondere für die Motoren 50 cc, 125 cc, 250 ccm, 2-Takt, 4-Takt und für größere Leistungen. Speziell für die Motorentypen 164FML ,157QMJ, 158MJ ,1E40QMB, 1E40QMA ,150QMG ,153FMI, 156FMI ,125-4T6M ,GY6 ,152QMI, 157QMI ,139FMB ,139QMB, 139QMA, JSD139QMB in kurzen und langen Versionen in den Normen Euro1, Euro2, Euro3 sowie die neuen Euro 4 Einspritzer-Motoren finden Sie Ersatzteile von erstklassiger Qualität. Gerne können Sie auch per Email nach Ersatzteilen anfragen. Bei Bestellwerten über 100 Euro können Sie auch unseren Ratenkauf- bzw. Finanzierungs-Service nutzen. Beim Kauf von Fahrzeugen können wir Ihnen auch ein Leasing-Angebot unterbreiten, das bietet sich insbesondere für Firmen an, die Betriebsfahrzeuge anschaffen, oder ihren Mitarbeitern ein Fahrzeug zur Verfügung stellen. Bitte fragen Sie an. Reparieren oder auswechseln?Diese Frage wird von Rollerfahrern immer wieder gestellt, ganz gleich, ob sie einen Dreirad-Roller, Elektroroller beziehungsweise E-Roller oder Motorroller ihr Eigen nennen, falls etwas am Fahrzeug kaputt geworden ist. Woran man gleichermaßen denken sollte: Ein Ersatzelement ist nicht nur schnell ausgewechselt, sondern macht den Motorroller auch bedeutend ausfallsicherer als eine Instandsetzung. Oftmals kann man einen nicht sogleich selber entdecken und ein qualifizierter Fachmann muss herausfinden, wo der Hase im Pfeffer liegt. Bestellen Sie doch am besten sofort eines unserer fertigen Einbau-Kits, die wir für zahlreiche diverse Fabrikate im Sortiment haben. .Wir liefern ausschließlich QualitätsprodukteDie Ersatzteile, die wir im Programm haben, entsprechen bezüglich der Qualität zu 100 % dem Weltmarktniveau. Wir können allein deshalb so günstig sein, weil wir unsere Teile in ausreichend großen Stückzahlen einkaufen. Bei uns kriegen Sie in Folge dessen sämtliche lieferbaren Teile für Ihr Zweirad nicht lediglich in bester Qualität, sondern auch für einen erschwinglichen Preis. Auch für Roller, Buggys und Quads, die nicht mehr gefertigt werden, haben wir in der Regel die Einbauteile auf Lager. So z.B. für die Marken Eppella und Sundiro.Wer möchte, bekommt bei uns natürlich auch das Originalteil für seinen Motorroller. Die meisten Besteller greifen nicht zuletzt hinsichtlich der guten Preise und der Erstausrüster-Qualität auf unsere Nachbauten zurück. Sie können mit unseren Produkten die Instandsetzung Ihres Rollers entweder selbst durchführen oder von einem Fachmann machen lassen. Zu solch bezahlbaren Kosten werden Sie sicherlich Ihren Roller nicht auf andere Art und Weise instand setzen können.Abbildungen erleichtern das Ordern des passenden ZubehörsIn Verbindung mit den Beschreibungen finden Sie in unserem Online Shop auch anschauliches Bildmaterial. Dadurch können Sie sofort Ihr defektes Austauschteil mit dem verfügbaren Ersatz vergleichen und gehen somit sicher, dass Sie hernach auch wirklich den richtigen Artikel erhalten. Relevant dabei ist, dass Ihre Bestellung sowohl visuell als auch in den Spezifikationen und Dimensionen mit der defekten Komponente übereinstimmt. Ihre Vorteile:Ersatzteile und Artikel für rund 250 Marken und 8500 Typen auf LagerWir holen und bringen Ihr FahrzeugWir kaufen Ihr Zweiradhundertprozentige Verkehrssicherheit des Motorrollers, speziell bei BremsanlagenKurze LieferzeitenKauf ohne Risiko durch "Geld zurück" - GarantieSie erhalten von uns ausnahmslos die Erstausrüsterqualität - auch bei kostengünstigen NachbautenDIN-Norm gerechte und ISO-zertifizierte PräzisionsfertigungSie bezahlen bei Bestellung mehrerer Einbauteile mit identischen Versandkriterien nur einmal VersandkostenAlle unsere Produkte sind langlebig, preiswert und gebrauchstauglichMotorroller, Quads, Fun-Fahrzeuge und Straßenbuggys kauft man bevorzugt in einem Fachgeschäft wie das unsrige. Aus welchen Gründen wäre es für Sie von Vorteil, wenn Sie uns für Sie tätig werden lassen? Weil wir für diesen Geschäftsbereich die Meister-Qualifikation und das Know-how besitzen, was hierfür unbedingt nötig ist. Als Familienbetrieb betreiben wir nicht bloß das Geschäft rund um die Motorroller, wir leben unser Geschäft richtiggehend. Da Kaufen auch Vertrauenssache ist, sollte man sich darum das ausgesuchte Fachgeschäft im Vorfeld genau angucken, bei dem man vorhat ein Zweirad zu kaufen. Bei uns ist alles absolut nachvollziehbar! Sie dürfen gerne zu jeder Zeit bei uns vorbeikommen und sich selbst ein Bild machen.Die Vertrauensbestätigung bekommen Sie dann im Prinzip schwarz auf weiß vor Ort.Wenn Ihnen der Weg zu uns zu weit ist, können Sie sich auch durch das Trustedshops-Siegels und die diversen Ebay Bewertungen schlau machen. Die Bewertungen von Trustedshops sind allgemein nicht nur ungemein aussagekräftig, sondern auch ganz und gar wertneutral. Sowohl der Shop auf unserer Homepage Motorroller.de als auch unsere Geschäftspraktiken wurden von dieser Einrichtung bis dato durchweg mit "sehr gut" beurteilt. Der Wert von rund 99,9 Prozent bei Ebay in den Käuferbewertungen kann sich gleichfalls sehen lassen. All diese Ergebnisse lassen nur einen einzigen Schluss zu: Unsere Kunden sind bei uns bestens aufgehoben! Bitte denken Sie daran: Wir sind auch nur Menschen, die unter Umständen etwas falsch machen. Demzufolge bitten wir Sie, wenn mal etwas nicht zu Ihrer Zufriedenheit verlaufen ist, uns auf jeden Fall die Gelegenheit zur Verbesserung zu geben.Unser Fachgeschäft hat für Sie geöffnet: jeden Tag von 8:00 - 18:00 Uhr, am Samstag von 9:00 - 13:00 Uhr.Jahrzehnte im Dienst unserer KundenWir haben uns die Zufriedenheit unserer Kunden auf die Fahne geschrieben. Mehr als 25 Jahre sind wir mit Erfolg mit dem Handel von Fahrzeugen tätig, wobei wir uns indes schon vor über 5 Jahrzehnten auf dem Gebiet des Maschinenbaus erfolgreich etabliert haben. Wir haben uns mittlerweile größtenteils auf Zubehör, das "Must have" für Motortuning und Einbauteile für die häufigsten Roller fokussiert.Unser Warenlager umfasst circa 500.000 TeileAuf unserer Homepage finden Sie unter Motorroller.de beinahe sämtliche Einbauteile und Zweiräder aus Fernost und Europa. In unserem Lager befinden sich für ungefähr 8500 Modelle und 250 Hersteller diverse Einbaukomponenten, passendes Zubehör und Artikel. Darunter sind zum Beispiel Lieferanten wie Jonway, Yamaha, Kreidler oder Adly zu finden. Im Großen und Ganzen haben wir auf einer Lagerfläche von über 1.000 m² mehr als 500.000 Produkte von zahlreichen Herstellern in unserem Hochregallager im Sortiment. Im Zubehörlager finden Sie alles, was man als Rollerfahrer braucht. Das beginnt bei den Nierengürteln, Regensets und Handschuhen, und geht bis hin zu den Windschildern über die Schutzhelme und das Top Case.Auch Tuningfans kommen bei uns nicht zu kurz. Zum Tunen ihres motorisierten Gefährts finden sie in unserer Tuningabteilung alles was das Herz begehrt, wie z.B. Zylinder, Auspuffanlagen, Kolben und weitere Dinge.Unmittelbar nach der ProduktionRegelmäßige Qualitätsprüfungen sind die Leidenschaft unseres Hauses. Mit anderen Worten, bevor wir einen Motorroller in die Hände des Kunden geben, wird er von uns nochmals auf tadellose Funktion und Mängelfreiheit durchgecheckt. Das erste Mal geschieht dies vor dem Versand, indem wir jedes Fahrzeug auspacken und auf unserem computergesteuerten Zweirad-Prüfstand einem Testlauf beziehungsweise einer Übergabekontrolle unterziehen. Direkt nach der Anlieferung beim Kunden wird dann der Roller schließlich noch einmal auf einwandfreie Funktion überprüft, sodass wirklich sichergestellt ist, dass der Käufer ein absolut einwandfreies Gefährt bekommt.Umweltschutz wir bei uns groß geschriebenWir sind besonders um den Schutz unserer Umwelt bemüht. Zur Bewahrung der Luftreinheit haben unsere Zweiräder normalerweise Motoren, die ausgesprochen effizient laufen. Die Transportverpackung nehmen wir ohne Frage wieder mit, um sie einer fachgerechten Müllentsorgung zuzuführen - auch das gehört für uns zum Umweltschutz.Roller-AnkaufIhr alter Roller ist in die Jahre gekommen und Sie planen, bei uns ein neues Gefährt zu bestellen. Aber was tun mit dem Oldie? Seien Sie deswegen unbesorgt! Wir nehmen Ihren ausgedienten Motorroller gerne in Zahlung.Nach wie vor skeptisch?Dann geben Sie uns doch die Chance, Sie von unseren Leistungen zu begeistern. Man darf uns nicht mit den zahlreichen billigen Internetshops, gleich stellen, die heute kommen und morgen bereits wieder weg sind. Die solide Grundlage für ein erfolgreiches Unternehmen besteht darin, dass bloß zufolge neuer Ideen und fortschrittlicher Innovationen ein nachhaltiges Wachstum garantiert werden kann. Infolgedessen stehen Anpassung an neue Technologien sowie fortwährendes Lernen in unserem stetig expandierenden Betrieb fortwährend in der Rangordnung ganz oben. Überzeugen Sie sich persönlich von unserem herausragenden Service und besuchen Sie uns doch mal in unserem Betrieb in Lindenfels-Eulsbach.Wo wir zu Hause sindWenn Sie über die Autobahn mit dem eigenen Fahrzeug kommen, führt die Strecke nach Lindenfels entweder über Frankfurt/Main (A6) oder über Stuttgart, Karlsruhe und Mannheim (A8). Der Ort liegt im Regierungsbezirk Darmstadt. Es besteht auch eine gute Verkehrsanbindung per Bahn.Unsere TopmarkenUnsere Topmarken

Regulärer Preis:
Verfügbar
3,99 €
Rabatt
AEON Gebläse Geblaese 19510-113-000
AEON Gebläse Geblaese 19510-113-000

zu Artikel: Gebläse 19510-113-000 GebläseTechnik-InfoGebläseGeblaese, GebläseDieser Artikel passt bei vielen Modellen, unter anderem für: Aeon Revo 100 W (m. Rückwärtsgang) ab BJ.05-06, Aeon Revo 50 W (m. Rückwärtsgang) BJ.05-06, Bitte vergleichen Sie mit ihren FahrzeugpapierenLangjährige Erfahrung und stets einwandfreie Qualität haben diesen Hersteller ausgezeichnet.Kostenloser Versand   Bei Ersatzteilen für jeden zusätzlichen Artikel mit den gleichen Versandkriterien, den Sie von uns kaufen.Unsere Ersatzteile für ihren Scooter bzw. Roller oder auch Motorroller können Sie bequem online in unserem Shop kaufen. Egal ob sie Ihren Roller im Baumarkt oder im Kaufhaus gekauft haben, für alle gängigen China-, Taiwan-, oder Europa-Roller finden Sie bei uns passende Bauteile, insbesondere für die Motoren 50 cc, 125 cc, 250 ccm, 2-Takt, 4-Takt und für größere Leistungen. Speziell für die Motorentypen 164FML ,152QMI, 157QMI ,150QMG ,139FMB ,139QMB, 139QMA, JSD139QMB , GY6 ,1E40QMB, 1E40QMA ,153FMI, 156FMI ,157QMJ, 158MJ ,125-4T6M in kurzen und langen Versionen in den Normen Euro1, Euro2, Euro3 sowie die neuen Euro 4 Einspritzer-Motoren finden Sie qualitativ erstklassige Ersatzteile. Gerne können Sie auch per Email nach Ersatzteilen anfragen. Bei Bestellwerten über 100 Euro können Sie auch unseren Finanzierungs- bzw. Ratenkauf-Service nutzen. Beim Kauf von Fahrzeugen können wir Ihnen auch ein Leasing-Angebot unterbreiten, das bietet sich insbesondere für Firmen an, die Betriebsfahrzeuge anschaffen, oder ihren Mitarbeitern ein Fahrzeug zur Verfügung stellen. Ihre Anfrage nehmen wir gerne entgegen

Verkaufspreis:
Kurzfristig lieferbar
6,71 € Regulärer Preis: 7,72 €