Zum Hauptinhalt springen Zur Suche springen Zur Hauptnavigation springen
Menü
efr
erf
rrrf
Schnell lieferbar
14 Tage Rückgaberecht
Schneller DPD Versand

zu Artikel: Set Kolbenringe Rex RS 400

Kolbenring Satz 39mm 139QMA 139QMB GY6 4Takt 50ccm

Technik-Info

Set

auch zu finden unter: Kolbenringe, Kompressions Ringe Set, Verdichtungs Ringe, Kompressionsringe Satz, Verdichtungsringe, Kolbenring Satz, Kolbenringsatz, Kolben Ringe, Set Kolbenringe

Kolbenringe haben die Aufgaben Abdichtung der Kompression, Ableitung der Verbrennungswärme, Dosierung des Schieröls (Stärke des Ölfilms). Kolben mit 3 Kolbenringen haben durch die bessere Dosierung des Ölfilms gegenüber Kolben mit 2 Kolbenringen einen geringeren Ölverbrauch.

Dieser Artikel wurde speziell hergestellt für:

Rex RS 400 50ccm 4Takt

Geprüfte beste Erstausrüsterqualität sehr gute Verarbeitung günstiger Preis Direktimport Kauf 100% ohne Risiko vom Topseller

Unsere Ersatzteile für ihren Scooter bzw. Roller oder auch Motorroller können Sie bequem online in unserem Shop kaufen. Egal ob sie Ihren Roller im Kaufhaus oder im Baumarkt gekauft haben, für alle gängigen China-, Europa-, oder Taiwan-Roller finden Sie bei uns passende Bauteile, insbesondere für die Motoren 50 cc, 125 cc, 250 ccm, 2-Takt, 4-Takt und für größere Leistungen. Speziell für die Motorentypen 157QMJ, 158MJ ,1E40QMB, 1E40QMA ,139QMB, 139QMA, JSD139QMB ,153FMI, 156FMI ,125-4T6M ,152QMI, 157QMI ,150QMG ,139FMB ,164FML ,GY7 in kurzen und langen Versionen in den Normen Euro1, Euro2, Euro3 sowie die neuen Euro 4 Einspritzer-Motoren finden Sie Ersatzteile von hoher Güte. Gerne können Sie auch per Email nach Ersatzteilen anfragen. Bei Bestellwerten über 100 Euro können Sie auch unseren Finanzierungs- bzw. Ratenkauf-Service nutzen. Beim Kauf von Fahrzeugen können wir Ihnen auch ein Leasing-Angebot unterbreiten, das bietet sich insbesondere für Firmen an, die Betriebsfahrzeuge anschaffen, oder ihren Mitarbeitern ein Fahrzeug zur Verfügung stellen. Wir freuen uns auf Ihre Anfrage.

Baugruppe: Motor

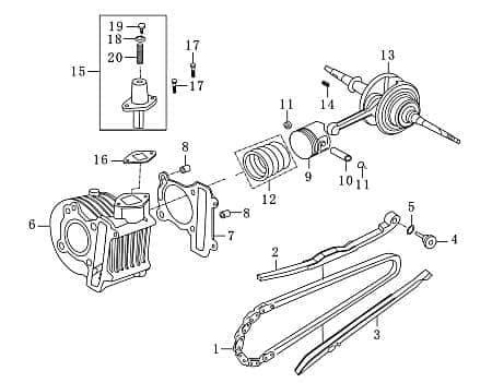
Artikelposition in Explosionszeichnung: 12

Ersatzteil: Kolben

Motorroller bequem online kaufen – von der Bestellung bis zur Lieferung


Mobiler Home Service – Bundesweit Inspektionen und Reparaturen


Motorroller.de – Über uns – Ihr Support vom Profi seit 1993

Ihr Finanzierungsplan**
Monate Rate mtl. Gesamt
6039,67 €2.380,49 €
12157,59 €1.891,14 €

Einfach im Bestellvorgang die Expokredit-Finanzierung als Zahlungsweise auswählen ...

  • Jonway 139QMB
  • Jonway Boston 8 Mofaroller
  • Jonway Imola 50 Race/Urban
  • Jonway Jigger 50 City
  • Jonway Milano 50
  • Jonway Monza 50 Race Urban
  • Jonway REX Monaco 50 Race/Urban
  • Jonway Rex RS 460
  • Jonway Rex RS 500
  • Jonway Rex RS Classic
  • Jonway RS 400
  • Jonway RS 750
  • Jonway RS Classic
  • Jonway RT 50
  • Jonway Unser Norden Mofaroller
  • Jonway Unser Norden Mokickroller
  • Kreidler Flory 50 45 km/h Roller
  • Kreidler Galactica 2.0 50 DD City
  • Kreidler Hiker 2.0 50 DD
  • Kreidler Hiker 50 DD
  • Kreidler Jigger 50 City
  • Kreidler MONACO 50 Race / Urban
  • Kreidler MONZA 50 Race / Urban (Fin: WS1 od. L8Y)
  • Kreidler RMC-E 50 Florett Roller
  • Kreidler RS 500
  • Otto Versand Rex RS 400
  • Otto Versand Rex RS 750
  • Qingqi Capriolo 50
  • Qingqi Flory 50
  • Qingqi Leopard
  • Qingqi QM50QT-2M
  • Qingqi QM50QT-6F
  • Qingqi QM50QT-6S
  • Qingqi QM50T-10A
  • Qingqi QM50T-10E
  • Qingqi QM50T-10V
  • Qingqi Rex RS 450 OFF-LIMIT/TRIBAL-Scooter/CAPRIOLO 50 QM50QT-6A
  • Qingqi REX RS 600 QM50QT-2
  • Qingqi REX RS 700 QM50QT-10A
  • Qingqi REX RS 900 QM50T 10A(A)
  • Qingqi RS 425
  • Qingqi RS 450
  • Qingqi RS 700
  • Qingqi RS 900
  • Qingqi RS 900 QM50T 10A
  • Qingqi Speedy 50
  • Rex Capriolo 50 4T
  • Rex Imola 50
  • Rex Imola 50 Race/Urban
  • Rex Milano 50
  • Rex Monaco 50
  • Rex Monaco 50 Race Urban
  • Rex Monza 50 Fin: L5Y
  • Rex Off Limit
  • Rex RS 400
  • Rex RS 425 Mofaroller 4-T
  • Rex RS 450
  • Rex RS 450 OFF-LIMIT/TRIBAL-Scooter/CAPRIOLO 50 QM50QT-6A
  • Rex RS 450 QM50QT-6A CAPRIOLO 50
  • Rex RS 460
  • Rex RS 460 BOSTON 8
  • Rex RS 460 Mofaroller 4-T
  • Rex RS 500
  • Rex RS 500 QM50QT 6A-AQINGQI
  • Rex RS 600 QM50QT-2
  • Rex RS 700 QM50QT-10A
  • Rex RS 750
  • Rex RS 900 QM50T 10A-A
  • Rex RS Classic 50
  • Rex SPEEDY FLASH
  • SMC Kreidler 50 Flory
  • SMC Qingqi 50
Produktgalerie überspringen

Kunden haben sich ebenfalls angesehen

Rex Off Limit Rillenkugellager Kugellager Lager Roller Motorroller.de 50ccm 4Takt 139QMB JSD50QT-13 50cc 4T 139QMA Wälzlager Nadellager
Rex Off Limit Rillenkugellager Kugellager Lager Roller Motorroller.de 50ccm 4Takt 139QMB JSD50QT-13 50cc 4T 139QMA Wälzlager Nadellager

zu Artikel: Lager 6203 17x40x12mmKugellager Benzinstandmesser 2Takt 50ccm Technik-Info Benzinstandmesser auch zu finden unter: Fuellstandsgeber, Tank-Anzeige, Tankstandgeber, Benzinstandgeber, Benzinstand-Messer, Benzinstandfuehler, Benzinstandmesser, Füllstand-Geber, Benzinstandssensor, Tankanzeige, Kraftstoff-Messer, Spritstandgeber, Füllstandsgeber, Fuellstand-Geber, Tanksensor, Kraftstoffmesser, Schwimmer-Schalter, Tankschwimmer, Schwimmerschalter, Benzinstand-Geber, Benzinstandfühler Der Benzinstadgeber erfasst den Benzinstand mithilfe des Schmmers im Tank und meldet diesen an die Tankuhr. Dieser Artikel wurde speziell hergestellt für:Rex Milano 50 50ccm 4Takt Geprüfte Erstausrüsterqualität sehr gute Verarbeitung günstiger Preis Direktimport Kauf 100% ohne Risiko vom Topseller Unsere Ersatzteile für ihren Roller bzw. Motorroller oder auch Scooter können Sie bequem online in unserem Shop kaufen. Egal ob sie Ihren Roller im Baumarkt oder im Kaufhaus gekauft haben, für alle gängigen Taiwan-, China-, oder Europa-Roller finden Sie bei uns passende Bauteile, insbesondere für die Motoren 50 cc, 125 cc, 250 ccm, 2takt, 4takt und für größere Leistungen. Speziell für die Motorentypen 152QMI, 157QMI ,153FMI, 156FMI ,139FMB ,GY6 ,164FML ,1E40QMB, 1E40QMA ,139QMB, 139QMA, JSD139QMB ,157QMJ, 158MJ ,125-4T6M ,150QMG in kurzen und langen Versionen in den Normen Euro1, Euro2, Euro3 sowie die neuen Euro 4 Einspritzer-Motoren finden Sie Ersatzteile von hoher Qualität. Gerne können Sie auch per Email nach Ersatzteilen anfragen. Bei Bestellwerten über 100 Euro können Sie auch unseren Ratenkauf- bzw. Finanzierungs-Service nutzen. Beim Kauf von Fahrzeugen können wir Ihnen auch ein Leasing-Angebot unterbreiten, das bietet sich insbesondere für Firmen an, die Betriebsfahrzeuge anschaffen, oder ihren Mitarbeitern ein Fahrzeug zur Verfügung stellen. Bitte fragen Sie an. Ein Teil ist defekt - soll es instand gesetzt oder besser gleich ersetzt werden?Diese Frage stellen sich Rollerfahrer immer dann, wenn an ihrem Fahrzeug etwas kaputt gegangen ist, gleichgültig, ob sich um einen Elektroroller beziehungsweise E-Roller, Motorroller oder Dreirad-Roller handelt. Woran man auch denken sollte: Ein neues Bauteil ist nicht nur schnell ersetzt, sondern macht den Motorroller auch beträchtlich ausfallsicherer als eine Instandsetzung. Häufig kann nur eine kompetente Fachwerkstatt den Schaden auf Anhieb feststellen. In diesem Fall wäre es sinnvoller, bei uns eines der fertigen Ersatzteil-Kits zu ordern, welche wir für viele diverse Modelle in unserem Programm haben. .Für Ihren Roller - erstklassige QualitätsteileDie Qualität unserer sämtlichen Bauteile entspricht dem Weltmarktniveau. Wir können nur aus dem Grund so günstig sein, weil wir bei unseren Lieferanten alle Ersatzteile in genügend großen Stückmengen einkaufen. Für den Fall, dass Ihr motorisiertes Zweirad einmal ein neues Bauelement braucht, wenden Sie sich voll Vertrauen an uns. Sie erhalten bei uns ausnahmslos beste Qualität zu einem bezahlbaren Preis. Einige Rollermarken wie Sundiro und Eppella werden schon lange nicht mehr hergestellt. Gleichwohl führen wir hierfür noch die Komponenten.Logischerweise liefern wir auch die Originalteile für Ihr Zweirad, obgleich unsere Nachbauten einen qualitativen Vergleich mit dem Erstausrüster-Produkt nicht zu scheuen brauchen, aber allgemein deutlich preisgünstiger sind. Mit unseren Teilen können Sie die Instandsetzung Ihres Motorrollers selber durchführen bzw. auch von einem Fachmann durchführen lassen. Es gibt zweifelsohne keine andere Alternative, durch die Sie zu attraktiven Kosten und in vorzüglicher Qualität Ihren Motorroller instand setzen können.Unter Zuhilfenahme der Produktbilder ist das Ordern der richtigen Ersatzteile ein KinderspielAufgrund des anschaulichen Bildmaterials können Sie Ihr altes Element auf einfache Weise mit dem erhältlichen Ersatz vergleichen, damit Sie auch garantiert den dringend benötigten Artikel bekommen. Es ist hier von Bedeutung, dass das Austauschteil, welches Sie auswechseln möchten, nicht lediglich optisch, sondern auch in den Spezifikationen und Dimensionen mit Ihrer Bestellung zusammenpasst. Zehn Vorteile aus denen Sie Nutzen ziehen:Kauf ohne Risiko durch "Geld zurück" - GarantieRoller-Ankauf zu fairen PreisenSie zahlen beim Ordern mehrerer Ersatzteile mit denselben Versandfaktoren nur einmal VersandkostenAuch bei preiswerten Nachbauten erhalten Sie von uns ohne Ausnahme die Erstausrüster-QualitätWir holen und bringen Ihren MotorrollerAlle unsere Teile sind betriebssicher, preiswürdig sowie gebrauchstauglichKomponenten und Zubehör für circa 250 Marken und 8500 Modelle auf Lager100-prozentige Verkehrssicherheit des Motorrollers, insbesondere bei BremsanlagenDIN-Norm gerechte und ISO-zertifizierte PräzisionsfertigungUnsere Lieferungen erfolgen zumeist kurzfristigAm besten kaufen Sie Motorroller, Buggys, Quads und Fun-Fahrzeuge in einem Fachbetrieb wie den unsrigen. Aus welchem Grund sollten Sie sich an uns wenden? Weil wir uns in diesem Geschäftsbereich schon seit Jahrzehnten etabliert haben und Sie darum von unserer gewonnenen Erfahrung profitieren können. Für unser familiär geführtes Unternehmen ist das Geschäft in Verbindung mit den Motorrollern der gesamte Lebensinhalt. Es ist nicht in jedem Fall sinnvoll, seinen Motorroller beim nächsten x-beliebigen Händler zu kaufen. In Folge dessen ist es wesentlich, sich den bevorzugten Fachhändler vorher genau anzusehen. in unserem Geschäft ist alles für den Käufer absolut transparent! Sie dürfen gerne zu jeder Zeit bei uns vorbeikommen und sich selbst ein Bild machen.Sie sehen dann die Bestätigung unserer vorzüglichen Leistungen praktisch mit eigenen Augen.Wenn Ihnen der Weg zu uns zu weit ist, können Sie sich auch mittels des Trustedshops-Siegels und die zahlreichen Ebay Bewertungen sachkundig machen. Die Bewertungen von Trustedshops sind grundsätzlich nicht nur überaus aussagekräftig, sondern auch vollkommen wertneutral. Sowohl der Verkaufs-Shop auf unserer Website Motorroller.de als auch unsere Geschäftspraktiken wurden von dieser Institution bis jetzt durchgehend mit "sehr gut" eingestuft. Was unsere Käuferbewertungen gleichermaßen auf einem Level, das sich sehr wohl sehen lassen kann. All diese Ergebnisse lassen ohne Frage nur einen einzigen Schluss zu: Wir legen uns in allen Belangen stets mächtig ins Zeug! Denken Sie aber bitte daran, dass wir keine Maschinen sondern auch nur Menschen sind, denen ein Fehler unterlaufen kann. Für den Fall, dass also etwas nicht zu Ihrer Zufriedenheit funktioniert hat, bitten wir Sie, uns die Möglichkeit zu geben, die Sache in Ordnung zu bringen.Unsere kompetenten Mitarbeiter sind täglich von 8:00 - 18:00 Uhr und samstags von 9:00 - 13:00 für Sie da.Wer sind wir?Wir haben uns die Zufriedenheit unserer Kundschaft auf die Fahne geschrieben. Mehr als 25 Jahre ist unser Unternehmen mit Erfolg im Fahrzeughandel im Einsatz, wobei wir uns andererseits bereits vor über fünfzig Jahren auf dem Sektor Maschinenbau erfolgreich etablieren konnten. Zwischenzeitlich haben wir uns zusammen mit dem Vertrieb von Rollern, auf das "Nice-to-have" für Tuning, Fahrzeugzubehör und Einbauteile fokussiert.Unsere Artikelpalette beinhaltet etwa 500.000 TeileBei Motorroller.de finden Sie beinahe alle Komponenten und Roller aus Europa und Asien. Wir haben Artikel, passendes Zubehör und Teile für rund 8500 Typen und 250 Hersteller für Sie auf Lager. Zu unseren Lieferanten zählen zum Beispiel Lieferanten wie Yamaha, Jonway, Kreidler oder Adly. Alles in allem haben wir auf einer Lagerfläche von über 1.000 m² zirka 500.000 Produkte von diversen Produzenten in unserem Hochregallager im Programm. Sie finden im Zubehörbereich alles, was Sie für Ihren fahrbaren Untersatz benötigen. Das beginnt bei den Handschuhen, Regensets und Nierengürteln, und geht bis hin zu den Sturzhelmen über das Top Case und den Windschildern.Damit die Tuningfreaks ebenso auf ihre Kosten kommen, haben wir für sie ausgesuchte Artikel wie Zylinder, Kolben, Auspuffanlagen und dergleichen Dinge im Sortiment.Was geschieht im Anschluss an die Produktion?Sämtliche Lieferungen verlassen unser Unternehmen erst nach einer strengen Qualitätsprüfung. Dies bedeutet, ehe ein Fahrzeug ausgeliefert bzw. vom Kunden abgeholt wird, überprüfen wir es letztlich nochmals auf Herz und Nieren. Wenn die Roller bei uns im Haus ankommen, wird jedes einzelne Zweirad ausgepackt und zunächst einer Sichtprüfung bzw. einem Testlauf auf unserem Prüfstand unterzogen. Ein letzter Funktionscheck erfolgt dann bei der Übergabe an den Käufer. Somit ist gewährleistet, dass der Motorroller sich de facto in einem einwandfreien Zustand befindet und den Kunden völlig zufriedenstellt.Schutz unserer UmweltWas uns überaus am Herzen liegt, ist ein wirkungsvoller Schutz unserer Umwelt. Zur Erhaltung der Luftreinheit haben unsere Zweiräder allesamt Verbrennungsmotoren, die enorm Kraftstoff sparend sind. Logischerweise nehmen wir im Sinne einer sauberen Umwelt die Transportverpackung wieder mit, welche bei der Auslieferung unserer Roller anfällt und führen sie einer professionellen Müll-Entsorgung zu.Roller-AnkaufIhr alter Roller ist in die Jahre gekommen und Sie beabsichtigen, bei uns ein neues Modell zu kaufen. Was aber tun mit dem alten Fahrzeug? Das ist absolut kein Ding! Lassen Sie das unsere Sorge sein, denn wir nehmen Ihren gebrauchten Motorroller in Zahlung.Wir haben es nicht geschafft, Ihre Skepsis auszuräumen?Dann geben Sie uns doch die Gelegenheit, Sie von unseren Leistungen zu begeistern. Man sollte uns nicht mit den zahlreichen billigen Internetshops, die heute kommen und morgen bereits wieder weg sind, gleich stellen. Es ist uns bekannt, dass sich bloß auf Grund zeitgemäßer Innovationen und neuer Ideen die Basis für eine erfolgreiche Geschäftstätigkeit legen lässt. Überzeugen Sie sich selbst von unserem ausgezeichneten Service und besuchen Sie uns in unserem Unternehmen in Lindenfels-Eulsbach.So finden Sie unsFür den Fall, dass Sie über die Autobahn mit dem eigenen Fahrzeug anreisen, führt die Strecke nach Lindenfels entweder über Frankfurt am Main (A6) oder über Mannheim (A8). Der Ort befindet sich im Regierungsbezirk Darmstadt. Es besteht auch eine gute Verkehrsanbindung per Bahn.Unsere TopmarkenUnsere Topmarken

Regulärer Preis:
Verfügbar
14,61 €
Rex RS460 Zapfen Scooter Mofa Bolzen Stehbolzen Motorroller.de 50ccm 4Takt 139QMB JSD50QT-13 50cc 4T 139QMA Gewindebolzen Gewindestift
Rex RS460 Zapfen Scooter Mofa Bolzen Stehbolzen Motorroller.de 50ccm 4Takt 139QMB JSD50QT-13 50cc 4T 139QMA Gewindebolzen Gewindestift

zu Artikel: Zapfen YYB950QT-2-13003 Zapfen M6 zu Sitzbankscharnier 7.4x65x12mm 2-Takt 50 ccm YY50QT-28 1E40QMB Technik-Info Zapfen auch zu finden unter: Bolzen, Stiftschraube, Gewindebolzen, Stehbolzen, Gewindestift, Arretierbolzen, Zapfen, Stift-Schraube, Gewinde-Bolzen, Steh-Bolzen, Gewinde-Stift Bolzen sind Standard-Bauteile, an denen oder mit denen andere Fahrzeug- oder Maschinenbauteile befestigt werden. Auch hier ist darauf zu achten, dass die Dimension und die Stahl-Beschaffenheit für die jeweilige Aufgabe / Funktion entsprechend ausgelegt ist. Wir liefern immer die passenden Bolzen in Erstausrüster-Qualität. Dieser Artikel wurde hergestellt für Fahrzeuge der Marke:Jonway und AGM Erstausrüsterqualität sehr gute Verarbeitung günstiger Preis da Direktimport Unsere Ersatzteile für ihren Motorroller bzw. Scooter oder auch Roller können Sie bequem online in unserem Shop kaufen. Egal ob sie Ihren Roller im Baumarkt oder im Kaufhaus gekauft haben, für alle gängigen China-, Europa-, oder Taiwan-Roller finden Sie bei uns passende Bauteile, insbesondere für die Motoren 50 cc, 125 cc, 250 ccm, 4takt, 2takt und für größere Leistungen. Speziell für die Motorentypen 150QMG ,157QMJ, 158MJ ,139FMB ,139QMB, 139QMA, JSD139QMB ,153FMI, 156FMI ,1E40QMB, 1E40QMA ,GY6 ,152QMI, 157QMI ,125-4T6M ,164FML in kurzen und langen Versionen in den Normen Euro1, Euro2, Euro3 sowie die neuen Euro 4 Einspritzer-Motoren finden Sie qualitativ hochwertige Ersatzteile. Gerne können Sie auch per Email nach Ersatzteilen anfragen. Bei Bestellwerten über 100 Euro können Sie auch unseren Finanzierungs- bzw. Ratenkauf-Service nutzen. Beim Kauf von Fahrzeugen können wir Ihnen auch ein Leasing-Angebot unterbreiten, das bietet sich insbesondere für Firmen an, die Betriebsfahrzeuge anschaffen, oder ihren Mitarbeitern ein Fahrzeug zur Verfügung stellen. Bitte fragen Sie an.

Regulärer Preis:
Verfügbar
4,01 €
Rex RS460 Tankverkleidung Tank-Deckel Tank-Cover Motorroller.de 50ccm 4Takt 139QMB JSD50QT-13 50cc 4T 139QMA Tankdeckel-Abdeckung
Rex RS460 Tankverkleidung Tank-Deckel Tank-Cover Motorroller.de 50ccm 4Takt 139QMB JSD50QT-13 50cc 4T 139QMA Tankdeckel-Abdeckung

zu Artikel: Tankverkleidung mitte kristall silber 128 4Takt 50ccm JSD50QT-13 JSD139QMBTankabdeckung Tankverkleidung mitte kristall silber 128 4Takt 50ccm JSD50QT-13 JSD139QMB Technik-Info Bitte berücksichtigen Sie, dass der Farbton aufgrund verschiedener Chargen und Lackiertermine abweichen kann. Es handelt sich um keine RAL-Ton Lackierung wie bei teuren PKW- oder Motorradlackierungen. Die Preise sind sehr günstig und wie unlackierte Teile kalkuliert.   Nicht passend für Qingqi Fahrzeuge.  Tankdeckelverkleidung auch zu finden unter: Tankdeckelverkleidung, Tankstutzenabdeckung, Tankdeckelabdeckung, Tankeinfüllverkleidung, Tankeinfuellverkleidung, Tankstutzenverkleidung Tankabdeckung oder Tankverkleidung aus hochwertigem (ABS) Kunststoff. Lackierte Teile sind meistens aus ABS-Kunststoff Dieser Artikel wurde hergestellt für Fahrzeuge der Marke:Jonway und AGM Kostenloser Versand Bei Ersatzteilen für jeden zusätzlichen Artikel mit den gleichen Versandkriterien, den Sie von uns kaufen. Unsere Ersatzteile für ihren Roller bzw. Scooter oder auch Motorroller können Sie bequem online in unserem Shop kaufen. Egal ob sie Ihren Roller im Kaufhaus oder im Baumarkt gekauft haben, für alle gängigen Taiwan-, China-, oder Europa-Roller finden Sie bei uns passende Bauteile, insbesondere für die Motoren 50 cc, 125 cc, 250 ccm, 2takt, 4takt und für größere Leistungen. Speziell für die Motorentypen 164FML ,152QMI, 157QMI ,125-4T6M ,157QMJ, 158MJ ,GY6 ,139FMB ,150QMG ,153FMI, 156FMI ,1E40QMB, 1E40QMA ,139QMB, 139QMA, JSD139QMB in kurzen und langen Versionen in den Normen Euro1, Euro2, Euro3 sowie die neuen Euro 4 Einspritzer-Motoren finden Sie qualitativ erstklassige Ersatzteile. Gerne können Sie auch per Email nach Ersatzteilen anfragen. Bei Bestellwerten über 100 Euro können Sie auch unseren Finanzierungs- bzw. Ratenkauf-Service nutzen. Beim Kauf von Fahrzeugen können wir Ihnen auch ein Leasing-Angebot unterbreiten, das bietet sich insbesondere für Firmen an, die Betriebsfahrzeuge anschaffen, oder ihren Mitarbeitern ein Fahrzeug zur Verfügung stellen. Wir freuen uns auf Ihre Anfrage. Soll das kaputte Bauteil instand gesetzt oder gleich getauscht werden?Diese Frage stellt sich immer dann, wenn etwas am Roller schadhaft geworden ist, ganz egal, ob sich um einen Dreirad-Roller, Elektroroller bzw. E-Roller oder Motorroller dreht. Ein Ersatzbauteil, welches relativ schnell ersetzt werden kann, ist nicht nur günstiger, sondern bietet obendrein eine beträchtlich höhere Ausfallsicherheit als bei einer Reparatur. Oftmals kann bloß eine kompetente Werkstatt den Schaden auf Anhieb feststellen. In diesem Fall wäre es vernünftiger, bei uns eines der fertigen Einbau-Kits zu bestellen, welche wir in vielen unterschiedlichen Ausführungen anbieten. .Für Ihren Motorroller - erstklassige QualitätDie Teile, die wir auf Lager haben, entsprechen mit Blick auf die Qualität dem Weltmarktniveau. Wir können allein aus dem Grund so günstig sein, weil wir unsere Produkte in genügend großen Stückzahlen einkaufen. Bei uns kriegen Sie folglich alle verfügbaren Ersatzteile für Ihr motorisiertes Zweirad nicht nur in hervorragend Qualität, sondern auch für einen attraktiven Preis. Wir führen sogar für die meisten Motorroller, Buggys und Quads die Komponenten, welche gar nicht mehr gefertigt werden. Z.B. haben wir alle Einbauteile für die Marken Eppella und Sundiro nach wie vor auf Lager.Sie erhalten bei uns logischerweise auch die Originalteile vom jeweiligen Fahrzeughersteller. Falls Sie allerdings Geld sparen wollen [und wer will das nicht], sollten Sie auch unsere Nachbauten in Erwägung ziehen, die nebenbei bemerkt, einen qualitativen Vergleich mit dem Erstausrüster- Produkt nicht scheuen müssen, wenngleich sie in der Regel erheblich preisgünstiger sind. Sie können mit unseren Komponenten die Instandsetzung Ihres Motorrollers entweder selbst ausführen oder in einer Werkstatt ausführen lassen. Sie werden voraussichtlich keine andere Alternative finden, um zu günstigen Kosten Ihren Motorroller instand setzen zu können.Es ist denkbar leicht, mithilfe der Produktbilder das gewünschte Austauschteil zu ordernIn unserem Shop gibt es reichlich Bildmaterial, welches Sie dabei unterstützt, Ihre defekte Komponente auf einfache Weise mit dem lieferbaren Ersatz zu vergleichen. Damit können Falsch- oder Fehllieferungen wegen inkorrekter Bestellungen bereits im Vorhinein verhindert werden. Von Bedeutung dabei ist, dass Ihre Bestellung sowohl optisch als auch in den technischen Spezifikationen und Abmessungen mit dem defekten Bauteil übereinstimmt. Was Sie davon haben:ISO-zertifizierte Präzisionsfertigung nach DIN-NormUnsere sämtlichen Erzeugnisse sind zuverlässig, kostengünstig und ausfallsicherHol- und BringserviceRoller-AnkaufEinbauteile und Zubehör für zirka 250 Marken und 8500 Modelle auf Lagerhundertprozentige Verkehrssicherheit des Zweirads, speziell bei BremsanlagenAuch bei kostengünstigen Nachbauten bekommen Sie von uns ausnahmslos die Erstausrüster-QualitätKauf ohne Risiko dank "Geld zurück" - GarantieUnsere Lieferungen erfolgen fast immer kurzfristigSie bezahlen nur einmal den Versand beim Ordern mehrerer Teile mit denselben LieferbedingungenWir sind die erste Adresse, für den Fall, dass es um den Erwerb von einem Roller, Buggy, Fun-Fahrzeug oder Quad geht. Welchen Vorteil haben Sie von unserem Service? Weil wir die Meister-Qualifikation und das entsprechende Know-how besitzen, welche für dieses Geschäftsfeld unbedingt erforderlich sind. Wir als familiär geführtes Unternehmen leben das Geschäft in Verbindung mit Motorrollern buchstäblich. Es ist nicht in jedem Fall sinnvoll, seinen Motorroller bei irgendeinem x-beliebigen Händler zu kaufen. Daher ist es wichtig, sich seinen Lieferanten vorher genau anzusehen. in unserem Unternehmen ist alles für den Kunden uneingeschränkt nachvollziehbar! Sie dürfen gerne zu jeder Zeit bei uns vorbeikommen und sich selbst ein Bild machen.Sie sehen dann die Bestätigung unserer vorzüglichen Leistungen praktisch mit eigenen Augen.Potentielle Käufer, denen die Anfahrt zu uns zu weit ist, können sich gerne mittels der diversen Ebay Bewertungen und des Trustedshops-Siegels über uns kundig machen. Sowohl unsere Geschäftspraxis als auch unser Shop werden z.B. mit dem Trustedshops Gütesiegel "sehr gut" eingestuft. Auch bei Ebay liegen wir mit dem Prozentsatz 99,9 % sehr gut im Rennen. Was zeigen all diese Resultate ganz klar? Dass wir uns in allen Belangen immer mächtig ins Zeug legen! Denken Sie aber bitte daran, dass dort wo gearbeitet wird, auch mal Fehler passieren. Deshalb bitten wir Sie, wenn mal etwas nicht so gut gelaufen ist, uns auf jeden Fall die Chance zur Verbesserung zu geben.Unser kompetentes Mitarbeiterteam steht Ihnen täglich zwischen 8:00 und 18:00 Uhr sowie am Samstag von 8:00 bis 13:00 Uhr zur Verfügung.Wir möchten uns vorstellenEs liegt uns sehr viel an der Zufriedenheit unserer Kundschaft. Den Fahrzeughandel betreiben wir mit Erfolg bereits seit über 25 Jahren, möchten dabei aber dennoch nicht unerwähnt lassen, dass wir schon mehr als fünf Jahrzehnte auf eine Erfolgsgeschichte auf dem Gebiet des Maschinenbaus zurückblicken können. Unser Brennpunkt ist gegenwärtig auf den Vertrieb von Zubehör, das "Nice-to-have" zum Motor frisieren und Einbauteile für die meisten Motorroller ausgerichtet.Wir können zeitnah ca. 500.000 Einbauteile liefernBei Motorroller.de finden Sie fast alle Komponenten und Zweiräder aus Europa und Fernost. In unserem Versandlager warten passende Produkte als Zubehör, Artikel und Teile für ungefähr 250 Marken und 8500 Ausführungen auf Ihre Bestellung. Darunter sind z.B. Lieferanten wie Kreidler, Jonway, Adly Yamaha oder zu finden. Es sind ca. 500.000 Produkte von verschiedenen diverser Anbieter, die wir in unseren Hochregalen auf einer Fläche von über 1.000 m² im Angebot haben. Unsere Zubehörabteilung bietet folglich alles, was Sie als Rollerfahrer für Ihr motorisiertes Zweirad benötigen. Das beginnt bei den Nierengürteln, Handschuhen und Regensets, und geht bis hin zu den Windschildern über das Top Case und den Schutzhelmen.In unserer Tuningabteilung halten wir für alle, die es gerne sportlich mögen gleichfalls einige ausgesuchte Produkte bereit. Hierzu gehören etwa Kolben, Zylinder, Auspuffanlagen und dergleichen Dinge.Direkt nach der ProduktionKein Produkt verlässt unser Unternehmen, bevor es nicht auf makellose Qualität geprüft worden ist. Das heißt, alle Fahrzeuge, welche das Werk des Herstellers verlassen haben und bei uns angeliefert werden, begutachten wir nochmals ausführlich auf etwaige Fehler oder Transportschäden, ehe wir sie in die Hände unserer Kunden übergeben. Vor dem Versand wird zunächst jeden Roller ausgepackt und auf unserem Zweirad-Prüfstand einem Probelauf unterzogen. Ein abschließender Funktionstest erfolgt dann im Anschluss der Übergabe an den Käufer. Dadurch ist gesichert, dass der Motorroller sich wirklich in einem tadellosen Zustand befindet und den Kunden vollkommen zufriedenstellt.Schutz unserer UmweltWir tragen zum Umweltschutz bei. Unsere Fahrzeuge besitzen zum einen im Prinzip einen effizienten Verbrennungsmotor. Bei der Auslieferung unserer Roller fällt ausnahmslos Verpackungsmaterial an. Dieses nehmen wir natürlich wieder mit und führen es einer fachgemäßen Abfallentsorgung zu.Wir nehmen Ihren Motorroller in ZahlungIhr alter Roller ist in die Jahre gekommen und Sie planen, bei uns ein neues Modell zu erwerben. Aber was tun mit dem alten Fahrzeug? Zerbrechen Sie sich darüber nicht den Kopf! Wir kaufen Ihren ausgedienten Motorroller an.Wir konnten Ihre Skepsis trotz allem nicht aus dem Weg räumen?Dann würden wir uns darüber freuen, wenn Sie uns die Gelegenheit geben, die Qualität unserer Leistungen unter Beweis stellen zu dürfen. Im Gegensatz zu den billigen Online-Shops, die schon nach verhältnismäßig kurzer Zeit wieder weg sind, können wir eine langjährige Firmentradition vorweisen. Die stabile Basis für ein erfolgreiches Unternehmen besteht darin, dass allein auf Grund fortschrittlicher Innovationen und neuer Ideen ein nachhaltiges Wachstum gesichert werden kann. Somit stehen ständiges Lernen sowie die Anpassung an modernen Technologien in unserem stetig expandierenden Betrieb fortwährend in der Rangordnung ganz oben. Falls für Sie mal die Möglichkeit besteht, einen Abstecher nach Lindenfels-Eulsbach machen zu können, haben Sie die Gelegenheit, sich selber in unserem Betrieb von unserem vorzüglichen Service zu überzeugen.Wie kommen Sie am besten zu uns nach Lindenfels?Lindenfels liegt ungefähr 60 km südlich von Frankfurt/Main und 40 km nordöstlich von Mannheim im Odenwald (Regierungsbezirk Darmstadt). Die Anfahrt per Bahn ist natürlich genauso möglich.Unsere TopmarkenUnsere Topmarken

Regulärer Preis:
Verfügbar
19,90 €
Rabatt
Rex 25-50 2-T Kotflügel Roller 50ccm 2Takt 51552-NGF-0007A Motorroller.de Spritzschutz Schutzblech Schutz-Blech Radabdeckung Innenkotflügel Radlauf
Rex 25-50 2-T Kotflügel Roller 50ccm 2Takt 51552-NGF-0007A Motorroller.de Spritzschutz Schutzblech Schutz-Blech Radabdeckung Innenkotflügel Radlauf

zu Artikel: Schutzblech vorne silberKotflügelTechnik-InfoSchutzblechSchutzblech, Kotflügel, Radabdeckung, Spritzschutz, Kotfluegel, Radlaufabdeckung, Radlauf, Schutz-Blech, Spritz-Schutz, Rad-Abdeckung, Radlauf-Abdeckung, Radlaufschutz, Radlauf-Schutz, Innenkotflügel, Innenkotfluegel Schutzblech, Kotflügel, Spritzschutz soll Helfen Wasser und schmutz vom Fahrer und Motor und den Bauteilen fern zu halten. Es ist sowohl mechanischen als auch Witterungseinflüssen stark ausgesetzt. Man sagt immer noch Schutzblech, obwohl diese Spritzschutz heute meist aus Kunststoff hergestellt ist. Wir liefern in Erstausrüster-Qualität, was ein Garant für Passgenauigkeit und Langlebigkeit darstellt.Seit vielen Jahren arbeiten wir mit diesem Hersteller erfolgreich und zuverlässig zusammen. Die Teile haben sich in der Praxis stets bewährt.Kostenloser Versand   Bei Ersatzteilen für jeden zusätzlichen Artikel mit den gleichen Versandkriterien, den Sie von uns kaufen.Unsere Ersatzteile für ihren Roller bzw. Scooter oder auch Motorroller können Sie bequem online in unserem Shop kaufen. Egal ob sie Ihren Roller im Baumarkt oder im Kaufhaus gekauft haben, für alle gängigen China-, Taiwan-, oder Europa-Roller finden Sie bei uns passende Bauteile, insbesondere für die Motoren 50 cc, 125 cc, 250 ccm, 2takt, 4takt und für größere Leistungen. Speziell für die Motorentypen 152QMI, 157QMI ,125-4T6M ,153FMI, 156FMI ,157QMJ, 158MJ ,139FMB ,164FML ,150QMG ,1E40QMB, 1E40QMA ,139QMB, 139QMA, JSD139QMB , GY8 in kurzen und langen Versionen in den Normen Euro1, Euro2, Euro3 sowie die neuen Euro 4 Einspritzer-Motoren finden Sie Ersatzteile von hoher Güte. Gerne können Sie auch per Email nach Ersatzteilen anfragen. Bei Bestellwerten über 100 Euro können Sie auch unseren Finanzierungs- bzw. Ratenkauf-Service nutzen. Beim Kauf von Fahrzeugen können wir Ihnen auch ein Leasing-Angebot unterbreiten, das bietet sich insbesondere für Firmen an, die Betriebsfahrzeuge anschaffen, oder ihren Mitarbeitern ein Fahrzeug zur Verfügung stellen. Ihre Anfrage nehmen wir gerne entgegen Reparieren oder tauschen - was ist die vernünftigere Option?Gleichgültig, ob jemand einen Dreirad-Roller, Motorroller, oder Elektroroller respektive E-Roller fährt, er stellt sich zweifellos immer wieder die Frage, ob sie ein defektes Element auswechseln oder instand setzen lassen sollen. Woran man auch denken sollte: Ein Ersatzbauteil ist nicht nur rasch gewechselt, sondern macht den Roller auch beträchtlich ausfallsicherer als eine Reparatur. Zumeist kann man einen nicht sogleich selber ermitteln und ein qualifizierter Fachmann muss eruieren, wo der Hase im Pfeffer liegt. Ordern Sie doch am besten sofort eines unserer einbaufertigen Komplett-Kits, die wir in zahlreichen diversen Ausführungen in unserem Programm haben. .Für Ihr Zweirad - hochwertige QualitätsbauteileDie Qualität unserer Komponenten braucht auf dem Weltmarkt keine Konkurrenz zu scheuen. Unsere Bauteile sind aus dem Grund so attraktiv, weil wir schon im Einkauf auf wirtschaftlich sinnvolle Produktmengen achten. Wenn Ihr Roller einmal ein neues Bauteil benötigt, wenden Sie sich voll Vertrauen an uns. Sie erhalten bei uns stets beste Qualität zu einem erschwinglichen Preis.Sie suchen für einen Eppella oder Sundiro Roller ein Ersatzteil? Keine Sorge, wir haben sie verfügbar.Natürlich liefern wir auch Originalteile vom Fahrzeughersteller, obschon unsere Nachbauten einen qualitativen Vergleich mit dem Erstausrüster-Produkt nicht zu scheuen brauchen, aber normalerweise viel billiger sind. Mit unseren Ersatzteilen können Sie die Instandsetzung Ihres motorisierten Zweirads selbst durchführen bzw. auch von einem Fachmann ausführen lassen. Sie werden sicherlich keine bessere Alternative finden, um zu bezahlbaren Kosten Ihr motorisiertes Zweirad instand setzen zu können.Mit Hilfe der Bilder ist das Bestellen der richtigen Bauteile ein KinderspielNeben den Erläuterungen finden Sie in unserem Shop auch anschauliches Bildmaterial. Hierdurch können Sie gleich Ihr altes Teil mit dem lieferbaren Ersatz vergleichen und gehen auf diese Weise sicher, dass Sie später auch wirklich den dringend benötigten Artikel bekommen. Von Bedeutung ist hier, dass Ihre Bestellung in den technischen Angaben und Abmessungen als auch visuell mit dem defekten Element zusammenpasst.Auf welche Weise Sie davon profitieren:Unsere sämtlichen Einbauteile sind ausfallsicher, kostengünstig und gebrauchstauglichUnsere Lieferungen erfolgen überwiegend kurzfristigUnser Lager umfasst Einbauelemente und Zubehör für ungefähr 250 Marken und 8500 TypenDIN-Norm gerechte und ISO-zertifizierte PräzisionsfertigungRoller-AnkaufWir holen und bringen Ihren Roller"Geld zurück" - Garantie, deshalb Kauf ohne RisikoSie zahlen nur einmal Versandkosten bei Bestellung mehrerer Komponenten mit identischen VersandkriterienSie erhalten von uns ausnahmslos die Erstausrüster-Qualität - auch bei kostengünstigen NachbautenAbsolute Fahrsicherheit des Rollers, speziell bei den BremsenGanz gleich, ob Sie einen Roller, einen Quad, ein Fun Fahrzeug oder einen Straßenbuggy erwerben wollen. Wir sind hierfür das Fachgeschäft Ihres Vertrauens. Was für einen Vorteil haben Sie von unserem Service? Weil wir für diesen Geschäftsbereich das entsprechende Know-how und die Meister-Qualifikation besitzen, welche dafür unbedingt nötig ist. Wir als familiär geführter Betrieb leben das Geschäft rund um die Roller richtiggehend.Kaufen ist Vertrauenssache, demzufolge ist es wesentlich, sich seinen Lieferanten zuerst genau anzusehen. Alles ist in unserem Betrieb transparent und für den Käufer einleuchtend! Gerne können Sie uns im Ladengeschäft aufsuchen, um sich über uns selbst ein Bild zu machen.Das was Sie dort sehen, wird Sie definitiv überzeugen.Ist Ihnen die Entfernung zu uns zu weit? Dann informieren Sie sich doch durch die zahlreichen Ebay Bewertungen und des Trustedshops-Siegels. Unsere Webseite Motorroller.de wird beispielsweise von Trustshops als "sehr gut" beurteilt. Das betrifft sowohl unseren Onlineshop als auch unsere Geschäftspraktiken. Über diese Beurteilung sind wir nicht ganz zu Unrecht sehr Stolz. Der Wert von rund 99,9 Prozent bei Ebay in den Käuferbewertungen kann sich ebenso sehen lassen. Was bestätigen all diese Ergebnisse ganz klar? Dass wir auf allen Gebieten immer geben!!Bedenken Sie aber, dass wir keine Roboter sondern auch nur Menschen sind, denen ein Fehler passieren kann. Sofern also etwas nicht zu Ihrer Zufriedenheit geklappt hat, bitten wir Sie, uns die Gelegenheit zu geben, die Angelegenheit in Ordnung zu bringen.Zu welchen Zeiten wir Ihnen zu Diensten stehen? Jeden Tag von 8:00 bis 18:00 Uhr und samstags von 8:00 bis 13:00 Uhr.Unsere UnternehmenspolitikDie Zufriedenheit unserer Kundschaft liegt uns besonders am Herzen. Den Fahrzeughandel betreiben wir mit Erfolg schon seit über 25 Jahren, wollen hierbei andererseits erwähnen, dass wir bereits mehr als 50 Jahre auf eine Erfolg versprechende Geschäftstätigkeit auf dem Gebiet des Maschinenbaus zurückblicken können. Wir haben uns heute vorrangig auf Zubehör, das "Must have" für Motortuning und Einbauteile für die meist gefahrenen Motorroller festgelegt.Unser Warenspektrum schließt etwa 500.000 tag=203#Einbauteile einWenn Sie zu Ihrem Roller eine Komponente suchen, werden Sie auf unserer Web-Seite unter Motorroller.de ohne Zweifel das geeignete Element finden. In unserem Versandlager warten passende Produkte als Zubehör, Artikel und Teile für etwa 250 Hersteller und 8500 Modelle auf Ihre Bestellung. Z.B. arbeiten wir bereits jahrelang mit so namhaften Produzenten wie Adly, Yamaha, Kreidler oder Jonway zusammen. In der Summe haben wir auf einer Fläche von über 1.000 Quadratmeter circa 500.000 Produkte von diversen Anbietern in unseren Hochregalen sofort lieferbar. Sie finden in unserer Zubehörabteilung alles, was Sie für Ihr Zweirad benötigen.Das beginnt bei den Sturzhelmen über das Top Case und den Windschildern, und geht bis hin zu Regensets, Nierengürteln und Handschuhen.In unserer Tuningabteilung halten wir für alle, die es gerne sportlich mögen gleichfalls einige ausgewählte Artikel bereit. Dazu zählen zum Beispiel Kolben, Auspuffanlagen, Zylinder und andere Dinge.Was geschieht im Anschluss an die Produktion?Fortlaufende Qualitätsprüfung ist unsere Leidenschaft. Das heißt, sämtliche Motorroller, die das Werk des Herstellers verlassen haben, werden von uns nochmals umfassend auf eventuelle Mängel oder Transportschäden überprüft, ehe sie in die Hände unserer Kunden übergeben werden. Wir packen zuallererst jedes Fahrzeug nach der Ankunft in unserem Haus aus und unterziehen es auf unserem computergesteuerten Prüfstand einem Probelauf. Bevor der Kunde den Roller übernimmt, erfolgt noch ein letzter Funktionscheck. Somit ist wirklich gewährleistet, dass der neue Besitzer mit seiner Anschaffung hundertprozentig zufrieden ist.UmweltschutzWas uns sehr am Herzen liegt, ist ein effektiver Schutz unserer Umwelt. Unsere motorisierten Zweiräder besitzen auf der einen Seite prinzipiell einen sparsamen Verbrennungsmotor. Bei der Auslieferung unserer Fahrzeuge fällt stets Verpackungsmaterial an. Dieses nehmen wir natürlich wieder mit und führen es einer fachgerechten Müllentsorgung zu.Roller-AnkaufIhr ausgedienter Roller ist in die Jahre gekommen und Sie haben vor, bei uns ein neues Gefährt zu bestellen. Aber was tun mit dem ausgedienten Fahrzeug? Machen Sie sich hierüber keine Sorgen! Lassen Sie das unser Problem sein, indem wir Ihren alten Motorroller ankaufen.Sie sind immer noch skeptisch?Dann geben Sie uns doch die Möglichkeit, Sie von unseren Leistungen zu überzeugen. Wir zählen nicht zu den billigen Onlineshops, die heute kommen und morgen gehen. Die solide Ausgangsbasis für einen erfolgreichen Betrieb besteht darin, dass nur aufgrund neuer Ideen und fortschrittlicher Innovationen ein nachhaltiges Wachstum garantiert werden kann. Somit stehen Anpassung an neue Technologien und fortwährendes Lernen in unserem stetig wachsenden Unternehmen fortwährend in der Rangordnung ganz oben. Für den Fall, dass für Sie einmal die Möglichkeit besteht, einen Abstecher nach Lindenfels-Eulsbach zu machen, können Sie die Gelegenheit nutzen, sich persönlich von unserem herausragenden Kundenservice in unserem Unternehmen zu überzeugen.Sie finden uns mühelos - auch ohne "Navi"Lindenfels liegt im Regierungsbezirk Darmstadt, und zwar 40 km nordöstlich von Mannheim beziehungsweise circa 60 km im Süden von Frankfurt am Main. Sie fahren am besten von Norden her über die A6, während Sie aus südlicher Richtung die A8 nehmen. Alternativ ist es logischerweise auch möglich, mit der Bahn zu fahren.Unsere TopmarkenUnsere Topmarken

Verkaufspreis:
Nicht verfügbar
53,19 € Regulärer Preis: 61,17 €
Rex RS1000 Dekor-Blende Dekogitter Frontcover Roller Motorroller.de 125ccm 4Takt 152QMI YY125QT-28 125cc 4T GY6 Dekorblende Dekorgitter
Rex RS1000 Dekor-Blende Dekogitter Frontcover Roller Motorroller.de 125ccm 4Takt 152QMI YY125QT-28 125cc 4T GY6 Dekorblende Dekorgitter

zu Artikel: Dekor-Blende 1010330-1 Dekor-Blende links unten schwarz YY50QT-28 4Takt 125ccm 152QMI Bitte berücksichtigen Sie, dass der Farbton aufgrund verschiedener Chargen und Lackiertermine abweichen kann. Es handelt sich um keine RAL-Ton Lackierung wie bei teuren PKW- oder Motorradlackierungen. Die Preise sind sehr günstig und wie unlackierte Teile kalkuliert. Technik-Info Dekor-Blende auch zu finden unter: Dekorblende, Dekorverkleidung, Dekorcover, Frontcover, Cover, Dekorabdeckung, Verkleidungsdeckel, Dekor-Verkleidung, Dekor-Blende, Dekor-Cover, Front-Cover, Dekor-Abdeckung, Verkleidungs-Deckel Verkleidungsteile für bestimmte (seltene) Modelle sind oft schwer zu bekommen. Darum haben wir bei unseren eigenen Modellen Wert auf zeitlos elegantes Design gelegt, sodass wir auch für ältere Modelle unserer Eigenmarken stetes Ersatz liefern können. Unsere Verkleidungsteile sind aus hochwertigem langlebigen Kunststoff hergestellt Dieser Artikel wurde hergestellt für Fahrzeuge der Marke:Jonway und AGM Kostenloser Versand Bei Ersatzteilen für jeden zusätzlichen Artikel mit den gleichen Versandkriterien, den Sie von uns kaufen. Unsere Ersatzteile für ihren Motorroller bzw. Roller oder auch Scooter können Sie bequem online in unserem Shop kaufen. Egal ob sie Ihren Roller im Kaufhaus oder im Baumarkt gekauft haben, für alle gängigen Europa-, Taiwan-, oder China-Roller finden Sie bei uns passende Bauteile, insbesondere für die Motoren 50 cc, 125 cc, 250 ccm, 2takt, 4takt und für größere Leistungen. Speziell für die Motorentypen 164FML ,153FMI, 156FMI ,139FMB ,152QMI, 157QMI ,150QMG ,1E40QMB, 1E40QMA ,157QMJ, 158MJ ,GY6 ,125-4T6M ,139QMB, 139QMA, JSD139QMB in kurzen und langen Versionen in den Normen Euro1, Euro2, Euro3 sowie die neuen Euro 4 Einspritzer-Motoren finden Sie hochqualitative Ersatzteile. Gerne können Sie auch per Email nach Ersatzteilen anfragen. Bei Bestellwerten über 100 Euro können Sie auch unseren Finanzierungs- bzw. Ratenkauf-Service nutzen. Beim Kauf von Fahrzeugen können wir Ihnen auch ein Leasing-Angebot unterbreiten, das bietet sich insbesondere für Firmen an, die Betriebsfahrzeuge anschaffen, oder ihren Mitarbeitern ein Fahrzeug zur Verfügung stellen. Ihre Anfrage nehmen wir gerne entgegen

Regulärer Preis:
Verfügbar
2,65 €