Zum Hauptinhalt springen Zur Suche springen Zur Hauptnavigation springen
Menü
efr
erf
rrrf
Schnell lieferbar
14 Tage Rückgaberecht
Schneller DPD Versand

zu Artikel: Kolbenringe Rex RS 460

Kolbenring Satz 39mm 139QMA 139QMB GY6 4Takt 50ccm

Technik-Info

Kolbenringe

auch zu finden unter: Kolbenringe, Kompressions Ringe Set, Verdichtungs Ringe, Kompressionsringe Satz, Verdichtungsringe, Kolbenring Satz, Kolbenringsatz, Kolben Ringe, Set Kolbenringe

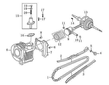
Kolbenringe haben die Aufgaben Abdichtung der Kompression, Ableitung der Verbrennungswärme, Dosierung des Schieröls (Stärke des Ölfilms). Kolben mit 3 Kolbenringen haben durch die bessere Dosierung des Ölfilms gegenüber Kolben mit 2 Kolbenringen einen geringeren Ölverbrauch.

Dieser Artikel wurde speziell hergestellt für:

Rex RS 460 50ccm 4Takt

Geprüfte beste Erstausrüsterqualität sehr gute Verarbeitung günstiger Preis Direktimport Kauf 100% ohne Risiko vom Topseller

Unsere Ersatzteile für ihren Motorroller bzw. Roller oder auch Scooter können Sie bequem online in unserem Shop kaufen. Egal ob sie Ihren Roller im Baumarkt oder im Kaufhaus gekauft haben, für alle gängigen Taiwan-, Europa-, oder China-Roller finden Sie bei uns passende Bauteile, insbesondere für die Motoren 50 cc, 125 cc, 250 ccm, 2-Takt, 4-Takt und für größere Leistungen. Speziell für die Motorentypen 150QMG ,GY6 ,1E40QMB, 1E40QMA ,164FML ,153FMI, 156FMI ,125-4T6M ,139QMB, 139QMA, JSD139QMB ,152QMI, 157QMI ,139FMB ,157QMJ, 158MJ in kurzen und langen Versionen in den Normen Euro1, Euro2, Euro3 sowie die neuen Euro 4 Einspritzer-Motoren finden Sie Ersatzteile von hoher Güte. Gerne können Sie auch per Email nach Ersatzteilen anfragen. Bei Bestellwerten über 100 Euro können Sie auch unseren Ratenkauf- bzw. Finanzierungs-Service nutzen. Beim Kauf von Fahrzeugen können wir Ihnen auch ein Leasing-Angebot unterbreiten, das bietet sich insbesondere für Firmen an, die Betriebsfahrzeuge anschaffen, oder ihren Mitarbeitern ein Fahrzeug zur Verfügung stellen. Wir freuen uns auf Ihre Anfrage.

Baugruppe: Motor

Artikelposition in Explosionszeichnung: 12

Ersatzteil: Kolben

Motorroller bequem online kaufen – von der Bestellung bis zur Lieferung


Mobiler Home Service – Bundesweit Inspektionen und Reparaturen


Motorroller.de – Über uns – Ihr Support vom Profi seit 1993

Ihr Finanzierungsplan**
Monate Rate mtl. Gesamt
6039,67 €2.380,49 €
12157,59 €1.891,14 €

Einfach im Bestellvorgang die Expokredit-Finanzierung als Zahlungsweise auswählen ...

  • Jonway 139QMB
  • Jonway Boston 8 Mofaroller
  • Jonway Imola 50 Race/Urban
  • Jonway Jigger 50 City
  • Jonway Milano 50
  • Jonway Monza 50 Race Urban
  • Jonway REX Monaco 50 Race/Urban
  • Jonway Rex RS 460
  • Jonway Rex RS 500
  • Jonway Rex RS Classic
  • Jonway RS 400
  • Jonway RS 750
  • Jonway RS Classic
  • Jonway RT 50
  • Jonway Unser Norden Mofaroller
  • Jonway Unser Norden Mokickroller
  • Kreidler Flory 50 45 km/h Roller
  • Kreidler Galactica 2.0 50 DD City
  • Kreidler Hiker 2.0 50 DD
  • Kreidler Hiker 50 DD
  • Kreidler Jigger 50 City
  • Kreidler MONACO 50 Race / Urban
  • Kreidler MONZA 50 Race / Urban (Fin: WS1 od. L8Y)
  • Kreidler RMC-E 50 Florett Roller
  • Kreidler RS 500
  • Otto Versand Rex RS 400
  • Otto Versand Rex RS 750
  • Qingqi Capriolo 50
  • Qingqi Flory 50
  • Qingqi Leopard
  • Qingqi QM50QT-2M
  • Qingqi QM50QT-6F
  • Qingqi QM50QT-6S
  • Qingqi QM50T-10A
  • Qingqi QM50T-10E
  • Qingqi QM50T-10V
  • Qingqi Rex RS 450 OFF-LIMIT/TRIBAL-Scooter/CAPRIOLO 50 QM50QT-6A
  • Qingqi REX RS 600 QM50QT-2
  • Qingqi REX RS 700 QM50QT-10A
  • Qingqi REX RS 900 QM50T 10A(A)
  • Qingqi RS 425
  • Qingqi RS 450
  • Qingqi RS 700
  • Qingqi RS 900
  • Qingqi RS 900 QM50T 10A
  • Qingqi Speedy 50
  • Rex Capriolo 50 4T
  • Rex Imola 50
  • Rex Imola 50 Race/Urban
  • Rex Milano 50
  • Rex Monaco 50
  • Rex Monaco 50 Race Urban
  • Rex Monza 50 Fin: L5Y
  • Rex Off Limit
  • Rex RS 400
  • Rex RS 425 Mofaroller 4-T
  • Rex RS 450
  • Rex RS 450 OFF-LIMIT/TRIBAL-Scooter/CAPRIOLO 50 QM50QT-6A
  • Rex RS 450 QM50QT-6A CAPRIOLO 50
  • Rex RS 460
  • Rex RS 460 BOSTON 8
  • Rex RS 460 Mofaroller 4-T
  • Rex RS 500
  • Rex RS 500 QM50QT 6A-AQINGQI
  • Rex RS 600 QM50QT-2
  • Rex RS 700 QM50QT-10A
  • Rex RS 750
  • Rex RS 900 QM50T 10A-A
  • Rex RS Classic 50
  • Rex SPEEDY FLASH
  • SMC Kreidler 50 Flory
  • SMC Qingqi 50
Produktgalerie überspringen

Kunden haben sich ebenfalls angesehen

Rex RS460 Hauptscheinwerfer-Birne Scooter Mofa Roller Motorroller.de Halogenbirne Halogenleuchte 50ccm 4Takt 139QMB JSD50QT-13 50cc 4T
Rex RS460 Hauptscheinwerfer-Birne Scooter Mofa Roller Motorroller.de Halogenbirne Halogenleuchte 50ccm 4Takt 139QMB JSD50QT-13 50cc 4T

zu Artikel: Scheinwerferbirne Halogen 12V 25/25W BA20DScheinwerferbirne Halogen Stopschalter oben links-rechts mit Kabel Technik-Info Stopschalter auch zu finden unter: Bremslichtschalter, Brems-Schalter, Bremslicht-Schalter, Bremsschalter, Stoplichtschalter, Stopschalter, Bremslichtkontakt, Stop-Schalter, Bremslicht-Kontakt, Stoplicht-Schalter Bremslichtschalter, Bremslichtkontakt oder auch Stoplichtschalter genannt ist in Erstausrüster-Qualität. Bitte vergleichen Sie Ihr Altteil mit unserem Produkt-Foto um sicherzustellen, dass Sie das richtige Bauteil bestellen. Dieser Artikel wurde speziell hergestellt für:Rex Milano 50 50ccm 4Takt Geprüfte beste Erstausrüsterqualität sehr gute Verarbeitung günstiger Preis Kauf vom Großvertreiber Unsere Ersatzteile für ihren Roller bzw. Scooter oder auch Motorroller können Sie bequem online in unserem Shop kaufen. Egal ob sie Ihren Roller im Kaufhaus oder im Baumarkt gekauft haben, für alle gängigen Taiwan-, China-, oder Europa-Roller finden Sie bei uns passende Bauteile, insbesondere für die Motoren 50 cc, 125 cc, 250 ccm, 2-Takt, 4-Takt und für größere Leistungen. Speziell für die Motorentypen 152QMI, 157QMI ,139FMB ,139QMB, 139QMA, JSD139QMB ,157QMJ, 158MJ ,1E40QMB, 1E40QMA ,150QMG ,153FMI, 156FMI ,125-4T6M ,GY6 ,164FML in kurzen und langen Versionen in den Normen Euro1, Euro2, Euro3 sowie die neuen Euro 4 Einspritzer-Motoren finden Sie hochqualitative Ersatzteile. Gerne können Sie auch per Email nach Ersatzteilen anfragen. Bei Bestellwerten über 100 Euro können Sie auch unseren Finanzierungs- bzw. Ratenkauf-Service nutzen. Beim Kauf von Fahrzeugen können wir Ihnen auch ein Leasing-Angebot unterbreiten, das bietet sich insbesondere für Firmen an, die Betriebsfahrzeuge anschaffen, oder ihren Mitarbeitern ein Fahrzeug zur Verfügung stellen. Bitte fragen Sie an. Reparieren oder ersetzen - was ist die vernünftigere Option?Diese Frage stellen sich Eigentümer von Rollern immer dann, wenn an ihrem Zweirad etwas schadhaft geworden ist, gleichgültig, ob sich um einen Motorroller, 3-Rad Roller oder Elektroroller bzw. E-Roller dreht. Obendrein bietet ein neues Teil eine beträchtlich größere Ausfallsicherheit als eine Instandsetzung des Zweirads. Ein versteckter Fehler lässt sich oft nur von einem Fachmann mittels Spezialwerkszeugen orten. Eine gute Alternative wäre es dann, eines unserer fertigen Ersatzteil-Kits, die wir für viele diverse Komponenten anbieten, zu bestellen. .Qualität ist unsere DeviseDie Qualität unserer Teile braucht auf dem Weltmarkt keine Konkurrenz zu scheuen. Unsere Produkte sind aus dem Grund so günstig, da wir bereits im Einkauf auf wirtschaftlich vernünftige Produktmengen wert legen. Diese beiden Punkte, nämlich auf der einen Seite die gute Qualität und auf der anderen Seite der attraktive Preis heben uns vorwiegend von anderen Mitbewerbern ab. Wir führen sogar für die meisten Motorroller, Buggys und Quads die Zubehörteile, welche gar nicht mehr hergestellt werden. Z.B. haben wir alle Komponenten für die Marken Eppella und Sundiro nach wie vor vorrätig.Natürlich liefern wir auch Originalteile vom Fahrzeughersteller, obgleich unsere Nachbauten einen qualitativen Vergleich mit dem Erstausrüster-Produkt nicht scheuen müssen, jedoch im Allgemeinen viel kostengünstiger sind. Sie können mit unseren Komponenten die Instandsetzung Ihres Motorrollers entweder selber bewerkstelligen oder in einer Fachwerkstätte ausführen lassen. In Erstausrüster-Qualität und zu solch günstigen Kosten werden Sie wahrscheinlich Ihren Motorroller nicht auf andere Weise wieder flott bekommen können.Eine große Hilfe beim Bestellen der gewünschten Austauschteile sind die jeweiligen AbbildungenDamit Sie auch in der Tat den passenden Artikel erhalten, gibt es auf unserer Seite eine Menge von anschaulichem Bildmaterial, durch das Sie Ihre alte Komponente mit dem erhältlichen Ersatz vergleichen können. Relevant ist hierbei, dass Ihre Bestellung nicht nur augenscheinlich, sondern auch in den technischen Spezifikationen und Maßen mit dem defekten Bauteil übereinstimmt. Wie Sie davon profitieren:hundertprozentige Fahrsicherheit des Zweirads, besonders bei den BremsenDurch unsere "Geld zurück" - Garantie kaufen Sie ohne RisikoRoller-Ankauf zu fairen PreisenKurze LieferzeitenAlle unsere Produkte sind preiswürdig, gebrauchstauglich und ausfallsicherUnser Lager umfasst Einbauteile und Zubehör für circa 250 Marken und 8500 TypenAbhol- und BringserviceSie bezahlen bei Bestellung mehrerer Teile mit identischen Versandkriterien nur einmal VersandkostenDIN-Norm gerechte und ISO-zertifizierte PräzisionsfertigungSie bekommen von uns stets die Erstausrüster-Qualität - auch bei preiswerten NachbautenMotorroller, Quads, Fun-Fahrzeuge und Buggys kauft man vorzugsweise bei uns als Fachhändler. Wozu sind wir der richtige Partner für Sie? Weil wir für diesen Geschäftsbereich das Know-how und die Meister-Qualifikation besitzen, welche hierzu unter allen Umständen benötigt wird. Wir betreiben nicht lediglich unser Geschäft rund um die Motorroller, wir leben es regelrecht. Es ist nicht in jedem Fall sinnvoll, sein motorisiertes Zweirad bei irgendeinem x-beliebigen Händler zu kaufen. Folglich ist es notwendig, sich seinen Lieferanten vorab genau anzugucken. Bei uns ist alles absolut nachvollziehbar! Kommen Sie doch einfach mal in unserem Ladengeschäft vorbei und informieren Sie sich persönlich über uns.Sie sehen dann den Nachweis unserer vorzüglichen Leistungen gewissermaßen mit eigenen Augen.Vermutlich ist Ihnen die Entfernung zu uns zu weit. Dann haben Sie auch die Option, mittels der zahlreichen Ebay Bewertungen und des Trustedshops-Siegels Informationen über uns einzuholen. Unsere Website Motorroller.de wird z.B. von Trustshops als "sehr gut" bewertet. Das betrifft sowohl unseren Verkaufsshop als auch unsere Geschäftspraktiken. Über diese Einstufung sind wir nicht ganz zu Unrecht sehr Stolz. Auch bei Ebay liegen wir mit dem Prozentsatz 99,9 % ausgezeichnet im Rennen. Diese Resultate zeigen eines ganz deutlich: Wir geben auf allen Gebieten immer unser Bestes! Bedenken Sie aber: Wir sind auch nur Menschen, die manchmal Fehler machen. Demzufolge bitten wir Sie, sofern mal etwas nicht zu Ihrer Zufriedenheit verlaufen ist, uns auf jeden Fall die Gelegenheit zur Verbesserung zu geben.Unser versiertes Team steht Ihnen täglich zwischen 8:00 und 18:00 Uhr sowie samstags von 8:00 bis 13:00 Uhr zur Verfügung.Unsere UnternehmensphilosophieBei uns ist der Kunde noch König. Vor über fünf Jahrzehnten fingen wir mit dem Maschinenbau an, während sich das Geschäft mit Zweirädern gegenwärtig auch schon seit mehr als 25 Jahren mit Erfolg etablieren konnte. Zwischenzeitlich haben wir uns außer der Vermarktung von Rollern, auf Fahrzeugzubehör, Ersatzelemente und das "Must have" zum Motor frisieren ausgerichtet.Unsere Produktauswahl schließt etwa 500.000 Teile einIn unserem Online Shop finden Sie unter Motorroller.de fast sämtliche Ersatzteile und motorisierte Zweiräder aus Fernost und Europa. Wir haben Artikel, Einbauelemente und passendes Zubehör für circa 8500 Typen und 250 Marken auf Lager. Darunter befinden sich beispielsweise so namhafte Anbieter wie Adly, Yamaha, Kreidler oder Jonway. Im Großen und Ganzen haben wir auf einer Lagerfläche von über 1.000 m² mehr als 500.000 Produkte von zahlreichen Produzenten in unserem Hochregallager im Programm. Sie finden in unserer Zubehörabteilung alles, was Sie für Ihr Zweirad brauchen. Das beginnt bei den Sturzhelmen über das Top Case und den Windschildern, und geht bis hin zu Handschuhen, Regensets und Nierengürteln.Damit die Tuningfans gleichfalls auf ihre Kosten kommen, haben wir für sie ausgewählte Produkte wie Auspuffanlagen, Zylinder, Kolben und dergleichen Dinge im Programm.Direkt nach der ProduktionKeine Lieferung verlässt unser Haus, bevor sie nicht auf tadellose Qualität geprüft worden ist. Dies bedeutet, dass sämtliche Fahrzeuge, die vom Werk des Herstellers bei uns ankommen, nochmals in unserem Betrieb eingehend untersucht werden. Erst dann liefern wir sie an unsere Kunden aus. Wir packen erstmal jeden Roller nach der Ankunft in unserem Haus aus und unterziehen es auf unserem computergesteuerten Prüfstand einem Testlauf. Bei dem gelieferten Motorroller wird nach der Lieferung zum Kunden abschließend noch einmal ein Funktionstest ausgeführt. Auf diese Weise ist eine tadellose Nutzung des Gefährts de facto garantiert.Wir legen Wert auf eine saubere UmweltUns liegt sehr viel an einem wirksamen Schutz unserer Umwelt. Unsere Zweiräder haben zum einen in der Regel einen effizienten Motor. Jegliches Verpackungsmaterial, welches bei der Auslieferung Roller anfällt, nehmen wir selbstverständlich wieder mit, um es einer professionellen Abfallentsorgung zuzuführen - auch das gehört für uns zu einer sauberen Umwelt.Ihren Motorroller kaufen wir gerne anIhr alter Motorroller ist in die Jahre gekommen und Sie haben vor, bei uns ein neues Modell zu erwerben. Aber was tun mit dem Oldie? Seien Sie deswegen unbesorgt! Wir kaufen Ihren ausgedienten Roller an.Wir konnten noch nicht sämtliche Bedenken aus dem Weg räumen?Geben Sie uns doch die Chance, unsere fachliche Kompetenz unter Beweis stellen zu dürfen. Man sollte uns nicht mit den vielen billigen Verkaufsshops, auf eine Stufe stellen, die heute kommen und morgen schon wieder weg sind. Es ist uns bekannt, dass sich bloß dank neuer Ideen und zeitgemäßer Innovationen die Grundlage für eine erfolgreiche geschäftliche Tätigkeit legen lässt. Überzeugen Sie sich selbst von unserem vortrefflichen Kundenservice und besuchen Sie uns doch mal in unserem Unternehmen in Lindenfels-Eulsbach.Wie kommen Sie auf einfache Weise zu uns nach Lindenfels?Lindenfels liegt zirka 60 km im Süden von Frankfurt am Main und 40 km nordöstlich von Mannheim im Odenwald (Regierungsbezirk Darmstadt). Es gibt auch eine gute Verkehrsanbindung mit der Bahn.Unsere TopmarkenUnsere Topmarken

Regulärer Preis:
Verfügbar
8,79 €
Rex Quad 150 Kupplungszug Kupplungsseil ATV Motorroller.de Kupplungsseilzug 150ccm 4Takt 150cc
Rex Quad 150 Kupplungszug Kupplungsseil ATV Motorroller.de Kupplungsseilzug 150ccm 4Takt 150cc

zu Artikel: Kupplungszug Rex Quad 150 Kupplungszug Technik-Info Kupplungszug auch zu finden unter: Kupplungszug, Kupplungsseilzug Dieser Artikel wurde speziell hergestellt für:Rex Quad 150 150ccm 4Takt Geprüfte beste Erstausrüsterqualität beste Verarbeitung Best. Ware günstiger Preis da Direktimport Kauf 100% ohne Risiko vom Topseller Unsere Ersatzteile für ihren Scooter bzw. Roller oder auch Motorroller können Sie bequem online in unserem Shop kaufen. Egal ob sie Ihren Roller im Baumarkt oder im Kaufhaus gekauft haben, für alle gängigen China-, Europa-, oder Taiwan-Roller finden Sie bei uns passende Bauteile, insbesondere für die Motoren 50 cc, 125 cc, 250 ccm, 4-Takt, 2-Takt und für größere Leistungen. Speziell für die Motorentypen 1E40QMB, 1E40QMA ,125-4T6M ,150QMG ,153FMI, 156FMI ,139FMB ,GY6 ,152QMI, 157QMI ,164FML ,139QMB, 139QMA, JSD139QMB ,157QMJ, 158MJ in kurzen und langen Versionen in den Normen Euro1, Euro2, Euro3 sowie die neuen Euro 4 Einspritzer-Motoren finden Sie qualitativ erstklassige Ersatzteile. Gerne können Sie auch per Email nach Ersatzteilen anfragen. Bei Bestellwerten über 100 Euro können Sie auch unseren Finanzierungs- bzw. Ratenkauf-Service nutzen. Beim Kauf von Fahrzeugen können wir Ihnen auch ein Leasing-Angebot unterbreiten, das bietet sich insbesondere für Firmen an, die Betriebsfahrzeuge anschaffen, oder ihren Mitarbeitern ein Fahrzeug zur Verfügung stellen. Wir freuen uns auf Ihre Anfrage.

Regulärer Preis:
Nicht verfügbar
33,49 €
Rex RS1000 Benzin-Behälter Kraftstofftank Tank Roller Motorroller.de 125ccm 4Takt 152QMI YY125QT-28 125cc 4T GY6 Benzin-Tank Benzintank
Rex RS1000 Benzin-Behälter Kraftstofftank Tank Roller Motorroller.de 125ccm 4Takt 152QMI YY125QT-28 125cc 4T GY6 Benzin-Tank Benzintank

zu Artikel: Benzintank ohne Belüftung Metall Gewinde unten 16x1.5mm Linksgewinde 4Takt 125ccm YY125T-28 152QMIBenzintank Benzin-Behälter ohne Belüftung Metall Gewinde unten 16x1.5mm Linksgewinde 4Takt 125ccm YY125T-28 152QMI Technik-Info Benzin-Behälter auch zu finden unter: Benzintank, Kaftstoffbehälter, Kaftstoffbehaelter, Kraftstofftank, Tank, Benzinbehälter, Benzinbehaelter, Kraftstoff-Behälter, Kraftstoff-Behaelter, Kraftstoff-Tank, Benzin-Tank, Benzin-Behälter, Benzin-Behaelter Der Benzintank ist auch aus Sicherheitsgründen meist aus Stahl hergestellt. Es ist darauf zu achten, dass immer sauberes Benzin oder Gemisch ohne Wasser eingefüllt wird. Der Benzintank wird von uns in Erstausrüster-Qualität geliefert. Dieser Artikel wurde speziell hergestellt für:Rex RS 1000 125ccm 4Takt Geprüfte Erstausrüsterqualität sehr gute Verarbeitung günstiger Preis Direktimport Kauf vom Großvertreiber Unsere Ersatzteile für ihren Roller bzw. Scooter oder auch Motorroller können Sie bequem online in unserem Shop kaufen. Egal ob sie Ihren Roller im Baumarkt oder im Kaufhaus gekauft haben, für alle gängigen Europa-, Taiwan-, oder China-Roller finden Sie bei uns passende Bauteile, insbesondere für die Motoren 50 cc, 125 cc, 250 ccm, 2takt, 4takt und für größere Leistungen. Speziell für die Motorentypen 1E40QMB, 1E40QMA ,153FMI, 156FMI ,139FMB ,GY6 ,152QMI, 157QMI ,164FML ,139QMB, 139QMA, JSD139QMB ,157QMJ, 158MJ ,125-4T6M ,150QMG in kurzen und langen Versionen in den Normen Euro1, Euro2, Euro3 sowie die neuen Euro 4 Einspritzer-Motoren finden Sie qualitativ erstklassige Ersatzteile. Gerne können Sie auch per Email nach Ersatzteilen anfragen. Bei Bestellwerten über 100 Euro können Sie auch unseren Finanzierungs- bzw. Ratenkauf-Service nutzen. Beim Kauf von Fahrzeugen können wir Ihnen auch ein Leasing-Angebot unterbreiten, das bietet sich insbesondere für Firmen an, die Betriebsfahrzeuge anschaffen, oder ihren Mitarbeitern ein Fahrzeug zur Verfügung stellen. Bitte fragen Sie an. Ein defektes Bauteil auswechseln oder instand setzen lassen?Wird mal irgendetwas am Roller fehlerhaft, dann hat man im Prinzip die Wahl zwischen Instandsetzen oder Austauschen. Da ist es unerheblich, ob es sich dabei um einen gleichgültig, ob sich um einen Dreirad-Roller, Elektroroller beziehungsweise E-Roller oder Motorroller handelt. Darüber hinaus bietet ein neues Teil eine deutlich höhere Ausfallsicherheit als eine Reparatur des Motorrollers. Die Ursache einer Funktionsstörung lässt sich oft nur von einem Fachmann mittels Spezialwerkszeugen ermitteln. Eine gute Alternative wäre es in dem Fall, eines unserer einbaufertigen Ersatzteil-Kits, die wir für zahlreiche unterschiedliche Bauteile im Programm haben, zu ordern. .Elemente von exzellenter QualitätGroßes Augenmerk legen wir auf preisgünstige Produkte von hoher Qualität. Wie kommt es, dass wir so günstig sein können? Die Antwort: Weil wir auf wirtschaftlich sinnvolle Einkaufsmengen der Bauteile achten. Für den Fall, dass Ihr Roller einmal ein neues Bauteil braucht, wenden Sie sich vertrauensvoll an uns. Sie bekommen bei uns ausnahmslos beste Qualität zu einem bezahlbaren Preis. Auch für Motorroller, Buggys und Quads, die nicht mehr hergestellt werden, haben wir in der Regel die Einbauteile auf Lager. So zum Beispiel für die Marken Eppella und Sundiro.Klarerweise liefern wir auch die Originalteile für Ihren fahrbaren Untersatz, wenngleich unsere Nachbauten einen qualitativen Vergleich mit dem Erstausrüster-Produkt nicht scheuen müssen, jedoch im Prinzip deutlich kostengünstiger sind. Sie können mit unseren Ersatzteilen die Reparatur von Ihrem motorisierten Zweirad entweder selbst ausführen oder von einem Fachmann ausführen lassen. Vermutlich gibt es keine bessere Alternative, in Verbindung mit der Reparatur Ihres Zweirads, um Ihren Geldbeutel zu schonen.Eine große Hilfe bei der Bestellung der passenden Bauteile sind die einzelnen AbbildungenAuf unserer Internetseite finden Sie zahlreiches Bildmaterial, welches Sie dabei unterstützt, Ihr defektes Teil ganz bequem mit dem lieferbaren Ersatz zu vergleichen. Auf diese Weise können Fehllieferungen auf Grund fehlerhafter Bestellungen schon im Vorhinein ausgeschlossen werden. Hierbei ist es relevant, dass das Element, das Sie ersetzen wollen, nicht bloß visuell, sondern auch in den technischen Angaben und Dimensionen mit Ihrer Bestellung zusammenpasst. Wie Sie davon profitieren:Abhol- und BringserviceAbsolute Fahrsicherheit des Rollers, insbesondere bei BremsanlagenDIN-Norm gerechte und ISO-zertifizierte PräzisionsfertigungSie bezahlen nur einmal den Versand bei Bestellung mehrerer Ersatzteile mit denselben LieferfaktorenWir kaufen Ihr ZweiradSie bekommen von uns ausschließlich die Erstausrüster-Qualität - auch bei günstigen NachbautenKauf ohne Risiko dank "Geld zurück" - GarantieKurzfristige LieferzeitenUnsere sämtlichen Erzeugnisse sind ausfallsicher, kostengünstig sowie zuverlässigUnser Lager umfasst Komponenten und Zubehör für zirka 250 Marken und 8500 ModelleWir sind der erste Ansprechpartner, falls es um die Anschaffung von einem Roller, Buggy, Fun-Fahrzeug oder Quad geht. Welchen Vorteil haben Sie von unserem Kundenservice? Weil wir uns in diesem Geschäftsfeld schon seit Jahrzehnten etabliert haben und Sie darum von unserem Erfahrungsschatz profitieren können. Für unser Familienunternehmen ist das Geschäft in Verbindung mit den Motorrollern der ganze Lebensinhalt. Kaufen ist Vertrauenssache, in Folge dessen ist es unverzichtbar, sich den Laden zuerst genau anzugucken. Bei uns ist alles uneingeschränkt transparent! Sie dürfen gerne zu jeder Zeit bei uns vorbeikommen und sich selber ein Bild machen.Den Vertrauensbeweis bekommen Sie dann vor Ort im Prinzip schwarz auf weiß.Wenn Ihnen die Anfahrt zu uns zu weit ist, können Sie sich auch durch die unterschiedlichen Ebay Bewertungen und des Trustedshops-Siegels kundig machen. Die Bewertungen von Trustedshops sind im Prinzip nicht nur durchweg wertneutral sondern auch überaus aussagekräftig. Sowohl der Verkaufsshop auf unserer Firmenwebseite Motorroller.de als auch unsere Geschäftspraktiken wurden von dieser Institution bislang durchweg mit "sehr gut" bewertet. Der Bewertungsfaktor von zirka 99,9 Prozent bei Ebay in den Kundenbewertungen kann sich gleichfalls sehen lassen. Belegen diese Resultate nicht klar und deutlich, dass unsere Kundschaft bestens bei uns aufgehoben ist? Bitte denken Sie daran: Wir sind auch nur Menschen, die mitunter Fehler machen. Sofern also etwas nicht völlig zu Ihrer Zufriedenheit funktioniert hat, bitten wir Sie, uns die Gelegenheit zu geben, die Sache in Ordnung zu bringen.Unser gut geschultes Team steht Ihnen täglich zwischen 8:00 und 18:00 Uhr sowie samstags von 8:00 bis 13:00 Uhr zur Verfügung.Unsere UnternehmenspolitikWir tun alles, damit unsere Kunden zufrieden sind. Mehr als 25 Jahre sind wir äußerst erfolgreich im Fahrzeuggeschäft tätig, wobei wir uns hingegen schon vor über fünfzig Jahren auf dem Gebiet des Maschinenbaus Erfolg versprechend etablieren konnten. Mittlerweile haben wir uns auf Fahrzeugzubehör, Einbauteile und das "Must have" zur Steigerung der Motorleistung für die meisten Roller spezialisiert.Unser Sortiment beinhaltet über 500.000 KomponentenAuf unserer Internet-Seite finden Sie unter Motorroller.de fast alle Teile und motorisierte Zweiräder aus Europa und Asien. In unserem Lager warten Ersatzteile, Artikel und passendes Zubehör für ungefähr 250 Fabrikate und 8500 Modelle auf Ihre Bestellung. Beispielsweise arbeiten wir schon jahrelang mit Herstellern wie Adly, Yamaha, Kreidler oder Jonway zusammen. Auf einer Fläche von über 1.000 m² haben wir in unseren Hochregalen mehr als 500.000 Produkte verschiedener Hersteller lieferbar. Sie finden im Zubehörsegment alles, was Sie für Ihren fahrbaren Untersatz brauchen. Das beginnt beim Top Case über die Windschilder und den Sturzhelmen, und geht bis hin zu Nierengürteln, Regensets und Handschuhen.Auch Tuningfans kommen bei uns auf ihre Rechnung. Sie finden in unserer Tuningabteilung alles was das Herz begehrt, wie zum Beispiel Kolben, Auspuffanlagen, Zylinder und weitere Dinge.Direkt nach der ProduktionAlle Lieferungen verlassen unser Unternehmen erst im Anschluss an eine strenge Kontrolle der Qualität. Dies bedeutet, bevor ein Fahrzeug ausgeliefert respektive vom Kunden abgeholt wird, testen wir es abschließend nochmals auf Herz und Nieren. Wir packen als erstes jeden Roller nach der Ankunft in unserem Haus aus und unterziehen es auf unserem Zweirad-Prüfstand einem Probelauf. Unmittelbar nach der Anlieferung beim Kunden wird dann der Motorroller zum Schluss erneut auf perfekte Funktion überprüft, sodass de facto sichergestellt ist, dass der Käufer ein absolut korrektes Gefährt bekommt.Schutz unserer UmweltWir tragen zum Umweltschutz bei. Zur Erhaltung der Luftreinheit haben unsere Zweiräder in der Regel Motoren, welche äußerst wirtschaftlich laufen. Um die Umwelt darüber hinaus zu schonen und eine fachgemäße Entsorgung zu gewährleisten, nehmen wir die Transportverpackung wieder mit, die bei der Auslieferung unserer Roller anfällt.Wir nehmen Ihren ausgedienten Motorroller in ZahlungSie haben einen neuen Motorroller bei uns bestellt und wollen Ihr altes Modell an den Mann bringen? Zerbrechen Sie sich darüber nicht den Kopf! Wir nehmen Ihren gebrauchten Roller gerne in Zahlung.Wir konnten noch nicht sämtliche Zweifel beseitigen?Geben Sie uns doch die Gelegenheit, unsere fachliche Kompetenz zu beweisen. Wir gehören nicht zu den billigen Verkaufsshops, die wie Eintagsfliegen heute kommen und morgen gehen. Bloß zufolge fortschrittlicher Innovationen und neuer Ideen lässt sich eine stabile geschäftliche Basis schaffen. Dementsprechend steht in unserem stetig expandierenden Betrieb Fleiß und fortwährendes Lernen immer an erster Stelle. Sie können sich selbst von unserem vortrefflichen Service überzeugen, sofern Sie uns an unserem Unternehmensstandort in Lindenfels-Eulsbach besuchen.Wie kommen Sie am besten zu uns nach Lindenfels?Lindenfels liegt ca. 60 km im Süden von Frankfurt am Main und 40 km nordöstlich von Mannheim im Odenwald (Regierungsbezirk Darmstadt). Alternativ ist es selbstverständlich auch möglich, mit der Bahn zu fahren.Unsere TopmarkenUnsere Topmarken

Regulärer Preis:
Nicht verfügbar
29,90 €
Rabatt
AEON Platte Halter Metallplatte Stahlplatte 81111-153-000
AEON Platte Halter Metallplatte Stahlplatte 81111-153-000

zu Artikel: Platte 81111-153-000 PlatteTechnik-InfoPlatteHalteplatte, Fixierung, Halteblech, Arretierplatte, Sicherungsblech, Halter, Befestigungsplatte, Halterung, Arretier-Platte, Halte-Platte, Halte-Blech, Sicherungs-Blech, Halterungsplatte, Fixierplatte, Fixier-Platte, Befestigungs-Platte, Arretierblech, Fixierblech, Platte, Grundplatte, Stahlplatte, Metallplatte, Montageplatte, Montierplatte, Montageschiene Abdeckungen dienen meist dem Schutz vor Schmutz und Nässe im Betrieb.Langjährige Erfahrung und stets einwandfreie Qualität haben diesen Hersteller ausgezeichnet.Kostenloser Versand   Bei Ersatzteilen für jeden zusätzlichen Artikel mit den gleichen Versandkriterien, den Sie von uns kaufen.Unsere Ersatzteile für ihren Scooter bzw. Roller oder auch Motorroller können Sie bequem online in unserem Shop kaufen. Egal ob sie Ihren Roller im Baumarkt oder im Kaufhaus gekauft haben, für alle gängigen China-, Europa-, oder Taiwan-Roller finden Sie bei uns passende Bauteile, insbesondere für die Motoren 50 cc, 125 cc, 250 ccm, 4-Takt, 2-Takt und für größere Leistungen. Speziell für die Motorentypen 139FMB ,1E40QMB, 1E40QMA ,157QMJ, 158MJ , GY6 ,125-4T6M ,150QMG ,153FMI, 156FMI ,164FML ,139QMB, 139QMA, JSD139QMB ,152QMI, 157QMI in kurzen und langen Versionen in den Normen Euro1, Euro2, Euro3 sowie die neuen Euro 4 Einspritzer-Motoren finden Sie qualitativ erstklassige Ersatzteile. Gerne können Sie auch per Email nach Ersatzteilen anfragen. Bei Bestellwerten über 100 Euro können Sie auch unseren Finanzierungs- bzw. Ratenkauf-Service nutzen. Beim Kauf von Fahrzeugen können wir Ihnen auch ein Leasing-Angebot unterbreiten, das bietet sich insbesondere für Firmen an, die Betriebsfahrzeuge anschaffen, oder ihren Mitarbeitern ein Fahrzeug zur Verfügung stellen. Ihre Anfrage nehmen wir gerne entgegen

Verkaufspreis:
Kurzfristig lieferbar
71,11 € Regulärer Preis: 81,78 €