Zum Hauptinhalt springen Zur Suche springen Zur Hauptnavigation springen
Menü
efr
erf
rrrf
Schnell lieferbar
14 Tage Rückgaberecht
Schneller DPD Versand

zu Artikel: Kolbenringe Rex Monaco 50

Kolbenring Satz 39mm 139QMA 139QMB GY6 4Takt 50ccm

Technik-Info

Kolbenringe

auch zu finden unter: Kolbenringe, Kompressions Ringe Set, Verdichtungs Ringe, Kompressionsringe Satz, Verdichtungsringe, Kolbenring Satz, Kolbenringsatz, Kolben Ringe, Set Kolbenringe

Kolbenringe haben die Aufgaben Abdichtung der Kompression, Ableitung der Verbrennungswärme, Dosierung des Schieröls (Stärke des Ölfilms). Kolben mit 3 Kolbenringen haben durch die bessere Dosierung des Ölfilms gegenüber Kolben mit 2 Kolbenringen einen geringeren Ölverbrauch.

Dieser Artikel wurde speziell hergestellt für:

Rex Monaco 50 50ccm 4Takt

Geprüfte beste Erstausrüsterqualität sehr gute Verarbeitung günstiger Preis Direktimport Kauf 100% ohne Risiko vom Topseller

Unsere Ersatzteile für ihren Roller bzw. Motorroller oder auch Scooter können Sie bequem online in unserem Shop kaufen. Egal ob sie Ihren Roller im Kaufhaus oder im Baumarkt gekauft haben, für alle gängigen Taiwan-, Europa-, oder China-Roller finden Sie bei uns passende Bauteile, insbesondere für die Motoren 50 cc, 125 cc, 250 ccm, 2-Takt, 4-Takt und für größere Leistungen. Speziell für die Motorentypen 150QMG ,125-4T6M ,139QMB, 139QMA, JSD139QMB ,152QMI, 157QMI ,139FMB ,157QMJ, 158MJ ,GY6 ,1E40QMB, 1E40QMA ,164FML ,153FMI, 156FMI in kurzen und langen Versionen in den Normen Euro1, Euro2, Euro3 sowie die neuen Euro 4 Einspritzer-Motoren finden Sie Ersatzteile von erstklassiger Qualität. Gerne können Sie auch per Email nach Ersatzteilen anfragen. Bei Bestellwerten über 100 Euro können Sie auch unseren Ratenkauf- bzw. Finanzierungs-Service nutzen. Beim Kauf von Fahrzeugen können wir Ihnen auch ein Leasing-Angebot unterbreiten, das bietet sich insbesondere für Firmen an, die Betriebsfahrzeuge anschaffen, oder ihren Mitarbeitern ein Fahrzeug zur Verfügung stellen. Wir freuen uns auf Ihre Anfrage.

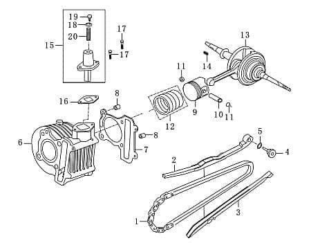
Baugruppe: Motor

Artikelposition in Explosionszeichnung: 12

Ersatzteil: Kolben

Motorroller bequem online kaufen – von der Bestellung bis zur Lieferung


Mobiler Home Service – Bundesweit Inspektionen und Reparaturen


Motorroller.de – Über uns – Ihr Support vom Profi seit 1993

Ihr Finanzierungsplan**
Monate Rate mtl. Gesamt
6039,67 €2.380,49 €
12157,59 €1.891,14 €

Einfach im Bestellvorgang die Expokredit-Finanzierung als Zahlungsweise auswählen ...

  • Jonway 139QMB
  • Jonway Boston 8 Mofaroller
  • Jonway Imola 50 Race/Urban
  • Jonway Jigger 50 City
  • Jonway Milano 50
  • Jonway Monza 50 Race Urban
  • Jonway REX Monaco 50 Race/Urban
  • Jonway Rex RS 460
  • Jonway Rex RS 500
  • Jonway Rex RS Classic
  • Jonway RS 400
  • Jonway RS 750
  • Jonway RS Classic
  • Jonway RT 50
  • Jonway Unser Norden Mofaroller
  • Jonway Unser Norden Mokickroller
  • Kreidler Flory 50 45 km/h Roller
  • Kreidler Galactica 2.0 50 DD City
  • Kreidler Hiker 2.0 50 DD
  • Kreidler Hiker 50 DD
  • Kreidler Jigger 50 City
  • Kreidler MONACO 50 Race / Urban
  • Kreidler MONZA 50 Race / Urban (Fin: WS1 od. L8Y)
  • Kreidler RMC-E 50 Florett Roller
  • Kreidler RS 500
  • Otto Versand Rex RS 400
  • Otto Versand Rex RS 750
  • Qingqi Capriolo 50
  • Qingqi Flory 50
  • Qingqi Leopard
  • Qingqi QM50QT-2M
  • Qingqi QM50QT-6F
  • Qingqi QM50QT-6S
  • Qingqi QM50T-10A
  • Qingqi QM50T-10E
  • Qingqi QM50T-10V
  • Qingqi Rex RS 450 OFF-LIMIT/TRIBAL-Scooter/CAPRIOLO 50 QM50QT-6A
  • Qingqi REX RS 600 QM50QT-2
  • Qingqi REX RS 700 QM50QT-10A
  • Qingqi REX RS 900 QM50T 10A(A)
  • Qingqi RS 425
  • Qingqi RS 450
  • Qingqi RS 700
  • Qingqi RS 900
  • Qingqi RS 900 QM50T 10A
  • Qingqi Speedy 50
  • Rex Capriolo 50 4T
  • Rex Imola 50
  • Rex Imola 50 Race/Urban
  • Rex Milano 50
  • Rex Monaco 50
  • Rex Monaco 50 Race Urban
  • Rex Monza 50 Fin: L5Y
  • Rex Off Limit
  • Rex RS 400
  • Rex RS 425 Mofaroller 4-T
  • Rex RS 450
  • Rex RS 450 OFF-LIMIT/TRIBAL-Scooter/CAPRIOLO 50 QM50QT-6A
  • Rex RS 450 QM50QT-6A CAPRIOLO 50
  • Rex RS 460
  • Rex RS 460 BOSTON 8
  • Rex RS 460 Mofaroller 4-T
  • Rex RS 500
  • Rex RS 500 QM50QT 6A-AQINGQI
  • Rex RS 600 QM50QT-2
  • Rex RS 700 QM50QT-10A
  • Rex RS 750
  • Rex RS 900 QM50T 10A-A
  • Rex RS Classic 50
  • Rex SPEEDY FLASH
  • SMC Kreidler 50 Flory
  • SMC Qingqi 50
Produktgalerie überspringen

Kunden haben sich ebenfalls angesehen

Rex Stratos Montana Zylinderfuß-Abdichtung 50ccm Motorroller.de Zylinder-Dichtung Fußdichtung 2Takt 1E40QMB YY50QT-28 50cc 2T Minarelli
Rex Stratos Montana Zylinderfuß-Abdichtung 50ccm Motorroller.de Zylinder-Dichtung Fußdichtung 2Takt 1E40QMB YY50QT-28 50cc 2T Minarelli

zu Artikel: Dichtung Zylinderfuß 2Takt 50ccm liegender Minarelli Motor AC 1E40QMB 31131604 Dichtung Zylinderfuss 2Takt 50 ccm liegender Minarelli Motor AC 1E40QMB Motortyp: 1E40QMB Technik-Info Zylinderfuß-Abdichtung auch zu finden unter: Dichtung Zylinderfuß, Dichtung Zylinderfuss, Zylinderfussdichtung, Dichtung Zylinder unten, Zylinderfuß-Dichtung, Zylinderfuss-Dichtung, Zylinderdichtung, Zylinder-Dichtung, Fußdichtung, Fussdichtung, Fuß-Dichtung, Fuss-Dichtung, Abdichtung Zylinderfuß, Abdichtung Zylinderfuss, ZylinderfussAbdichtung, Abdichtung Zylinder unten, Zylinderfuß-Abdichtung, Zylinderfuss-Abdichtung, ZylinderAbdichtung, Zylinder-Abdichtung, FußAbdichtung, FussAbdichtung, Fuß-Abdichtung, Fuss-Abdichtung Ob Einzeldichtung oder Dichtsatz, bei uns erhalten Sie stets die Qualitätsstufe wie beim Original-Hersteller. Wenn Sie etwas an der Variomatik arbeiten oder auch nur wenn der Deckel geöffnet wird, sollte die Dichtung immer getauscht werden Dieser Artikel wurde speziell hergestellt für:Rex Stratos Montana 50ccm 2Takt Erstausrüsterqualität sehr gute Verarbeitung sofort lieferbar Unsere Ersatzteile für ihren Scooter bzw. Roller oder auch Motorroller können Sie bequem online in unserem Shop kaufen. Egal ob sie Ihren Roller im Kaufhaus oder im Baumarkt gekauft haben, für alle gängigen Europa-, Taiwan-, oder China-Roller finden Sie bei uns passende Bauteile, insbesondere für die Motoren 50 cc, 125 cc, 250 ccm, 2takt, 4takt und für größere Leistungen. Speziell für die Motorentypen 164FML ,139FMB ,GY6 ,152QMI, 157QMI ,1E40QMB, 1E40QMA ,139QMB, 139QMA, JSD139QMB ,157QMJ, 158MJ ,125-4T6M ,150QMG ,153FMI, 156FMI in kurzen und langen Versionen in den Normen Euro1, Euro2, Euro3 sowie die neuen Euro 4 Einspritzer-Motoren finden Sie Ersatzteile von bewährter Qualität. Gerne können Sie auch per Email nach Ersatzteilen anfragen. Bei Bestellwerten über 100 Euro können Sie auch unseren Finanzierungs- bzw. Ratenkauf-Service nutzen. Beim Kauf von Fahrzeugen können wir Ihnen auch ein Leasing-Angebot unterbreiten, das bietet sich insbesondere für Firmen an, die Betriebsfahrzeuge anschaffen, oder ihren Mitarbeitern ein Fahrzeug zur Verfügung stellen. Bitte fragen Sie an.

Regulärer Preis:
Verfügbar
4,90 €
Rex RS450 Dekorblende Verkleidung Fußraum Roller Motorroller.de Fußraumverkleidung 50ccm 4Takt 139QMB JSD50QT-13 50cc 4T
Rex RS450 Dekorblende Verkleidung Fußraum Roller Motorroller.de Fußraumverkleidung 50ccm 4Takt 139QMB JSD50QT-13 50cc 4T

zu Artikel: Frontverkleidung innen (unten) schwarz 4Takt 50ccm JSD50QT-13 JSD139QMBFrontverkleidung Dekorblende innen (unten) schwarz 4Takt 50ccm JSD50QT-13 JSD139QMB Bitte berücksichtigen Sie, dass der Farbton aufgrund verschiedener Chargen und Lackiertermine abweichen kann. Es handelt sich um keine RAL-Ton Lackierung wie bei teuren PKW- oder Motorradlackierungen. Die Preise sind sehr günstig und wie unlackierte Teile kalkuliert.   Nicht passend für Qingqi Fahrzeuge.   Technik-Info Verkleidung Fußraum auch zu finden unter: Frontschürze, Frontmaske, Front-Schuerze, Frontverkleidung, Front-Verkleidung, Lenkerverkleidung, Front-Cover, Frontcover, Front-Schürze, Frontschuerze, Frontteil, Frontabdeckung Verkleidungsteile für bestimmte (seltene) Modelle sind oft schwer zu bekommen. Darum haben wir bei unseren eigenen Modellen Wert auf zeitlos elegantes Design gelegt, sodass wir auch für ältere Modelle unserer Eigenmarken stetes Ersatz liefern können. Unsere Verkleidungsteile sind aus hochwertigem langlebigen Kunststoff hergestellt Dieser Artikel wurde hergestellt für Fahrzeuge der Marke:Rex Kostenloser Versand Bei Ersatzteilen für jeden zusätzlichen Artikel mit den gleichen Versandkriterien, den Sie von uns kaufen. Unsere Ersatzteile für ihren Scooter bzw. Roller oder auch Motorroller können Sie bequem online in unserem Shop kaufen. Egal ob sie Ihren Roller im Kaufhaus oder im Baumarkt gekauft haben, für alle gängigen Europa-, Taiwan-, oder China-Roller finden Sie bei uns passende Bauteile, insbesondere für die Motoren 50 cc, 125 cc, 250 ccm, 2takt, 4takt und für größere Leistungen. Speziell für die Motorentypen 164FML ,125-4T6M ,150QMG ,153FMI, 156FMI ,139FMB ,139QMB, 139QMA, JSD139QMB ,152QMI, 157QMI ,1E40QMB, 1E40QMA ,157QMJ, 158MJ ,GY7 in kurzen und langen Versionen in den Normen Euro1, Euro2, Euro3 sowie die neuen Euro 4 Einspritzer-Motoren finden Sie Ersatzteile von bewährter Qualität. Gerne können Sie auch per Email nach Ersatzteilen anfragen. Bei Bestellwerten über 100 Euro können Sie auch unseren Finanzierungs- bzw. Ratenkauf-Service nutzen. Beim Kauf von Fahrzeugen können wir Ihnen auch ein Leasing-Angebot unterbreiten, das bietet sich insbesondere für Firmen an, die Betriebsfahrzeuge anschaffen, oder ihren Mitarbeitern ein Fahrzeug zur Verfügung stellen. Wir freuen uns auf Ihre Anfrage. Ein defektes Teil reparieren lassen oder besser gleich austauschen?Immer wieder stellt sich die Frage, ob ein fehlerhaftes Element am Roller ausgewechselt oder besser instand gesetzt werden soll, gleichgültig, ob sich um einen Motorroller, Elektroroller respektive E-Roller oder Dreirad-Roller handelt. Zudem bietet ein neues Teil eine deutlich höhere Ausfallsicherheit als eine Reparatur des Zweirads. Oft kann man einen nicht sofort selbst ermitteln und eine kompetente Werkstatt muss feststellen, wo der Hase im Pfeffer liegt. Demgegenüber haben Sie auch die Option, sich für eines der einbaufertigen Komplett-Kits zu entscheiden, welche wir für viele unterschiedliche Bauteile im Produktangebot haben. .Qualitativ hochwertige Roller-Bauteile und ZubehörDie Qualität unserer sämtlichen Produkte entspricht dem Weltmarktniveau. Unsere Komponenten sind aus dem Grund so günstig, weil wir schon im Einkauf auf entsprechend große Produktmengen wert legen. Falls Ihr Zweirad einmal ein neues Bauteil benötigt, wenden Sie sich voll Vertrauen an uns. Sie bekommen bei uns ausnahmslos beste Qualität zu einem erschwinglichen Preis. Sie suchen für einen Sundiro oder Eppella Roller ein Einbauteil? Keine Sorge, wir haben sie auf Lager.Wir haben natürlich auch die Originalteile einer Vielzahl Rollermarken im Programm, obgleich unsere Nachbauten mit den Originalen qualitativ ohne weiteres mithalten können und trotzdem vom Preis her im Prinzip um einiges billiger sind. Unsere Bauteile versetzen Sie in die Lage, auf der einen Seite die Reparatur an Ihrem Roller selbst ausführen oder auf der anderen Seite auch in einer Fachwerkstätte durchführen zu lassen. Voraussichtlich gibt es keine bessere Alternative, im Zusammenhang mit der Instandsetzung Ihres fahrbaren Untersatzes, um Ihren Geldbeutel zu schonen.Es ist denkbar leicht, mittels der Abbildungen die benötigte Komponente aufzufindenAufgrund des anschaulichen Bildmaterials können Sie Ihr defektes Bauteil auf einfache Weise mit dem verfügbaren Ersatz vergleichen, damit Sie auch de facto den gewünschten Artikel erhalten. Wesentlich ist hier, dass Ihre Bestellung nicht nur visuell, sondern auch in den technischen Spezifikationen und Dimensionen mit dem alten Teil zusammenpasst. Wie Sie davon profitieren:Kurzfristige LieferzeitenUnsere sämtlichen Produkte sind gebrauchstauglich, langlebig sowie preisgünstigUnser Lager umfasst Einbauteile und Zubehör für circa 250 Marken und 8500 TypenSie zahlen bei Bestellung mehrerer Teile mit denselben Versandfaktoren nur einmal den VersandAbsolute Fahrsicherheit des Zweirads, besonders bei den BremsenDIN-Norm gerechte und ISO-zertifizierte PräzisionsfertigungAuch bei kostengünstigen Nachbauten bekommen Sie von uns ausnahmslos die ErstausrüsterqualitätDurch unsere "Geld zurück" - Garantie kaufen Sie ohne RisikoAbhol- und BringserviceWir kaufen Ihren MotorrollerWir sind der erste Ansprechpartner, falls es um den Kauf von einem Roller, Buggy, Quad oder Fun Fahrzeug geht. Was für einen Nutzen haben Sie von unserem Service? Da wir uns dank unserer jahrzehntelangen praktischen Erfahrung das entsprechende Know-how für dieses Geschäftsfeld angeeignet haben, können wir Ihnen den bestmöglichen Service bieten. Als Familienunternehmen betreiben wir nicht bloß das Geschäft rund um die Motorroller, wir leben unser Geschäft förmlich. Kaufen ist Vertrauenssache, dementsprechend ist es unverzichtbar, sich den Laden vorab genau anzugucken. in unserem Geschäft ist alles für die Kundschaft hundertprozentig transparent! Gerne können Sie uns einen Besuch abstatten, um sich über uns selbst ein Bild zu machen.Sie sehen dann die Bestätigung unserer Qualität auf gewisse Weise mit eigenen Augen.Möglicherweise ist Ihnen die Strecke zu uns zu weit. Dann gibt es auch die Option, mittels des Trustedshops-Siegels und die unterschiedlichen Ebay Bewertungen Infos über uns einzuholen. Auf unserer Internetseite Motorroller.de wird sowohl unser Verkaufs-Shop als auch unsere Geschäftspraxis von Trustedshops mit der Note "sehr gut" eingestuft. Der Faktor von rund 99,9 % bei Ebay in den Käuferbewertungen kann sich genauso sehen lassen. Was demonstrieren all diese Resultate ganz klar? Dass wir in allen Belangen immer geben!! Bitte denken Sie daran, dass dort wo gearbeitet wird, auch mal Fehler passieren. Sofern also etwas nicht völlig zu Ihrer Zufriedenheit funktioniert hat, bitten wir Sie, uns die Gelegenheit zu geben, die Sache in Ordnung zu bringen.Unsere fachkundigen Mitarbeiter sind täglich von 8:00 - 18:00 Uhr und samstags von 9:00 - 13:00 für Sie da.Die Fakten unseres UnternehmensWir tun viel, damit unsere Kunden zufrieden sind. Das Geschäft mit Fahrzeugen betreiben wir schon über 25 Jahre mit Erfolg, möchten dabei andererseits nicht unerwähnt lassen, dass wir bereits mehr als 5 Jahrzehnte auf eine Erfolgsgeschichte auf dem Gebiet des Maschinenbaus verweisen können. Heute haben wir uns zusammen mit der Vermarktung von Motorrollern, auf Zubehör, Einbauteile und das "Must have" zur Leistungssteigerung fokussiert.Wir können zeitnah zirka 500.000 Teile liefernAuf unserer Web-Seite finden Sie unter Motorroller.de fast alle Ersatzteile und Zweiräder aus Fernost und Europa. In unserem Auslieferungslager befinden sich für circa 8500 Ausführungen und 250 Fabrikate diverse Artikel, passendes Zubehör und Einbauelemente. Darunter befinden sich zum Beispiel Lieferanten wie Yamaha, Jonway, Kreidler oder Adly. Es sind mehr als 500.000 Produkte von zahlreichen verschiedener Hersteller, welche wir in unserem Hochregallager auf einer Fläche von über 1.000 m² lieferbar haben. Alles was Sie als Rollerfahrer benötigen, finden Sie in unserer Zubehörabteilung. Das beginnt bei den Schutzhelmen über das Top Case und den Windschildern, und geht bis hin zu Handschuhen, Nierengürteln und Regensets.Selbst Tuningfans kommen bei uns nicht zu kurz. Zum Tunen ihres Zweirads finden sie in unserer Tuningabteilung alles was das Herz begehrt, wie etwa Kolben, Zylinder, Auspuffanlagen und weitere Dinge.Was geschieht nach der Produktion?Kein Artikel verlässt unser Unternehmen, ehe er nicht auf einwandfreie Qualität kontrolliert worden ist. Dies bedeutet, bevor wir einen Roller in die Hände des Kunden übergeben, wird er von uns nochmals auf tadellose Funktion und Mängelfreiheit begutachtet. Das erste Mal geschieht dies vor dem Versand, indem wir jeden Motorroller auspacken und auf unserem computergesteuerten Prüfstand einem Probelauf beziehungsweise einer Übergabeinspektion unterziehen. Bevor der Kunde das Fahrzeug in Empfang nimmt, erfolgt noch ein abschließender Funktionstest. Somit ist de facto garantiert, dass der neue Besitzer mit seinem Kauf hundertprozentig zufrieden ist.Schutz unserer UmweltUns liegt sehr viel an einem effektiven Umweltschutz. Das sagen wir nicht nur, weil unsere motorisierten Zweiräder in der Regel mit Sprit sparenden Verbrennungsmotoren bestückt sind. Um unsere Umwelt überdies zu entlasten und eine fachgerechte Müll-Entsorgung zu garantieren, nehmen wir die Transportverpackung wieder mit, welche bei der Anlieferung unserer Motorroller anfällt.Wir nehmen Ihren alten Motorroller in ZahlungSie haben einen neuen Motorroller bei uns erworben und wollen Ihren ausgedienten fahrbaren Untersatz loswerden? Machen Sie sich über diese Sache keine Sorgen! Lassen Sie uns das übernehmen, indem wir Ihren alten Roller ankaufen.Sie haben immer noch Zweifel?Sofern wir von Ihnen die Möglichkeit dazu bekommen, können wir Ihnen unsere fachlichen Qualitäten auch beweisen. Man darf uns nicht mit den vielen billigen Web-Shops, gleich stellen, die heute kommen und morgen bereits wieder weg sind. In unserem stetig wachsenden Betrieb steht Fleiß und ständiges Lernen an der ersten Stelle, da wir wissen, dass sich nur durch neue Ideen und zeitgemäße Innovationen das Know-how für eine solide Geschäftsbasis erzeugen lässt. Sie können sich selbst von unserem ausgezeichneten Service überzeugen, falls Sie uns an unserem Unternehmensstandort in Lindenfels-Eulsbach besuchen.Wo unser Unternehmen zu Hause istRund 60 km im Süden von Frankfurt am Main liegt Lindenfels im Regierungsbezirk Darmstadt. Wenn Sie mit dem PKW anreisen, erreichen Sie den Ort per Autobahn entweder von Norden über Frankfurt am Main (A6) oder von Süden über Stuttgart, Karlsruhe und Mannheim (A8). Eine Anfahrt mit der Bahn ist logischerweise genauso möglich.Unsere TopmarkenUnsere Topmarken

Regulärer Preis:
Verfügbar
31,90 €
Rabatt
Lenkerabdeckung hinten Frontverkleidung schwarz 700401
Lenkerabdeckung hinten Frontverkleidung schwarz 700401

zu Artikel: Lenkerabdeckung hintenLenkerverkleidungLenkerabdeckung hintenTechnik-InfoDer Artikel: Lenkerverkleidungauch zu finden unter: Frontverkleidung, Lenkerverkleidung, Frontcover, Frontmaske, Frontschürze, Frontschuerze, Frontteil, Frontabdeckung, Front-Verkleidung, Front-Cover, Front-Schürze, Front-SchuerzeVerkleidungsteile für bestimmte (seltene) Modelle sind oft schwer zu bekommen. Darum haben wir bei unseren eigenen Modellen Wert auf zeitlos elegantes Design gelegt, sodass wir auch für ältere Modelle unserer Eigenmarken stetes Ersatz liefern können. Unsere Verkleidungsteile sind aus hochwertigem langlebigen Kunststoff hergestelltDieser Artikel passt bei vielen Modellen, unter anderem für:Kreidler RS 500 Rex 25 Scooter Rex 50 Scooter Rex 50 Scooter/MK 50/CAPRIOLO 50 (2-Takt) Rex REXY 25-50 Rex Rexy 50 Rex Rexy 50 25 km/h Rex Rexy 50 50 km/h Rex RS 400 Rex RS 460 Rex RS 460 BOSTON 8 Rex RS 460 Mofaroller 4-T Rex RS 500 Rex RS 500 QM50QT 6A-AQINGQIDie Marke Rex ist eine der meistverkauften in Deutschland. Durch ständige Qualitätskontrollen vorort beim Hersteller ist ein hoher Standard gewährleistet.Geprüfte Erstausrüsterqualität beste Verarbeitung Best. Ware günstiger Preis Direktimport Kauf 100% ohne Risiko vom TopsellerUnsere Ersatzteile für ihren Motorroller bzw. Roller oder auch Scooter können Sie bequem online in unserem Shop kaufen. Egal ob sie Ihren Roller im Kaufhaus oder im Baumarkt gekauft haben, für alle gängigen Taiwan-, Europa-, oder China-Roller finden Sie bei uns passende Bauteile, insbesondere für die Motoren 50 cc, 125 cc, 250 ccm, 2takt, 4takt und für größere Leistungen. Speziell für die Motorentypen 139QMB, 139QMA, JSD139QMB , GY6 ,125-4T6M ,164FML ,153FMI, 156FMI ,139FMB ,152QMI, 157QMI ,150QMG ,1E40QMB, 1E40QMA ,157QMJ, 158MJ in kurzen und langen Versionen in den Normen Euro1, Euro2, Euro3 sowie die neuen Euro 4 Einspritzer-Motoren finden Sie qualitativ erstklassige Ersatzteile. Gerne können Sie auch per Email nach Ersatzteilen anfragen. Bei Bestellwerten über 100 Euro können Sie auch unseren Finanzierungs- bzw. Ratenkauf-Service nutzen. Beim Kauf von Fahrzeugen können wir Ihnen auch ein Leasing-Angebot unterbreiten, das bietet sich insbesondere für Firmen an, die Betriebsfahrzeuge anschaffen, oder ihren Mitarbeitern ein Fahrzeug zur Verfügung stellen. Wir freuen uns auf Ihre Anfrage. Das defekte Element ersetzen oder instand setzen lassen?Diese Frage wird von Rollerbesitzern häufig gestellt, ganz gleich, ob sie einen Elektroroller respektive E-Roller, Dreirad-Roller oder Motorroller ihr Eigen nennen, falls etwas an ihrem Zweirad defekt geworden ist. Ein Ersatzteil, das verhältnismäßig schnell gewechselt werden kann, ist nicht nur preisgünstiger, sondern bietet zudem eine deutlich höhere Funktionssicherheit als nach einer Instandsetzung des Motorrollers. Ein versteckter Schaden lässt sich oft nur von einem Fachmann mittels Spezialwerkszeugen orten. Andererseits hat man auch die Möglichkeit, sich für eines der einbaufertigen Ersatzteil-Kits zu entscheiden, welche wir für viele diverse Modelle im Sortiment haben. .Qualitativ hochklassige Roller-ErsatzteileDie Qualität unserer sämtlichen Produkte hat Weltmarktniveau. Weswegen sind wir trotz der hohen Qualität unserer Produkte so günstig? Das liegt nicht nur an unserer Preiskalkulation, sondern überwiegend daran, dass wir unsere Produkte in großen Einkaufsmengen beziehen. Falls Ihr Zweirad einmal eine neue Komponente benötigt, wenden Sie sich voll Vertrauen an uns. Sie erhalten bei uns stets beste Qualität zu einem erschwinglichen Preis.Auch für Motorroller, Quads und Buggys, die nicht mehr hergestellt werden, haben wir normalerweise die Komponenten vorrätig. So beispielsweise für die Marken Sundiro und Eppella.Wir haben selbstverständlich auch die Originalteile einer Menge Rollerhersteller im Programm, obschon unsere Nachbauten mit den Originalen qualitativ auf alle Fälle mithalten können und trotzdem vom Preis her im Prinzip um einiges kostengünstiger sind. Mit unseren Bauteilen können Sie die Reparatur an Ihrem Roller selber durchführen beziehungsweise auch in einer Fachwerkstätte durchführen lassen. Es gibt zweifelsohne keine bessere Alternative, durch die Sie zu bezahlbaren Kosten und in ausgezeichneter Qualität Ihren Roller wieder flott bekommen können.Es ist denkbar simpel, mittels der Bilder die benötigte Komponente aufzufindenAuf unserer Seite existiert reichlich Bildmaterial, welches Ihnen hilft, Ihr altes Bauteil ganz bequem mit dem erhältlichen Ersatz zu vergleichen. Damit können Fehl- oder Falschlieferungen wegen fehlerhafter Bestellungen bereits vorweg verhindert werden. Hierbei reicht nicht lediglich eine augenscheinliche Ähnlichkeit. Es müssen überdies sowohl die angegebenen Dimensionen als auch die aufgeführten Spezifikationen passen.Zehn Vorteile von denen Sie profitieren:Auch bei kostengünstigen Nachbauten erhalten Sie von uns stets die Erstausrüsterqualität"Geld zurück" - Garantie, deshalb Kauf ohne RisikoWir holen und bringen Ihren MotorrollerAbsolute Verkehrssicherheit des Motorrollers, speziell bei den BremsenDIN-Norm gerechte und ISO-zertifizierte PräzisionsfertigungErsatzteile und Zubehör für circa 250 Marken und 8500 Typen auf LagerAlle unsere Erzeugnisse sind preiswürdig, betriebssicher und gebrauchstauglichUnsere Lieferungen erfolgen überwiegend kurzfristigSie bezahlen nur einmal den Versand bei Bestellung mehrerer Einbauteile mit denselben LieferkriterienWir kaufen Ihr FahrzeugGanz gleich, ob Sie einen Roller, einen Buggy, ein Quad oder ein Fun Fahrzeug kaufen wollen. Wir sind dafür das Fachgeschäft Ihres Vertrauens. Wieso sollten Sie sich an uns wenden? Weil wir für dieses Geschäftsfeld die Meister-Qualifikation und das entsprechende Know-how besitzen, was dazu definitiv erforderlich ist. Als Familienbetrieb betreiben wir nicht ausschließlich das Geschäft in Verbindung mit den Rollern, wir leben unser Geschäft förmlich.Es ist nicht unbedingt sinnvoll, sein motorisiertes Zweirad beim nächsten x-beliebigen Händler zu kaufen. Dementsprechend ist es notwendig, sich das ausgesuchte Fachgeschäft zuerst genau anzugucken. Bei uns ist alles zu 100 Prozent transparent! Sie dürfen gerne jederzeit bei uns vorbeikommen und sich selber ein Bild machen.Das was Sie dort sehen, wird Sie auf jeden Fall überzeugen.Ist Ihnen der Weg zu uns zu weit? Dann informieren Sie sich doch mittels des Trustedshops-Siegels und die verschiedenen Ebay Bewertungen. Die Bewertungen von Trustedshops sind im Allgemeinen nicht nur ganz und gar wertneutral sondern auch sehr aussagekräftig. Sowohl der Online Shop auf unserer Homepage Motorroller.de als auch unsere Geschäftspraktiken wurden von dieser Institution bis dato durchgehend mit "sehr gut" bewertet. Der Bewertungsfaktor von rund 99,9 Prozent bei Ebay in den Käuferbewertungen kann sich genauso sehen lassen. All diese Resultate lassen ohne Zweifel nur einen einzigen Schluss zu: Wir geben in allen Belangen stets unser Bestes!Bitte denken Sie daran: Wir sind auch nur Menschen, die unter Umständen etwas falsch machen. Aus dem Grund bitten wir Sie, für den Fall, dass mal etwas nicht so gut gelaufen ist, uns auf jeden Fall die Möglichkeit zur Verbesserung zu geben.Zu welchen Zeiten wir Ihnen zu Diensten stehen? Täglich von 8:00 bis 18:00 Uhr und am Samstag von 8:00 bis 13:00 Uhr.Über unsWir tun eine Menge, damit unsere Kundschaft zufrieden ist. Unsere Geschäftstätigkeit fing schon vor über fünfzig Jahren mit dem Maschinenbau an. Das Geschäft mit motorisierten Zweirädern hingegen, betreiben wir inzwischen auch bereits seit mehr als 25 Jahren mit Erfolg. Gegenwärtig haben wir uns auf Einbauteile, das "Nice-to-have" zur Steigerung der Motorleistung und Fahrzeugzubehör für die meisten Roller fokussiert.Wir haben mehr als 500.000 Zubehörteile auf LagerAuf unserer Web-Seite finden Sie unter Motorroller.de nahezu sämtliche Einbauteile und Fahrzeuge aus Europa und Asien. Es existieren momentan Artikel, passendes Zubehör und Einbaukomponenten für ca. 8500 Typen und 250 Fabrikate in unserem Lager, die auf Ihre Bestellung warten. Beispielsweise arbeiten wir schon jahrelang mit so namhaften Lieferanten wie Yamaha, Jonway, Kreidler oder Adly zusammen. Auf einer Fläche von über 1.000 m² haben wir in unserem Hochregallager etwa 500.000 Produkte zahlreicher Anbieter lieferbar. Im Zubehörlager finden Sie alles, was Sie als Rollerfahrer für Ihren fahrbaren Untersatz benötigen.Das beginnt bei den Sturzhelmen über die Windschilder und dem Top Case, und geht bis hin zu Nierengürteln, Regensets und Handschuhen.In unserer Tuningabteilung halten wir für alle, die es gerne sportlich mögen ebenfalls einige ausgewählte Artikel bereit. Dazu gehören etwa Zylinder, Kolben, Auspuffanlagen und dergleichen Dinge.Was passiert nach erfolgter Produktion?Laufende Qualitätskontrollen sind das Hobby unseres Unternehmens. Dies bedeutet, ehe wir ein Fahrzeug in die Hände des Kunden übergeben, wird es von uns nochmals auf einwandfreie Funktion und Fehlerfreiheit untersucht. Wir packen zuallererst jeden Roller nach der Ankunft in unserem Haus aus und unterziehen es auf unserem Zweirad-Prüfstand einem Testlauf. Ein allerletzter Funktionscheck erfolgt dann im Anschluss der Übergabe an den Kunden. Somit ist sichergestellt, dass der Motorroller sich tatsächlich in einem einwandfreien Zustand befindet und den Käufer hundertprozentig zufriedenstellt.UmweltschutzDer Umweltschutz liegt uns sehr am Herzen. Das sagen wir nicht lediglich, weil unsere Zweiräder normalerweise mit Motoren versehen sind, die einen vergleichsweise niedrigen Spritverbrauch haben. Um die Umwelt überdies zu entlasten und eine professionelle Müll-Entsorgung zu garantieren, nehmen wir die Transportverpackung wieder mit, die bei der Anlieferung unserer Roller anfällt.Wir kaufen Ihren RollerNach dem Kauf eines neuen Rollers aus unserem Sortiment wollen Sie sich von Ihrem alten Modell trennen? Kein Problem! Wir kaufen Ihren ausgedienten Motorroller an.Haben Sie immer noch Bedenken?Dann geben Sie uns doch die Möglichkeit, Sie von der Qualität unserer Leistungen zu begeistern. Wir gehören nicht zu den billigen Internetshops, die wie Eintagsfliegen heute kommen und morgen gehen. Die gut fundierte Ausgangsbasis für einen erfolgreichen Betrieb besteht darin, dass allein hinsichtlich zeitgemäßer Innovationen und neuer Ideen ein nachhaltiges Wachstum gesichert werden kann. In Folge dessen stehen Fleiß und fortwährendes Lernen in unserem stetig expandierenden Unternehmen fortwährend in der Rangordnung ganz oben. Besuchen Sie uns doch mal in unserem Unternehmen in Lindenfels-Eulsbach und überzeugen Sie sich selber von unserem vorzüglichen Service.Wie kommen Sie auf einfache Weise zu uns nach Lindenfels?Lindenfels liegt im Regierungsbezirk Darmstadt, und zwar 40 km nordöstlich von Mannheim respektive circa 60 km südlich von Frankfurt am Main. Am besten fahren Sie von Norden her über die A6, während Sie aus südlicher Richtung die A8 nehmen. Es besteht auch eine gute Verkehrsanbindung per Bahn.Unsere TopmarkenUnsere Topmarken

Verkaufspreis:
Nicht verfügbar
25,90 € Regulärer Preis: 29,79 €