Zum Hauptinhalt springen Zur Suche springen Zur Hauptnavigation springen
Menü
efr
erf
rrrf
Schnell lieferbar
14 Tage Rückgaberecht
Schneller DPD Versand

zu Artikel: Kolbenring Satz Rex Monaco 50

Kolbenring Satz 39mm 139QMA 139QMB GY6 4Takt 50ccm

Technik-Info

Kolbenring

auch zu finden unter: Kolbenringe, Kompressions Ringe Set, Verdichtungs Ringe, Kompressionsringe Satz, Verdichtungsringe, Kolbenring Satz, Kolbenringsatz, Kolben Ringe, Set Kolbenringe

Kolbenringe haben die Aufgaben Abdichtung der Kompression, Ableitung der Verbrennungswärme, Dosierung des Schieröls (Stärke des Ölfilms). Kolben mit 3 Kolbenringen haben durch die bessere Dosierung des Ölfilms gegenüber Kolben mit 2 Kolbenringen einen geringeren Ölverbrauch.

Dieser Artikel wurde speziell hergestellt für:

Rex Monaco 50 50ccm 4Takt

Geprüfte beste Erstausrüsterqualität sehr gute Verarbeitung günstiger Preis Direktimport Kauf 100% ohne Risiko vom Topseller

Unsere Ersatzteile für ihren Scooter bzw. Motorroller oder auch Roller können Sie bequem online in unserem Shop kaufen. Egal ob sie Ihren Roller im Baumarkt oder im Kaufhaus gekauft haben, für alle gängigen Taiwan-, China-, oder Europa-Roller finden Sie bei uns passende Bauteile, insbesondere für die Motoren 50 cc, 125 cc, 250 ccm, 2-Takt, 4-Takt und für größere Leistungen. Speziell für die Motorentypen 125-4T6M ,150QMG ,153FMI, 156FMI ,164FML ,139QMB, 139QMA, JSD139QMB ,152QMI, 157QMI ,139FMB ,157QMJ, 158MJ ,GY6 ,1E40QMB, 1E40QMA in kurzen und langen Versionen in den Normen Euro1, Euro2, Euro3 sowie die neuen Euro 4 Einspritzer-Motoren finden Sie Ersatzteile von bewährter Qualität. Gerne können Sie auch per Email nach Ersatzteilen anfragen. Bei Bestellwerten über 100 Euro können Sie auch unseren Finanzierungs- bzw. Ratenkauf-Service nutzen. Beim Kauf von Fahrzeugen können wir Ihnen auch ein Leasing-Angebot unterbreiten, das bietet sich insbesondere für Firmen an, die Betriebsfahrzeuge anschaffen, oder ihren Mitarbeitern ein Fahrzeug zur Verfügung stellen. Wir freuen uns auf Ihre Anfrage.

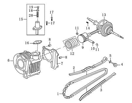
Baugruppe: Motor

Artikelposition in Explosionszeichnung: 12

Ersatzteil: Kolben

Motorroller bequem online kaufen – von der Bestellung bis zur Lieferung


Mobiler Home Service – Bundesweit Inspektionen und Reparaturen


Motorroller.de – Über uns – Ihr Support vom Profi seit 1993

Ihr Finanzierungsplan**
Monate Rate mtl. Gesamt
6039,67 €2.380,49 €
12157,59 €1.891,14 €

Einfach im Bestellvorgang die Expokredit-Finanzierung als Zahlungsweise auswählen ...

  • Jonway 139QMB
  • Jonway Boston 8 Mofaroller
  • Jonway Imola 50 Race/Urban
  • Jonway Jigger 50 City
  • Jonway Milano 50
  • Jonway Monza 50 Race Urban
  • Jonway REX Monaco 50 Race/Urban
  • Jonway Rex RS 460
  • Jonway Rex RS 500
  • Jonway Rex RS Classic
  • Jonway RS 400
  • Jonway RS 750
  • Jonway RS Classic
  • Jonway RT 50
  • Jonway Unser Norden Mofaroller
  • Jonway Unser Norden Mokickroller
  • Kreidler Flory 50 45 km/h Roller
  • Kreidler Galactica 2.0 50 DD City
  • Kreidler Hiker 2.0 50 DD
  • Kreidler Hiker 50 DD
  • Kreidler Jigger 50 City
  • Kreidler MONACO 50 Race / Urban
  • Kreidler MONZA 50 Race / Urban (Fin: WS1 od. L8Y)
  • Kreidler RMC-E 50 Florett Roller
  • Kreidler RS 500
  • Otto Versand Rex RS 400
  • Otto Versand Rex RS 750
  • Qingqi Capriolo 50
  • Qingqi Flory 50
  • Qingqi Leopard
  • Qingqi QM50QT-2M
  • Qingqi QM50QT-6F
  • Qingqi QM50QT-6S
  • Qingqi QM50T-10A
  • Qingqi QM50T-10E
  • Qingqi QM50T-10V
  • Qingqi Rex RS 450 OFF-LIMIT/TRIBAL-Scooter/CAPRIOLO 50 QM50QT-6A
  • Qingqi REX RS 600 QM50QT-2
  • Qingqi REX RS 700 QM50QT-10A
  • Qingqi REX RS 900 QM50T 10A(A)
  • Qingqi RS 425
  • Qingqi RS 450
  • Qingqi RS 700
  • Qingqi RS 900
  • Qingqi RS 900 QM50T 10A
  • Qingqi Speedy 50
  • Rex Capriolo 50 4T
  • Rex Imola 50
  • Rex Imola 50 Race/Urban
  • Rex Milano 50
  • Rex Monaco 50
  • Rex Monaco 50 Race Urban
  • Rex Monza 50 Fin: L5Y
  • Rex Off Limit
  • Rex RS 400
  • Rex RS 425 Mofaroller 4-T
  • Rex RS 450
  • Rex RS 450 OFF-LIMIT/TRIBAL-Scooter/CAPRIOLO 50 QM50QT-6A
  • Rex RS 450 QM50QT-6A CAPRIOLO 50
  • Rex RS 460
  • Rex RS 460 BOSTON 8
  • Rex RS 460 Mofaroller 4-T
  • Rex RS 500
  • Rex RS 500 QM50QT 6A-AQINGQI
  • Rex RS 600 QM50QT-2
  • Rex RS 700 QM50QT-10A
  • Rex RS 750
  • Rex RS 900 QM50T 10A-A
  • Rex RS Classic 50
  • Rex SPEEDY FLASH
  • SMC Kreidler 50 Flory
  • SMC Qingqi 50
Produktgalerie überspringen

Kunden haben sich ebenfalls angesehen

Rex QM50QT-6A Bowdenzug Scooter Mofa Seilzug Bautenzug Motorroller.de 50ccm 4Takt 139QMB JSD50QT-13 50cc 4T 139QMA Gaszug Gasseilzug
Rex QM50QT-6A Bowdenzug Scooter Mofa Seilzug Bautenzug Motorroller.de 50ccm 4Takt 139QMB JSD50QT-13 50cc 4T 139QMA Gaszug Gasseilzug

zu Artikel: Gaszug komplett 3 teilig schwarz grauGaszug Bowdenzug komplett 3 teilig L 1560mm Technik-InfoGaszug auch zu finden unter: Gaszug,Bautenzug,Bowdenzug,Seilzug,Seil-Zug,Gas-Zug,Bowden-Zug,Bauten-Zug,Gasseilzug,Gas-Seil,Chokezug,Chokekabel Gasbowdenzug, nach dem Erfinder Ingenieur Bowden, aber mittlerweile fälschlich auch ,Bauten- oder Gaszug genannt dient der Ansteuerung des Vergasers zur Regulierung der Sprit- und Luftmenge. Im Zweifelsfall sollte man immer das Bild mit dem eigenen Bowdenzug vergleichen. Wir empfehlen, den Originalbowdenzug nachzumessen. Dieser Artikel wurde speziell hergestellt für:Rex RS 450 QM50QT-6A CAPRIOLO 50 50ccm 4Takt Geprüfte Erstausrüsterqualität beste Verarbeitung günstiger Preis Direktimport Kauf 100% ohne Risiko vom Topseller Unsere Ersatzteile für ihren Roller bzw. Scooter oder auch Motorroller können Sie bequem online in unserem Shop kaufen. Egal ob sie Ihren Roller im Kaufhaus oder im Baumarkt gekauft haben, für alle gängigen China-, Taiwan-, oder Europa-Roller finden Sie bei uns passende Bauteile, insbesondere für die Motoren 50 cc, 125 cc, 250 ccm, 2-Takt, 4-Takt und für größere Leistungen. Speziell für die Motorentypen 1E40QMB, 1E40QMA ,139FMB ,157QMJ, 158MJ ,GY6 ,164FML ,139QMB, 139QMA, JSD139QMB ,153FMI, 156FMI ,125-4T6M ,152QMI, 157QMI ,150QMG in kurzen und langen Versionen in den Normen Euro1, Euro2, Euro3 sowie die neuen Euro 4 Einspritzer-Motoren finden Sie Ersatzteile von hoher Güte. Gerne können Sie auch per Email nach Ersatzteilen anfragen. Bei Bestellwerten über 100 Euro können Sie auch unseren Ratenkauf- bzw. Finanzierungs-Service nutzen. Beim Kauf von Fahrzeugen können wir Ihnen auch ein Leasing-Angebot unterbreiten, das bietet sich insbesondere für Firmen an, die Betriebsfahrzeuge anschaffen, oder ihren Mitarbeitern ein Fahrzeug zur Verfügung stellen. Wir freuen uns auf Ihre Anfrage. Instandsetzen oder austauschen - was ist die bessere Option?Wird mal irgendetwas am Roller fehlerhaft, dann hat man grundsätzlich die Wahl zwischen instand setzen lassen oder gleich austauschen. Ein neues Teil, welches vergleichsweise problemlos ausgewechselt werden kann, ist nicht bloß günstiger, sondern bietet im Übrigen eine beträchtlich höhere Funktionssicherheit als bei einer Reparatur des Motorrollers. Die Ursache einer Funktionsstörung kann oftmals nur von einem Fachmann ermittelt werden. Dann wäre es vernünftiger, über unserer Website eines der einbaufertigen Komplett-Kits zu bestellen, welche wir in zahlreichen diversen Ausführungen anbieten. .Wir liefern ausschließlich QualitätsprodukteDie Qualität all unserer Bauteile entspricht dem Weltmarktniveau. Unsere Ersatzteile sind aus dem Grund so günstig, da wir schon im Einkauf auf entsprechend große Produktmengen wert legen. Bei uns kriegen Sie darum alle lieferbaren Bauteile für Ihr motorisiertes Zweirad nicht bloß in guter Qualität, sondern auch für einen günstigen Preis. Wir führen sogar für die allermeisten Roller, Buggys und Quads die Zubehörteile, welche gar nicht mehr produziert werden. Zum Beispiel haben wir alle Einbauteile für die Marken Sundiro und Eppella nach wie vor verfügbar.Wir haben klarerweise auch die Originalteile etlicher Rollerhersteller im Sortiment, obgleich unsere Nachbauten mit den Originalen qualitativ ohne weiteres mithalten können und dennoch vom Preis her prinzipiell um einiges kostengünstiger sind. Unsere Teile ermöglichen es Ihnen, zum einen die Reparatur an Ihrem Motorroller selbst bewerkstelligen oder auf der anderen Seite auch in einer Fachwerkstatt ausführen zu lassen. Sie werden voraussichtlich keine bessere Alternative finden, um zu erschwinglichen Kosten Ihren Motorroller wieder flott machen zu können.Produktbilder erleichtern das Ordern der passenden ErsatzteileNeben den Beschreibungen finden Sie in unserem Online-Shop auch entsprechendes Bildmaterial. Hierdurch können Sie auf schnellstem Weg Ihr defektes Element mit dem verfügbaren Ersatz vergleichen und gehen somit sicher, dass Sie dann auch garantiert das richtige Produkt erhalten. Hierbei ist es von Bedeutung, dass das Austauschteil, welches Sie auswechseln möchten, nicht allein augenscheinlich, sondern auch in den Spezifikationen und Maßen mit Ihrer Bestellung zusammenpasst. Ihre Vorteile:Komponenten und Zubehör für ungefähr 250 Marken und 8500 Typen auf LagerHol- und BringservicePräzisionsfertigung nach DIN-NormSie bezahlen beim Ordern mehrerer Ersatzteile mit identischen Versandbedingungen nur einmal den VersandAuch bei kostengünstigen Nachbauten bekommen Sie von uns ausnahmslos die ErstausrüsterqualitätAbsolute Verkehrssicherheit des Motorrollers, speziell bei den BremsenUnsere Lieferungen erfolgen überwiegend kurzfristigAlle unsere Produkte sind gebrauchstauglich, kostengünstig sowie langlebigRoller-AnkaufMit unserer "Geld zurück" - Garantie kaufen Sie ohne RisikoAm besten kaufen Sie Motorroller, Quads, Straßenbuggys und Fun Fahrzeuge in einem Fachbetrieb wie den unsrigen. Welchen Vorteil haben Sie von unserem Service? Weil wir uns in diesem Geschäftsfeld schon seit Jahrzehnten etabliert haben und Sie deshalb von unserem Erfahrungsreichtum profitieren können. Als Familienbetrieb betreiben wir nicht bloß das Geschäft rund um die Motorroller, wir leben unser Geschäft regelrecht. Weil Kaufen auch Vertrauenssache ist, sollte man sich aus dem Grund das ausgewählte Fachgeschäft zuvor genau ansehen, bei dem man vorhat ein motorisiertes Zweirad zu erwerben. Bei uns ist alles in Verbindung mit unserem Unternehmen nachvollziehbar! Sie dürfen gerne zu jeder Zeit bei uns vorbeikommen und sich persönlich ein Bild machen.Den Vertrauensbeweis bekommen Sie dann vor Ort gleichsam schwarz auf weiß.Ist Ihnen der Weg zu uns zu weit? Dann informieren Sie sich doch mittels des Trustedshops-Siegels und die diversen Ebay Bewertungen. Die Beurteilungen von Trustedshops sind normalerweise nicht nur vollkommen wertneutral sondern auch ungemein aussagekräftig. Sowohl der Verkaufs-Shop auf unserer Verkaufsseite Motorroller.de als auch unsere Geschäftspraxis wurden von dieser Institution bis jetzt durchweg mit "sehr gut" eingestuft. Unsere Käuferrezensionen bei Ebay liegen mit einem Wert von rund 99,9 % gleichfalls in einem sehr guten Bereich. Was veranschaulichen all diese Resultate ganz offensichtlich? Dass wir in allen Belangen immer geben!! Denken Sie aber bitte daran: Wir sind auch nur Menschen, die manchmal etwas falsch machen. Wir wollen Sie aus dem Grund bitten, uns definitiv eine Möglichkeit zur Verbesserung zu geben, sofern mal etwas nicht völlig zu Ihrer Zufriedenheit ausgefallen ist.Unser gut geschultes Mitarbeiterteam steht Ihnen täglich zwischen 8:00 und 18:00 Uhr sowie samstags von 8:00 bis 13:00 Uhr zur Verfügung.Jahrzehnte im Dienst unserer KundenBei uns ist der Kunde wirklich noch König. Die Geschäftstätigkeit unseres Unternehmens fing bereits vor über 5 Jahrzehnten mit dem Bau von Maschinen an. Das Fahrzeuggeschäft mit Zweirädern hingegen, betreiben wir gegenwärtig auch schon seit mehr als 25 Jahren mit Erfolg. Wir haben uns zwischenzeitlich größtenteils auf Zubehör, das "Nice-to-have" für Motortuning und Einbauteile für die meist gefahrenen Roller festgelegt.Unsere Produktpalette schließt etwa 500.000 Ersatzteile einWer auf der Suche nach einem preiswerten Roller oder Teil für seinen fahrbaren Untersatz ist, der wird bei uns unter Motorroller.de auf unserer Web-Seite fündig. Wir haben Ersatzteile, passendes Zubehör und Artikel für ungefähr 250 Marken und 8500 Typen auf Lager. Darunter sind zum Beispiel Lieferanten wie Adly, Jonway, Yamaha oder Kreidler zu finden. Im Großen und Ganzen haben wir auf einer Fläche von über 1.000 m² ca. 500.000 Produkte von diversen Anbietern in unseren Hochregalen lieferbar. Sie finden in unserer Zubehörabteilung alles, was Sie für Ihren Motorroller brauchen. Das beginnt bei den Schutzhelmen über die Windschilder und dem Top Case, und geht bis hin zu Regensets, Nierengürteln und Handschuhen.Damit die Tuningfans nicht zu kurz kommen, haben wir für sie ausgesuchte Produkte wie Zylinder, Kolben, Auspuffanlagen und weitere Dinge im Sortiment.Direkt nach der ProduktionKein Artikel verlässt unser Haus, ehe er nicht auf tadellose Qualität kontrolliert worden ist. Anders gesagt, sämtliche Fahrzeuge, welche das Werk des Herstellers verlassen haben und bei uns angeliefert werden, überprüften wir nochmals eingehend auf etwaige Fehler respektive Transportschäden, bevor wir sie in die Hände unserer Kunden übergeben. Vor dem Versand wird erstmal jeden Roller ausgepackt und auf unserem Zweirad-Prüfstand einem Probelauf unterzogen. Bei dem gelieferten Motorroller wird dann nach der Anlieferung beim Kunden abschließend nochmals ein Funktionstest ausgeführt. Dadurch ist ein problemloser Gebrauch des Gefährts wirklich gesichert.Wir legen Wert auf eine saubere UmweltWir tragen zum Umweltschutz bei. Das sagen wir nicht nur, weil unsere Fahrzeuge allesamt mit sparsamen Verbrennungsmotoren bestückt sind. Logischerweise nehmen wir im Sinne einer sauberen Umwelt das Verpackungsmaterial wieder mit, das bei der Anlieferung unserer Roller anfällt und führen es einer fachgemäßen Entsorgung zu.Ihren ausgedienten Motorroller nehmen wir gerne in ZahlungNach dem Kauf eines neuen Motorrollers aus unserem Sortiment wollen Sie sich von Ihrem alten Fahrzeug trennen? Das ist überhaupt kein Ding! Lassen Sie uns das übernehmen, indem wir Ihren gebrauchten Roller ankaufen.Immer noch skeptisch?Dann würden wir uns darüber sehr freuen, wenn Sie uns die Gelegenheit geben, unsere Leistungen unter Beweis zu stellen. Man sollte uns nicht mit den zahlreichen billigen Onlineshops, gleich stellen, die heute kommen und morgen schon wieder weg sind. Ausschließlich auf Grund neuer Ideen und fortschrittlicher Innovationen lässt sich eine stabile geschäftliche Basis schaffen. Demzufolge steht in unserem stetig expandierenden Betrieb Fleiß und ständiges Lernen stets an erster Stelle. Besuchen Sie uns doch mal in unserem Unternehmen in Lindenfels-Eulsbach und überzeugen Sie sich selber von unserem hervorragenden Service.Wie finden Sie unser Unternehmen?Lindenfels befindet sich im Regierungsbezirk Darmstadt, und zwar 40 km nordöstlich von Mannheim bzw. ungefähr 60 km im Süden von Frankfurt/Main. Sie fahren am besten von Norden her über die A6, während Sie aus südlicher Richtung die A8 nehmen. Eine Anfahrt mit der Bahn ist natürlich ebenso möglich.Unsere TopmarkenUnsere Topmarken

Regulärer Preis:
Verfügbar
49,90 €
Rabatt
Rex RS1100 Strahler Katzenauge Reflektor Roller Motorroller.de 125ccm 4Takt 152QMI YY125QT-28 125cc 4T GY6 Rückstrahler
Rex RS1100 Strahler Katzenauge Reflektor Roller Motorroller.de 125ccm 4Takt 152QMI YY125QT-28 125cc 4T GY6 Rückstrahler

zu Artikel: Reflektor gelb rund D56mm 87235 Reflektor gelb rund D56mm Technik-Info Strahler auch zu finden unter: Rückstrahler, Rueckstrahler, Seitenreflektor, Katzenauge, Reflektor, Strahler Rückstrahler sind die roten Reflektoren nach hinten, die dafür sorgen, dass man auch wenn das Rücklicht ausfällt von hinten erkannt werden kann- Durch die rote Reflexion des Scheinwerferlichts des hiteren Fahrzeugs. Unsere ückstrahler entsprechen der StVO und besitzen ein E-Prüfzeichen. Dieser Artikel wurde speziell hergestellt für:Rex RS 1100 125ccm 4Takt Geprüfte top Erstausrüsterqualität sehr gute Verarbeitung günstiger Preis Direktimport Kauf 100% ohne Risiko vom Topseller Unsere Ersatzteile für ihren Motorroller bzw. Roller oder auch Scooter können Sie bequem online in unserem Shop kaufen. Egal ob sie Ihren Roller im Baumarkt oder im Kaufhaus gekauft haben, für alle gängigen China-, Europa-, oder Taiwan-Roller finden Sie bei uns passende Bauteile, insbesondere für die Motoren 50 cc, 125 cc, 250 ccm, 4-Takt, 2-Takt und für größere Leistungen. Speziell für die Motorentypen 164FML ,139FMB ,139QMB, 139QMA, JSD139QMB ,152QMI, 157QMI ,1E40QMB, 1E40QMA ,157QMJ, 158MJ ,GY6 ,125-4T6M ,150QMG ,153FMI, 156FMI in kurzen und langen Versionen in den Normen Euro1, Euro2, Euro3 sowie die neuen Euro 4 Einspritzer-Motoren finden Sie Ersatzteile von hoher Qualität. Gerne können Sie auch per Email nach Ersatzteilen anfragen. Bei Bestellwerten über 100 Euro können Sie auch unseren Finanzierungs- bzw. Ratenkauf-Service nutzen. Beim Kauf von Fahrzeugen können wir Ihnen auch ein Leasing-Angebot unterbreiten, das bietet sich insbesondere für Firmen an, die Betriebsfahrzeuge anschaffen, oder ihren Mitarbeitern ein Fahrzeug zur Verfügung stellen. Ihre Anfrage nehmen wir gerne entgegen

Verkaufspreis:
Verfügbar
3,90 € Regulärer Preis: 4,49 €
Rex RS460 Seitenverkleidung 1020410-S Heckschürze Motorroller.de Seitenteil 50ccm 4Takt 139QMB JSD50QT-13 50cc 4T 139QMA Heckverkleidung
Rex RS460 Seitenverkleidung 1020410-S Heckschürze Motorroller.de Seitenteil 50ccm 4Takt 139QMB JSD50QT-13 50cc 4T 139QMA Heckverkleidung

zu Artikel: Heckverkleidung rechts hinten schwarz 86 mit Dekor 4Takt 50ccm JSD50QT-13 JSD139QMBSeitenverkleidung rechts Seitenverkleidung hinten schwarz 86 mit Dekor 4Takt 50ccm JSD50QT-13   Motortyp: JSD139QMB   Technik-Info Seitenverkleidung auch zu finden unter: Seiten-Verkleidung rechts, Seiten-Abdeckung rechts, Seitenverkleidung rechts, Seitencover rechts, Verkleidung rechts, Seiten-Cover rechts Verkleidungsteile für bestimmte (seltene) Modelle sind oft schwer zu bekommen. Darum haben wir bei unseren eigenen Modellen Wert auf zeitlos elegantes Design gelegt, sodass wir auch für ältere Modelle unserer Eigenmarken stetes Ersatz liefern können. Unsere Verkleidungsteile sind aus hochwertigem langlebigen Kunststoff hergestellt Dieser Artikel wurde hergestellt für Fahrzeuge der Marke:Jonway und AGM Bitte berücksichtigen Sie, dass der Farbton aufgrund verschiedener Chargen und Lackiertermine abweichen kann. Es handelt sich um keine RAL-Ton Lackierung wie bei teuren PKW- oder Motorradlackierungen. Die Preise sind sehr günstig und wie unlackierte Teile kalkuliert. Die Aufkleber entsprechen der Abbildung.   Nicht passend für Qingqi Fahrzeuge.   Unsere Ersatzteile für ihren Roller bzw. Motorroller oder auch Scooter können Sie bequem online in unserem Shop kaufen. Egal ob sie Ihren Roller im Baumarkt oder im Kaufhaus gekauft haben, für alle gängigen Taiwan-, China-, oder Europa-Roller finden Sie bei uns passende Bauteile, insbesondere für die Motoren 50 cc, 125 cc, 250 ccm, 2takt, 4takt und für größere Leistungen. Speziell für die Motorentypen 157QMJ, 158MJ ,152QMI, 157QMI ,125-4T6M ,139QMB, 139QMA, JSD139QMB ,GY6 ,139FMB ,150QMG ,153FMI, 156FMI ,1E40QMB, 1E40QMA ,164FML in kurzen und langen Versionen in den Normen Euro1, Euro2, Euro3 sowie die neuen Euro 4 Einspritzer-Motoren finden Sie hochqualitative Ersatzteile. Gerne können Sie auch per Email nach Ersatzteilen anfragen. Bei Bestellwerten über 100 Euro können Sie auch unseren Ratenkauf- bzw. Finanzierungs-Service nutzen. Beim Kauf von Fahrzeugen können wir Ihnen auch ein Leasing-Angebot unterbreiten, das bietet sich insbesondere für Firmen an, die Betriebsfahrzeuge anschaffen, oder ihren Mitarbeitern ein Fahrzeug zur Verfügung stellen. Wir freuen uns auf Ihre Anfrage. Ein defektes Bauteil auswechseln oder instand setzen lassen?Immer wieder stellen sich Besitzer von Rollern die Frage, ob sie ein defektes Element am Fahrzeug austauschen oder besser instand setzen lassen sollen, ganz gleich, ob sich um einen 3-Rad Roller, Elektroroller bzw. E-Roller oder Motorroller dreht. Ein Ersatzbauteil, das relativ rasch ausgewechselt werden kann, ist nicht lediglich günstiger, sondern bietet auch eine erheblich größere Ausfallsicherheit als bei einer Reparatur des Motorrollers. Häufig kann bloß eine kompetente Werkstatt den Schaden auf Anhieb orten. Demgegenüber gibt es auch die Möglichkeit, sich für eines der einbaufertigen Komplett-Kits zu entscheiden, welche wir in vielen diversen Ausführungen im Produktangebot haben. .Qualität ist unser MottoGroßes Augenmerk legen wir auf preisgünstige Produkte von hoher Qualität. Unsere Bauteile sind deshalb so günstig, weil wir bereits im Einkauf auf wirtschaftlich vernünftige Produktmengen achten. Diese beiden Faktoren, nämlich zum einen die gute Qualität und andererseits der attraktive Preis heben uns primär von unserer Konkurrenz ab. Sie suchen für einen Eppella oder Sundiro Roller ein Bauteil? Keine Panik, wir haben sie vorrätig.Sie bekommen bei uns logischerweise auch die Originalteile vom Fahrzeughersteller. Für den Fall, dass Sie andererseits Geld sparen möchten [und wer möchte das nicht], sollten Sie auf unsere Nachbauten zurückgreifen, die nebenbei bemerkt, einen qualitativen Vergleich zum Erstausrüster- Produkt nicht zu scheuen brauchen, obwohl sie im Allgemeinen deutlich billiger sind. Mit unseren Ersatzteilen können Sie die Reparatur an Ihrem Motorroller selber durchführen respektive auch in einer Fachwerkstätte durchführen lassen. Mit Sicherheit finden Sie keine bessere Alternative, im Zusammenhang mit der Instandsetzung Ihres Rollers, um viel Geld zu sparen.Es ist denkbar easy, mittels der Abbildungen das gewünschte Bauteil aufzufindenIn Verbindung mit den Beschreibungen finden Sie in unserem Online-Shop auch anschauliches Bildmaterial. Dadurch können Sie sofort Ihr altes Teil mit dem verfügbaren Ersatz vergleichen und gehen auf diese Weise sicher, dass Sie dann auch tatsächlich das passende Produkt erhalten. Von Bedeutung dabei ist, dass Ihre Bestellung nicht nur augenscheinlich, sondern auch in den technischen Angaben und Dimensionen mit dem defekten Element zusammenpasst. Was Sie davon haben:Wir holen und bringen Ihr FahrzeugSie bezahlen nur einmal Versandkosten bei Bestellung mehrerer Einbauteile mit denselben LieferkriterienRoller-AnkaufErsatzteile und Zubehör für etwa 250 Marken und 8500 Modelle auf LagerKurzfristige LieferzeitenAbsolute Verkehrssicherheit des Zweirads, speziell bei den BremsenKauf ohne Risiko dank "Geld zurück" - GarantieAuch bei kostengünstigen Nachbauten bekommen Sie von uns ohne Ausnahme die ErstausrüsterqualitätDIN-Norm gerechte und ISO-zertifizierte PräzisionsfertigungUnsere sämtlichen Produkte sind betriebssicher, preiswert und gebrauchstauglichGanz egal, ob Sie einen Motorroller, einen Quad, Straßenbuggy oder ein Fun-Fahrzeug erwerben wollen. Wir sind dafür der Fachhändler Ihres Vertrauens. Wozu sollten Sie sich an uns wenden? Weil wir für diesen Geschäftsbereich das entsprechende Know-how und die Meister-Qualifikation besitzen, welche dafür auf jeden Fall gebraucht wird. Wir betreiben nicht lediglich unser Geschäft rund um die Roller, wir leben es richtiggehend. Kaufen ist Vertrauenssache, demnach ist es unverzichtbar, sich den Laden vorher genau anzugucken. in unserem Unternehmen ist alles für den Käufer 100-prozentig nachvollziehbar! Gerne können Sie uns einen Besuch abstatten, um sich über uns selber zu informieren.die Bestätigung unserer hervorragenden Leistungen können Sie dann unmittelbar vor Ort sehen.Interessenten, denen die Anfahrt zu uns zu weit ist, können sich von zu Hause aus mittels des Trustedshops-Siegels und die verschiedenen Ebay Bewertungen über uns informieren. Die Beurteilungen von Trustedshops sind prinzipiell nicht nur sehr aussagekräftig, sondern auch hundertprozentig wertneutral. Sowohl der Internet-Shop auf unserer Homepage Motorroller.de als auch unsere Geschäftspraxis wurden von dieser Einrichtung bis dato durchgehend mit "sehr gut" bewertet. Auch bei Ebay liegen wir mit dem Faktor 99,9 % optimal im Rennen. Bestätigen diese Ergebnisse nicht eindeutig, dass unsere Kundschaft bestens bei uns aufgehoben ist? Bedenken Sie aber: Wir sind auch nur Menschen, die mitunter etwas falsch machen. Seien Sie daher nicht gleich verärgert, für den Fall, dass mal etwas schief läuft, sondern geben Sie uns die Gelegenheit, unseren Fehler wieder gut zu machen.Wann wir Ihnen zu Diensten stehen? Täglich von 8:00 bis 18:00 Uhr und samstags von 8:00 bis 13:00 Uhr.Wir sind seit vielen Jahren für unsere Kunden daBei uns ist der Kunde noch König. Vor über 50 Jahren starteten wir mit dem Maschinenbau, während der Fahrzeughandel zwischenzeitlich auch schon seit mehr als 25 Jahren mit Erfolg ausgebaut werden konnte. Unser Fokus ist heute auf den Vertrieb von Zubehör, Ersatzbauteilen und das "Nice-to-have" zur Steigerung der Motorleistung für die häufigsten Roller ausgerichtet.Wir können kurzfristig über 500.000 Zubehörteile liefernBei uns finden Sie unter Motorroller.de nahezu alle Einbauteile und Zweiräder aus Asien und Europa. Wir haben Artikel, passendes Zubehör und Einbaukomponenten für circa 250 Hersteller und 8500 Modelle für Sie auf Lager. Darunter sind z.B. Produzenten wie Kreidler, Adly, Yamaha oder Jonway zu finden. Es sind mehr als 500.000 Produkte von diversen zahlreicher Anbieter, welche wir in unseren Hochregalen auf einer Fläche von über 1.000 m² im Programm haben. Alles was Sie als Fahrer eines Rollers benötigen, finden Sie in unserer Zubehörabteilung. Das beginnt bei den Nierengürteln, Regensets und Handschuhen, und geht bis hin zum Top Case über die Windschilder und den Schutzhelmen.Damit die Tuningfreaks nicht zu kurz kommen, haben wir für sie ausgesuchte Artikel wie Auspuffanlagen, Kolben, Zylinder und weitere Dinge im Programm.Was geschieht im Anschluss an die Produktion?Kontinuierliche Prüfung der Qualität ist unsere Leidenschaft. Mit anderen Worten, alle Roller, welche das Werk des Herstellers verlassen haben, werden von uns nochmals eingehend auf etwaige Fehler respektive Transportschäden begutachtet, bevor sie in die Hände unserer Kunden übergeben werden. Sobald die Motorroller bei uns im Haus angeliefert werden, wird jedes einzelne Zweirad ausgepackt und zunächst einer visuellen Prüfung bzw. einem Testlauf auf unserem computergesteuerten Prüfstand unterzogen. Bevor der Käufer das Fahrzeug in Empfang nimmt, erfolgt noch ein abschließender Funktionstest. Damit ist de facto gewährleistet, dass der Kunde mit seinem Kauf 100-prozentig zufrieden ist.Schutz unserer UmweltWir bemühen uns besonders um den Schutz unserer Umwelt. Das sagen wir nicht nur, weil unsere motorisierten Zweiräder im Prinzip mit effizienten Verbrennungsmotoren ausgestattet sind. Bei der Auslieferung unserer Motorroller bleibt stets das Verpackungsmaterial übrig. Dieses nehmen wir selbstverständlich wieder zu einer professionellen Müllentsorgung wieder mit.Wir kaufen Ihren MotorrollerSie planen, sich bei uns einen neuen Roller zu kaufen und sich gleichzeitig von Ihrem alten fahrbaren Untersatz trennen? Machen Sie sich über diese Sache keine Gedanken! Wir kaufen Ihren ausgedienten Motorroller an.Wir konnten noch nicht Ihre Skepsis ausräumen?Geben Sie uns doch die Möglichkeit, unsere fachliche Kompetenz unter Beweis zu stellen. Wir sind kein billiger Internetshop, der heute kommt und morgen bereits wieder verschwunden ist. Die gut fundierte Ausgangsbasis für ein erfolgreiches Unternehmen besteht darin, dass lediglich aufgrund neuer Ideen und fortschrittlicher Innovationen ein nachhaltiges Wachstum gesichert werden kann. Deswegen stehen Fleiß und ständiges Lernen in unserem stetig wachsenden Betrieb fortwährend in der Rangordnung ganz oben. Wenn für Sie einmal die Möglichkeit besteht, einen Abstecher nach Lindenfels-Eulsbach machen zu können, können Sie die Gelegenheit nutzen, sich persönlich in unserem Betrieb von unserem ausgezeichneten Service zu überzeugen.Wo wir zu Hause sindWenn Sie über die Autobahn mit dem eigenen PKW anreisen, führt die Strecke nach Lindenfels entweder über Mannheim (A8) oder über Frankfurt am Main (A6). Der Ort liegt im Regierungsbezirk Darmstadt. Alternativ ist es ohne Frage auch möglich, mit der Bahn anzureisen.Unsere TopmarkenUnsere Topmarken

Regulärer Preis:
Nicht verfügbar
69,90 €
Rabatt
AEON Trittstufe rechts Overland 180 Fußstütze 180ccm 4Takt Motorroller.de Trittbrett Fußraste Bodenbrett Tritt-Brett Tritt-Stufe Fuß-Stütze Fuß-Raste
AEON Trittstufe rechts Overland 180 Fußstütze 180ccm 4Takt Motorroller.de Trittbrett Fußraste Bodenbrett Tritt-Brett Tritt-Stufe Fuß-Stütze Fuß-Raste

Trittstufe rechts Technik-Info Trittstufe Trittstufe, Fußstütze, Trittbrett, Bodenbrett, Fussstuetze, Tritt-Stufe, Tritt-Brett, Boden-Brett, Fuß-Stütze, Fuss-Stuetze, Fußraste, Fussraste, Fuß-Raste, Fuss-Raste Dieser Artikel passt bei vielen Modellen, unter anderem für: Aeon Cobra 125 RS ab BJ.03, Aeon Cobra 125 Utility ab BJ.03, Aeon Overland 125 ab BJ.03-04, Aeon Overland 180 ab BJ.7/2003-2005, Kreidler Utility 170 , Aeon Cobra 125 RS 2 ab BJ.07/2003 Langjährige Erfahrung und stets einwandfreie Qualität haben diesen Hersteller ausgezeichnet. Kostenloser Versand   Bei Ersatzteilen für jeden zusätzlichen Artikel mit den gleichen Versandkriterien, den Sie von uns kaufen. Unsere Ersatzteile für ihren Roller bzw. Motorroller oder auch Scooter können Sie bequem online in unserem Shop kaufen. Egal ob sie Ihren Roller im Kaufhaus oder im Baumarkt gekauft haben, für alle gängigen China-, Europa-, oder Taiwan-Roller finden Sie bei uns passende Bauteile, insbesondere für die Motoren 50 cc, 125 cc, 250 ccm, 2-Takt, 4-Takt und für größere Leistungen. Speziell für die Motorentypen GY6 ,152QMI, 157QMI ,150QMG ,139FMB ,157QMJ, 158MJ ,164FML ,1E40QMB, 1E40QMA ,139QMB, 139QMA, JSD139QMB ,153FMI, 156FMI ,125-4T6M in kurzen und langen Versionen in den Normen Euro1, Euro2, Euro3 sowie die neuen Euro 4 Einspritzer-Motoren finden Sie Ersatzteile von hoher Qualität. Gerne können Sie auch per Email nach Ersatzteilen anfragen. Bei Bestellwerten über 100 Euro können Sie auch unseren Ratenkauf- bzw. Finanzierungs-Service nutzen. Beim Kauf von Fahrzeugen können wir Ihnen auch ein Leasing-Angebot unterbreiten, das bietet sich insbesondere für Firmen an, die Betriebsfahrzeuge anschaffen, oder ihren Mitarbeitern ein Fahrzeug zur Verfügung stellen. Wir freuen uns auf Ihre Anfrage.

Verkaufspreis:
Verfügbar
60,90 € Regulärer Preis: 70,04 €