Zum Hauptinhalt springen Zur Suche springen Zur Hauptnavigation springen
Menü
efr
erf
rrrf
Schnell lieferbar
14 Tage Rückgaberecht
Schneller DPD Versand

zu Artikel: Kolben Ringe Rex RS 450

Kolbenring Satz 39mm 139QMA 139QMB GY6 4Takt 50ccm

Technik-Info

Kolben

auch zu finden unter: Kolbenringe, Kompressions Ringe Set, Verdichtungs Ringe, Kompressionsringe Satz, Verdichtungsringe, Kolbenring Satz, Kolbenringsatz, Kolben Ringe, Set Kolbenringe

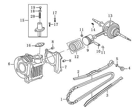
Kolbenringe haben die Aufgaben Abdichtung der Kompression, Ableitung der Verbrennungswärme, Dosierung des Schieröls (Stärke des Ölfilms). Kolben mit 3 Kolbenringen haben durch die bessere Dosierung des Ölfilms gegenüber Kolben mit 2 Kolbenringen einen geringeren Ölverbrauch.

Dieser Artikel wurde speziell hergestellt für:

Rex RS 450 50ccm 4Takt

Geprüfte beste Erstausrüsterqualität sehr gute Verarbeitung günstiger Preis Direktimport Kauf 100% ohne Risiko vom Topseller

Unsere Ersatzteile für ihren Motorroller bzw. Roller oder auch Scooter können Sie bequem online in unserem Shop kaufen. Egal ob sie Ihren Roller im Kaufhaus oder im Baumarkt gekauft haben, für alle gängigen Taiwan-, China-, oder Europa-Roller finden Sie bei uns passende Bauteile, insbesondere für die Motoren 50 cc, 125 cc, 250 ccm, 2-Takt, 4-Takt und für größere Leistungen. Speziell für die Motorentypen 164FML ,153FMI, 156FMI ,125-4T6M ,139QMB, 139QMA, JSD139QMB ,152QMI, 157QMI ,139FMB ,157QMJ, 158MJ ,GY6 ,1E40QMB, 1E40QMA ,150QMG in kurzen und langen Versionen in den Normen Euro1, Euro2, Euro3 sowie die neuen Euro 4 Einspritzer-Motoren finden Sie Ersatzteile von hoher Qualität. Gerne können Sie auch per Email nach Ersatzteilen anfragen. Bei Bestellwerten über 100 Euro können Sie auch unseren Finanzierungs- bzw. Ratenkauf-Service nutzen. Beim Kauf von Fahrzeugen können wir Ihnen auch ein Leasing-Angebot unterbreiten, das bietet sich insbesondere für Firmen an, die Betriebsfahrzeuge anschaffen, oder ihren Mitarbeitern ein Fahrzeug zur Verfügung stellen. Wir freuen uns auf Ihre Anfrage.

Baugruppe: Motor

Artikelposition in Explosionszeichnung: 12

Ersatzteil: Kolben

Motorroller bequem online kaufen – von der Bestellung bis zur Lieferung


Mobiler Home Service – Bundesweit Inspektionen und Reparaturen


Motorroller.de – Über uns – Ihr Support vom Profi seit 1993

Ihr Finanzierungsplan**
Monate Rate mtl. Gesamt
6039,67 €2.380,49 €
12157,59 €1.891,14 €

Einfach im Bestellvorgang die Expokredit-Finanzierung als Zahlungsweise auswählen ...

  • Kreidler Hiker 50 DD
  • Kreidler Flory 50 45 km/h Roller
  • Kreidler Galactica 2.0 50 DD City
  • Kreidler Hiker 2.0 50 DD
  • Kreidler Jigger 50 City
  • Kreidler MONACO 50 Race / Urban
  • Kreidler MONZA 50 Race / Urban (Fin: WS1 od. L8Y)
  • Kreidler RMC-E 50 Florett Roller
  • Kreidler RS 500
  • Rex Capriolo 50 4T
  • Rex Imola 50
  • Rex Imola 50 Race/Urban
  • REX MILANO 50
  • Rex Monaco 50
  • Rex Monaco 50 Race Urban
  • Rex Monza 50 Fin: L5Y
  • Rex Off Limit
  • REX RS 400
  • Rex RS 425 Mofaroller 4-T
  • Rex RS 450
  • Rex RS 450 OFF-LIMIT/TRIBAL-Scooter/CAPRIOLO 50 QM50QT-6A
  • REX RS 460
  • Rex RS 460 BOSTON 8
  • Rex RS 460 Mofaroller 4-T
  • Rex RS 500
  • Rex RS 500 QM50QT 6A-AQINGQI
  • Rex RS 600 QM50QT-2
  • Rex RS 700 QM50QT-10A
  • REX RS 750
  • Rex RS 900 QM50T 10A-A
  • Rex RS Classic 50
  • Rex SPEEDY FLASH
Produktgalerie überspringen

Kunden haben sich ebenfalls angesehen

Rex RS125 125cc Kupplung 125ccm 4Takt Wandler Roller Motorroller.de Fliehkraftkupplung 152QMI YY125QT-28 4T GY6 Fliehkraft-Kupplung
Rex RS125 125cc Kupplung 125ccm 4Takt Wandler Roller Motorroller.de Fliehkraftkupplung 152QMI YY125QT-28 4T GY6 Fliehkraft-Kupplung

zu Artikel: Kupplung komplett Riemensch Glocke 136.5mm außen 4Takt 125 / 180ccm 152QMI GY6Kupplung Kupplung komplett Riemensch Glocke 136.5mm 4Takt 125/180ccm 152QMI GY6 Motortyp: 152QMI Technik-Info Der Artikel: Kupplung auch zu finden unter: Kupplung, Fliehkraftkupplung, Variomatikkupplung, Wandler, Wandler-Einheit, Wandlereinheit, Nockenscheibe, Reglerplatte, Fliehkraft-Kupplung, Variomatik-Kupplung Die Kupplung, auch Wandlereinheit genannt, bestehend aus Kupplungsglocke , Gegendruckfeder Torquedriver, und Kupplung. Eine defekte Wandlereinheit ist die häufigste Ursache für gerissene Keilriemen. Ein defekt des Wandlers macht sich oftmals vorab durch Brummen beim Fahren, oder Ruckeln beim Anfahren bemerkbar. Der Wandler ist komplett vormontiert und muss nur noch auf die Getriebeingangswelle aufgesteckt werden, die komplizierte Montage der Gegendruckfeder entfällt. Lieferumfang wie abgebildet. Es handelt sich um ein Ersatzteil in Erstausrüster-Standard-Qualität. Dieser Artikel wurde hergestellt für Fahrzeuge der Marke:Rex Erstausrüsterqualität beste Verarbeitung günstiger Preis Direktimport Unsere Ersatzteile für ihren Motorroller bzw. Roller oder auch Scooter können Sie bequem online in unserem Shop kaufen. Egal ob sie Ihren Roller im Kaufhaus oder im Baumarkt gekauft haben, für alle gängigen China-, Europa-, oder Taiwan-Roller finden Sie bei uns passende Bauteile, insbesondere für die Motoren 50 cc, 125 cc, 250 ccm, 4takt, 2takt und für größere Leistungen. Speziell für die Motorentypen 139QMB, 139QMA, JSD139QMB ,157QMJ, 158MJ ,GY6 ,1E40QMB, 1E40QMA ,150QMG ,153FMI, 156FMI ,125-4T6M ,164FML ,152QMI, 157QMI ,139FMB in kurzen und langen Versionen in den Normen Euro1, Euro2, Euro3 sowie die neuen Euro 4 Einspritzer-Motoren finden Sie Ersatzteile von hoher Qualität. Gerne können Sie auch per Email nach Ersatzteilen anfragen. Bei Bestellwerten über 100 Euro können Sie auch unseren Ratenkauf- bzw. Finanzierungs-Service nutzen. Beim Kauf von Fahrzeugen können wir Ihnen auch ein Leasing-Angebot unterbreiten, das bietet sich insbesondere für Firmen an, die Betriebsfahrzeuge anschaffen, oder ihren Mitarbeitern ein Fahrzeug zur Verfügung stellen. Ihre Anfrage nehmen wir gerne entgegen Das defekte Element besser gleich auswechseln oder reparieren lassen?Immer wieder stellt sich die Frage, ob ein schadhaftes Element am Roller besser repariert oder gleich ersetzt werden soll, gleichgültig, ob sich um einen Motorroller, 3-Rad Roller oder Elektroroller beziehungsweise E-Roller dreht. Überdies bietet ein neues Element eine bedeutend größere Funktionssicherheit als eine Instandsetzung des Motorrollers. Bisweilen kann ausschließlich eine qualifizierte Werkstatt den Fehler auf Anhieb entdecken. Dann wäre es vorteilhafter, bei uns eines der einbaufertigen Komplett-Kits zu bestellen, welche wir für viele unterschiedliche Fabrikate in unserem Programm haben. .Ersatzteile von exzellenter QualitätDie Qualität unserer Ersatzteile braucht keine Mitbewerber auf dem Weltmarkt zu scheuen. Unsere Teile sind deswegen so attraktiv, weil wir schon beim Einkauf auf entsprechend große Produktmengen achten. Bei uns kriegen Sie somit alle verfügbaren Teile für Ihren fahrbaren Untersatz nicht bloß in bester Qualität, sondern auch für einen erschwinglichen Preis. Auch für Roller, Buggys und Quads, die nicht mehr gefertigt werden, haben wir normalerweise die Bauteile verfügbar. So z.B. für die Marken Sundiro und Eppella.Wir haben natürlich auch die Originalteile einer Vielzahl Rollerproduzenten auf Lager, obgleich unsere Nachbauten mit den Originalen qualitativ auf alle Fälle mithalten können und trotzdem vom Preis her im Allgemeinen um einiges billiger sind. Unsere Produkte versetzen Sie in die Lage, zum einen die Instandsetzung Ihres Zweirads selbst ausführen oder auf der anderen Seite auch in einer Werkstatt machen zu lassen. Sie werden vermutlich keine bessere Alternative finden, um zu bezahlbaren Kosten Ihr Zweirad instand setzen zu können.Es ist denkbar easy, unter Zuhilfenahme der Produktbilder das richtige Element aufzufindenAufgrund von entsprechendem Bildmaterial können Sie Ihr altes Austauschteil auf einfache Weise mit dem lieferbaren Ersatz vergleichen, damit Sie auch de facto den benötigten Artikel bekommen. Dabei genügt nicht alleinig eine optische Übereinstimmung. Es müssen unter anderem sowohl die angegebenen technischen Spezifikationen als auch die Maße übereinstimmen. 10 Vorteile aus denen Sie Nutzen ziehen:Unser Lager umfasst Teile und Zubehör für zirka 250 Marken und 8500 ModelleAbsolute Fahrsicherheit des Rollers, speziell bei BremsanlagenDank unserer "Geld zurück" - Garantie kaufen Sie ohne RisikoPräzisionsfertigung nach DIN-NormKurzfristige LieferzeitenWir kaufen Ihr ZweiradSie erhalten von uns ohne Ausnahme die Erstausrüster-Qualität - auch bei kostengünstigen NachbautenUnsere sämtlichen Erzeugnisse sind betriebssicher, kostengünstig und gebrauchstauglichSie zahlen bei Bestellung mehrerer Einbauelemente mit denselben Versandfaktoren nur einmal VersandkostenWir holen und bringen Ihr FahrzeugWir sind der erste Ansprechpartner, falls es um den Kauf von einem Motorroller, Straßenbuggy, Quad oder Fun Fahrzeug geht. Weshalb sollten Sie sich an uns wenden? Da wir durch unsere jahrzehntelange praktischen Erfahrung das erforderliche Know-how für diesen Geschäftsbereich besitzen, können wir Ihnen den bestmöglichen Service bieten. Bei uns ist der Kunde noch König. Darum zählt nicht bloß der Verkauf zu unserer Leidenschaft, sondern auch die Kundenbetreuung im Anschluss und klarerweise ein optimaler Fahrzeugservice. Als Familienunternehmen betreiben wir nicht lediglich das Geschäft in Verbindung mit den Motorrollern, wir leben unser Geschäft regelrecht. Es ist nicht unbedingt sinnvoll, seinen Motorroller beim nächsten x-beliebigen Händler zu kaufen. Demnach ist es wichtig, sich seinen Lieferanten zuerst genau anzusehen. Alles ist bei uns transparent und für den Käufer nachzuvollziehen! Weswegen kommen Sie nicht mal bei uns vorbei, um sich persönlich zu informieren?Den Beweis unserer Qualität können Sie dann unmittelbar vor Ort beobachten.Potentielle Käufer, denen die Strecke zu uns zu weit ist, können sich gerne mittels des Trustedshops-Siegels und die zahlreichen Ebay Bewertungen über uns schlau machen. Die Benotungen von Trustedshops sind normalerweise nicht nur sehr aussagekräftig, sondern auch durchweg wertneutral. Sowohl der Internetshop auf unserer Homepage Motorroller.de als auch unsere Geschäftspraxis wurden von dieser Institution bis jetzt durchgängig mit "sehr gut" bewertet. Unsere Kundenrezensionen bei Ebay liegen mit einem Prozentsatz von ca. 99,9 % ebenfalls in einem sehr guten Bereich. Demonstrieren diese Ergebnisse nicht klar und deutlich, dass unsere Kunden bestens bei uns aufgehoben sind? Aber auch, wenn wir uns noch so bemühen - wir sind keine Roboter, sondern Menschen, die zuweilen mal etwas falsch machen. Falls also etwas nicht zu Ihrer Zufriedenheit funktioniert hat, bitten wir Sie, uns die Möglichkeit zu geben, die Sache in Ordnung zu bringen.Unser versiertes Team steht Ihnen täglich zwischen 8:00 und 18:00 Uhr sowie am Samstag von 8:00 bis 13:00 Uhr zur Verfügung.Unsere FirmenphilosophieBei uns ist der Kunde noch König. Vor über fünf Jahrzehnten starteten wir mit dem Bau von Maschinen, während das Geschäft mit Fahrzeugen heute auch schon seit mehr als 25 Jahren mit Erfolg ausgebaut werden konnte. Unser Fokus ist mittlerweile auf die Vermarktung von Ersatzbauteilen, Zubehör und das "Nice-to-have" zum Erhöhen der Motorleistung für die meisten Roller ausgerichtet.Wir haben rund 500.000 Zubehörteile im SortimentIn unserem Online-Shop finden Sie unter Motorroller.de beinahe sämtliche Einbauteile und motorisierte Zweiräder aus Europa und Asien. In unserem Lager befinden sich für ca. 8500 Modelle und 250 Fabrikate verschiedene Artikel, passendes Zubehör und Einbaukomponenten. Beispielsweise arbeiten wir bereits jahrelang mit so namhaften Lieferanten wie Jonway, Kreidler, Yamaha oder Adly zusammen. Wir haben alles in allem etwa 500.000 Produkte von unterschiedlichen Herstellern im Sortiment, die auf einer Fläche von über 1.000 m² in unseren Regalen auf Lager liegen. Alles was Sie als Rollerfahrer brauchen, finden Sie im Zubehörsegment. Das beginnt bei den Handschuhen, Regensets und Nierengürteln, und geht bis hin zum Top Case über die Windschilder und den Sturzhelmen.Damit die Tuningfans nicht zu kurz kommen, haben wir für sie ausgewählte Artikel wie Zylinder, Auspuffanlagen, Kolben und dergleichen Dinge im Programm.Direkt nach der ProduktionAbsolute Qualitätsprüfung ist unsere Leidenschaft. Anders gesagt, ehe wir einen Roller in die Hände des Kunden übergeben, wird er von uns nochmals auf tadellose Funktion und Mängelfreiheit begutachtet. Wir packen erstmal jeden Motorroller nach der Ankunft in unserem Haus aus und unterziehen es auf unserem computergesteuerten Zweirad-Prüfstand einem Probelauf. Bevor der Käufer das Fahrzeug in Empfang nimmt, erfolgt noch ein abschließender Funktionscheck. Auf diese Weise ist wirklich gewährleistet, dass der Kunde mit seinem Kauf hundertprozentig zufrieden ist.Umweltschutz wir bei uns groß geschriebenDer Schutz unserer Umwelt liegt uns besonders am Herzen. Einerseits sind unsere motorisierten Zweiräder zumeist mit wirtschaftlichen Motoren ausgestattet. Das Verpackungsmaterial, welches bei der Anlieferung Motorroller anfällt, nehmen wir ohne Frage wieder mit, um es einer professionellen Abfallentsorgung zuzuführen - auch das ist für uns ein Beitrag zum Umweltschutz.Ihren alten Motorroller kaufen wir gerne anNach dem Kauf eines neuen Motorrollers aus unserem Fahrzeugangebot wollen Sie sich von Ihrem ausgedienten Zweirad trennen? Kein Problem! Wir nehmen Ihren gebrauchten Roller gerne in Zahlung.Wir konnten Sie trotz allem nicht überzeugen?Wenn wir von Ihnen die Gelegenheit dazu erhalten würden, könnten wir die Qualität unserer Leistungen auch unter Beweis stellen. Wir zählen nicht zu den billigen Internetshops, die wie Eintagsfliegen heute kommen und nach kurzer Zeit wieder weg sind. In unserem laufend wachsenden Unternehmen steht Anpassung an neue Technologien und fortwährendes Lernen an erster Stelle, weil wir davon überzeugt sind, dass sich allein durch neue Ideen und zeitgemäße Innovationen das Know-how für eine stabile geschäftliche Ausgangsbasis schaffen lässt. Besuchen Sie uns doch mal in unserem Betrieb in Lindenfels-Eulsbach und überzeugen Sie sich persönlich von unserem vortrefflichen Kundenservice.Sie finden uns ganz einfach - auch ohne "Navi"Für den Fall, dass Sie über die Autobahn mit dem eigenen Fahrzeug anreisen, führt die Strecke nach Lindenfels entweder über Frankfurt/Main (A6) oder über Stuttgart, Karlsruhe und Mannheim (A8). Der Ort liegt im Regierungsbezirk Darmstadt. Eine Anreise per Bahn ist logischerweise gleichfalls möglich.Unsere TopmarkenUnsere Topmarken

Regulärer Preis:
Verfügbar
64,00 €