Zum Hauptinhalt springen Zur Suche springen Zur Hauptnavigation springen
Menü
efr
erf
rrrf
Schnell lieferbar
14 Tage Rückgaberecht
Schneller DPD Versand

zu Artikel: Bremsblock Rex Milano 125

Bremsblock 2Takt 50ccm

Technik-Info

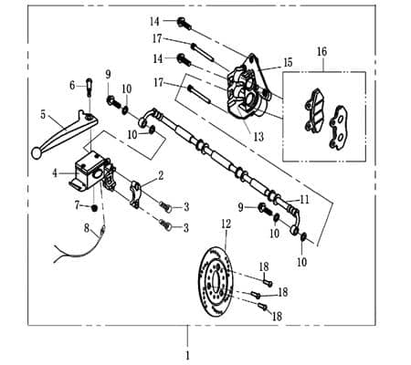
Bremsblock

auch zu finden unter: Bremssattel silber vorne links, Bremszange silber vorne links, Brems-Sattel silber vorne links, Brems-Zange silber vorne links, Bremshalterung silber vorne links, Bremsvorrichung silber vorne links, Brems-Halterung silber vorne links, Brems-Vorrichtung silber vorne links

Der Bremssattel beherbergt die Bremsbacken und die Bremskolben. Er ist das feststehende Teil der Scheibenbremse. Er ist auf das Fahrwerk und die Bremsscheibe abgestimmt.

Dieser Artikel wurde speziell hergestellt für:

Rex Milano 125 125ccm 4Takt

Geprüfte Erstausrüsterqualität beste Verarbeitung günstiger Preis Direktimport Kauf vom Großvertreiber

Unsere Ersatzteile für ihren Motorroller bzw. Roller oder auch Scooter können Sie bequem online in unserem Shop kaufen. Egal ob sie Ihren Roller im Kaufhaus oder im Baumarkt gekauft haben, für alle gängigen Taiwan-, Europa-, oder China-Roller finden Sie bei uns passende Bauteile, insbesondere für die Motoren 50 cc, 125 cc, 250 ccm, 4takt, 2takt und für größere Leistungen. Speziell für die Motorentypen GY6 ,150QMG ,153FMI, 156FMI ,1E40QMB, 1E40QMA ,164FML ,152QMI, 157QMI ,125-4T6M ,139QMB, 139QMA, JSD139QMB ,157QMJ, 158MJ ,139FMB in kurzen und langen Versionen in den Normen Euro1, Euro2, Euro3 sowie die neuen Euro 4 Einspritzer-Motoren finden Sie qualitativ hochwertige Ersatzteile. Gerne können Sie auch per Email nach Ersatzteilen anfragen. Bei Bestellwerten über 100 Euro können Sie auch unseren Ratenkauf- bzw. Finanzierungs-Service nutzen. Beim Kauf von Fahrzeugen können wir Ihnen auch ein Leasing-Angebot unterbreiten, das bietet sich insbesondere für Firmen an, die Betriebsfahrzeuge anschaffen, oder ihren Mitarbeitern ein Fahrzeug zur Verfügung stellen. Ihre Anfrage nehmen wir gerne entgegen

Artikelposition in Explosionszeichnung: 13

Baugruppe: Rahmen

Position: vorn links

Ersatzteil: Bremssattel

Motorroller bequem online kaufen – von der Bestellung bis zur Lieferung


Mobiler Home Service – Bundesweit Inspektionen und Reparaturen


Motorroller.de – Über uns – Ihr Support vom Profi seit 1993

Ihr Finanzierungsplan**
Monate Rate mtl. Gesamt
6039,67 €2.380,49 €
12157,59 €1.891,14 €

Einfach im Bestellvorgang die Expokredit-Finanzierung als Zahlungsweise auswählen ...

  • Jonway Elninjo 50
  • Jonway E-Rex
  • Jonway Galactica 2.0 Electro
  • Jonway Imola 125 Race/Urban
  • Jonway Imola 50 Race/Urban
  • Jonway Insignio 250 DD
  • Jonway Milano 125
  • Jonway Milano 50
  • Jonway Monaco 125 Race Urban
  • Jonway Monza 50 Race Urban
  • Jonway Rex E-Novation 1500
  • Jonway Rex E-Novation 3000
  • Jonway Rex E-Speed
  • Jonway REX Monaco 50 Race/Urban
  • Jonway RMC-E Hiker 50 DD SPORT
  • Jonway RMC-E HIKER 50 Electro
  • Jonway RS 1000
  • Jonway RS 1100
  • Jonway RS 750
  • Jonway Stratos Chicago
  • Jonway Torino 125
  • Jonway Torion 125
  • Kreidler Florett 50 1.0 Elektro
  • Kreidler Galactica 2.0 Electro
  • Kreidler Hiker 2.0 50 DD
  • Kreidler Hiker 2.0 Electro
  • Kreidler Hiker 50
  • Kreidler Hiker 50 DD Sport
  • Kreidler Hiker 50 Elektro
  • Kreidler Insignio 125 2.0
  • Kreidler Insignio 125 DD
  • Kreidler Insignio 250 DD
  • Kreidler Isignio 250
  • Kreidler Martinique 125
  • Kreidler Martinique DD 125
  • Kreidler MONACO 125
  • Kreidler MONACO 50 Race / Urban
  • Kreidler MONZA 50 Race / Urban (Fin: WS1 od. L8Y)
  • Kreidler REX Monaco 125 Race/Urban
  • Kreidler RMC-E 50 Hiker Amaze Elektroroller
  • Kreidler RMC-E Hiker 50 DD
  • Kreidler RMC-E Hiker 50 DD SPORT
  • Otto Versand Rex RS 750
  • Qingqi Insignio 125 2.0
  • Qingqi Insignio 125 DD
  • Qingqi Martinique 125 DD
  • Rex E-Rex
  • Rex Flash 50
  • Rex Hiker 50 City DD
  • Rex Imola 125
  • Rex Imola 125 Race/Urban
  • Rex Imola 50
  • Rex Imola 50 Race/Urban
  • Rex INSIGNIO 125 DD
  • Rex Milano 125
  • Rex Milano 50
  • Rex Monaco 125
  • Rex Monaco 125 Race Urban
  • Rex Monaco 50
  • Rex Monaco 50 Race Urban
  • Rex Rexy 50 50 km/h
  • Rex RS 1000
  • Rex RS 1100
  • Rex RS 450 QM50QT-6A CAPRIOLO 50
  • Rex RS 750
  • Rex SPEEDY FLASH
  • Rex Stratos Chicago
  • Rex Torino 125
Produktgalerie überspringen

Kunden haben sich ebenfalls angesehen

Rex Imola 50 Blinker-Kappe Blinkerglas Blinker-Glas Motorroller.de 50ccm 4Takt 139QMB JSD50QT-13 50cc 4T 139QMA Blinker-Abdeckung
Rex Imola 50 Blinker-Kappe Blinkerglas Blinker-Glas Motorroller.de 50ccm 4Takt 139QMB JSD50QT-13 50cc 4T 139QMA Blinker-Abdeckung

zu Artikel: Blinkerglas vorne, hinten, rechts, links klarglas 2Takt 50ccm YY50QT-28 1E40QMBBlinkerglas Ansaugstutzen (Gussrohr) 21mm 2Takt 50 / 100ccm liegender Minarelli Motor AC-/ LC 1E40QMB Technik-Info Ansaugstutzen auch zu finden unter: Ansaugkruemmer, Ansaugeinheit, Ansaug-Leitung, Ansaugschlauch, Ansaug-Krümmer, Ansaugrohr, Ansaug-Stutzen, Ansaug-Einheit, Ansaugstutzen, Ansaugstueck, Ansaug-Rohr, Luftansaugrohr, Ansaugteil, Ansaug-Trakt, Ansaugkrümmer, Ansaugtrakt, Ansaug-Schlauch, Ausaugleitung, Ansaugstück, Ansaug-Kruemmer Standard Original Ansaugkrümmer ,auch Ansaugstutzen genannt, passt für fast alle 1E40QMB 50ccm 2TaktMotoren. Der Ansaugkrümmer ist von hoher Qualität und hat eine entsprechend lange Lebensdauer. Dieser Artikel wurde speziell hergestellt für:Rex Quad 50 50ccm 2Takt Geprüfte top Erstausrüsterqualität sehr gute Verarbeitung günstiger Preis Unsere Ersatzteile für ihren Motorroller bzw. Scooter oder auch Roller können Sie bequem online in unserem Shop kaufen. Egal ob sie Ihren Roller im Kaufhaus oder im Baumarkt gekauft haben, für alle gängigen Europa-, China-, oder Taiwan-Roller finden Sie bei uns passende Bauteile, insbesondere für die Motoren 50 cc, 125 cc, 250 ccm, 2takt, 4takt und für größere Leistungen. Speziell für die Motorentypen 139QMB, 139QMA, JSD139QMB ,139FMB ,GY6 ,152QMI, 157QMI ,1E40QMB, 1E40QMA ,164FML ,157QMJ, 158MJ ,125-4T6M ,150QMG ,153FMI, 156FMI in kurzen und langen Versionen in den Normen Euro1, Euro2, Euro3 sowie die neuen Euro 4 Einspritzer-Motoren finden Sie qualitativ erstklassige Ersatzteile. Gerne können Sie auch per Email nach Ersatzteilen anfragen. Bei Bestellwerten über 100 Euro können Sie auch unseren Finanzierungs- bzw. Ratenkauf-Service nutzen. Beim Kauf von Fahrzeugen können wir Ihnen auch ein Leasing-Angebot unterbreiten, das bietet sich insbesondere für Firmen an, die Betriebsfahrzeuge anschaffen, oder ihren Mitarbeitern ein Fahrzeug zur Verfügung stellen. Bitte fragen Sie an. Instandsetzen oder austauschen - was ist die preisgünstigere Option?Ganz egal, ob jemand einen Motorroller, Elektroroller respektive E-Roller oder Dreirad-Roller fährt, er stellt sich mit Sicherheit oft die Frage, ob sie ein schadhaftes Teil ersetzen oder instand setzen lassen sollen. Überdies bietet ein neues Bauteil eine erheblich höhere Ausfallsicherheit als eine Reparatur des Zweirads. Häufig kann man einen nicht gleich selbst ermitteln und ein qualifizierter Fachmann muss eruieren, weshalb der Roller Probleme macht. Anderenfalls haben Sie auch die Möglichkeit, sich für eines der fertigen Kits zu entscheiden, die wir in zahlreichen unterschiedlichen Ausführungen im Programm haben. .Qualität ist unser WahlspruchGroßen Wert legen wir auf preisgünstige Produkte von hoher Qualität. Wir können nur deswegen so günstig sein, weil wir bei unseren Lieferanten alle Ersatzteile in ausreichend großen Mengen einkaufen. Sämtliche lieferbaren Bauelemente für Ihr Zweirad können Sie bei über unsere Seite sowohl in guter Qualität als auch für einen Preis bestellen, der mit Sicherheit Ihre Laune verbessert. Einige Rollermarken wie Eppella und Sundiro werden schon lange nicht mehr produziert. Gleichwohl führen wir hierfür noch die Komponenten.Natürlich liefern wir auch Originalteile vom Fahrzeughersteller, obschon unsere Nachbauten einen qualitativen Vergleich mit dem Erstausrüster-Produkt nicht scheuen müssen, jedoch im Prinzip wesentlich billiger sind. Ganz egal, ob Sie die Instandsetzung Ihres Rollers selbst ausführen wollen oder lieber in einer Werkstatt machen lassen möchten, zweifelsohne liegen Sie mit unseren Teilen zu 100 Prozent richtig. Sicherlich finden Sie keine andere Alternative, im Zusammenhang mit der Instandsetzung Ihres fahrbaren Untersatzes, um eine Menge Geld zu sparen.Produktbilder erleichtern die Bestellung der gewünschten ErsatzteileZufolge von entsprechendem Bildmaterial können Sie Ihr defektes Element auf einfache Weise mit dem lieferbaren Ersatz vergleichen, damit Sie auch in der Tat den passenden Artikel bekommen. Von Bedeutung dabei ist, dass Ihre Bestellung sowohl optisch als auch in den Spezifikationen und Dimensionen mit dem alten Austauschteil zusammenpasst. 10 Vorteile aus denen Sie Nutzen ziehen:Sie erhalten von uns stets die Erstausrüsterqualität - auch bei preisgünstigen NachbautenAbsolute Fahrsicherheit des Rollers, speziell bei BremsanlagenAlle unsere Ersatzteile sind kostengünstig, gebrauchstauglich und betriebssicherPräzisionsfertigung nach DIN-NormKauf ohne Risiko dank "Geld zurück" - GarantieUnser Lager umfasst Teile und Zubehör für zirka 250 Marken und 8500 ModelleKurze LieferzeitenHol- und BringserviceRoller-AnkaufSie zahlen beim Ordern mehrerer Einbauelemente mit identischen Versandvoraussetzungen nur einmal den VersandEgal, ob Sie einen Motorroller, einen Quad, ein Fun-Fahrzeug oder einen Straßenbuggy kaufen möchten. Wir sind dafür das Fachgeschäft Ihres Vertrauens. Weshalb wäre es für Sie von Nutzen, wenn Sie uns für Sie tätig werden lassen? Weil wir uns in diesem Geschäftsbereich bereits seit Jahrzehnten etabliert haben und Sie daher von unserem Erfahrungsreichtum profitieren können. Für unseren familiär geführten Betrieb ist das Geschäft in Verbindung mit den Rollern der ganze Lebensinhalt. Es ist unverzichtbar, sich das Fachgeschäft demnach vorher genau anzusehen, bevor man sich für einen Kauf entscheidet. Alles ist in unserem Betrieb zu 100 Prozent nachvollziehbar! Gerne können Sie uns im Ladengeschäft aufsuchen, um sich über uns selbst ein Bild zu machen.Den Vertrauensnachweis erhalten Sie dann gleichsam schwarz auf weiß vor Ort.Ist Ihnen der Weg zu uns zu weit? Dann informieren Sie sich doch durch das Trustedshops-Siegels und die unterschiedlichen Ebay Bewertungen. Beispielsweise wird sowohl unser Shop als auch unsere Geschäftspraxis mit dem Trustedshops Gütesiegel "sehr gut" eingestuft, was uns mit Fug und Recht sehr stolz macht. Was unsere Käuferbewertungen ebenfalls in einem Bereich, der sich durchaus sehen lassen kann. Was bestätigen all diese Resultate ganz klar? Dass wir uns in allen Belangen stets mächtig ins Zeug legen! Bitte denken Sie daran, dass wir keine Maschinen sondern auch nur Menschen sind, denen ein Fehler unterlaufen kann. Sofern also etwas nicht zu Ihrer Zufriedenheit ausfällt, bitten wir Sie, uns die Gelegenheit zu geben, die Sache in Ordnung zu bringen.Unser versiertes Mitarbeiterteam ist täglich von 8:00 - 18:00 Uhr und samstags von 9:00 - 13:00 für Sie da.Die Fakten unseres UnternehmensBei uns ist der Kunde wirklich noch König. Die Geschäftstätigkeit unseres Unternehmens fing bereits vor über fünfzig Jahren mit dem Maschinenbau an. Den Handel mit motorisierten Zweirädern wiederum, betreiben wir inzwischen auch schon seit mehr als 25 Jahren sehr erfolgreich. Wir haben uns gegenwärtig vorrangig auf Fahrzeugzubehör, Ersatzbauteile und das "Must have" zur Steigerung der Motorleistung für die meist gefahrenen Roller fokussiert.Unser Sortiment umfasst etwa 500.000 EinbauteileWenn Sie zu Ihrem Zweirad eine Komponente suchen, werden Sie auf unserer Seite unter Motorroller.de auf jeden Fall fündig. In unserem Lager befinden sich für rund 8500 Modelle und 250 Marken diverse Produkte als Zubehör, Teile und Artikel. Darunter sind beispielsweise Lieferanten wie Jonway, Yamaha, Kreidler oder Adly zu finden. Es sind zirka 500.000 Produkte von unterschiedlichen verschiedener Produzenten, welche wir in unserem Hochregallager auf einer Fläche von über 1.000 m² sofort lieferbar haben. Hier finden Sie jedes Zubehör für Ihren fahrbaren Untersatz von A bis Z. Das beginnt beim Top Case über die Schutzhelme und den Windschildern, und geht bis hin zu Handschuhen, Regensets und Nierengürteln.Auch für die Tuningfans haben wir die entsprechenden Produkte im Angebot. Hierzu gehören beispielsweise Zylinder, Auspuffanlagen, Kolben und dergleichen Dinge.Direkt nach der ProduktionFortlaufende Prüfung der Qualität ist unsere Leidenschaft. Anders ausgedrückt, ehe wir einen Roller in die Hände des Kunden übergeben, wird er von uns nochmals auf tadellose Funktion und Fehlerfreiheit durchgecheckt. Sobald die Motorroller bei uns im Haus angeliefert werden, wird jedes einzelne Zweirad ausgepackt und zunächst einer Sichtprüfung bzw. einem Testlauf auf unserem computergesteuerten Prüfstand unterzogen. Ein letzter Funktionscheck erfolgt dann im Anschluss der Übergabe an den Käufer. Somit ist sichergestellt, dass das Fahrzeug sich wirklich in einem tadellosen Zustand befindet und den Kunden hundertprozentig zufriedenstellt.Schutz unserer UmweltWir bemühen uns besonders um den Schutz unserer Umwelt. Das sagen wir nicht lediglich, weil unsere motorisierten Zweiräder durchweg mit sparsamen Verbrennungsmotoren bestückt sind. Die Transportverpackung, die bei der Auslieferung Motorroller anfällt, nehmen wir selbstverständlich wieder mit, um sie einer professionellen Müllentsorgung zuzuführen - auch das gehört für uns zum Umweltschutz.Wir kaufen Ihren RollerIhr alter Roller tut es nicht mehr richtig und Sie planen, bei uns ein neues Zweirad zu kaufen. Aber was tun mit dem Oldie? Keine Sorge! Wir kaufen Ihren gebrauchten Motorroller an.Haben Sie immer noch Bedenken?Sofern wir von Ihnen die Chance dazu bekommen, können wir die Qualität unserer Leistungen auch unter Beweis stellen. Im Vergleich zu den billigen Onlineshops, welche schnell wieder von der Bildfläche verschwinden, können wir auf eine mehrjährige Firmentradition zurück blicken. In unserem fortwährend wachsenden Unternehmen steht Fleiß und ständiges Lernen in der Rangordnung ganz oben, weil wir davon überzeugt sind, dass sich lediglich durch neue Ideen und zeitgemäße Innovationen das Know-how für eine stabile Geschäftsbasis schaffen lässt. Falls für Sie einmal die Möglichkeit besteht, einen Abstecher nach Lindenfels-Eulsbach zu machen, können Sie die Gelegenheit nutzen, sich selber von unserem vortrefflichen Kundenservice in unserem Betrieb zu überzeugen.Wie kommen Sie auf einfache Weise zu uns nach Lindenfels?Lindenfels liegt zirka 60 km südlich von Frankfurt am Main und 40 km nordöstlich von Mannheim im Odenwald (Regierungsbezirk Darmstadt). Es besteht auch eine gute Verkehrsanbindung mit der Bahn.Unsere TopmarkenUnsere Topmarken

Regulärer Preis:
Verfügbar
9,99 €
Seitencover 83713 Rex Seitenteil Verkleidung 2Takt
Seitencover 83713 Rex Seitenteil Verkleidung 2Takt

zu Artikel: Seitenverkleidung links schwarz lackiert 2009Seitenverkleidung links Seitencover schwarz lackiert 2009 Technik-Info Seitencover auch zu finden unter: Seiten-Abdeckung links, Seitencover links, Seitenverkleidung links, Verkleidung links, Seiten-Verkleidung links, Seiten-Cover links Verkleidungsteile für bestimmte (seltene) Modelle sind oft schwer zu bekommen. Darum haben wir bei unseren eigenen Modellen Wert auf zeitlos elegantes Design gelegt, sodass wir auch für ältere Modelle unserer Eigenmarken stetes Ersatz liefern können. Unsere Verkleidungsteile sind aus hochwertigem langlebigen Kunststoff hergestellt Dieser Artikel wurde hergestellt für Fahrzeuge der Marke:Rex Geprüfte Erstausrüsterqualität beste Verarbeitung günstiger Preis Direktimport Kauf vom Großvertreiber Unsere Ersatzteile für ihren Scooter bzw. Roller oder auch Motorroller können Sie bequem online in unserem Shop kaufen. Egal ob sie Ihren Roller im Baumarkt oder im Kaufhaus gekauft haben, für alle gängigen China-, Europa-, oder Taiwan-Roller finden Sie bei uns passende Bauteile, insbesondere für die Motoren 50 cc, 125 cc, 250 ccm, 2takt, 4takt und für größere Leistungen. Speziell für die Motorentypen 139QMB, 139QMA, JSD139QMB ,157QMJ, 158MJ ,GY6 ,125-4T6M ,164FML ,153FMI, 156FMI ,139FMB ,152QMI, 157QMI ,150QMG ,1E40QMB, 1E40QMA in kurzen und langen Versionen in den Normen Euro1, Euro2, Euro3 sowie die neuen Euro 4 Einspritzer-Motoren finden Sie Ersatzteile von erstklassiger Qualität. Gerne können Sie auch per Email nach Ersatzteilen anfragen. Bei Bestellwerten über 100 Euro können Sie auch unseren Finanzierungs- bzw. Ratenkauf-Service nutzen. Beim Kauf von Fahrzeugen können wir Ihnen auch ein Leasing-Angebot unterbreiten, das bietet sich insbesondere für Firmen an, die Betriebsfahrzeuge anschaffen, oder ihren Mitarbeitern ein Fahrzeug zur Verfügung stellen. Bitte fragen Sie an. Soll ein defektes Teil gleich ausgewechselt oder repariert werden?Diese Frage stellen sich Rollerfahrer immer dann, wenn an ihrem Zweirad etwas defekt geworden ist, gleichgültig, ob sich um einen Motorroller, Dreirad-Roller oder Elektroroller beziehungsweise E-Roller handelt. Ein Ersatzbauteil, welches relativ rasch ausgewechselt werden kann, ist nicht lediglich preisgünstiger, sondern bietet zudem eine erheblich höhere Ausfallsicherheit als nach einer Instandsetzung des Motorrollers. Häufig kann man die Ursache für eine Funktionsstörung nicht gleich selbst finden und eine qualifizierte Werkstatt muss ermitteln, warum der Roller nicht richtig läuft. In diesem Fall wäre es vernünftiger, bei uns eines der einbaufertigen Komplett-Kits zu bestellen, die wir in zahlreichen diversen Ausführungen anbieten. .Qualitativ hochklassige Roller-ErsatzteileDie Qualität unserer Produkte braucht auf dem Weltmarkt keine Mitbewerber zu scheuen. Warum können wir so günstig sein? Die Antwort lautet: Weil wir auf wirtschaftlich sinnvolle Einkaufsmengen der Komponenten achten. Bei uns kriegen Sie daher sämtliche verfügbaren Komponenten für Ihren Motorroller nicht bloß in guter Qualität, sondern auch zu einem erschwinglichen Preis. Einige Rollermarken wie Sundiro und Eppella werden schon seit langem nicht mehr hergestellt. Dennoch führen wir hierfür noch die Einbauteile.Wer es wünscht, bekommt bei uns logischerweise auch das Originalteil für seinen Roller. Die meisten fassen nicht zuletzt aufgrund der guten Preise und der Erstausrüster-Qualität unsere Nachbauten ins Auge. Ganz gleich, ob Sie die Reparatur an Ihrem fahrbaren Untersatz selber ausführen wollen oder besser in einer Werkstatt ausführen lassen möchten, zweifelsohne liegen Sie mit unseren Bauteilen absolut richtig. In Erstausrüster-Qualität und zu solch bezahlbaren Kosten werden Sie wahrscheinlich Ihren fahrbaren Untersatz nicht auf andere Weise instand setzen können.Abbildungen erleichtern das Auffinden der gewünschten KomponentenBei den Beschreibungen finden Sie in unserem Online-Shop auch anschauliches Bildmaterial. Dadurch können Sie sofort Ihr altes Bauteil mit dem verfügbaren Ersatz vergleichen und gehen somit sicher, dass Sie später auch wirklich das passende Produkt bekommen. Hierbei genügt nicht bloß eine visuelle Übereinstimmung. Es müssen zudem sowohl die deklarierten Maße als auch die angegebenen technischen Angaben übereinstimmen. Was Sie davon haben:Dank unserer "Geld zurück" - Garantie kaufen Sie ohne RisikoAuch bei günstigen Nachbauten bekommen Sie von uns ausnahmslos die ErstausrüsterqualitätSie zahlen bei Bestellung mehrerer Einbauelemente mit identischen Versandfaktoren nur einmal den VersandDIN-Norm gerechte und ISO-zertifizierte PräzisionsfertigungWir kaufen Ihren RollerKurze LieferzeitenAbsolute Fahrsicherheit des Motorrollers, speziell bei den BremsenUnser Lager umfasst Teile und Artikel für ca. 250 Marken und 8500 TypenAlle unsere Erzeugnisse sind kostengünstig, ausfallsicher sowie zuverlässigHol- und BringserviceMotorroller, Straßenbuggys, Quads und Fun Fahrzeuge kauft man bevorzugt bei uns als Fachhändler. Weswegen sind wir der optimale Partner für Sie? Weil wir uns in diesem Geschäftsbereich bereits seit Jahrzehnten etabliert haben und Sie infolgedessen von unserem Erfahrungsreichtum profitieren können. Für unser familiär geführtes Unternehmen ist das Geschäft in Verbindung mit den Rollern der ganze Lebensinhalt. Es ist unverzichtbar, sich das Fachgeschäft dementsprechend im Vorfeld genau anzusehen, bevor man sich zu einem Kauf entschließt. Bei uns ist alles in Verbindung mit unserem Betrieb transparent und nachvollziehbar! Weshalb besuchen Sie uns nicht mal in unserem Ladengeschäft, um sich persönlich ein Bild zu machen?Den Beleg unserer Qualität können Sie dann unmittelbar vor Ort beobachten.Wenn Ihnen die Anfahrtsstrecke zu uns zu weit ist, können Sie sich auch durch die zahlreichen Ebay Bewertungen und des Trustedshops-Siegels schlau machen. Sowohl unsere Geschäftspraxis als auch unser Internetshop werden z.B. mit dem Trustedshops Gütesiegel "sehr gut" bewertet. Der Wert von circa 99,9 Prozent bei Ebay in den Käuferrezensionen kann sich gleichfalls sehen lassen. All diese Ergebnisse lassen nur einen einzigen Schluss zu: Wir legen uns auf allen Gebieten stets mächtig ins Zeug! Bedenken Sie aber, dass wir keine Roboter sondern auch nur Menschen sind, denen ein Fehler unterlaufen kann. Deshalb bitten wir Sie, für den Fall, dass mal etwas nicht zu Ihrer Zufriedenheit verlaufen ist, uns auf jeden Fall die Möglichkeit zur Verbesserung zu geben.Unsere kompetenten Mitarbeiter sind täglich von 8:00 - 18:00 Uhr und samstags von 9:00 - 13:00 für Sie da.Unsere UnternehmensphilosophieDie Zufriedenstellung unserer Kundschaft bedeutet uns eine Menge. Das Fahrzeuggeschäft betreiben wir mit Erfolg schon seit über 25 Jahren, wollen dabei aber nicht unerwähnt lassen, dass wir bereits mehr als 50 Jahre auf eine Erfolgsgeschichte auf dem Gebiet Maschinenbau zurückblicken können. Zwischenzeitlich haben wir uns außer dem Vertrieb von Rollern, auf das "Nice-to-have" für Tuning, Fahrzeugzubehör und Ersatzteile ausgerichtet.Wir haben mehr als 500.000 Komponenten auf LagerWer auf der Suche nach einem preisgünstigen Motorroller oder Teil für seinen fahrbaren Untersatz ist, der findet bei uns unter Motorroller.de bestimmt das entsprechende Element. Es gibt inzwischen Ersatzteile, passendes Zubehör und Artikel für ca. 250 Hersteller und 8500 Modelle in unserem Lager, die auf Ihre Bestellung warten. Zu unseren Lieferanten zählen zum Beispiel so namhafte Lieferanten wie Yamaha, Jonway, Kreidler oder Adly. Alles in allem haben wir auf einer Lagerfläche von über 1.000 Quadratmeter mehr als 500.000 Produkte von diversen Herstellern in unserem Hochregallager im Sortiment. Unser Zubehörlager bietet somit alles, was Sie als Rollerfahrer für Ihren fahrbaren Untersatz benötigen. Das beginnt bei den Handschuhen, Nierengürteln und Regensets, und geht bis hin zu den Windschildern über das Top Case und den Sturzhelmen.In unserem Tuningbereich halten wir für alle sportlichen Fahrer gleichfalls einige ausgesuchte Artikel bereit. Hierzu zählen etwa Kolben, Auspuffanlagen, Zylinder und dergleichen Dinge.Unmittelbar nach der ProduktionAlle Lieferungen verlassen unser Unternehmen erst im Anschluss an eine strenge Kontrolle der Qualität. Anders gesagt, ehe ein Fahrzeug ausgeliefert respektive vom Kunden abgeholt wird, testen wir es abschließend nochmals umfassend auf etwaige Mängel bzw. Transportschäden. Wenn die Roller bei uns ankommen, wird jedes einzelne Zweirad ausgepackt und zunächst einer Sichtprüfung sowie einem Probelauf auf unserem Prüfstand unterzogen. Bevor der Käufer den Motorroller übernimmt, erfolgt noch ein abschließender Funktionscheck. Damit ist wirklich gewährleistet, dass der Kunde mit seinem Kauf hundertprozentig zufrieden ist.UmweltschutzWas uns überaus am Herzen liegt, ist ein wirkungsvoller Umweltschutz. Zur Erhaltung der Luftreinheit besitzen unsere Fahrzeuge allgemein Verbrennungsmotoren, die außerordentlich effizient sind. Bei der Auslieferung unserer Roller fällt regelmäßig Verpackungsmaterial an. Dieses nehmen wir ohne Frage wieder mit und führen es einer fachgerechten Müll-Entsorgung zu.Wir kaufen Ihren RollerIhr alter Roller ist in die Jahre gekommen und Sie haben vor, bei uns ein neues Gefährt zu kaufen. Was jedoch tun mit dem Oldie? Machen Sie sich hierüber keine Sorgen! Lassen Sie uns das übernehmen, indem wir Ihren gebrauchten Motorroller ankaufen.Es ist uns nicht gelungen, sämtliche Zweifel auszuräumen?Für den Fall, dass wir von Ihnen die Chance dazu erhalten, können wir unsere fachlichen Qualitäten auch unter Beweis stellen. Man sollte uns nicht mit den zahlreichen billigen Internet-Shops, verwechseln, die heute kommen und morgen bereits wieder weg sind. In unserem stetig wachsenden Unternehmen steht Fleiß und ständiges Lernen an der ersten Stelle, da wir verstanden haben, dass sich lediglich durch zeitgemäße Innovationen und neue Ideen das Know-how für eine gut fundierte geschäftliche Basis bilden lässt. Überzeugen Sie sich persönlich von unserem vorzüglichen Kundenservice und besuchen Sie uns doch mal in unserem Betrieb in Lindenfels-Eulsbach.Wie kommen Sie am besten zu uns nach Lindenfels?Lindenfels befindet sich im Regierungsbezirk Darmstadt, und zwar 40 km nordöstlich von Mannheim respektive rund 60 km im Süden von Frankfurt am Main. Am besten fahren Sie von Norden her über die A6, während Sie aus südlicher Richtung die A8 nehmen. Alternativ ist es logischerweise auch möglich, mit der Bahn zu fahren.Unsere TopmarkenUnsere Topmarken

Regulärer Preis:
Nicht verfügbar
39,99 €