Zum Hauptinhalt springen Zur Suche springen Zur Hauptnavigation springen
Menü
efr
erf
rrrf
Schnell lieferbar
14 Tage Rückgaberecht
Schneller DPD Versand

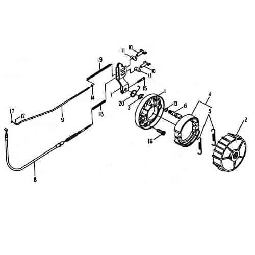
zu Artikel: Bremszug Hinterrad

Bremszug

Brems-Zug Hinterrad

Technik-Info

Brems-Zug

auch zu finden unter: Bremsseil, Bremszug, Seilzug, Bautenzug, Brems-Seil, Brems-Zug, Seil-Zug, Bauten-Zug, Bowdenzug, Bremsseilzug, Bremskabel

Der Bremszug oder nach dem Erfinder Ingenieur Bowden, Bowdenzug aber mittlerweile fälschlich auch ,Bautenzug genannt dient der Mechanischen Kraftübertragung zur Bremse. Hier ist es erforderlich die richtige stabile Bremszugausführung auszuwählen, denn ein billiges und zu dünnes Bremsseil kann reißen. Auch die Verarbeitung mit den Anschluss-Stücken muss den erforderlichen Qualitätsansprüchen genüge tun, denn davon häng Ihre Sicherheit und die Sicherheit anderer Verkehrsteilnehmer ab. Wir liefern die entsprechenden Bremszüge in Erstausrüster-Qualität. Wir empfehlen, den Originalzug nachzumessen.

Dieser Artikel wurde speziell hergestellt für:

Rex Quad 50 50ccm 2Takt

Kostenloser Versand Bei Ersatzteilen für jeden zusätzlichen Artikel mit den gleichen Versandkriterien, den Sie von uns kaufen.

Unsere Ersatzteile für ihren Roller bzw. Motorroller oder auch Scooter können Sie bequem online in unserem Shop kaufen. Egal ob sie Ihren Roller im Kaufhaus oder im Baumarkt gekauft haben, für alle gängigen Europa-, Taiwan-, oder China-Roller finden Sie bei uns passende Bauteile, insbesondere für die Motoren 50 cc, 125 cc, 250 ccm, 4takt, 2takt und für größere Leistungen. Speziell für die Motorentypen 139QMB, 139QMA, JSD139QMB ,1E40QMB, 1E40QMA ,152QMI, 157QMI ,150QMG ,125-4T6M ,157QMJ, 158MJ ,GY6 ,139FMB ,164FML ,153FMI, 156FMI in kurzen und langen Versionen in den Normen Euro1, Euro2, Euro3 sowie die neuen Euro 4 Einspritzer-Motoren finden Sie hochqualitative Ersatzteile. Gerne können Sie auch per Email nach Ersatzteilen anfragen. Bei Bestellwerten über 100 Euro können Sie auch unseren Ratenkauf- bzw. Finanzierungs-Service nutzen. Beim Kauf von Fahrzeugen können wir Ihnen auch ein Leasing-Angebot unterbreiten, das bietet sich insbesondere für Firmen an, die Betriebsfahrzeuge anschaffen, oder ihren Mitarbeitern ein Fahrzeug zur Verfügung stellen. Bitte fragen Sie an.

Ein defektes Teil instand setzen lassen oder gleich tauschen?

Diese Frage stellen sich Eigentümer von Rollern immer dann, wenn an ihrem Fahrzeug etwas defekt geworden ist, gleichgültig, ob sich um einen Elektroroller respektive E-Roller, Motorroller oder Dreirad-Roller dreht. Zusätzlich bietet ein neues Teil eine erheblich größere Funktionssicherheit als eine Reparatur des Zweirads. Oft kann man einen nicht auf Anhieb selbst ermitteln und ein qualifizierter Fachmann muss eruieren, weshalb der Roller Probleme macht. Bestellen Sie doch am besten sofort eines unserer fertigen Ersatzteil-Kits, die wir für zahlreiche unterschiedliche Bauteile in unserem Produktangebot haben. .

Qualitativ hochklassige Roller-Bauteile und Zubehör

Großen Wert legen wir auf preisgünstige Produkte von hoher Qualität. Wie kommt es, dass wir so günstig sein können? Die Antwort: Weil wir auf wirtschaftlich sinnvolle Einkaufsmengen der Komponenten achten. Diese beiden Punkte, nämlich einerseits die gute Qualität und andererseits der attraktive Preis heben uns hauptsächlich von unseren Konkurrenten ab.

Einige Rollermarken wie Sundiro und Eppella werden schon lange nicht mehr gefertigt. Dennoch führen wir dafür noch die Bauteile.

Sie bekommen bei uns natürlich auch die Originalteile vom Rollerhersteller. Falls Sie jedoch Geld sparen wollen [und wer will das nicht], sollten Sie auch unsere Nachbauten in Erwägung ziehen, welche im Übrigen einen qualitativen Vergleich zum Erstausrüster- Produkt nicht zu scheuen brauchen, obgleich sie im Prinzip bedeutend kostengünstiger sind. Mit unseren Bauteilen können Sie die Reparatur an Ihrem motorisierten Zweirad selber bewerkstelligen respektive auch von einem Fachmann machen lassen. Vermutlich gibt es keine andere Alternative, im Zusammenhang mit der Instandsetzung Ihres Zweirads, um Ihren Geldbeutel zu schonen.

Eine große Hilfe bei der Bestellung der gewünschten Komponente sind die einzelnen Produktbilder

Bei den Erläuterungen finden Sie in unserem Online-Shop auch anschauliches Bildmaterial. So können Sie sogleich Ihr defektes Bauteil mit dem lieferbaren Ersatz vergleichen und gehen auf diese Weise sicher, dass Sie hinterher auch de facto den passenden Artikel erhalten. Hierbei genügt nicht nur eine augenscheinliche Ähnlichkeit. Es müssen außerdem sowohl die aufgeführten technischen Angaben als auch die Maße passen.

Was Sie davon haben:

Kurzfristige LieferzeitenSie bezahlen bei Bestellung mehrerer Komponenten mit identischen Versandkriterien nur einmal den VersandSie erhalten von uns immer die Erstausrüster-Qualität - auch bei kostengünstigen Nachbauten"Geld zurück" - Garantie, deshalb Kauf ohne RisikoPräzisionsfertigung nach DIN-NormUnsere sämtlichen Einbauteile sind preisgünstig, betriebssicher und zuverlässigWir holen und bringen Ihren MotorrollerUnser Lager umfasst Einbauelemente und Artikel für etwa 250 Marken und 8500 ModelleAbsolute Verkehrssicherheit des Zweirads, besonders bei den BremsenRoller-Ankauf zu fairen Preisen

Am besten kaufen Sie Roller, Quads, Straßenbuggys und Fun Fahrzeuge in einem Fachgeschäft wie das unsrige. Weshalb sind wir der entsprechende Partner für Sie? Weil wir für dieses Geschäftsfeld die Meister-Qualifikation und das entsprechende Know-how besitzen, was dazu definitiv gebraucht wird. Wir als familiär geführtes Unternehmen leben das Geschäft rund um die Motorroller förmlich.

Es ist wesentlich, sich das Fachgeschäft infolgedessen vorher genau anzusehen, bevor man sich für einen Kauf entscheidet. Bei uns ist alles für die Kundschaft absolut transparent! Weshalb besuchen Sie uns nicht mal in unserem Ladengeschäft, um sich selbst ein Bild zu machen?die Bestätigung unserer hervorragenden Leistungen sehen Sie dann direkt vor Ort.

Möglicherweise ist Ihnen die Anfahrtsstrecke zu uns zu weit. Dann haben Sie auch die Option, durch das Trustedshops-Siegels und die diversen Ebay Bewertungen Infos über uns einzuholen. Unsere Verkaufsseite Motorroller.de wird zum Beispiel von Trustshops als "sehr gut" bewertet. Das betrifft sowohl unseren Shop als auch unsere Geschäftspraktiken. Über diese Einstufung sind wir zu Recht sehr Stolz. Der Wert von zirka 99,9 Prozent bei Ebay in den Kundenrezensionen kann sich gleichermaßen sehen lassen. All diese Ergebnisse lassen nur einen einzigen Schluss zu: Unsere Kunden sind mit uns durchweg zufrieden!

Denken Sie aber bitte daran, dass wir keine Maschinen sondern auch nur Menschen sind, denen ein Fehler passieren kann. Von daher bitten wir Sie, falls mal etwas nicht so gut gelaufen ist, uns auf jeden Fall die Gelegenheit zur Verbesserung zu geben.

Unser Fachgeschäft hat für Sie geöffnet: täglich von 8:00 - 18:00 Uhr, samstags von 9:00 - 13:00 Uhr.

Wer wir sind

Wir tun alles, damit unsere Kundschaft zufrieden ist. Den Handel mit Zweirädern betreiben wir bereits über 25 Jahre mit Erfolg, wollen dabei hingegen erwähnen, dass wir schon mehr als fünf Jahrzehnte auf eine Erfolgsgeschichte im Bereich Maschinenbau zurückschauen können. Gegenwärtig haben wir uns neben der Vermarktung von Motorrollern, auf "Must-to-have" für Tuning, Einbauteile und Fahrzeugzubehör spezialisiert.

Wir können zeitnah in etwa 500.000 Teile liefern

Wer auf der Suche nach einem preisgünstigen Zweirad oder Ersatzteil für seinen fahrbaren Untersatz ist, der findet bei uns unter Motorroller.de bestimmt das geeignete Element. In unserem Warenlager befinden sich für rund 8500 Typen und 250 Marken verschiedene Produkte als Zubehör, Artikel und Einbauelemente. Jonway, Kreidler, Yamaha oder Adly gehören zum Beispiel zu unseren Herstellern, mit denen wir schon jahrelang zusammenarbeiten. Wir haben in der Summe mehr als 500.000 Produkte von diversen Herstellern im Warensortiment, welche auf einer Fläche von über 1.000 m² in unseren Regalen gelagert sind. Alles was Sie als Fahrer eines Rollers brauchen, finden Sie im Zubehörbereich.

Das beginnt bei den Handschuhen, Regensets und Nierengürteln, und geht bis hin zum Top Case über die Sturzhelme und den Windschildern.Auch Tuningfans kommen bei uns nicht zu kurz. Zum Tunen ihres Rollers finden sie in unserer Tuningabteilung alles was das Herz begehrt, wie z.B. Auspuffanlagen, Kolben, Zylinder und dergleichen Dinge.

Was passiert im Anschluss an die Produktion?

Keine Ware verlässt unser Unternehmen, ehe sie nicht auf makellose Qualität geprüft worden ist. Das heißt, bevor ein Fahrzeug ausgeliefert bzw. vom Kunden abgeholt wird, begutachten wir es zum Schluss nochmals gründlich auf etwaige Mängel respektive Transportschäden. Sobald die Roller bei uns angeliefert werden, wird jedes einzelne Zweirad ausgepackt und erstmal einer Sichtprüfung bzw. einem Probelauf auf unserem computergesteuerten Prüfstand unterzogen. Ehe der Kunde den Motorroller in Empfang nimmt, erfolgt noch ein letzter Funktionstest. Damit ist de facto gesichert, dass der neue Besitzer mit seiner Anschaffung 100-prozentig zufrieden ist.

Umweltschutz

Was uns sehr am Herzen liegt, ist ein effektiver Umweltschutz. Unsere Zweiräder besitzen auf der einen Seite allesamt einen effizienten Verbrennungsmotor. Jegliches Verpackungsmaterial, das bei der Anlieferung Roller anfällt, nehmen wir klarerweise wieder mit, um es einer professionellen Müll-Entsorgung zuzuführen - auch das gehört für uns zu einer sauberen Umwelt.

Roller-Ankauf

Nach dem Kauf eines neuen Rollers aus unserem Sortiment möchten Sie sich von Ihrem ausgedienten Modell trennen? Keine Sorge! Wir nehmen Ihren gebrauchten Motorroller gerne in Zahlung.

Wir konnten Ihre Bedenken trotz allem nicht aus dem Weg räumen?

Geben Sie uns doch die Möglichkeit, die Qualität unserer Leistungen unter Beweis stellen zu dürfen. Im Gegensatz zu den billigen Onlineshops, welche schnell wieder weg sind, können wir eine mehrjährige Firmentradition vorweisen. Ausschließlich zufolge fortschrittlicher Innovationen und neuer Ideen lässt sich eine gut fundierte geschäftliche Ausgangsbasis schaffen. In Folge dessen steht in unserem stetig wachsenden Unternehmen Anpassung an neue Technologien sowie ständiges Lernen immer an erster Stelle. Überzeugen Sie sich persönlich von unserem ausgezeichneten Kundenservice und besuchen Sie uns in unserem Betrieb in Lindenfels-Eulsbach.

Wie finden Sie unser Unternehmen?

Falls Sie über die Autobahn mit dem eigenen Fahrzeug anreisen, führt die Strecke nach Lindenfels entweder über Frankfurt/Main (A6) oder über Mannheim (A8). Der Ort liegt im Regierungsbezirk Darmstadt. Es besteht auch eine gute Verkehrsanbindung per Bahn.

Baugruppe: Rahmen

Artikelposition in Explosionszeichnung: 8

Ersatzteil: Bremszug

Motorroller bequem online kaufen – von der Bestellung bis zur Lieferung


Mobiler Home Service – Bundesweit Inspektionen und Reparaturen


Motorroller.de – Über uns – Ihr Support vom Profi seit 1993

Ihr Finanzierungsplan**
Monate Rate mtl. Gesamt
6039,67 €2.380,49 €
12157,59 €1.891,14 €

Einfach im Bestellvorgang die Expokredit-Finanzierung als Zahlungsweise auswählen ...

  • Kreidler Mustang 50
  • Rex Quad 50
  • SMC REX Quad 50
  • -> bitte vergleichen Sie mit ihren Fahrzeugpapieren
  • -> bundesweiter Home-Service
Produktgalerie überspringen

Kunden haben sich ebenfalls angesehen

Rex 50 Scooter Mofa Nebenluftdüse 50ccm 2Takt Roller Motorroller.de Vergaser-Düse Leerlaufdüse 1E40QMB YY50QT-28 50cc 2T Minarelli liegend
Rex 50 Scooter Mofa Nebenluftdüse 50ccm 2Takt Roller Motorroller.de Vergaser-Düse Leerlaufdüse 1E40QMB YY50QT-28 50cc 2T Minarelli liegend

zu Artikel: Leerlaufdüse Gr.22.5 Mikuni VergaserLeerlaufdüse Leerlaufdüse Technik-Info Nebenluftdüse auch zu finden unter: Nebenluftdüse, Nebenluftduese, Leerlaufdüse, Leerlaufduese, Vergaserdüse, Vergaserduese, Einstelldüse, Einstellduese, Nebendüse, Nebenduese, Nebenluft-Düse, Nebenluft-Duese, Leerlauf-Düse, Leerlauf-Duese, Vergaser-Düse, Vergaser-Duese, Einstell-Düse, Einstell-Duese, Neben-Düse, Neben-Duese Wenn der Vergaser verdreckt ist, ist meist die Leerlaufdüse als erstes dicht. Das ist dann ärgerlich, weil der Motor nicht mehr läuft. Noch schlachter ist es aber, wenn die Düsen nur leicht zuwachsen,z.B. beim Überwintern, wenn der Sprit nicht abgelassen wurde. Dann läuft der Motor immer zu mager, und kann im Extremfall fressen. Darum im Zweifelfall die Vergaserdüse wechseln, das schont den Motor und erhält den Fahrspaß. Dieser Artikel wurde hergestellt für Fahrzeuge der Marke:Rex Erstausrüsterqualität sehr gute Verarbeitung Lagerware günstiger Preis Direktimport sofort versandbereit Kauf vom Großvertreiber Unsere Ersatzteile für ihren Scooter bzw. Roller oder auch Motorroller können Sie bequem online in unserem Shop kaufen. Egal ob sie Ihren Roller im Kaufhaus oder im Baumarkt gekauft haben, für alle gängigen Europa-, Taiwan-, oder China-Roller finden Sie bei uns passende Bauteile, insbesondere für die Motoren 50 cc, 125 cc, 250 ccm, 2-Takt, 4-Takt und für größere Leistungen. Speziell für die Motorentypen 152QMI, 157QMI ,164FML ,153FMI, 156FMI ,125-4T6M ,139QMB, 139QMA, JSD139QMB ,150QMG ,139FMB ,157QMJ, 158MJ ,GY6 ,1E40QMB, 1E40QMA in kurzen und langen Versionen in den Normen Euro1, Euro2, Euro3 sowie die neuen Euro 4 Einspritzer-Motoren finden Sie Ersatzteile von erstklassiger Qualität. Gerne können Sie auch per Email nach Ersatzteilen anfragen. Bei Bestellwerten über 100 Euro können Sie auch unseren Finanzierungs- bzw. Ratenkauf-Service nutzen. Beim Kauf von Fahrzeugen können wir Ihnen auch ein Leasing-Angebot unterbreiten, das bietet sich insbesondere für Firmen an, die Betriebsfahrzeuge anschaffen, oder ihren Mitarbeitern ein Fahrzeug zur Verfügung stellen. Ihre Anfrage nehmen wir gerne entgegen Ersetzen oder instand setzen - was ist die sinnvollere Option?Diese Frage wird von Rollerbesitzern oftmals gestellt, gleichgültig, ob sie einen Motorroller, Elektroroller respektive E-Roller oder 3-Rad Roller besitzen, wenn etwas an ihrem Zweirad schadhaft geworden ist. Ein weiterer Aspekt ist, dass ein Ersatzbauteil nicht lediglich preiswerter ist als eine Reparatur, sondern danach auch eine bedeutend größere Ausfallsicherheit bietet. Oftmals kann bloß eine qualifizierte Fachwerkstatt den Mangel auf Anhieb orten. Eine gute Alternative wäre es in einem solchen Fall, eines unserer einbaufertigen Komplett-Kits, die wir in zahlreichen diversen Ausführungen im Programm haben, zu bestellen. .Elemente von exzellenter QualitätGroßes Augenmerk legen wir auf qualitativ hochwertige Produkte zu einem erschwinglichen Preis. Weshalb können wir so günstig sein? Die Antwort lautet: Weil wir auf wirtschaftlich sinnvolle Einkaufsmengen der Bauteile achten. Bei uns kriegen Sie somit alle lieferbaren Bauteile für Ihren fahrbaren Untersatz nicht lediglich in ausgezeichnet Qualität, sondern auch zu einem attraktiven Preis. Wir führen sogar für die meisten Motorroller, Quads und Buggys die Bauteile, die gar nicht mehr gefertigt werden. Z.B. haben wir alle Komponenten für die Marken Sundiro und Eppella nach wie vor auf Lager.Klarerweise liefern wir auch die Originalteile für Ihr motorisiertes Zweirad, wenngleich unsere Nachbauten einen qualitativen Vergleich mit dem Erstausrüster-Produkt nicht scheuen müssen, jedoch allgemein viel preisgünstiger sind. Unsere Ersatzteile versetzen Sie in die Lage, einerseits die Instandsetzung Ihres Zweirads selbst durchführen oder andererseits auch in einer Fachwerkstätte durchführen zu lassen. Voraussichtlich gibt es keine bessere Alternative, in Verbindung mit der Instandsetzung Ihres Motorrollers, um einiges an Geld zu sparen.Produktbilder erleichtern die Bestellung der richtigen BauteileZufolge des anschaulichen Bildmaterials können Sie Ihr defektes Teil ganz bequem mit dem verfügbaren Ersatz vergleichen, damit Sie auch wirklich das dringend benötigte Produkt bekommen. Achten Sie bitte speziell auf die Übereinstimmung des defekten Elements mit dem abgebildeten Artikel; vor allem was die angegebenen Dimensionen und technischen Spezifikationen angeht. Zehn Vorteile von denen Sie profitieren:Kurzfristige LieferzeitenSie bezahlen bei Bestellung mehrerer Teile mit denselben Versandfaktoren nur einmal VersandkostenKauf ohne Risiko dank "Geld zurück" - GarantieUnser Lager umfasst Einbauteile und Artikel für zirka 250 Marken und 8500 TypenISO-zertifizierte Präzisionsfertigung nach DIN-NormWir holen und bringen Ihr ZweiradUnsere sämtlichen Produkte sind gebrauchstauglich, preiswürdig sowie betriebssicherAbsolute Fahrsicherheit des Zweirads, besonders bei den BremsenRoller-Ankauf zu fairen PreisenSie erhalten von uns stets die Erstausrüsterqualität - auch bei günstigen NachbautenWir sind der erste Ansprechpartner, für den Fall, dass es um den Kauf von einem Motorroller, Fun-Fahrzeug, Quad oder Buggy geht. Warum sollten Sie sich an uns wenden? Da wir durch unsere Jahrzehnte lange Erfahrung das notwendige Know-how für diesen Geschäftsbereich besitzen, können wir Ihnen den bestmöglichen Service bieten. Für unseren Familien betrieb ist das Geschäft rund um die Motorroller der ganze Lebensinhalt. Es ist nicht unbedingt sinnvoll, seinen Motorroller bei irgendeinem x-beliebigen Händler zu kaufen. Darum ist es wesentlich, sich seinen Lieferanten zuvor genau anzusehen. Alles ist bei uns uneingeschränkt transparent! Kommen Sie doch einfach mal in unserem Ladengeschäft vorbei und informieren Sie sich selbst über uns.Den Vertrauensbeweis erhalten Sie dann vor Ort auf gewisse Weise schwarz auf weiß.Potentielle Käufer, denen die Entfernung zu uns zu weit ist, können sich von zu Hause aus mittels des Trustedshops-Siegels und die unterschiedlichen Ebay Bewertungen über uns schlau machen. Sowohl unsere Geschäftspraxis als auch unser Onlineshop werden z.B. mit dem Trustedshops Gütesiegel "sehr gut" beurteilt. Unsere Kundenbewertungen bei Ebay liegen mit einem Bewertungsfaktor von ca. 99,9 % ebenso auf einem optimalen Niveau. Belegen diese Ergebnisse nicht klar und deutlich, dass unsere Kundschaft bestens bei uns aufgehoben ist? Denken Sie aber bitte daran, dass wir keine Maschinen sondern auch nur Menschen sind, denen unter Umständen bei denen unter Umständen etwas schief gehen kann. Seien Sie von daher nicht gleich erzürnt, wenn mal etwas schief läuft, sondern geben Sie uns die Gelegenheit, unseren Fehler wieder gut zu machen.Unser Fachgeschäft hat für Sie geöffnet: täglich von 8:00 - 18:00 Uhr, samstags von 9:00 - 13:00 Uhr.Wir möchten uns vorstellenWir tun eine Menge, damit unsere Kunden zufrieden sind. Vor über 5 Jahrzehnten startete unser Unternehmen mit dem Maschinenbau, während das Fahrzeuggeschäft gegenwärtig auch schon seit mehr als 25 Jahren Erfolg versprechend ausgebaut werden konnte. Wir haben uns zwischenzeitlich überwiegend auf das "Must have" für Tuning, Einbauteile und Zubehör für die häufigsten Roller festgelegt.Unser Sortiment umfasst mehr als 500.000 TeileBei Motorroller.de finden Sie nahezu alle Ersatzteile und Fahrzeuge aus Europa und Fernost. In unserem Versandlager befinden sich für rund 8500 Ausführungen und 250 Marken diverse Artikel, passendes Zubehör und Einbauelemente. Darunter befinden sich zum Beispiel so namhafte Hersteller wie Jonway, Kreidler, Yamaha oder Adly. Auf einer Fläche von über 1.000 m² haben wir in unseren Hochregalen mehr als 500.000 Produkte zahlreicher Anbieter im Programm. Hier finden Sie in jedem Fall das gewünschte Zubehör für Ihr motorisiertes Zweirad von A bis Z. Das beginnt bei den Nierengürteln, Handschuhen und Regensets, und geht bis hin zu den Windschildern über die Sturzhelme und das Top Case.Damit die Tuningfans nicht zu kurz kommen, haben wir für sie ausgewählte Artikel wie Zylinder, Auspuffanlagen, Kolben und weitere Dinge im Produktsortiment.Was passiert nach erfolgter Produktion?Laufende Qualitätskontrollen sind die Leidenschaft unseres Unternehmens. Das heißt, bevor wir einen Roller in die Hände des Kunden übergeben, wird er von uns nochmals auf tadellose Funktion und Fehlerfreiheit begutachtet. Das erste Mal geschieht dies vor dem Versand, indem wir jeden Motorroller auspacken und auf unserem computergesteuerten Zweirad-Prüfstand einem Probelauf respektive einer Übergabeinspektion unterziehen. Sofort nach der Lieferung zum Käufer wird dann das Fahrzeug abschließend abermals auf korrekte Funktion gecheckt, sodass wirklich garantiert ist, dass der Kunde ein 100-prozentig einwandfreies Gefährt erhält.Umweltschutz wir bei uns groß geschriebenDer Schutz unserer Umwelt liegt uns besonders am Herzen. Einerseits sind unsere motorisierten Zweiräder in der Regel mit effizienten Motoren bestückt. Bei der Anlieferung unserer Motorroller fällt ohne Ausnahme Verpackungsmaterial an. Dieses nehmen wir ohne Frage wieder zu einer fachgerechten Abfallentsorgung wieder mit.Wir nehmen Ihren Motorroller in ZahlungNach dem Erwerb eines neuen Rollers aus unserem Sortiment möchten Sie sich von Ihrem alten Modell trennen? Das ist absolut kein Ding! Wir nehmen Ihren gebrauchten Motorroller gerne in Zahlung.Wir konnten Ihre Skepsis trotz allem nicht ausräumen?Falls wir von Ihnen die Chance dazu erhalten würden, könnten wir Ihnen die Qualität unserer Leistungen auch beweisen. Wir sind kein billiger Internetshop, welcher heute kommt und morgen schon wieder verschwunden ist. In unserem stetig wachsenden Unternehmen steht Anpassung an neue Technologien sowie ständiges Lernen an der ersten Stelle, weil wir verstanden haben, dass sich nur durch fortschrittliche Innovationen und neue Ideen das Know-how für eine solide Geschäftsbasis bilden lässt. Überzeugen Sie sich selbst von unserem vortrefflichen Service und besuchen Sie uns doch einmal in unserem Betrieb in Lindenfels-Eulsbach.Wie finden Sie unser Unternehmen?Lindenfels liegt ca. 60 km südlich von Frankfurt am Main und 40 km nordöstlich von Mannheim im Odenwald (Regierungsbezirk Darmstadt). Optional ist es ohne Frage auch möglich, mit der Bahn zu fahren.Unsere TopmarkenUnsere Topmarken

Regulärer Preis:
Verfügbar
10,35 €
Rabatt
Bremssattel silber vorn links Jonway 2090204-9-A-S
Bremssattel silber vorn links Jonway 2090204-9-A-S

zu Artikel: Bremszange silber vorne links (Doppelkolben) mit Widerlager ohne Halter 2Takt 50ccm YY50QT-28 1E40QMBBremssattel vorne linksDer Artikel: Bremssattel vorne linksBrems-Zange vorne links, Bremshalterung vorne links, Bremsvorrichtung vorne links, Brems-Halterung vorne links, Brems-Vorrichtung vorne links, Bremssattel vorne links, Bremszange vorne links, Brems-Sattel vorne linksDieser Artikel passt bei vielen Modellen, unter anderem für: Otto Versand Rex RS 750, Jonway Milano 50, Jonway Imola 125 Race/Urban, Jonway RS 1000, Jonway Imola 50 Race/Urban, Kreidler MONACO 50 Race / Urban, Jonway Milano 125, Jonway RS 1100, AGM Fighter 50 One, AGM Firejet 50 YY50QT-28-AA-2TC, Jonway Stratos Chicago, Jonway Torino 125, Jonway Monaco 125 Race Urban, AGM Fighter 50 Sport, Kreidler Hiker 50Erstausrüsterqualität sehr gute VerarbeitungUnsere Ersatzteile für ihren Roller bzw. Scooter oder auch Motorroller können Sie bequem online in unserem Shop kaufen. Egal ob sie Ihren Roller im Kaufhaus oder im Baumarkt gekauft haben, für alle gängigen Europa-, Taiwan-, oder China-Roller finden Sie bei uns passende Bauteile, insbesondere für die Motoren 50 cc, 125 cc, 250 ccm, 4takt, 2takt und für größere Leistungen. Speziell für die Motorentypen 125-4T6M ,153FMI, 156FMI ,157QMJ, 158MJ ,1E40QMB, 1E40QMA ,152QMI, 157QMI ,150QMG ,164FML ,139QMB, 139QMA, JSD139QMB , GY6 ,139FMB in kurzen und langen Versionen in den Normen Euro1, Euro2, Euro3 sowie die neuen Euro 4 Einspritzer-Motoren finden Sie hochqualitative Ersatzteile. Gerne können Sie auch per Email nach Ersatzteilen anfragen. Bei Bestellwerten über 100 Euro können Sie auch unseren Finanzierungs- bzw. Ratenkauf-Service nutzen. Beim Kauf von Fahrzeugen können wir Ihnen auch ein Leasing-Angebot unterbreiten, das bietet sich insbesondere für Firmen an, die Betriebsfahrzeuge anschaffen, oder ihren Mitarbeitern ein Fahrzeug zur Verfügung stellen. Wir freuen uns auf Ihre Anfrage. Austauschen oder instand setzen?Wird mal irgendetwas am Roller schadhaft, dann hat man meistens zwei Optionen: reparieren lassen oder gleich austauschen. Ein zusätzlicher Aspekt ist, dass ein Ersatzelement nicht bloß günstiger ist als eine Instandsetzung, sondern anschließend auch eine erheblich höhere Ausfallsicherheit bietet. Häufig kann ausschließlich eine qualifizierte Werkstatt den Mangel auf Anhieb ermitteln. Eine vernünftige Alternative wäre es in einem solchen Fall, eines unserer fertigen Kits, die wir für zahlreiche diverse Fabrikate im Programm haben, zu bestellen. .Bei uns stimmen Preis und QualitätGroßen Wert legen wir auf qualitativ hochwertige Produkte zu einem günstigen Preis. Warum können wir so günstig sein? Die Antwort: Weil wir auf wirtschaftlich sinnvolle Einkaufsmengen der Bauteile achten. Sämtliche verfügbaren Ersatzteile für Ihren Roller kriegen Sie bei uns sowohl in guter Qualität als auch zu einem Preis, der Ihnen ein Lächeln ins Gesicht zaubert.Sie suchen für einen Eppella oder Sundiro Roller ein Zubehörteil? Keine Panik, wir haben sie lieferbar.Wer darauf Wert legt, erhält bei uns logischerweise auch das Originalteil für seinen fahrbaren Untersatz. Die meisten Kunden greifen trotzdem wegen der guten Preise und der Erstausrüster-Qualität auf unsere Nachbauten zurück. Mit unseren Ersatzteilen können Sie die Reparatur an Ihrem motorisierten Zweirad selber ausführen beziehungsweise auch von einem Fachmann durchführen lassen. Sie werden zweifellos keine andere Alternative finden, um zu attraktiven Kosten Ihr motorisiertes Zweirad instand setzen zu können.Mittels der Abbildungen ist die Bestellung der passenden Bauteile ein KinderspielIn unserem Online Shop finden Sie zahlreiches Bildmaterial, das Sie dabei unterstützt, Ihr altes Teil ganz leicht mit dem verfügbaren Ersatz zu vergleichen. Dadurch können Falschlieferungen zufolge fehlerhafter Bestellungen bereits im Vorhinein ausgeschlossen werden. Hierbei genügt nicht bloß eine optische Übereinstimmung. Es müssen überdies sowohl die deklarierten Dimensionen als auch die angegebenen Spezifikationen passen.Zehn Vorteile von denen Sie profitieren:Unsere sämtlichen Einbauteile sind preiswert, gebrauchstauglich sowie betriebssicherISO-zertifizierte Präzisionsfertigunghundertprozentige Verkehrssicherheit des Zweirads, besonders bei BremsanlagenAuch bei preisgünstigen Nachbauten bekommen Sie von uns ausnahmslos die Erstausrüsterqualität"Geld zurück" - Garantie, folglich Kauf ohne RisikoKurze LieferzeitenUnser Lager umfasst Einbauelemente und Artikel für ungefähr 250 Marken und 8500 TypenWir kaufen Ihren MotorrollerSie zahlen beim Ordern mehrerer Komponenten mit denselben Versandvoraussetzungen nur einmal VersandkostenAbhol- und BringserviceMotorroller, Straßenbuggys, Quads und Fun-Fahrzeuge kauft man am besten bei uns als Fachhändler. Was für einen Nutzen haben Sie von unserem Service? Weil wir für diesen Geschäftsbereich die Meister-Qualifikation und das Know-how besitzen, welche dazu unbedingt benötigt wird. Für unseren Familien betrieb ist das Geschäft rund um die Motorroller der ganze Lebensinhalt.Es ist nötig, sich das Fachgeschäft demzufolge vorab genau anzugucken, bevor man sich zu einem Kauf entschließt. Alles ist bei uns transparent und für den Käufer einleuchtend! Gerne können Sie uns im Ladengeschäft besuchen, um sich über uns selber ein Bild zu machen.Das was Sie dort feststellen, wird Sie mit Sicherheit überzeugen.Interessenten, denen die Anfahrt zu uns zu weit ist, können sich von zu Hause aus mittels der verschiedenen Ebay Bewertungen und des Trustedshops-Siegels über uns schlau machen. Die Bewertungen von Trustedshops sind generell nicht nur durchweg wertneutral sondern auch ungemein aussagekräftig. Sowohl der Internet-Shop auf unserer Webseite Motorroller.de als auch unsere Geschäftspraktiken wurden von dieser Einrichtung bis dato durchgehend mit "sehr gut" eingestuft. Der Bewertungsfaktor von rund 99,9 % bei Ebay in den Käuferrezensionen kann sich gleichfalls sehen lassen. Beweisen diese Resultate nicht eindeutig, dass unsere Kundschaft bestens bei uns aufgehoben ist?Aber auch, wenn wir uns noch so bemühen - wir sind keine Roboter, sondern Menschen, die bisweilen mal etwas falsch machen. Falls also etwas nicht zu Ihrer Zufriedenheit funktioniert hat, bitten wir Sie, uns die Chance zu geben, die Sache in Ordnung zu bringen.Wann wir Ihnen zu Diensten stehen? Jeden Tag von 8:00 bis 18:00 Uhr und samstags von 8:00 bis 13:00 Uhr.Unser Unternehmen stellt sich vorWir tun eine Menge, damit unsere Kunden zufrieden sind. Den Handel mit Fahrzeugen betreiben wir äußerst Erfolg versprechend schon seit über 25 Jahren, möchten hierbei aber nicht unerwähnt lassen, dass wir bereits mehr als fünfzig Jahre auf eine Erfolgsgeschichte auf dem Gebiet des Maschinenbaus zurückblicken können. Heute haben wir uns zusammen mit dem Vertrieb von Motorrollern, auf "Nice-to-have" für Motortuning, Einbauteile und Zubehör spezialisiert.Wir haben über 500.000 Komponenten im SortimentWer auf der Suche nach einem preiswerten Zweirad oder Teil für seinen fahrbaren Untersatz ist, der wird auf unserer Web-Seite unter Motorroller.de auf unserer Homepage fündig. In unserem Warenlager warten passende Produkte als Zubehör, Artikel und Ersatzteile für ungefähr 250 Hersteller und 8500 Ausführungen auf Ihre Bestellung. Adly, Yamaha, Kreidler oder Jonway zählen zum Beispiel zu unseren langjährigen Lieferanten. Es sind ca. 500.000 Produkte von zahlreichen diverser Produzenten, welche wir in unserem Hochregallager auf einer Fläche von über 1.000 m² lieferbar haben. Unser Zubehörlager bietet somit alles, was Sie als Rollerfahrer für Ihren fahrbaren Untersatz brauchen.Das beginnt beim Top Case über die Schutzhelme und den Windschildern, und geht bis hin zu Handschuhen, Nierengürteln und Regensets.Selbst Tuningfans kommen bei uns auf ihre Rechnung. Sie finden in unserem Tuningbereich alles was das Herz begehrt, wie z.B. Zylinder, Auspuffanlagen, Kolben und weitere Dinge.Was passiert nach erfolgter Produktion?Keine Ware verlässt unser Unternehmen, ehe sie nicht auf tadellose Qualität kontrolliert worden ist. Das heißt, alle Motorroller, die das Herstellerwerk verlassen haben, werden von uns nochmals gründlich auf eventuelle Mängel bzw. Transportschäden überprüft, ehe sie in die Hände unserer Kunden übergeben werden. Wir packen zuallererst jedes Fahrzeug nach der Ankunft in unserem Haus aus und unterziehen es auf unserem computergesteuerten Zweirad-Prüfstand einem Testlauf. Ein allerletzter Funktionscheck erfolgt dann bei der Übergabe an den Kunden. Dadurch ist gesichert, dass der Roller sich de facto in einem korrekten Zustand befindet und den Käufer vollumfänglich zufriedenstellt.Schutz unserer UmweltWas uns besonders am Herzen liegt, ist ein wirksamer Umweltschutz. Zur Reinerhaltung der Luft haben unsere motorisierten Zweiräder allesamt Motoren, welche überaus wirtschaftlich laufen. Um die Umwelt darüber hinaus zu entlasten und eine professionelle Müll-Entsorgung zu garantieren, nehmen wir die Transportverpackung wieder mit, die bei der Auslieferung unserer Fahrzeuge anfällt.Wir kaufen Ihren MotorrollerIhr alter Roller ist in die Jahre gekommen und Sie beabsichtigen, bei uns ein neues Modell zu erwerben. Aber was tun mit dem alten Fahrzeug? Das ist absolut kein Ding! Wir nehmen Ihren gebrauchten Motorroller gerne in Zahlung.Wir konnten noch nicht Ihre Skepsis beseitigen?Für den Fall, dass wir von Ihnen die Gelegenheit dazu erhalten würden, könnten wir Ihnen unsere fachliche Kompetenz auch beweisen. Man sollte uns nicht mit den zahlreichen billigen Online-Shops, auf eine Stufe stellen, die heute kommen und morgen bereits wieder weg sind. Es ist uns nicht entgangen, dass sich bloß dank neuer Ideen und fortschrittlicher Innovationen die Basis für eine erfolgreiche Geschäftstätigkeit legen lässt. Falls für Sie mal die Möglichkeit besteht, einen Abstecher nach Lindenfels-Eulsbach machen zu können, haben Sie die Gelegenheit, sich persönlich in unserem Betrieb von unserem außergewöhnlichen Service zu überzeugen.Wie finden Sie unser Unternehmen?Lindenfels liegt ungefähr 60 km südlich von Frankfurt am Main und 40 km nordöstlich von Mannheim im Odenwald (Regierungsbezirk Darmstadt). Logischerweise kann man auch völlig bequem per Bahn hinfahren.Unsere TopmarkenUnsere Topmarken

Verkaufspreis:
Verfügbar
69,90 € Regulärer Preis: 80,39 €