Zum Hauptinhalt springen Zur Suche springen Zur Hauptnavigation springen
Menü
efr
erf
rrrf
Schnell lieferbar
14 Tage Rückgaberecht
Schneller DPD Versand

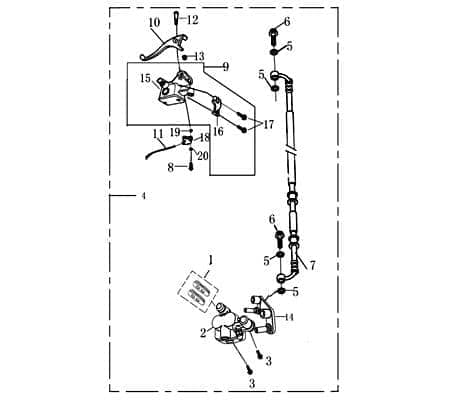
zu Artikel: Brems-Halterung Rex RS 460

Brems-Halterung vorne links 2 Kolben silber ohne Halter 4Takt 50ccm JSD50QT-13 JSD139QMB

Technik-Info

Brems-Halterung

auch zu finden unter: Bremssattel, Bremszange, Brems-Sattel, Brems-Zange, Brems-Block, Bremshalterung, Bremsvorrichung, Brems-Halterung, Brems-Vorrichtung

Der Bremssattel beherbergt die Bremsbacken und die Bremskolben. Er ist das feststehende Teil der Scheibenbremse. Er ist auf das Fahrwerk und die Bremsscheibe abgestimmt.

Dieser Artikel wurde speziell hergestellt für:

Rex RS 460 50ccm 4Takt

Geprüfte Erstausrüsterqualität beste Verarbeitung günstiger Preis Direktimport Kauf vom Großvertreiber

Unsere Ersatzteile für ihren Scooter bzw. Motorroller oder auch Roller können Sie bequem online in unserem Shop kaufen. Egal ob sie Ihren Roller im Kaufhaus oder im Baumarkt gekauft haben, für alle gängigen Europa-, Taiwan-, oder China-Roller finden Sie bei uns passende Bauteile, insbesondere für die Motoren 50 cc, 125 cc, 250 ccm, 4-Takt, 2-Takt und für größere Leistungen. Speziell für die Motorentypen 157QMJ, 158MJ ,164FML ,GY6 ,1E40QMB, 1E40QMA ,139QMB, 139QMA, JSD139QMB ,153FMI, 156FMI ,125-4T6M ,152QMI, 157QMI ,150QMG ,139FMB in kurzen und langen Versionen in den Normen Euro1, Euro2, Euro3 sowie die neuen Euro 4 Einspritzer-Motoren finden Sie Ersatzteile von bewährter Qualität. Gerne können Sie auch per Email nach Ersatzteilen anfragen. Bei Bestellwerten über 100 Euro können Sie auch unseren Finanzierungs- bzw. Ratenkauf-Service nutzen. Beim Kauf von Fahrzeugen können wir Ihnen auch ein Leasing-Angebot unterbreiten, das bietet sich insbesondere für Firmen an, die Betriebsfahrzeuge anschaffen, oder ihren Mitarbeitern ein Fahrzeug zur Verfügung stellen. Bitte fragen Sie an.

Baugruppe: Rahmen

Position: vorn links

Artikelposition in Explosionszeichnung: 2

Ersatzteil: Bremssattel

Motorroller bequem online kaufen – von der Bestellung bis zur Lieferung


Mobiler Home Service – Bundesweit Inspektionen und Reparaturen


Motorroller.de – Über uns – Ihr Support vom Profi seit 1993

Ihr Finanzierungsplan**
Monate Rate mtl. Gesamt
6039,67 €2.380,49 €
12157,59 €1.891,14 €

Einfach im Bestellvorgang die Expokredit-Finanzierung als Zahlungsweise auswählen ...

  • Jonway Boston 8 Mofaroller
  • Jonway Drive 50
  • Jonway Jigger 50
  • Jonway Jigger 50 City
  • Jonway Monza 50 Race Urban
  • Jonway Rex RS 460
  • Jonway Rex RS 500
  • Jonway RS 400
  • Jonway Unser Norden Mofaroller
  • Jonway Unser Norden Mokickroller
  • Jonway YY50QT 6
  • Kreidler Drive
  • Kreidler Jigger 50
  • Kreidler Jigger 50 City
  • Kreidler MONZA 50 Race / Urban (Fin: WS1 od. L8Y)
  • Kreidler RS 500
  • Qingqi Capriolo 50
  • Qingqi Rex RS 450 OFF-LIMIT/TRIBAL-Scooter/CAPRIOLO 50 QM50QT-6A
  • Qingqi REX RS 600 QM50QT-2
  • Qingqi RS 450
  • Rex Capriolo 50 4T
  • Rex Cruiser 125
  • Rex Drive 50
  • Rex JIGGER 50 City
  • Rex Monza 50 Fin: L5Y
  • Rex RS 400
  • Rex RS 450
  • Rex RS 450 OFF-LIMIT/TRIBAL-Scooter/CAPRIOLO 50 QM50QT-6A
  • Rex RS 450 QM50QT-6A CAPRIOLO 50
  • Rex RS 460
  • Rex RS 460 BOSTON 8
  • Rex RS 460 Mofaroller 4-T
  • Rex RS 500
  • Rex RS 500 QM50QT 6A-AQINGQI
  • Rex RS 600 QM50QT-2
  • SMC HELA DRIVE
  • SMC RS 450
Produktgalerie überspringen

Kunden haben sich ebenfalls angesehen

Rabatt
Rex RS460 Boston 8 Schloss-Garnitur Zündschloss 50ccm Motorroller.de Tankverschluss Tank-Verschluss 4Takt 139QMB JSD50QT-13 50cc 4T 139QMA
Rex RS460 Boston 8 Schloss-Garnitur Zündschloss 50ccm Motorroller.de Tankverschluss Tank-Verschluss 4Takt 139QMB JSD50QT-13 50cc 4T 139QMA

zu Artikel: Schlosssatz komplett Blechtank Tankdeckel mit Belueftung (mit abged. Steckverbindung) JSD50QT-13 4Takt 50ccm Schlosssatz Technik-Info Schlosssatz auch zu finden unter: Schlosssatz,Zündschlosssatz,Zuendschlosssatz,Schlossgarnitur,Schlössersatz,Schloessersatz,Zündschloss,Zuendschloss,Schlossset,Tankdeckel,Tankverschluss,Zündschloss-Satz,Zuendschloss-Satz,Schloss-Garnitur,Schlösser-Satz,Schloesser-Satz,Schloss-Satz,Zünd-Schloss,Zuend-Schloss,Schloss-Set,Tank-Deckel,Tank-Verschluss,Zündschlosskit,Zuendschlosskit,Schlosskit,Schlossatz Schlossatz ,auch Schlössersatz, oder Zündschloss genannt besteht komplett in Erstausrüster-Qualität. Die preiswerte Alternative, wenn Schlüssel verlorengegangen/abgebrochen, oder Zünd-/Sitzbankschloss defekt sind. Egal was zutrifft, ein neuer Schlossatz ist oft günstiger als eine Reparatur. Alle Gründe sprechen für einen neuen Schlossatz, da die Originalteile oft sehr viel teurer sind um nur das defekte Einzelschloss auszutauschen. Das führt dann oft auch zu vielen verschiedenen Schlüsseln und bringt nur unnötige Komplikationen mit sich. Unsere Schlossätze entsprechen einem Schließsystem für alle im Fahrzeug befindlichen Schlösser, mit zwei neuen Schlüsseln. In der Regel kann das Schlossystem ohne Anpassungsarbeiten ausgetauscht werden. Vor der Bestellung bitte Ihr altes System mit dem abgebildeten, angebotenen neuen Schlossatzsystem vergleichen. Lieferumfang wie abgebildet. Änderungen auf Herstellerseite vorbehalten. Dieser Artikel wurde speziell hergestellt für:   Rex RS 460 BOSTON 8 50ccm 4Takt Erstausrüsterqualität günstig Unsere Ersatzteile für ihren Scooter bzw. Motorroller oder auch Roller können Sie bequem online in unserem Shop kaufen. Egal ob sie Ihren Roller im Baumarkt oder im Kaufhaus gekauft haben, für alle gängigen China-, Taiwan-, oder Europa-Roller finden Sie bei uns passende Bauteile, insbesondere für die Motoren 50 cc, 125 cc, 250 ccm, 2-Takt, 4-Takt und für größere Leistungen. Speziell für die Motorentypen 125-4T6M ,139QMB, 139QMA, JSD139QMB ,152QMI, 157QMI ,139FMB ,157QMJ, 158MJ ,GY6 ,1E40QMB, 1E40QMA ,150QMG ,153FMI, 156FMI ,164FML in kurzen und langen Versionen in den Normen Euro1, Euro2, Euro3 sowie die neuen Euro 4 Einspritzer-Motoren finden Sie Ersatzteile von erstklassiger Qualität. Gerne können Sie auch per Email nach Ersatzteilen anfragen. Bei Bestellwerten über 100 Euro können Sie auch unseren Finanzierungs- bzw. Ratenkauf-Service nutzen. Beim Kauf von Fahrzeugen können wir Ihnen auch ein Leasing-Angebot unterbreiten, das bietet sich insbesondere für Firmen an, die Betriebsfahrzeuge anschaffen, oder ihren Mitarbeitern ein Fahrzeug zur Verfügung stellen. Bitte fragen Sie an. Ein Bauteil ist defekt - soll es gleich ausgetauscht oder repariert werden? Ganz egal, ob jemand einen Motorroller, Dreirad-Roller oder Elektroroller respektive E-Roller fährt, er stellt sich wahrscheinlich häufig die Frage, ob sie ein fehlerhaftes Teil tauschen oder instand setzen lassen sollen. Zusätzlich bietet ein neues Teil eine erheblich höhere Funktionssicherheit als eine Reparatur des Zweirads. Zumeist kann lediglich eine qualifizierte Fachwerkstatt den Schaden auf Anhieb entdecken. Bestellen Sie doch am besten sofort eines unserer einbaufertigen Komplett-Kits, die wir für viele diverse Bauteile anbieten. . Für Ihr Zweirad - erstklassige Qualitätsersatzteile Die Qualität unserer Komponenten braucht keine Mitbewerber auf dem Weltmarkt zu fürchten. Unsere Bauteile sind aus dem Grund so attraktiv, da wir bereits beim Einkauf auf ökonomisch sinnvolle Produktmengen achten. Sofern Ihr motorisiertes Zweirad einmal eine neue Komponente benötigt, wenden Sie sich vertrauensvoll an uns. Sie erhalten bei uns ausnahmslos beste Qualität zu einem erschwinglichen Preis. Auch für Roller, Quads und Buggys, die nicht mehr hergestellt werden, haben wir im Prinzip die Zubehörteile vorrätig. So zum Beispiel für die Marken Sundiro und Eppella. Wer darauf Wert legt, bekommt bei uns logischerweise auch das Originalteil für sein Zweirad. Die meisten Kunden fassen trotzdem wegen der guten Preise und der Erstausrüster-Qualität unsere Nachbauten ins Auge. Voraussichtlich gibt es keine andere Alternative, im Zusammenhang mit der Instandsetzung Ihres Rollers, um eine Menge Geld zu sparen. Es ist denkbar einfach, mittels der Bilder das benötigte Bauteil zu ordern Auf unserer Seite finden Sie zahlreiches Bildmaterial, welches Ihnen eine wertvolle Hilfe ist, Ihr defektes Teil ganz leicht mit dem lieferbaren Ersatz zu vergleichen. Dadurch können Falsch- oder Fehllieferungen anhand fehlerhafter Bestellungen schon vorweg ausgeschlossen werden. Dabei ist es relevant, dass das Element, das Sie tauschen möchten, nicht lediglich augenscheinlich, sondern auch in den technischen Angaben und Abmessungen mit Ihrer Bestellung übereinstimmt.   Zehn Vorteile aus denen Sie Nutzen ziehen:   Roller-Ankauf Unsere sämtlichen Erzeugnisse sind zuverlässig, betriebssicher und kostengünstig hundertprozentige Verkehrssicherheit des Rollers, besonders bei Bremsanlagen Sie zahlen bei Bestellung mehrerer Teile mit identischen Versandbedingungen nur einmal Versandkosten Einbauteile und Artikel für ca. 250 Marken und 8500 Modelle auf Lager DIN-Norm gerechte und ISO-zertifizierte Präzisionsfertigung Abhol- und Bringservice Sie erhalten von uns ausnahmslos die Erstausrüsterqualität - auch bei preiswerten Nachbauten Unsere Lieferungen erfolgen überwiegend kurzfristig Kauf ohne Risiko durch "Geld zurück" - Garantie Motorroller, Quads, Fun Fahrzeuge und Buggys kauft man am besten bei uns als Fachhändler. Aus welchem Grund sollten Sie sich an uns wenden? Da wir dank unserer jahrzehntelangen Erfahrung das entsprechende Know-how für dieses Geschäftsfeld besitzen, können wir Ihnen den bestmöglichen Service bieten. Unsere Leidenschaft ist nicht lediglich die Vermarktung der Roller, sondern unsere Kunden auch hinterher zu betreuen sowie einen möglichst perfekten Fahrzeugservice zu bewerkstelligen. Wir betreiben nicht nur unser Geschäft rund um die Motorroller, wir leben es buchstäblich. Es ist notwendig, sich das Fachgeschäft folglich vorher genau anzugucken, ehe man sich für einen Kauf entscheidet. Bei uns ist alles absolut nachvollziehbar! Gerne können Sie uns im Ladengeschäft aufsuchen, um sich über uns selbst ein Bild zu machen.Das was Sie dort sehen, wird Sie auf jeden Fall überzeugen. Vielleicht ist Ihnen die Entfernung zu uns zu weit. Dann gibt es auch die Option, durch die unterschiedlichen Ebay Bewertungen und des Trustedshops-Siegels Infos über uns einzuholen. Die Benotungen von Trustedshops sind generell nicht nur sehr aussagekräftig, sondern auch gänzlich wertneutral. Sowohl der Shop auf unserer Webseite Motorroller.de als auch unsere Geschäftspraktiken wurden von dieser Institution bisher durchweg mit "sehr gut" beurteilt. Der Bewertungsfaktor von ca. 99,9 Prozent bei Ebay in den Käuferrezensionen kann sich ebenfalls sehen lassen. Was bestätigen all diese Ergebnisse ganz offensichtlich? Dass wir uns auf allen Gebieten stets mächtig ins Zeug legen! Denken Sie aber bitte daran: Wir sind auch nur Menschen, die mitunter etwas falsch machen. Wir möchten Sie darum bitten, uns definitiv eine Möglichkeit zur Verbesserung zu geben, wenn mal etwas nicht völlig zu Ihrer Zufriedenheit ausgefallen ist. Unser kompetentes Team ist täglich von 8:00 - 18:00 Uhr und samstags von 9:00 - 13:00 für Sie da. Unsere Firmenphilosophie Es liegt uns eine Menge an der Zufriedenstellung unserer Kunden. Vor über 5 Jahrzehnten fingen wir mit dem Maschinenbau an, während sich das Geschäft mit Fahrzeugen zwischenzeitlich auch schon seit mehr als 25 Jahren mit Erfolg etablieren konnte. Unser Brennpunkt ist heute auf den Verkauf von "Must-to-have" für Motortuning, Einbauteilen und Fahrzeugzubehör für die häufigsten Roller ausgerichtet. Wir können zeitnah rund 500.000 Zubehörteile liefern Wer auf der Suche nach einem preiswerten Zweirad oder Einbauteil für seinen fahrbaren Untersatz ist, der findet bei uns unter Motorroller.de bestimmt das richtige Element. Wir haben Artikel, passendes Zubehör und Einbaukomponenten für etwa 250 Fabrikate und 8500 Modelle für Sie auf Lager. Darunter befinden sich z.B. Lieferanten wie Kreidler, Adly, Yamaha oder Jonway. Es sind mehr als 500.000 Produkte von diversen unterschiedlicher Produzenten, welche wir in unserem Hochregallager auf einer Lagerfläche von über 1.000 m² im Programm haben. Unsere Zubehörabteilung bietet somit alles, was Sie als Rollerfahrer für Ihr motorisiertes Zweirad brauchen. Das beginnt bei den Windschildern über das Top Case und den Sturzhelmen, und geht bis hin zu Nierengürteln, Handschuhen und Regensets.In unserem Tuningbereich halten wir für alle, die es lieber sportlich mögen gleichfalls einige ausgesuchte Produkte bereit. Dazu gehören z.B. Auspuffanlagen, Zylinder, Kolben und dergleichen Dinge. Was geschieht nach erfolgter Produktion? Regelmäßige Qualitätskontrollen sind die Passion unseres Hauses. Mit anderen Worten, ehe ein Fahrzeug ausgeliefert beziehungsweise vom Kunden abgeholt wird, checken wir es abschließend nochmals auf Herz und Nieren. Das erste Mal geschieht dies vor dem Versand, indem wir jeden Roller auspacken und auf unserem Zweirad-Prüfstand einem Probelauf beziehungsweise einer Übergabeinspektion unterziehen. Ehe der Käufer den Motorroller übernimmt, erfolgt noch ein letzter Funktionstest. Dadurch ist wirklich garantiert, dass der Kunde mit seinem Erwerb zu hundert Prozent zufrieden ist. Umweltschutz wir bei uns groß geschrieben Der Schutz unserer Umwelt liegt uns sehr am Herzen. Unsere motorisierten Zweiräder verfügen zum einen durchweg über einen effizienten Verbrennungsmotor. Die Transportverpackung nehmen wir natürlich wieder mit, um sie einer fachgerechten Entsorgung zuzuführen - auch das ist für uns ein Beitrag zu einer sauberen Umwelt. Roller-Ankauf Nach dem Erwerb eines neuen Rollers aus unserem Sortiment möchten Sie sich von Ihrem alten Modell trennen? Machen Sie sich hierüber keine Sorgen! Wir nehmen Ihren gebrauchten Motorroller gerne in Zahlung. Es ist uns nicht gelungen, Ihre Skepsis auszuräumen? Dann geben Sie uns doch die Möglichkeit, Sie von der Qualität unserer Leistungen zu überzeugen. Wir gehören nicht zu den billigen Onlineshops, die wie Eintagsfliegen heute kommen und nach kurzer Zeit wieder unauffindbar sind. Die solide Basis für einen erfolgreichen Betrieb besteht darin, dass bloß mittels zeitgemäßer Innovationen und neuer Ideen ein nachhaltiges Wachstum garantiert werden kann. Folglich stehen ständiges Lernen sowie die Anpassung an modernen Technologien in unserem stetig wachsenden Unternehmen fortwährend in der Rangordnung ganz oben. Falls für Sie einmal die Möglichkeit besteht, einen Abstecher nach Lindenfels-Eulsbach zu machen, können Sie die Gelegenheit nutzen, sich persönlich von unserem vorzüglichen Kundenservice in unserem Unternehmen zu überzeugen. Wie finden Sie unser Unternehmen? Wenn Sie über die Autobahn mit dem eigenen PKW anreisen, führt die Strecke nach Lindenfels entweder über Stuttgart, Karlsruhe und Mannheim (A8) oder über Frankfurt am Main (A6). Der Ort befindet sich im Regierungsbezirk Darmstadt. Eine Anreise per Bahn ist logischerweise ebenso möglich. Unsere Topmarken Unsere Topmarken

Verkaufspreis:
Verfügbar
69,00 € Regulärer Preis: 79,35 €
Moto Zeta Rally 50 Starter 50ccm 4Takt Anlasser Roller Motorroller.de Anlasser-Motor 50cc 4T Elektrostarter Elektrostart E-Starter
Moto Zeta Rally 50 Starter 50ccm 4Takt Anlasser Roller Motorroller.de Anlasser-Motor 50cc 4T Elektrostarter Elektrostart E-Starter

zu Artikel: Anlasser 10 Zähne komplett mit Kabel 139QMA 139QMB GY6 4Takt 50ccmAnlasser Starter 10Z komplett mit Kabel 139QMA 139QMB GY6 4Takt 50ccm Technik-InfoAnlasser auch zu finden unter: Elektrostarter, Startermotor, Starter, Elektro-Starter, Anlassermotor, E-Starter, Anlasser, Anlassermotor, Anlasser-Motor, Elektro-Starter Der Anlasser / Starter, Elektrostarter, E-Starter ,oder auch Startermotor genannt, sorgt dafür, dass der Antriebsmotor auch im Stillstand anspringen kann, ohne dass er mit dem Kickstarter angetreten wird. Unser Anlasser ist ein Originalersatz in Erstausrüsterqualitiät, der ganz einfach gegen den Alten ausgetauscht werden kann. Dieser Artikel wurde hergestellt für Fahrzeuge der Marke:Jonway und AGM Kostenloser Versand Bei Ersatzteilen für jeden zusätzlichen Artikel mit den gleichen Versandkriterien, den Sie von uns kaufen. Unsere Ersatzteile für ihren Motorroller bzw. Scooter oder auch Roller können Sie bequem online in unserem Shop kaufen. Egal ob sie Ihren Roller im Baumarkt oder im Kaufhaus gekauft haben, für alle gängigen Europa-, Taiwan-, oder China-Roller finden Sie bei uns passende Bauteile, insbesondere für die Motoren 50 cc, 125 cc, 250 ccm, 4-Takt, 2-Takt und für größere Leistungen. Speziell für die Motorentypen 153FMI, 156FMI ,157QMJ, 158MJ ,125-4T6M ,152QMI, 157QMI ,150QMG ,139FMB ,164FML ,GY6 ,1E40QMB, 1E40QMA ,139QMB, 139QMA, JSD139QMB in kurzen und langen Versionen in den Normen Euro1, Euro2, Euro3 sowie die neuen Euro 4 Einspritzer-Motoren finden Sie qualitativ erstklassige Ersatzteile. Gerne können Sie auch per Email nach Ersatzteilen anfragen. Bei Bestellwerten über 100 Euro können Sie auch unseren Finanzierungs- bzw. Ratenkauf-Service nutzen. Beim Kauf von Fahrzeugen können wir Ihnen auch ein Leasing-Angebot unterbreiten, das bietet sich insbesondere für Firmen an, die Betriebsfahrzeuge anschaffen, oder ihren Mitarbeitern ein Fahrzeug zur Verfügung stellen. Bitte fragen Sie an. Instandsetzen oder auswechseln?Gleichgültig, ob jemand einen Dreirad-Roller, Elektroroller bzw. E-Roller oder Motorroller fährt, er stellt sich höchstwahrscheinlich oft die Frage, ob sie ein schadhaftes Bauteil ersetzen oder reparieren lassen sollen. Angesichts solcher Überlegungen muss man dessen ungeachtet im Sinn behalten, dass zufolge der verhältnismäßig hohen Arbeitslöhne in Europa, eine solche Instandsetzung nicht selten sehr teuer werden kann. Ein zusätzlicher Gesichtspunkt ist, dass ein Ersatzteil nicht lediglich preisgünstiger ist als eine Instandsetzung, sondern hinterher auch eine beträchtlich größere Ausfallsicherheit bietet. Ein versteckter Schaden kann meistens nur von einer qualifizierten Fachwerkstatt mittels Spezialwerkszeugen geortet werden. Ordern Sie doch am besten sofort eines unserer fertigen Ersatzteil-Kits, welche wir in zahlreichen unterschiedlichen Ausführungen anbieten. .Für Ihren fahrbaren Untersatz - erstklassige QualitätsersatzteileDie Teile, die wir im Programm haben, entsprechen in Bezug auf die Qualität zu 100 Prozent dem Weltmarktniveau. Wir können lediglich deswegen so günstig sein, weil wir unsere Produkte in ausreichend großen Mengen einkaufen. Sofern Ihr motorisiertes Zweirad einmal neues Teil benötigt, wenden Sie sich vertrauensvoll an uns. Sie bekommen bei uns stets beste Qualität zu einem bezahlbaren Preis. Wir führen sogar für die häufigsten Motorroller, Buggys und Quads die Komponenten, welche gar nicht mehr produziert werden. Beispielsweise haben wir alle Ersatzteile für die Marken Sundiro und Eppella nach wie vor auf Lager.Wer darauf Wert legt, erhält bei uns ohne Frage auch das Originalteil für sein Zweirad. Die meisten Kunden fassen aber auf Grund der guten Preise und der Erstausrüster-Qualität unsere Nachbauten ins Auge. Mit unseren Komponenten können Sie die Reparatur an Ihrem Motorroller selber bewerkstelligen beziehungsweise auch in einer Werkstatt durchführen lassen. Sie werden vermutlich keine andere Alternative finden, um zu attraktiven Kosten Ihren Motorroller reparieren zu können.Mithilfe der Produktbilder ist die Bestellung der gewünschten Austauschteile ein KinderspielZufolge des anschaulichen Bildmaterials können Sie Ihre alte Komponente ganz einfach mit dem erhältlichen Ersatz vergleichen, damit Sie auch in der Tat den passenden Artikel erhalten. Achten Sie bitte speziell auf die Übereinstimmung des defekten Bauteils mit dem abgebildeten Artikel; speziell was die aufgeführten Abmessungen und technischen Spezifikationen betrifft. Auf welche Weise Sie davon profitieren:Sie zahlen nur einmal den Versand beim Ordern mehrerer Einbauelemente mit identischen VersandvoraussetzungenKurze LieferzeitenUnsere sämtlichen Ersatzteile sind ausfallsicher, kostengünstig und gebrauchstauglichAbhol- und BringserviceKauf ohne Risiko dank "Geld zurück" - GarantieDIN-Norm gerechte und ISO-zertifizierte PräzisionsfertigungAuch bei preiswerten Nachbauten bekommen Sie von uns ausschließlich die ErstausrüsterqualitätAbsolute Verkehrssicherheit des Zweirads, speziell bei BremsanlagenTeile und Zubehör für zirka 250 Marken und 8500 Typen auf LagerRoller-AnkaufWir sind die erste Adresse, wenn es um den Kauf von einem Roller, Fun Fahrzeug, Straßenbuggy oder Quad geht. Wieso sind wir der richtige Partner für Sie? Weil wir uns dank unserer jahrzehntelangen praktischen Erfahrung das nötige Know-how für dieses Geschäftsfeld angeeignet haben, können wir Ihnen einen perfekten Kundenservice bieten. Unser Steckenpferd ist nicht lediglich die Vermarktung der Roller, sondern unsere Kunden auch anschließend zu betreuen sowie einen optimalen Fahrzeugservice zu bieten. Wir betreiben nicht nur unser Geschäft rund um die Motorroller, wir leben es richtiggehend. Kaufen ist Vertrauenssache, aus dem Grund ist es notwendig, sich seinen Lieferanten vorher genau anzugucken. Unsere Geschäftspraktiken sind für den Käufer absolut transparent! Kommen Sie doch einfach mal bei uns vorbei und informieren Sie sich persönlich über uns.Den Beweis unserer vorzüglichen Leistungen sehen Sie dann direkt vor Ort.Wenn Ihnen der Weg zu uns zu weit ist, können Sie sich auch mittels der verschiedenen Ebay Bewertungen und des Trustedshops-Siegels schlau machen. Zum Beispiel wird sowohl unsere Geschäftspraxis als auch unser Online Shop mit dem Trustedshops Gütesiegel "sehr gut" bewertet, was uns nicht zu Unrecht sehr stolz macht. Unsere Käuferbewertungen bei Ebay liegen mit einem Wert von rund 99,9 % gleichfalls in einem optimalen Bereich. Was beweisen all diese Resultate ganz offensichtlich? Dass wir in allen Belangen immer geben!! Aber auch, wenn wir uns noch so bemühen - wir sind keine Roboter, sondern Menschen, die zuweilen mal etwas falsch machen. Falls also etwas nicht vollends zu Ihrer Zufriedenheit geklappt hat, bitten wir Sie, uns die Chance zu geben, die Sache in Ordnung zu bringen.Unser Fachgeschäft hat für Sie geöffnet: täglich von 8:00 - 18:00 Uhr, samstags von 9:00 - 13:00 Uhr.Seit vielen Jahren im Dienst unserer KundenBei uns ist der Kunde wirklich noch König. Mehr als 25 Jahre ist unser Unternehmen mit Erfolg im Fahrzeuggeschäft aktiv, wobei wir uns allerdings schon vor über 5 Jahrzehnten auf dem Gebiet des Maschinenbaus erfolgreich etablieren konnten. Wir haben uns inzwischen überwiegend auf Fahrzeugzubehör, das "Nice-to-have" für Tuning und Einbauteile für die meisten Motorroller ausgerichtet.Unser Teilespektrum schließt zirka 500.000 tag=203#Einbauteile einWenn Sie zu Ihrem motorisierten Zweirad eine Komponente suchen, werden Sie auf unserer Website unter Motorroller.de mit Sicherheit fündig. Wir haben Artikel, passendes Zubehör und Teile für ungefähr 8500 Ausführungen und 250 Hersteller auf Lager. Z.B. arbeiten wir schon jahrelang mit Produzenten wie Yamaha, Jonway, Kreidler oder Adly zusammen. Es sind mehr als 500.000 Produkte von zahlreichen zahlreicher Anbieter, welche wir in unseren Hochregalen auf einer Lagerfläche von über 1.000 m² lieferbar haben. Unsere Zubehörabteilung bietet folglich alles, was man als Rollerfahrer braucht. Das beginnt bei den Regensets, Nierengürteln und Handschuhen, und geht bis hin zu den Windschildern über die Sturzhelme und das Top Case.Auch für die Tuningfans, welche gerne sportlich fahren, haben wir ausgewählte Artikel im Sortiment. Dazu zählen etwa Zylinder, Auspuffanlagen, Kolben und dergleichen Dinge.Was geschieht nach erfolgter Produktion?Absolute Qualitätskontrolle ist unsere Passion. Dies bedeutet, bevor wir ein Fahrzeug in die Hände des Kunden geben, wird es von uns nochmals auf einwandfreie Funktion und Mängelfreiheit überprüft. Wenn die Roller bei uns ankommen, wird jedes einzelne Zweirad ausgepackt und als erstes einer visuellen Prüfung respektive einem Testlauf auf unserem Prüfstand unterzogen. Ein abschließender Funktionstest erfolgt dann im Anschluss der Übergabe an den Käufer. Hierdurch ist gesichert, dass der Motorroller sich de facto in einem tadellosen Zustand befindet und den Kunden völlig zufriedenstellt.UmweltschutzWir tragen zum Schutz unserer Umwelt bei. Unsere Fahrzeuge besitzen zum einen allgemein einen wirtschaftlichen Motor. Jegliches Verpackungsmaterial nehmen wir klarerweise wieder mit, um es einer fachgemäßen Entsorgung zuzuführen - auch das gehört für uns zu einer sauberen Umwelt.Roller-AnkaufSie haben einen neuen Motorroller bei uns gekauft und wollen Ihren ausgedienten fahrbaren Untersatz loswerden? Machen Sie sich darüber keinen Kopf! Lassen Sie das unsere Sorge sein, indem wir Ihren alten Roller ankaufen.Haben Sie immer noch Zweifel?Geben Sie uns doch die Möglichkeit, unsere fachlichen Qualitäten unter Beweis zu stellen. Im Vergleich zu den billigen Onlineshops, die bereits nach kurzer Zeit wieder von der Bildfläche verschwinden, können wir eine langjährige Firmentradition vorweisen. Die stabile Basis für einen erfolgreichen Betrieb besteht darin, dass lediglich auf Grund zeitgemäßer Innovationen und neuer Ideen ein nachhaltiges Wachstum gewährleistet werden kann. Folglich stehen Fleiß und fortwährendes Lernen in unserem stetig expandierenden Unternehmen fortwährend in der Rangordnung ganz oben. Besuchen Sie uns doch einmal in unserem Unternehmen in Lindenfels-Eulsbach und überzeugen Sie sich persönlich von unserem herausragenden Service.Wo unser Unternehmen zu Hause istFür den Fall, dass Sie über die Autobahn mit dem eigenen Fahrzeug kommen, führt die Strecke nach Lindenfels entweder über Frankfurt/Main (A6) oder über Mannheim (A8). Der Ort liegt im Regierungsbezirk Darmstadt. Eine Anreise mit der Bahn ist klarerweise genauso möglich.Unsere TopmarkenUnsere Topmarken

Regulärer Preis:
Nicht verfügbar
39,95 €
Rabatt
Rex E-Rex Seitenständer Roller-Ständer 50ccm elektro 703023 Motorroller.de Rollerständer Seiten-Ständer Nebenständer Neben-Ständer 50ccm-elektro
Rex E-Rex Seitenständer Roller-Ständer 50ccm elektro 703023 Motorroller.de Rollerständer Seiten-Ständer Nebenständer Neben-Ständer 50ccm-elektro

zu Artikel: Seitenständer 220 mm 703023 Technik-InfoSeitenständerStandfuß, Nebenständer, Nebenstaender, Seitenstaender, Seitenständer, Standfuss, Rollerständer, Rollerstaender, Seiten-Ständer, Seiten-Staender, Neben-Ständer, Neben-Staender, Stand-Fuß, Stand-Fuss, Roller-Ständer, Roller-Staender Seitenständer in Erstausrüster-Qualität, für Motorroller aus Fernost. Es gibt Unterschiede zwischen einzelnen Seitenständern. Wir bitten Sie deshalb das Produktfoto für den benötigten Ständer am Fahrzeug genau vergleichen, um Fehler bei der Bestellung zu vermeiden.Die Marke Rex ist eine der meistverkauften in Deutschland. Durch ständige Qualitätskontrollen vorort beim Hersteller ist ein hoher Standard gewährleistet.Kostenloser Versand   Bei Ersatzteilen für jeden zusätzlichen Artikel mit den gleichen Versandkriterien, den Sie von uns kaufen.Unsere Ersatzteile für ihren Motorroller bzw. Scooter oder auch Roller können Sie bequem online in unserem Shop kaufen. Egal ob sie Ihren Roller im Kaufhaus oder im Baumarkt gekauft haben, für alle gängigen China-, Taiwan-, oder Europa-Roller finden Sie bei uns passende Bauteile, insbesondere für die Motoren 50 cc, 125 cc, 250 ccm, 4takt, 2takt und für größere Leistungen. Speziell für die Motorentypen 1E40QMB, 1E40QMA ,153FMI, 156FMI ,164FML ,139QMB, 139QMA, JSD139QMB ,152QMI, 157QMI ,125-4T6M ,157QMJ, 158MJ , GY6 ,139FMB ,150QMG in kurzen und langen Versionen in den Normen Euro1, Euro2, Euro3 sowie die neuen Euro 4 Einspritzer-Motoren finden Sie Ersatzteile von hoher Güte. Gerne können Sie auch per Email nach Ersatzteilen anfragen. Bei Bestellwerten über 100 Euro können Sie auch unseren Finanzierungs- bzw. Ratenkauf-Service nutzen. Beim Kauf von Fahrzeugen können wir Ihnen auch ein Leasing-Angebot unterbreiten, das bietet sich insbesondere für Firmen an, die Betriebsfahrzeuge anschaffen, oder ihren Mitarbeitern ein Fahrzeug zur Verfügung stellen. Ihre Anfrage nehmen wir gerne entgegen

Verkaufspreis:
Nicht verfügbar
10,19 € Regulärer Preis: 11,72 €