Rex Milano 125 Bremszange silber vorne links Roller Motorroller.de Bremssattel Brems-Sattel 125ccm 4Takt 152QMI YY125QT-28 125cc 4T GY6
69,90 €*
Lieferzeit ca. 1 - 3 Werktage, sofort versandfertig
zu Artikel: Bremssattel silber vorne links 2Takt 50ccm
Bremssattel silber vorne links
Brems-Halterung 2Takt 50ccm
Technik-Info
Brems-Halterung
auch zu finden unter: Bremssattel silber vorne links, Bremszange silber vorne links, Brems-Sattel silber vorne links, Brems-Zange silber vorne links, Bremshalterung silber vorne links, Bremsvorrichung silber vorne links, Brems-Halterung silber vorne links, Brems-Vorrichtung silber vorne links
Der Bremssattel beherbergt die Bremsbacken und die Bremskolben. Er ist das feststehende Teil der Scheibenbremse. Er ist auf das Fahrwerk und die Bremsscheibe abgestimmt.
Dieser Artikel wurde speziell hergestellt für:
Rex Milano 125 125ccm 4Takt
Geprüfte Erstausrüsterqualität beste Verarbeitung günstiger Preis Direktimport Kauf vom Großvertreiber
Unsere Ersatzteile für ihren Scooter bzw. Roller oder auch Motorroller können Sie bequem online in unserem Shop kaufen. Egal ob sie Ihren Roller im Baumarkt oder im Kaufhaus gekauft haben, für alle gängigen China-, Taiwan-, oder Europa-Roller finden Sie bei uns passende Bauteile, insbesondere für die Motoren 50 cc, 125 cc, 250 ccm, 4takt, 2takt und für größere Leistungen. Speziell für die Motorentypen 164FML ,150QMG ,153FMI, 156FMI ,1E40QMB, 1E40QMA ,139QMB, 139QMA, JSD139QMB ,152QMI, 157QMI ,125-4T6M ,157QMJ, 158MJ ,GY6 ,139FMB in kurzen und langen Versionen in den Normen Euro1, Euro2, Euro3 sowie die neuen Euro 4 Einspritzer-Motoren finden Sie Ersatzteile von bewährter Qualität. Gerne können Sie auch per Email nach Ersatzteilen anfragen. Bei Bestellwerten über 100 Euro können Sie auch unseren Finanzierungs- bzw. Ratenkauf-Service nutzen. Beim Kauf von Fahrzeugen können wir Ihnen auch ein Leasing-Angebot unterbreiten, das bietet sich insbesondere für Firmen an, die Betriebsfahrzeuge anschaffen, oder ihren Mitarbeitern ein Fahrzeug zur Verfügung stellen. Ihre Anfrage nehmen wir gerne entgegen
Ein Bauteil ist kaputt - soll es gleich ausgewechselt oder repariert werden?
Immer wieder stellt sich die Frage, ob ein defektes Bauteil am Roller ausgewechselt oder besser instand gesetzt werden soll, ganz egal, ob sich um einen Elektroroller respektive E-Roller, Dreirad-Roller oder Motorroller handelt. Ein weiterer Aspekt ist, dass ein neues Teil nicht ausschließlich günstiger ist als eine Reparatur, sondern danach auch eine deutlich höhere Ausfallsicherheit bietet. Oft kann man den Grund einer Funktionsstörung nicht sogleich selber ermitteln und eine kompetente Werkstatt muss ermitteln, wieso der Roller Probleme macht. Eine vernünftige Alternative wäre es in einem solchen Fall, eines unserer fertigen Komplett-Kits, welche wir in vielen diversen Ausführungen im Programm haben, zu ordern. .
Bei uns stimmen Qualität und Preis
Die Produkte, die wir auf Lager haben, entsprechen im Hinblick auf die Qualität zu 100 % dem Weltmarktniveau. Wir können bloß deswegen so günstig sein, weil wir unsere Komponenten in ausreichend großen Stückzahlen einkaufen. Diese zwei Faktoren, nämlich zum einen die gute Qualität und auf der anderen Seite der günstige Preis heben uns vorwiegend von unserer Konkurrenz ab.
Auch für Motorroller, Quads und Buggys, die nicht mehr hergestellt werden, haben wir generell die Ersatzteile auf Lager. So etwa für die Marken Eppella und Sundiro.
Natürlich liefern wir auch Originalteile vom Fahrzeughersteller, obschon unsere Nachbauten einen qualitativen Vergleich mit dem Erstausrüster-Produkt nicht zu scheuen brauchen, aber im Allgemeinen beträchtlich kostengünstiger sind. Unsere Bauteile ermöglichen es Ihnen, zum einen die Instandsetzung Ihres Zweirads selber bewerkstelligen oder auf der anderen Seite auch in einer Werkstatt machen zu lassen. Zu solch erschwinglichen Preisen werden Sie sicherlich Ihr Zweirad nicht auf andere Art reparieren können.
Eine große Hilfe beim Bestellen der gewünschten Komponente sind die jeweiligen Bilder
Neben den Beschreibungen finden Sie auf unserer Seite auch entsprechendes Bildmaterial. Hierdurch können Sie auf schnellstem Weg Ihr defektes Bauteil mit dem verfügbaren Ersatz vergleichen und gehen auf diese Weise sicher, dass Sie hernach auch tatsächlich den passenden Artikel bekommen. Hierbei ist es wesentlich, dass das Teil, welches Sie austauschen wollen, nicht allein visuell, sondern auch in den Spezifikationen und Abmessungen mit Ihrer Bestellung übereinstimmt.
Was Sie davon haben:
Mit unserer "Geld zurück" - Garantie kaufen Sie ohne RisikoUnsere sämtlichen Erzeugnisse sind ausfallsicher, gebrauchstauglich sowie kostengünstigWir holen und bringen Ihr ZweiradRoller-Ankauf zu fairen PreisenAbsolute Verkehrssicherheit des Motorrollers, insbesondere bei BremsanlagenKurze LieferzeitenSie zahlen bei Bestellung mehrerer Einbauelemente mit denselben Versandbedingungen nur einmal VersandkostenUnser Lager umfasst Teile und Zubehör für circa 250 Marken und 8500 TypenISO-zertifizierte Präzisionsfertigung nach DIN-NormAuch bei günstigen Nachbauten bekommen Sie von uns immer die ErstausrüsterqualitätAm besten kaufen Sie Roller, Quads, Fun Fahrzeuge und Straßenbuggys in einem Fachbetrieb wie den unsrigen. Aus welchem Grund wäre es für Sie von Nutzen, wenn Sie uns für Sie tätig werden lassen? Weil wir das entsprechende Know-how und die Meister-Qualifikation besitzen, welche für dieses Geschäftsfeld unter allen Umständen erforderlich sind. Wir betreiben nicht nur unser Geschäft rund um die Roller, wir leben es regelrecht.
Zumal Kaufen Vertrauenssache ist, sollte man sich folglich den ausgesuchten Fachhändler im Vorfeld genau ansehen, bei dem man vorhat ein Zweirad zu erwerben. Alles ist bei uns transparent und für die Kundschaft nachzuvollziehen! Sie dürfen gerne jederzeit bei uns vorbeikommen und sich persönlich ein Bild machen.Den Vertrauensbeweis bekommen Sie dann vor Ort im Prinzip schwarz auf weiß.
Kunden, denen die Entfernung zu uns zu weit ist, können sich gerne durch die zahlreichen Ebay Bewertungen und des Trustedshops-Siegels über uns sachkundig machen. Sowohl unser Shop als auch unsere Geschäftspraxis werden z.B. mit dem Trustedshops Gütesiegel "sehr gut" eingestuft. Auch bei Ebay liegen wir mit dem Bewertungsfaktor 99,9 % ausgezeichnet im Rennen. Diese Resultate veranschaulichen eines ganz offensichtlich: Wir geben in allen Belangen immer unser Bestes!
Bedenken Sie aber, dass dort wo gearbeitet wird, auch mal Fehler passieren. Seien Sie deshalb nicht gleich aufgebracht, wenn mal etwas nicht hundertprozentig funktioniert hat, sondern geben Sie uns die Chance, unseren Fehler wieder gut zu machen.
Unser Fachgeschäft hat für Sie geöffnet: täglich von 8:00 - 18:00 Uhr, am Samstag von 9:00 - 13:00 Uhr.
Unsere Firmenphilosophie
Es liegt uns eine Menge an der Zufriedenstellung unserer Kunden. Mehr als 25 Jahre sind wir mit Erfolg mit dem Handel von Fahrzeugen aktiv, wobei wir uns allerdings schon vor über 50 Jahren auf dem Gebiet des Maschinenbaus Erfolg versprechend etablieren konnten. Gegenwärtig haben wir uns auf Fahrzeugzubehör, das "Nice-to-have" für Motortuning und Einbauteile für die meisten Roller fokussiert.
Unsere Produktauswahl beinhaltet zirka 500.000 Einbauteile
Wenn Sie zu Ihrem Roller eine Komponente suchen, werden Sie auf unserer Internet-Seite unter Motorroller.de ohne Zweifel fündig. Es existieren momentan Teile, passendes Zubehör und Artikel für zirka 250 Hersteller und 8500 Typen in unserem Auslieferungslager, die lediglich auf Ihre Bestellung warten. Zu unseren Lieferanten gehören beispielsweise Hersteller wie Yamaha, Kreidler, Jonway oder Adly. Im Großen und Ganzen haben wir auf einer Lagerfläche von über 1.000 Quadratmeter mehr als 500.000 Produkte von diversen Herstellern in unseren Hochregalen im Programm. Hier finden Sie jedes Zubehör für Ihren Motorroller von A bis Z.
Das beginnt bei den Regensets, Handschuhen und Nierengürteln, und geht bis hin zum Top Case über die Schutzhelme und den Windschildern.In unserer Tuningabteilung halten wir für alle, die es gerne sportlich mögen ebenfalls einige ausgesuchte Artikel bereit. Hierzu zählen etwa Zylinder, Auspuffanlagen, Kolben und andere Dinge.
Was geschieht im Anschluss an die Produktion?
Durchgehende Qualitätskontrollen sind das Steckenpferd unseres Hauses. Mit anderen Worten bedeutet das, dass alle Fahrzeuge, die vom Werk des Herstellers bei uns ankommen, nochmals in unserem Betrieb eingehend begutachtet werden. Erst dann übergeben wir sie an unsere Kunden. Das erste Mal geschieht das vor dem Versand, indem wir jedes Fahrzeug auspacken und auf unserem Zweirad-Prüfstand einem Testlauf bzw. einer Übergabekontrolle unterziehen. Ein allerletzter Funktionstest erfolgt dann bei der Übergabe an den Kunden. Auf diese Weise ist garantiert, dass der Roller sich de facto in einem korrekten Zustand befindet und den Käufer vollständig zufriedenstellt.
Schutz unserer Umwelt
Der Schutz unserer Umwelt liegt uns sehr am Herzen. Das sagen wir nicht allein, weil unsere motorisierten Zweiräder allgemein mit effizienten Verbrennungsmotoren ausgestattet sind. Die Transportverpackung nehmen wir logischerweise wieder mit, um sie einer professionellen Abfallentsorgung zuzuführen - auch das gehört für uns zum Umweltschutz.
Wir kaufen Ihren Roller
Nach dem Kauf eines neuen Motorrollers aus unserem Fahrzeugangebot wollen Sie sich von Ihrem ausgedienten Zweirad trennen? Das ist absolut kein Thema! Lassen Sie das unsere Sorge sein, denn wir nehmen Ihren gebrauchten Roller in Zahlung.
Wir haben es nicht geschafft, sämtliche Zweifel auszuräumen?
Dann würden wir uns sehr freuen, wenn Sie uns die Chance geben, die Qualität unserer Leistungen unter Beweis zu stellen. Wir gehören nicht zu den billigen Verkaufsshops, die wie Eintagsfliegen heute kommen und morgen gehen. Die stabile Basis für einen erfolgreichen Betrieb besteht darin, dass nur anhand fortschrittlicher Innovationen und neuer Ideen ein nachhaltiges Wachstum garantiert werden kann. In Folge dessen stehen Fleiß und ständiges Lernen in unserem stetig wachsenden Unternehmen fortwährend an der ersten Stelle. Besuchen Sie uns doch einmal in unserem Unternehmen in Lindenfels-Eulsbach und überzeugen Sie sich selber von unserem herausragenden Kundenservice.
Sie finden uns ganz einfach - auch ohne "Navi"
Circa 60 km südlich von Frankfurt am Main liegt Lindenfels im Regierungsbezirk Darmstadt. Sofern Sie mit dem Auto anreisen, erreichen Sie den Ort per Autobahn entweder von Norden über Frankfurt am Main (A6) oder von Süden über Mannheim (A8). Es gibt auch eine gute Verkehrsanbindung mit der Bahn.
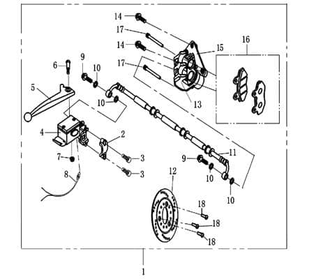
Artikelposition in Explosionszeichnung: 13
Baugruppe: Rahmen
Position: vorn links
Ersatzteil: Bremssattel
Motorroller bequem online kaufen – von der Bestellung bis zur Lieferung
Mobiler Home Service – Bundesweit Inspektionen und Reparaturen
Motorroller.de – Über uns – Ihr Support vom Profi seit 1993
| Ihr Finanzierungsplan** | ||
| Monate | Rate mtl. | Gesamt |
| 60 | 39,67 € | 2.380,49 € |
| 12 | 157,59 € | 1.891,14 € |
Einfach im Bestellvorgang die Expokredit-Finanzierung als Zahlungsweise auswählen ...
- Jonway Elninjo 50
- Jonway E-Rex
- Jonway Galactica 2.0 Electro
- Jonway Imola 125 Race/Urban
- Jonway Imola 50 Race/Urban
- Jonway Insignio 250 DD
- Jonway Milano 125
- Jonway Milano 50
- Jonway Monaco 125 Race Urban
- Jonway Monza 50 Race Urban
- Jonway Rex E-Novation 1500
- Jonway Rex E-Novation 3000
- Jonway Rex E-Speed
- Jonway REX Monaco 50 Race/Urban
- Jonway RMC-E Hiker 50 DD SPORT
- Jonway RMC-E HIKER 50 Electro
- Jonway RS 1000
- Jonway RS 1100
- Jonway RS 750
- Jonway Stratos Chicago
- Jonway Torino 125
- Jonway Torion 125
- Kreidler Florett 50 1.0 Elektro
- Kreidler Galactica 2.0 Electro
- Kreidler Hiker 2.0 50 DD
- Kreidler Hiker 2.0 Electro
- Kreidler Hiker 50
- Kreidler Hiker 50 DD Sport
- Kreidler Hiker 50 Elektro
- Kreidler Insignio 125 2.0
- Kreidler Insignio 125 DD
- Kreidler Insignio 250 DD
- Kreidler Isignio 250
- Kreidler Martinique 125
- Kreidler Martinique DD 125
- Kreidler MONACO 125
- Kreidler MONACO 50 Race / Urban
- Kreidler MONZA 50 Race / Urban (Fin: WS1 od. L8Y)
- Kreidler REX Monaco 125 Race/Urban
- Kreidler RMC-E 50 Hiker Amaze Elektroroller
- Kreidler RMC-E Hiker 50 DD
- Kreidler RMC-E Hiker 50 DD SPORT
- Otto Versand Rex RS 750
- Qingqi Insignio 125 2.0
- Qingqi Insignio 125 DD
- Qingqi Martinique 125 DD
- Rex E-Rex
- Rex Flash 50
- Rex Hiker 50 City DD
- Rex Imola 125
- Rex Imola 125 Race/Urban
- Rex Imola 50
- Rex Imola 50 Race/Urban
- Rex INSIGNIO 125 DD
- Rex Milano 125
- Rex Milano 50
- Rex Monaco 125
- Rex Monaco 125 Race Urban
- Rex Monaco 50
- Rex Monaco 50 Race Urban
- Rex Rexy 50 50 km/h
- Rex RS 1000
- Rex RS 1100
- Rex RS 450 QM50QT-6A CAPRIOLO 50
- Rex RS 750
- Rex SPEEDY FLASH
- Rex Stratos Chicago
- Rex Torino 125