Zum Hauptinhalt springen Zur Suche springen Zur Hauptnavigation springen
Menü
efr
erf
rrrf
Schnell lieferbar
14 Tage Rückgaberecht
Schneller DPD Versand

zu Artikel: Gaszug 1870mm Einbaulänge (Befestigung am Lenker M10 Mutter) 4Takt 50ccm

Gaszug

Entladewiderstand 5W 5 Ohm / 30W 5.9 Ohm

Dieser Artikel wurde speziell hergestellt für:

Rex RS 460 50ccm 4Takt

Technik-Info

Die Widerstandskomponente reguliert bzw.bremst den Strom.

Unsere Ersatzteile für ihren Roller bzw. Motorroller oder auch Scooter konnen Sie bequem online in unerem Shop kaufen. Egal ob sie Ihren Roller im Kaufhaus oder im Baumarkt gekauft haben, für alle gängigen Europa-, China-, oder Taiwan-Roller finden Sie bei uns passende Bauteile, insbesondere für die Motoren 50 cc, 125 cc, 250 ccm, 2takt, 4takt und für größere Leistungen. Speziell für die Motorentypen 139QMB, 139QMA, 1E40QMB, 152QMI, 157QMI, GY6, 125-4T6M, 139FMB, 153FMI, 156FMI, 157QMJ, 158MJ, 164FML, 1E40QMA, JSD139QMB, 150QMG in kurzen und langen Versionen in den Normen Euro1, Euro2, Euro3 sowie die neuen Euro 4 Einspritzermotoren finden Sie qualitatv hochwertige Ersatzteile. Gerne können Sie auch per Email nach Ersatzteilen anfragen. Bei Bestellwerten über 100 Euro können Sie auch unseren Finazierungs- bzw. Ratenkauf-Service nutzen. Beim Kauf von Fahrzeugen können wir Ihnen auch ein Leasing-Angebot unterbreiten, das bietet sich insbesondere für Firmen an, die Betriebsfahrzeuge anschaffen, oder ihren Mitarbeitern ein Fahrzeug zur Verfügung stellen. Bitte fragen Sie an.

Unsere Ersatzteile für ihren Roller bzw. Scooter oder auch Motorroller können Sie bequem online in unserem Shop kaufen. Egal ob sie Ihren Roller im Baumarkt oder im Kaufhaus gekauft haben, für alle gängigen China-, Taiwan-, oder Europa-Roller finden Sie bei uns passende Bauteile, insbesondere für die Motoren 50 cc, 125 cc, 250 ccm, 4takt, 2takt und für größere Leistungen. Speziell für die Motorentypen 153FMI, 156FMI ,152QMI, 157QMI ,139FMB ,164FML ,157QMJ, 158MJ ,1E40QMB, 1E40QMA ,139QMB, 139QMA, JSD139QMB ,150QMG ,125-4T6M ,GY7 in kurzen und langen Versionen in den Normen Euro1, Euro2, Euro3 sowie die neuen Euro 4 Einspritzer-Motoren finden Sie qualitativ hochwertige Ersatzteile. Gerne können Sie auch per Email nach Ersatzteilen anfragen. Bei Bestellwerten über 100 Euro können Sie auch unseren Ratenkauf- bzw. Finanzierungs-Service nutzen. Beim Kauf von Fahrzeugen können wir Ihnen auch ein Leasing-Angebot unterbreiten, das bietet sich insbesondere für Firmen an, die Betriebsfahrzeuge anschaffen, oder ihren Mitarbeitern ein Fahrzeug zur Verfügung stellen. Wir freuen uns auf Ihre Anfrage.

Ein schadhaftes Teil instand setzen lassen oder gleich ersetzen?

Wird mal irgendetwas am Motorroller schadhaft, dann hat man in aller Regel zwei Möglichkeiten: Reparieren oder Austauschen. Da ist es unerheblich, ob es sich dabei um einen gleichgültig, ob sich um einen Elektroroller respektive E-Roller, 3-Rad Roller oder Motorroller dreht. Ein neues Teil, welches verhältnismäßig problemlos ausgewechselt werden kann, ist nicht nur kostengünstiger, sondern bietet auch eine deutlich größere Funktionssicherheit als bei einer Instandsetzung des Motorrollers. Die Ursache einer Funktionsstörung lässt sich oft nur von einem Fachmann mittels Spezialwerkszeugen orten. In einem solchen Fall wäre es sinnvoller, über unseren Shop eines der fertigen Einbau-Kits zu bestellen, die wir für zahlreiche unterschiedliche Bauteile in unserem Angebot haben. .

Für Ihr Zweirad - hochwertige Qualität

Großes Augenmerk legen wir auf preisgünstige Produkte von hoher Qualität. Aus welchem Grund können wir so günstig sein? Die Antwort: Weil wir auf wirtschaftlich sinnvolle Einkaufsmengen der Komponenten achten. Alle verfügbaren Komponenten für Ihren Motorroller kriegen Sie bei uns sowohl in guter Qualität als auch für einen Preis, der mit Sicherheit Ihre Laune verbessert.

Sie suchen für einen Eppella oder Sundiro Roller ein Bauteil? Keine Panik, wir haben sie lieferbar.

Wir haben natürlich auch die Originalteile etlicher Rollerhersteller im Programm, obschon unsere Nachbauten mit den Originalen qualitativ durchaus mithalten können und trotzdem vom Preis her im Prinzip um einiges billiger sind. Ganz gleich, ob Sie die Reparatur an Ihrem fahrbaren Untersatz selber bewerkstelligen wollen oder besser in einer Fachwerkstatt machen lassen möchten, ohne Frage liegen Sie mit unseren Bauteilen genau richtig. Es gibt sicherlich keine andere Alternative, durch die Sie zu günstigen Preisen und in vorzüglicher Qualität Ihren fahrbaren Untersatz reparieren können.

Produktbilder erleichtern das Ordern der richtigen Komponenten

Damit Sie auch tatsächlich den dringend benötigten Artikel bekommen, gibt es auf unserer Seite eine Menge von anschaulichem Bildmaterial, durch das Sie Ihr altes Bauteil mit dem erhältlichen Ersatz vergleichen können. Achten Sie bitte besonders auf die Übereinstimmung des alten Teils mit dem abgebildeten Artikel; besonders was die aufgeführten Maße und Spezifikationen betrifft.

Ihre Vorteile:

Sie bezahlen nur einmal den Versand beim Ordern mehrerer Einbauteile mit identischen LiefervoraussetzungenRoller-Ankauf zu fairen PreisenKauf ohne Risiko dank "Geld zurück" - GarantieKurze LieferzeitenDIN-Norm gerechte und ISO-zertifizierte PräzisionsfertigungAlle unsere Erzeugnisse sind gebrauchstauglich, kostengünstig sowie langlebighundertprozentige Fahrsicherheit des Zweirads, speziell bei BremsanlagenWir holen und bringen Ihren MotorrollerUnser Lager umfasst Ersatzteile und Zubehör für ca. 250 Marken und 8500 ModelleSie erhalten von uns stets die Erstausrüsterqualität - auch bei preisgünstigen Nachbauten

Am besten kaufen Sie Motorroller, Straßenbuggys, Fun-Fahrzeuge und Quads in einem Fachbetrieb wie den unsrigen. Welchen Vorteil haben Sie von unserem Kundenservice? Weil wir dank unserer jahrzehntelangen Erfahrung das nötige Know-how für diesen Geschäftsbereich besitzen, können wir Ihnen einen perfekten Service bieten. Wir betreiben nicht lediglich unser Geschäft rund um die Roller, wir leben es förmlich.

Es ist wesentlich, sich das Fachgeschäft infolgedessen im Vorfeld genau anzugucken, ehe man sich zu einem Kauf entschließt. in unserem Betrieb ist alles für die Kundschaft hundertprozentig transparent! Gerne können Sie uns einen Besuch abstatten, um sich über uns selbst zu informieren.Die Vertrauensbestätigung erhalten Sie dann praktisch schwarz auf weiß vor Ort.

Wenn Ihnen die Strecke zu uns zu weit ist, können Sie sich auch mittels des Trustedshops-Siegels und die zahlreichen Ebay Bewertungen sachkundig machen. Auf unserer Verkaufsseite Motorroller.de wird sowohl unsere Geschäftspraxis als auch unser Online-Shop von Trustedshops mit der Note "sehr gut" eingestuft. Unsere Käuferrezensionen bei Ebay liegen mit einem Wert von circa 99,9 % ebenfalls in einem hervorragenden Bereich. Diese Resultate zeigen eines ganz deutlich: Wir geben auf allen Gebieten stets unser Bestes!

Bitte denken Sie daran, dass dort wo gearbeitet wird, auch mal Fehler passieren. Deshalb bitten wir Sie, falls mal etwas nicht zu Ihrer Zufriedenheit verlaufen ist, uns auf jeden Fall die Gelegenheit zur Verbesserung zu geben.

Unser kompetentes Mitarbeiterteam steht Ihnen täglich zwischen 8:00 und 18:00 Uhr sowie am Samstag von 8:00 bis 13:00 Uhr zur Verfügung.

Wer sind wir?

Wir tun alles, damit unsere Kunden zufrieden sind. Mehr als 25 Jahre sind wir überaus Erfolg versprechend im Fahrzeughandel aktiv, wobei wir uns andererseits schon vor über 50 Jahren auf dem Gebiet Maschinenbau erfolgreich etablieren konnten. Unser Schwerpunkt ist inzwischen auf den Verkauf von das "Must have" für Tuning, Fahrzeugzubehör und Ersatzbauteilen für die häufigsten Motorroller ausgerichtet.

Wir können zeitnah mehr als 500.000 Einbauteile liefern

Wer auf der Suche nach einem preiswerten Zweirad oder der richtigen Komponente für seinen fahrbaren Untersatz ist, der wird auf unserer Webseite unter Motorroller.de auf unserer Web-Seite fündig. In unserem Lager befinden sich für zirka 8500 Modelle und 250 Fabrikate diverse Artikel, passendes Zubehör und Teile. Darunter sind beispielsweise Produzenten wie Yamaha, Jonway, Kreidler oder Adly zu finden. Auf einer Lagerfläche von über 1.000 m² haben wir in unseren Hochregalen mehr als 500.000 Produkte unterschiedlicher Anbieter im Sortiment. Unsere Zubehörabteilung bietet somit alles, was Sie als Rollerfahrer für Ihr motorisiertes Zweirad brauchen.

Das beginnt bei den Nierengürteln, Handschuhen und Regensets, und geht bis hin zu den Sturzhelmen über das Top Case und den Windschildern.Damit die Tuningfreaks gleichfalls auf ihre Kosten kommen, haben wir für sie ausgewählte Artikel wie Zylinder, Kolben, Auspuffanlagen und weitere Dinge im Produktsortiment.

Unmittelbar nach der Produktion

Alle Lieferungen verlassen unser Haus erst im Anschluss an eine strenge Kontrolle der Qualität. Anders gesagt bedeutet das, dass sämtliche Fahrzeuge, die vom Herstellerwerk bei uns ankommen, von unseren Spezialisten nochmals eingehend untersucht werden. Erst dann übergeben wir sie an unsere Kunden. Vor dem Versand wird erstmal jeden Motorroller ausgepackt und auf unserem Zweirad-Prüfstand einem Probelauf unterzogen. Ehe der Kunde das Fahrzeug übernimmt, erfolgt noch ein letzter Funktionscheck. Damit ist de facto gewährleistet, dass der neue Besitzer mit seiner Anschaffung 100-prozentig zufrieden ist.

Umweltschutz

Wir tragen zum Schutz unserer Umwelt bei. Zum einen sind unsere Zweiräder im Prinzip mit sparsamen Motoren ausgestattet. Bei der Anlieferung unserer Motorroller bleibt ohne Ausnahme das Verpackungsmaterial übrig. Dieses nehmen wir klarerweise wieder zu einer fachgemäßen Abfallentsorgung wieder mit.

Ihren Motorroller nehmen wir gerne in Zahlung

Sie wollen sich bei uns einen neuen Roller zulegen und suchen für Ihr ausgedientes Modell einen neuen Besitzer? Das ist absolut kein Ding! Wir nehmen Ihren gebrauchten Roller gerne in Zahlung.

Wir konnten noch nicht alle Bedenken ausräumen?

Dann geben Sie uns bitte die Gelegenheit, Sie von der Qualität unserer Leistungen zu überzeugen. Wir gehören nicht zu den billigen Web-Shops, die wie Eintagsfliegen heute kommen und nach kurzer Zeit wieder unauffindbar sind. In unserem laufend wachsenden Betrieb steht Fleiß und ständiges Lernen in der Rangordnung ganz oben, da wir davon überzeugt sind, dass sich allein durch neue Ideen und zeitgemäße Innovationen das Know-how für eine gut fundierte geschäftliche Grundlage erzeugen lässt. Besuchen Sie uns doch einmal in unserem Unternehmen in Lindenfels-Eulsbach und überzeugen Sie sich persönlich von unserem ausgezeichneten Kundenservice.

Wo wir zu Hause sind

Lindenfels befindet sich im Regierungsbezirk Darmstadt, und zwar 40 km nordöstlich von Mannheim beziehungsweise rund 60 km südlich von Frankfurt/Main. Am besten fahren Sie von Süden her über die A8, während Sie aus nördlicher Richtung die A6 nehmen. Selbstverständlich kann man auch völlig bequem per Bahn hinfahren.

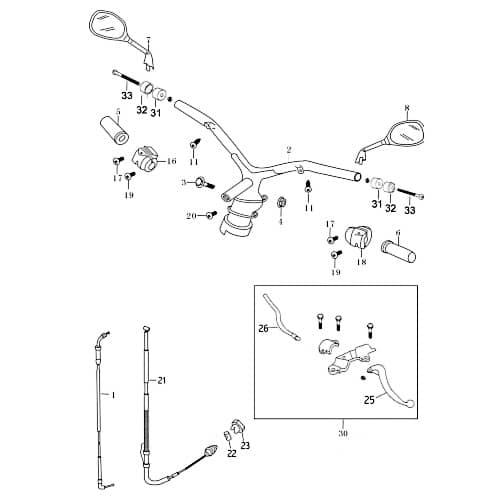
Baugruppe: Rahmen

Artikelposition in Explosionszeichnung: 1

Ersatzteil: Lenker

Länge: 1710 mm

Motorroller bequem online kaufen – von der Bestellung bis zur Lieferung


Mobiler Home Service – Bundesweit Inspektionen und Reparaturen


Motorroller.de – Über uns – Ihr Support vom Profi seit 1993

Ihr Finanzierungsplan**
Monate Rate mtl. Gesamt
6039,67 €2.380,49 €
12157,59 €1.891,14 €

Einfach im Bestellvorgang die Expokredit-Finanzierung als Zahlungsweise auswählen ...

  • Jonway Jigger 50 City
  • Jonway Unser Norden Mofaroller
  • Jonway Unser Norden Mokickroller
  • Kreidler Florett 50 RS DD
  • Kreidler Florett RS 50 DD
  • Kreidler Galactica 2.0 50 DD
  • Kreidler Galactica 2.0 RC 50
  • Kreidler Galactica 2.0 RS 50 DD
  • Kreidler Galactica 50 DD
  • Kreidler Hiker 2.0 50 DD
  • Kreidler Jigger 50 City
  • Kreidler MONZA 50 Race / Urban (Fin: WS1 od. L8Y)
  • Kreidler RMC-E 50 Hiker
  • Kreidler RMC-H 50 Galactica DD
  • Otto Versand Rex RS 400
  • Qingqi Capriolo 50
  • Qingqi RS 450
  • Qingqi RS 700
  • Qingqi RS 900
  • Rex Cruiser 125
  • Rex Hiker 50 City DD
  • Rex Imola 125
  • Rex Imola 125 Race/Urban
  • Rex JIGGER 50 City
  • Rex Milano 125
  • Rex Monza 50 Fin: L5Y
  • Rex Off Limit
  • Rex RS 1000
  • Rex RS 400
  • Rex RS 425 Mofaroller 4-T
  • Rex RS 450
  • Rex RS 450 OFF-LIMIT/TRIBAL-Scooter/CAPRIOLO 50 QM50QT-6A
  • Rex RS 450 QM50QT-6A CAPRIOLO 50
  • Rex RS 460
  • Rex RS 460 BOSTON 8
  • Rex RS 460 Mofaroller 4-T
  • Rex RS 500
  • Rex RS 500 QM50QT 6A-AQINGQI
  • Rex RS 600 QM50QT-2
  • Rex RS 700 QM50QT-10A
  • Rex RS 900 QM50T 10A-A
  • Rex Scooter 50
  • Rex SPEEDY FLASH
  • Rex Stratos Chicago
Produktgalerie überspringen

Kunden haben sich ebenfalls angesehen

AGM Fighter 50 One Felge Alu Rad Alurad Roller Motorroller.de Jonway 50ccm 2Takt 1E40QMB YY50QT-28 50cc 2T Minarelli liegend hinten Alufelge
AGM Fighter 50 One Felge Alu Rad Alurad Roller Motorroller.de Jonway 50ccm 2Takt 1E40QMB YY50QT-28 50cc 2T Minarelli liegend hinten Alufelge

zu Artikel: Felge hinten Alu 3.50-12 rot 19 Trommelbremse 2Takt 50ccm YY50QT-28Alufelge hinten auch zu finden unter: Aluminiumfelge hinten, Felge hinten Alu, Alurad hinten, Hinterrad Alu, Alufelge hinten, Hinterradfelge Alu, Alurad, Alu Rad Dieser Artikel wurde hergestellt für Fahrzeuge der Marke:Jonway und AGM Unsere Ersatzteile für ihren Scooter bzw. Roller oder auch Motorroller können Sie bequem online in unserem Shop kaufen. Egal ob sie Ihren Roller im Kaufhaus oder im Baumarkt gekauft haben, für alle gängigen China-, Europa-, oder Taiwan-Roller finden Sie bei uns passende Bauteile, insbesondere für die Motoren 50 cc, 125 cc, 250 ccm, 4takt, 2takt und für größere Leistungen. Speziell für die Motorentypen 153FMI, 156FMI ,139FMB ,139QMB, 139QMA, JSD139QMB ,150QMG ,1E40QMB, 1E40QMA ,GY6 ,152QMI, 157QMI ,125-4T6M ,164FML ,157QMJ, 158MJ in kurzen und langen Versionen in den Normen Euro1, Euro2, Euro3 sowie die neuen Euro 4 Einspritzer-Motoren finden Sie qualitativ erstklassige Ersatzteile. Gerne können Sie auch per Email nach Ersatzteilen anfragen. Bei Bestellwerten über 100 Euro können Sie auch unseren Finanzierungs- bzw. Ratenkauf-Service nutzen. Beim Kauf von Fahrzeugen können wir Ihnen auch ein Leasing-Angebot unterbreiten, das bietet sich insbesondere für Firmen an, die Betriebsfahrzeuge anschaffen, oder ihren Mitarbeitern ein Fahrzeug zur Verfügung stellen. Bitte fragen Sie an. Ein Element ist kaputt - soll es gleich ausgetauscht oder repariert werden?Wird mal irgendetwas am Roller schadhaft, dann hat man in aller Regel die Wahl zwischen Reparieren oder Austauschen. Da ist es unerheblich, ob es sich dabei um einen gleichgültig, ob sich um einen Elektroroller bzw. E-Roller, Motorroller oder 3-Rad Roller handelt. Woran man auch denken sollte: Ein Ersatzelement ist nicht nur schnell gewechselt, sondern macht den Roller auch deutlich funktionssicherer als eine Instandsetzung. Zumeist kann man einen versteckten Fehler nicht sofort selber finden und eine qualifizierte Werkstatt muss ermitteln, weswegen der Roller nicht richtig läuft. Eine vernünftige Alternative wäre es in einem solchen Fall, eines unserer einbaufertigen Ersatzteil-Kits, die wir in vielen unterschiedlichen Ausführungen im Programm haben, zu bestellen. .Qualitativ erstklassige Roller-BauteileMit Recht sind wir stolz darauf, dass die Qualität unserer sämtlichen Komponenten keinen Vergleich auf dem Weltmarkt zu scheuen braucht. Wieso sind wir trotz hoher Qualität so günstig? Wir kalkulieren nicht allein unsere Preise äußerst moderat, sondern wir kaufen auch in ökonomisch sinnvollen Produktmengen ein. Sofern Ihr motorisiertes Zweirad einmal eine neue Komponente braucht, wenden Sie sich vertrauensvoll an uns. Sie erhalten bei uns ausnahmslos beste Qualität zu einem günstigen Preis. Auch für Roller, Quads und Buggys, die nicht mehr produziert werden, haben wir zumeist die Bauteile lieferbar. So zum Beispiel für die Marken Eppella und Sundiro.Wir haben logischerweise auch die Originalteile einer Vielzahl Rollertypen auf Lager, obwohl unsere Nachbauten mit den Originalen qualitativ durchaus mithalten können und dennoch vom Preis her zumeist um einiges preisgünstiger sind. Ganz egal, ob Sie die Reparatur an Ihrem Motorroller selber bewerkstelligen wollen oder besser in einer Fachwerkstatt machen lassen möchten, ohne Zweifel liegen Sie mit unseren Ersatzteilen vollkommen richtig. In Erstausrüster-Qualität und zu solch erschwinglichen Preisen werden Sie sicherlich Ihren Motorroller nicht auf andere Art reparieren können.Abbildungen erleichtern die Bestellung der passenden BauteileDamit Sie auch garantiert das richtige Produkt erhalten, finden Sie auf unserer Seite eine Menge von anschaulichem Bildmaterial, durch das Sie Ihr defektes Teil mit dem verfügbaren Ersatz vergleichen können. Es ist dabei wichtig, dass das Element, das Sie tauschen wollen, nicht allein augenscheinlich, sondern auch in den technischen Angaben und Dimensionen mit Ihrer Bestellung übereinstimmt. Ihre Vorteile:hundertprozentige Fahrsicherheit des Motorrollers, speziell bei den BremsenWir kaufen Ihr FahrzeugSie bekommen von uns ausschließlich die Erstausrüsterqualität - auch bei günstigen NachbautenISO-zertifizierte Präzisionsfertigung"Geld zurück" - Garantie, deshalb Kauf ohne RisikoAlle unsere Einbauteile sind preiswert, langlebig und gebrauchstauglichUnser Lager umfasst Einbauelemente und Zubehör für etwa 250 Marken und 8500 TypenSie bezahlen nur einmal Versandkosten beim Ordern mehrerer Komponenten mit denselben LieferkriterienKurze LieferzeitenWir holen und bringen Ihren MotorrollerRoller, Quads, Straßenbuggys und Fun-Fahrzeuge kauft man bevorzugt bei uns als Fachhändler. Was für einen Nutzen haben Sie von unserem Kundenservice? Weil wir uns in diesem Geschäftsbereich schon seit Jahrzehnten etabliert haben und Sie aus dem Grund von unserer gewonnenen Erfahrung profitieren können. Wir als familiär geführtes Unternehmen leben das Geschäft rund um die Roller buchstäblich. Kaufen ist Vertrauenssache, darum ist es wesentlich, sich den Laden vorab genau anzugucken. Bei uns ist alles zu 100 Prozent transparent! Sie dürfen gerne jederzeit bei uns vorbeikommen und sich selber ein Bild machen.Die Vertrauensbestätigung bekommen Sie dann vor Ort gleichsam schwarz auf weiß.Wenn Ihnen die Strecke zu uns zu weit ist, können Sie sich auch durch die zahlreichen Ebay Bewertungen und des Trustedshops-Siegels kundig machen. Sowohl unsere Geschäftspraxis als auch unser Onlineshop werden beispielsweise mit dem Trustedshops Gütesiegel "sehr gut" eingestuft. Unsere Käuferrezensionen bei Ebay liegen mit einem Prozentsatz von rund 99,9 % ebenso in einem überdurchschnittlichen Bereich. Beweisen diese Ergebnisse nicht eindeutig, dass unsere Kunden bestens bei uns aufgehoben sind? Bitte denken Sie daran: Wir sind auch bloß Menschen, die unter Umständen etwas falsch machen. Wir möchten Sie demzufolge bitten, uns auf jeden Fall eine Gelegenheit zur Verbesserung zu geben, wenn mal etwas nicht völlig zu Ihrer Zufriedenheit geklappt hat.Unser Fachgeschäft hat für Sie geöffnet: jeden Tag von 8:00 - 18:00 Uhr, samstags von 9:00 - 13:00 Uhr.Wir sind seit Jahrzehnten für unsere Kunden daBei uns ist der Kunde noch König. Vor über fünf Jahrzehnten hatte die geschäftliche Tätigkeit unseres Unternehmens im Bereich Maschinenbau ihren Anfang, während der Fahrzeughandel heute auch schon seit mehr als 25 Jahren erfolgreich ausgebaut werden konnte. Mittlerweile haben wir uns auf Fahrzeugzubehör, Einbauteile und das "Must have" zur Leistungssteigerung für die meist gefahrenen Roller ausgerichtet.Wir können kurzfristig ca. 500.000 Einbauteile liefernBei Motorroller.de finden Sie nahezu alle Komponenten und motorisierte Zweiräder aus Asien und Europa. In unserem Versandlager warten passende Produkte als Zubehör, Artikel und Teile für ca. 8500 Modelle und 250 Fabrikate auf Ihre Bestellung. Zum Beispiel arbeiten wir schon jahrelang mit so namhaften Produzenten wie Jonway, Yamaha, Kreidler oder Adly zusammen. Es sind mehr als 500.000 Produkte von unterschiedlichen unterschiedlicher Produzenten, die wir in unseren Hochregalen auf einer Lagerfläche von über 1.000 m² lieferbar haben. Sie finden in unserer Zubehörabteilung alles, was Sie für Ihr motorisiertes Zweirad brauchen. Das beginnt bei den Windschildern über das Top Case und den Sturzhelmen, und geht bis hin zu Nierengürteln, Regensets und Handschuhen.Auch Tuningfans kommen bei uns auf ihre Kosten. Sie finden in unserem Tuningbereich alles was das Herz begehrt, wie zum Beispiel Auspuffanlagen, Zylinder, Kolben und weitere Dinge.Was geschieht nach erfolgter Produktion?Kontinuierliche Prüfung der Qualität ist unsere Passion. Das heißt, sämtliche Roller, welche die Produktion verlassen haben und bei uns angeliefert werden, untersuchten wir nochmals ausführlich auf eventuelle Mängel oder Transportschäden, ehe sie in die Hände unserer Kunden übergeben werden. Vor der Übergabe wird als erstes jeden Motorroller ausgepackt und auf unserem Zweirad-Prüfstand einem Testlauf unterzogen. Gleich nach der Lieferung zum Käufer wird dann das Fahrzeug zum Schluss noch einmal auf tadellose Funktion getestet, sodass wirklich gesichert ist, dass der Kunde ein absolut einwandfreies Gefährt erhält.Wir legen Wert auf eine saubere UmweltWas uns sehr am Herzen liegt, ist ein wirkungsvoller Umweltschutz. Das sagen wir nicht nur, weil unsere Zweiräder prinzipiell mit wirtschaftlichen Verbrennungsmotoren ausgestattet sind. Um die Umwelt darüber hinaus zu schonen und eine fachgemäße Müll-Entsorgung zu garantieren, nehmen wir jegliches Verpackungsmaterial wieder mit, welches bei der Anlieferung unserer Motorroller anfällt.Roller-AnkaufNach dem Kauf eines neuen Motorrollers aus unserem Zweiradprogramm wollen Sie sich von Ihrem alten Gefährt trennen? Machen Sie sich über diese Sache keinen Kopf! Wir kaufen Ihren gebrauchten Roller an.Es ist uns nicht gelungen, sämtliche Zweifel zu beseitigen??Dann würden wir uns sehr freuen, wenn Sie uns die Gelegenheit geben, unsere Leistungen unter Beweis stellen zu dürfen. Man darf uns nicht mit den vielen billigen Internet-Shops, verwechseln, die heute kommen und morgen schon wieder weg sind. Allein mittels fortschrittlicher Innovationen und neuer Ideen lässt sich eine gut fundierte geschäftliche Basis schaffen. Folglich steht in unserem stetig wachsenden Unternehmen Anpassung an neue Technologien sowie fortwährendes Lernen stets an erster Stelle. Für den Fall, dass für Sie mal die Möglichkeit besteht, einen Abstecher nach Lindenfels-Eulsbach zu machen, haben Sie die Gelegenheit, sich selber von unserem vortrefflichen Kundenservice in unserem Betrieb zu überzeugen.So finden Sie unsEtwa 60 km im Süden von Frankfurt am Main liegt Lindenfels im Regierungsbezirk Darmstadt. Falls Sie mit dem PKW anreisen, erreichen Sie den Ort per Autobahn entweder von Norden über Frankfurt am Main (A6) oder von Süden über Stuttgart, Karlsruhe und Mannheim (A8). Natürlich kann man auch sehr bequem mit der Bahn anreisen.Unsere TopmarkenUnsere Topmarken

Regulärer Preis:
Verfügbar
98,90 €
Rex Imola 50 Kerzenstecker 50ccm 4Takt Zündspule Motorroller.de Zündkabel 139QMB JSD50QT-13 50cc 4T 139QMA Zündung Zündmodul Zünd-Kabel
Rex Imola 50 Kerzenstecker 50ccm 4Takt Zündspule Motorroller.de Zündkabel 139QMB JSD50QT-13 50cc 4T 139QMA Zündung Zündmodul Zünd-Kabel

zu Artikel: Zündspule komplett 4TZündspüle Lager Gummi-Metall Masse 8x20x19mm- 4-Takt 50 ccm 139QMA / QMB 1E40QMB Technik-Info Motorlager auch zu finden unter: Stossdaempferbuchse, Silentbuchse, Motorlager, Gummibuchse, Lager, Stoßdämpferbuchse, Motorlagerbuchse, Lagerbuchse, Silentlager, Gummilager Die Gummilager reduzieren die Übertragung von Stößen und Schwingungen. Gleichzeitig geben Sie Halt und Fürung. Wie alle Gummiteile werden auch sie mit der Zeit spröde und müssen daher von Zeit zu Zeit gewechselt werden. Dieser Artikel wurde speziell hergestellt für:Rex Milano 125 125ccm 4Takt Erstausrüsterqualität beste Verarbeitung Lagerware günstiger Preis Direktimport Unsere Ersatzteile für ihren Scooter bzw. Motorroller oder auch Roller können Sie bequem online in unserem Shop kaufen. Egal ob sie Ihren Roller im Kaufhaus oder im Baumarkt gekauft haben, für alle gängigen Taiwan-, Europa-, oder China-Roller finden Sie bei uns passende Bauteile, insbesondere für die Motoren 50 cc, 125 cc, 250 ccm, 4-Takt, 2-Takt und für größere Leistungen. Speziell für die Motorentypen 150QMG ,GY6 ,1E40QMB, 1E40QMA ,153FMI, 156FMI ,157QMJ, 158MJ ,125-4T6M ,152QMI, 157QMI ,164FML ,139FMB ,139QMB, 139QMA, JSD139QMB in kurzen und langen Versionen in den Normen Euro1, Euro2, Euro3 sowie die neuen Euro 4 Einspritzer-Motoren finden Sie Ersatzteile von erstklassiger Qualität. Gerne können Sie auch per Email nach Ersatzteilen anfragen. Bei Bestellwerten über 100 Euro können Sie auch unseren Finanzierungs- bzw. Ratenkauf-Service nutzen. Beim Kauf von Fahrzeugen können wir Ihnen auch ein Leasing-Angebot unterbreiten, das bietet sich insbesondere für Firmen an, die Betriebsfahrzeuge anschaffen, oder ihren Mitarbeitern ein Fahrzeug zur Verfügung stellen. Bitte fragen Sie an. Soll ein defektes Teil besser gleich getauscht oder repariert werden?Gleichgültig, ob jemand einen Motorroller, Dreirad-Roller oder Elektroroller bzw. E-Roller fährt, er stellt sich vermutlich häufig die Frage, ob sie ein schadhaftes Element austauschen oder reparieren lassen sollen. Ein Ersatzbauteil, das verhältnismäßig schnell ausgewechselt werden kann, ist nicht allein kostengünstiger, sondern bietet unter anderem eine bedeutend höhere Ausfallsicherheit als nach einer Instandsetzung des Rollers. Zumeist kann ausschließlich eine kompetente Werkstatt den Fehler auf Anhieb entdecken. Demgegenüber haben Sie auch die Option, sich für eines der einbaufertigen Ersatzteil-Kits zu entscheiden, welche wir in vielen diversen Ausführungen im Programm haben. .Qualität ist unser WahlspruchDie Qualität unserer sämtlichen Ersatzteile entspricht dem Weltmarktniveau. Weshalb sind wir trotz der hohen Qualität unserer Produkte so günstig? Das liegt nicht lediglich an unserer Preiskalkulation, sondern überwiegend daran, dass wir unsere Ersatzteile in großen Einkaufsmengen beziehen. Wenn Ihr Motorroller einmal eine neue Komponente benötigt, wenden Sie sich vertrauensvoll an uns. Sie erhalten bei uns ausnahmslos beste Qualität zu einem bezahlbaren Preis. Wir führen sogar für die häufigsten Motorroller, Buggys und Quads die Zubehörteile, die gar nicht mehr hergestellt werden. Z.B. haben wir alle Ersatzteile für die Marken Eppella und Sundiro nach wie vor vorrätig.Wer es wünscht, bekommt bei uns klarerweise auch das Originalteil für seinen Roller. Die meisten Kunden greifen trotzdem zufolge der guten Preise und der Erstausrüster-Qualität auf unsere Nachbauten zurück. Unsere Produkte ermöglichen es Ihnen, auf der einen Seite die Instandsetzung Ihres fahrbaren Untersatzes selber bewerkstelligen oder auf der anderen Seite auch in einer Fachwerkstätte ausführen zu lassen. Es gibt höchstwahrscheinlich keine bessere Alternative, durch die Sie zu attraktiven Kosten und in hervorragender Qualität Ihren fahrbaren Untersatz reparieren können.Es ist denkbar easy, mittels der Abbildungen das gewünschte Element zu ordernAnhand von anschaulichem Bildmaterial können Sie Ihr altes Austauschteil auf einfache Weise mit dem erhältlichen Ersatz vergleichen, damit Sie auch garantiert den passenden Artikel bekommen. Relevant ist hierbei, dass Ihre Bestellung sowohl visuell als auch in den technischen Spezifikationen und Maßen mit der alten Komponente zusammenpasst. Zehn Vorteile aus denen Sie Nutzen ziehen:Teile und Zubehör für ca. 250 Marken und 8500 Typen auf LagerSie zahlen beim Ordern mehrerer Einbauelemente mit identischen Versandvoraussetzungen nur einmal VersandkostenAuch bei kostengünstigen Nachbauten erhalten Sie von uns ausnahmslos die Erstausrüster-QualitätUnsere sämtlichen Ersatzteile sind betriebssicher, zuverlässig sowie kostengünstig"Geld zurück" - Garantie, folglich Kauf ohne RisikoPräzisionsfertigung nach DIN-NormKurzfristige LieferzeitenWir holen und bringen Ihr FahrzeugAbsolute Fahrsicherheit des Zweirads, besonders bei BremsanlagenWir kaufen Ihr ZweiradEgal, ob Sie einen Roller, einen Quad, Straßenbuggy oder ein Fun Fahrzeug erwerben wollen. Wir sind für solche Fälle das Fachgeschäft Ihres Vertrauens. Was für einen Vorteil haben Sie von unserem Service? Weil wir die Meister-Qualifikation und das Know-how besitzen, die für diesen Geschäftsbereich definitiv erforderlich sind. Wir als Familienbetrieb leben das Geschäft in Verbindung mit Motorrollern buchstäblich. Es ist unverzichtbar, sich das Fachgeschäft aus dem Grund zuerst genau anzugucken, ehe man sich zu einem Kauf entschließt. Bei uns ist alles uneingeschränkt nachvollziehbar! Gerne können Sie uns im Ladengeschäft besuchen, um sich über uns selbst zu informieren.Sie sehen dann den Nachweis unserer ausgezeichneten Leistungen quasi mit eigenen Augen.Eventuell ist Ihnen der Weg zu uns zu weit. Dann haben Sie auch die Option, mittels des Trustedshops-Siegels und die verschiedenen Ebay Bewertungen Erkundigungen über uns einzuholen. Auf unserer Webseite Motorroller.de wird sowohl unsere Geschäftspraxis als auch unser Internet-Shop von Trustedshops mit der Note "sehr gut" bewertet. Was unsere Käuferrezensionen ebenso in einem Bereich, der sich durchaus sehen lassen kann. All diese Ergebnisse lassen nur einen einzigen Schluss zu: Wir geben in allen Belangen immer unser Bestes! Aber auch, wenn wir uns noch so bemühen - wir sind keine Roboter, sondern Menschen, die gelegentlich mal etwas falsch machen. Seien Sie deswegen nicht gleich ärgerlich, sofern mal etwas schief läuft, sondern geben Sie uns die Möglichkeit, unseren Fehler wieder gut zu machen.Unsere versierten Mitarbeiter sind täglich von 8:00 - 18:00 Uhr und samstags von 9:00 - 13:00 für Sie da.Unsere UnternehmenspolitikWir haben uns die Zufriedenheit unserer Kundschaft auf die Fahne geschrieben. Mehr als 25 Jahre ist unser Unternehmen mit Erfolg im Fahrzeughandel aktiv, wobei wir uns andererseits bereits vor über fünfzig Jahren auf dem Gebiet Maschinenbau erfolgreich etabliert haben. Unser Fokus ist mittlerweile auf den Vertrieb von Einbauteilen, "Must-to-have" zum Motor frisieren und Zubehör für die meisten Motorroller ausgerichtet.Wir können zeitnah etwa 500.000 Zubehörteile liefernBei uns finden Sie unter Motorroller.de beinahe alle Einbauteile und Zweiräder aus Europa und Fernost. Wir haben Einbaukomponenten, Artikel und passendes Zubehör für rund 8500 Modelle und 250 Hersteller für Sie auf Lager. Darunter sind z.B. Lieferanten wie Adly, Jonway, Yamaha oder Kreidler zu finden. Wir haben alles in allem mehr als 500.000 Produkte von verschiedenen Herstellern im Sortiment, die auf einer Lagerfläche von über 1.000 m² in unseren Regalen gelagert sind. Hier finden Sie jedes Rollerzubehör von A bis Z. Das beginnt bei den Schutzhelmen über die Windschilder und dem Top Case, und geht bis hin zu Nierengürteln, Regensets und Handschuhen.In unserer Tuningabteilung halten wir für alle, die es lieber sportlich mögen gleichfalls einige ausgewählte Artikel bereit. Hierzu gehören zum Beispiel Kolben, Zylinder, Auspuffanlagen und dergleichen Dinge.Was geschieht nach erfolgter Produktion?Keine Lieferung verlässt unser Haus, ehe sie nicht auf makellose Qualität kontrolliert worden ist. Das heißt, ehe wir ein Fahrzeug in die Hände des Kunden übergeben, wird es von uns nochmals auf tadellose Funktion und Mängelfreiheit durchgecheckt. Nachdem die Roller bei uns im Haus eingetroffen sind, wird jedes einzelne Zweirad ausgepackt und zunächst einer Sichtprüfung sowie einem Probelauf auf unserem Prüfstand unterzogen. Sofort nach der Lieferung zum Käufer wird dann der Motorroller letztendlich noch einmal auf perfekte Funktion getestet, sodass de facto gesichert ist, dass der Kunde ein 100-prozentig einwandfreies Gefährt erhält.Umweltschutz wir bei uns groß geschriebenDer Umweltschutz liegt uns besonders am Herzen. Das sagen wir nicht nur, weil unsere Fahrzeuge zumeist mit sparsamen Verbrennungsmotoren bestückt sind. Die Transportverpackung nehmen wir logischerweise wieder mit, um sie einer professionellen Abfallentsorgung zuzuführen - auch das gehört für uns zu einer sauberen Umwelt.Roller-AnkaufNach dem Kauf eines neuen Rollers aus unserem Zweiradprogramm möchten Sie sich von Ihrem ausgedienten Modell trennen? Zerbrechen Sie sich darüber nicht den Kopf! Wir nehmen Ihren alten Motorroller gerne in Zahlung.Immer noch skeptisch?Geben Sie uns doch die Gelegenheit, unsere fachliche Kompetenz unter Beweis zu stellen. Man sollte uns nicht mit den billigen Web-Shops verwechseln, die wie Eintagsfliegen heute kommen und morgen gehen. In unserem stetig wachsenden Betrieb steht Anpassung an neue Technologien und fortwährendes Lernen an erster Stelle, da wir davon überzeugt sind, dass sich allein durch neue Ideen und zeitgemäße Innovationen das Know-how für eine solide geschäftliche Grundlage bilden lässt. Besuchen Sie uns doch einmal in unserem Unternehmen in Lindenfels-Eulsbach und überzeugen Sie sich selber von unserem herausragenden Service.So sind wir zu findenFalls Sie über die Autobahn mit dem eigenen Fahrzeug anreisen, führt die Strecke nach Lindenfels entweder über Mannheim (A8) oder über Frankfurt/Main (A6). Der Ort liegt im Regierungsbezirk Darmstadt. Eine Anreise per Bahn ist klarerweise ebenfalls möglich.Unsere TopmarkenUnsere Topmarken

Regulärer Preis:
Verfügbar
79,90 €
Jonway 152QMI Regler 125ccm 4Takt Spannungsregler Motorroller.de Gleichrichter AGM YY125QT-28 125cc 4T GY6 Laderegler Stromregler
Jonway 152QMI Regler 125ccm 4Takt Spannungsregler Motorroller.de Gleichrichter AGM YY125QT-28 125cc 4T GY6 Laderegler Stromregler

zu Artikel: Stromregler 6000124 Stromregler - Regler AC8 4Polig 4Takt 150ccm Technik-Info Stromregler / Regler auch zu finden unter: Gleichrichter / Regler, Gleichrichter, Regler, Spannungsregler, Regler-Einheit, Stromregler, Laderegler, Strom-Regler, Lade-Regler, Spannungs-Regler, Reglereinheit Aufgaben des Ladereglers sind Verhindern des Überladens, Begrenzung des Ladestromes, Regelung der von der Lichtmaschine erzeugten Spannung, Schutz vor Überlastung durch zu hohen Ausgangsstrom, Schutz vor Rückstrom. Dieser Artikel wurde hergestellt für Fahrzeuge der Marke:Tongjian Erstausrüsterqualität sehr gute Verarbeitung Lagerware günstiger Preis Direktimport versandbereit Unsere Ersatzteile für ihren Motorroller bzw. Roller oder auch Scooter können Sie bequem online in unserem Shop kaufen. Egal ob sie Ihren Roller im Baumarkt oder im Kaufhaus gekauft haben, für alle gängigen Europa-, Taiwan-, oder China-Roller finden Sie bei uns passende Bauteile, insbesondere für die Motoren 50 cc, 125 cc, 250 ccm, 4takt, 2takt und für größere Leistungen. Speziell für die Motorentypen 153FMI, 156FMI ,1E40QMB, 1E40QMA ,164FML ,GY6 ,125-4T6M ,139QMB, 139QMA, JSD139QMB ,157QMJ, 158MJ ,139FMB ,152QMI, 157QMI ,150QMG in kurzen und langen Versionen in den Normen Euro1, Euro2, Euro3 sowie die neuen Euro 4 Einspritzer-Motoren finden Sie hochqualitative Ersatzteile. Gerne können Sie auch per Email nach Ersatzteilen anfragen. Bei Bestellwerten über 100 Euro können Sie auch unseren Ratenkauf- bzw. Finanzierungs-Service nutzen. Beim Kauf von Fahrzeugen können wir Ihnen auch ein Leasing-Angebot unterbreiten, das bietet sich insbesondere für Firmen an, die Betriebsfahrzeuge anschaffen, oder ihren Mitarbeitern ein Fahrzeug zur Verfügung stellen. Bitte fragen Sie an.

Regulärer Preis:
Verfügbar
49,90 €
Rex Milano 125 Deckel Scooter Mofa Batterieabdeckung Motorroller.de Batteriefachdeckel 125ccm 4Takt 152QMI YY125QT-28 125cc 4T GY6
Rex Milano 125 Deckel Scooter Mofa Batterieabdeckung Motorroller.de Batteriefachdeckel 125ccm 4Takt 152QMI YY125QT-28 125cc 4T GY6

zu Artikel: Fußbrettträger Rex RS460 BOSTON 8 Fußbrettträger links Technik-Info Fußbrettträger auch zu finden unter: Fussbretttraeger, Fußbrettträger, Trittbrettleiste, Fußbretthalter, Fussbretthalter Dieser Artikel wurde speziell hergestellt für:Rex RS 460 BOSTON 8 50ccm 4Takt Geprüfte Erstausrüsterqualität beste Verarbeitung Best. Ware günstiger Preis Direktimport Kauf 100% ohne Risiko vom Topseller Unsere Ersatzteile für ihren Scooter bzw. Roller oder auch Motorroller können Sie bequem online in unserem Shop kaufen. Egal ob sie Ihren Roller im Kaufhaus oder im Baumarkt gekauft haben, für alle gängigen China-, Europa-, oder Taiwan-Roller finden Sie bei uns passende Bauteile, insbesondere für die Motoren 50 cc, 125 cc, 250 ccm, 2takt, 4takt und für größere Leistungen. Speziell für die Motorentypen 139QMB, 139QMA, JSD139QMB ,125-4T6M ,153FMI, 156FMI ,157QMJ, 158MJ ,139FMB ,164FML ,150QMG ,1E40QMB, 1E40QMA ,GY6 ,152QMI, 157QMI in kurzen und langen Versionen in den Normen Euro1, Euro2, Euro3 sowie die neuen Euro 4 Einspritzer-Motoren finden Sie Ersatzteile von bewährter Qualität. Gerne können Sie auch per Email nach Ersatzteilen anfragen. Bei Bestellwerten über 100 Euro können Sie auch unseren Ratenkauf- bzw. Finanzierungs-Service nutzen. Beim Kauf von Fahrzeugen können wir Ihnen auch ein Leasing-Angebot unterbreiten, das bietet sich insbesondere für Firmen an, die Betriebsfahrzeuge anschaffen, oder ihren Mitarbeitern ein Fahrzeug zur Verfügung stellen. Ihre Anfrage nehmen wir gerne entgegen

Regulärer Preis:
Nicht verfügbar
24,90 €