Zum Hauptinhalt springen Zur Suche springen Zur Hauptnavigation springen
Menü
efr
erf
rrrf
Schnell lieferbar
14 Tage Rückgaberecht
Schneller DPD Versand

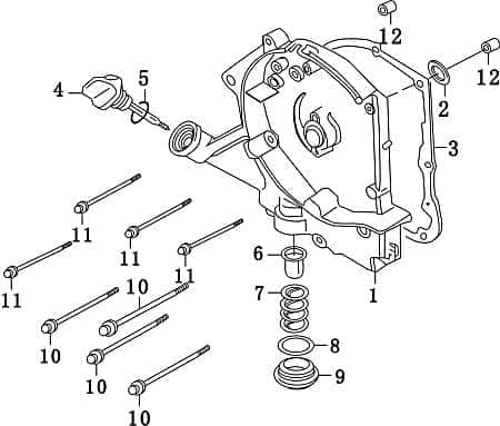
zu Artikel: Motorgehäusedeckel rechts für Ölpumpe Zahnrad 47 Zähne 139QMA 139QMB GY6 4Takt 50ccm

Motorgehäusedeckel

Motorgehäusedeckel rechts für Ölpumpe Zahnrad 47 Zähne 139QMA 139QMB GY6 4Takt 50ccm

Technik-Info

Abdeckung

auch zu finden unter: Kurbelgehäusedeckel, Kurbelgehaeusedeckel, Deckel Kurbelgehäuse, Deckel Kurbelgehaeuse, Motordeckel, Motorgehäusedeckel, Motorgehaeusedeckel, Abdeckung Motorgehäuse, Abdeckung Motorgehaeeuse, Kurbelgehäuseabdeckung, Kurbelgehaeuseabdeckung, Getriebedeckel, Kupplungsdeckel

Der Kurbelgehäusedeckel ermöglicht den Zugang zur Kurbelwelle. Wird dieser geöffnet, ist es empfehlenswert die Dichtung zu wecheln, damit die Dichtigkeit auf jeden Fall gewährleistet ist.

Dieser Artikel wurde speziell hergestellt für:

Rex RS 460 50ccm 4Takt

Geprüfte Erstausrüsterqualität beste Verarbeitung günstiger Preis Direktimport Kauf 100% ohne Risiko vom Topseller

Unsere Ersatzteile für ihren Scooter bzw. Roller oder auch Motorroller können Sie bequem online in unserem Shop kaufen. Egal ob sie Ihren Roller im Kaufhaus oder im Baumarkt gekauft haben, für alle gängigen China-, Europa-, oder Taiwan-Roller finden Sie bei uns passende Bauteile, insbesondere für die Motoren 50 cc, 125 cc, 250 ccm, 4takt, 2takt und für größere Leistungen. Speziell für die Motorentypen 139QMB, 139QMA, JSD139QMB ,153FMI, 156FMI ,125-4T6M ,164FML ,152QMI, 157QMI ,139FMB ,157QMJ, 158MJ ,GY6 ,1E40QMB, 1E40QMA ,150QMG in kurzen und langen Versionen in den Normen Euro1, Euro2, Euro3 sowie die neuen Euro 4 Einspritzer-Motoren finden Sie qualitativ erstklassige Ersatzteile. Gerne können Sie auch per Email nach Ersatzteilen anfragen. Bei Bestellwerten über 100 Euro können Sie auch unseren Ratenkauf- bzw. Finanzierungs-Service nutzen. Beim Kauf von Fahrzeugen können wir Ihnen auch ein Leasing-Angebot unterbreiten, das bietet sich insbesondere für Firmen an, die Betriebsfahrzeuge anschaffen, oder ihren Mitarbeitern ein Fahrzeug zur Verfügung stellen. Ihre Anfrage nehmen wir gerne entgegen

Instandsetzen oder tauschen - was ist die bessere Option?

Immer wieder stellt sich die Frage, ob ein fehlerhaftes Bauteil am Roller besser instand gesetzt oder gleich getauscht werden soll, ganz egal, ob sich um einen 3-Rad Roller, Elektroroller respektive E-Roller oder Motorroller handelt. Ein neues Bauteil, welches verhältnismäßig problemlos ausgetauscht werden kann, ist nicht bloß günstiger, sondern bietet außerdem eine beträchtlich höhere Funktionssicherheit als bei einer Reparatur des Rollers. Oft kann nur eine qualifizierte Fachwerkstatt den Fehler auf Anhieb eruieren. Bestellen Sie doch am besten sofort eines unserer einbaufertigen Komplett-Kits, welche wir für viele diverse Modelle im Angebot haben. .

Ersatzteile von bester Qualität

Mit Recht sind wir stolz darauf, dass die Qualität all unserer Teile auf dem Weltmarktniveau konkurrenzfähig ist. Wie kommt es, dass wir so günstig sein können? Die Antwort lautet: Weil wir schon im Einkauf auf wirtschaftlich vernünftige Produktmengen achten. Sämtliche lieferbaren Bauelemente für Ihr Zweirad können Sie bei über unsere Website sowohl in guter Qualität als auch zu einem Preis ordern, der keine Wünsche offen lässt.

Wir führen sogar für die häufigsten Motorroller, Buggys und Quads die Ersatzteile, welche gar nicht mehr hergestellt werden. Zum Beispiel haben wir alle Komponenten für die Marken Sundiro und Eppella nach wie vor vorrätig.

Wir haben selbstverständlich auch die Originalteile einer Vielzahl Rollerproduzenten auf Lager, obschon unsere Nachbauten mit den Originalen qualitativ auf alle Fälle mithalten können und trotzdem vom Preis her im Regelfall um einiges billiger sind. Mit unseren Komponenten können Sie die Instandsetzung Ihres Rollers selbst bewerkstelligen beziehungsweise auch in einer Werkstatt durchführen lassen. Zu solch günstigen Kosten und in Erstausrüster-Qualität werden Sie sicherlich Ihren Roller nicht auf andere Art und Weise instand setzen können.

Es ist denkbar einfach, mithilfe der Abbildungen das gewünschte Austauschteil aufzufinden

Auf unserer Website finden Sie zahlreiches Bildmaterial, das Sie dabei unterstützt, Ihre defekte Komponente auf einfache Weise mit dem verfügbaren Ersatz zu vergleichen. Dadurch können Falschlieferungen auf Grund fehlerhafter Bestellungen bereits im Voraus verhindert werden. Dabei reicht nicht nur eine optische Übereinstimmung. Es müssen unter anderem sowohl die angegebenen Maße als auch die deklarierten Spezifikationen zusammenpassen.

Wie Sie davon profitieren:

Unsere sämtlichen Einbauelemente sind preisgünstig, betriebssicher und gebrauchstauglichUnser Lager umfasst Ersatzteile und Artikel für ungefähr 250 Marken und 8500 TypenSie bezahlen bei Bestellung mehrerer Einbauteile mit denselben Versandfaktoren nur einmal VersandkostenWir holen und bringen Ihren RollerWir kaufen Ihren Motorrollerhundertprozentige Fahrsicherheit des Zweirads, besonders bei BremsanlagenDank unserer "Geld zurück" - Garantie kaufen Sie ohne RisikoISO-zertifizierte PräzisionsfertigungKurze LieferzeitenAuch bei preiswerten Nachbauten bekommen Sie von uns ausschließlich die Erstausrüsterqualität

Roller, Quads, Fun Fahrzeuge und Straßenbuggys kauft man vorzugsweise in einem Fachbetrieb wie den unsrigen. Was für einen Nutzen haben Sie von unserem Service? Da wir uns durch unsere Jahrzehnte lange praktischen Erfahrung das notwendige Know-how für diesen Geschäftsbereich angeeignet haben, können wir Ihnen einen optimalen Service bieten. Wir als Familienunternehmen leben das Geschäft rund um die Motorroller regelrecht.

Es ist nicht unbedingt sinnvoll, seinen Motorroller beim nächsten x-beliebigen Händler zu kaufen. Darum ist es erforderlich, sich das ausgesuchte Fachgeschäft vorab genau anzusehen. Bei uns ist alles rund um unser Geschäft nachvollziehbar! Sie dürfen gerne jederzeit bei uns vorbeikommen und sich selbst ein Bild machen.Sie sehen dann die Bestätigung unserer hervorragenden Leistungen gewissermaßen mit eigenen Augen.

Potentielle Kunden, denen die Anfahrt zu uns zu weit ist, können sich von zu Hause aus mittels des Trustedshops-Siegels und die zahlreichen Ebay Bewertungen über uns sachkundig machen. Zum Beispiel wird sowohl unser Shop als auch unsere Geschäftspraxis mit dem Trustedshops Gütesiegel "sehr gut" bewertet, was uns zu Recht sehr stolz macht. Der Faktor von rund 99,9 Prozent bei Ebay in den Käuferbewertungen kann sich ebenfalls sehen lassen. Diese Ergebnisse beweisen eines ganz offensichtlich: Wir geben in allen Belangen stets unser Bestes!

Bedenken Sie aber, dass dort wo gearbeitet wird, auch mal Fehler passieren. Darum bitten wir Sie, falls mal etwas nicht zu Ihrer Zufriedenheit verlaufen ist, uns auf jeden Fall die Möglichkeit zur Verbesserung zu geben.

Unser kompetentes Mitarbeiterteam steht Ihnen täglich zwischen 8:00 und 18:00 Uhr sowie am Samstag von 8:00 bis 13:00 Uhr zur Verfügung.

Wir möchten uns vorstellen

Bei uns ist der Kunde noch König. Vor über fünfzig Jahren starteten wir mit dem Bau von Maschinen, während sich das Geschäft mit Zweirädern heute auch schon seit mehr als 25 Jahren mit Erfolg etablieren konnte. Mittlerweile haben wir uns auf Zubehör, das "Must have" für Tuning und Einbauteile für die meisten Roller ausgerichtet.

Unser Artikelsortiment schließt ca. 500.000 Zubehörteile ein

Bei uns finden Sie unter Motorroller.de beinahe sämtliche Zubehörteile und motorisierte Zweiräder aus Europa und Asien. In unserem Lager warten Einbauteile, Artikel und passendes Zubehör für ungefähr 250 Fabrikate und 8500 Modelle auf Ihre Bestellung. Z.B. arbeiten wir schon jahrelang mit so namhaften Herstellern wie Yamaha, Kreidler, Jonway oder Adly zusammen. Auf einer Lagerfläche von über 1.000 m² haben wir in unserem Hochregallager ca. 500.000 Produkte unterschiedlicher Hersteller lieferbar. Unser Zubehörbereich bietet somit alles, was Sie als Rollerfahrer für Ihren fahrbaren Untersatz brauchen.

Das beginnt bei den Handschuhen, Regensets und Nierengürteln, und geht bis hin zu den Schutzhelmen über die Windschilder und dem Top Case.In unserer Tuningabteilung halten wir für alle sportlichen Fahrer ebenfalls einige ausgewählte Produkte bereit. Hierzu zählen beispielsweise Kolben, Auspuffanlagen, Zylinder und andere Dinge.

Direkt nach der Produktion

Keine Lieferung verlässt unser Unternehmen, bevor sie nicht auf makellose Qualität kontrolliert worden ist. Anders ausgedrückt, ehe wir ein Fahrzeug in die Hände des Kunden geben, wird es von uns nochmals auf tadellose Funktion und Fehlerfreiheit durchgecheckt. Das erste Mal geschieht dies vor dem Versand, indem wir jeden Roller auspacken und auf unserem Zweirad-Prüfstand einem Probelauf bzw. einer Übergabeinspektion unterziehen. Ein allerletzter Funktionstest erfolgt dann bei der Übergabe an den Kunden. So ist garantiert, dass der Motorroller sich tatsächlich in einem korrekten Zustand befindet und den Käufer vollends zufriedenstellt.

Umweltschutz

Wir tragen zum Umweltschutz bei. Einerseits sind unsere Fahrzeuge im Allgemeinen mit Sprit sparenden Verbrennungsmotoren ausgestattet. Bei der Auslieferung unserer Roller fällt ohne Ausnahme Verpackungsmaterial an. Dieses nehmen wir natürlich wieder zu einer fachgerechten Müllentsorgung wieder mit.

Wir kaufen Ihren Roller

Sie haben einen neuen Motorroller bei uns gekauft und möchten gerne Ihr ausgedientes Gefährt an den Mann bringen? Seien Sie deswegen unbesorgt! Wir nehmen Ihren gebrauchten Roller gerne in Zahlung.

Sie haben immer noch Zweifel?

Wenn wir von Ihnen die Chance dazu bekommen würden, könnten wir Ihnen unsere fachlichen Qualitäten auch beweisen. Im Unterschied zu den billigen Internet-Shops, welche bereits nach vergleichsweise kurzer Zeit wieder von der Bildfläche verschwinden, können wir auf eine jahrelange Firmentradition zurück blicken. In unserem stetig wachsenden Betrieb steht fortwährendes Lernen und die Anpassung an modernen Technologien an der ersten Stelle, da wir wissen, dass sich nur durch neue Ideen und fortschrittliche Innovationen das Know-how für eine solide geschäftliche Basis erzeugen lässt. Sie können sich persönlich von unserem hervorragenden Kundenservice überzeugen, falls Sie uns an unserem Unternehmensstandort in Lindenfels-Eulsbach besuchen.

Wo unser Unternehmen zu Hause ist

Falls Sie über die Autobahn mit dem eigenen PKW anreisen, führt die Strecke nach Lindenfels entweder über Frankfurt am Main (A6) oder über Stuttgart, Karlsruhe und Mannheim (A8). Der Ort befindet sich im Regierungsbezirk Darmstadt. Eine Anreise per Bahn ist ohne Frage ebenfalls möglich.

Baugruppe: Motor

Artikelposition in Explosionszeichnung: 1

Position: rechts

Ersatzteil: Motorgehäuse

Motorroller bequem online kaufen – von der Bestellung bis zur Lieferung


Mobiler Home Service – Bundesweit Inspektionen und Reparaturen


Motorroller.de – Über uns – Ihr Support vom Profi seit 1993

Ihr Finanzierungsplan**
Monate Rate mtl. Gesamt
6039,67 €2.380,49 €
12157,59 €1.891,14 €

Einfach im Bestellvorgang die Expokredit-Finanzierung als Zahlungsweise auswählen ...

  • Jonway 139QMB
  • Jonway Boston 8 Mofaroller
  • Jonway Imola 50 Race/Urban
  • Jonway Jigger 50 City
  • Jonway Milano 50
  • Jonway Monza 50 Race Urban
  • Jonway REX Monaco 50 Race/Urban
  • Jonway Rex RS 460
  • Jonway Rex RS 500
  • Jonway Rex RS Classic
  • Jonway RS 400
  • Jonway RS 750
  • Jonway RS Classic
  • Jonway Unser Norden Mofaroller
  • Jonway Unser Norden Mokickroller
  • Kreidler Galactica 2.0 50 DD City
  • Kreidler Hiker 2.0 50 DD
  • Kreidler Hiker 50 DD
  • Kreidler Jigger 50 City
  • Kreidler MONACO 50 Race / Urban
  • Kreidler MONZA 50 Race / Urban (Fin: WS1 od. L8Y)
  • Kreidler RS 500
  • Otto Versand Rex RS 400
  • Otto Versand Rex RS 750
  • Qingqi Capriolo 50
  • Qingqi Rex RS 450 OFF-LIMIT/TRIBAL-Scooter/CAPRIOLO 50 QM50QT-6A
  • Qingqi REX RS 600 QM50QT-2
  • Qingqi REX RS 700 QM50QT-10A
  • Qingqi REX RS 900 QM50T 10A(A)
  • Qingqi RS 425
  • Qingqi RS 450
  • Qingqi RS 700
  • Qingqi RS 900
  • Qingqi RS 900 QM50T 10A
  • Rex Capriolo 50 4T
  • Rex Imola 50
  • Rex Imola 50 Race/Urban
  • Rex Milano 50
  • Rex Monaco 50
  • Rex Monaco 50 Race Urban
  • Rex Monza 50 Fin: L5Y
  • Rex Off Limit
  • Rex RS 400
  • Rex RS 425 Mofaroller 4-T
  • Rex RS 450
  • Rex RS 450 OFF-LIMIT/TRIBAL-Scooter/CAPRIOLO 50 QM50QT-6A
  • Rex RS 450 QM50QT-6A CAPRIOLO 50
  • Rex RS 460
  • Rex RS 460 BOSTON 8
  • Rex RS 460 Mofaroller 4-T
  • Rex RS 500
  • Rex RS 500 QM50QT 6A-AQINGQI
  • Rex RS 600 QM50QT-2
  • Rex RS 700 QM50QT-10A
  • Rex RS 750
  • Rex RS 900 QM50T 10A-A
  • Rex RS Classic 50
Produktgalerie überspringen

Kunden haben sich ebenfalls angesehen

Rex RS400 Rueck-Strahler Rück-Strahler Rückleuchte Motorroller.de Rücklicht 50ccm 4Takt 139QMB JSD50QT-13 50cc 4T 139QMA Rückstrahler
Rex RS400 Rueck-Strahler Rück-Strahler Rückleuchte Motorroller.de Rücklicht 50ccm 4Takt 139QMB JSD50QT-13 50cc 4T 139QMA Rückstrahler

zu Artikel: Rücklicht komplett StandardRücklicht Rueck-Strahler komplett Standard Technik-Info Rueck-Strahler auch zu finden unter: Rücklicht, Ruecklicht, Rückstrahler, Rueckstrahler, Rückleuchte, Rueckleuchte, Rück-Strahler, Rueck-Strahler, Rück-Leuchte, Rueck-Leuchte, Rück-Licht, Rueck-Licht, Rückleuchteneinheit Für die meisten Rücklichter gibt es inzwischen auch LED-Birnen. Diese haben nicht nur eine Hohe Leuchtkraft bei geringem Verbrauch, sie halten durchschnittlich wesentlich länger als Glühbirnen. Dieser Artikel wurde speziell hergestellt für:Rex RS 400 50ccm 4Takt Geprüfte Erstausrüsterqualität sehr gute Verarbeitung günstiger Preis Direktimport Kauf 100% ohne Risiko vom Topseller Unsere Ersatzteile für ihren Scooter bzw. Roller oder auch Motorroller können Sie bequem online in unserem Shop kaufen. Egal ob sie Ihren Roller im Kaufhaus oder im Baumarkt gekauft haben, für alle gängigen Europa-, China-, oder Taiwan-Roller finden Sie bei uns passende Bauteile, insbesondere für die Motoren 50 cc, 125 cc, 250 ccm, 2takt, 4takt und für größere Leistungen. Speziell für die Motorentypen 157QMJ, 158MJ ,125-4T6M ,150QMG ,153FMI, 156FMI ,139FMB ,164FML ,152QMI, 157QMI ,1E40QMB, 1E40QMA ,139QMB, 139QMA, JSD139QMB ,GY7 in kurzen und langen Versionen in den Normen Euro1, Euro2, Euro3 sowie die neuen Euro 4 Einspritzer-Motoren finden Sie Ersatzteile von erstklassiger Qualität. Gerne können Sie auch per Email nach Ersatzteilen anfragen. Bei Bestellwerten über 100 Euro können Sie auch unseren Ratenkauf- bzw. Finanzierungs-Service nutzen. Beim Kauf von Fahrzeugen können wir Ihnen auch ein Leasing-Angebot unterbreiten, das bietet sich insbesondere für Firmen an, die Betriebsfahrzeuge anschaffen, oder ihren Mitarbeitern ein Fahrzeug zur Verfügung stellen. Wir freuen uns auf Ihre Anfrage. Soll ein kaputtes Element repariert oder gleich getauscht werden?Ganz egal, ob jemand einen Elektroroller respektive E-Roller, 3-Rad Roller oder Motorroller fährt, er stellt sich wahrscheinlich oftmals die Frage, ob sie ein schadhaftes Element auswechseln oder instand setzen lassen sollen. Ein zusätzlicher Gesichtspunkt ist, dass ein neues Teil nicht bloß günstiger ist als eine Reparatur, sondern anschließend auch eine deutlich höhere Funktionssicherheit bietet. Zumeist kann ausschließlich eine qualifizierte Fachwerkstatt den Defekt auf Anhieb feststellen. Eine gute Alternative wäre es in einem solchen Fall, eines unserer einbaufertigen Komplett-Kits, welche wir für viele unterschiedliche Bauteile im Programm haben, zu bestellen. .Bei uns stimmen Qualität und PreisDie Komponenten, die wir auf Lager haben, entsprechen in puncto Qualität dem Weltmarktniveau. Wie kommt es, dass wir so günstig sein können? Die Antwort heißt: Weil wir schon beim Einkauf auf wirtschaftlich sinnvolle Produktmengen wert legen. Bei uns kriegen Sie deswegen alle verfügbaren Komponenten für Ihr Zweirad nicht nur in guter Qualität, sondern auch für einen bezahlbaren Preis. Wir führen sogar für die meisten Motorroller, Quads und Buggys die Ersatzteile, welche gar nicht mehr hergestellt werden. Beispielsweise haben wir alle Bauteile für die Marken Sundiro und Eppella nach wie vor verfügbar.Wer darauf Wert legt, erhält bei uns natürlich auch das Originalteil für seinen Motorroller. Die meisten Kunden greifen indes zufolge der guten Preise und der Erstausrüster-Qualität auf unsere Nachbauten zurück. Es gibt sicherlich keine andere Alternative, durch die Sie zu attraktiven Preisen und in ausgezeichneter Qualität Ihren Roller wieder flott machen können.Abbildungen erleichtern das Ordern der benötigten BauteileDamit Sie auch wirklich das gewünschte Produkt bekommen, gibt es auf unserer Seite eine Menge von anschaulichem Bildmaterial, durch das Sie Ihr altes Teil mit dem verfügbaren Ersatz vergleichen können. Achten Sie bitte insbesondere auf die Übereinstimmung des defekten Elements mit dem abgebildeten Artikel; vor allem was die angegebenen Maße und Spezifikationen betrifft. Was Sie davon haben:Wir kaufen Ihren MotorrollerSie bezahlen bei Bestellung mehrerer Teile mit identischen Versandkriterien nur einmal VersandkostenHol- und BringserviceUnsere Lieferungen erfolgen überwiegend kurzfristigPräzisionsfertigung nach DIN-NormAuch bei kostengünstigen Nachbauten bekommen Sie von uns stets die ErstausrüsterqualitätAlle unsere Komponenten sind langlebig, preiswert sowie gebrauchstauglich"Geld zurück" - Garantie, deswegen Kauf ohne Risikohundertprozentige Fahrsicherheit des Motorrollers, insbesondere bei den BremsenEinbauteile und Zubehör für ca. 250 Marken und 8500 Typen auf LagerEgal, ob Sie einen Roller, ein Fun Fahrzeug, einen Quad oder Straßenbuggy erwerben möchten. Wir sind dafür der Fachhändler Ihres Vertrauens. Wozu sind wir der optimale Partner für Sie? Weil wir für dieses Geschäftsfeld die Meister-Qualifikation und das Know-how besitzen, was hierfür definitiv notwendig ist. Im Unterschied zu einigen unserer Konkurrenten geben wir uns de facto noch echte Mühe, unsere Kunden zufrieden zu stellen. Nicht bloß beim Verkauf, sondern auch danach. Dabei legen wir großen Wert auf einen tadellosen Fahrzeugservice. Für unser familiär geführtes Unternehmen ist das Geschäft rund um die Roller der ganze Lebensinhalt. Es ist nicht unbedingt sinnvoll, sein motorisiertes Zweirad bei irgendeinem x-beliebigen Händler zu kaufen. Demnach ist es nötig, sich seinen Lieferanten im Vorfeld genau anzusehen. Bei uns ist alles uneingeschränkt transparent! Gerne können Sie uns einen Besuch abstatten, um sich über uns selbst zu informieren.Sie sehen dann den Beweis unserer Qualität sozusagen mit eigenen Augen.Ist Ihnen die Strecke zu uns zu weit? Dann informieren Sie sich doch mittels des Trustedshops-Siegels und die unterschiedlichen Ebay Bewertungen. Z.B. wird sowohl unser Shop als auch unsere Geschäftspraxis mit dem Trustedshops Gütesiegel "sehr gut" bewertet, was uns nicht zu Unrecht mit Stolz erfüllt. Der Bewertungsfaktor von ca. 99,9 % bei Ebay in den Käuferbewertungen kann sich genauso sehen lassen. Belegen diese Ergebnisse nicht klar und deutlich, dass unsere Kundschaft bestens bei uns aufgehoben ist? Bitte denken Sie daran, dass dort wo gearbeitet wird, auch Fehler passieren. Wir möchten Sie von daher bitten, uns auf jeden Fall eine Möglichkeit zur Verbesserung zu geben, sofern mal etwas schief gelaufen ist.Unser Fachgeschäft hat für Sie geöffnet: jeden Tag von 8:00 - 18:00 Uhr, samstags von 9:00 - 13:00 Uhr.Die Fakten unseres UnternehmensWir tun alles, damit unsere Kunden zufrieden sind. Mehr als 25 Jahre sind wir überaus erfolgreich im Geschäft mit Fahrzeugen im Einsatz, wobei wir uns allerdings bereits vor über 5 Jahrzehnten auf dem Gebiet des Maschinenbaus Erfolg versprechend etablieren konnten. Unser Fokus ist mittlerweile auf die Vermarktung von Zubehör, Ersatzbauteilen und das "Must have" zur Leistungssteigerung für die meist gefahrenen Motorroller ausgerichtet.Unsere Produktpalette beinhaltet zirka 500.000 TeileBei Motorroller.de finden Sie fast alle Ersatzteile und Motorroller aus Asien und Europa. Es existieren momentan passendes Zubehör, Artikel und Einbauelemente für ungefähr 8500 Typen und 250 Marken in unserem Versandlager, die lediglich auf Ihre Bestellung warten. Zum Beispiel arbeiten wir bereits jahrelang mit Lieferanten wie Yamaha, Jonway, Kreidler oder Adly zusammen. Wir haben insgesamt ca. 500.000 Produkte von unterschiedlichen Produzenten im Sortiment, die auf einer Fläche von über 1.000 m² in unseren Regalen gelagert sind. Unser Zubehörbereich bietet somit alles, was Sie als Rollerfahrer für Ihr motorisiertes Zweirad benötigen. Das beginnt bei den Handschuhen, Regensets und Nierengürteln, und geht bis hin zu den Schutzhelmen über das Top Case und den Windschildern.Damit die Tuningfreaks nicht zu kurz kommen, haben wir für sie ausgewählte Produkte wie Zylinder, Auspuffanlagen, Kolben und andere Dinge im Sortiment.Was passiert im Anschluss an die Produktion?Absolute Qualitätsprüfung ist unsere Passion. Dies bedeutet, bevor ein Fahrzeug ausgeliefert respektive vom Kunden abgeholt wird, testen wir es abschließend nochmals auf Herz und Nieren. Nachdem die Roller bei uns angekommen sind, wird jedes einzelne Zweirad ausgepackt und erstmal einer Sichtprüfung sowie einem Probelauf auf unserem computergesteuerten Prüfstand unterzogen. Direkt nach der Anlieferung beim Käufer wird dann der Motorroller am Ende nochmals auf perfekte Funktion gecheckt, sodass de facto gewährleistet ist, dass der Kunde ein hundertprozentig einwandfreies Gefährt erhält.Wir legen Wert auf eine saubere UmweltWir tragen zum Schutz unserer Umwelt bei. Zur Erhaltung der Luftreinheit besitzen unsere motorisierten Zweiräder durchweg Motoren, die äußerst sparsam sind. Natürlich nehmen wir im Sinne einer sauberen Umwelt die Transportverpackung wieder mit, welche bei der Anlieferung unserer Roller anfällt und führen sie einer fachgerechten Müll-Entsorgung zu.Ihren alten Roller kaufen wir gerne anSie haben einen neuen Roller bei uns gekauft und möchten Ihren ausgedienten fahrbaren Untersatz loswerden? Kein Problem! Lassen Sie das unsere Sorge sein, denn wir nehmen Ihren gebrauchten Motorroller in Zahlung.Wir konnten Sie immer noch nicht begeistern?Geben Sie uns doch die Gelegenheit, unsere fachlichen Qualitäten unter Beweis stellen zu dürfen. Wir sind kein billiger Online-Shop, der heute kommt und morgen bereits wieder von der Bildfläche verschwunden ist. Es ist uns bekannt, dass sich bloß auf Grund neuer Ideen und zeitgemäßer Innovationen die Grundlage für eine effektive geschäftliche Tätigkeit legen lässt. Überzeugen Sie sich selber von unserem herausragenden Kundenservice und besuchen Sie uns doch einmal in unserem Unternehmen in Lindenfels-Eulsbach.Wo wir zu Hause sindLindenfels befindet sich im Regierungsbezirk Darmstadt, und zwar 40 km nordöstlich von Mannheim beziehungsweise zirka 60 km im Süden von Frankfurt/Main. Sie fahren am besten von Süden her über die A8, während Sie aus nördlicher Richtung die A6 nehmen. Es besteht auch eine gute Verkehrsanbindung mit der Bahn.Unsere TopmarkenUnsere Topmarken

Regulärer Preis:
Verfügbar
39,94 €
Rex Imola 125 Brems-Belag Bremsbeläge Bremsbelag Motorroller.de 125ccm 4Takt 152QMI YY125QT-28 125cc 4T GY6 Bremsklötze Bremsbacken
Rex Imola 125 Brems-Belag Bremsbeläge Bremsbelag Motorroller.de 125ccm 4Takt 152QMI YY125QT-28 125cc 4T GY6 Bremsklötze Bremsbacken

zu Artikel: Bremsbelag Satz (Doppelkolben) Bremszange ohne Widerlager 77.3x42.2x7mm 2Takt 50ccm YY50QT-28 1E40QMBBremsbeläge Bremsbelag Satz (Doppelkolben) Bremszange ohne Widerlager 77.3x42.2x7mm 2-Takt 50 ccm YY50QT-28 1E40QMB Technik-Info Brems-Belag auch zu finden unter: Bremsbacken, Bremsbeläge, Bremsbelaege, Bremsklötze, Bremskloetze, Bremsschuhe, Bremssteine, Bremsbelag, Brems-Beläge, Brems-Belaege, Brems-Klötze, Brems-Kloetze, Brems-Schuhe, Brems-Steine, Brems-Backen, Brems-Belag, Bremsbackensatz, Bremsbacken-Satz, Bremsblöcke, Bremsbloecke, Bremsblock Bremsbeläge (auch Bremssteine oder Bremsschuhe genannt) dienen dem Fahrer die Geschwindigkeit des Fahrzeuges zu reduzieren. Die Bewegungsenergie wird durch die Reibung an einer Trommel oder Bremsscheibe in Wärme umgewandelt. Diese Bremsbeläge sind durch die enorme Reibung / Hitze größten Belastungen ausgesetzt. Bei der Anschaffung der Bremsbeläge ist auf Qualität zu achten, da Ihre Sicherheit und die der anderen Verkehrsteilnehmer unmittelbar davon abhängt. Unsere Bremsbeläge sind top und in Erstausrüster-Qualität. Dieser Artikel wurde speziell hergestellt für:Rex Imola 125 125ccm 4Takt Erstausrüsterqualität top Verarbeitung günstig Unsere Ersatzteile für ihren Roller bzw. Scooter oder auch Motorroller können Sie bequem online in unserem Shop kaufen. Egal ob sie Ihren Roller im Kaufhaus oder im Baumarkt gekauft haben, für alle gängigen Taiwan-, China-, oder Europa-Roller finden Sie bei uns passende Bauteile, insbesondere für die Motoren 50 cc, 125 cc, 250 ccm, 2takt, 4takt und für größere Leistungen. Speziell für die Motorentypen 164FML ,152QMI, 157QMI ,150QMG ,125-4T6M ,157QMJ, 158MJ ,GY6 ,139FMB ,139QMB, 139QMA, JSD139QMB ,153FMI, 156FMI ,1E40QMB, 1E40QMA in kurzen und langen Versionen in den Normen Euro1, Euro2, Euro3 sowie die neuen Euro 4 Einspritzer-Motoren finden Sie Ersatzteile von hoher Güte. Gerne können Sie auch per Email nach Ersatzteilen anfragen. Bei Bestellwerten über 100 Euro können Sie auch unseren Ratenkauf- bzw. Finanzierungs-Service nutzen. Beim Kauf von Fahrzeugen können wir Ihnen auch ein Leasing-Angebot unterbreiten, das bietet sich insbesondere für Firmen an, die Betriebsfahrzeuge anschaffen, oder ihren Mitarbeitern ein Fahrzeug zur Verfügung stellen. Ihre Anfrage nehmen wir gerne entgegen Ein Element ist schadhaft - soll es besser gleich getauscht oder repariert werden?Diese Frage wird von Rollerfahrern stets gestellt, gleichgültig, ob sie einen Elektroroller beziehungsweise E-Roller, Motorroller oder Dreirad-Roller haben, wenn etwas an ihrem Fahrzeug defekt geworden ist. Ein neues Teil, welches verhältnismäßig rasch getauscht werden kann, ist nicht lediglich preiswerter, sondern bietet unter anderem eine beträchtlich größere Funktionssicherheit als bei einer Reparatur. Ein versteckter Schaden kann häufig nur von einem qualifizierten Fachmann eruiert werden. Alternativ haben Sie auch die Option, sich für eines der einbaufertigen Komplett-Kits zu entscheiden, die wir für zahlreiche diverse Fabrikate im Sortiment haben. .Für Ihr Zweirad - hochwertige QualitätsersatzteileGroßen Wert legen wir auf preisgünstige Produkte von hoher Qualität. Unsere Bauteile sind aus dem Grund so attraktiv, weil wir schon beim Einkauf auf ökonomisch sinnvolle Produktmengen wert legen. Diese zwei Punkte, nämlich zum einen die gute Qualität und andererseits der attraktive Preis heben uns hauptsächlich von unserer Konkurrenz ab. Auch für Motorroller, Quads und Buggys, die nicht mehr produziert werden, haben wir im Regelfall die Bauteile lieferbar. So beispielsweise für die Marken Sundiro und Eppella.Wir haben selbstverständlich auch die Originalteile etlicher Rollerhersteller im Angebot, obgleich unsere Nachbauten mit den Originalen qualitativ ohne weiteres mithalten können und trotzdem vom Preis her in der Regel um einiges preisgünstiger sind. Mit unseren Ersatzteilen können Sie die Instandsetzung Ihres Motorrollers selbst ausführen bzw. auch von einem Fachmann machen lassen. Sie werden ohne Zweifel keine bessere Alternative finden, um zu günstigen Kosten Ihren Motorroller reparieren zu können.Es ist denkbar easy, mit Hilfe der Bilder das gewünschte Bauteil zu ordernAuf unserer Webseite finden Sie zahlreiches Bildmaterial, welches Sie dabei unterstützt, Ihr defektes Teil ganz bequem mit dem lieferbaren Ersatz zu vergleichen. Hierdurch können Falschlieferungen anhand verkehrter Bestellungen bereits im Voraus ausgeschlossen werden. Wesentlich hierbei ist, dass Ihre Bestellung sowohl visuell als auch in den Spezifikationen und Abmessungen mit dem schadhaften Element zusammenpasst. Ihre Vorteile:Kurze LieferzeitenWir holen und bringen Ihr FahrzeugUnser Lager umfasst Ersatzteile und Zubehör für zirka 250 Marken und 8500 TypenSie bezahlen beim Ordern mehrerer Einbauteile mit denselben Versandvoraussetzungen nur einmal den VersandDank unserer "Geld zurück" - Garantie kaufen Sie ohne RisikoRoller-Ankauf zu fairen PreisenSie erhalten von uns stets die Erstausrüsterqualität - auch bei günstigen Nachbauten100-prozentige Fahrsicherheit des Rollers, speziell bei den BremsenAlle unsere Produkte sind preisgünstig, zuverlässig und ausfallsicherDIN-Norm gerechte und ISO-zertifizierte PräzisionsfertigungEs spielt keine Rolle, ob Sie einen Motorroller, einen Straßenbuggy, ein Quad oder ein Fun Fahrzeug kaufen möchten. Wir sind für solche Fälle das Fachgeschäft Ihres Vertrauens. Weswegen sollten Sie sich an uns wenden? Weil wir uns dank unserer jahrzehntelangen Erfahrung das erforderliche Know-how für diesen Geschäftsbereich angeeignet haben, können wir Ihnen den bestmöglichen Kundenservice bieten. Wir als Familienbetrieb leben das Geschäft rund um die Motorroller buchstäblich. Es ist nicht in jedem Fall sinnvoll, sein motorisiertes Zweirad beim nächsten x-beliebigen Händler zu kaufen. Deswegen ist es wesentlich, sich seinen Lieferanten vorab genau anzusehen. Bei uns ist alles in Verbindung mit unserem Unternehmen transparent und nachvollziehbar! Wieso besuchen Sie uns nicht mal in unserem Ladengeschäft, um sich persönlich ein Bild zu machen?Den Vertrauensbeweis bekommen Sie dann quasi schwarz auf weiß vor Ort.Wenn Ihnen die Anfahrt zu uns zu weit ist, können Sie sich auch mittels des Trustedshops-Siegels und die zahlreichen Ebay Bewertungen kundig machen. Sowohl unsere Geschäftspraxis als auch unser Internetshop werden beispielsweise mit dem Trustedshops Gütesiegel "sehr gut" eingestuft. Unsere Käuferbewertungen bei Ebay liegen mit einem Bewertungsfaktor von rund 99,9 % ebenso auf einem sehr guten Level. Diese Resultate belegen eines ganz offensichtlich: Wir legen uns auf allen Gebieten immer mächtig ins Zeug! Bedenken Sie aber, dass dort wo gearbeitet wird, auch mal Fehler passieren. Seien Sie aus dem Grund nicht gleich erzürnt, für den Fall, dass mal etwas nicht hundertprozentig funktioniert hat, sondern geben Sie uns die Chance, unseren Fehler wieder gut zu machen.Unser fachkundiges Mitarbeiterteam ist täglich von 8:00 - 18:00 Uhr und samstags von 9:00 - 13:00 für Sie da.Unsere UnternehmensphilosophieDie Zufriedenheit unserer Kundschaft bedeutet uns sehr viel. Das Geschäft mit motorisierten Zweirädern betreiben wir ausgesprochen erfolgreich schon seit über 25 Jahren, möchten hierbei aber trotzdem nicht unerwähnt lassen, dass wir bereits mehr als fünf Jahrzehnte auf eine Erfolgsgeschichte auf dem Gebiet Maschinenbau zurückblicken können. Wir haben uns inzwischen schwerpunktmäßig auf Zubehör, Ersatzelemente und das "Nice-to-have" zum Erhöhen der Motorleistung für die meisten Motorroller spezialisiert.Wir haben in etwa 500.000 Einbauteile im ProgrammWer auf der Suche nach einem preisgünstigen Fahrzeug oder der richtigen Komponente für seinen fahrbaren Untersatz ist, der wird auf unserer Webseite unter Motorroller.de auf unserer Web-Seite fündig. Es existieren zurzeit Teile, passendes Zubehör und Artikel für ca. 8500 Ausführungen und 250 Marken in unserem Lager, die auf Ihre Bestellung warten. Kreidler, Jonway, Adly Yamaha oder zählen beispielsweise zu unseren Produzenten, mit denen wir schon jahrelang zusammenarbeiten. Wir haben alles in allem etwa 500.000 Produkte von diversen Anbietern im Sortiment, die auf einer Fläche von über 1.000 m² in unseren Hochregalen auf Lager liegen. Unsere Zubehörabteilung bietet demnach alles, was man als Rollerfahrer benötigt. Das beginnt beim Top Case über die Sturzhelme und den Windschildern, und geht bis hin zu Nierengürteln, Regensets und Handschuhen.Selbst Tuningfans kommen bei uns auf ihre Rechnung. Zum Tunen ihres Zweirads finden sie in unserer Tuningabteilung alles was das Herz begehrt, wie etwa Zylinder, Auspuffanlagen, Kolben und dergleichen Dinge.Was geschieht nach erfolgter Produktion?Kein Produkt verlässt unser Haus, bevor es nicht auf tadellose Qualität geprüft worden ist. Dies bedeutet, dass alle Roller, die vom Hersteller bei uns ankommen, von unserem Fachpersonal nochmals einer eingehenden Überprüfung auf eventuelle Mängel beziehungsweise Transportschäden unterzogen werden. Erst dann übergeben wir sie an unsere Kunden. Nachdem die Motorroller bei uns im Haus angeliefert worden sind, wird jedes einzelne Zweirad ausgepackt und zunächst einer visuellen Prüfung bzw. einem Testlauf auf unserem computergesteuerten Prüfstand unterzogen. Ein letzter Funktionscheck erfolgt dann im Anschluss der Übergabe an den Kunden. Hierdurch ist gesichert, dass das Fahrzeug sich de facto in einem tadellosen Zustand befindet und den Käufer vollständig zufriedenstellt.Schutz unserer UmweltWir sind besonders um den Umweltschutz bemüht. Zur Reinerhaltung der Luft besitzen unsere Zweiräder im Allgemeinen Verbrennungsmotoren, welche enorm effizient sind. Bei der Auslieferung unserer Motorroller fällt regelmäßig Verpackungsmaterial an. Diese nehmen wir logischerweise wieder mit und führen sie einer professionellen Müllentsorgung zu.Wir nehmen Ihren Roller in ZahlungIhr alter Roller ist in die Jahre gekommen und Sie haben vor, bei uns ein neues Zweirad zu bestellen. Aber was tun mit dem alten Fahrzeug? Keine Sorge! Wir nehmen Ihren gebrauchten Motorroller gerne in Zahlung.Wir konnten Sie immer noch nicht überzeugen?Falls wir von Ihnen die Möglichkeit dazu bekommen würden, könnten wir unsere fachlichen Qualitäten auch unter Beweis stellen. Man darf uns nicht mit den zahlreichen billigen Online-Shops, welche heute kommen und morgen schon wieder fort sind, gleich stellen. Die gut fundierte Ausgangsbasis für einen erfolgreichen Betrieb besteht darin, dass ausschließlich mittels neuer Ideen und zeitgemäßer Innovationen ein nachhaltiges Wachstum gesichert werden kann. Folglich stehen ständiges Lernen sowie die Anpassung an neue Technologien in unserem stetig wachsenden Unternehmen fortwährend an erster Stelle. Sie können sich selbst von unserem ausgezeichneten Service überzeugen, für den Fall, dass Sie uns an unserem Unternehmensstandort in Lindenfels-Eulsbach besuchen.Wo unser Unternehmen zu Hause istSofern Sie über die Autobahn mit dem eigenen Fahrzeug kommen, führt die Strecke nach Lindenfels entweder über Stuttgart, Karlsruhe und Mannheim (A8) oder über Frankfurt/Main (A6). Der Ort liegt im Regierungsbezirk Darmstadt. Klarerweise kann man hinsichtlich der guten Verkehrsanbindung auch ganz bequem mit der Bahn anreisen.Unsere TopmarkenUnsere Topmarken

Regulärer Preis:
Verfügbar
13,99 €
Rabatt
Innenabdeckung Sitzbankstaufach / Helmfach 1010409 Premium Innenabdeckung
Innenabdeckung Sitzbankstaufach / Helmfach 1010409 Premium Innenabdeckung

zu Artikel: Innenabdeckung Sitzbankstaufach / Helmfach 4Takt 50ccm JSD50QT-13 JSD139QMB Bitte berücksichtigen Sie, dass der Farbton aufgrund verschiedener   Chargen und Lackiertermine abweichen kann. Es handelt sich um keine RAL-Ton Lackierung wie bei teuren PKW- oder Motorradlackierungen. Die Preise sind sehr günstig und wie unlackierte Teile kalkuliert, da Artikel leichte Kratzer aufweisen können, da Artikel leichte Kratzer aufweisen können Technik-Info Innenabdeckung Staufach / Helmfach Innenabdeckung Helmfach, Gepäckfach, Gepäck-Fach, Innenabdeckung Staufach, Innenabdeckung Staufach / Helmfach Der Helmfachdeckel ist für kleinere Wartungs oder Kontrollarbeiten. So kommt man ohne viel Schrauben an de Vergaser. Dieser Artikel passt bei vielen Modellen, unter anderem für: Rex RS 450, Rex RS 460 BOSTON 8, Otto Versand Rex RS 400, Kreidler MONZA 50 Race / Urban (Fin: WS1 od. L8Y), Jonway Stratos Montana, Rex Rexy 50 50 km/h, AGM GMX 450 One JSD50QT-13, Rex RS 500 QM50QT 6A-AQINGQI, AGM GMX 550, Jonway Stratos Chicago, AGM GMX 450 Sport JSD50QT-13, AGM GMX 50, Rex 50 Scooter, AGM GMX 450 ZX50QT-7A, Peugeot V-Clic 50 Die Ersatzteile dieses Herstellers haben sich seit Jahren im täglichen Einsatz bewährt. Durch beständigen Erfahrungsaustausch wird die Qualität auf ein Maximum angehoben. Erstausrüsterqualität sehr gute Verarbeitung Lagerware günstiger Preis Direktimport versandbereit Unsere Ersatzteile für ihren Motorroller bzw. Roller oder auch Scooter können Sie bequem online in unserem Shop kaufen. Egal ob sie Ihren Roller im Baumarkt oder im Kaufhaus gekauft haben, für alle gängigen Taiwan-, Europa-, oder China-Roller finden Sie bei uns passende Bauteile, insbesondere für die Motoren 50 cc, 125 cc, 250 ccm, 4-Takt, 2-Takt und für größere Leistungen. Speziell für die Motorentypen 125-4T6M ,152QMI, 157QMI ,1E40QMB, 1E40QMA ,153FMI, 156FMI ,157QMJ, 158MJ ,164FML ,139QMB, 139QMA, JSD139QMB ,150QMG ,139FMB , GY7 in kurzen und langen Versionen in den Normen Euro1, Euro2, Euro3 sowie die neuen Euro 4 Einspritzer-Motoren finden Sie Ersatzteile von erstklassiger Qualität. Gerne können Sie auch per Email nach Ersatzteilen anfragen. Bei Bestellwerten über 100 Euro können Sie auch unseren Finanzierungs- bzw. Ratenkauf-Service nutzen. Beim Kauf von Fahrzeugen können wir Ihnen auch ein Leasing-Angebot unterbreiten, das bietet sich insbesondere für Firmen an, die Betriebsfahrzeuge anschaffen, oder ihren Mitarbeitern ein Fahrzeug zur Verfügung stellen. Wir freuen uns auf Ihre Anfrage.Premium Innenabdeckung für Schutz und Ordnung.Die Innenabdeckung ist ein hochwertiges Premium Ersatzteil und sorgt als Premium Innenabdeckung für Schutz und langlebige Nutzung.

Verkaufspreis:
Kurzfristig lieferbar
14,90 € Regulärer Preis: 17,14 €