Zum Hauptinhalt springen Zur Suche springen Zur Hauptnavigation springen
Menü
efr
erf
rrrf
Schnell lieferbar
14 Tage Rückgaberecht
Schneller DPD Versand

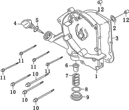
zu Artikel: Motorgehäusedeckel rechts für Ölpumpe Zahnrad 47 Zähne 139QMA 139QMB GY6 4Takt 50ccm

Motorgehäusedeckel

Motorgehäusedeckel rechts für Ölpumpe Zahnrad 47 Zähne 139QMA 139QMB GY6 4Takt 50ccm

Technik-Info

Abdeckung

auch zu finden unter: Kurbelgehäusedeckel, Kurbelgehaeusedeckel, Deckel Kurbelgehäuse, Deckel Kurbelgehaeuse, Motordeckel, Motorgehäusedeckel, Motorgehaeusedeckel, Abdeckung Motorgehäuse, Abdeckung Motorgehaeeuse, Kurbelgehäuseabdeckung, Kurbelgehaeuseabdeckung, Getriebedeckel, Kupplungsdeckel

Der Kurbelgehäusedeckel ermöglicht den Zugang zur Kurbelwelle. Wird dieser geöffnet, ist es empfehlenswert die Dichtung zu wecheln, damit die Dichtigkeit auf jeden Fall gewährleistet ist.

Dieser Artikel wurde speziell hergestellt für:

Rex Off Limit 50ccm 4Takt

Geprüfte Erstausrüsterqualität beste Verarbeitung günstiger Preis Direktimport Kauf 100% ohne Risiko vom Topseller

Unsere Ersatzteile für ihren Motorroller bzw. Roller oder auch Scooter können Sie bequem online in unserem Shop kaufen. Egal ob sie Ihren Roller im Baumarkt oder im Kaufhaus gekauft haben, für alle gängigen China-, Europa-, oder Taiwan-Roller finden Sie bei uns passende Bauteile, insbesondere für die Motoren 50 cc, 125 cc, 250 ccm, 4takt, 2takt und für größere Leistungen. Speziell für die Motorentypen 157QMJ, 158MJ ,139QMB, 139QMA, JSD139QMB ,GY6 ,1E40QMB, 1E40QMA ,150QMG ,153FMI, 156FMI ,125-4T6M ,164FML ,152QMI, 157QMI ,139FMB in kurzen und langen Versionen in den Normen Euro1, Euro2, Euro3 sowie die neuen Euro 4 Einspritzer-Motoren finden Sie Ersatzteile von hoher Güte. Gerne können Sie auch per Email nach Ersatzteilen anfragen. Bei Bestellwerten über 100 Euro können Sie auch unseren Finanzierungs- bzw. Ratenkauf-Service nutzen. Beim Kauf von Fahrzeugen können wir Ihnen auch ein Leasing-Angebot unterbreiten, das bietet sich insbesondere für Firmen an, die Betriebsfahrzeuge anschaffen, oder ihren Mitarbeitern ein Fahrzeug zur Verfügung stellen. Ihre Anfrage nehmen wir gerne entgegen

Ein Element ist defekt - soll es instand gesetzt oder gleich ausgewechselt werden?

Diese Frage wird von Rollerbesitzern immer wieder gestellt, gleichgültig, ob sie einen Elektroroller beziehungsweise E-Roller, Motorroller oder 3-Rad Roller haben, falls etwas am Zweirad fehlerhaft geworden ist. Ein zusätzlicher Gesichtspunkt ist, dass ein neues Element nicht bloß preisgünstiger ist als eine Instandsetzung, sondern danach auch eine beträchtlich größere Funktionssicherheit bietet. Meistens kann ausschließlich eine qualifizierte Werkstatt den Fehler auf Anhieb entdecken. Bestellen Sie doch am besten sofort eines unserer fertigen Komplett-Kits, die wir in zahlreichen diversen Ausführungen im Angebot haben. .

Qualität ist unser Motto

Mit Recht sind wir darauf stolz, dass die Qualität all unserer Komponenten keinen Vergleich auf dem Weltmarkt zu scheuen braucht. Wieso können wir so günstig sein? Die Antwort lautet: Weil wir schon beim Einkauf auf entsprechend große Produktmengen achten. Diese beiden Kriterien, nämlich einerseits die gute Qualität und andererseits der erschwingliche Preis heben uns primär von unserer Konkurrenz ab.

Wir führen sogar für die häufigsten Roller, Buggys und Quads die Komponenten, welche gar nicht mehr gefertigt werden. Z.B. haben wir alle Einbauteile für die Marken Sundiro und Eppella nach wie vor verfügbar.

Wir haben klarerweise auch die Originalteile einer Vielzahl Rollerproduzenten auf Lager, obgleich unsere Nachbauten mit den Originalen qualitativ ohne weiteres mithalten können und dennoch vom Preis her im Regelfall um einiges billiger sind. Mit unseren Ersatzteilen können Sie die Reparatur an Ihrem Motorroller selber ausführen bzw. auch in einer Fachwerkstätte ausführen lassen. Zu solch bezahlbaren Preisen und in Erstausrüster-Qualität werden Sie zweifelsohne Ihren Motorroller nicht auf andere Art reparieren können.

Anhand der Abbildungen ist das Bestellen der passenden Bauteile ein Kinderspiel

In unserem Shop finden Sie zahlreiches Bildmaterial, welches Sie dabei unterstützt, Ihr altes Teil ganz leicht mit dem erhältlichen Ersatz zu vergleichen. Auf diese Weise können Falsch- oder Fehllieferungen anhand fehlerhafter Bestellungen bereits im Vorhinein verhindert werden. Von Bedeutung dabei ist, dass Ihre Bestellung in den technischen Spezifikationen und Abmessungen als auch optisch mit dem defekten Element zusammenpasst.

Was Sie davon haben:

Roller-AnkaufHol- und BringserviceSie bezahlen beim Ordern mehrerer Einbauteile mit identischen Versandkriterien nur einmal VersandkostenKurzfristige LieferzeitenAbsolute Fahrsicherheit des Zweirads, insbesondere bei BremsanlagenErsatzteile und Zubehör für ungefähr 250 Marken und 8500 Modelle auf LagerKauf ohne Risiko durch "Geld zurück" - GarantieSie erhalten von uns ohne Ausnahme die Erstausrüster-Qualität - auch bei günstigen NachbautenISO-zertifizierte PräzisionsfertigungAlle unsere Produkte sind kostengünstig, zuverlässig sowie ausfallsicher

Wir sind die erste Adresse, wenn es um den Kauf von einem Motorroller, Quad, Buggy oder Fun Fahrzeug geht. Aus welchen Gründen wäre es für Sie von Nutzen, wenn Sie uns für Sie tätig werden lassen? Weil wir für diesen Geschäftsbereich das entsprechende Know-how und die Meister-Qualifikation besitzen, was hierzu unbedingt nötig ist. Für unseren Familien betrieb ist das Geschäft rund um die Roller der gesamte Lebensinhalt.

Weil Kaufen Vertrauenssache ist, sollte man sich dementsprechend den ausgesuchten Fachhändler zuerst genau ansehen, bei dem man vorhat ein motorisiertes Zweirad zu kaufen. Alles ist bei uns transparent und für den Kunden nachvollziehbar! Gerne können Sie uns einen Besuch abstatten, um sich über uns selber ein Bild zu machen.Sie sehen dann die Bestätigung unserer Qualität sozusagen mit eigenen Augen.

Vielleicht ist Ihnen die Anfahrt zu uns zu weit. Dann haben Sie auch die Option, durch das Trustedshops-Siegels und die verschiedenen Ebay Bewertungen Infos über uns einzuholen. Unsere Homepage Motorroller.de wird zum Beispiel von Trustshops als "sehr gut" eingestuft. Das betrifft sowohl unseren Internet-Shop als auch unsere Geschäftspraxis. Über diese Beurteilung sind wir zu Recht sehr Stolz. Der Wert von ca. 99,9 Prozent bei Ebay in den Kundenrezensionen kann sich gleichfalls sehen lassen. Belegen diese Ergebnisse nicht klar und deutlich, dass unsere Kunden bestens bei uns aufgehoben sind?

Aber auch, wenn wir uns noch so anstrengen - wir sind keine Roboter, sondern Menschen, die gelegentlich mal etwas falsch machen. Wir wollen Sie deshalb bitten, uns definitiv eine Chance zur Verbesserung zu geben, sofern mal etwas nicht ganz geklappt hat.

Zu welchen Zeiten wir Ihnen zu Diensten stehen? Jeden Tag von 8:00 bis 18:00 Uhr und samstags von 8:00 bis 13:00 Uhr.

Wir möchten uns vorstellen

Wir tun eine Menge, damit unsere Kunden zufrieden sind. Vor über fünfzig Jahren fingen wir mit dem Bau von Maschinen an, während das Fahrzeuggeschäft inzwischen auch schon seit mehr als 25 Jahren Erfolg versprechend ausgebaut werden konnte. Unser Schwerpunkt ist gegenwärtig auf den Vertrieb von Einbauteilen, "Nice-to-have" zum Erhöhen der Motorleistung und Fahrzeugzubehör für die meist gefahrenen Roller ausgerichtet.

Wir haben ca. 500.000 Teile im Angebot

Bei uns finden Sie unter Motorroller.de nahezu alle Ersatzteile und Motorroller aus Asien und Europa. In unserem Lager befinden sich für circa 250 Fabrikate und 8500 Modelle diverse Artikel, Einbauelemente und passendes Zubehör. Darunter befinden sich zum Beispiel Produzenten wie Yamaha, Kreidler, Jonway oder Adly. Wir haben insgesamt rund 500.000 Produkte von diversen Anbietern im Programm, die auf einer Fläche von über 1.000 m² in unseren Regalen gelagert sind. Alles was Sie als Rollerfahrer benötigen, finden Sie in unserer Zubehörabteilung.

Das beginnt beim Top Case über die Windschilder und den Sturzhelmen, und geht bis hin zu Handschuhen, Nierengürteln und Regensets.Damit die Tuningfreaks nicht zu kurz kommen, haben wir für sie ausgesuchte Produkte wie Kolben, Zylinder, Auspuffanlagen und weitere Dinge im Programm.

Was geschieht im Anschluss an die Produktion?

Laufende Qualitätskontrollen sind die Passion unseres Hauses. Mit anderen Worten, bevor wir ein Fahrzeug in die Hände des Kunden geben, wird es von uns nochmals auf einwandfreie Funktion und Fehlerfreiheit durchgecheckt. Wir packen erstmal jeden Roller nach der Ankunft in unserem Haus aus und unterziehen es auf unserem computergesteuerten Prüfstand einem Probelauf. Ein letzter Funktionscheck erfolgt dann bei der Übergabe an den Kunden. Somit ist gewährleistet, dass der Motorroller sich de facto in einem korrekten Zustand befindet und den Käufer hundertprozentig zufriedenstellt.

Umweltschutz wir bei uns groß geschrieben

Uns liegt sehr viel an einem wirkungsvollen Umweltschutz. Unsere motorisierten Zweiräder haben einerseits normalerweise einen sparsamen Verbrennungsmotor. Die Transportverpackung, die bei der Auslieferung Roller anfällt, nehmen wir ohne Frage wieder mit, um sie einer fachgemäßen Müllentsorgung zuzuführen - auch das ist für uns ein Beitrag zum Umweltschutz.

Wir nehmen Ihren alten Roller in Zahlung

Sie planen, sich bei uns einen neuen Motorroller zuzulegen und suchen für Ihren ausgedienten fahrbaren Untersatz einen neuen Besitzer? Das ist absolut kein Thema! Lassen Sie das unsere Sorge sein, indem wir Ihren alten Roller ankaufen.

Wir konnten Ihre Zweifel trotz allem nicht ausräumen?

Dann würden wir uns sehr freuen, wenn Sie uns die Chance geben, unsere Leistungen unter Beweis stellen zu dürfen. Wir zählen nicht zu den billigen Verkaufsshops, die heute ihre Produkte anbieten und morgen schon wieder unauffindbar sind. Es ist uns nicht entgangen, dass sich allein auf Grund neuer Ideen und zeitgemäßer Innovationen die Grundlage für eine Erfolg versprechende geschäftliche Tätigkeit legen lässt. Falls für Sie mal die Möglichkeit besteht, einen Abstecher nach Lindenfels-Eulsbach zu machen, können Sie die Gelegenheit nutzen, sich selber in unserem Unternehmen von unserem ausgezeichneten Service zu überzeugen.

So finden Sie uns

Lindenfels befindet sich im Regierungsbezirk Darmstadt, und zwar 40 km nordöstlich von Mannheim respektive etwa 60 km südlich von Frankfurt am Main. Am besten fahren Sie von Norden her über die A6, während Sie aus südlicher Richtung die A8 nehmen. Es besteht auch eine gute Verkehrsanbindung per Bahn.

Baugruppe: Motor

Artikelposition in Explosionszeichnung: 1

Position: rechts

Ersatzteil: Motorgehäuse

Motorroller bequem online kaufen – von der Bestellung bis zur Lieferung


Mobiler Home Service – Bundesweit Inspektionen und Reparaturen


Motorroller.de – Über uns – Ihr Support vom Profi seit 1993

Ihr Finanzierungsplan**
Monate Rate mtl. Gesamt
6039,67 €2.380,49 €
12157,59 €1.891,14 €

Einfach im Bestellvorgang die Expokredit-Finanzierung als Zahlungsweise auswählen ...

  • Jonway 139QMB
  • Jonway Boston 8 Mofaroller
  • Jonway Imola 50 Race/Urban
  • Jonway Jigger 50 City
  • Jonway Milano 50
  • Jonway Monza 50 Race Urban
  • Jonway REX Monaco 50 Race/Urban
  • Jonway Rex RS 460
  • Jonway Rex RS 500
  • Jonway Rex RS Classic
  • Jonway RS 400
  • Jonway RS 750
  • Jonway RS Classic
  • Jonway Unser Norden Mofaroller
  • Jonway Unser Norden Mokickroller
  • Kreidler Galactica 2.0 50 DD City
  • Kreidler Hiker 2.0 50 DD
  • Kreidler Hiker 50 DD
  • Kreidler Jigger 50 City
  • Kreidler MONACO 50 Race / Urban
  • Kreidler MONZA 50 Race / Urban (Fin: WS1 od. L8Y)
  • Kreidler RS 500
  • Otto Versand Rex RS 400
  • Otto Versand Rex RS 750
  • Qingqi Capriolo 50
  • Qingqi Rex RS 450 OFF-LIMIT/TRIBAL-Scooter/CAPRIOLO 50 QM50QT-6A
  • Qingqi REX RS 600 QM50QT-2
  • Qingqi REX RS 700 QM50QT-10A
  • Qingqi REX RS 900 QM50T 10A(A)
  • Qingqi RS 425
  • Qingqi RS 450
  • Qingqi RS 700
  • Qingqi RS 900
  • Qingqi RS 900 QM50T 10A
  • Rex Capriolo 50 4T
  • Rex Imola 50
  • Rex Imola 50 Race/Urban
  • Rex Milano 50
  • Rex Monaco 50
  • Rex Monaco 50 Race Urban
  • Rex Monza 50 Fin: L5Y
  • Rex Off Limit
  • Rex RS 400
  • Rex RS 425 Mofaroller 4-T
  • Rex RS 450
  • Rex RS 450 OFF-LIMIT/TRIBAL-Scooter/CAPRIOLO 50 QM50QT-6A
  • Rex RS 450 QM50QT-6A CAPRIOLO 50
  • Rex RS 460
  • Rex RS 460 BOSTON 8
  • Rex RS 460 Mofaroller 4-T
  • Rex RS 500
  • Rex RS 500 QM50QT 6A-AQINGQI
  • Rex RS 600 QM50QT-2
  • Rex RS 700 QM50QT-10A
  • Rex RS 750
  • Rex RS 900 QM50T 10A-A
  • Rex RS Classic 50
Produktgalerie überspringen

Kunden haben sich ebenfalls angesehen

Rex Cruiser 125 Benzinstandfühler Schwimmerschalter Motorroller.de Tankanzeige Motorrad 125ccm 4Takt 125cc 4T Schwimmer-Schalter Tanksensor
Rex Cruiser 125 Benzinstandfühler Schwimmerschalter Motorroller.de Tankanzeige Motorrad 125ccm 4Takt 125cc 4T Schwimmer-Schalter Tanksensor

zu Artikel: Benzinstandgeber 4Takt 50ccm JSD50QT-13 JSD139QMBBenzinstandgeber Kickstarterritzel / Antriebsrad 2 Teilig 8 Zähne 139QMA 139QMB GY6 4Takt 50ccm Technik-Info Antriebsrad auch zu finden unter: Kickstarterantriebsrad, Kickstarterantriebsritzel, Kickstarterritzel, Antriebsrad Kickstarter Unsere Zahnräder werden mit geringen Toleranzen und aus gehärtetem Stahl gefertigt. Stetige Kontrollern gewährleisten Passform und Qualität. Dieser Artikel wurde speziell hergestellt für:Rex Rexy 50 50 km/h 50ccm 2Takt Erstausrüsterqualität beste Verarbeitung Lagerware günstiger Preis Direktimport Unsere Ersatzteile für ihren Scooter bzw. Roller oder auch Motorroller können Sie bequem online in unserem Shop kaufen. Egal ob sie Ihren Roller im Baumarkt oder im Kaufhaus gekauft haben, für alle gängigen Europa-, China-, oder Taiwan-Roller finden Sie bei uns passende Bauteile, insbesondere für die Motoren 50 cc, 125 cc, 250 ccm, 4-Takt, 2-Takt und für größere Leistungen. Speziell für die Motorentypen 164FML ,139QMB, 139QMA, JSD139QMB ,GY6 ,1E40QMB, 1E40QMA ,153FMI, 156FMI ,157QMJ, 158MJ ,125-4T6M ,152QMI, 157QMI ,150QMG ,139FMB in kurzen und langen Versionen in den Normen Euro1, Euro2, Euro3 sowie die neuen Euro 4 Einspritzer-Motoren finden Sie qualitativ hochwertige Ersatzteile. Gerne können Sie auch per Email nach Ersatzteilen anfragen. Bei Bestellwerten über 100 Euro können Sie auch unseren Finanzierungs- bzw. Ratenkauf-Service nutzen. Beim Kauf von Fahrzeugen können wir Ihnen auch ein Leasing-Angebot unterbreiten, das bietet sich insbesondere für Firmen an, die Betriebsfahrzeuge anschaffen, oder ihren Mitarbeitern ein Fahrzeug zur Verfügung stellen. Wir freuen uns auf Ihre Anfrage. Reparieren oder ersetzen?Diese Frage stellen sich Fahrer von Rollern immer dann, wenn an ihrem Zweirad etwas kaputt gegangen ist, gleichgültig, ob sich um einen Motorroller, Elektroroller bzw. E-Roller oder Dreirad-Roller dreht. Ein Ersatzbauteil, das verhältnismäßig schnell getauscht werden kann, ist nicht lediglich kostengünstiger, sondern bietet überdies eine deutlich größere Funktionssicherheit als bei einer Reparatur des Motorrollers. Bisweilen kann man einen nicht auf Anhieb selber finden und eine qualifizierte Fachwerkstatt muss herausfinden, weshalb der Roller Probleme macht. Eine gute Alternative wäre es dann, eines unserer fertigen Ersatzteil-Kits, die wir in vielen unterschiedlichen Ausführungen anbieten, zu bestellen. .Wir liefern nur QualitätsprodukteDie Qualität all unserer Bauteile entspricht dem Weltmarktniveau. Wieso sind wir trotz hoher Qualität so günstig? Das liegt nicht ausschließlich an unserer Preisgestaltung, sondern vornehmlich daran, dass wir unsere Bauteile in großen Einkaufsmengen beziehen. Sämtliche lieferbaren Teile für Ihren Motorroller kriegen Sie bei uns sowohl in guter Qualität als auch für einen Preis, bei dem keine Wünsche offen bleiben. Auch für Roller, Quads und Buggys, die nicht mehr produziert werden, haben wir im Prinzip die Einbauteile verfügbar. So zum Beispiel für die Marken Sundiro und Eppella.Wer darauf Wert legt, erhält bei uns selbstverständlich auch das Originalteil für seinen Roller. Die meisten Besteller greifen allerdings dank der guten Preise und der Erstausrüster-Qualität auf unsere Nachbauten zurück. Sie können mit unseren Teilen die Instandsetzung Ihres fahrbaren Untersatzes entweder selber bewerkstelligen oder von einem Fachmann machen lassen. Sie werden vermutlich keine andere Alternative finden, um zu erschwinglichen Kosten Ihren fahrbaren Untersatz wieder flott bekommen zu können.Produktbilder erleichtern die Bestellung der gewünschten ErsatzteileNeben den Erläuterungen finden Sie auf unserer Webseite auch anschauliches Bildmaterial. So können Sie auf schnellstem Weg Ihr defektes Element mit dem erhältlichen Ersatz vergleichen und gehen somit sicher, dass Sie später auch in der Tat den passenden Artikel bekommen. Hierbei genügt nicht alleinig eine visuelle Ähnlichkeit. Es müssen zudem sowohl die deklarierten Maße als auch die aufgeführten technischen Spezifikationen zusammenpassen. 10 Vorteile aus denen Sie Nutzen ziehen:Kurze LieferzeitenKauf ohne Risiko dank "Geld zurück" - GarantieISO-zertifizierte PräzisionsfertigungUnsere sämtlichen Produkte sind zuverlässig, langlebig und preiswertAbhol- und BringserviceSie erhalten von uns ausnahmslos die Erstausrüsterqualität - auch bei preisgünstigen NachbautenEinbauteile und Zubehör für circa 250 Marken und 8500 Modelle auf LagerAbsolute Verkehrssicherheit des Motorrollers, besonders bei den BremsenSie bezahlen nur einmal den Versand beim Ordern mehrerer Teile mit denselben LiefervoraussetzungenRoller-Ankauf zu fairen PreisenWir sind der erste Ansprechpartner, für den Fall, dass es um den Kauf von einem Motorroller, Straßenbuggy, Quad oder Fun Fahrzeug geht. Welchen Vorteil haben Sie von unserem Kundenservice? Weil wir für diesen Geschäftsbereich das entsprechende Know-how und die Meister-Qualifikation besitzen, welche dazu unter allen Umständen notwendig ist. Wir betreiben nicht lediglich unser Geschäft rund um die Roller, wir leben es förmlich. Kaufen ist Vertrauenssache, demzufolge ist es notwendig, sich den Laden vorab genau anzugucken. Bei uns ist alles in Verbindung mit unserem Unternehmen transparent! Wieso besuchen Sie uns nicht mal in unserem Ladengeschäft, um sich selber ein Bild zu machen?Sie sehen dann die Bestätigung unserer vorzüglichen Leistungen gleichsam mit eigenen Augen.Wenn Ihnen der Weg zu uns zu weit ist, können Sie sich auch mittels des Trustedshops-Siegels und die diversen Ebay Bewertungen informieren. Sowohl unsere Geschäftspraxis als auch unser Shop werden zum Beispiel mit dem Trustedshops Gütesiegel "sehr gut" eingestuft. Auch bei Ebay liegen wir mit dem Faktor 99,9 % hervorragend im Rennen. Veranschaulichen diese Resultate nicht klar und deutlich, dass unsere Kundschaft bestens bei uns aufgehoben ist? Bedenken Sie aber: Wir sind auch bloß Menschen, die mitunter etwas falsch machen. Für den Fall, dass also etwas nicht vollends zu Ihrer Zufriedenheit funktioniert hat, bitten wir Sie, uns die Gelegenheit zu geben, die Sache in Ordnung zu bringen.Unser Fachgeschäft hat für Sie geöffnet: jeden Tag von 8:00 - 18:00 Uhr, am Samstag von 9:00 - 13:00 Uhr.Unsere UnternehmensphilosophieBei uns ist der Kunde wirklich noch König. Vor über fünfzig Jahren starteten wir mit dem Maschinenbau, während der Fahrzeughandel zwischenzeitlich auch schon seit mehr als 25 Jahren erfolgreich ausgebaut werden konnte. Heute haben wir uns auf Einbauteile, das "Nice-to-have" zur Steigerung der Motorleistung und Zubehör für die häufigsten Roller festgelegt.Wir können kurzfristig in etwa 500.000 Einbauteile liefernWenn Sie zu Ihrem motorisierten Zweirad eine Komponente suchen, werden Sie auf unserer Homepage unter Motorroller.de auf jeden Fall fündig. Wir haben Artikel, passendes Zubehör und Teile für zirka 250 Fabrikate und 8500 Typen für Sie auf Lager. Darunter sind z.B. Lieferanten wie Kreidler, Adly, Yamaha oder Jonway zu finden. Wir haben insgesamt ungefähr 500.000 Produkte von diversen Produzenten im Ersatzteilsortiment, die auf einer Fläche von über 1.000 m² in unseren Regalen auf Lager liegen. Im Zubehörbereich finden Sie alles, was Sie als Rollerfahrer für Ihren fahrbaren Untersatz brauchen. Das beginnt bei den Regensets, Nierengürteln und Handschuhen, und geht bis hin zum Top Case über die Sturzhelme und den Windschildern.Damit die Tuningfreaks gleichermaßen auf ihre Rechnung kommen, haben wir für sie ausgesuchte Artikel wie Zylinder, Auspuffanlagen, Kolben und andere Dinge im Produktsortiment.Was geschieht nach erfolgter Produktion?Absolute Prüfung der Qualität ist unsere Passion. Dies bedeutet, dass sämtliche Fahrzeuge, die vom Hersteller bei uns eintreffen, von unserem Fachpersonal nochmals eingehend begutachtet werden. Erst dann liefern wir sie an unsere Kunden aus. Vor dem Versand wird zuerst jedes Fahrzeug ausgepackt und auf unserem Zweirad-Prüfstand einem Probelauf unterzogen. Direkt nach der Anlieferung beim Kunden wird dann der Roller abschließend abermals auf einwandfreie Funktion gecheckt, sodass de facto gewährleistet ist, dass der Käufer ein hundertprozentig einwandfreies Gefährt erhält.Umweltschutz wir bei uns groß geschriebenDer Umweltschutz liegt uns besonders am Herzen. Das sagen wir nicht bloß, weil unsere Motorroller prinzipiell mit Verbrennungsmotoren bestückt sind, welche verhältnismäßig wenig Sprit verbrauchen. Jegliches Verpackungsmaterial, welches bei der Anlieferung Fahrzeuge anfällt, nehmen wir selbstverständlich wieder mit, um es einer fachgemäßen Abfallentsorgung zuzuführen - auch das ist für uns ein Beitrag zum Umweltschutz.Roller-AnkaufSie planen, sich bei uns einen neuen Motorroller anzuschaffen und sich gleichzeitig von Ihrem ausgedienten fahrbaren Untersatz trennen? Zerbrechen Sie sich hierüber nicht den Kopf! Lassen Sie das unser Problem sein, denn wir nehmen Ihren alten Roller in Zahlung.Es ist uns nicht gelungen, alle Bedenken auszuräumen?Sofern wir von Ihnen die Möglichkeit dazu bekommen würden, könnten wir Ihnen unsere Leistungen auch beweisen. Man darf uns nicht mit den vielen billigen Online-Shops, verwechseln, die heute kommen und morgen schon wieder weg sind. Es ist uns bekannt, dass sich allein auf Grund neuer Ideen und zeitgemäßer Innovationen die Ausgangsbasis für eine Erfolg versprechende geschäftliche Tätigkeit legen lässt. Besuchen Sie uns doch einmal in unserem Betrieb in Lindenfels-Eulsbach und überzeugen Sie sich selber von unserem ausgezeichneten Kundenservice.Sie finden uns ganz einfach in Lindenfels - auch ohne "Navi"Lindenfels liegt im Regierungsbezirk Darmstadt, und zwar 40 km nordöstlich von Mannheim respektive zirka 60 km südlich von Frankfurt am Main. Am besten fahren Sie von Süden her über die A8, während Sie aus nördlicher Richtung die A6 nehmen. Logischerweise kann man auch völlig bequem mit der Bahn anreisen.Unsere TopmarkenUnsere Topmarken

Regulärer Preis:
Verfügbar
18,90 €
Rex Imola 50 50cc Nummernschildhalter Roller Motorroller.de Kennzeichenhalter Kennzeichen-Halter 50ccm 4Takt 139QMB JSD50QT-13 4T 139QMA
Rex Imola 50 50cc Nummernschildhalter Roller Motorroller.de Kennzeichenhalter Kennzeichen-Halter 50ccm 4Takt 139QMB JSD50QT-13 4T 139QMA

zu Artikel: Kennzeichenhalter Nummernschildhalter REX RS400 2T 50ccm 2Takt 50ccmKennzeichenhalter Nummernschildhalter Nummernschildhalter REX RS400 2T 50ccm 2Takt 50ccm Technik-Info Nummernschildhalter auch zu finden unter: Kennzeichenhalter-Platte, Kennzeichenhalter, Nummernschildträger, Nummernschildtraeger, Kennzeichenträger, Kennzeichentraeger, Nummernschildhalter, Kennzeichenhalterung, Nummernschild-Halter, Nummernschild-Träger, Nummernschild-Traeger, Kennzeichen-Halter, Kennzeichen-Träger, Kennzeichen-Traeger, Kennzeichen-Halterung, Halterung Kennzeichen Kennzeichenhalterung universal aus schwarz beschichtetem Stahl für Motorrad & Kleinkraftrad preiswert. Dieser Artikel wurde speziell hergestellt für:Rex Imola 50 50ccm 4Takt Geprüfte Erstausrüsterqualität beste Verarbeitung günstiger Preis Kauf vom Großvertreiber Unsere Ersatzteile für ihren Scooter bzw. Roller oder auch Motorroller können Sie bequem online in unserem Shop kaufen. Egal ob sie Ihren Roller im Baumarkt oder im Kaufhaus gekauft haben, für alle gängigen China-, Europa-, oder Taiwan-Roller finden Sie bei uns passende Bauteile, insbesondere für die Motoren 50 cc, 125 cc, 250 ccm, 2-Takt, 4-Takt und für größere Leistungen. Speziell für die Motorentypen 157QMJ, 158MJ ,125-4T6M ,152QMI, 157QMI ,150QMG ,139FMB ,164FML ,GY6 ,1E40QMB, 1E40QMA ,139QMB, 139QMA, JSD139QMB ,153FMI, 156FMI in kurzen und langen Versionen in den Normen Euro1, Euro2, Euro3 sowie die neuen Euro 4 Einspritzer-Motoren finden Sie Ersatzteile von bewährter Qualität. Gerne können Sie auch per Email nach Ersatzteilen anfragen. Bei Bestellwerten über 100 Euro können Sie auch unseren Ratenkauf- bzw. Finanzierungs-Service nutzen. Beim Kauf von Fahrzeugen können wir Ihnen auch ein Leasing-Angebot unterbreiten, das bietet sich insbesondere für Firmen an, die Betriebsfahrzeuge anschaffen, oder ihren Mitarbeitern ein Fahrzeug zur Verfügung stellen. Wir freuen uns auf Ihre Anfrage. Ein Element ist schadhaft - soll es besser gleich ersetzt oder instand gesetzt werden?Diese Frage stellt sich immer dann, wenn etwas am Roller schadhaft geworden ist, ganz egal, ob sich um einen Motorroller, Elektroroller beziehungsweise E-Roller oder 3-Rad Roller dreht. Ein neues Bauteil, welches verhältnismäßig rasch gewechselt werden kann, ist nicht nur günstiger, sondern bietet im Übrigen eine beträchtlich höhere Funktionssicherheit als nach einer Instandsetzung. Ein versteckter Schaden lässt sich oft nur von einem Fachmann mittels Spezialwerkszeugen ermitteln. In einem solchen Fall wäre es sinnvoller, bei uns eines der fertigen Ersatzteil-Kits zu bestellen, die wir für viele diverse Komponenten in unserem Angebot haben. .Bauteile von hoher QualitätMit Recht sind wir stolz darauf, dass die Qualität all unserer Ersatzteile keinen Vergleich auf dem Weltmarkt zu scheuen braucht. Unsere Teile sind deswegen so attraktiv, da wir bereits beim Einkauf auf entsprechend große Produktmengen achten. Sämtliche verfügbaren Bauteile für Ihr Zweirad können Sie bei über unseren Onlineshop sowohl in guter Qualität als auch zu einem Preis ordern, der mit Sicherheit Ihre Laune verbessert. Auch für Roller, Quads und Buggys, die nicht mehr hergestellt werden, haben wir normalerweise die Komponenten lieferbar. So z.B. für die Marken Eppella und Sundiro.Wir haben natürlich auch die Originalteile etlicher Rollermarken im Programm, wenngleich unsere Nachbauten mit den Originalen qualitativ auf alle Fälle mithalten können und trotzdem vom Preis her im Grunde um einiges kostengünstiger sind. Mit unseren Produkten können Sie die Instandsetzung Ihres Rollers selber durchführen oder auch von einem Fachmann machen lassen. Wahrscheinlich gibt es keine andere Alternative, im Zusammenhang mit der Reparatur Ihres fahrbaren Untersatzes, um Ihren Geldbeutel zu schonen.Anhand der Abbildungen ist das Ordern des richtigen Zubehörs ein KinderspielZufolge von entsprechendem Bildmaterial können Sie Ihr altes Austauschteil auf einfache Weise mit dem verfügbaren Ersatz vergleichen, damit Sie auch de facto das benötigte Produkt erhalten. Von Bedeutung hierbei ist, dass Ihre Bestellung sowohl visuell als auch in den technischen Spezifikationen und Dimensionen mit der alten Komponente zusammenpasst. Ihre Vorteile:Wir holen und bringen Ihren RollerRoller-AnkaufKurze Lieferzeiten"Geld zurück" - Garantie, deshalb Kauf ohne RisikoUnsere sämtlichen Komponenten sind gebrauchstauglich, kostengünstig und betriebssicherUnser Lager umfasst Einbauteile und Artikel für circa 250 Marken und 8500 ModelleISO-zertifizierte Präzisionsfertigung nach DIN-NormAuch bei preisgünstigen Nachbauten erhalten Sie von uns ausnahmslos die Erstausrüster-QualitätSie zahlen beim Ordern mehrerer Teile mit denselben Versandvoraussetzungen nur einmal Versandkostenhundertprozentige Fahrsicherheit des Rollers, speziell bei den BremsenAm besten kaufen Sie Roller, Fun-Fahrzeuge, Buggys und Quads in einem Fachgeschäft wie das unsrige. Aus welchem Grund wäre es für Sie von Vorteil, wenn Sie uns für Sie tätig werden lassen? Weil wir für dieses Geschäftsfeld die Meister-Qualifikation und das entsprechende Know-how besitzen, was hierzu auf jeden Fall nötig ist. Für unseren familiär geführten Betrieb ist das Geschäft rund um die Motorroller der ganze Lebensinhalt. Zumal Kaufen Vertrauenssache ist, sollte man sich folglich den bevorzugten Fachhändler vorab genau ansehen, bei dem man vorhat ein motorisiertes Zweirad zu erwerben. Alles ist bei uns transparent und für den Kunden nachzuvollziehen! Sie dürfen gerne jederzeit bei uns vorbeikommen und sich selber ein Bild machen.Den Nachweis unserer guten Leistungen können Sie dann direkt vor Ort herausfinden.Wenn Ihnen die Anfahrtsstrecke zu uns zu weit ist, können Sie sich auch mittels der unterschiedlichen Ebay Bewertungen und des Trustedshops-Siegels sachkundig machen. Zum Beispiel wird sowohl unsere Geschäftspraxis als auch unser Online Shop mit dem Trustedshops Gütesiegel "sehr gut" eingestuft, was uns nicht zu Unrecht sehr stolz macht. Auch bei Ebay liegen wir mit dem Prozentsatz 99,9 % hervorragend im Rennen. Demonstrieren diese Resultate nicht eindeutig, dass unsere Kunden bestens bei uns aufgehoben sind? Denken Sie aber bitte daran, dass dort wo gearbeitet wird, auch Fehler passieren. Von daher bitten wir Sie, für den Fall, dass mal etwas nicht so gut gelaufen ist, uns auf jeden Fall die Möglichkeit zur Verbesserung zu geben.Unser kompetentes Mitarbeiterteam ist täglich von 8:00 - 18:00 Uhr und samstags von 9:00 - 13:00 für Sie da.Unsere FirmenphilosophieWir tun viel, damit unsere Kundschaft zufrieden ist. Den Handel mit Fahrzeugen betreiben wir sehr Erfolg versprechend bereits seit über 25 Jahren, wollen hierbei andererseits nicht unerwähnt lassen, dass wir schon mehr als 50 Jahre auf eine Erfolgsgeschichte im Bereich Maschinenbau zurückblicken können. Mittlerweile haben wir uns außer der Vermarktung von Rollern, auf das "Must have" für Tuning, Zubehör und Einbauteile spezialisiert.Wir können kurzfristig über 500.000 Komponenten liefernWenn Sie zu Ihrem Motorroller ein Teil suchen, werden Sie auf unserer Seite unter Motorroller.de auf jeden Fall das geeignete Element finden. Es gibt zurzeit Ersatzteile, passendes Zubehör und Artikel für rund 250 Hersteller und 8500 Typen in unserem Warenlager, die auf Ihre Bestellung warten. Adly, Jonway, Yamaha oder Kreidler zählen z.B. zu unseren langjährigen Lieferanten. Es sind zirka 500.000 Produkte von unterschiedlichen unterschiedlicher Produzenten, welche wir in unserem Hochregallager auf einer Lagerfläche von über 1.000 m² sofort lieferbar haben. Alles was Sie als Rollerfahrer benötigen, finden Sie im Zubehörbereich. Das beginnt bei den Handschuhen, Regensets und Nierengürteln, und geht bis hin zu den Sturzhelmen über die Windschilder und dem Top Case.Selbst Tuningfans kommen bei uns nicht zu kurz. Zum Tunen ihres Zweirads finden sie in unserer Tuningabteilung alles was das Herz begehrt, wie beispielsweise Zylinder, Auspuffanlagen, Kolben und andere Dinge.Direkt nach der ProduktionFortlaufende Qualitätsprüfung ist unsere Passion. Anders gesagt, bevor ein Fahrzeug ausgeliefert beziehungsweise vom Kunden abgeholt wird, testen wir es zum Schluss nochmals ausführlich auf etwaige Fehler oder Transportschäden. Wir packen zuallererst jeden Roller nach der Ankunft in unserem Haus aus und unterziehen es auf unserem Zweirad-Prüfstand einem Probelauf. Bevor der Kunde den Motorroller übernimmt, erfolgt noch ein abschließender Funktionscheck. Auf diese Weise ist wirklich gewährleistet, dass der neue Besitzer mit seiner Anschaffung zu hundert Prozent zufrieden ist.Schutz unserer UmweltWir sind sehr um den Schutz unserer Umwelt bemüht. Zur Bewahrung der Luftreinheit besitzen unsere Fahrzeuge im Prinzip Motoren, welche ausgesprochen effizient laufen. Ohne Frage nehmen wir im Sinne einer sauberen Umwelt die Transportverpackung wieder mit, die bei der Anlieferung unserer Roller anfällt und führen sie einer fachgerechten Müll-Entsorgung zu.Wir kaufen Ihren RollerSie haben einen neuen Roller bei uns gekauft und möchten Ihren ausgedienten fahrbaren Untersatz loswerden? Kein Problem! Wir kaufen Ihren gebrauchten Motorroller an.Immer noch nicht überzeugt?Dann geben Sie uns doch die Chance, Sie von der Qualität unserer Leistungen zu begeistern. Im Gegensatz zu den billigen Internet-Shops, welche schnell wieder weg sind, können wir auf eine jahrelange Firmentradition zurück blicken. In unserem fortwährend wachsenden Unternehmen steht Fleiß und fortwährendes Lernen in der Rangordnung ganz oben, da wir verstanden haben, dass sich lediglich durch fortschrittliche Innovationen und neue Ideen das Know-how für eine stabile geschäftliche Basis schaffen lässt. Überzeugen Sie sich selbst von unserem ausgezeichneten Service und besuchen Sie uns doch einmal in unserem Betrieb in Lindenfels-Eulsbach.So finden Sie unsLindenfels liegt im Regierungsbezirk Darmstadt, und zwar 40 km nordöstlich von Mannheim bzw. circa 60 km südlich von Frankfurt/Main. Sie fahren am besten von Süden her über die A8, während Sie aus nördlicher Richtung die A6 nehmen. Es besteht auch eine gute Verkehrsanbindung mit der Bahn.Unsere TopmarkenUnsere Topmarken

Regulärer Preis:
Nicht verfügbar
7,12 €
Rabatt
Variomatikscheibe 139QMB AGM Riemenscheibe Roller 50ccm 4Takt Motorroller.de Keilriemenscheibe Fliehkraftkupplung Variator Keilriemen-Scheibe Scooter
Variomatikscheibe 139QMB AGM Riemenscheibe Roller 50ccm 4Takt Motorroller.de Keilriemenscheibe Fliehkraftkupplung Variator Keilriemen-Scheibe Scooter

zu Artikel: Variomatikscheibe 4Takt 50ccm 139QMA 139QMB 139QM-1011 Variomatikscheibe 4Takt 50ccm 139QMA,4Takt 50ccm 139QMBTechnik-InfoVariomatikscheibeauch zu finden unter: Keilriemen-Scheibe, Riemenscheibe, Riemen-Scheibe, Variogetriebescheibe, Variomatikscheibe, Variomatikgehäuse, Variomatikgehaeuse, Automatikgehäuse, Automatikgehaeuse, Antriebsscheibe, Reglergehäuse, Reglergehaeuse, Variomatik, Variator, Automatikkupplung, Fliehkraftkupplung, Getriebe, Variomatikkupplung, Variomatik-Scheibe, Varioscheibe, Vario-Scheibe, Variomatik-Gehäuse, Variomatik-Gehaeuse, Automatik-Gehäuse, Automatik-Gehaeuse, Antriebs-Scheibe, Regler-Gehäuse, Regler-GehaeuseDie Variomatikscheiben bilden zusammen mit dem Antriebsriemen das Veriomatik- oder CVT-Getriebe. Sie bekommt die Kraft des Motors über die Flihkraftkupplung.Dieser Artikel passt bei vielen Modellen, unter anderem für:AGM GMX 450 JSD50QT-13 AGM GMX 450 One JSD50QT-13 AGM GMX 450 Sport JSD50QT-13 AGM GMX 450 ZX50QT-7A AGM GMX 50 AGM GMX 50 One JSD50QT-13 AGM GMX 50 Sport JSD50QT-13 AGM GMX 550 AGM GMX 550 ZX50QT-7B Baotian BT49QT 3 Baotian BT49QT 6A1 Baotian BT49QT 6A4 Baotian BT49QT 6B1 Baotian BT49QT 6B4 Baotian BT49QT 9R1 Baotian BT49QT 9R3 Baotian BT49QT 9S1 Baotian BT49QT 9S3 Baotian BT49QT-12C1 Rebel 50 Baotian BT49QT-12C1 Warrior 50 Baotian BT49QT-12C2 Baotian BT49QT-12D1 Hero 50 Baotian BT49QT-12E Baotian BT49QT-12E1 Rocky 50 Baotian BT49QT-12E3 Baotian BT49QT-12F1 Baotian BT49QT-12F1 Tanco 50 Baotian BT49QT-12G1 4T Baotian BT49QT-12G2 Baotian BT49QT-2 Big Panther 50 Baotian BT49QT-20A2 Land flyer Baotian BT49QT-21B1 Classico Victoria 50 Baotian BT49QT-28A (ZICCO) Baotian BT49QT-2A Baotian BT49QT-7A1 SMART RIDER 50 Baotian BT49QT-7A3 Baotian BT49QT-7B3 Baotian BT49QT-9A1 Baotian BT49QT-9D1 Baotian BT49QT-9D3 Baotian BT49QT-9F3 Eagle 50 Baotian BT49QT-9N 4T Baotian BT49QT-9N1 Baotian BT49QT-9N3 4T Baotian BT49QT-9O3 4T Eppella ECM GMX 50 Jinan Qingqi Capriolo 50 Jinan Qingqi Rex RS 450 OFF-LIMIT/TRIBAL-Scooter/CAPRIOLO 50 QM50QT-6A Jinan Qingqi REX RS 600 QM50QT-2 Jinan Qingqi REX RS 700 QM50QT-10A Jinan Qingqi REX RS 900 QM50T 10A (A) Jinan Qingqi RS 450 Jinan Qingqi RS 700 Jinan Qingqi RS 900 Jinan Qingqi RS 900 QM50T 10A Jonway 139QMB Jonway Boston 8 Mofaroller Jonway Imola 50 Race/Urban Jonway Jigger 50 City Jonway Milano 50 Jonway Monza 50 Race Urban Jonway REX Monaco 50 Race/Urban Jonway Rex RS 460 JONWAY Rex RS 500 Jonway Rex RS Classic Jonway RS 400 Jonway RS 750 Jonway RS Classic Jonway Unser Norden Mofaroller Jonway Unser Norden Mokickroller Kreidler Galactica 2.0 50 DD City Kreidler Hiker 2.0 50 DD Kreidler Hiker 50 DD Kreidler Jigger 50 City Kreidler MONACO 50 Race / Urban Kreidler MONZA 50 Race / Urban (Fin: WS1 od. L8Y) Kreidler RS 500 Rex Capriolo 50 4T Rex Imola 50 Rex Imola 50 Race/Urban Rex Milano 50 Rex Monaco 50 Rex Monaco 50 Race Urban Rex Monza 50 Fin: L5Y Rex RS 400 Rex RS 450 Rex RS 450 OFF-LIMIT/TRIBAL-Scooter/CAPRIOLO 50 QM50QT-6A Rex RS 460 Rex RS 460 BOSTON 8 Rex RS 460 Mofaroller 4-T Rex RS 500 Rex RS 500 QM50QT 6A-AQINGQI Rex RS 600 QM50QT-2 Rex RS 700 QM50QT-10A Rex RS 750 Rex RS 900 QM50T 10A-A Rex RS Classic 50 SMC STM RS 450Geprüfte beste Erstausrüsterqualität sehr gute Verarbeitung günstiger Preis Kauf vom GroßvertreiberUnsere Ersatzteile für ihren Motorroller bzw. Scooter oder auch Roller können Sie bequem online in unserem Shop kaufen. Egal ob sie Ihren Roller im Baumarkt oder im Kaufhaus gekauft haben, für alle gängigen Europa-, China-, oder Taiwan-Roller finden Sie bei uns passende Bauteile, insbesondere für die Motoren 50 cc, 125 cc, 250 ccm, 4takt, 2takt und für größere Leistungen. Speziell für die Motorentypen 139QMB, 139QMA, JSD139QMB ,139FMB ,164FML ,153FMI, 156FMI ,1E40QMB, 1E40QMA ,152QMI, 157QMI ,150QMG ,125-4T6M ,157QMJ, 158MJ , GY6 in kurzen und langen Versionen in den Normen Euro1, Euro2, Euro3 sowie die neuen Euro 4 Einspritzer-Motoren finden Sie Ersatzteile von bewährter Qualität. Gerne können Sie auch per Email nach Ersatzteilen anfragen. Bei Bestellwerten über 100 Euro können Sie auch unseren Ratenkauf- bzw. Finanzierungs-Service nutzen. Beim Kauf von Fahrzeugen können wir Ihnen auch ein Leasing-Angebot unterbreiten, das bietet sich insbesondere für Firmen an, die Betriebsfahrzeuge anschaffen, oder ihren Mitarbeitern ein Fahrzeug zur Verfügung stellen. Bitte fragen Sie an.

Verkaufspreis:
Verfügbar
15,90 € Regulärer Preis: 18,29 €
Rabatt
Dekorkappe / Dekoblende vorn schwarz 50 One 1020304-1-S
Dekorkappe / Dekoblende vorn schwarz 50 One 1020304-1-S

Dekorkappe vorne schwarz Fighter 50 OneTechnik-InfoDekorkappeDekorabdeckung, Dekorkappe vorne schwarz-matt lange, Dekorkappe Erstausrüsterqualität beste Verarbeitung Lagerware günstiger Preis da Direktimport sofort versandbereitUnsere Ersatzteile für ihren Motorroller bzw. Roller oder auch Scooter können Sie bequem online in unserem Shop kaufen. Egal ob sie Ihren Roller im Baumarkt oder im Kaufhaus gekauft haben, für alle gängigen China-, Taiwan-, oder Europa-Roller finden Sie bei uns passende Bauteile, insbesondere für die Motoren 50 cc, 125 cc, 250 ccm, 4takt, 2takt und für größere Leistungen. Speziell für die Motorentypen 157QMJ, 158MJ ,139QMB, 139QMA, JSD139QMB ,150QMG ,125-4T6M , GY6 ,152QMI, 157QMI ,139FMB ,153FMI, 156FMI ,164FML ,1E40QMB, 1E40QMA in kurzen und langen Versionen in den Normen Euro1, Euro2, Euro3 sowie die neuen Euro 4 Einspritzer-Motoren finden Sie qualitativ hochwertige Ersatzteile. Gerne können Sie auch per Email nach Ersatzteilen anfragen. Bei Bestellwerten über 100 Euro können Sie auch unseren Finanzierungs- bzw. Ratenkauf-Service nutzen. Beim Kauf von Fahrzeugen können wir Ihnen auch ein Leasing-Angebot unterbreiten, das bietet sich insbesondere für Firmen an, die Betriebsfahrzeuge anschaffen, oder ihren Mitarbeitern ein Fahrzeug zur Verfügung stellen. Wir freuen uns auf Ihre Anfrage.

Verkaufspreis:
Nicht verfügbar
14,90 € Regulärer Preis: 17,14 €